Next Article in Journal
Cold Chain Energy Analysis for Sustainable Food and Beverage Supply
Next Article in Special Issue
The Changing Tendency and Association Analysis of Intelligent Coal Mines in China: A Policy Text Mining Study
Previous Article in Journal
Adsorption of Metformin on Activated Carbon Produced from the Water Hyacinth Biowaste Using H3PO4 as a Chemical Activator
Previous Article in Special Issue
R-LIO: Rotating Lidar Inertial Odometry and Mapping
 
 
Font Type:
Arial Georgia Verdana
Font Size:
Aa Aa Aa
Line Spacing:
Column Width:
Background:
Article

Development Law of Mining Fracture and Disaster Control Technology under Hard and Thick Magmatic Rock

1
School of Engineering, Jining University, Qufu 273100, China
2
Engineering Laboratory of Deep Mine Rockburst Disaster Assessment, Jinan 250100, China
3
Bayangaole Coal Mine of Inner Mongolia Huangtaolegai Coal Co., Ltd., Ordos City 017000, China
4
Shandong Province Research Institute of Coal Geology Planning and Exploration, Jinan 250100, China
5
Yankuang Group Limited Company, Zoucheng 273500, China
*
Author to whom correspondence should be addressed.
Sustainability 2022, 14(18), 11140; https://doi.org/10.3390/su141811140
Submission received: 12 July 2022 / Revised: 1 September 2022 / Accepted: 2 September 2022 / Published: 6 September 2022

Abstract

:
Hard and thick magmatic rocks are widely distributed in many mining areas in China. Their fracture migration could cause mechanical effects such as the evolution of overburden structure, the sudden change of surface subsidence, and the transformation of accumulated elastic properties, inducing strong dynamic phenomena and even coupled geo dynamic disasters. In this study, by means of theoretical analysis and similar material simulation testing, the fracture of hard thick magmatic rock and the fracture development characteristics of stope are analyzed, and the following research results are obtained: (1) the mechanical model of an elastic foundation beam is established, and it is found that the bending moment in the middle of hard thick magmatic rock is greater than the bending moment at the end, and the magmatic rock first produces fractures in the middle, and then the initial fracture occurs. (2) The existence of hard thick magmatic rock blocks the development of fractures in the longitudinal direction. The bed separation and fracture undergo three processes of generation, development and closure. When the working face advances 160 m, 200 m and 270 m, the maximum bed separation shape on the strike section experiences triangle trapezoid crescent shape. (3) A ladder type fissure channel is formed above the working face side and the open cut hole side. When the working face is advanced 160 m, the ladder type fissure channel develops to the bottom of the hard thick rock layer, providing a ladder type channel for gas flow. After the hard thick rock layer is broken, a large number of elastic properties are released, which produces a strong impact force on the gas rich area of the bed separation, and also causes a sharp rise in the gas pressure of the bed separation at the bottom of the magmatic rock. A large amount of high-pressure gas in the bed separation space flows reversely to the working face along the ladder type gas channel, which can easily induce a gas outburst, coal and gas outburst or other disasters. (4) The correctness of the similar simulation experiment is verified by the field data. Technical measures for preventing gas outbursts in bed separation by surface drilling and pressure relief gas extraction are put forward. The research results have a certain guiding role for the prevention and control of dynamic disasters and the design of roadway support under the condition of a hard and thick key stratum overlying the working face.

1. Introduction

With the continuous increase of coal mining depth, coal mine dynamic disasters such as mine earthquake and gas outburst are becoming more and more serious [1,2,3,4], especially when there are hard and thick magmatic rocks above some coal mines. Due to the large thickness, high strength, strong integrity and large suspended area of hard and thick magmatic rocks, instability and large-area fracture can occur with hard and thick magmatic rocks in the process of mining the coal mine working face. This has a strong adverse impact on the working face under dynamic load, and releases high-strength energy events, inducing rock burst, mine earthquake, gas outburst and bed separation water [5,6,7,8,9]. In coal mining, the overlying strata of coal seam may collapse as a result of the mining. The existence of key strata can lead to group strata or single-layer stratum collapse, and bed separation fractures can be produced during the asynchronous collapse of rock strata. As the main key stratum, hard and thick magmatic rock can produce bed separation space in its lower part, which creates conditions for the concentration of gas and water. The breaking of hard thick strata easily induces dynamic phenomena such as coal and gas outburst, or surface subsidence, and may even cause serious geological disaster events, threatening the safety of production in coal mines [10,11,12,13,14,15].
For example, in China, on 17 July 2011, a spray hole event occurred in 2# ground drainage hole in 10,414 working face of Yangliu Coal Mine. During the drilling of a gas drainage orifice, the water outflow of the working face was obviously abnormal, and the maximum water inflow was 46 m3/h. The whole spray hole lasted for 33 h, the gas emission was 166,383 m3, and the water inflow of the working face was 7845.6 m3. Through the analysis, it could be seen that the dynamic phenomenon of the gas gushing hole and roof water inrush in 10,414 working face was due to the collapse and instability of high-level magmatic rock, which lead to the rapid closure of the bed separation at the bottom of the hard thick magmatic rock, causing water and gas outburst in the bed separation. Through the analysis of such dynamic disasters, it is not difficult to find that when there is hard and thick magmatic rock above the working face, the dynamic disasters caused by the breaking and instability of magmatic rock can pose a serious threat to the safe and efficient production of coal mines. Therefore, it is of great theoretical significance and practical value to study the development and evolution law of the roof cracks of the working face when there is hard thick magmatic rock above the working face, and to study the dynamic disaster mechanism caused by the breaking of hard thick rock strata.
At present, many scholars have carried out research on the occurrence of mining dynamic disasters and overburden structures under hard and thick strata by using numerical simulation, theoretical analysis and field measurement [16,17,18,19,20,21,22]. Guo explained the mechanism of rock burst induced by mining under hard and thick rock strata, and put forward measures to control the disasters induced by breaking of hard and thick rock strata [8]. Wu analyzed the example of a micro earthquake in 10,302 working face of Baodian coal mine in Jining City, Shandong Province, China, and revealed the potential damage characteristics of hard thick sandstone overlying the working face caused by mining, expounding the relationship between micro earthquake data and rock movement [23]. Ning carried out microseismic monitoring on the working face with two layers of hard and thick strata. Using the microseismic distribution law, the relationship between the fracture of thick hard rock strata (THRS) and microseismic data was studied, and prevention measures were put forward [24]. Lu analyzed the fracture law of igneous rock in 10,416 working face of Yangliu Coal Mine using microseisms, and obtained the microseismic distribution characteristics and frequency spectrum distribution law of igneous rock breaking [13]. The square structure failure (SSF) model of THRS is theoretically derived and applied to the fracture analysis of hard thick igneous rocks [9]. Through comprehensive analysis, three structural models of the influence of THRS’s relative position are established [25].
Wang used theoretical analysis to study the breaking step distance of hard and thick sandstone rock in the advancing of the working face [7]. Wang studied the process of coal and gas outburst in Haizi coal mine. By analyzing the field data of gas blowholes and surface subsidence, the fracture process of hard and thick rock strata overlying the working face under the influence of mining and the causes of dynamic disasters were obtained [26]. In order to deeply study the coal and gas outburst process in Haizi coal mine, Xuan, D. X. studied the evolution law of mining stress under the condition of overlying igneous rock by using a numerical simulation method, and explained the causes of coal and gas outburst disasters from the perspective of stress release [27]. It can be seen from the above literature that the existing research has comprehensively analyzed the disaster mechanism and the fracture law of hard thick strata under the condition that the working face is covered with hard thick strata by using the methods of field measurement, theoretical analysis and numerical simulation. These studies reveal the movement law and fracture evolution characteristics of overburden rock under the condition of a hard and thick key stratum overlying the working face. However, a similar material simulation test can visually show the fracture movement, separation development and fracture formation process of the overlying strata of the working face.
Therefore, in view of the previous studies, we first used the method of theoretical analysis to obtain the fracture form of hard and thick rock strata, then used the method of a similar simulation experiment to study the development law of hard and thick magmatic rock separation in the mining process, and finally put forward the preventive measures of dynamic disasters such as gas outburst according to the development characteristics of bed separation. The research of this paper is of great significance to the prediction and prevention of dynamic disasters in the mining of working faces under hard and thick key rock strata.

2. Fracture Mechanics Analysis of Hard and Thick Magmatic Rocks

Hard and thick rock strata are distributed in many mining areas in China, such as giant thick magmatic rocks in Jining No. 3 Coal Mine, giant thick conglomerate in Yima Changcun Coal Mine, giant thick magmatic rocks in Haizi Coal Mine, and relatively thick magmatic rocks in Yangliu Coal Mine. During the mining period of these overlying hard thick rock working faces, the dynamic phenomenon of breakage may occur. Therefore, it is very important to master the breaking mechanism of hard thick rock strata for the prevention and control of dynamic disasters. With the advance of the working face, rock strata above the working face continuously collapse, and the bed separation also develops upward and forward. When the bed separation develops to the bottom of the hard and thick magmatic rock, the stress and deformation characteristics of the hard and thick magmatic rock show the nature of rock beam due to its high strength and large thickness. The overlying rock structure on the strike section at this time is shown in Figure 1.
The hard and thick magmatic rock is supported by the lower coal rock mass. Because the strength and stiffness of the lower coal rock mass are small, obvious elastic deformation occurs. Therefore, the coal seam, roof strata under hard and thick magmatic rocks and shallow floor rocks are considered using the Winkler foundation. According to the stress characteristics and stress environment of the rock beam, the hard and thick magmatic rock is mainly affected by the overlying uniform load, self-weight and elastic foundation support before the first fracture.
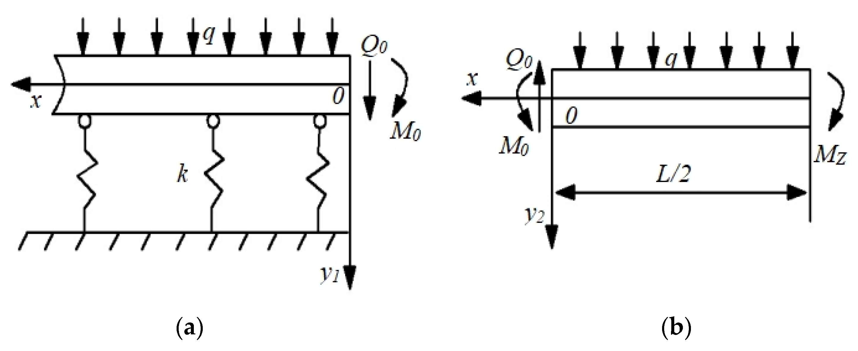
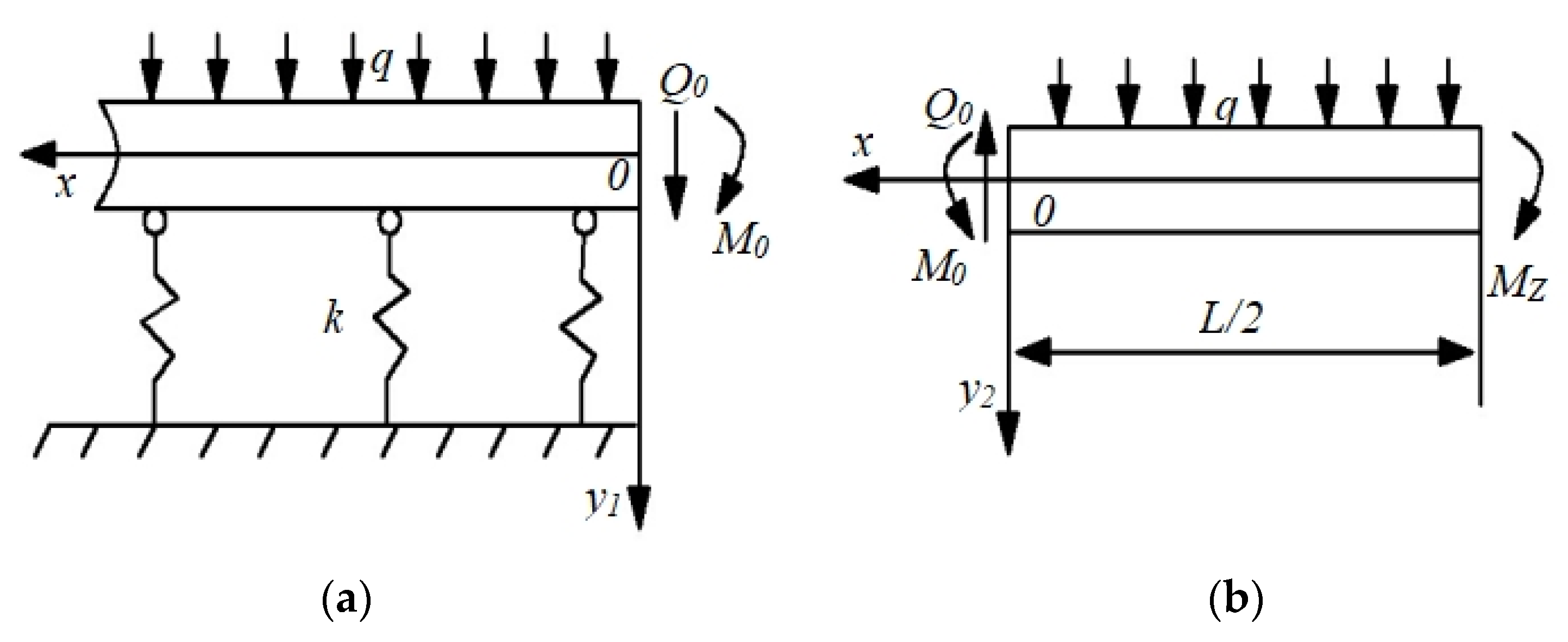
Because the rock beam has symmetrical characteristics, the left half of the rock beam can be taken as the research object. The research object can be equivalent to a semi-infinite elastic foundation beam, as shown in Figure 2 [28].
It can be seen from Figure 2a that according to the theory of material mechanics and elastic foundation beam, the differential equation of rock beam deflection curve can be obtained [24].
E I y 1 ( 4 ) ( x ) = q k y 1 ( x )   ( x 0 )
where k is stiffness of support foundation, N/m2; E is elastic modulus of hard and thick magmatic rock, under plane strain condition, pa; I is moment of inertia of hard and thick magmatic rocks, m4.
The foundation stiffness K is determined by the elastic modulus and thickness of coal layer under the hard and thick magmatic rock [28]:
K i = E i ( 1 μ i 2 ) h i ,   1 K = i = 1 n 1 K i
where Ki is the stiffness of the first layer in the foundation, Pa/m; Ei is elastic modulus of layer i; μ i is poisson’s ratio of layer i; hi is thickness of layer i.
Under the action of the overlying uniformly distributed load, the hard and thick magmatic rock sinks as a whole, and the deflection curve expression of the beam on the semi-infinite elastic foundation is as follows:
y 1 = 2 β k Q 0 θ ( x ) + β M 0 ψ ( x ) ,   ( x 0 )
The Krylov function is:
φ ( x ) = e β x ( cos β x + sin β x ) ψ ( x ) = e β x ( cos β x sin β x ) θ ( x ) = e β x cos β x ζ ( x ) = e β x sin sin β x
Given the characteristic parameters of foundation beam β = k / ( 4 E I ) 4 , from E I y 1 = M 1 ( x ) , the expression of bending moment of beam on elastic foundation is obtained as follows [24]:
M 1 ( x ) = 1 β e β x Q 0 sin β x + β M 0 ( cos β x + sin β x )   ( x 0 )
As shown in Figure 2b, the bending moment expression of a cantilever beam under the joint action of uniformly distributed load q and middle bending moment Mz is as follows:
M 2 ( x ) = M z + q 2 ( L 2 + x ) 2   ( L / 2 x 0 )  
M z = M 0 1 8 q L 2 .
Considering the continuity condition and deformation compatibility condition at x = 0 and x = L / 2 , the above solutions are obtained.
Q 0 = q L 2 ,   M 0 = q L 2 12 ϕ 0 ,   M z = q L 2 24 ϕ z
where ϕ 0 and ϕ z are moment correction factors at the end and middle of the rock beam. In Formula (7) ϕ 0 = t 2 6 t 2 + 2 t , ϕ z = t 2 + 6 t + 12 t 2 + 2 t , t = β L are dimensionless.
Under the uniformly distributed load of overlying strata, due to the influence of the deformation of the lower foundation, the end of the rock beam is bound to produce a certain angle, which puts the hard thick magmatic rock beam in the elastic support boundary condition between the fixed support and the simple support; the end bending moment transfers to the front of the coal wall, which obviously affects the distribution of the bending moment of the rock beam [28].
Therefore, we take the derivative of M 1 ( x ) , the maximum bending moment in front of the coal wall of the elastic foundation beam, and its position can be obtained according to d M 1 ( x ) / d x = 0 :
x = 1 β arctan 3 t ϕ 0 + 3 ,   M q = q L 2 12 ϕ q
where ϕ q = ϕ 0 φ ( x ) + 6 ξ ( x ) t , φ ( x ) = e β x ( sin β x + cos β x ) , ξ ( x ) = e β x sin β x .
Due to the foundation effect of the elastic foundation, the relationship between the maximum positive bending moment M q in front of the coal wall of the cantilever beam model and the maximum negative bending moment M z in the middle of goaf is different from that of a fixed beam. The moment correction coefficient ϕ q and ϕ z are both functions of the dimensionless characteristic parameter t. Therefore, the relationship between M q and M z determines that the initial fracture position of high-level hard and thick rock is in front of the coal wall or in the middle of the goaf. According to the calculation in reference, there are two types of primary faults in hard thick magmatic rocks as follows:
  • M Z M q , the middle part of the rock beam is fractured first;
  • M Z M q , the end part of the rock beam is fractured first.
According to the actual geological conditions corresponding to the simulation parameters of the similar materials, the actual thickness and Poisson’s ratio μ of coal and rock seams in Table 1 from R-1 to R-29 are substituted into Formula (2), and the elastic foundation stiffness of hard and thick magmatic rock is k = 6.89 × 108 Pa/m and q = 5 MPa. The absolute value of the maximum positive bending moment M d and the maximum negative bending moment M B are compared by using Matlab mathematical software. The relationship between the characteristic bending moment of magmatic rock and the hanging span L of hard and thick magmatic rock is shown in Figure 3.
Both the middle bending moment M Z and the end bending moment M q in front of the coal and rock wall of the hard and thick magmatic rock beam increase with the increase of the suspension span distance; under the influence of the elastic foundation, the middle bending moment M Z of the beam is always bigger than the bending moment M q at the end of the beam before the rock beam of hard thick rock stratum is broken. It can be seen that with the continuous advance of the working face, the cantilever distance of hard thick magmatic rock gradually increases, which leads to the increasing bending moment at the end and middle part. The middle bending moment M Z first reaches the maximum bending moment that the hard and thick magmatic rock beam can bear, and the magmatic rock beam first fractures in the middle of the bottom under the action of the elastic foundation. It provides a theoretical criterion for analyzing the distribution of mining fissures and the gas migration path in the overlying strata.
With the periodic fracture of the overlying strata, the bed separation span under the magmatic rocks continues to increase. Longitudinal cracks appear in the middle of magmatic rocks. At the same time, the fissures at both ends of the magmatic rock incline towards the goaf, and finally the magmatic rock breaks. The middle of magmatic rock first reaches the bending moment limit, and vertical cracks appear.

3. Establishment of Similar Simulation Model for Fracture Development under Hard Thick Layer Magmatic Rocks

3.1. Similar Material Model Parameters and Monitoring Equipment

In order to more accurately study the structural evolution of mining overburden under hard and thick magmatic rock and the fracture law of overlying strata, the laboratory similar simulation test bench was used for the similar material simulation test. The model size was 3 m (length) × 0.4 m (width) × 1.8 m (height), and the actual effective height was 1.8 m. During the experiment, the total station was used to observe the displacement of magmatic rocks and the strata above and below magmatic rocks, and the camera was used to record the movement of overburden and the evolution of fractures.
In the experimental model, the thickness of coal seam was 8 m, the thickness of magmatic rock was 60 m, and the distance between magmatic rock and coal seam was 60 m. The strength similarity ratio used in the simulation test of similar materials was C σ C = C l C γ = 1 / 300 , the similarity ratio of elastic modulus was C E = E m i / E p i = C L C γ = 1 / 300 , bulk density similarity ratio was C γ = γ m i / γ p i = 1 / 1.5 , geometric similarity ratio was C L = 1 / 200 .

3.2. Making Similar Models and Selecting Similar Materials

In the similar simulation experiment, the rock strata in the model were composed of coal seam, floor and overlying rock strata. In addition to magmatic rocks, the overlying strata mainly consisted of coarse sandstone, fine sandstone, siltstone and mudstone. A total of 57 layers were laid in the similar model, with the laying height of 1.62 m, of which the overburden rock height was 1.44 m. The method of applying I-beam block to simulate the overlying uniform load was adopted. The mass of loaded I-beam was 500 kg. Similar materials were composed of river sand, gypsum, calcium carbonate and mica powder, in which river sand was used as aggregate, gypsum and calcium carbonate as cement, mica powder was evenly laid between the layers as a layered material. Different rock layers in the similar material model were realized by the corresponding proportion, as shown in Table 1.

4. Experimental Analysis of Crack Development under Hard Thick Layer Magmatic Rock Overburden

4.1. Experimental Analysis of Crack Development under Hard Thick Layer Magmatic Rock Overburden

In order to study the development law of bed separations and fissures under overlying hard and thick magmatic rock, the development process of bed separation is divided into two stages under different advancing distance conditions, which includes the stage of fracture not developing to the bottom of magmatic rock and the stage of fracture developing to the bottom of magmatic rock.
A similar simulation test model was established according to the parameters in Table 1, as shown in Figure 4. Figure 4a is a full view of the model before the mining of the working face, and Figure 4b–e are partial enlarged views of the mining position during the mining of the working face. With the continuous progress of the working face, the overlying strata continue to collapse. Due to the large mining thickness of the coal seam, the lower collapse space is sufficient. When the mining area of the working face is small, the upper rock beam can not form an articulated structure after being broken, and collapses completely without forming a separation space, as shown in Figure 4a. As shown in Figure 4b, when the working face is mined to 100 m, the upper R-6 key layer collapses and sinks, and the upper rock layer controlled by R-6 key layer also collapses in groups. The collapsed rock layers interact to form an articulated structure. The bed separated is formed between the collapsed top rock layer and the new key layer, and the strike section is triangular. With the continuous advancement of the working face, the rock stratum under thick and hard magmatic rock enters periodic fracture, and the fracture span of the lower bed separation is increasing. The existence of key layers leads to the group fracture of rock stratum and the jump rise of bed separation. As shown in Figure 4c, when the working face is mined to 120 m, the first periodic fracture of key rock stratum R-6 leads to the first fracture of rock stratum R-8. The fracture of R-8 rock stratum led to the development of bed separations and fractures, which jumped and increased by 6.4 m in height. When the working face is mined to 140 m, another key layer breaks, which leads to the jump of the maximum bed separation height by 15.8 m. When the working face is mined to 120 m and 140 m, the strata collapse and rise periodically, and the bed separation on the strike section basically presents a triangle.
To sum up, the analysis shows that the separation fractures of the overburden under the hard and thick magmatic rock (when they are not developed under the hard and thick magmatic rock) develop, expand and close with the migration of each key layer. Due to the control of the key layer, the rock strata move in groups, resulting in intermittent jump rise in the development of bed separation and fractures, jump rise in the maximum bed separation space, and the maximum bed separation space is triangular on the strike section.
With the continuous mining of the working face, the overlying strata collapse periodically, and the bed separation rises intermittently and jumps in height until it develops under the hard and thick magmatic rock. At the initial stage of the development of the bed separation in the lower part of the magmatic rock, the bed separation is triangular on the strike section. As shown in Figure 5a,b, when the working face advances to 160 m, another key layer collapses, resulting in the jump rise of bed separation, and bed separation begins to appear under magmatic rock. When the working face is mined to 160 m and 180 m, the fractures in the lower separation layer of magmatic rock show triangles on the strike section. With the continuous mining of the working face, the strata under magmatic rocks enter the periodic collapse stage. Magmatic rocks with high strength and thickness not break in a short distance, which can shield the development of bed separation. When the bed separation develops to the lower part of the hard thick magmatic rock, the development height of the bed separation is blocked, the bed separation span increases with the periodic collapse of the rock layer under the magmatic rock, and gradually develops from triangle to trapezoid on the strike section. As shown in Figure 5c–f, when the working face is mined to 200 m, the bed separation develops from triangle to trapezoid on the strike section; with the continuous advancement of the working face, the rock strata under the magmatic rock continue to collapse periodically, and the bed separation span continues to increase; when the working face is mined to 220 m, 240 m and 270 m, the strata under the magmatic rock collapse three times in periodic caving, and the bed separation span of the magmatic rock increases continuously, showing a trapezoid on the strike section. The bed separation space between the hard thick magmatic rock overburden is continuously compacted with the periodic collapse of the overburden, and the maximum height of the hard thick magmatic rock overburden is increasing. The bed separation span of hard thick magmatic rock increases with the periodic collapse of rock stratum. When the span reaches a certain limit, cracks appear in the middle of the lower part of the hard thick magmatic rock, the magmatic rock sinks to a certain extent, and the bed separation space is gradually developed from trapezoid to crescent shape on the strike section. As shown in Figure 5g, when the working face is mined to 270 m, the maximum bed separation space is crescent shaped on the strike section. With the continuous mining of the working face, the hard and thick magmatic rock reaches its span limit. Break occurs and the bed separation is closed.
To sum up, the lower bed separation of magmatic rock collapses periodically with the lower rock layer, and experiences three processes of generation, development and closure. On the strike section, the shape of bed separation has experienced triangle, trapezoid and crescent shape. The vertical development of the bed separation is shielded by the hard and thick magmatic rock. When the bed separation develops to the hard and thick magmatic rock, the development stops temporarily in the vertical direction, and collapses periodically with the lower rock stratum in the horizontal direction, and its suspension span distance increases continuously.

4.2. Evolution Law of Bed Separation under Hard and Thick Magmatic Rocks

In order to monitor the displacement of overburden under mining, the layout of model survey stations is shown in Figure 6. A total of 5 survey lines are arranged, and each survey line has 29 survey points. The displacement of each point is observed and recorded by total station. The 1# survey line is 25 m away from the roof of the coal seam and monitors the subsidence of the roof near the coal seam; 2# survey line is 65 m away from the coal seam, 3# survey line is 75 m away from the coal seam, and 2# and 3# survey lines mainly monitor the rock stratum displacement under hard and thick magmatic rock; 4# survey line is 85 m away from the coal seam (arranged in the hard thick magmatic rock stratum) to monitor the displacement of hard thick magmatic rock; The 5# survey line is 225 m away from the coal seam to monitor the displacement of the overlying strata of magmatic rock. All measuring points are observed point by point with a total station along with the advance of the working face.
As shown in Figure 7, during the working face advancing 160–240 m, the 4# survey line subsidence is basically 0, and the 4# survey line is in a straight line. When the working face is mined to 160 m, the nearest key layer under the hard thick magmatic rock breaks, the overlying strata controlled by the key layer break in groups, and the broken strata are hinged. The 2# survey line is V-shaped, and 2# and 4# survey lines form a triangle, that is, when the bed separation just develops under the hard thick magmatic rock, it appears as a triangular on the strike section. When the working face is mined to 160 m and 240 m, the overburden of hard and thick magmatic rock collapses periodically. The magmatic rock with large thickness, high strength and high stiffness sinks very little, and the magmatic rock shields the development height of the bed separation; by the continuous development of the bed separation under the thick and hard magmatic rock in the transverse direction, the development of 2# survey line presents a U-shape, and 2# and 4# survey lines form a trapezoid, that is, the bed separation under the magmatic rock presents a trapezoid on the strike section. The hard and thick magmatic rocks sink less in a short advancing distance, and with the periodic collapse of the overlying strata of magmatic rocks, the span of the magmatic rock bed separation gradually increases, and the magmatic rock bed separation gradually develops into a trapezoid. When the survey line advances to 160 m in the working face, the maximum subsidence of 2# survey line is 4.8 m; when the working face is mined to 240 m, the maximum subsidence is 5.4 m. With the continuous mining of the working face, the bed separation and fissures of the overburden under the thick and hard magmatic rock are gradually compacted and the subsidence is limited.
The variation of the ratio of the maximum overburden bed separation height to the mining thickness of the coal seam (8 m) with the advancing distance is plotted in Figure 8. The curve in Figure 8 is divided into two stages: Stage 1, the bed separation is not developed under the hard thick magmatic rock, that is, the working face is advanced below 160 m. In stage 2, the variation of bed separation height under hard and thick magmatic rock, that is, the working face is pushed to 160 m and later. In stage 1, when the working face is mined to 100 m, 120 m and 140 m respectively, the maximum bed separation height accounts for 37.5%, 60% and 55% of the coal seam mining thickness respectively. The bed separation is not developed under the magmatic rock. Due to the different lithologic strength and thickness of each key layer, the ratio of the maximum bed separation height to the mining thickness of the coal seam is random. In stage 2, due to the high strength and thickness of the magmatic rock, when the bed separation and fissures develop below the hard thick magmatic rock, the magmatic rock sink slightly. At the same time, the bed separation between the overlying strata of the hard thick magmatic rock is gradually compacted, and the bed separation height under the magmatic rock is gradually developed and stable. At this time, the ratio of the bed separation height of the magmatic rock to the mining thickness of the coal seam exceeds 50%, the bed separation height under magmatic rock accounts for most of the bed separation fractures in the overlying strata. With the continuous advancement of the working face, when the magmatic rock is about to reach its collapse limit, there are vertical cracks at the bottom of the magmatic rock, the cracks are continuously developed, and the magmatic rock sinks. At the same time, the bed separation space between the overlying rock layers of the magmatic rock has been compacted, resulting in the reduction of the bed separation height of the magmatic rock. It can be seen from Figure 8 that when the working face is mined to 100 m, the maximum bed separation height accounts for 37.5% of the coal seam thickness. When the working face is mined to 300 m, the magmatic rock breaks, and the maximum bed separation height accounts for 47.5% of the coal seam thickness. The ratio of the maximum bed separation height within the bed separation advance distance to the coal seam mining thickness exceeds 50%. After the coal seam is mined, a huge space is left underground. The filling of the underground space mainly includes the fragmentation and swelling of the collapsed rock and the separation fracture of the overlying rock. The fragmentation and swelling of the rock are limited, mainly because the separation fracture space of the overlying rock occupies most of the space. It can be seen from Figure 8 that, except for the two stages when the bed separation has just developed to the hard thick magmatic rock and the hard thick magmatic rock is about to break, the maximum bed separation height accounts for the vast majority of the mining thickness of the coal seam, that is, after the mining of the working face, the main bed separation fracture space of the overlying rock is concentrated in the maximum bed separation.

4.3. Experimental Analysis of Fracture Development of Overlying Strata under Hard Thick Magmatic Rock

As shown in Figure 9, with the continuous mining of the working face, the rock stratum of the key layer is first pulled, and a vertical fracture fissure appears in the middle of the rock beam, and then a fracture fissure perpendicular to the rock stratum appears at the end of the rock beam. With the penetration of the fracture fissure at the end and middle, the rock beam breaks. The broken rock beam rotates, and strong horizontal extrusion force occurs in the process of rock beam rotation, so that a hinged structure is formed between rock blocks. Because the lithology and thickness of each key layer are different, the movement of the key layer is not synchronized, resulting in separation between the upper and lower key layers. At the same time, the bed separation can be kept closed for a long time after the adjacent key layers are broken. Due to the rotary subsidence of the rock stratum, the broken rock beam and the unbroken rock stratum form a fracture line roughly parallel to the fracture line, and the fracture is wide at the top and narrow at the bottom. Similarly, the broken rock beam and the rock stratum that has previously completed rotary subsidence form a fracture gap, and the fracture is wide at the bottom and narrow at the top. The vertical fracture of each rock stratum and the bed separation between rock strata are connected with each other, which forms a ladder like fracture, called a ladder type fracture. Ladder type cracks are formed on the side of the open cut hole and the working face. The ladder type fracture at the side of the open cut hole rises continuously with the fracture of the overlying strata, and its horizontal position remains unchanged. The ladder type fracture on the side of the working face moves forward periodically with the periodic collapse of the overlying strata, and rises periodically with the breaking of the key stratum in height.
As shown in Figure 10, when the working face is mined to 160 m, the open cut and the ladder type fracture on the side of the working face develop to the bottom of the hard and thick magmatic rock. Due to the shielding effect of the thick and hard magmatic rock, the ladder type fracture stops at the development height. Before the thick and hard magmatic rock is broken, the ladder fracture at the side of the cut hole will not be affected by mining, and will remain unchanged in height and level and be static. With the periodic fracture of the overburden of thick and hard magmatic rock, the ladder fracture at the working face side remains unchanged in height and moves horizontally with the periodic collapse of the overburden in the horizontal direction. The ladder fracture is a dynamic moving fracture.
Ladder type fractures have the characteristics of two-way communication, creating channels for gas circulation and easy to create conditions for gas accumulation under magmatic rocks.

5. Analysis of Gas Outburst under Hard Thick Magmatic Rock

With the continuous mining of the working face, the broken rock beam rotates, and then forms a ladder fracture. The ladder crack has the characteristics of two-way communication, forming a channel for gas flow, which is called ladder gas channel, as shown in Figure 11.
After the coal seam is mined, the mining coal seam has tension cracks due to the influence of mining, which directly releases gas to the goaf. Due to the expansion and deformation of the adjacent layer under the pressure relief, the gas of the adjacent layer in the direction of the coal seam floor enters the goaf of the mining layer through the tension fractures. The gas concentration in the goaf is higher than the bed separation and fractures of the overlying layer. At the same time, the bed separation and fractures are under negative pressure, resulting in the tendency of the gas in the goaf to move towards the bed separation and fractures of the overlying layer. Because there are two-way ladder type gas channels at the working face side and the open cut hole side, under the action of gas pressure difference, the gas in the goaf enters the bed separation and fractures of the overlying strata along the ladder type gas channel. The maximum bed separation generally reaches tens of meters in span, and the bed separation and fractures between the overlying strata under the maximum bed separation are basically compacted. Therefore, gas is mainly concentrated in the maximum bed separation space of the overlying strata. When the bed separation is not developed to hard and thick magmatic rock, with the continuous mining of the working face, the overlying strata continue to collapse periodically, the maximum bed separation space at this stage is closed, and the maximum bed separation is developed forward and upward. As shown in Figure 9, when the maximum bed separation space in this stage is closed, the ladder type gas channel on the side of the open cut hole develops upward at a certain angle, the ladder type channel on the side of the working face moves forward with the periodic collapse of the overburden, and the two ladder type gas channels meet at the maximum bed separation in the next stage. When the maximum bed separation space at this stage is closed, the gas storage space is compressed and the gas is extruded. The extruded gas finally enters the maximum bed separation space at the next stage along the ladder gas channel at the side of the open cut hole. At this time, the gas near the open cut side enters the new maximum bed separation space along the gas channel on the open cut side, and the gas on the working face side enters the new maximum bed separation space along the gas channel on the working face. In this cycle, the gas at the working face side, the open cut side and the maximum bed separation space in the previous stage is continuously gathering to the new maximum bed separation space. The working face is continuously advancing, the maximum bed separation is continuously developing upward, and the gas is also continuously developing upward with the maximum bed separation until it reaches to hard and thick magmatic rock.
Hard and thick magmatic rocks shield the vertical development of separation space. The hard thick magmatic rock has strong integrity and few joints; it is basically integral and plays a role in trapping gas. With the continuous mining of the working face, the overburden of hard thick magmatic rock enters the periodic collapse stage, and the bed separation space continues to develop in the span (in this similar material simulation experiment, the bed separation span reaches more than 300 m, and the bed separation height exceeds 5 m). The bed separation span becomes larger and larger, and at the same time, the bed separation cracks of the overburden of magmatic rock are continuously compacted; the bed separation space under magmatic rocks also has a certain development in the vertical direction. A large area of bed separation space under hard thick magmatic rocks creates conditions for natural gas accumulation. With the continuous mining of the working face, the gas in the goaf and the overlying strata continuously enters the bed separation space along the stepped gas channel.
With the continuous increase of the overhanging length of hard thick magmatic rocks, the magmatic rocks first show vertical cracks in the middle, and they then appear through cracks at the end of the rock beam, resulting in the instability and fracture of the magmatic rocks. The magmatic rock sinks rapidly after breaking, and the bed separation space below decreases rapidly, resulting in the compression of gas in the bed separation and the sharp rise of gas pressure. In addition, the breaking and releasing of a large number of elastic properties in hard thick magmatic rocks has a strong impact on the gas enriched in the bed separation. A large amount of high-pressure gas in the bed separation flows in the opposite direction along the stepped gas channel to the working face, which can easily to lead to dynamic disasters such as gas outburst, coal and gas outburst.

6. Engineering Case Analysis

Taking the 10,414 working face of Yangliu Coal Mine as an engineering case, the working face is located in Suixi County, Huaibei City, Anhui Province, China. The minable thickness of the coal seam is 3.05 m, and the average buried depth is 600 m. There is a layer of magmatic rock overlying the working face, which is 60 m thick and 80 m above the working face. In order to extract the gas released from the coal seam, four gas drainage holes with diameters of Φ300 mm were designed, which are 1#, 2#, 3-1#, 3# drill holes, respectively. The layout of gas drilling is shown in Figure 12.
At 14:00 on 16 July 2011, the pumping parameters of ground 80 pump began to change. The pumping concentration continued to drop from about 90% under normal conditions to about 20% at the lowest point. At 17:20 on the 17th, a mixture of gas and water was sprayed into the hole, which lasted for 21 h and 30 min. The total amount of gas sprayed was 77,400 m3 [29], as shown in Figure 13.
Figure 14 reflects the relationship between gas drainage volume and mining distance in the process of gas drainage during the mining of working face 10,414. It can be seen from Figure 12 that when the working face is mined to 500 m, the 2# gas drainage volume of the borehole begins to increase significantly. When the working face is mined at 525 m, the gas extraction volume of drill hole 2# reaches 40.15 m3/min, and the blowout accident occurs. When mining 543 m in the working face, the 2# gas drainage volume in the gas drainage borehole reaches the peak value of 45.22 m3/min. When the mining length of the working face is greater than 600 m, the drainage capacity of all gas drainage boreholes is greatly reduced [13].
As the main key layer above the 10,414 working face, the magmatic rock is thick, strong and complete. During the mining of the 10,414 working face, a large range of bed separation can occur between the magmatic rock and the lower rock layer, and the gas produced by the mining of the working face enters the bed separation below the magmatic rock along the stepped gas channel behind the coal wall and in front of the cut hole. When the suspension span of magmatic rocks increases continuously, magmatic rocks break and lose stability. After the instability of magmatic rock, the gas in the bed separation is compressed, and the gas pressure increases rapidly, resulting in gas blowholes. The results of gas outburst analysis are verified by the field accident.

7. Prevention Measures of Gas Outburst

For high gas, coal and gas outburst mines, the gas content has been reduced by various means before coal seam mining, which reduces the probability of gas accidents, but a large amount of gas remains in the coal seam. Through the analysis of similar material simulation experiments and numerical simulation experiments, it is known that the overburden fracture under hard and thick magmatic rock is relatively developed, and the bed separation can be maintained for a long time, which provides a gas storage space, enabling a large amount of gas accumulation. When the hard and thick rock stratum is broken, the strong dynamic impact leads to a gas outburst and mine gas outburst accident. Through the analysis, it can be seen that the separation gas outburst can be prevented by means of gas extraction by surface drilling.
The layout principle of surface drilling is as follows:
  • According to the basic law of roof rock movement, under the condition of full mining, the overburden settlement in the middle of the working face is the largest, and it is determined that this is the best place to discharge pressure relief gas.
  • The well should also be used as a goaf drilling to extract the pressure relief gas from the protective layer above the goaf. The well location should be arranged above the goaf and close to the return air roadway, with the best effect.
  • The pumping radius of surface drilling can be calculated as 200 m. If two wellheads are arranged, the upper and lower intersection points of the pumping radius between the two wells must be outside the upper and lower roadway of the working face, so as to ensure that the working face is within the pumping range.
  • According to the roadway layout of the working face and the position of the special drainage roadway, the distance between the ground drilling and the special drainage roadway should not be less than 20 m.
  • Ground drilling should avoid buildings as far as possible to avoid drilling difficulties.
According to the layout principle of surface drilling and the analysis of simulation test results of similar materials, gas drainage boreholes should be erected when there are hard and thick key layers above the working face to prevent the accumulation and sudden emission of layered gas, as shown in Figure 15.
When mining under hard and thick magmatic rock, the overburden fractures are fully developed, and the bed separation cannot be closed for a long time. Using surface drilling to extract pressure relief gas can directly drain the gas in the bed separation, with obvious extraction effect, so as to achieve the purpose of preventing bed separation gas outburst.

8. Conclusions

Using the methods of similar material simulation tests and theoretical analysis, this paper analyzes the development law of mining fractures under hard thick magmatic rock, the mechanism of gas outburst and the fracture form of hard thick rock. The experimental results is verified by the field measured data of 10,414 working face in Yangliu Coal Mine. Finally, the measures to prevent gas outburst in mining under hard and thick magmatic rock are put forward, and the following conclusions are obtained:
  • By establishing the mechanical model of the elastic foundation beam, the maximum bending moment in front of the coal wall and the maximum bending moment in the middle of the goaf under the action of the elastic foundation are obtained. Through comparative analysis, it is known that the bending moment in the middle of hard thick magmatic rock is greater than that at the end. Therefore, cracks are first produced in the middle of magmatic rock, which leads to the rupture of magmatic rock.
  • The existence of the hard and thick key stratum shields the development of the bed separation and fissures in the vertical direction. When the working face is less than 270 m, the bed separation develops continuously in the horizontal direction and the horizontal span increases continuously. When the working face is advanced to 270 m, the bed separation span reaches the breaking limit of the hard thick rock layer, the hard thick rock layer breaks and the bed separation closes.
  • Due to the control of the key rock stratum, the rock strata move in groups, resulting in the intermittent jump rise of the bed separation and fracture development. The bed separation experienced three processes of generation, development and closure. When the working face was advanced 160 m, 200 m and 270 m, the maximum bed separation shape on the strike section experienced triangle, trapezoid and crescent shape.
  • When the working face is advanced by 160 m, a ladder type crack is formed above the working face side and the open cut hole side, which is connected with the vertical crack of the rock layer and the bed separation between the rock layers, providing a ladder type channel for gas flow.
  • In the mining process of the working face, the overhanging span of hard thick magmatic rock gradually increases. Under the action of the gravity of the magmatic rock itself and the upper pressure, vertical cracks begin to appear in the middle of the magmatic rock, and then through cracks appear at the end of the rock beam, and the magmatic rock breaks and loses stability. After the hard thick magmatic rock is broken, the bed separation space decreases sharply, resulting in a sharp rise in the gas pressure at the bottom of the magmatic rock. A large amount of high-pressure gas in the bed separation flows reversely to the working face along the stepped gas channel, which can easily induce dynamic disasters such as gas outburst, coal and gas outburst.
  • The field measured data show that the gas enriched in the bed separation space flows into the working face and induces dynamic disasters after the fracture of the hard and thick magmatic rock stratum, which verifies the correctness of the research content of the similar simulation experiment.
  • According to the development law of mining fissures under hard thick magmatic rocks and the characteristics of gas migration and storage space, it is proposed that surface drilling is used to extract pressure relief gas to prevent gas outbursts in bed separations, and it is determined that the distance between surface drilling and special drainage roadways is not less than 20 m.

Author Contributions

Conceptualization and Methodology, Q.W. (Quanlin Wu) and Q.W. (Quansen Wu), F.M.; Writing—Original Draft Preparation, Q.W. (Quanlin Wu) and Q.W. (Quansen Wu); Writing—Review and Editing, F.H., S.L., F.S., D.W. and H.S. All authors have read and agreed to the published version of the manuscript.

Funding

This research was funded by the Natural Foundation of Shandong Province (Grant No. ZR2020QE121), the Postdoctoral Innovation Project of Shandong Province (Grant No.202003090), the Postdoctoral Science Foundation of China (Grant No. 2020M682267), Engineering Laboratory of Deep Mine Rockburst Disaster Assessment Open Project (LMYK002), the Jining key research and development plan (Grant No. 2020JNZC002).

Data Availability Statement

The data used to support the findings of this study are included within the article.

Conflicts of Interest

The authors declare that there are no conflict of interest related to the publication of this paper.

References

  1. He, H.; Dou, L.; Fan, J.; Du, T.; Sun, X. Deep-hole directional fracturing of thick hard roof for rockburst prevention. Tunn. Undergr. Space Technol. 2012, 32, 34–43. [Google Scholar] [CrossRef]
  2. Wu, K.; Shao, Z.; Sharifzadeh, M.; Hong, S.; Qin, S. Analytical computation of support characteristic curve for circumferential yielding lining in tunnel design. J. Rock Mech. Geotech. Eng. 2022, 14, 144–152. [Google Scholar] [CrossRef]
  3. Guo, H.; Yuan, L.; Shen, B.; Qu, Q.; Xue, J. Mining-induced strata stress changes, fractures and gas flow dynamics in multi-seam longwall mining. Int. J. Rock Mech. Min. Sci. 2012, 54, 129–139. [Google Scholar] [CrossRef]
  4. Sun, Y.; Bi, Y.; Sun, J.; Zhang, J.R.T.; Huang, J.; Li, G. Stability of roadway along hard roof goaf by stress relief technique in deep mines: A theoretical, numerical and field study. Geomech. Geophys. Geo-Energy Geo-Resour. 2022, 8, 45. [Google Scholar] [CrossRef]
  5. Xu, C.; Fu, Q.; Cui, X.; Wang, K.; Cai, Y. Apparent-depth effects of the dynamic failure of thick hard rock strata on the underlying coal mass during underground mining. Rock Mech. Rock Eng. 2018, 52, 1565–1576. [Google Scholar] [CrossRef]
  6. Xue, Y.; Xu, T.; Wasantha, P.L.P.; Yang, T.; Fu, T. Dynamic disaster control of backfill mining under thick magmatic rock in one side goaf: A case study. J. Cent. South Univ. 2020, 27, 3103–3117. [Google Scholar] [CrossRef]
  7. Wang, W.; Cheng, Y.P.; Wang, H.F.; Liu, H.Y.; Wang, L.; Li, W.; Jiang, J.Y. Fracture failure analysis of hard and thick sandstone roof and its controlling effect on gas emission in underground ultra-thick coal extraction. Eng. Fail. Anal. 2015, 54, 150–162. [Google Scholar] [CrossRef]
  8. Xue, Y.; Wu, Q.; Sun, D. Numerical investigation on overburden migration behaviors in stope under thick magmatic rocks. Geomech. Eng. 2020, 22, 349–359. [Google Scholar]
  9. Xu, C.; Yuan, L.; Cheng, Y.; Wang, K.; Zhou, A.; Shu, L. Square-form Structure Failure Model of Mining-affected Hard Rock Strata: Theoretical Derivation, Application and Verification. Environ. Earth Sci. 2016, 75, 1180. [Google Scholar] [CrossRef]
  10. Yang, P.J.; Ye, H.E.; Guo, W.B. Disaster-causing mechanism and control measures of extremely thick and hard magmatic rock above working face. J. China Coal Soc. 2013, 38, 2106–2112. [Google Scholar]
  11. Wu, K.; Shao, Z.; Sharifzadeh, M.; Chu, Z.; Qin, S. Analytical approach to estimating the influence of shotcrete hardening property on tunnel response. J. Eng. Mech. 2022, 148, 04021127. [Google Scholar] [CrossRef]
  12. Wu, K.; Shao, Z.; Qin, S.; Zhao, N.; Chu, Z. An improved non-linear creep model for rock applied to tunnel displacement prediction. Int. J. Appl. Mech. 2021, 13, 2150094. [Google Scholar] [CrossRef]
  13. Lu, C.; Liu, Y.; Wang, H.; Liu, P. Microseismic signals of double-layer hard and thick igneous strata separation and fracturing. Int. J. Coal Geol. 2016, 160, 28–41. [Google Scholar] [CrossRef]
  14. Sun, Y.; Li, G.; Zhang, J.; Huang, J. Rockburst intensity evaluation by a novel systematic and evolved approach: Machine learning booster and application. Bull. Eng. Geol. Environ. 2021, 80, 8385–8395. [Google Scholar] [CrossRef]
  15. Xu, C.; Cheng, Y.; Ren, T.; Wang, L.; Kong, S.; Lu, S. Gas ejection accident analysis in bed splitting under igneous sills and the associated control technologies: A case study in the Yangliu Mine, Huaibei Coalfield. China Nat. Hazards 2014, 71, 109–134. [Google Scholar] [CrossRef]
  16. Jiang, L.; Wu, Q.; Wu, Q.; Wang, P.; Xue, Y.; Kong, P.; Gong, B. Fracture failure analysis of hard and thick key layer and its dynamic response characteristics. Eng. Fail. Anal. 2019, 98, 118–130. [Google Scholar] [CrossRef]
  17. Jiang, H.; Cao, S.; Zhang, Y. Analytical solutions of hard roof’s bending moment, deflection and energy under the front abutment pressure before periodic weighting. Int. J. Min. Sci. Technol. 2016, 26, 175–181. [Google Scholar] [CrossRef]
  18. Wu, K.; Shao, Z.; Qin, S.; Wei, W.; Chu, Z. A critical review on the performance of yielding supports in squeezing tunnels. Tunn. Undergr. Space Technol. 2021, 115, 103815. [Google Scholar] [CrossRef]
  19. Wang, P.; Jiang, J.; Zhang, P. Breaking process and mining stress evolution characteristics of a high-position hard and thick stratum. Int. J. Min. Sci. Technol. 2016, 26, 563–569. [Google Scholar] [CrossRef]
  20. Sun, Y.; Li, G.; Zhang, J.; Sun, J.; Huang, J.R.T. New insights of grouting in coal mass: From small-scale experiments to microstructures. Sustainability 2021, 13, 9315. [Google Scholar] [CrossRef]
  21. Qian, M.; Miao, X.; Xu, J. Theoretical study of key stratum in ground control. J. China Coal. Soc. 1996, 21, 225–230. [Google Scholar]
  22. Dou, L.; Hu, H. Study of OX-F-T spatial structure evolution of overlying strata in coal mines. Chin. J. Rock Mech. Eng. 2012, 31, 453–460. [Google Scholar]
  23. Wu, Q.; Jiang, J.; Wu, Q.; Xue, Y.; Kong, P.; Gong, B. Study on the fracture of hard and thick sandstone and the distribution characteristics of microseismic activity. Geotech. Geol. Eng. 2018, 36, 3357–3373. [Google Scholar] [CrossRef]
  24. Ning, J.; Wang, J.; Jiang, L.; Jiang, N.; Liu, X.; Jiang, J. Fracture analysis of double-layer hard and thick roof and the controlling effect on strata behavior. A case study. Eng. Fail. Anal. 2017, 81, 117–134. [Google Scholar] [CrossRef]
  25. Ju, J.; Xu, J. Structural characteristics of key strata and strata behaviour of a fully mechanized longwall face with 7.0 m height chocks. Int. J. Rock Mech. Min. Sci. 2013, 58, 46–54. [Google Scholar] [CrossRef]
  26. Wang, L.; Cheng, L.B.; Cheng, Y.P.; Yin, G.Z.; Xu, C.; Jin, K.; Yang, Q.L. Characteristics and evolutions of gas dynamic disaster under igneous intrusions and its control technologies. J. Nat. Gas Sci. Eng. 2014, 18, 164–174. [Google Scholar] [CrossRef]
  27. Xuan, D.X.; Hu, G.L.; Feng, J.C.; Zhu, W.B. Disaster and evolvement law of mining-induced stress under extremely thick igneous rock. J. China Coal Soc. 2011, 36, 1252–1257. [Google Scholar]
  28. Zhao, G.J.; Qian, M.G. Deformation movement and mine pressure of overlying strata in stope. J. China Coal Soc. 1987, 3, 1–7. [Google Scholar]
  29. Wu, Q.; Wu, Q.; Xue, Y.; Kong, P.; Gong, B. Analysis of Overlying Strata Movement and Disaster-Causing Effects of Coal Mining Face under the Action of Hard Thick Magmatic Rock. Processes 2018, 6, 150. [Google Scholar] [CrossRef] [Green Version]
Figure 1. Roof state before the first fracture of hard thick magmatic rock.
Figure 1. Roof state before the first fracture of hard thick magmatic rock.
Sustainability 14 11140 g001
Figure 2. Elastic foundation beam model of hard and thick magmatic rock stratum. (a) elastic foundation beam, (b) cantilever beam.
Figure 2. Elastic foundation beam model of hard and thick magmatic rock stratum. (a) elastic foundation beam, (b) cantilever beam.
Sustainability 14 11140 g002
Figure 3. Relationship between bending moment and cantilever span L. M Z —middle bending moment; M q —bending moment in front of coal wall.
Figure 3. Relationship between bending moment and cantilever span L. M Z —middle bending moment; M q —bending moment in front of coal wall.
Sustainability 14 11140 g003
Figure 4. Developments of the bed separations and fissures at the bottom of hard and thick key magmatic rock. (a) working face advances to 0 m, (b) working face advances to 70 m, (c) working face advances to 100 m, (d) working face advances to 120 m, (e) working face advances to 140 m.
Figure 4. Developments of the bed separations and fissures at the bottom of hard and thick key magmatic rock. (a) working face advances to 0 m, (b) working face advances to 70 m, (c) working face advances to 100 m, (d) working face advances to 120 m, (e) working face advances to 140 m.
Sustainability 14 11140 g004
Figure 5. Developments of the bed separation and cracks at the bottom of magmatic rocks. (a) working face advances to 160 m, (b) working face advances to 180 m, (c) working face advances to 200 m, (d) working face advances to 220 m, (e) working face advances to 240 m, (f) working face advances to 270 m, (g) working face advances to 290 m.
Figure 5. Developments of the bed separation and cracks at the bottom of magmatic rocks. (a) working face advances to 160 m, (b) working face advances to 180 m, (c) working face advances to 200 m, (d) working face advances to 220 m, (e) working face advances to 240 m, (f) working face advances to 270 m, (g) working face advances to 290 m.
Sustainability 14 11140 g005aSustainability 14 11140 g005b
Figure 6. Arrangement of measuring points.
Figure 6. Arrangement of measuring points.
Sustainability 14 11140 g006
Figure 7. 2# and 3# measuring lines in the process of different working face advances.
Figure 7. 2# and 3# measuring lines in the process of different working face advances.
Sustainability 14 11140 g007
Figure 8. The ratio changes of maximum bed separation height and the thickness of coal seam mining.
Figure 8. The ratio changes of maximum bed separation height and the thickness of coal seam mining.
Sustainability 14 11140 g008
Figure 9. Ladder type crack fall short of magmatic rocks. (a) Advance of the working face to 110 m, (b) Advance of the working face to 140 m.
Figure 9. Ladder type crack fall short of magmatic rocks. (a) Advance of the working face to 110 m, (b) Advance of the working face to 140 m.
Sustainability 14 11140 g009
Figure 10. Ladder type crack under magmatic rocks. (a) Advance of the working face to 160 m, (b) Advance of the working face to 190 m, (c) Advance of the working face to 320 m.
Figure 10. Ladder type crack under magmatic rocks. (a) Advance of the working face to 160 m, (b) Advance of the working face to 190 m, (c) Advance of the working face to 320 m.
Sustainability 14 11140 g010
Figure 11. Schematic diagram of gas ladder channel (the red arrow represents the gas movement direction).
Figure 11. Schematic diagram of gas ladder channel (the red arrow represents the gas movement direction).
Sustainability 14 11140 g011
Figure 12. Layout plan of gas drainage boreholes in working face 10,414.
Figure 12. Layout plan of gas drainage boreholes in working face 10,414.
Sustainability 14 11140 g012
Figure 13. 2# gas drainage hole.
Figure 13. 2# gas drainage hole.
Sustainability 14 11140 g013
Figure 14. Gas emission of each borehole.
Figure 14. Gas emission of each borehole.
Sustainability 14 11140 g014
Figure 15. Pressure relief gas extraction from surface wells [13].
Figure 15. Pressure relief gas extraction from surface wells [13].
Sustainability 14 11140 g015
Table 1. Rock ratio and laying level.
Table 1. Rock ratio and laying level.
Rock Stratum NumberLithologySimulated Thickness/mmRatio NumberElastic Modulus/GPaPoisson RatioCompressive Strength
/kPa
R-29siltstone607557.60.2092
R-28mudstone608644.90.2157.4
R-27fine sandstone607828.40.24105
R-26siltstone527557.60.2092
R-25mudstone528644.90.2157.4
R-24siltstone507557.60.2092
R-23mudstone1208644.90.2157.4
R-22fine sandstone707828.40.24105
R-21sandy mudstone448644.90.2170.3
R-20fine sandstone487828.40.24105
R-19mudstone468644.90.2157.4
R-18siltstone547557.60.2092
R-17mudstone368644.90.2157.4
R-16magmatic rocks30073723.50.16265
R-15mudstone158644.90.2157.4
R-14fine sandstone287828.40.24105
R-13sandy mudstone308644.90.2170.3
R-12siltstone327557.60.2092
R-11coal168643.90.3553.3
R-10siltstone157557.60.2092
R-9mudstone328644.90.2157.4
R-8siltstone327557.60.2092
R-7silty mudstone408644.90.2157.4
R-6siltstone307557.60.2092
R-5mudstone288644.90.2157.4
R-4siltstone307557.60.2092
R-3Piebald mudstone308644.90.2122.2
R-2siltstone307557.60.2092
R-1fine sandstone127828.40.24105.
Coalcoal408643.90.3553.3
F-1coarse sandstone1357738.10.22120
Publisher’s Note: MDPI stays neutral with regard to jurisdictional claims in published maps and institutional affiliations.

Share and Cite

MDPI and ACS Style

Wu, Q.; Han, F.; Liang, S.; Sun, F.; Wan, D.; Su, H.; Ma, F.; Wu, Q. Development Law of Mining Fracture and Disaster Control Technology under Hard and Thick Magmatic Rock. Sustainability 2022, 14, 11140. https://doi.org/10.3390/su141811140

AMA Style

Wu Q, Han F, Liang S, Sun F, Wan D, Su H, Ma F, Wu Q. Development Law of Mining Fracture and Disaster Control Technology under Hard and Thick Magmatic Rock. Sustainability. 2022; 14(18):11140. https://doi.org/10.3390/su141811140

Chicago/Turabian Style

Wu, Quansen, Fengjun Han, Shengjian Liang, Fanxing Sun, Daqing Wan, Huairui Su, Fuwu Ma, and Quanlin Wu. 2022. "Development Law of Mining Fracture and Disaster Control Technology under Hard and Thick Magmatic Rock" Sustainability 14, no. 18: 11140. https://doi.org/10.3390/su141811140

APA Style

Wu, Q., Han, F., Liang, S., Sun, F., Wan, D., Su, H., Ma, F., & Wu, Q. (2022). Development Law of Mining Fracture and Disaster Control Technology under Hard and Thick Magmatic Rock. Sustainability, 14(18), 11140. https://doi.org/10.3390/su141811140

Note that from the first issue of 2016, this journal uses article numbers instead of page numbers. See further details here.

Article Metrics

Back to TopTop