Bidirectional Interface Resonant Converter for Wide Voltage Range Storage Applications
Abstract
:1. Introduction
- A bidirectional current operation required for energy storage units;
- A switching frequency control within a narrow range for forward and backward operations;
- A turn-off losses and inner circulating energy limitation using a wide range DC-voltage variation; Soft start at the resonant frequency.
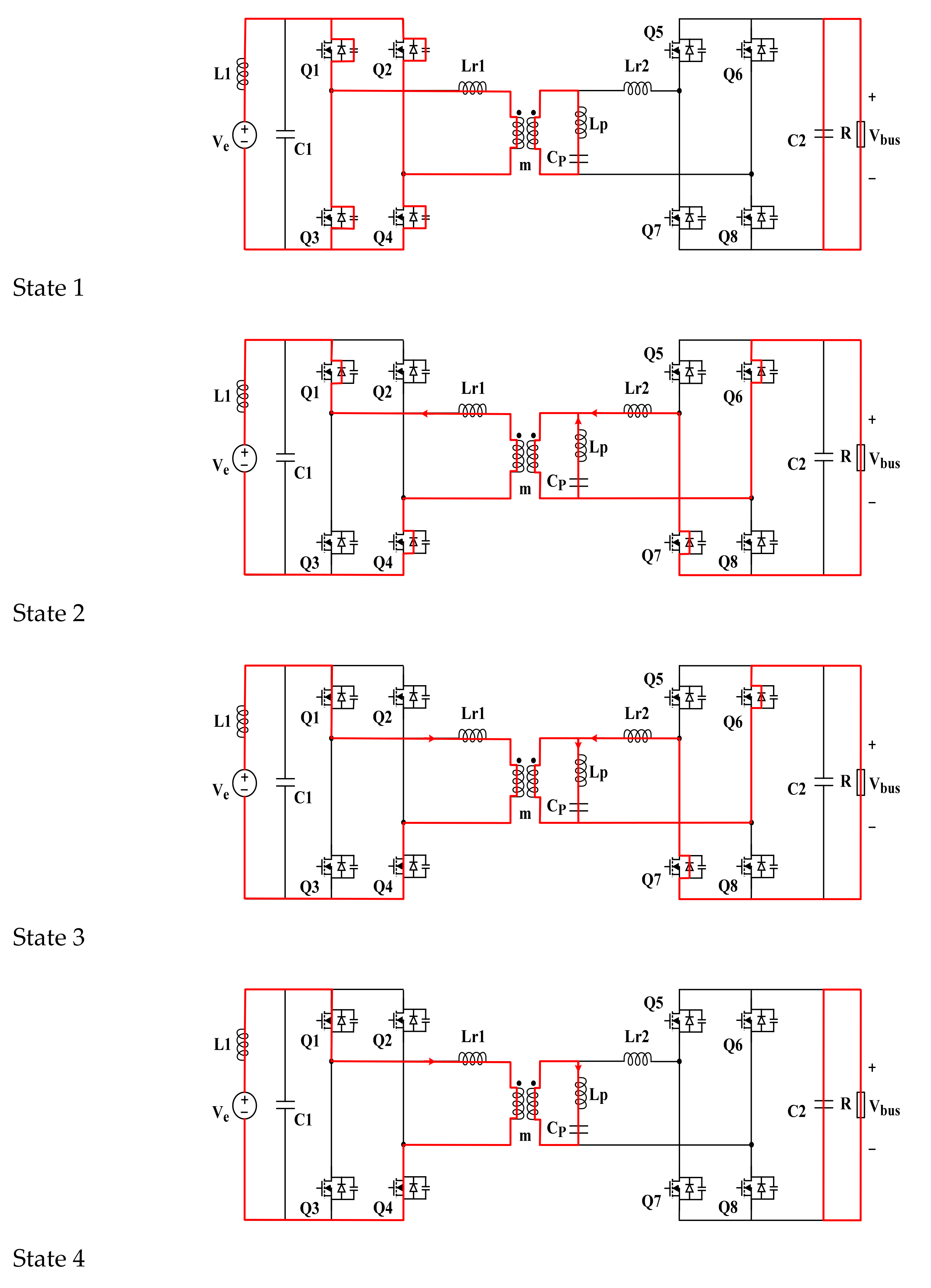
2. Operating Principle and Main Characteristics of the Proposed Novel Converter
2.1. Forward Mode Analysis
2.2. Backward Mode Analysis
2.3. Operation Principles Analysis
3. Converter Design Method
- The switching frequency must be high to minimize the size of the magnetic and capacity components.
- ZVS for the input switches (inverter) and ZCS-ZVS for the output rectifier diodes should be ensured to reduce the switching losses. The converter must perform that regardless of the direction of energy transfer and terminal voltages conditions within a predefined range.
- The converter should ensure a sufficient voltage gain for all load and input voltage conditions.
- The switching frequency range should be as narrow as possible regardless of the direction of energy transfer, the load and the input voltage conditions. In these conditions, the circulating energy is to be kept reduced.
4. Experimental Test Bench and Results
- fs = 51kHz for Ve = 60 V and P = 3 kW (full load);
- fs = 60 kHz for Ve = 140 V and P = 1.5 kW (half load);
- fs = 60 kHz for Ve = 100 V and P = 0.35 kW (low load).
- fs = 63 kHz for Ve = 240 V and P = 0 kW (no-load).
5. Conclusions
Author Contributions
Funding
Institutional Review Board Statement
Informed Consent Statement
Data Availability Statement
Acknowledgments
Conflicts of Interest
References
- Vinnikov, D.; Chub, A.; Kosenko, R.; Zakis, J.; Liivik, E. Comparison of Performance of Phase-Shift and Asymmetrical Pulsewidth Modulation Techniques for the Novel Galvanically Isolated Buck–Boost DC–DC Converter for Photovoltaic Applications. IEEE J. Emerg. Sel. Top. Power Electron. 2016, 5, 624–637. [Google Scholar] [CrossRef]
- Prabhakaran, P.; Agarwal, V. Novel Four-Port DC–DC Converter for Interfacing Solar PV–Fuel Cell Hybrid Sources with Low-Voltage Bipolar DC Microgrids. IEEE J. Emerg. Sel. Top. Power Electron. 2020, 8, 1330–1340. [Google Scholar] [CrossRef]
- Sha, D.; Chen, D.; Zhang, J. A Bidirectional Three-Level DC–DC Converter with Reduced Circulating Loss and Fully ZVS Achievement for Battery Charging/Discharging. IEEE J. Emerg. Sel. Top. Power Electron. 2018, 6, 993–1003. [Google Scholar] [CrossRef]
- Kardan, F.; Alizadeh, R.; Banaei, M.R. A New Three Input DC/DC Converter for Hybrid PV/FC/Battery Applications. IEEE J. Emerg. Sel. Top. Power Electron. 2017, 5, 1771–1778. [Google Scholar] [CrossRef]
- Bellache, K.; Camara, M.B.; Dakyo, B. Transient Power Control for Diesel-Generator Assistance in Electric Boat Applications Using Supercapacitors and Batteries. IEEE J. Emerg. Sel. Top. Power Electron. 2017, 6, 416–428. [Google Scholar] [CrossRef]
- Faraji, R.; Farzanehfard, H. Soft-Switched Nonisolated High Step-Up Three-Port DC–DC Converter for Hybrid Energy Systems. IEEE Trans. Power Electron. 2018, 33, 10101–10111. [Google Scholar] [CrossRef]
- Pires, V.F.; Foito, D.; Cordeiro, A. A DC–DC Converter with Quadratic Gain and Bidirectional Capability for Batteries/Supercapacitors. IEEE Trans. Ind. Appl. 2018, 54, 274–285. [Google Scholar] [CrossRef]
- Wang, L.; Zhu, Q.; Yu, W.; Huang, A.Q. A Medium-Voltage Medium-Frequency Isolated DC–DC Converter Based on 15-kV SiC MOSFETs. IEEE J. Emerg. Sel. Top. Power Electron. 2017, 5, 100–109. [Google Scholar] [CrossRef]
- Sayed, K. Zero-voltage soft-switching DC–DC converter-based charger for LV battery in hybrid electric vehicles. IET Power Electron. 2019, 12, 3389–3396. [Google Scholar] [CrossRef]
- Akagi, H.; Kinouchi, S.-I.; Miyazaki, Y. Bidirectional Isolated Dual-Active-Bridge (DAB) DC-DC Converters Using 1.2-kV 400-A SiC-MOSFET Dual Modules. CPSS Trans. Power Electron. Appl. 2016, 1, 33–40. [Google Scholar] [CrossRef]
- De Din, E.; Siddique, H.A.B.; Cupelli, M.; Monti, A.; De Doncker, R.W. Voltage Control of Parallel-Connected Dual-Active Bridge Converters for Shipboard Applications. IEEE J. Emerg. Sel. Top. Power Electron. 2018, 6, 664–673. [Google Scholar] [CrossRef]
- Xu, G.; Sha, D.; Xu, Y.; Liao, X. Hybrid-Bridge-Based DAB Converter with Voltage Match Control for Wide Voltage Conversion Gain Application. IEEE Trans. Power Electron. 2017, 33, 1378–1388. [Google Scholar] [CrossRef]
- Dung, N.A.; Chiu, H.; Lin, J.; Hsieh, Y.; Liu, Y. Efficiency optimisation of ZVS isolated bidirectional DAB converters. IET Power Electron. 2018, 11, 1499–1506. [Google Scholar] [CrossRef]
- Mukherjee, S.; Kumar, A.; Chakraborty, S. Comparison of DAB and LLC DC–DC Converters in High-Step-Down Fixed-Conversion-Ratio (DCX) Applications. IEEE Trans. Power Electron. 2021, 36, 4383–4398. [Google Scholar] [CrossRef]
- Du, Y.; Bhat, A.K.S. Analysis and Design of a High-Frequency Isolated Dual-Tank LCL Resonant AC–DC Converter. IEEE Trans. Ind. Appl. 2015, 52, 1566–1576. [Google Scholar] [CrossRef]
- Salem, M.; Jusoh, A.; Idris, N.R.N.; Alhamrouni, I. Performance study of series resonant converter using zero voltage switching. In Proceedings of the 2014 IEEE Conference on Energy Conversion (CENCON), Johor Bahru, Malaysia, 13–14 October 2014; pp. 96–100. [Google Scholar] [CrossRef]
- Liu, G.; Jang, Y.; Jovanović, M.M.; Zhang, J.Q. Implementation of a 3.3-kW DC–DC Converter for EV On-Board Charger Employing the Series-Resonant Converter with Reduced-Frequency-Range Control. IEEE Trans. Power Electron. 2016, 32, 4168–4184. [Google Scholar] [CrossRef]
- Outeiro, M.; Buja, G.; Czarkowski, D. Resonant Power Converters: An Overview with Multiple Elements in the Resonant Tank Network. IEEE Ind. Electron. Mag. 2016, 10, 21–45. [Google Scholar] [CrossRef]
- Soeiro, T.; Muhlethaler, J.; Linner, J.; Ranstad, P.; Kolar, J.W. Automated Design of a High-Power High-Frequency LCC Resonant Converter for Electrostatic Precipitators. IEEE Trans. Ind. Electron. 2012, 60, 4805–4819. [Google Scholar] [CrossRef]
- Yang, R.; Ding, H.; Xu, Y.; Yao, L.; Xiang, Y. An Analytical Steady-State Model of LCC type Series–Parallel Resonant Converter with Capacitive Output Filter. IEEE Trans. Power Electron. 2013, 29, 328–338. [Google Scholar] [CrossRef]
- Wei, Y.; Luo, Q.; Mantooth, A. Comprehensive analysis and design of LLC resonant converter with magnetic control. CPSS Trans. Power Electron. Appl. 2019, 4, 265–275. [Google Scholar] [CrossRef]
- Li, M.; Ouyang, Z.; Andersen, M.A.E. High frequency LLC resonant converter with magnetic shunt integrated planar transformer. IEEE Trans. Power Electron. 2018, 34, 2405–2415. [Google Scholar] [CrossRef] [Green Version]
- Kundu, U.; Yenduri, K.; Sensarma, P. Accurate ZVS Analysis for Magnetic Design and Efficiency Improvement of Full-Bridge LLC Resonant Converter. IEEE Trans. Power Electron. 2017, 32, 1703–1706. [Google Scholar] [CrossRef]
- Buccella, C.; Cecati, C.; Latafat, H.; Pepe, P.; Razi, K. Observer-Based Control of LLC DC/DC Resonant Converter Using Extended Describing Functions. IEEE Trans. Power Electron. 2015, 30, 5881–5891. [Google Scholar] [CrossRef]
- Jiang, T.; Chen, X.; Zhang, J.; Wang, Y. Bidirectional LLC resonant converter for energy storage applications. In Proceedings of the 2013 Twenty-Eighth Annual IEEE Applied Power Electronics Conference and Exposition (APEC), Long Beach, CA, USA, 17–21 March 2013. [Google Scholar] [CrossRef]
- Sun, J.; Yuan, L.; Gu, Q.; Duan, R.; Lu, Z.; Zhao, Z. Design-Oriented Comprehensive Time-Domain Model for CLLC Class Isolated Bidirectional DC-DC Converter for Various Operation Modes. IEEE Trans. Power Electron. 2019, 35, 3491–3505. [Google Scholar] [CrossRef]
- Liu, Y.; Du, G.; Wang, X.; Lei, Y. Analysis and Design of High-Efficiency Bidirectional GaN-Based CLLC Resonant Converter. Energies 2019, 12, 3859. [Google Scholar] [CrossRef] [Green Version]
- Zou, S.; Lu, J.; Mallik, A.; Khaligh, A. Bi-Directional CLLC Converter with Synchronous Rectification for Plug-In Electric Vehicles. IEEE Trans. Ind. Appl. 2017, 54, 998–1005. [Google Scholar] [CrossRef]
- Jiang, T.; Zhang, J.; Wu, X.; Sheng, K.; Wang, Y. A Bidirectional Three-Level LLC Resonant Converter with PWAM Control. IEEE Trans. Power Electron. 2016, 31, 2213–2225. [Google Scholar] [CrossRef]
- EKim, E.-S.; Oh, J.-S. High-Efficiency Bidirectional LLC Resonant Converter with Primary Auxiliary Windings. Energies 2019, 12, 4692. [Google Scholar] [CrossRef] [Green Version]
- Zhang, Y.; Zhang, D.; Li, J.; Zhu, H. Bidirectional LCLL Resonant Converter with Wide Output Voltage Range. IEEE Trans. Power Electron. 2020, 35, 11813–11826. [Google Scholar] [CrossRef]
- Jiang, T.; Zhang, J.; Wu, X.; Sheng, K.; Wang, Y. A Bidirectional LLC Resonant Converter with Automatic Forward and Backward Mode Transition. IEEE Trans. Power Electron. 2015, 30, 757–770. [Google Scholar] [CrossRef]
- Zahid, Z.; Dalala, Z.M.; Chen, R.; Chen, B.; Lai, J.S. Design of Bidirectional DC–DC Resonant Converter for Vehicle-to-Grid (V2G) Applications. IEEE Trans. Transporta. Electrif. 2015, 1, 232–244. [Google Scholar] [CrossRef]
- Outeiro, M.T.; Buja, G. Comparison of resonant power converters with two, three, and four energy storage elements. In Proceedings of the IECON 2015—41st Annual Conference of the IEEE Industrial Electronics Society, Yokohama, Japan, 9–12 November 2015. [Google Scholar] [CrossRef]




















| LCLL [31] | LLC-L [32] | CLLC [33] | |
|---|---|---|---|
| Range of the voltage gain | 0.62~1.125 | 3~5.3 | 0.55~1.12 |
| Switching frequency (kHz) | 65~120 | 60~100 | 40~145 |
| Obtained frequency range percentage | 45% | 40% | 72% |
| Soft start at resonant frequency | No | No | No |
| Soft switching in Forward & Backward | ZVS for full load range; High turn off losses at light load | ZVS for full load range; High turn off losses | ZVS for full load range; High turn off losses |
| Parameters | Value |
|---|---|
| Input voltage range | 60~240 V |
| Output voltage | 270 V |
| Maximum power | 3 kW |
| Maximum input current | 50 A |
| Switching frequency range | 50~70 kHz |
| Resonant frequency | 70 kHz |
| Transformer turn ratio | 1:4 |
Publisher’s Note: MDPI stays neutral with regard to jurisdictional claims in published maps and institutional affiliations. |
© 2021 by the authors. Licensee MDPI, Basel, Switzerland. This article is an open access article distributed under the terms and conditions of the Creative Commons Attribution (CC BY) license (https://creativecommons.org/licenses/by/4.0/).
Share and Cite
Arazi, M.; Payman, A.; Camara, M.B.; Dakyo, B. Bidirectional Interface Resonant Converter for Wide Voltage Range Storage Applications. Sustainability 2022, 14, 377. https://doi.org/10.3390/su14010377
Arazi M, Payman A, Camara MB, Dakyo B. Bidirectional Interface Resonant Converter for Wide Voltage Range Storage Applications. Sustainability. 2022; 14(1):377. https://doi.org/10.3390/su14010377
Chicago/Turabian StyleArazi, Mouncif, Alireza Payman, Mamadou Baïlo Camara, and Brayima Dakyo. 2022. "Bidirectional Interface Resonant Converter for Wide Voltage Range Storage Applications" Sustainability 14, no. 1: 377. https://doi.org/10.3390/su14010377
APA StyleArazi, M., Payman, A., Camara, M. B., & Dakyo, B. (2022). Bidirectional Interface Resonant Converter for Wide Voltage Range Storage Applications. Sustainability, 14(1), 377. https://doi.org/10.3390/su14010377

