Smart Integration of Electric Buses in Cities: A Technological Review
Abstract
:1. Introduction
2. Battery Electric Bus Powertrain Topology
2.1. Battery System
2.2. Electric Motor
2.3. Power Electronic Converter Unit
2.4. Auxiliary Devices
2.5. Energy Consumption
2.6. Charging Interface
- Pantograph charging: A common way to charge BEBs is by using a pantograph that makes contact between the bus and the charging infrastructure in an automated way. Currently, there are two ways to perform this contact. The pantograph can be mounted on top of the roof of the BEB (see Figure 1) and is lifted when charging is required, or the pantograph is mounted on the charging infrastructure and moves downwards (see Figure 3). The latter is preferable because it requires less pantographs for a given bus route and adds less weight to the BEB. Furthermore, the pantograph is not exposed to vibrations from the bus [21].
- Plug-in charging: BEBs also can get charged by plugging in a connector from the charging infrastructure. Currently, the connector still needs to be plugged in manually, which makes this type of charging interface less attractive for larger BEB fleets. However, this process will also become automated through robotization in the near future [22].
- Ground-based charging: In some cases, BEBs are getting charged through a ground-based charging system. This can be realized in two ways. Like pantograph charging, a current collector can be dropped down from the bus to contact a conductive device embedded in the road surface [23]. Another way is to transfer the charging power wirelessly by applying an electromagnetic field between a transmitting coil on the road surface and a receiving coil positioned on the BEB. The main advantage of wireless charging is that it can enable BEBs to charge while in motion [24,25].
3. Charging Technology
3.1. Charging Concepts
3.2. Charging Infrastructure Topology
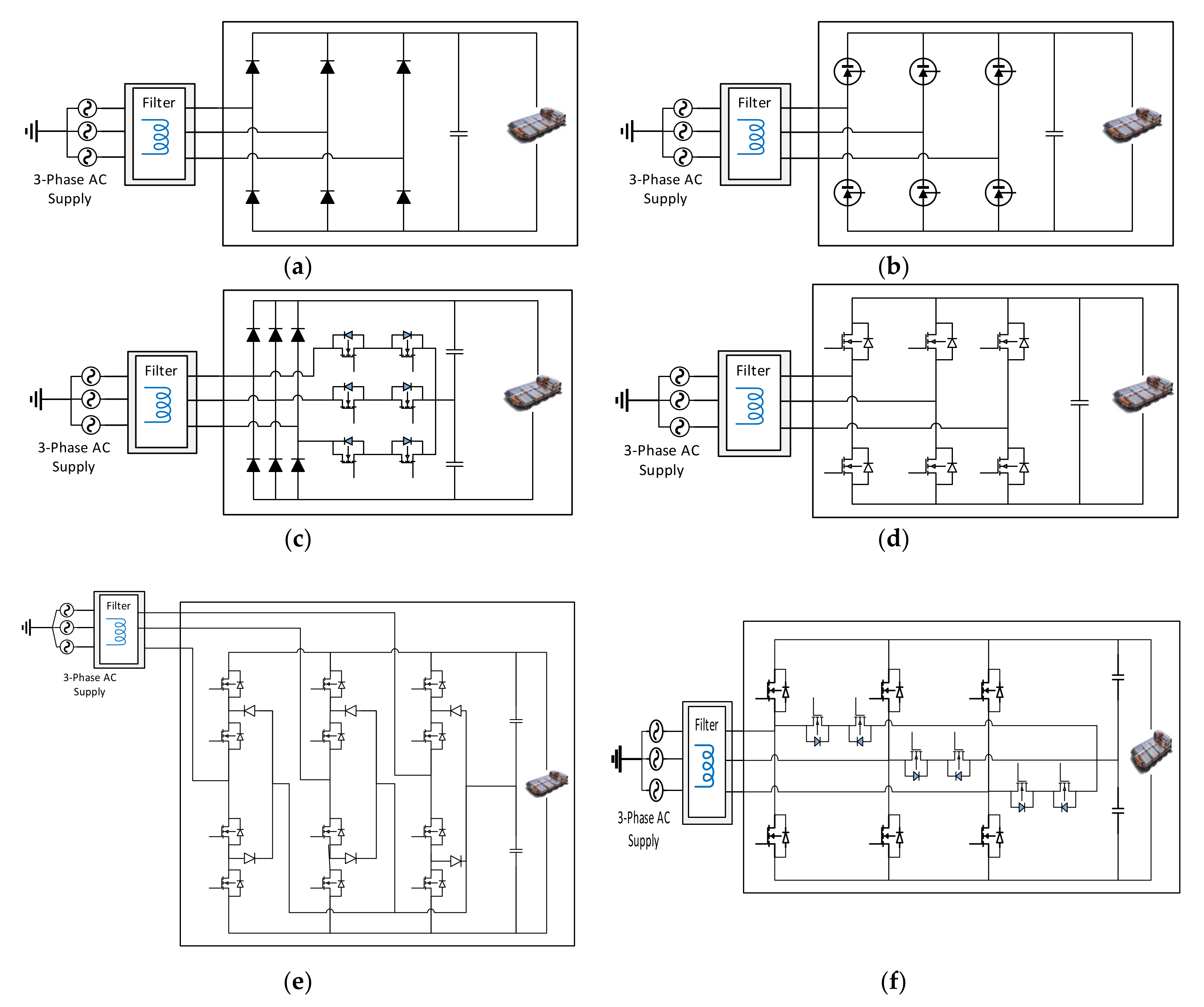
3.3. Power Electronic Converter Topology
4. Fleet Management
4.1. Bus Scheduling
4.2. Location Planning of Charging Infrastructure
4.3. Charging Management
5. Discussion and Outlook
5.1. Complex Bus Scheduling Problems
5.2. Real-Time and Multi-Objective Charging Management Strategies
5.3. Vehicle-to-Everything (V2X)
5.4. Modular and Bi-Directional SiC-Based Charging Infrastructure
5.5. Synchronized Opportunity Charging
5.6. Smart Green Depot Charging
5.7. Electric Bus Rapid Transit (e-BRT)
6. Conclusions
Author Contributions
Funding
Institutional Review Board Statement
Informed Consent Statement
Data Availability Statement
Acknowledgments
Conflicts of Interest
References
- European Environment Agency. Greenhouse Gas Emissions from Transport in Europe; European Environment Agency: København, Denmark, 2019. [Google Scholar]
- European Environment Agency. Air Quality in Europe—2020 Report; EEA Report No 09/2020; European Environment Agency: København, Denmark, 2020. [Google Scholar]
- Tzeng, G.-H.; Lin, C.-W.; Opricovic, S. Multi-criteria analysis of alternative-fuel buses for public transportation. Energy Policy 2005, 33, 1373–1383. [Google Scholar] [CrossRef]
- Mahmoud, M.; Garnett, R.; Ferguson, M.; Kanaroglou, P. Electric buses: A review of alternative powertrains. Renew. Sustain. Energy Rev. 2016, 62, 673–684. [Google Scholar] [CrossRef]
- International Energy Agency (IEA). Global EV Outlook 2020; Entering the Decade of electric Drive? International Energy Agency: Paris, France, 2020. [Google Scholar]
- International Association of Public Transport. ZeEUS eBus Report: An Overview of Electric Buses in Europe; International Association of Public Transport: Brussels, Belgium, 2016; p. 118. [Google Scholar]
- Sclar, R.; Gorguinpour, C.; Castellanos, S.; Li, X. Barriers to Adopting Electric Buses; World Resources Institute: Washington, DC, USA, 2019. [Google Scholar]
- Bloomberg New Energy Finance. Electric Buses in Cities: Driving Towards Cleaner Air and Lower CO2; Bloomberg New Energy Finance: London, UK, 2018; p. 63. [Google Scholar]
- Khalid, M.R.; Alam, M.S.; Sarwar, A.; Asghar, M.J. A Comprehensive review on electric vehicles charging infra-structures and their impacts on power-quality of the utility grid. ETransportation 2019, 1, 100006. [Google Scholar] [CrossRef]
- Das, H.S.; Rahman, M.M.; Li, S.; Tan, C.W. Electric vehicles standards, charging infrastructure, and impact on grid integration: A technological review. Renew. Sustain. Energy Rev. 2020, 120, 109618. [Google Scholar] [CrossRef]
- Halmeaho, T.; Rahkola, P.; Tammi, K.; Pippuri, J.; Pellikka, A.; Manninen, A.; Ruotsalainen, S. Experimental validation of electric bus powertrain model under city driving cycles. IET Electr. Syst. Transp. 2017, 7, 74–83. [Google Scholar] [CrossRef]
- Du, J.; Ouyang, M.; Wu, X.; Meng, X.; Li, J.; Li, F.; Song, Z. Technological direction prediction for battery electric bus under influence of China’s new subsidy scheme. J. Clean. Prod. 2019, 222, 267–279. [Google Scholar] [CrossRef]
- Göhlich, D.; Fay, T.-A.; Jefferies, D.; Lauth, E.; Kunith, A.; Zhang, X. Design of urban electric bus systems. Des. Sci. 2018, 4, e15. [Google Scholar] [CrossRef] [Green Version]
- Sun, X.; Li, Z.; Wang, X.; Li, C. Technology Development of Electric Vehicles: A Review. Energies 2019, 13, 90. [Google Scholar] [CrossRef] [Green Version]
- Chakraborty, S.; Vu, H.-N.; Hasan, M.M.; Tran, D.-D.; El Baghdadi, M.; Hegazy, O. DC-DC Converter Topologies for Electric Vehicles, Plug-in Hybrid Electric Vehicles and Fast Charging Stations: State of the Art and Future Trends. Energies 2019, 12, 1569. [Google Scholar] [CrossRef] [Green Version]
- Basma, H.; Mansour, C.; Haddad, M.; Nemer, M.; Stabat, P. Comprehensive energy modeling methodology for battery electric buses. Energy 2020, 207, 118241. [Google Scholar] [CrossRef]
- Rogge, M.; Wollny, S.; Sauer, D.U. Fast Charging Battery Buses for the Electrification of Urban Public Transport—A Feasibility Study Focusing on Charging Infrastructure and Energy Storage Requirements. Energies 2015, 8, 4587–4606. [Google Scholar] [CrossRef] [Green Version]
- Gallet, M.; Massier, T.; Hamacher, T. Estimation of the energy demand of electric buses based on real-world data for large-scale public transport networks. Appl. Energy 2018, 230, 344–356. [Google Scholar] [CrossRef]
- Gao, Z.; Lin, Z.; LaClair, T.J.; Liu, C.; Li, J.-M.; Birky, A.; Ward, J. Battery capacity and recharging needs for electric buses in city transit service. Energy 2017, 122, 588–600. [Google Scholar] [CrossRef] [Green Version]
- El-Taweel, N.A.; Zidan, A.; Farag, H.E.Z. Novel Electric Bus Energy Consumption Model Based on Probabilistic Synthetic Speed Profile Integrated With HVAC. IEEE Trans. Intell. Transp. Syst. 2021, 22, 1517–1531. [Google Scholar] [CrossRef]
- OppCharge. Fast Charging of Electric Vehicles. Available online: https://www.oppcharge.org/ (accessed on 27 July 2021).
- Ebusco. Ebusco and Rocsys Are Working Together to Automate Bus Depots. Available online: https://www.ebusco.com/ebusco-and-rocsys-are-working-together-to-automate-bus-depots/ (accessed on 27 July 2021).
- Alstom. SRS: Innovative, Safe and Automatic Charging for Trams and Electric Buses. Available online: https://www.alstom.com/our-solutions/infrastructure/srs-innovative-safe-and-automatic-charging-trams-and-electric-buses (accessed on 27 July 2021).
- Sun, L.; Ma, D.; Tang, H. A review of recent trends in wireless power transfer technology and its applications in electric vehicle wireless charging. Renew. Sustain. Energy Rev. 2018, 91, 490–503. [Google Scholar] [CrossRef]
- Jang, Y.J. Survey of the operation and system study on wireless charging electric vehicle systems. Transp. Res. Part C Emerg. Technol. 2018, 95, 844–866. [Google Scholar] [CrossRef]
- Rogge, M.; van der Hurk, E.; Larsen, A.; Sauer, D.U. Electric bus fleet size and mix problem with optimization of charging infrastructure. Appl. Energy 2018, 211, 282–295. [Google Scholar] [CrossRef] [Green Version]
- Bi, Z.; Song, L.; De Kleine, R.; Mi, C.; Keoleian, G.A. Plug-in vs. wireless charging: Life cycle energy and greenhouse gas emissions for an electric bus system. Appl. Energy 2015, 146, 11–19. [Google Scholar] [CrossRef] [Green Version]
- Lajunen, A. Lifecycle costs and charging requirements of electric buses with different charging methods. J. Clean. Prod. 2018, 172, 56–67. [Google Scholar] [CrossRef]
- Jefferies, D.; Göhlich, D. A Comprehensive TCO Evaluation Method for Electric Bus Systems Based on Discrete-Event Simulation Including Bus Scheduling and Charging Infrastructure Optimisation. World Electr. Veh. J. 2020, 11, 56. [Google Scholar] [CrossRef]
- ABB. eBus Depot. Available online: https://new.abb.com/about/our-businesses/electrification/e-mobilitysolutions/ebus-depot (accessed on 18 August 2021).
- ABB. eBus En-Route Charging. Available online: https://new.abb.com/about/our-businesses/electrification/e-mobilitysolutions/ebus-en-route-charging (accessed on 18 August 2021).
- Ekoenergetyka-Polska, S.A. Rynek Autobusowy. Available online: https://ekoenergetyka.com.pl/pl/kategoria-produktu/rynek-autobusowy/ (accessed on 18 August 2021).
- Heliox Energy. Ultra-Fast 600kW EV Charging Station for E-Bus & E-Truck. Available online: https://www.heliox-energy.com/products/ultra-fast-600kw-opportunity-charging (accessed on 18 August 2021).
- Heliox Energy. “360kW EV Rapid Fleet Charging Stations for Bus & Trucks. Available online: https://www.heliox-energy.com/products/flex-360kw-rapid-charger (accessed on 18 August 2021).
- IPT Technology GmbH. IPT® Charge Bus—Inductive DC 100 kW. Available online: https://ipt-technology.com/product-ipt-charge-bus-100kw/ (accessed on 18 August 2021).
- JEMA Energy SA. Chargers in Depots—ECI Series. Available online: https://www.jemaenergy.com/en/producto/chargers-in-depots-eci-series/ (accessed on 18 August 2021).
- JEMA Energy SA. Opportunity Chargers. Available online: https://www.jemaenergy.com/en/producto/opportunity-chargers/#after_section_1 (accessed on 18 August 2021).
- Kempower Oy. Scalable Fast-Charging Station for Electric Fleet Vehicles. Available online: https://kempower.com/charging-solutions/products/c-series-charging-cabinet/ (accessed on 18 August 2021).
- Siemens. SICHARGE UC Family|Siemens eMobility Charging. Available online: https://new.siemens.com/global/en/products/energy/medium-voltage/solutions/emobility/sicharge-uc.html (accessed on 18 August 2021).
- XCharge. Smart DC Charger C6EU. Available online: http://www.xcharge.com/en (accessed on 18 August 2021).
- Rubino, L.; Capasso, C.; Veneri, O. Review on plug-in electric vehicle charging architectures integrated with distributed energy sources for sustainable mobility. Appl. Energy 2017, 207, 438–464. [Google Scholar] [CrossRef]
- She, X.; Huang, A.Q.; Burgos, R. Review of solid-state transformer technologies and their application in power distribution systems. IEEE J. Emerg. Sel. Top. Power Electron. 2013, 1, 186–198. [Google Scholar] [CrossRef]
- Huber, J.E.; Kolar, J.W. Applicability of Solid-State Transformers in Today’s and Future Distribution Grids. IEEE Trans. Smart Grid 2019, 10, 317–326. [Google Scholar] [CrossRef]
- Ronanki, D.; Kelkar, A.; Williamson, S.S. Extreme Fast Charging Technology—Prospects to Enhance Sustainable Electric Transportation. Energies 2019, 12, 3721. [Google Scholar] [CrossRef] [Green Version]
- Tahir, Y.; Khan, I.; Rahman, S.; Nadeem, M.F.; Iqbal, A.; Xu, Y.; Rafi, M. A state-of-the-art review on topologies and control techniques of solid-state transformers for electric vehicle extreme fast charging. IET Power Electron. 2021, 14, 1560–1576. [Google Scholar] [CrossRef]
- Hannan, M.A.; Ker, P.J.; Lipu, M.S.H.; Choi, Z.H.; Rahman, M.S.A.; Muttaqi, K.M.; Blaabjerg, F. State of the Art of Solid-State Transformers: Advanced Topologies, Implementation Issues, Recent Progress and Improvements. IEEE Access 2020, 8, 19113–19132. [Google Scholar] [CrossRef]
- Ronanki, D.; Williamson, S.S. Modular multilevel converters for transportation electrification: Challenges and opportunities. IEEE Trans. Transp. Electrif. 2018, 4, 399–407. [Google Scholar] [CrossRef]
- Rivera, S.; Wu, B. Electric Vehicle Charging Station with an Energy Storage Stage for Split-DC Bus Voltage Balancing. IEEE Trans. Power Electron. 2017, 32, 2376–2386. [Google Scholar] [CrossRef]
- Habib, S.; Khan, M.M.; Abbas, F.; Tang, H. Assessment of electric vehicles concerning impacts, charging infrastructure with unidirectional and bidirectional chargers, and power flow comparisons. Int. J. Energy Res. 2018, 42, 3416–3441. [Google Scholar] [CrossRef]
- Tu, H.; Feng, H.; Srdic, S.; Lukic, S. Extreme Fast Charging of Electric Vehicles: A Technology Overview. IEEE Trans. Transp. Electrif. 2019, 5, 861–878. [Google Scholar] [CrossRef]
- Yuan, X.; Laird, I.D.; Walder, S. Opportunities, Challenges, and Potential Solutions in the Application of Fast-Switching SiC Power Devices and Converters. IEEE Trans. Power Electron. 2021, 36, 3925–3945. [Google Scholar] [CrossRef]
- Matallana, A.; Ibarra, E.; López, I.; Andreu, J.; Garate, J.I.; Jorda, X.; Rebollo, J. Power module electronics in HEV/EV applications: New trends in wide-bandgap semiconductor technologies and design aspects. Renew. Sustain. Energy Rev. 2019, 113, 109264. [Google Scholar] [CrossRef]
- Van Kooten Niekerk, M.E.; van den Akker, J.M.; Hoogeveen, J.A. Scheduling electric vehicles. Public Transp. 2017, 9, 155–176. [Google Scholar] [CrossRef]
- Wang, Y.; Huang, Y.; Xu, J.; Barclay, N. Optimal recharging scheduling for urban electric buses: A case study in Davis. Transp. Res. Part E Logist. Transp. Rev. 2017, 100, 115–132. [Google Scholar] [CrossRef]
- Wen, M.; Linde, E.; Ropke, S.; Mirchandani, P.; Larsen, A. An adaptive large neighborhood search heuristic for the Electric Vehicle Scheduling Problem. Comput. Oper. Res. 2016, 76, 73–83. [Google Scholar] [CrossRef] [Green Version]
- Rinaldi, M.; Picarelli, E.; D’Ariano, A.; Viti, F. Mixed-fleet single-terminal bus scheduling problem: Modelling, solution scheme and potential applications. Omega 2020, 96, 102070. [Google Scholar] [CrossRef]
- Olsen, N.; Kliewer, N.; Wolbeck, L. A study on flow decomposition methods for scheduling of electric buses in public transport based on aggregated time–space network models. Cent. Eur. J. Oper. Res. 2020, 1–37. [Google Scholar] [CrossRef]
- Li, L.; Lo, H.K.; Xiao, F. Mixed bus fleet scheduling under range and refueling constraints. Transp. Res. Part C Emerg. Technol. 2019, 104, 443–462. [Google Scholar] [CrossRef]
- Tang, X.; Lin, X.; He, F. Robust scheduling strategies of electric buses under stochastic traffic conditions. Transp. Res. Part C Emerg. Technol. 2019, 105, 163–182. [Google Scholar] [CrossRef]
- Perumal, S.S.; Dollevoet, T.; Huisman, D.; Lusby, R.M.; Larsen, J.; Riis, M. Solution approaches for integrated vehicle and crew scheduling with electric buses. Comput. Oper. Res. 2021, 132, 105268. [Google Scholar] [CrossRef]
- Yao, E.; Liu, T.; Lu, T.; Yang, Y. Optimization of electric vehicle scheduling with multiple vehicle types in public transport. Sustain. Cities Soc. 2020, 52, 101862. [Google Scholar] [CrossRef]
- Liu, T.; Ceder, A.A. Battery-electric transit vehicle scheduling with optimal number of stationary chargers. Transp. Res. Part C Emerg. Technol. 2020, 114, 118–139. [Google Scholar] [CrossRef]
- Alwesabi, Y.; Liu, Z.; Kwon, S.; Wang, Y. A novel integration of scheduling and dynamic wireless charging planning models of battery electric buses. Energy 2021, 230, 120806. [Google Scholar] [CrossRef]
- Yıldırım, Ş.; Yıldız, B. Electric bus fleet composition and scheduling. Transp. Res. Part C Emerg. Technol. 2021, 129, 103197. [Google Scholar] [CrossRef]
- Wang, J.; Kang, L.; Liu, Y. Optimal scheduling for electric bus fleets based on dynamic programming approach by con-sidering battery capacity fade. Renew. Sustain. Energy Rev. 2020, 130, 109978. [Google Scholar] [CrossRef]
- Wei, R.; Liu, X.C.; Ou, Y.; Fayyaz, S.K. Optimizing the spatio-temporal deployment of battery electric bus system. J. Transp. Geogr. 2018, 68, 160–168. [Google Scholar] [CrossRef]
- Xylia, M.; Leduc, S.; Patrizio, P.; Kraxner, F.; Silveira, S. Locating charging infrastructure for electric buses in Stockholm. Transp. Res. Part C Emerg. Technol. 2017, 78, 183–200. [Google Scholar] [CrossRef]
- An, K. Battery electric bus infrastructure planning under demand uncertainty. Transp. Res. Part C Emerg. Technol. 2020, 111, 572–587. [Google Scholar] [CrossRef]
- Kunith, A.; Mendelevitch, R.; Goehlich, D. Electrification of a city bus network—An optimization model for cost-effective placing of charging infrastructure and battery sizing of fast-charging electric bus systems. Int. J. Sustain. Transp. 2017, 11, 707–720. [Google Scholar] [CrossRef] [Green Version]
- Wu, X.; Feng, Q.; Bai, C.; Lai, C.S.; Jia, Y.; Lai, L.L. A novel fast-charging stations locational planning model for electric bus transit system. Energy 2021, 224, 120106. [Google Scholar] [CrossRef]
- Lin, Y.; Zhang, K.; Shen, Z.J.M.; Ye, B.; Miao, L. Multistage large-scale charging station planning for electric buses considering transportation network and power grid. Transp. Res. Part C Emerg. Technol. 2019, 107, 423–443. [Google Scholar] [CrossRef]
- Liu, Z.; Song, Z. Robust planning of dynamic wireless charging infrastructure for battery electric buses. Transp. Res. Part C Emerg. Technol. 2017, 83, 77–103. [Google Scholar] [CrossRef]
- Chen, G.; Hu, D.; Chien, S. Optimizing Battery-Electric-Feeder Service and Wireless Charging Locations with Nested Genetic Algorithm. IEEE Access 2020, 8, 67166–67178. [Google Scholar] [CrossRef]
- Jahic, A.; Eskander, M.; Schulz, D. Charging Schedule for Load Peak Minimization on Large-Scale Electric Bus Depots. Appl. Sci. 2019, 9, 1748. [Google Scholar] [CrossRef] [Green Version]
- Wu, Z.; Guo, F.; Polak, J.; Strbac, G. Evaluating grid-interactive electric bus operation and demand response with load management tariff. Appl. Energy 2019, 255, 113798. [Google Scholar] [CrossRef]
- Zhou, G.-J.; Xie, D.-F.; Zhao, X.-M.; Lu, C. Collaborative Optimization of Vehicle and Charging Scheduling for a Bus Fleet Mixed With Electric and Traditional Buses. IEEE Access 2020, 8, 8056–8072. [Google Scholar] [CrossRef]
- Leou, R.-C.; Hung, J.-J. Optimal Charging Schedule Planning and Economic Analysis for Electric Bus Charging Stations. Energies 2017, 10, 483. [Google Scholar] [CrossRef] [Green Version]
- Gao, Y.; Guo, S.; Ren, J.; Zhao, Z.; Ehsan, A.; Zheng, Y. An Electric Bus Power Consumption Model and Optimization of Charging Scheduling Concerning Multi-External Factors. Energies 2018, 11, 2060. [Google Scholar] [CrossRef] [Green Version]
- Rupp, M.; Rieke, C.; Handschuh, N.; Kuperjans, I. Economic and ecological optimization of electric bus charging considering variable electricity prices and CO2eq intensities. Transp. Res. Part D Transp. Environ. 2020, 81, 102293. [Google Scholar] [CrossRef]
- Yang, C.; Lou, W.; Yao, J.; Xie, S. On Charging Scheduling Optimization for a Wirelessly Charged Electric Bus System. IEEE Trans. Intell. Transp. Syst. 2018, 19, 1814–1826. [Google Scholar] [CrossRef]
- Wang, G.; Fang, Z.; Xie, X.; Wang, S.; Sun, H.; Zhang, F.; Liu, Y.; Zhang, D. Pricing-aware Real-time Charging Scheduling and Charging Station Expansion for Large-scale Electric Buses. ACM Trans. Intell. Syst. Technol. 2021, 12, 1–26. [Google Scholar] [CrossRef]
- Arif, S.M.; Lie, T.T.; Seet, B.C.; Ahsan, S.M.; Khan, H.A. Plug-In Electric Bus Depot Charging with PV and ESS and Their Impact on LV Feeder. Energies 2020, 13, 2139. [Google Scholar] [CrossRef]
- Raab, A.F.; Lauth, E.; Strunz, K.; Göhlich, D. Implementation Schemes for Electric Bus Fleets at Depots with Optimized Energy Procurements in Virtual Power Plant Operations. World Electr. Veh. J. 2019, 10, 5. [Google Scholar] [CrossRef] [Green Version]
- Houbbadi, A.; Trigui, R.; Pelissier, S.; Redondo-Iglesias, E.; Bouton, T. Optimal Scheduling to Manage an Electric Bus Fleet Overnight Charging. Energies 2019, 12, 2727. [Google Scholar] [CrossRef] [Green Version]
- Qin, N.; Gusrialdi, A.; Brooker, R.P.; Ali, T. Numerical analysis of electric bus fast charging strategies for demand charge reduction. Transp. Res. Part A Policy Pract. 2016, 94, 386–396. [Google Scholar] [CrossRef]
- He, Y.; Liu, Z.; Song, Z. Optimal charging scheduling and management for a fast-charging battery electric bus system. Transp. Res. Part E Logist. Transp. Rev. 2020, 142, 102056. [Google Scholar] [CrossRef]
- He, Y.; Song, Z.; Liu, Z. Fast-charging station deployment for battery electric bus systems considering electricity demand charges. Sustain. Cities Soc. 2019, 48, 101530. [Google Scholar] [CrossRef] [Green Version]
- Chen, H.; Hu, Z.; Zhang, H.; Luo, H. Coordinated charging and discharging strategies for plug-in electric bus fast charging station with energy storage system. IET Gener. Transm. Distrib. 2018, 12, 2019–2028. [Google Scholar] [CrossRef] [Green Version]
- Ding, H.; Hu, Z.; Song, Y. Value of the energy storage system in an electric bus fast charging station. Appl. Energy 2015, 157, 630–639. [Google Scholar] [CrossRef]
- Hasan, M.; Avramis, N.; Ranta, M.; Saez-De-Ibarra, A.; El Baghdadi, M.; Hegazy, O. Multi-Objective Energy Management and Charging Strategy for Electric Bus Fleets in Cities Using Various ECO Strategies. Sustainability 2021, 13, 7865. [Google Scholar] [CrossRef]
- Zhang, T.; Ballantyne, E.E.; Zhao, R.; Stone, D.A. Technical and economic feasibility of increasing tram system efficiency with EV batteries. Transp. Res. Part D Transp. Environ. 2021, 91, 102681. [Google Scholar] [CrossRef]
- Fernández-Rodríguez, A.; Fernández-Cardador, A.; Cucala, A.P.; Falvo, M.C. Energy efficiency and integration of urban electrical transport systems: EVS and metro-trains of two real European lines. Energies 2019, 12, 366. [Google Scholar] [CrossRef] [Green Version]
- Pearre, N.S.; Ribberink, H. Review of research on V2X technologies, strategies, and operations. Renew. Sustain. Energy Rev. 2019, 105, 61–70. [Google Scholar] [CrossRef]
- SSE Energy Solutions. Bus2Grid. Available online: https://www.sseenergysolutions.co.uk/distributed-energy-infrastructure/our-solutions/bus2grid (accessed on 24 September 2021).
- Rasool, H.; Verbrugge, B.; Zhaksylyk, A.; Tran, T.M.; El Baghdadi, M.; Geury, T.; Hegazy, O. Design Optimization and Electro-Thermal Modeling of an Off-Board Charging System for Electric Bus Applications. IEEE Access 2021, 9, 84501–84519. [Google Scholar] [CrossRef]
- Arif, S.M.; Lie, T.T.; Seet, B.C.; Ayyadi, S. A novel and cost-efficient energy management system for plug-in electric bus charging depot owners. Electr. Power Syst. Res. 2021, 199, 107413. [Google Scholar] [CrossRef]
- Zhuang, P.; Liang, H. Stochastic Energy Management of Electric Bus Charging Stations with Renewable Energy Integration and B2G Capabilities. IEEE Trans. Sustain. Energy 2021, 12, 1206–1216. [Google Scholar] [CrossRef]
- Rodriguez, D.A.; Targa, F. Value of accessibility to Bogotá’s bus rapid transit system. Transp. Rev. 2004, 24, 587–610. [Google Scholar] [CrossRef]
- Deng, T.; Nelson, J.D. Recent Developments in Bus Rapid Transit: A Review of the Literature. Transp. Rev. 2011, 31, 69–96. [Google Scholar] [CrossRef]
- Hensher, D.; Golob, T. Bus rapid transit systems: A comparative assessment. Transportation 2008, 35, 501–518. [Google Scholar] [CrossRef] [Green Version]
- Manzolli, J.A.; Trovão, J.P.; Antunes, C.H. Scenario-Based Multi-criteria decision analysis for rapid transit systems implementation in an urban context. ETransportation 2021, 7, 100101. [Google Scholar] [CrossRef]
- Chen, Z.; Yin, Y.; Song, Z. A cost-competitiveness analysis of charging infrastructure for electric bus operations. Transp. Res. Part C Emerg. Technol. 2018, 93, 351–366. [Google Scholar] [CrossRef]









| Manufacturer Model | Rated Power (kW) | Charging Concept Interface | Output Voltage (V) | Efficiency (%) |
|---|---|---|---|---|
| ABB HVC PU [30,31] | 100/…/600 | Opportunity and depot charging Pantograph and plug-in | 150–850 | 94–96% |
| ABB Terra 94/124/184 [30] | 90/120/180 | Depot charging Plug-in | 150–920 | >95% |
| Ekoenergetyka charger [32] | 200/600 | Opportunity charging Pantograph | 150–950 | >95% |
| Ekoenergetyka Plug Charger [32] | 20/…/150 | Depot charging Plug-in | 150–950 | >95% |
| Heliox Opportunity Charger [33] | 450/600 | Opportunity charging Pantograph | 460–800 | 96% |
| Heliox Flex [34] | 180/360 | Depot charging Pantograph and Plug-in | 200–1000 | 95.5% |
| IPT Charge Bus [35] | 100/200/300 | Opportunity and depot charging Wireless ground-based | 400–750 | >92% |
| Jema ECI series [36] | 50/…/200 | Depot charging Pantograph and Plug-in | 480–800 | 96% |
| Jema Opportunity chargers [37] | 350/500/600 | Opportunity charging Pantograph | 400–850 | 96% |
| Kempower C800 series [38] | 40/…/480 | Depot charging Plug-in | 200–920 | >95% |
| Siemens Sicharge UC Charging center [39] | 100/150/300 | Opportunity and depot charging Pantograph and plug-in | 10–1000 | >96% |
| Siemens Sicharge UC High power charger [39] | 450/600 | Opportunity charging Pantograph | 10–1000 | >96% |
| XCharge C6 [40] | 60/…/160 | Depot charging Plug-in | <1000 | 97% |
| Ref. | Charging Concept | Objective(s) | Main Results |
|---|---|---|---|
| [17] | Opportunity charging |
|
|
| [27] | Depot charging |
|
|
| [30] | Opportunity/ depot charging |
|
|
| [55] | Opportunity charging |
|
|
| [56] | Depot charging |
|
|
| [57] | Depot charging |
|
|
| [58] | Opportunity charging |
|
|
| [59] | Depot charging |
|
|
| [60] | Depot charging |
|
|
| [61] | Depot charging |
|
|
| [62] | Depot charging |
|
|
| [63] | Opportunity charging |
|
|
| [64] | Dynamic wireless charging |
|
|
| [65] | Depot/dynamic wireless charging |
|
|
| [66] | Not specified |
|
|
| Ref. | Charging Concept | Objective(s) | Main Results |
|---|---|---|---|
| [67] | Opportunity/depot charging |
|
|
| [68] | Opportunity charging |
|
|
| [69] | Opportunity/depot charging |
|
|
| [70] | Opportunity charging |
|
|
| [71] | Opportunity charging |
|
|
| [72] | Opportunity/depot charging |
|
|
| [73] | Dynamic wireless charging |
|
|
| [74] | Dynamic wireless charging |
|
|
Publisher’s Note: MDPI stays neutral with regard to jurisdictional claims in published maps and institutional affiliations. |
© 2021 by the authors. Licensee MDPI, Basel, Switzerland. This article is an open access article distributed under the terms and conditions of the Creative Commons Attribution (CC BY) license (https://creativecommons.org/licenses/by/4.0/).
Share and Cite
Verbrugge, B.; Hasan, M.M.; Rasool, H.; Geury, T.; El Baghdadi, M.; Hegazy, O. Smart Integration of Electric Buses in Cities: A Technological Review. Sustainability 2021, 13, 12189. https://doi.org/10.3390/su132112189
Verbrugge B, Hasan MM, Rasool H, Geury T, El Baghdadi M, Hegazy O. Smart Integration of Electric Buses in Cities: A Technological Review. Sustainability. 2021; 13(21):12189. https://doi.org/10.3390/su132112189
Chicago/Turabian StyleVerbrugge, Boud, Mohammed Mahedi Hasan, Haaris Rasool, Thomas Geury, Mohamed El Baghdadi, and Omar Hegazy. 2021. "Smart Integration of Electric Buses in Cities: A Technological Review" Sustainability 13, no. 21: 12189. https://doi.org/10.3390/su132112189
APA StyleVerbrugge, B., Hasan, M. M., Rasool, H., Geury, T., El Baghdadi, M., & Hegazy, O. (2021). Smart Integration of Electric Buses in Cities: A Technological Review. Sustainability, 13(21), 12189. https://doi.org/10.3390/su132112189

