Abstract
This article summarizes the arguments within the scientific discussion on the issue of using mining machines and their life cycle. The main goal of the article is to investigate the impact of a combination of mobile and stationary mining machines and their optimal distribution in the mining process to increase the efficiency of mining and processing of raw materials. The following methods of research were focused on the use of technical indicators for the valuation efficiency of the mining process: a simulation method was used for the distribution of mining machines, comparison analysis was used for the real and past state of mining machines, and a decision tree was used as managerial instrument for optimal alternatives of mining machines. The research empirically confirms and theoretically proves that optimal distribution of mining machines and machine parks is very important for mining companies. The benefit of this research for the mining company was the new location of the machines and the combination of stationary production lines and mobile equipment. The optimal layout of the machines reduced the number of conveyor belts and improved the transfer of limestone processing to mobile devices, saving time, which was reflected in transport costs. The results can be useful for other mining companies seeking to create an optimal machine park.
1. Introduction
Success in the mining industry requires having the best mining machines and optimal placement for them in the mining process. The aim of this article is to investigate the impact of a combination of mobile and stationary mining machines and their optimal distribution in the mining process to increase the efficiency of mining and processing of raw materials. New mining machines means improving mining operations, more efficiently boosting productivity and employee safety, and opportunities for future use of earth resources and new technologies in the mining industry []. Optimization of operation at every level—from raw material to machines—means competitiveness of mining companies on the global market. Mining companies use various mining machines (Table 1) and pieces of equipment that need to be kept in working order []. The reduction of operating costs is a very important part of economic efficiency because costs influence profit in mining companies. A suitable alternative to machinery optimization is a combination of stationary production lines and mobile equipment and their optimal distribution in the mining process. The optimal placement of mining machines in the mining process results in time savings, reduced downtime and increased volume of processed raw material, reduced operating costs, and other benefits for the mining company in terms of satisfying customer requirements for the required parameter of the processed raw material fraction [].

Table 1.
Mining machines and equipment.
Gaining a competitive advantage in the market is decisive for mining companies and, therefore, it is necessary to optimize machinery parks that have mobile or stationary mining machines [].
The optimization of the equipment is related to the service life (Figure 1) of the equipment and, therefore, it is necessary to monitor the time of its use in the mining process []. Mobile surface equipment in mining companies has to be operational because it influences the continual mining process, health of employees, safety of mining process, and efficiency of mining []. Those factors influence mining and the use of earth resources []. Mobile and stationary equipment in mining companies have to study the most important factors of mining machines, including lighting of machines, technical parameters of mining machines, components and spare parts of mining machines, safety of machines, monitoring system, ergonomic distribution, and diagnostic system of failures. Mayton et al. (2020) dealt with mobile equipment and its lighting as one factor of the functionality of mining machines. They achieved results that presented problems with lighting machines in surface mines. They investigated lighting on haul trucks and wheel loaders with regard to glare and illuminance levels. They demonstrated that there are recommended illumination levels that can improve the mining process and reduce accidents [].

Figure 1.
Life cycle of machines [].
Adebayo et al. (2019) showed that technical parameters of mining machines are very important for mining processes. They investigated the influence of drilling machine parameters on the penetration rate in mines. Drilling experiments were conducted in which feed pressure, air pressure, rotary speed, weight on the bit, and torque were varied to measure their effect on the penetration rate. The results of the study revealed that penetration rate increases with an increase in the feed pressure [].
Another parameter that is crucial in the performance of the mining equipment is the electric drive. Eshchin (2018) solved the electrical drives of self-propelled mining machines. Factors that influence electric drive are the stator housing position, the ultimate rigidity of the supports of the mining machine, the absolute angular velocity of rotation, the absolute speed of the electromagnetic field of the stator, the nature of the motion of the stator housing of the electric motor. All those factors are important by calculation of technical performance, because a discrepancy is created between the calculated and experimental results []. Qi et al. (2020) showed that the modern mining industry have energy-efficient, clean and sustainable mining processes. The mining industry uses cemented paste backfill (CPB) technology, which may constitute 25–30% of the total mining cost. Optimal CPB processing parameters are very important for new technology []. The other factors that affect the functionality of mining machines is components, spare parts that need to be replaced in the event of a failure. Of great importance is the selection and quality of components that the mining company purchases for replacement in the event of a failure. Safety couplings are very important components, also called overload couplings, are used to mechanically protect the drive systems of machines—especially mining machines—against sudden overloads. Kuczaj et al. (2019) presented a theoretical method of selecting protective pins for specified threshold moment values for a selected Dodge Raptor series coupling that shall find its application in the drives of mining machines (such as conveyors, crushers, pumps). This method is very important for maintenance of mining machines in mining companies []. Krupnik et al. (2020) solved the problem with material to manufacture transfer cases for mining machines, operating under very heavy conditions to improve their strength, durability, and operational economy []. Disk tools represent components of mining machines and using in mining machines is important and irreplaceable. Gerike et al. (2018) said that knowledge of the mining employees that designed and manufactured mining machines is very important. It is shown that equipping the mining machines with disk tools reduces specific consumption, specific power input, and dusting during breakage of hard rocks []. Vargas, M. et al. (2020) presented a method of classification of bearings that is used by rotary machines are key equipment in many industrial sectors, from mining operations to advanced manufacturing. Among the critical components of these machines are bearings, gearboxes, rotors, among others. These components tend to present failures, which can be catastrophic, with economic, safety and/or environmental consequences []. The safety of mining machines is important part by decision of production or buying of mining machines for mining companies. Zhao et al. (2014) solved machine safety monitoring system of coal mine to tackle the problem of prevention of mechanical hazards protection, electrical safety and warning, transport protection. Key technology of CAN-BUS that means digital signal processing, distributed computing, database selection of in-depth research brings benefits for mining company in the aspect of safety, reliability and compatibility []. Deng et al. (2008) dealt with index system of management and assessment of coal mine safety. The weights of disaster-causing factors were fixed, which enhances the accurate and scientific quality of the results []. Karlinski et al. (2016) presented the numerical approach to the safety and ergonomics of the mining machine operator. Based on actual accidents, they analyzed the current requirements for protective structures in regard to operator safety aspects. To mitigate the injuries, the state-of-the-art seat absorber was implemented underneath a typical operator’s seat. The device was designed to dissipate the kinetic energy during the process of rapid floor uplift and immediate velocity change from the cab to gallery roof impact []. Effective methods of diagnosis are needed regarding the formation of failures in mining machines. Gerike et al. (2019) wrote about a method which uses tests for the detection of defects in manufacture and the operation of mining machines. The method is constructed to describe the formation of shock pulses in roller bearings when different defects are generated in them. These methods for diagnostic of mining machinery with roller bearings have advantages and disadvantages, too []. From an economic point of view, the functionality of the machines is monitored through a basic indicator service life. The methods for monitoring the life cycle of mining machines are different and depend on the type of machine and its classification into the category of machines for the mining area. Krunic et al. (2018) presented two model approaches to life cycle assessment of mining machines: one of them is based on reliability theory and the other on the principle of cost-effectiveness. During the exploitation of machines, the level of their reliability decreases while operating costs increase. These indicators of opposing trends detect the operating capacity of machines and provide the basis for making a decision on the validity of further operation, maintenance, or replacement of machines []. In praxis are using various methods of diagnostics. Another factor that affects the continual mining process is the indicator of accidents, which is related to the safety of mining machinery. McNich et al. (2019) commented that, each year, mining workers are involved in machinery-related accidents. Many of these accidents involve inadequate or improper use of lockout (LOTO) procedures. To mitigate the occurrence of these accidents, new safety methods are needed to monitor access to hazardous areas around operating machinery, improve documentation, monitoring of maintenance and prevent unexpected start-up or movement during machine maintenance activities. The solution to this problem is a new application of Internet of Things (IoT) technologies to provide intelligent machine monitoring as part of a comprehensive LOTO program []. Mining equipment care is one of the processes in a mining company that needs to be planned and managed []. A prerequisite for achieving efficiency is the introduction of preventive maintenance of mining machines and equipment and their constant inspection or implement a TPM system [].
2. Materials and Methods
The chosen object of this research was a mining company in Slovakia that deals with the mining of a raw material—limestone. It prepares the raw material, limestone, for various fractions, which it supplies for the construction industry. The mining company produces and sells raw material (Figure 2) for steel, building, cement, chemical, glass, and the agricultural industry. The highest demand of raw material—limestone—is in the steel industry, 49%. In order to expand its portfolio, the mining company must make significant changes in its production process in order to meet the demand for raw materials. This reason is the basic idea of the implementation of the new layout of mining process in the mining company. The mining company uses in the mining process the following equipment: crusher, sorter, three stationary sorting lines, belt conveyors, bigger storage space, tracked excavators, loaders, and exhausting equipment. In this mining process, mobile and stationary machines are used, and this equipment is in the reproduction phase of service life of machines. As the machines are in the reproduction phase, several failures occur, which represents a high cost for the mining company. The company must plan financial resources for new investments in the form of new machinery and equipment, because their functional condition and failure rate is very critical [].

Figure 2.
Forecast of sale of raw material.
The main mining process in the selected company consists of the following operations: mining, crushing, sorting, expedition, milling, packing, and expedition of raw material—limestone (Figure 3). The methods of research were focused on the use of technical indicators of selected machines and their benefits for innovations of Machine Park in mining company. Those data were obtained on the basis of offers from sellers of mining machines and existing firms at the selling market. They were used in an accessible database of information about mining machines. Some information was obtained by communication with sellers or by visit firms with mining machines. The technical parameters of mining machines belong between key performance indicators for evaluation performance of the mining companies. The quality management system in the firms present quality that impacts the quality of the product, quality of processes, quality of the materials, and quality of information []. The reason for technical parameters of mining machines was innovation of mining machines in the selected company and a financial situation that is connected with financial sources for innovation of mining machines. The company decided to use their own sources for innovation. The first phase in surface quarry mining is drilling work. Drilling is performed with a drilling rig that can drill horizontally or vertically. The blasted rock is moved from the individual floors using a crawler excavator. Already in this step, it is necessary to accept the transport costs because the raw material in some quarries is weighed by trucks, and these represent high transport costs. The raw material is loaded by a crawler excavator into a jaw crusher, which breaks the rock into smaller parts. Stationary and mobile sorting lines sort limestone into individual fractions using screens located inside the sorters. The purpose of sorting is to remove unwanted impurities, increase the concentration of the useful component of the raw material, and change the physical and chemical properties of the treated mineral. The treatment of the raw material significantly increases its usability in industry.

Figure 3.
Production cycle of raw material extraction.
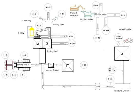
The simulation method was used for the distribution and layout of mining machines in the mining object. The significance of the simulation methods is very important to improve the efficiency and performance of production processes and it is very important for mining process []. The simulation makes it possible to predict the mining process and its operation in the real-time rearrangement of mining machines. This is a very important instrument for the mining company, because mining machines are very big and heavy. The new layout of machines accepted a combination of mobile and stationary mining machines. In this study, comparing analysis was used to compare the optimal distribution of mining machines and combination of mobile and stationary machines, and compare their technical parameters and economical effect of mining process. A comparing analysis is very effective instrument to compare results before and after the implementation of new machines []. On the grounds of comparison, we can comment on whether new indicators—technical parameters, performance indicators—are an improvement. The raw material is transferred in the mining process by means of conveyor belts for limestone processing to the crusher—stationary equipment. The original stationary production line for the processing of extracted raw material consisted of the following equipment (Figure 4): one jaw crusher, four stationary sorting lines, stationary sorters, belt conveyors, storage space, tracked excavators, loaders, and exhausting equipment. Based on the simulation method, this layout of mining equipment needs to be changed and the mining machines arranged so that it increases the efficiency and performance of the mining process, which is the aim of the article. Originally, the company used only “one way” from the initial crushing to the sorting lines, connected by a number of conveyor belts reaching a length of up to 60 m. The mobile crusher had to be moved to the place where the excavated rock was pushed from the floor, and together with it was necessary to move the conveyor belts. The Volvo crawler excavator loads the dropped rock from the floor into a Hartl mobile jaw crusher, which crushes the stone to size as needed. The fraction is transferred from the Hartl crusher by discharge belts and conveyor belts to the first classifier, which separates a part of the excavated rock—namely, the fraction suitable for cement production. This mining process is needed for increasing the efficiency and performance because of the higher demand. The methodological procedure in the selected mining company was as follows: first, it was necessary to evaluate and analyze the current state of use of mining machines and their distribution layout in the mining object, and then we determined the functionality of mining machines and their life and use in the future. Then, the shortcomings of the mining process were evaluated and, based on the identified shortcomings, the arrangement of the mining machines was changed by simulation. At the same time, the technical parameters of the new machines and the financial resources needed to purchase them were ascertained. Following the design of the new machine layout, new equipment was designed and purchased. The whole process was completed by the implementation of the deployment of machines in the mining object.

Figure 4.
Production cycle of raw material before optimizing.
3. Results
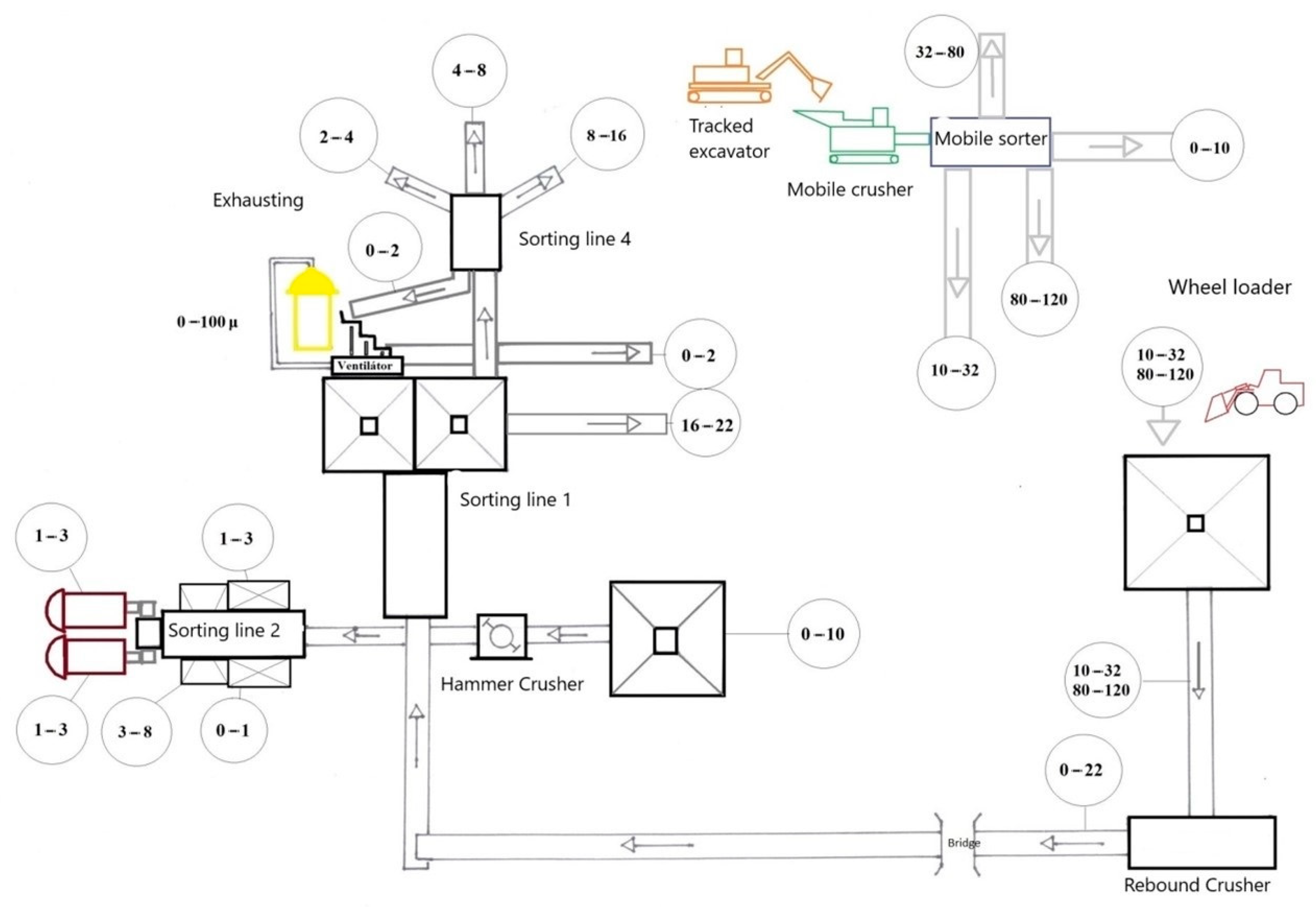
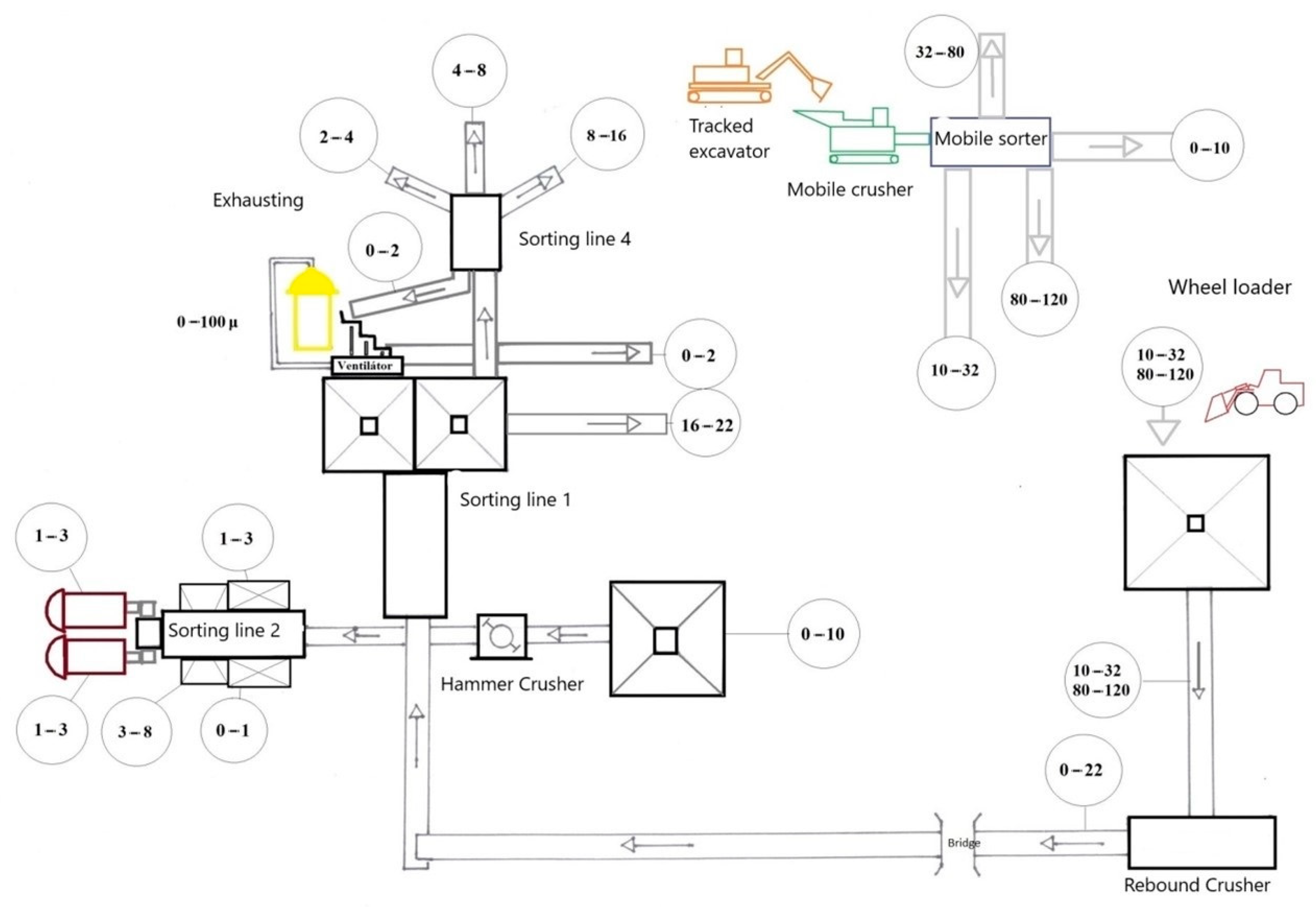
The new suggested stationary production line (Figure 5) for the processing extracted raw material was comprised of the following equipment: mobile crusher, mobile sorter, three stationary sorting lines, belt conveyors, bigger storage space, tracked excavators, loaders, and exhausting equipment. The design of the new production line brought changes in the machinery park of the mining company. The mining company started to use mobile sorters, mobile crushers, which provided a sufficient number of prepared fractions for customers and, thus, satisfied the demand for processed raw materials. These devices have simplified the production process and increased flexibility in the processing of raw materials and the transfer of mobile equipment for sorting lines and storage space. In the mining process, sorting line number 3 was removed, thus removing the belt conveyors; the exhausting device was moved to sorting line number 4; sorting line number 1 was reduced, thus moving the sorting processes to the mobile sorter and mobile crusher.

Figure 5.
Production cycle of raw material after optimizing.
The removal of long conveyor belts increased work productivity as there was no need to move the belt conveyors for the crusher. Mining company Machinery Park has expanded with new wheel loaders (Figure 6), a larger bucket capacity for more efficient loading in comparison with the old wheel loader (Figure 7), new trucks, two Caterpillar crawler excavators with more weight and the associated possibility of a larger bucket volume. The equipment of the mining company’s machinery has increased the flexibility and productivity of the mining and processing process. Changes in the machinery had to be recorded by comparing the technical parameters (Table 2) of the new equipment—wheel loader. More powerful wheel loaders are important in terms of the time interval for loading the truck with raw materials.

Figure 6.
Wheel loader—CAT 972 M.

Figure 7.
Wheel loader—DOSAN DL.

Table 2.
Wheel loader parameters.
The technical parameters of the new wheel loaders (Figure 6) mean benefits for the mining company in reducing the loading time of the raw material, speeding up the dispatch of the raw material to the crusher. With the original wheel loader, it was necessary to realize six loads quantity, while the new wheel loader has only three loads quantity; this means a 50% reduction in the number of the loads’ quantity. Machinery Park was supplemented by a tracked excavator which is used in the mining process. Changes in the machinery had to be recorded by comparing the technical parameters (Table 3) of the new equipment—tracked excavator. Those technical parameters are very important for mining process.

Table 3.
Tracked excavator parameters.
By comparing the old (Figure 8) and new tracked excavator (Figure 9) are better technical parameters. The technical parameters of the new tracked excavator mean benefits for the mining company. More powerful tracked excavators will ensure continuous production, constant extraction of crushers and shorten the interval of moving rock from the floor to the crushing site.

Figure 8.
Tracked excavator—DOSAN DX 225.

Figure 9.
Tracked excavator—CAT 336 F.
Changes in the machinery had to be recorded by comparing the technical parameters (Table 4) of the new equipment—mobile crusher with old mobile crusher. Those technical parameters are very important for the crusher process. By comparing the old mobile crusher, HART (Figure 10), and the new mobile crusher, SANDVIK (Figure 11), the improved technical performance parameters of the new machine can be observed. The mining company can use both mobile crushers at the same time to produce more raw material. The benefit of owning two mobile crushers is to use one in case the second crusher fails.

Table 4.
Mobile crusher.

Figure 10.
Mobile crusher HARTL 12/65 J.

Figure 11.
Mobile crusher SANDVIK QJ341.
Changes in the machinery recorded by comparing the technical parameters of the equipment’s wheel loader, tracked excavator, and mobile crusher brings benefits for the mining process. Mining companies can design a new distribution of machines in the mining process on the basis of these changes. By creating a new optimal distribution of machines, new machines were used with better technical parameters.
4. Discussion
The optimization proposal consisted of the transition from the original production process using stationary equipment to the production process using a combination of mobile and stationary equipment. The innovation of mining machines and layout of mining process have to accept factors that are important for optimization. Cehlár et al. (2005) said that the optimal placement of mining machines in the mining process brings time savings, reduced downtime, increased volume of processed raw material, reduced operating costs, and satisfied customer requirements, which was achieved in the selected mining company. The operating costs reduction is a very important part of the economic efficiency because costs influence profit in mining companies. Šofranko et al. (2015) said that the optimization of the equipment is related to the service life of the equipment and, therefore, it is necessary to monitor the time of its use in the mining process. The operating time of mining machines was checked, and the results showed that it is effective buy new machines. A suitable alternative to machinery optimization is a combination of stationary production lines and mobile equipment in the mining process and their optimal distribution. Koščo et al. (2017) said that the mining process influences a lot of factors, such as safety, components of machines, monitoring system of machines, spare parts of mining machines, ergonomic distribution, and diagnostic system of failures. Those factors were accepted by the innovation process in the mining company.
The best innovation in the mining company is new mining machines. The most important device is the new mobile crusher, SANDVIK, instead of HARTL. The advantage of the SANDVIK mobile crusher is that it fills in the production capacity, and the demand for raw material fractions is satisfied. New equipment—the wheel loader, CAT 972M, instead of the old wheel loader, DOSAN DL250, is technically more effective and has a higher performance. More powerful wheel loaders are important in terms of the time interval for loading the truck with raw materials. The technical parameters of the new tracked excavator, CAT 336 F, instead of the old tracked excavator, DOSAN DX 225, results in benefits for the mining company. More powerful tracked excavators will ensure continuous production, constant extraction of crushers and shorten the interval of moving rock from the floor to the crushing site.
The transition from stationary sorting lines to mobile sorters means significantly greater flexibility for the mining process and makes it possible to reduce the distance by 200 m on conveyor belts, thus, significantly reducing operating costs. Mobile sorters can be placed directly under the mobile shredders and moved in a short period of time as needed. The mining company decreased the number of sorters from four to three, reducing operating costs. The increase in sales and new more powerful machinery also meant the need for more powerful support equipment, such as wheel loaders, crawler excavators, which allow you to make the most of the power of machinery and speed up the shipping process. The optimization of the production line for limestone processing has reduced electricity consumption, reduced the number of employees in operation and maintenance, and eliminated downtime. Buying mobile equipment was important to accept factors, such as lighting, as one factor of functionality of mining machines, safety of machines, parameters of mining machines, components, and spare parts that need to be replaced in the event of a failure and machine safety monitoring system to tackle the problem of the prevention of mechanical hazards protection, electrical safety and warning, and transport protection.
The overall changes in the mining company also represent added value in terms of better results for the mining industry. In terms of macroeconomic indicators, items are monitored that significantly affect the country’s economy. Unemployment is an important indicator for the mining industry, because it employs a large group of citizens in Slovakia []. This fact confirms that mining companies must look for new applications, such as providing raw materials for the construction industry. It is also the intention of the selected mining company to expand the product portfolio, as it is an opportunity to be competitive in the future. Mining companies in Slovakia are closing, but their use is expected in the future. Already in this period, mining areas are used for agricultural purposes []. The intention of the selected mining company is to provide raw material to foreign markets for the steel industry. Expanding the production portfolio for a wider range of industries is a basic strategy for mining companies.
5. Conclusions
The optimal machine park must ensure the mining and processing, customer requirements, employee safety and added value, which will be reflected in the performance indicators of the mining company. The forecast of sales of raw limestone in the mining company meant to make changes in mining process. In the mining process, the optimal distribution of mining machines and combination of mobile and stationary machines was realized. The mining company changed the machine park: the stationary crusher was replaced by the mobile crushers, HARTL 12/65 J and SANDVIK QJ341+; the wheel loader, DOSAN DL 250, was replaced by a CAT 972 M wheel loader; the tracked excavator, DOSAN DX 225, was replaced by a CAT 336 F tracked excavator. The benefit of the research for the mining company was the new location of the machines and the combination of stationary production lines and mobile equipment. The optimal layout of the machines reduced the number of conveyor belts and the transfer of limestone processing to mobile devices, which saved time, and this was reflected in the transport costs. The results of the research can be useful for other mining companies by optimizing the machine park and finding the optimal location of machines. We can comment that the combination of stationary and mobile machines in mining companies is very effective and brings economic benefits in reducing the costs, which was manifested in the selected mining company. New machines and equipment had higher productivity, performance, safety and their use was the same as by the old machines. Employees did not have training, and it did not create new types of costs.
Author Contributions
Conceptualization, K.T. and M.S.; methodology; software; validation, K.T.; formal analysis, M.S.; investigation, K.T.; resources, K.T. and M.S.; data curation, K.T.; writing—original draft preparation, K.T.; writing—review and editing, K.T.; visualization, M.S.; supervision; project administration; funding acquisition, K.T. and M.S. All authors have read and agreed to the published version of the manuscript.
Funding
This research was funded by projects KEGA 016TUKE-4/2020 “Projects of applied research as a means for development of new models of education in the study program of industrial logistics” and the project VEGA 1/0317/19 “Research and development of new smart solutions based on the principles of Industry 4.0, logistics, 3D modelling and simulation for streamlining production in the mining and building industry”.
Conflicts of Interest
The authors declare no conflict of interest.
References
- Cehlár, M.; Čulková, K.; Pavolová, H.; Khouri, S. Sustainability of Business with Earth Sources in V4. In 4th International Innovative Mining Symposium. Bristol, Great Britain, Edition Diffusion Presse Sciences. E3S Web of Conferences; EDP Sciences: Les Ulis, France, 2019; Volume 105, pp. 1–7. [Google Scholar] [CrossRef]
- Teplická, K. Operational Analysis in the Practice of Industrial Enterprises; Technical University of Ostrava: Ostrava, Czech Republic, 2019; 114p, ISBN 978-80-248-4316-2. [Google Scholar]
- Cehlár, M.; Mihók, J.; Engel, J.; Rybár, R. Surface Mining; ES/AMS F BERG, TU: Košice, Slovakia, 2005; 328p. [Google Scholar]
- Teplická, K.; Čulková, K. Permanent improving in engineering industry through improvement suggestion. Ann. Fac. Eng. Hunedoara Int. J. Eng. 2013, 11, 219–222. [Google Scholar]
- Teplická, K.; Čulková, K. Optimization of processes for machinery and equipment renovation through models of operation analysis. Ann. Fac. Eng. Hunedoara Int. J. Eng. 2011, 9, 327–329. [Google Scholar]
- Šofranko, M.; Wittenberger, G.; Škvareková, E. Optimisation of technological transport in quarries using application software. Int. J. Min. Miner. Eng. 2015, 6, 1–13. [Google Scholar]
- Čech, J.; Šofranko, M. Economic Projection and Evaluation of Mining Venture. Econ. Manag. 2018, 21, 38–52. [Google Scholar] [CrossRef]
- Koščo, J.; Tauš, P.; Beer, M.; Rybár, R.; Kudelas, D. Forecast Trends and New Possibilities of Using Some of Selected Earth Resources. In Proceedings of the 17th SGEM Science and Technologies in Ecology, Exploration and Mining: Exploration and Mining: International Multidisciplinary Scientific Geoconference, Sofia, Bulgaria, 29 June–5 July 2017; pp. 343–350. [Google Scholar]
- Mayton, A.G.; Demich, B.; Nasarwanji, M.F. Investigation of machine mounted area lighting to reduce risk of injury from slips-trips-falls for operators of mobile surface mining equipment. Min. Metall. Explor. 2020. [Google Scholar] [CrossRef]
- Adebayo, B.; Mukoya, J.G.M. Rock properties and machine parameters evaluation at rossing uranium mine for optimum drill performance. J. S. Afr. Inst. Min. Mettargy 2019, 119, 459–464. [Google Scholar] [CrossRef]
- Eshchin, E.K. Calculations of dynamic operating modes of electric drives of self-propelled mining machines. J. Min. Inst. 2018, 233, 534–538. [Google Scholar] [CrossRef]
- Qi, C.C.; Chen, Q.S.; Kim, S.S. Integrated and intelligent design framework for cemented paste backfill: A combination of robust machine learning modeling and multi-objective optimalization. Miner. Eng. 2020, 155, 106422. [Google Scholar] [CrossRef]
- Kuczaj, M.; Sitek, W. Experimental and Theoretical Assessment of Functional and Operational Qualities of Mechanical Protection Mechanisms Used in Safety Couplings of Drive Systems of Mining Machines. In Proceedings of the IOP Conference Series-Earth and Environmental Science Poland, Krakow, Poland, 16–18 October 2019; Volume 261. [Google Scholar] [CrossRef]
- Krupnik, L.; Yelemessov, K.; Beisenov, B.; Baskanbayeva, D. Substantiation and process design to manufacture polymer-concrete transfer cases for mining machines. Min. Miner. Depos. 2020, 14, 103–109. [Google Scholar] [CrossRef]
- Gerike, B.L.; Klishin, V.I.; Mokrushev, A.A. Availability assessment of mouting groups of mining machines. J. Min. Sci. 2019, 55, 954–961. [Google Scholar] [CrossRef]
- Varga-Machuca, J.; Garcia, F.; Coronado, A.M. Detailed comparison of methods for classifying bearing failures using noisy measurements. J. Fail. Anal. Prev. 2020. [Google Scholar] [CrossRef]
- Zhao, W.; Wang, S.M.; Qiao, S.Y. Study on Safety Monitoring System of Mine Machine. In Proceedings of the Progress in Mine Safety Science and Engineering II, 2nd International Symposium on Mine Safety Science and Engineering, Beijing, China, 21–23 September 2013; pp. 487–490. [Google Scholar]
- Deng, Q.G.; Wei, J.P.; Cao, Q.G. Management and assessment of coal mine safety based on man-machine-environment system. Int. Symp. Saf. Sci. Technol. Prog. Saf. Sci. Technol. 2008, 7, 98–101. [Google Scholar]
- Karlinski, J.; Ptak, M.; Dzialak, P.; Rusinski, E. The approach to mining safety improvement: Accident analysis of an underground machine operator. Arch. Civil Mech. Eng. 2016, 16. [Google Scholar] [CrossRef]
- Gerike, B.L.; Klishin, V.I.; Gerike, P.B. Highly Efficient Hard Rock-Breaking tool for Mining Machines. In Proceedings of the IOP Conference Series Earth and Environmental, Novosibirsk, Russia, 1–5 October 2018; Volume 262. [Google Scholar] [CrossRef]
- Krunic, D.J.; Vujic, S.; Tanaijevic, M.; Dimitrijevic, B.; Subaranovic, T.; Ilic, S.; Maksimovic, S. Model approaches to life cycle assessment of auxiliary machines based on an example of a coal mine in Serbia. J. Min. Sci. 2018, 54, 404–413. [Google Scholar] [CrossRef]
- McNinch, M.; Parks, D.; Jacksha, R.; Miller, A. Leveraging IOT to improve machine safety in the mining industry. Min. Metall. Explor. 2019, 36, 675–681. [Google Scholar] [CrossRef]
- Sütőová, A.; Zgodavová, K.; Lajczyková, M. Quality and effectiveness evaluation of the geological services using CEDAC method. Acta Montan. Slovaca 2018, 23, 18–25. [Google Scholar]
- Teplická, K.; Čulková, K. Evaluation of maintenance process through controlling. Ann. Fac. Eng. Hunedoara 2009, 7, 77–82. [Google Scholar]
- Teplická, K.; Hurná, S.; Kádárová, J.; Čulková, K. Competitiveness increasing in mining companies through application of operation research methods. Tem J. 2020, 9, 393–401. [Google Scholar] [CrossRef]
- Zavadsky, J.; Korenkova, V.; Zavadska, Z.; Kadarova, J.; Tucek, D. Competences in the quality management system evaluation based on the most worlwide used key performance indicators. Qual. Access Success 2020, 20, 29–41. [Google Scholar]
- Rosová, A.; Behun, M.; Khouri, S.; Cehlar, M.; Ferencz, V.; Sofranko, M. Case study: The simulation modeling to improve the efficiency and performance of production process. Wirel. Netw. 2020. [Google Scholar] [CrossRef]
- Potkány, M.; Škultétyová, M. Research into customer preferences of potential buyers of simple wood based houses for the purpose of using the target costing. Open Eng. 2019, 9, 390–396. [Google Scholar] [CrossRef]
- Pavolová, H.; Šimková, Z.; Seňová, A.; Wittenberger, G. Macroeconomic indicators of raw material policy in Slovakia. In Proceedings of the First Interregional Conference Sustainable Development of Eurasian Mining Regions, Kemerovo, Russia, 25–27 November 2019; Edition Diffusion Presser Sciences: London, UK, 2019; pp. 1–12. [Google Scholar]
- Šimková, Z.; Seňová, A.; Divoková, A.; Očenášová, M.; Varga, P. Possibilities of Using Brownfields after Mining and Processing of Mineral Resources in Slovakia. In Proceedings of the 14th International Innovative Mining Symposium, London, UK, 16–19 November 2019; pp. 1–6. [Google Scholar] [CrossRef]
Publisher’s Note: MDPI stays neutral with regard to jurisdictional claims in published maps and institutional affiliations. |
© 2020 by the authors. Licensee MDPI, Basel, Switzerland. This article is an open access article distributed under the terms and conditions of the Creative Commons Attribution (CC BY) license (http://creativecommons.org/licenses/by/4.0/).