Next Article in Journal
Ultra-Processed Foods and Food System Sustainability: What Are the Links?
Next Article in Special Issue
Characterization of Various Biomass Feedstock Suitable for Small-Scale Energy Plants as Preliminary Activity of Biocheaper Project
Previous Article in Journal
Advanced Intervention Protocol in the Energy Rehabilitation of Heritage Buildings: A Miñones Barracks Case Study
 
 
Font Type:
Arial Georgia Verdana
Font Size:
Aa Aa Aa
Line Spacing:
Column Width:
Background:
Article

Insulating Organic Material as a Protection System against Late Frost Damages on the Vine Shoots

by
Alessia Di Giuseppe
1,
Alberto Maria Gambelli
2,
Federico Rossi
1,2,
Andrea Nicolini
1,2,*,
Nicola Ceccarelli
3 and
Alberto Palliotti
3
1
CIRIAF, Università degli Studi di Perugia, Via G. Duranti n. 63, 06125 Perugia, Italy
2
Dipartimento di Ingegneria, Università degli Studi di Perugia, Via G. Duranti n. 67, 06125 Perugia, Italy
3
Dipartimento di Scienze Agrarie Alimentari e Ambientali, Università degli Studi di Perugia, Borgo XX Giugno n. 74, 06121 Perugia, Italy
*
Author to whom correspondence should be addressed.
Sustainability 2020, 12(15), 6279; https://doi.org/10.3390/su12156279
Submission received: 9 June 2020 / Revised: 20 July 2020 / Accepted: 3 August 2020 / Published: 4 August 2020

Abstract

Late frosts are one of the major impact factors on agriculture worldwide with large economic losses for agricultural crops, with a significant impact also in wine production. Given the importance of the wine sector in the world, more and more efforts are being made to identify innovative techniques capable of creating a low-cost and effective protection for vine shoots, as well as reducing energy consumption. In a previous work, cotton candy was identified as an insulating material to solve the problems related to late frosts on vineyards and limit its damages as much as possible. From the results of the previous research, it has proved that cotton candy is an excellent thermal insulator, but it degrades quickly in windy conditions. Thus, climatic tests carried out in windy condition showed that straw can greatly slow down the degradation of cotton candy over time, giving an indirect contribution to the protective effectiveness of cotton candy. In addition, several tests were conducted with different amounts of sugar and straw without wind to evaluate whether the straw can itself make a contribution in terms of thermal insulation, as well as contribute to the protective effectiveness of cotton candy, minimizing energy use as well.

1. Introduction

Due to climate warming, the frequency and severity of extreme climate events such as drought, excessive temperature, and late frosts, are expected to increase [1,2]. Such extreme events are the major impact factors on agriculture worldwide affecting growth, reproduction, and yield of plants [3,4,5,6].
Thus, agriculture and climate changes are strictly related. In fact, modern agriculture techniques are responsible for the production of large volumes of greenhouse gases that represent the main cause of climate changes. On the other hand, agricultural activities are negatively affected by effects of climate changes, showing a loss and reduction in productivity with large economic losses for agricultural crops [7].
For instance, the agricultural losses related to climate warming (spring frosts and summer droughts) in recent years in Italy, according to Ismea, have become a recurring problem, affecting many important agricultural productions such as wine in 2017 (−16%) and in 2014 (−8.9%), oil in 2016 (−39.5%) and in 2014 (−39.3%), wheat in 2017 (−16.4%) and in 2009 (−29.4%), corn in 2015 (−22.2%) and in 2012 (−19.4%), and potatoes in 2013 (−12%) and in 2010 (−13.4%) [8].
Frost events are a major weather-related phenomenon impacting agriculture and sometimes causing devastating effects on crops [9]. Technically, frost refers to the ice crystals formed by freezing, but its meaning is also referred to describe a meteorological phenomenon characterized by falling air temperature below 0 °C [10].
Although crops are ready to defend themselves and are resistant to frosts in winter, food crops are vulnerable to below-freezing temperatures during the vegetative restart. Frosts that occur during the active growth of crops are called late frosts and they are damaging for the sensitive tissues of plants such as shoots, flowers, and new leaves [4,11,12].
Late frosts are meteorological events characterized by low air temperature, less than or equal to 0 °C, and they cause lethal damages to the plants and huge economic losses, even if they generally only last a few hours [10,11].
Frost damages occur in all agricultural areas, affecting both temperate and tropical countries, and huge economic losses due to late frosts are observed worldwide [13]. For example, in the USA, the fruit crop economic losses after April 2007 were 86 million USD and the losses caused by late frosts were greater than any other meteorological event [14].
Frosts can be distinguished in advective and radiative frosts. Late frosts, which affect the most important Italian agricultural areas, are mainly radiative frosts, but sometimes a combination of two categories of frosts occurs [11,13]. Radiative frosts are characterized by a temperature inversion through radiant exchange, which leads the energy loss resulting in soil and crops cooling. They usually occur in clear and calm nights with daily temperatures greater than 0 °C [10]. On the other hand, advective frosts are characterized by an air temperature falling below 0 °C even during the day. They usually occur in windy and cloudy conditions and they are caused by cold air blows [13].
Since the first crops were grown, late frost damages have always represented a serious problem for humans. In fact, when late frosts occur, they can lead to total crop failures in only one night of freezing temperatures. So, many methods have been developed to protect crops from damages frost over time. Frost protection is distinguished into active or direct methods and passive or indirect methods. The active or direct defense involves specific and temporary actions taken when freezing occurs in order to replace energy loss during the frost night; in fact, the active defense is carried out only with radiative frosts because weather conditions in advective frosts make impossible to implement ad hoc defense methods [13].
Active methods are characterized by shielding, dynamic, and thermal techniques [11]. The oldest active defense techniques employ artificial fog to prevent the risk of late frosts. In fact, when the humidity in the air increases near the ground due to the artificial fog, the air shielding power enhances, hindering energy losses from the ground [13]. The shielding devices make a smoke cloud by burning of organic materials at the crops level. The dynamic means rely on using wind machines to prevent the thermal inversion by air mixing. In fact, wind machines draw the warmer air from the upper air layers and push it down to the crops level resulting in soil and crops warming [11]. The use of fans began from California in 1920 with a 12 m high tower at the top of which a fan with two propellers was located. Among the dynamic techniques, helicopters are a high-efficacy means for large areas [13]. Finally, the thermal devices include heaters, which provide heat in order to warm up the air at crop level and sprinklers, which exploit the heat during a phase change from water to ice [10,11]. The most commonly used thermal technique is frost-free irrigation, which is carried out with continuous rain and with over- or under-plant sprinklers, both for advective and radiative frosts. The over-plant irrigation produces ice crystals on shoots and young leaves, which keep the temperature more than 0 °C. Instead, ice crystals on the ground are formed with the under-plant irrigation. Among the under-plant sprinklers, micro-sprinklers are the most efficient ones [11,13].
On the other hand, the passive or indirect defense involves preventive measures carried out before frost events, including ecological (e.g., site selection for crops and soil management) and biological (e.g., treatment with growth regulators and chemicals) techniques. However, the passive defense is mainly based on crop selection for timing of phenological development in order to minimize frost damage [11,13].
Under climate change, late frost risk increases due to an early beginning of the growth and development of the plants, sometimes resulting in total crop failures, with a significant impact also in wine production [14]. With reference to viticulture sector, late frost is a severe threat in viticulture regions throughout the world, e.g., in Australia, South Africa, USA, Italy, Spain, etc. [15,16,17,18]. The average yield in wine regions is drastically reduced in years with late frost due to damages on young grape shoots and leaves [19]. Frost damages have also affected the wine production in the following years. Indeed, these events led to destroy thousands of hectares in many wine regions of Italy, Swiss, France, and Luxembourg [14,19,20].
According to Ismea estimates, in 2019, Italy was once again the world’s top wine producer with 46 million hectoliters, followed by France with 42 million hectoliters and Spain with 38 million hectoliters [21]. In 2018, the Italian surface for vineyards was 704.613 hectares (658.000 hectares for winegrowing and 46.613 hectares for table grapes) [22,23]. In fact, in Italy, weather and soil characteristics offer perfect conditions for vineyards. While wine grapes are grown all over Italy, table grapes, which require a warm and dry climate, are grown only in regions of southern Italy [24]. Under climate warming, increasing temperature leads to an early vegetative restart, resulting in an increased risk of late frost damages. In fact, even if many environmental variables characterize the vegetative restart, the major contribution generally comes from temperature [25,26,27]. With regard to grapevines, late frosts generally occur around budburst, which is the most sensitive stage of phenological development of grapevines, mainly damaging the shoots. The negative consequences due to late frosts take place in all phenological phases after the opening of vegetation shoots, resulting in reduction of growth, average grape yield, and harvest quality in years with late frost [28,29]. In fact, the warmer temperatures determine an early vegetative restart of grapevines, and then the frequent freezing temperatures, which occur in spring nights, lead to an inhomogeneous budburst with delay in blossoming. Thus, this delay in the phenological development of grapevines also results in irregularities in the grapevine ripening, which is the most important phenological phase. In fact, during the ripening, grapevines acquire the characteristic composition of their variety (e.g., increase in sugar content, decrease in acid content, development of flavors) [21,24,25]. According to the Regulation (EC) N. 1221/2008, the ratio between sugar and acid content must be optimum to ensure the quality of table grapes variety.
Given the importance of the wine production in the worldwide agricultural sector and its relevant economic impact, especially in Italy, more and more efforts are being made to identify innovative techniques and methods to mitigate the effects of late frosts and minimize their damages as well.
Within this framework, different technologies have been proposed such as active and passive defense methods. These crop protection methods include either chemical compounds to increase resistance of crops to frosts, or heaters, wind machines, and sprinklers, but they are expensive and also require expert technical staff [10,30,31].
Thus, a low-cost, easy-to-use, and effective new technique to prevent the risk of late frosts has to be found. In fact, late frosts can occur once every two years, considering freezing events in the last decade in Italy, especially the Po valley, with air temperature drops below −6 and −8 °C [32,33].
In a previous work, an innovative and effective protection system to prevent the risk of late frosts on vineyard, as an alternative to the traditional tested methods, was proposed. Cotton candy was identified as an insulating material to limit damages to vine shoots by late frosts, preventing their freezing. This insulating material has proved to be able of meeting the following requirements: it’s extremely light to not to damage the vine shoots on which it is located, very easy to produce, cheap, non-toxic for crops and humans, and completely biodegradable within a few hours [34]. This protection system has also proved to be able to minimize the energy use as well [35].
Therefore, a climatic chamber was set up to determine the insulating power of cotton candy, setting temperature inside the climatic chamber below 0 °C to simulate the external environment that generally occurs during late frosts and keep the temperature of an electric wire, which simulates a vine shoot above 0 °C. The insulating power of cotton candy was calculated by measuring the energy required to keep the temperature of electric wire higher than 0 °C. From the results of the climatic tests carried out in windy conditions, it was found that cotton candy is a good thermal insulator but at the same time, it degrades quickly due to the wind, losing its protective function for the vine shoots.
Thus, the aim of this work is to propose a material that could slow down the degradation of cotton candy in windy condition and determine its contribution in terms of crops protection against late frosts. This material must be non-toxic, easy to use, cheap, and completely biodegradable. For this purpose, climatic tests were carried out in the presence of wind, with addition of straw to cotton candy. In fact, straw is an easily available material in nature, inexpensive, and without impact on the environment. In these tests, straw was used to cover the whole surface of cotton candy. The results showed that straw can greatly slow down the degradation of cotton candy over time and thus promote protection against late frosts.

2. The Experimental Facility

Thus, a second climatic chamber, different from the one used in the previous work and characterized by the absence of wind, was used to assess the insulating power of straw and determine its contribution in terms of crops protection against late frosts. The next step, which is the subject of this work, is to evaluate whether the straw can itself make a contribution in terms of thermal insulation, as well as contribute to the protective effectiveness of cotton candy and prevent its degradation in vineyards. In the present study, 33 types of experiments were carried out with different amounts of sugar and straw. At first, the electric wire was covered only with cotton candy and was placed inside the climatic chamber; then, the electric wire was covered with cotton candy and straw. All tests have been performed inside the climatic chamber without wind. Finally, a preliminary cost analysis for determining the optimum amount of the proposed materials was conducted.
The experimental apparatus for the tests consists of the following devices: A scale, a climatic chamber (model AT0700ZXC0), a PID controller, a Hall effect sensor (model AT50 B10), a data logger (model CR 850), a type K thermocouple, an electric wire (model 12, 230 V, 20 W/m), and a PC (Figure 1).
An electric wire 0.15 m long with a diameter of 8 mm is used to simulate the vine shoot. The ability of cotton candy and cotton candy covered with straw to maintain the temperature of the electric wire above 0 °C under artificial conditions of late frost, is determined. Considering the portion of electric wire involved in the climatic chamber tests, the test area is 37.68 cm2.
The thermal insulating power of cotton candy and straw is determined by quantifying the electrical energy needed to keep the temperature of the electric wire above 0 °C. The temperature to simulate a late frost inside the climatic chamber is set to −10 °C.
A type K thermocouple, with class 1 accuracy, is rolled up to the electric wire simulating the vine shoot; this thermocouple allows to control the temperature of the electric wire. In this particular case, tests in the climatic chamber are conducted keeping the temperature of the electric wire at 4 °C, with a variation of ±0.2 °C. The electric wire and the thermocouple are connected to a PID controller.
The PID controller is an on/off type device that accepts an input temperature sensor such as the used thermocouple. The output of the PID controller is on when the temperature of the wire falls below the set point value, while it is off when the temperature is above the reference value. The thermocouple allows to monitor the temperature of the electric wire and send any temperature variation to the PID controller. The system is a closed-loop and is also monitored by a Hall effect sensor, for the current measurement (the source voltage is the mains one), which is connected to a data logger by Campbell Scientific (Figure 2).
Then, the system is connected to a processor in which the collected data (the number of measurements and the voltage value given by the Hall effect sensor) are recorded. The data logger is set to record data every 0.2 s during the tests.
If the temperature of the electric wire in the climatic chamber is below 4 °C, the PID controller activates itself and sends current to the wire in order to bring the wire temperature to the set point value. Thus, the current passes from the PID controller to the wire in which thermal energy is dissipated due to joule effect, resulting in heat production. This heat amount increases the temperature registered by the thermocouple and when the temperature of the wire exceeds 4 °C, the mechanism turns itself off. The supplied electrical energy and thus the thermal energy needed to correct the temperature variation are monitored by the Hall effect sensor. In fact, the probe connected to the electric wire is used to quantify how much electrical current passes in the wire, and considering that the supplied voltage is the main one, the supplied electrical energy may be calculated; the thermal energy exchanged by the wire-chamber environment system is considered to correspond to the supplied electrical energy. Then, the data logger acquires the mentioned data that are transmitted to the processor.
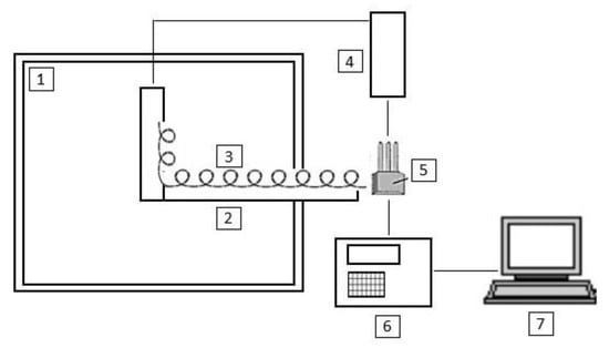
The experimental facility is schematically shown in Figure 3.
In Figure 4, two examples of tests in the climatic chamber are shown: In Figure 4a, the electric wire and thermocouple are covered only with cotton candy (10 g); in Figure 4b, the wire and thermocouple are covered with cotton candy and straw (15 g sugar and 3 g straw).

3. The Experimental Tests

In this work, the tests were always carried out in a climatic chamber without wind, in order to analyze the contribution to overall thermal resistance provided by straw. In addition, the absence of wind is one of the characteristic conditions of late frosts in nature. In fact, late frosts are mainly radiative frosts and they usually occur on nights characterized by air velocity near to 0 m/s, clear atmosphere, and no clouds. The experimental section is made on 33 tests. Each of them was one hour long and the data logger was set to acquire data every 0.2 s. All tests were carried out under the following conditions:
  • The internal temperature of the climatic chamber set to −10 °C (through the screen placed outside the climatic chamber)
  • The temperature of electric wire fixed to +4 °C (through the PID controller)
For both sugar and straw, weight is used as the reference parameter. Other parameters, such as density or volume, were evaluated but with variable results, depending on several factors, such as the differences in cotton candy deposition.
The sugar used for cotton candy production is the common sucrose, which has an average density of 1.587 g/cm3 and it is given by glucose and fructose. Straw is an agricultural product consisting of cereal culms at the end of their ripening. Normally, straw is compressed in bales and has a density of 100–200 kg/m3.
The first test was carried out with a non-covered electric wire, while in the subsequent tests, it was covered by cotton candy and then cotton candy with straw.
The tested quantities of sugar were: 5 g, 10 g, 15 g, 20 g, and 25 g. Each kind of test was repeated at least three times to ensure the truthfulness, the repeatability, and the reproducibility of the obtained results. Tests with cotton candy and straw were carried out by keeping the ratio between the grams of sugar and the grams of straw constant. The sugar–straw weight combinations were as follows:
  • 5 g of sugar and 1 g of straw;
  • 10 g of sugar and 2 g of straw;
  • 15 g of sugar and 3 g of straw;
  • 20 g of sugar and 4 g of straw;
  • 25 g of sugar and 5 g of straw.
Thus, straw was used in increasing amounts that were proportional to sugar. The quantity of straw used to cover the sugar insulating layer was calculated in function of the used grams of sugar; usually, 1 g of straw is used for every 5 g of sugar. That proportion may vary, due to differences in sugar insulating layer’s morphology, a variation in its density and other aspects. In all tests, straw was used to cover the whole surface of cotton candy (without leaving uncovered any portion).
From these figures, it clearly appears that the main function of the straw is to shield (by complete separation) the cotton candy layer from external agents, such as wind. The quantity of straw established for each test was enough to be mixed with the cotton candy, giving it a more cohesive and enduring structure. As previously explained, all tests were carried out in the same way; the only differences among them consisted in the amount of used sucrose and the presence or absence of straw (its quantity is directly related to sucrose one).
Thus, the cotton candy or the cotton candy covered with straw was applied in the test area of the wire inside the climatic chamber and the data logger was set for data acquisition. After one hour, the experiment ended and the results recorded by the system were processed.
For all the carried out tests, the apparent volume of the product was calculated in order to verify whether, with the same sugar level, a higher apparent volume was created by the addition of straw. Despite the variability of the results, there was a higher apparent volume in all the tests done with cotton candy covered with straw. In Figure 5, two examples of tests are shown: On the left, the test with 10 g of sugar and on the right the test with 10 g of sugar and 2 g of straw. The average apparent volume was 177 m3 with 10 g of sugar, while it was about 283 m3 with 10 g of sugar and 2 g of straw.
In order to verify the contribution to the thermal insulation of the coating made with cotton candy and straw, it is necessary to know how much current circulated in the wire and how much electrical energy was consumed by the system. They allow to calculate the exchanged thermal flux (q) and the thermal resistance (R) of the system.
Each test lasted 3.600 s (TTOT). Since the data logger is set to acquire measurements every 0.2 s (Ti), the number of samples for each test was 18.000.
The consumed electrical power in each period (Wi) was calculated by the data measured by the Hall effect sensor (and controlling the right value of the mains voltage by a tester) and consequently, the average thermal flow (q), according to the following equation, is:
q = W i T i T TOT       [ W ]
Since ΔT difference between the set point temperature of the wire (+4 °C) and that of the climatic chamber (−10 °C), is −14 °C, the thermal resistance (R) between the wire and the external environment was calculated as follows:
R = Δ T q       [ ° C / W ]
Finally, the thermal energy consumption per unit of surface (J/m2) in the tests was calculated and then expressed in kWh/m2. The values that will be shown in the experimental section were extended to a period of a whole night, which lasts 8 h (i.e., the collected values during each test were multiplied by 8).
Thus, the consumed energy was calculated as follows:
E = W i T i       [ J ]
The test surface is 0.01458 m2: it is the surface of the wire controlled by the thermocouple on which the insulation materials are applied to be tested. Thus, the results obtained by Equation (3), converted in Wh or kWh, were divided by the corresponding wire surface and then increased 8 times for describing the energy consumption during a whole night (P).
The results of the experiments will be discussed and analyzed in the next section.

4. Results and Discussion

Firstly, results of tests belonging to a previous paper are compared with those carried out in this work: The previous work proved that the cotton candy is a good thermal insulator but it quickly degrades in windy condition; however, the addition of straw leads to a significant reduction in its degradation. In the second part, a comparison between tests performed without wind, with only cotton candy, and with the addition of an external coating made with straw was carried out, in order to verify whether the straw directly contributes to the thermal insulation, by increasing the thermal resistance, or only indirectly due to the reduction of cotton candy degradation.
The experimental section of the present work consists of 33 tests, carried out as previously described. Three tests were made without sugar, in order to define the energy consumption needed for maintaining the wire temperature above 0 °C without any interventions. Then, the same tests were performed by covering the wire with only sugar and with sugar and an external layer made with straw. In both cases, different amounts of sugar were used: 5, 10, 15, 20 and 25 g of sugar. For each quantity, six tests were carried out, half of them with straw and the others with only sugar.
For brevity, only one value is here reported for each kind of test carried out in this work, whose tolerance range takes into account all the performed tests. Table 1 shows the results of the tests carried out without any insulating thickness (in the first column on the left) and the tests where only sugar was used.
In Table 1, E indicates the energy spent for maintaining the wire temperature at the set point temperature and was calculated by Equation (3); q is the thermal flow, while R describes the thermal resistance produced by the insulating layer. Finally, P is the energy spent during an entire night (averagely eight hours of a night). This value was calculated by multiplying the value calculated during the test (related to one hour) by the number of hours that composes a whole night. The most relevant difference is between the first two cases, the absence of any insulating layer and the use of 5 g of sugar: The energy spent to avoid the temperature falling below 0 °C fell down from 10.381 J to 4.952 J (with their respective tolerances). Also, the other parameters concerning these two tests show a large difference. However, with the addition of a greater quantity of sugar to the insulating layer, the energy spent continues to decrease, even if the difference between adjacent values decreases with the increasing of the used grams of sugar. This trend shows how the most useful solution does not consist of increasing the insulating layer as much as possible, but an optimum value, which is approximately 20 g of sugar, occurs. Thus, it is needed a brief comparison between results obtained with the use of only sugar and not straw in this work and in a previous paper [34]. This comparison is necessary for clearly explaining why the recovery of the original sugar thickness by a straw layer leads to more performing results in terms of effective protection against late frost damages.
Table 2 shows the results of the previous work [34]. Tests were carried out in the same way; in fact, the test time duration and the quantities of used sugar were the same as the tests presented here. The only critical difference consisted of the wind presence.
The topic of this previous work was to prove the thermal insulating capacity of cotton candy and its possible exploitation in the agricultural field; thus, only one test for each sugar quantity was made.
Even in this case, the most relevant difference appeared between the first test, where no insulating solution was adopted, and the second one, with an insulating layer made with 5 g. Then, the exchanged thermal energy continued to decrease (or thermal resistance continued to increase) with a gradient less pronounced than the increase of the involved grams of sugar. The comparison between Table 1 and Table 2 was here discussed for better describing the influence of wind, even for low air velocity values. As explained before, tests belonging to Table 1 were carried out in absence of wind, while tests illustrated in Table 2 were realized in a climatic chamber equipped with a fan that can be disconnected in order to have a negligible air flow. Tests made without thermal insulation show a significant difference: The maintenance of the electric wire at temperature values greater than 0 °C needed 16.704 J in the presence of wind, while only 10.381 J in its absence. Obviously, the same relevant difference was observed by comparing their respective thermal resistances: R was about 2.59 W/°C in presence of wind, while 4.86 W/°C without it. The same difference was observed in tests where the wire was insulated, however it decreased with the increase of the amount of used sugar. In tests with 5 g of sugar, the thermal energy amount was 10.044 J (with wind) and 4.952 J (without), while in tests carried out with 25 g of sugar, values are 2.664 J and 2.620 J, respectively. In Figure 6, Figure 7, Figure 8, Figure 9, Figure 10, Figure 11, Figure 12 and Figure 13, the thermal flux exchanged during the tests is shown. For brevity, only two diagrams for tests carried out in the presence of wind were shown, while the same typology of graphs was reported for each test made in absence of wind.
In the mentioned diagrams, the area between the stepped curve (represented with the blue color) and the x-axis describes the thermal energy spent for keeping the wire near to the set point temperature as much as possible. In fact, the amount of energy spent during the whole test was calculated by Equation (3). The red line simply represents an average of the previous parameter and provides an instantaneous comprehension of the differences existing among all tests.
The effect produced by wind is clearly proven in Figure 6 and Figure 7. Experiments related to these two figures were made in the presence of wind; the first one (Figure 6) was carried out by keeping the wire completely discovered and the trend of thermal energy consumption remained uniform vs. time. On the other hand, in the second test (Figure 7), 15 g of sugar were used for the wire insulation; here, a significant difference in energy consumption vs. time was observed. In particular, during the second half of this test, the frequency of power production, needed for heating the wire, was considerably higher than in the first part of the test. The degradation of sugar, due to wind influence, led to a strong reduction of the insulating layer, making a greater release of thermal energy necessary.
In all tests made in the absence of wind, thermal energy had a constant trend vs. time, because cotton candy degradation is negligible. Results revealed how the use of straw might significantly increase the process efficiency. The presence of an external coating made with straw may be capable of protecting cotton candy from wind, thus, to counteract its degradation during time. The topic of the present work, as the previous one, is the analysis of a new innovative and extremely original solution to avoid late frost damages in vineyards; in the greatest part of cases, this phenomenon occurs in the absence of wind or with air velocity near to 0 m/s. Thus, the conditions established for the tests belonging to the previous work are pejorative than the real configuration; however, the effect produced in this way is comparable with the effect produced on the insulating layer during a whole night, considering the difference in time duration between the carried out tests and a whole night (1 and 8 h, respectively).
In conclusion, the comparison between tests carried out by using the first climatic chamber (already exposed in the previous work) and the second ones (proposed here) provides a clear definition of straw contribution and its positive effects in terms of process efficiency. Before showing tests made with cotton candy surrounded by an external layer of straw, two further considerations are necessary. Considering, in both cases, tests made without insulation and tests made with the use of 5 g sugar, the difference existing between these two values in tests made in the presence of wind is higher than the same value observed in tests made in the absence of it. In both situations, the difference between each measured parameter (E, q, R) is a maximum between 0 g and 5 g of sugar used. Moreover, in tests performed in the presence of wind, the degradation of cotton candy layer in the second half of the experiments made these values greater than the respective ones measured in the second typology of tests. Secondly, a brief description of the initial phase of the tests described in Figure 7 and Figure 11 is necessary. During the first minutes of these two tests, no thermal energy exchange was observed; then, the process continued normally, as in all other tests. The reason is due to the cotton candy temperature during its deposition. As soon as its production, cotton candy has a temperature considerably higher than external environment; its sudden deposition on the electric wire produced an increase in the wire temperature, which guarantees the non-necessity of a temperature increase by the control system in the first part of the test. This fact might be considered a deviation from the real process; however, it may often occur during cotton candy deposition and represents a concrete contribution to the energy exchange decrease. In addition, for each different typology of tests (expressed in function of grams of used sugar), only one experiment was analyzed by taking into account cotton candy initial temperature contribution, in order to comprehend its effect in the value range presented in Table 1.
The straw contribution described here can be considered indirect: Its support consisted of avoiding cotton candy degradation and thus allowing it to exercise its insulating function for a more extended time period. Thus, the entity of a direct contribution to increase the insulating structure’s thermal resistance, produced in the presence of straw, needed to be evaluated. The comparison of Table 1 and Table 2 demonstrates that straw can have an indirect contribution (the difference among the two tests is widely covered by using straw that reduce the cotton candy degradation). Thus, in order to estimate the possible direct contribution, subsequent tests were carried out to evaluate the thermal energy exchange and thermal resistance values obtained with the adoption of an insulating layer made with an internal and larger layer of cotton candy and an external coating of straw.
Table 3 reports the results related to tests made with straw; as in the previous case, three experiments for each quantity of considered sugar were made, while only one test for each quantity was graphically described, for reasons of brevity.
Figure 14, Figure 15, Figure 16, Figure 17 and Figure 18 describe the mentioned tests, of which the respective results are shown in Table 3.
Obviously, in all tests, thermal energy consumption maintained a constant trend vs. time. The comparison between Table 1 and Table 3 shows a small difference in the measured values: The presence of an external coating of straw led to a small reduction in energy consumption and, consequently, a very small increase in the thermal resistance. Considering the complete absence of wind both in tests with straw and without it, this difference represents the direct contribution provided by the addition of this supplementary material. In tests with 5 g of sugar, thermal resistance (R) values are respectively 10.18 ± 0.9 W/°C without straw and 12.45 ± 1.04 W/°C with straw, corresponding to a thermal energy consumption of 4.952 ± 0.02 × 103 J and 4.048 ± 0.34 × 103 J, respectively. In tests where a greater quantity of sugar was used, differences were smaller (e.g., in the tests carried out with 20 g of sugar, thermal resistance is 17.72 ± 0.41 W/°C and 17.79 ± 1.14 W/°C, respectively, while thermal energy consumption is 2.845 ± 0.11 × 103 J and 2.833 ± 0.17 × 103 J). These values prove a direct positive effect due to straw presence, but this contribution is not enough to justify the application of a coating made with straw. However, it may be considered an additional benefit given by this material to its previously described indirect contribution.
Thus, the addition of an external coating made of straw to the cotton candy layer may lead to two different benefits: The indirect contribution, or the protection of sugar from degradation due to wind action (which may occur even in case of low air velocity), and a direct one, which consists of the thermal resistance increase due to the addition of a further insulating layer.
The indirect contribution appears as the most important support, capable of completely avoiding cotton candy degradation and its consequences (e.g., a pronounced thermal resistance reduction in the second half of each test). The straw’s direct contribution may provide a further effect in terms of thermal resistance increase; however, its small entity made it useful only coupled with the indirect contribution.

Definition of the Optimal Sucrose Quantity to Produce the Insulating Layer

In Table 4 and Table 5, the quantity of sucrose that might be used for a 1 m2 test surface is shown with its relative cost, according to [36]. Moreover, thermal energy required for maintaining the temperature of 1 m2 surface wire near to the set point temperature is evaluated here; the cost for supplying electrical energy for controlling the 1 m2 wire system is also reported.
Table 4 and Table 5 shows that an optimization between cost related to sucrose use and energy consumption is possible. Thus, an optimum quantity of sucrose per unit of surface may be determined in order to reduce as much as possible costs necessary to avoid damages due to late frosts. Figure 19 shows costs related to sucrose use and energy consumption for both typologies of tests. The cost related to the quantities of sucrose involved in the different experiments is the same. The cost of straw is considered negligible. On the contrary, a difference may be noted in thermal energy costs. As explained before, the positive contribution provided by straw presence is particularly small; however, the comparison between the overall cost verified in tests with and without straw gives a significant difference. The overall costs are the sum of the cost of the used sucrose quantity and the ones of the energy consumption. In tests carried out with only sucrose, the minimum value of overall costs was reached in correspondence of 10 g of sucrose (corresponding to 66.6 g for a surface equal to 1 m2) and was about 0.171 €. On the contrary, in tests made with straw, the minimum values coincided with the use of only 5 g of sugar (33.3 g in case of a wire surface of 1 m2) and is about 0.160 €.
This preliminary cost analysis clearly shows that, even if its contribution is particularly small in terms of thermal resistance increase, the adoption of an external coating of straw to protect the insulating thickness made with sucrose gives the possibility of reaching the same results (or greater, considering the little reduction in costs) but with a lower quantity of sucrose used per unit of surface.

5. Conclusions

The present work was focused on studying a possible innovative solution to mitigate and minimize the effects of late frosts, which occur in all agricultural areas and have a significant impact in wine production, sometimes leading to total crop failures with large economic losses worldwide. In a previous work, cotton candy was identified as an innovative and effective protection system to prevent and limit damages to vine shoots by late frosts, minimizing the energy use as well. It was found that cotton candy is a good thermal insulator for vine shoots, but it degrades quickly in windy conditions. Thus, a material that could slow down the degradation of cotton candy in windy conditions was proposed. Straw has proven to be able to meet the following requirements: It is an easily available material in nature, inexpensive, and without impact on the environment. In this work, an experimental facility was built to simulate the heat flux existing between an electric wire, which simulates the vine shoot (its temperature fixed to +4 °C) and climatic chamber (its temperature set to −10 °C). The thermal insulating performances were determined by quantifying the electrical energy needed to keep the temperature of the electric wire at the setting point temperature. Thus, in this work, 33 types of experiments were carried out: Three tests were made without sugar and the other tests were performed by covering the wire with different amounts of sugar (e.g., 5, 10, 15, 20, and 25 g of sugar). For each quantity, six tests were carried out, half of them with straw and the others with only sugar. About tests with straw, 1:5 straw/sugar mass ratio was chosen. Firstly, a comparison between results obtained with the use of only sugar in this work and in a previous paper, without and with wind, respectively, was carried out and it showed a significant difference in the energy spent for maintaining the wire temperature above 0 °C (e.g., in tests with 5 g of sugar, the thermal energy amount was 10.044 J in windy condition and 4.952 J without wind). Experiments carried out in the presence of wind showed a significant difference in energy consumption vs. time; in fact, during the second half of these tests, the degradation of sugar due to wind made necessary a greater release of thermal energy. On the other hand, in all tests made without wind, thermal energy had a constant trend vs. time, because cotton candy degradation was negligible. The previous comparison demonstrated that straw can give an indirect contribution to the protective effectiveness of cotton candy and prevent its degradation in vineyards. Then, a comparison between tests carried out in the absence of wind with straw coated cotton candy and with only cotton candy was carried out to estimate whether the straw can itself make a contribution in terms of thermal insulation as well as contribute to the protective effectiveness of cotton candy. The results proved an additional benefit given by straw to its previously described indirect contribution.
In conclusion, a preliminary costs analysis was conducted to define the optimal sucrose quantity to produce the insulating layer. Experimental results proved that the best solution to minimize overall costs consisted of realizing an insulating film with about 66 g of sugar per m2. Future works will consist of applying the cotton candy with straw on vine shoots to protect them from late frost damages in real situations. The possible alteration and the effects on the organoleptic characteristics of the final products, by using these insulating organic materials in vineyards, will be considered and analyzed.

Author Contributions

Conceptualization, F.R., A.P. and N.C.; methodology, A.N.; supervision, F.R. and A.P.; investigation, A.D.G. and A.M.G.; resources, F.R.; data curation, A.D.G. and A.M.G.; writing—original draft preparation, A.D.G., A.M.G. and N.C.; writing—review and editing, A.N. All authors have read and agreed to the published version of the manuscript.

Funding

This research received no external funding.

Conflicts of Interest

The authors declare no conflict of interest.

References

  1. Maia, A.G.; Miyamoto, C.B.B.; Garcia, J.R. Climate change and agriculture: Do environmental preservation and ecosystem services matter? Ecol. Econ. 2018, 152, 27–39. [Google Scholar] [CrossRef]
  2. Nolè, A.; Rita, A.; Ferrara, A.M.S.; Borghetti, M. Effects of a large -scale late spring frost on a beech (Fagus sylvatica L.) dominated Mediterranean mountain forest derived from the spatio-temporal variations of NDVI. Ann. For. Sci. 2018. [Google Scholar] [CrossRef]
  3. Vitasse, Y.; Bottero, A.; Caillere, M.T.; Bigler, C.; Fonti, P.; Gessler, A.; Lévesque, M.; Rohner, B.; Weber, P.; Rigling, A.; et al. Contrasting resistance and resilience to extreme drought and late spring frost in five major European tree species. Glob. Chang. Biol. 2019, 25, 3781–3792. [Google Scholar] [CrossRef] [PubMed]
  4. Ma, Q.; Huang, J.-G.; Hänninen, H.; Berninger, F. Divergent trends in the risk of spring frost damage to trees in Europe with recent warming. Glob. Chang. Biol. 2019, 25, 351–360. [Google Scholar] [CrossRef] [PubMed]
  5. IPCC. Climate Change 2014: Synthesis Report. In Contribution of Working Groups I, II and III to the Fifth Assessment Report of the Intergovernmental Panel on Climate Change; Core Writing Team, Pachauri, R.K., Meyer, L.A., Eds.; IPCC: Geneva, Switzerland, 2014; p. 151. [Google Scholar]
  6. Palliotti, A.; Tombesi, S.; Silvestroni, O.; Lanari, V.; Gatti, M.; Poni, S. Changes in vineyard establishment and canopy management urged by earlier climate-related grape ripening: A review. Sci. Hortic. 2014, 178, 43–54. [Google Scholar] [CrossRef]
  7. Tukker, A.; Huppes, G.; Guinée, J.B.; Heijungs, R.; Koning, A.; de Oers, L.; van Suh, S.; Geerken, T.; van Holderbeke, M.; Jansen, B.; et al. Environmental impact of products (EIPRO). Analysis of the life cycle environmental impacts related to the final consumption of the EU-25. In Technical Report Series EU 22284 EN, IPTS/ESTO Project; Publications Office of EU: Luxembourg, 2006. [Google Scholar]
  8. Ismea. Available online: https://www.istat.it/it/files//2019/05/Andamento-economia-agricola-2018.pdf (accessed on 11 March 2020).
  9. Ambroise, V.; Legay, S.; Guerriero, G.; Hausman, J.-F.; Cuypers, A.; Sergeant, K. The roots of plant frost hardiness and tolerance. Plant Cell Physiol. 2020, 61, 3–20. [Google Scholar] [CrossRef] [PubMed]
  10. Snyder, R.L.; de Melo-Abreu, J.P. Frost protection: Fundamentals, practice and economics. In Environment and Natural Resources Series 10; FAO: Rome, Italy, 2005. [Google Scholar]
  11. Bonciarelli, F.; Bonciarelli, U. Agronomia, 1st ed.; RCS Scuola S.P.A.: Milano, Italy, 2003; pp. 32–35. [Google Scholar]
  12. Moriondo, M.; Bindi, M. Impact of climate change on the phenology of typical Mediterranean crops. Ital. J. Agrometeorol. 2007, 30, 5–12. [Google Scholar]
  13. Zinoni, F.; Antolini, G.; Palara, U.; Rossi, F.; Reggidori, G. Aspetti fisici ed ecofisiologici nella previsione e difesa delle piante da frutto dalle gelate tardive. Italus Hortus 2005, 12, 63–78. [Google Scholar]
  14. Meier, M.; Fuhrer, J.; Holzkämper, A. Changing risk of spring frost damage in grapevines due to climate change? A case study in the Swiss Rhone Valley. Int. J. Biometeorol. 2018, 62, 991–1002. [Google Scholar] [CrossRef]
  15. Fennell, A. Freezing tolerance and injury in grapevines. J. Crop Improv. 2004, 10, 201–235. [Google Scholar] [CrossRef]
  16. Plocher, T.; Parke, B. Northern Winework. Growing Grape and Making Wine in Cold Climates, 2nd ed.; Board and Bench Publishing: San Francisco, CA, USA, 2008; p. 213. [Google Scholar]
  17. Poling, E.B. Spring cold injury to winegrapes and protection strategies and methods. HortScience 2008, 43, 1652–1662. [Google Scholar] [CrossRef]
  18. Wolf, T.K. Wine Grape Production Guide for Eastern North America; Natural Resource Agriculture and Engineering: Ithaca, NY, USA, 2008; p. 336. [Google Scholar]
  19. Sgubin, G.; Swingedouw, D.; Dayon, G.; de Cortázar-Atauri, I.G.; Ollat, N.; Pagé, C.; van Leeuwen, C. The risk of tardive frost damage in French vineyards in a changing climate. Agric. For. Meteorol. 2018, 250, 226–242. [Google Scholar] [CrossRef]
  20. Molitor, D.; Caffarra, A.; Sinigoj, P.; Pertot, I.; Hoffmann, L.; Junk, J. Late frost damage risk for viticulture under future climate conditions: A case study for the Luxembourgish winegrowing region. Aust. J. Grape Wine Res. 2014, 20, 160–168. [Google Scholar] [CrossRef]
  21. Ismea. Available online: http://www.ismeamercati.it/flex/cm/pages/ServeBLOB.php/L/IT/IDPagina/9887 (accessed on 19 March 2020).
  22. Ismea. Available online: http://www.ismeamercati.it/flex/cm/pages/ServeBLOB.php/L/IT/IDPagina/9863 (accessed on 6 March 2020).
  23. Ismea. Available online: http://www.ismeamercati.it/flex/cm/pages/ServeBLOB.php/L/IT/IDPagina/3525 (accessed on 19 March 2020).
  24. Valli, R. Arboricoltura Generale E Speciale, 1st ed.; Edagricole-Edizioni Agricole della Calderini S.R.L.: Bologna, Italy, 1997; pp. 257–368. [Google Scholar]
  25. Rigby, J.R.; Porporato, A. Spring frost risk in a changing climate. Geophys. Res. Lett. 2008, 35, 1–5. [Google Scholar] [CrossRef]
  26. Urhausen, S.; Brienen, S.; Kapala, A.; Simmer, C. Climatic conditions and their impact on viticulture in the Upper Moselle region. Clim. Chang. 2011, 109, 349–373. [Google Scholar] [CrossRef]
  27. Alikadic, A.; Pertot, I.; Eccel, E.; Dolci, C.; Zarbo, C.; Caffarra, A.; De Filippi, R.; Furlanello, C. The impact of climate change on grapevine phenology and the influence of altitude: A regional study. Agric. For. Meteorol. 2019, 271, 73–82. [Google Scholar] [CrossRef]
  28. Brito, C.; Dinis, L.-T.; Moutinho-Pereira, J.; Correia, C. Kaolin, an emerging tool to alleviate the effects of abiotic stresses on crop performance. Sci. Hortic. 2019, 250, 310–316. [Google Scholar] [CrossRef]
  29. Leolini, L.; Moriondo, M.; Fila, G.; Costafreda-Aumedes, S.; Ferrise, R.; Bindi, M. Late spring frost impacts on future grapevine distribution in Europe. Field Crops Res. 2018, 222, 197–208. [Google Scholar] [CrossRef]
  30. Palliotti, A.; Bongi, G. Freezing injury in olive leaf and effect of Mefluidide treatment. J. Hortic. Sci. 1996, 71, 57–63. [Google Scholar] [CrossRef]
  31. Dami, I.; Beam, B.A. Response of grapevines to soybean oil application. Am. J. Enol. Vitic. 2004, 55, 269–275. [Google Scholar]
  32. Zinoni, F. Il problema delle gelate in agricoltura nel mondo e in Italia. Ital. J. Agrometeorol. 2008, 3, 7–10. [Google Scholar]
  33. Palliotti, A.; Tombesi, S.; Frioni, T.; Silvestroni, O.; Lanari, V.; D’Onofrio, C.; Matarese, F.; Bellincontro, A.; Poni, S. Physiological parameters and protective energy dissipation mechanisms expressed in the leaves of two Vitis vinifera L. genotypes under multiple summer stresses. J. Plant Physiol 2015, 185, 84–92. [Google Scholar] [CrossRef] [PubMed]
  34. Di Giuseppe, A.; Gambelli, A.M.; Rossi, F.; Nicolini, A.; Ceccarelli, N.; Palliotti, A. Frost damages in the shoots can be controlled using insulating organic material? In XX Congresso Nazionale CIRIAF - Sviluppo Sostenibile, Tutela dell’Ambiente e della Salute Umana; Morlacchi Editore: Perugia, Italy, 2020. [Google Scholar]
  35. Castellani, B.; Gambelli, A.M.; Morini, E.; Nastasi, B.; Presciutti, A.; Filipponi, M.; Nicolini, A.; Rossi, F. Experimental investigation on CO2 methanation process for solar energy storage. Energies 2017, 10, 855. [Google Scholar] [CrossRef]
  36. Camera di Commercio di Viterbo. Available online: http://www.vt.camcom.it/gesFiles/Filez/1496918743K124543.pdf (accessed on 1 April 2020).
Figure 1. Image of the completely assembled experimental apparatus (from left to right: A device for making cotton candy, a PC, a data logger, a Hall effect sensor, a PID controller, and a climatic chamber).
Figure 1. Image of the completely assembled experimental apparatus (from left to right: A device for making cotton candy, a PC, a data logger, a Hall effect sensor, a PID controller, and a climatic chamber).
Sustainability 12 06279 g001
Figure 2. The thermocouple activates the PID, which provides current to the wire. The Hall effect sensor measures the current. Values are then recorded by the data logger.
Figure 2. The thermocouple activates the PID, which provides current to the wire. The Hall effect sensor measures the current. Values are then recorded by the data logger.
Sustainability 12 06279 g002
Figure 3. Scheme of the experimental facility (from left to right: (1) The climatic chamber, (2) the electric wire, (3) the thermocouple, (4) the PID controller, (5) the Hall effect sensor, (6) the data logger, and (7) the processor).
Figure 3. Scheme of the experimental facility (from left to right: (1) The climatic chamber, (2) the electric wire, (3) the thermocouple, (4) the PID controller, (5) the Hall effect sensor, (6) the data logger, and (7) the processor).
Sustainability 12 06279 g003
Figure 4. Image of the insulating solutions proposed in the present work: (a) The solution involving only cotton candy is shown; (b) an external coating made with straw was added to the previous one.
Figure 4. Image of the insulating solutions proposed in the present work: (a) The solution involving only cotton candy is shown; (b) an external coating made with straw was added to the previous one.
Sustainability 12 06279 g004
Figure 5. Picture representing an example of the calculation step of apparent volume: (a) The calculation of the apparent volume of cotton candy; (b) the one of straw-coated cotton candy.
Figure 5. Picture representing an example of the calculation step of apparent volume: (a) The calculation of the apparent volume of cotton candy; (b) the one of straw-coated cotton candy.
Sustainability 12 06279 g005
Figure 6. Thermal energy consumption in a test carried out without insulation and in the presence of wind.
Figure 6. Thermal energy consumption in a test carried out without insulation and in the presence of wind.
Sustainability 12 06279 g006
Figure 7. Thermal energy consumption in a test carried out with 15 g sugar insulating layer and in the presence of wind.
Figure 7. Thermal energy consumption in a test carried out with 15 g sugar insulating layer and in the presence of wind.
Sustainability 12 06279 g007
Figure 8. Thermal energy consumption in a test carried out without insulation and in the absence of wind.
Figure 8. Thermal energy consumption in a test carried out without insulation and in the absence of wind.
Sustainability 12 06279 g008
Figure 9. Thermal energy consumption in a test carried out with 5 g sugar insulating layer and in the absence of wind.
Figure 9. Thermal energy consumption in a test carried out with 5 g sugar insulating layer and in the absence of wind.
Sustainability 12 06279 g009
Figure 10. Thermal energy consumption in a test carried out with 10 g sugar insulating layer and in the absence of wind.
Figure 10. Thermal energy consumption in a test carried out with 10 g sugar insulating layer and in the absence of wind.
Sustainability 12 06279 g010
Figure 11. Thermal energy consumption in a test carried out with 15 g sugar insulating layer and in the absence of wind.
Figure 11. Thermal energy consumption in a test carried out with 15 g sugar insulating layer and in the absence of wind.
Sustainability 12 06279 g011
Figure 12. Thermal energy consumption in a test carried out with 20 g sugar insulating layer and in the absence of wind.
Figure 12. Thermal energy consumption in a test carried out with 20 g sugar insulating layer and in the absence of wind.
Sustainability 12 06279 g012
Figure 13. Thermal energy consumption in a test carried out with 25 g sugar insulating layer and in the absence of wind.
Figure 13. Thermal energy consumption in a test carried out with 25 g sugar insulating layer and in the absence of wind.
Sustainability 12 06279 g013
Figure 14. Thermal energy consumption in a test carried out with an insulating thickness made with 5 g of sugar and an external coating of straw, in the absence of wind.
Figure 14. Thermal energy consumption in a test carried out with an insulating thickness made with 5 g of sugar and an external coating of straw, in the absence of wind.
Sustainability 12 06279 g014
Figure 15. Thermal energy consumption in a test carried out with an insulating thickness made with 10 g of sugar and an external coating of straw, in the absence of wind.
Figure 15. Thermal energy consumption in a test carried out with an insulating thickness made with 10 g of sugar and an external coating of straw, in the absence of wind.
Sustainability 12 06279 g015
Figure 16. Thermal energy consumption in a test carried out with an insulating thickness made with 15 g of sugar and an external coating of straw, in the absence of wind.
Figure 16. Thermal energy consumption in a test carried out with an insulating thickness made with 15 g of sugar and an external coating of straw, in the absence of wind.
Sustainability 12 06279 g016
Figure 17. Thermal energy consumption in a test carried out with an insulating thickness made with 20 g of sugar and an external coating of straw, in the absence of wind.
Figure 17. Thermal energy consumption in a test carried out with an insulating thickness made with 20 g of sugar and an external coating of straw, in the absence of wind.
Sustainability 12 06279 g017
Figure 18. Thermal energy consumption in a test carried out with an insulating thickness made with 25 g of sugar and an external coating of straw, in the absence of wind.
Figure 18. Thermal energy consumption in a test carried out with an insulating thickness made with 25 g of sugar and an external coating of straw, in the absence of wind.
Sustainability 12 06279 g018
Figure 19. Analysis of costs related to tests carried out in the presence and in the absence of straw.
Figure 19. Analysis of costs related to tests carried out in the presence and in the absence of straw.
Sustainability 12 06279 g019
Table 1. Results of the tests made without insulation (0 g) and with the use of only sugar.
Table 1. Results of the tests made without insulation (0 g) and with the use of only sugar.
Sugar [g]0510152025
E [J*103]10.381 ± 0.454.952 ± 0.023.372 ± 0.023.279 ± 0.192.845 ± 0.112.620 ± 0.13
q [W]2.88 ± 0.111.38 ± 0.120.94 ± 0.110.91 ± 0.110.79 ± 0.080.73 ± 0.09
R [W/°C]4.86 ± 0.1810.18 ± 0.914.95 ± 0.3715.37 ± 0.7317.72 ± 0.4119.23 ± 0.52
P [kWh]1.582 ± 0.0590.757 ± 0.0630.514 ± 0.0610.499 ± 0.0470.434 ± 0.0380.399 ± 0.041
Table 2. Results of tests made without insulation (0 g) and with only sugar in [34].
Table 2. Results of tests made without insulation (0 g) and with only sugar in [34].
Sugar [g]0510152025
E [J*103]16.70410.0448.7126.3003.5642.664
q [W]4.642.792.421.750.990.74
R [W/°C]2.594.304.966.8512.1016.30
P [kWh]3.7092.2311.9340.7640.6180.511
Table 3. Results of tests made with an insulating structure made with sugar and straw.
Table 3. Results of tests made with an insulating structure made with sugar and straw.
Sugar [g]510152025
E [J * 103]4.048 ± 0.343.325 ± 0.223.136 ± 0.152.833 ± 0.172.556 ± 0.11
q [W]1.12 ± 0.100.92 ± 0.070.87 ± 0.050.79 ± 0.060.71 ± 0.03
R [W/°C]12.45 ± 1.0415.16 ± 1.2316.07 ± 0.8117.79 ± 1.1419.72 ± 0.89
P [kWh]0.614 ± 0.0520.507 ± 0.0330.478 ± 0.0230.432 ± 0.0260.39 ± 0.026
Table 4. Cost related to sucrose and energy spent for 1 m2 surface wire (only sucrose was used).
Table 4. Cost related to sucrose and energy spent for 1 m2 surface wire (only sucrose was used).
Tests Carried Out with Only Sucrose
Sucrose Used
[g]
Sugar Used in 1 m2 [g]Cost
[€]
Thermal Energy [kWh]Cost
[€]
Overall Costs
[€]
533.30.0321.5800.3290.189
1066.60.0630.7570.1580.171
1599.90.0950.5160.1070.199
20133.20.12650.49930.1040.217
25166.50.15820.43350.0900.242
Table 5. Cost related to sucrose and energy spent for 1 m2 surface wire (both sucrose and straw were used).
Table 5. Cost related to sucrose and energy spent for 1 m2 surface wire (both sucrose and straw were used).
Tests Carried Out with Sucrose and Straw
Sucrose Used
[g]
Sugar Used in 1 m2 [g]Cost
[€]
Thermal Energy [kWh]Cost
[€]
Overall Costs
[€]
533.30.03160.6150.1280.160
1066.60.06330.5050.1050.168
1599.90.09490.4770.0990.194
20133.20.12650.4340.0900.217
25166.50.15820.3900.0810.239

Share and Cite

MDPI and ACS Style

Di Giuseppe, A.; Gambelli, A.M.; Rossi, F.; Nicolini, A.; Ceccarelli, N.; Palliotti, A. Insulating Organic Material as a Protection System against Late Frost Damages on the Vine Shoots. Sustainability 2020, 12, 6279. https://doi.org/10.3390/su12156279

AMA Style

Di Giuseppe A, Gambelli AM, Rossi F, Nicolini A, Ceccarelli N, Palliotti A. Insulating Organic Material as a Protection System against Late Frost Damages on the Vine Shoots. Sustainability. 2020; 12(15):6279. https://doi.org/10.3390/su12156279

Chicago/Turabian Style

Di Giuseppe, Alessia, Alberto Maria Gambelli, Federico Rossi, Andrea Nicolini, Nicola Ceccarelli, and Alberto Palliotti. 2020. "Insulating Organic Material as a Protection System against Late Frost Damages on the Vine Shoots" Sustainability 12, no. 15: 6279. https://doi.org/10.3390/su12156279

APA Style

Di Giuseppe, A., Gambelli, A. M., Rossi, F., Nicolini, A., Ceccarelli, N., & Palliotti, A. (2020). Insulating Organic Material as a Protection System against Late Frost Damages on the Vine Shoots. Sustainability, 12(15), 6279. https://doi.org/10.3390/su12156279

Note that from the first issue of 2016, this journal uses article numbers instead of page numbers. See further details here.

Article Metrics

Back to TopTop