Three-Phase Unbalanced Optimal Power Flow Using Holomorphic Embedding Load Flow Method
Abstract
1. Introduction
- Load Flow Solution to three-phase unbalanced distribution network using Holomorphic Embedding Load Flow Method (HELM) is described in Section 2.
- OPF using Distributed Genetic Algorithm, a Class C algorithm is described in detail in Section 3
- Simulation of OPF is performed to generate active and reactive power schedules at controllable nodes (see Section 5). This algorithm is applied to a real network in Austria.
2. Three-Phase Unbalanced Load Flow Method
Three-Phase Holomorphic Embedding Load Flow Method
- For , solve Equation (9) to obtain a linear equation where the left-hand side of the equation represents the slack bus at which .
- The reduced Y bus matrix is assumed to be non-singular. Equation (10) can be obtained based on the non-singularity assumption.
- Remaining power series coefficients can be obtained to the desired degree by equating the coefficients from Equation (11)are calculated using the lower order coefficients described in Equation (12).
- Pade approximations which are particular kind of rational approximations are used for analytical continuum to determine the voltages at .
3. Optimal Power Flow Model
| Limits on active power (kW) of a (generator) PV node: | |
| Limits on voltage (V (pu.)) of a PV or PQ node: | |
| Limits on tap positions of a transformer: | |
| Limits on phase shift angles of a transformer: | |
| Limits on shunt capacitances or reactances: | |
| Limits on reactive power (kVAr) generation of a PV node: | |
| Upper limits on active power flow in transmission lines or transformers: | |
| Upper limits on MVA flows in lines or transformers: | |
| Upper limits on current magnitudes in lines or transformers: | |
| Limits on voltage angles between nodes: |
4. Three-Phase Unbalance Minimization
5. Simulation Results
5.1. Validation of THELM
5.2. Simulation Results for Three-Phase Unbalanced Optimal Power Flow
6. Conclusions and Outlook
Author Contributions
Funding
Conflicts of Interest
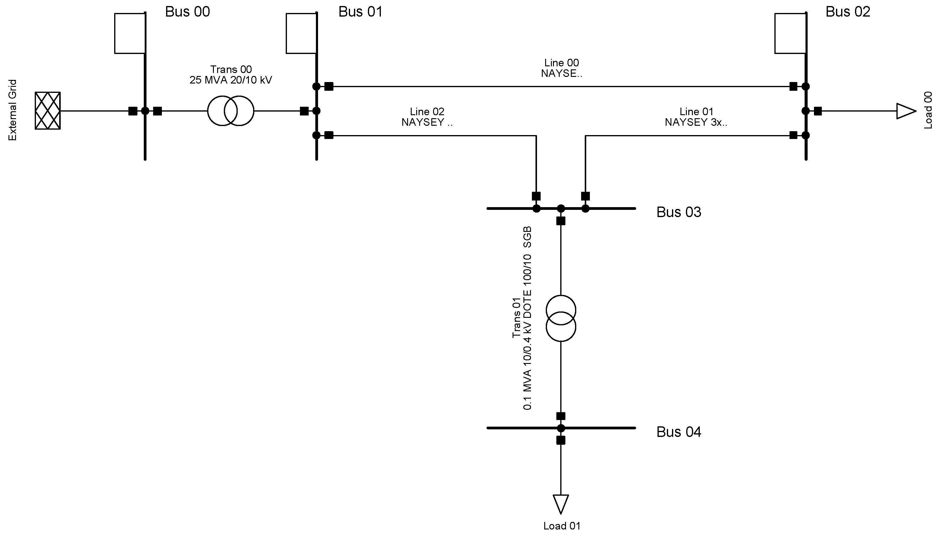
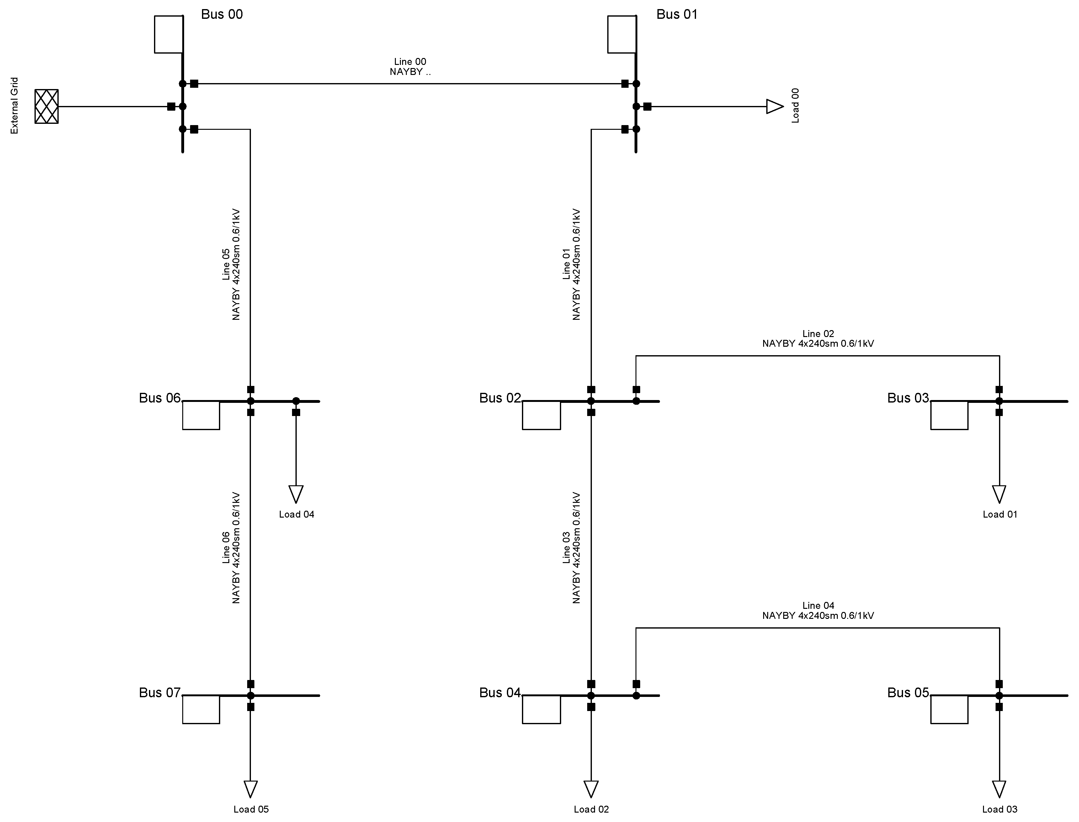
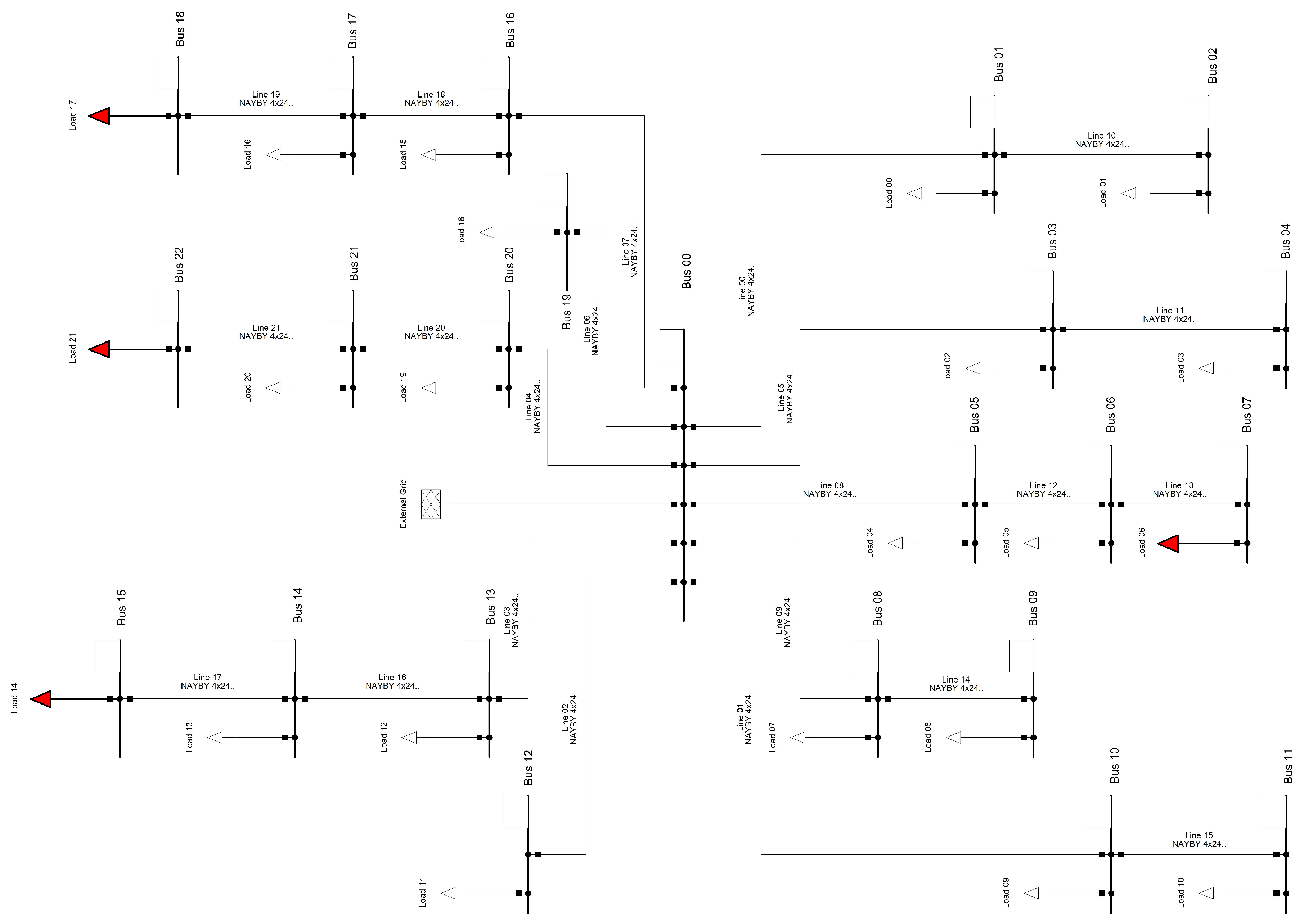
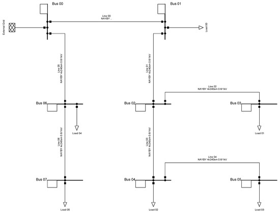
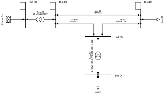
Appendix A. Test Networks







References
- Serițan, G.; Porumb, R.; Cepișcă, C.; Grigorescu, S. Integration of Dispersed Power Generation. In Electricity Distribution: Intelligent Solutions for Electricity Transmission and Distribution Networks; Energy, Systems; Karampelas, P., Ekonomou, L., Eds.; Springer: Berlin/Heidelberg, Germany, 2016; pp. 27–61. [Google Scholar] [CrossRef]
- Campos, F.; Marques, L.; Silva, N.; Melo, F.; Seca, L.; Gouveia, C.; Madureira, A.; Pereira, J. ADMS4LV #8211; Advanced Distribution Management System for Active Management of LV Grids. CIRED Open Access Proc. J. 2017, 2017, 920–923. [Google Scholar] [CrossRef]
- Fan, J.; Borlase, S. The Evolution of Distribution. IEEE Power Energy Mag. 2009, 7, 63–68. [Google Scholar] [CrossRef]
- Horowitz, S.H.; Phadke, A.G. Boosting Immunity to Blackouts. IEEE Power Energy Mag. 2003, 1, 47–53. [Google Scholar] [CrossRef]
- Novosel, D.; Begovic, M.M.; Madani, V. Shedding Light on Blackouts. IEEE Power Energy Mag. 2004, 2, 32–43. [Google Scholar] [CrossRef]
- Taylor, C.W.; Erickson, D.C.; Martin, K.E.; Wilson, R.E.; Venkatasubramanian, V. WACS-Wide-Area Stability and Voltage Control System: R D and Online Demonstration. Proc. IEEE 2005, 93, 892–906. [Google Scholar] [CrossRef]
- Ilic, M.D.; Allen, H.; Chapman, W.; King, C.A.; Lang, J.H.; Litvinov, E. Preventing Future Blackouts by Means of Enhanced Electric Power Systems Control: From Complexity to Order. Proc. IEEE 2005, 93, 1920–1941. [Google Scholar] [CrossRef]
- Santo, M.D.; Vaccaro, A.; Villacci, D.; Zimeo, E. A Distributed Architecture for Online Power Systems Security Analysis. IEEE Trans. Ind. Electron. 2004, 51, 1238–1248. [Google Scholar] [CrossRef]
- Dommel, H.W.; Tinney, W.F. Optimal Power Flow Solutions. IEEE Trans. Power Appar. Syst. 1968, PAS-87, 1866–1876. [Google Scholar] [CrossRef]
- Sasson, A.M. Combined Use of the Powell and Fletcher—Powell Nonlinear Programming Methods for Optimal Load Flows. IEEE Trans. Power Appar. Syst. 1969, PAS-88, 1530–1537. [Google Scholar] [CrossRef]
- El-abiad, A.H.; Jaimes, F.J. A Method for Optimum Scheduling of Power and Voltage Magnitude. IEEE Trans. Power Appar. Syst. 1969, PAS-88, 413–422. [Google Scholar] [CrossRef]
- Peschon, J.; Bree, D.W.; Hajdu, L.P. Optimal Power-Flow Solutions for Power System Planning. Proc. IEEE 1972, 60, 64–70. [Google Scholar] [CrossRef]
- Sasson, A.M.; Viloria, F.; Aboytes, F. Optimal Load Flow Solution Using the Hessian Matrix. IEEE Trans. Power Appar. Syst. 1973, PAS-92, 31–41. [Google Scholar] [CrossRef]
- Rashed, A.M.H.; Kelly, D.H. Optimal Load Flow Solution Using Lagrangian Multipliers and the Hessian Matrix. IEEE Trans. Power Appar. Syst. 1974, PAS-93, 1292–1297. [Google Scholar] [CrossRef]
- Alsac, O.; Stott, B. Optimal Load Flow with Steady-State Security. IEEE Trans. Power Appar. Syst. 1974, PAS-93, 745–751. [Google Scholar] [CrossRef]
- Happ, H.H. Optimal Power Dispatch. IEEE Trans. Power Appar. Syst. 1974, PAS-93, 820–830. [Google Scholar] [CrossRef]
- Mukherjee, P.K.; Dhar, R.N. Optimal Load-Flow Solution by Reduced-Gradient Method. Proc. Inst. Electr. Eng. 1974, 121, 481–487. [Google Scholar] [CrossRef]
- Bala, J.L.; Thanikachalam, A. An Improved Second Order Method for Optimal Load Flow. IEEE Trans. Power Appar. Syst. 1978, PAS-97, 1239–1244. [Google Scholar] [CrossRef]
- Lipowski, J.S.; Charalambous, C. Solution of Optimal Load Flow Problem by Modified Recursive Quadratic- Programming Method. Transm. Distrib. IEE Proc. C Gener. 1981, 128, 288–294. [Google Scholar] [CrossRef]
- Burchett, R.C.; Happ, H.H.; Wirgau, K.A. Large Scale Optimal Power Flow. IEEE Trans. Power Appar. Syst. 1982, PAS-101, 3722–3732. [Google Scholar] [CrossRef]
- Glavitsch, H.; Bacher, R. Optimal Power Flow Algorithms. Control Dyn. Syst. 1991, 41, 135–205. [Google Scholar] [CrossRef]
- Stott, B.; Hobson, E. Power System Security Control Calculations Using Linear Programming, Part I. IEEE Trans. Power Appar. Syst. 1978, PAS-97, 1713–1720. [Google Scholar] [CrossRef]
- Stott, B.; Hobson, E. Power System Security Control Calculations Using Linear Programming, Part II. IEEE Trans. Power Appar. Syst. 1978, PAS-97, 1721–1731. [Google Scholar] [CrossRef]
- Trias, A. The Holomorphic Embedding Load Flow Method. In Proceedings of the 2012 IEEE Power and Energy Society General Meeting, San Diego, CA, USA, 22–26 July 2012; pp. 1–8. [Google Scholar] [CrossRef]
- Home—DIgSILENT. Available online: https://www.digsilent.de/en/ (accessed on 1 February 2019).
- Ward, J.B.; Hale, H.W. Digital Computer Solution of Power-Flow Problems [Includes Discussion]. Trans. Am. Inst. Electr. Eng. Part III Power Appar. Syst. 1956, 75, 398–404. [Google Scholar] [CrossRef]
- Tinney, W.F.; Hart, C.E. Power Flow Solution by Newton’s Method. IEEE Trans. Power Appar. Syst. 1967, PAS-86, 1449–1460. [Google Scholar] [CrossRef]
- Tinney, W.F.; Walker, J.W. Direct Solutions of Sparse Network Equations by Optimally Ordered Triangular Factorization. Proc. IEEE 1967, 55, 1801–1809. [Google Scholar] [CrossRef]
- van Amerongen, R.A.M. A General-Purpose Version of the Fast Decoupled Load Flow. IEEE Trans. Power Syst. 1989, 4, 760–770. [Google Scholar] [CrossRef]
- Stott, B. Effective Starting Process for Newton-Raphson Load Flows. Proc. Inst. Electr. Eng. 1971, 118, 983–987. [Google Scholar] [CrossRef]
- Tripathy, S.C.; Prasad, G.D.; Malik, O.P.; Hope, G.S. Load-Flow Solutions for Ill-Conditioned Power Systems by a Newton-Like Method. IEEE Power Eng. Rev. 1982, PER-2, 25–26. [Google Scholar] [CrossRef]
- Schaffer, M.D.; Tylavsky, D.J. A Nondiverging Polar-Form Newton-Based Power Flow. IEEE Trans. Ind. Appl. 1988, 24, 870–877. [Google Scholar] [CrossRef]
- Tylavsky, D.J.; Crouch, P.E.; Jarriel, L.F.; Chen, H. Advances in Fast Power Flow Algorithms. Control Dyn. Syst. 1991, 44, 295–343. [Google Scholar] [CrossRef]
- Crouch, P.E.; Tylavsky, D.J.; Chen, H.; Jarriel, L.; Adapa, R. Critically Coupled Algorithms for Solving the Power Flow Equation. IEEE Trans. Power Syst. 1992, 7, 451–457. [Google Scholar] [CrossRef]
- Tylavsky, D.J.; Crouch, P.E.; Jarriel, L.F.; Singh, J.; Adapa, R. The Effects of Precision and Small Impedance Branches on Power Flow Robustness. IEEE Trans. Power Syst. 1994, 9, 6–14. [Google Scholar] [CrossRef]
- Tylavsky, D.J.; Schaffer, M.D. A Nondiverging Power Flow Using a Least-Power-Type Theorem. IEEE Trans. Ind. Appl. 1987, IA-23, 944–951. [Google Scholar] [CrossRef]
- Subramanian, M.K.; Feng, Y.; Tylavsky, D. PV Bus Modeling in a Holomorphically Embedded Power-Flow Formulation. In Proceedings of the 2013 North American Power Symposium (NAPS), Manhattan, KS, USA, 22–24 September 2013. [Google Scholar] [CrossRef]
- Wallace, I.; Roberts, D.; Grothey, A.; McKinnon, K.I.M. Alternative PV Bus Modelling with the Holomorphic Embedding Load Flow Method. arXiv, 2016; arXiv:1607.00163. [Google Scholar]
- Bazrafshan, M.; Gatsis, N. Comprehensive Modeling of Three-Phase Distribution Systems via the Bus Admittance Matrix. IEEE Trans. Power Syst. 2018, 33, 2015–2029. [Google Scholar] [CrossRef]
- Iba, K. Reactive Power Optimization by Genetic Algorithm. IEEE Trans. Power Syst. 1994, 9, 685–692. [Google Scholar] [CrossRef]
- Lai, L.L.; Ma, J.T. Power Flow Control with UPFC Using Genetic Algorithms. In Proceedings of the International Conference on Intelligent System Application to Power Systems, Orlando, FL, USA, 28 January–2 February 1996; pp. 373–377. [Google Scholar] [CrossRef]
- Urdaneta, A.J.; Gomez, J.F.; Sorrentino, E.; Flores, L.; Diaz, R. A Hybrid Genetic Algorithm for Optimal Reactive Power Planning Based upon Successive Linear Programming. IEEE Trans. Power Syst. 1999, 14, 1292–1298. [Google Scholar] [CrossRef]
- Lin, W.M.; Cheng, F.S.; Tsay, M.T. Distribution Feeder Reconfiguration with Refined Genetic Algorithm. Transm. Distrib. IEE Proc. Gener. 2000, 147, 349–354. [Google Scholar] [CrossRef]
- Das, D.B.; Patvardhan, C. Useful Multi-Objective Hybrid Evolutionary Approach to Optimal Power Flow. Transm. Distrib. IEE Proc. Gener. 2003, 150, 275–282. [Google Scholar] [CrossRef]
- Masoum, M.A.S.; Ladjevardi, M.; Jafarian, A.; Fuchs, E.F. Optimal Placement, Replacement and Sizing of Capacitor Banks in Distorted Distribution Networks by Genetic Algorithms. IEEE Trans. Power Deliv. 2004, 19, 1794–1801. [Google Scholar] [CrossRef]
- Back, T.; Fogel, D.B.; Michalewicz, Z. (Eds.) Basic Algorithms and Operators, 1st ed.; IOP Publishing Ltd.: Bristol, UK, 1999. [Google Scholar]
- Korovkin, N.V.; Vu, Q.S.; Yazenin, R.A. A Method for Minimization of Unbalanced Mode in Three-Phase Power Systems. In Proceedings of the 2016 IEEE NW Russia Young Researchers in Electrical and Electronic Engineering Conference (EIConRusNW), St. Petersburg, Russia, 2–3 February 2016; pp. 611–614. [Google Scholar] [CrossRef]
- Fernandes, C.M.M. Unbalance between Phases and Joule’s Losses in Low Voltage Electric Power Distribution Networks. p. 9. Available online: https://fenix.tecnico.ulisboa.pt/downloadFile/395142112117/Resumo%20Alargado%20Carlos%20Fernandes.pdf (accessed on 15 February 2019).
- Fernandez, J.; Bacha, S.; Riu, D.; Turker, H.; Paupert, M. Current Unbalance Reduction in Three-Phase Systems Using Single Phase PHEV Chargers. In Proceedings of the 2013 IEEE International Conference on Industrial Technology (ICIT), Cape Town, South Africa, 25–28 February 2013; pp. 1940–1945. [Google Scholar] [CrossRef]






| Mean | Std | Min | 25% | 50% | 75% | Max | Statistic | p Value | |
|---|---|---|---|---|---|---|---|---|---|
| Test 00 | 0.00489 | 0.00350 | 1.14 × 10−5 | 0.00194 | 0.00430 | 0.00724 | 0.01591 | 2.38719 | 0.016977 |
| Test 01 | 0.00572 | 0.00414 | 1.01 × 10−5 | 0.00237 | 0.00496 | 0.00846 | 0.01938 | 3.23993 | 0.001195 |
| Test 02 | 0.00209 | 0.00027 | 0.00167 | 0.00186 | 0.00205 | 0.00228 | 0.00287 | 5.47075 | 4.48 × 10−8 |
| Test 03 | 0.00015 | 0.00028 | 9.38 × 10−8 | 4.57 × 10−5 | 9.85 × 10−5 | 0.00018 | 0.00529 | −4.69619 | 2.65 × 10−6 |
| Test 04 | 0.00343 | 0.00246 | 1.08 × 10−5 | 0.00144 | 0.00296 | 0.00508 | 0.01125 | −5.6259 | 1.84 × 10−8 |
| Test 05 | 0.00178 | 0.00023 | 0.00142 | 0.00159 | 0.00175 | 0.00195 | 0.00241 | −5.83359 | 5.42 × 10−9 |
| Test 06 | 0.05586 | 0.01114 | 0.02464 | 0.04779 | 0.05540 | 0.06339 | 0.09113 | 5.69187 | 1.25 × 10−8 |
© 2019 by the authors. Licensee MDPI, Basel, Switzerland. This article is an open access article distributed under the terms and conditions of the Creative Commons Attribution (CC BY) license (http://creativecommons.org/licenses/by/4.0/).
Share and Cite
Rao, B.V.; Kupzog, F.; Kozek, M. Three-Phase Unbalanced Optimal Power Flow Using Holomorphic Embedding Load Flow Method. Sustainability 2019, 11, 1774. https://doi.org/10.3390/su11061774
Rao BV, Kupzog F, Kozek M. Three-Phase Unbalanced Optimal Power Flow Using Holomorphic Embedding Load Flow Method. Sustainability. 2019; 11(6):1774. https://doi.org/10.3390/su11061774
Chicago/Turabian StyleRao, Bharath Varsh, Friederich Kupzog, and Martin Kozek. 2019. "Three-Phase Unbalanced Optimal Power Flow Using Holomorphic Embedding Load Flow Method" Sustainability 11, no. 6: 1774. https://doi.org/10.3390/su11061774
APA StyleRao, B. V., Kupzog, F., & Kozek, M. (2019). Three-Phase Unbalanced Optimal Power Flow Using Holomorphic Embedding Load Flow Method. Sustainability, 11(6), 1774. https://doi.org/10.3390/su11061774

