A Bidirectional Power Charging Control Strategy for Plug-in Hybrid Electric Vehicles
Abstract
1. Introduction
1.1. Motivation
1.2. Literature Survey and Contributions
2. Principles of Bidirectional Power Flow
3. Control Strategy and Power System Modeling
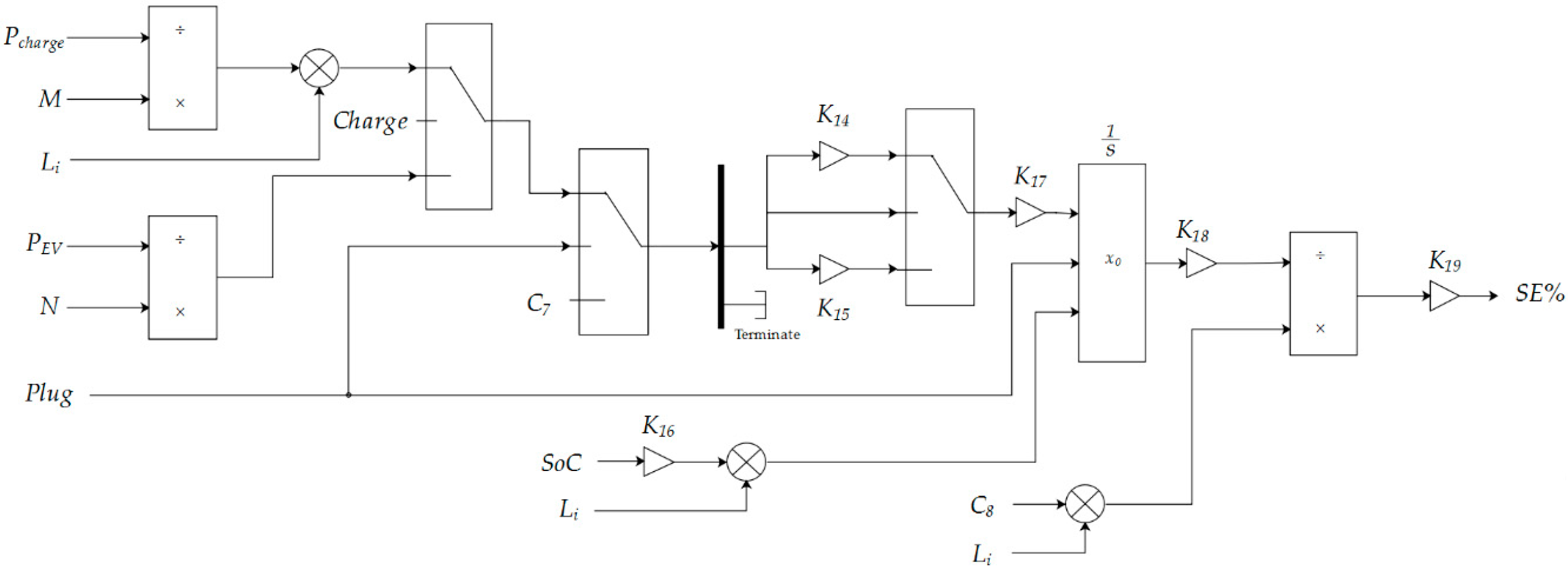
3.1. Bidirectional Charging Station
3.2. Converter Station Control Systems
3.2.1. Grid Regulation Mode
3.2.2. Charge Mode
3.3. Diesel Generator
3.4. Wind Farm
3.5. Loads
3.6. Power Transformers
3.7. Power System Modeling
4. Results and Discussions
4.1. V2G Mode is Deactivated
4.2. V2G Mode is Activated
5. Conclusions
Author Contributions
Funding
Conflicts of Interest
References
- Mohammadi, F. Design and Electrification of an Electric Vehicle Using Lithium-ion Batteries. In Proceedings of the 3rd International Conference on Electrical Engineering, Tehran, Iran, 7 September 2018. [Google Scholar]
- Mohammadi, F. Electric Vehicle Battery Market Analysis: Lead Acid. In Proceedings of the 9th Iranian Conference on Electrical and Electronics Engineering (ICEEE), Gonabad, Iran, 28 August 2018. [Google Scholar]
- Mohammadi, F. Electric Vehicle Battery Market Analysis: Nickel Metal Hydride. In Proceedings of the 9th Iranian Conference on Electrical and Electronics Engineering (ICEEE), Gonabad, Iran, 28 August 2018. [Google Scholar]
- Mohammadi, F. Electric Vehicle Battery Market Analysis: Lithium-ion. In Proceedings of the 1st International Conference on Modern Approaches in Engineering Science (ICMAES), Tbilisi, Georgia, 21 November 2018. [Google Scholar]
- Mohammadi, F. Analysis and Electrification of the Solar-Powered Electric Vehicle. In Proceedings of the 5th Iranian Conference and Exhibition on Solar Energy (ICESE), Tehran, Iran, 18–21 August 2018. [Google Scholar]
- Mohammadi, F. Research in the Past, Present and Future Solar Electric Aircraft. J. Sol. Energy Res. 2018, 3, 237–248. [Google Scholar]
- Mohammadi, F. Design, Analysis, and Electrification of a Solar-Powered Electric Vehicle. J. Sol. Energy Res. 2018, 3, 293–299. [Google Scholar]
- Mohammadi, F. Hybridization of an Electric Vehicle Using Lithium-ion Batteries. In Proceedings of the 1st International Conference on Modern Approaches in Engineering Science (ICMAES), Tbilisi, Georgia, 21 November 2018. [Google Scholar]
- Bauer, P.; Zhou, Y.; Doppler, J.; Stembridge, N. Charging of Electric Vehicles and Impact on the Grid. In Proceedings of the 13th Mechatronika, Trencianske Teplice, Slovakia, 2–4 June 2010. [Google Scholar]
- Dharmakeerthi, C.; Mithulananthan, H.N.; Saha, T.K. Modeling and Planning of EV Fast Charging Station in Power Grid. In Proceedings of the IEEE Power and Energy Society General Meeting, San Diego, CA, USA, 22–26 July 2012. [Google Scholar]
- Ding, M.; Zhang, Y.; Mao, M. Key Technologies for Microgrids—A Review. In Proceedings of the International Conference on Sustainable Power Generation and Supply, Nanjing, China, 6–7 April 2009. [Google Scholar]
- Pourbabak, H.; Kazemi, A. A New Technique for Islanding Detection Using Voltage Phase Angle of Inverter-Based DGs. Int. J. Electr. Power Energy Syst. 2014, 57, 198–205. [Google Scholar] [CrossRef]
- Chen, D.; Xu, L. Autonomous DC Voltage Control of a DC Microgrid with Multiple Slack Terminals. IEEE Trans. Power Syst. 2012, 27, 1897–1905. [Google Scholar] [CrossRef]
- Liu, X.; Wang, P.; Loh, P.C. A Hybrid AC/DC Micro-Grid. In Proceedings of the Conference International Power Engineering Conference (IPEC), Singapore, 27–29 October 2010. [Google Scholar]
- Wang, P.; Liu, X.; Jin, C.; Loh, P.; Choo, F. A Hybrid AC/DC Micro-Grid Architecture, Operation and Control. In Proceedings of the IEEE Power and Energy Society General Meeting, San Diego, CA, USA, 24–29 July 2011. [Google Scholar]
- Kakigano, H.; Miura, Y.; Ise, T. Low-Voltage Bipolar Type DC Microgrid for Super High Quality Distribution. IEEE Trans. Power Electron. 2010, 25, 3066–3075. [Google Scholar] [CrossRef]
- Mohammadi, F. Power Management Strategy in Multi-Terminal VSC-HVDC System. In Proceedings of the 4th National Conference on Applied Research in Electrical, Mechanical Computer and IT Engineering, Tehran, Iran, 4 October 2018. [Google Scholar]
- Mohammadi, F.; Zheng, C. Stability Analysis of Electric Power System. In Proceedings of the 4th National Conference on Technology in Electrical and Computer Engineering, Tehran, Iran, 27 December 2018. [Google Scholar]
- Xu, L.; Chen, D. Control and Operation of a DC Microgrid with Variable Generation and Energy Storage. IEEE Trans. Power Deliv. 2011, 26, 2513–2522. [Google Scholar] [CrossRef]
- Liu, X.; Wang, P.; Loh, P.C. A Hybrid AC/DC Microgrid and Its Coordination Control. IEEE Trans. Smart Grid 2011, 2, 278–286. [Google Scholar]
- Nejabatkhah, F.; Li, Y.W. Overview of Power Management Strategies of Hybrid AC/DC Microgrid. IEEE Trans. Power Electron. 2014, 30, 7072–7089. [Google Scholar] [CrossRef]
- Lu, X.; Guerrero, J.M.; Sun, K.; Vasquez, J.C. An Improved Droop Control Method for DC Microgrids Based on Low Bandwidth Communication with DC Bus Voltage Restoration and Enhanced Current Sharing Accuracy. IEEE Trans. Power Electron. 2014, 29, 1800–1812. [Google Scholar] [CrossRef]
- Sahoo, S.; Zhang, C.; Pullaguram, D.R.; Mishra, S.; Wu, J.; Senroya, N. Investigation of Distributed Cooperative Control for DC Microgrids in Different Communication Medium. Energy Procedia 2017, 142, 2218–2223. [Google Scholar] [CrossRef]
- Varghese, A.; Chandran, L.R.; Rajendran, A. Power Flow Control of Solar PV Based Islanded Low Voltage DC Microgrid with Battery Management System. In Proceedings of the IEEE 1st International Conference on Power Electronics, Intelligent Control and Energy Systems (ICPEICES), Delhi, India, 4–6 July 2016. [Google Scholar]
- Guerrero, J.M.; Vasquez, J.C.; Matas, J.; de Vicuna, L.G.; Castilla, M. Hierarchical Control of Droop-Controlled AC and DC Microgrids-A General Approach Toward Standardization. IEEE Trans. Ind. Electron. 2010, 58, 158–172. [Google Scholar] [CrossRef]
- Vasquez, J.C.; Guerrero, J.M.; Miret, J.; Castilla, M.; de Vicuna, L.G. Hierarchical Control of Intelligent Microgrids. IEEE Ind. Electron. Mag. 2010, 4, 23–29. [Google Scholar] [CrossRef]
- Meng, L.; Savaghebi, M.; Andrade, F.; Vasquez, J.C.; Guerrero, J.M.; Graells, M. Microgrid Central Controller Development and Hierarchical Control Implementation in the Intelligent Microgrid Lab of Aalborg University. In Proceedings of the IEEE Applied Power Electronics Conference and Exposition (APEC), Charlotte, NC, USA, 15–19 March 2015. [Google Scholar]
- Unamuno, E.; Barrena, J.A. Hybrid AC/DC Microgrids-Part II: Review and Classification of Control Strategies. Renew. Sustain. Energy Rev. 2015, 52, 1123–1134. [Google Scholar] [CrossRef]
- Feng, X.; Shekhar, A.; Yang, F.; Hebner, R.E.; Bauer, P. Comparison of Hierarchical Control and Distributed Control for Microgrid. Electr. Power Compon. Syst. 2017, 45, 1043–1056. [Google Scholar] [CrossRef]
- Marzal, S.R.; González-Medina, R.; Salas-Puente, R.; Figueres, E.; Garcerá, G. A Novel Locality Algorithm and Peer-to-Peer Communication Infrastructure for Optimizing Network Performance in Smart Microgrids. Energies 2017, 10, 1275. [Google Scholar]
- Kaura, A.; Kaushalb, J.; Basakc, P. A Review on Microgrid Central Controller. Renew. Sustain. Energy Rev. 2016, 55, 338–345. [Google Scholar] [CrossRef]
- Begum, M.; Abuhilaleh, M.; Li, L.; Zhu, J. Distributed Secondary Voltage Regulation for Autonomous Microgrid. In Proceedings of the 20th International Conference on Electrical Machines and Systems (ICEMS), Sydney, Australia, 11–14 August 2017. [Google Scholar]
- Wu, D.; Tang, F.; Dragicevic, T.; Guerrero, J.M.; Vasquez, J.C. Coordinated Control Based on Bus-Signaling and Virtual Inertia for Islanded DC Microgrids. IEEE Trans. Smart Grid 2015, 6, 2627–2638. [Google Scholar] [CrossRef]
- Shi, D.; Chen, X.; Wang, Z.; Zhang, X.; Yu, Z.; Wang, X.; Bian, D. A Distributed Cooperative Control Framework for Synchronized Reconnection of a Multi-Bus Microgrid. IEEE Trans. Smart Grid 2018, 9, 6646–6655. [Google Scholar] [CrossRef]
- Dou, C.; Zhang, Z.; Yue, D.; Zheng, Y. MAS-Based Hierarchical Distributed Coordinate Control Strategy of Virtual Power Source Voltage in Low-Voltage Microgrid. IEEE Access 2017, 5, 11381–11390. [Google Scholar] [CrossRef]
- Bidram, A.; Lewis, F.L.; Davoudi, A. Distributed Control Systems for Small-Scale Power Networks: Using Multiagent Cooperative Control Theory. IEEE Control Syst. Mag. 2014, 34, 56–77. [Google Scholar]
- Fernandez, L.P.; San Roman, T.G.; Cossent, R.; Domingo, C.M.; Frias, P. Assessment of the Impact of Plug-in Electric Vehicles on Distribution Networks. IEEE Trans. Power Syst. 2011, 26, 206–213. [Google Scholar] [CrossRef]
- Ying, H.H.; Han, H.J.; Jun, W.X.; Qi, T.W. Optimal Control Strategy of Vehicle-To-Grid for Modifying the Load Curve Based on Discrete Particle Swarm Algorithm. In Proceedings of the 4th International Conference on Electric Utility Deregulation and Restructuring and Power Technologies (DRPT), Weihai, China, 6–9 July 2011. [Google Scholar]
- Jiang, B.; Fei, Y. Decentralized Scheduling of PEV On-Street Parking and Charging for Smart Grid Reactive Power Compensation. In Proceedings of the IEEE PES Innovative Smart Grid Technologies Conference (ISGT), Washington, DC, USA, 24–27 Feberuary 2013. [Google Scholar]
- Falahi, M.; Chou, H.M.; Ehsani, M.; Xie, L.K.L. Butler-Purry, Potential Power Quality Benefits of Electric Vehicles. IEEE Trans. Sustain. Energy 2013, 4, 1016–1023. [Google Scholar]
- Bao, K.; Li, S.; Zheng, H. Battery Charge and Discharge Control for Energy Management in EV and Utility Integration. In Proceedings of the IEEE Power and Energy Society General Meeting, San Diego, CA, USA, 22–26 July 2012. [Google Scholar]
- Kisacikoglu, M.C.; Ozpineci, B.; Tolbert, L.M. Examination of a PHEV Bidirectional Charger System for V2G Reactive Power Compensation. In Proceedings of the Twenty-Fifth Annual IEEE Applied Power Electronics Conference and Exposition (APEC), Palm Springs, CA, USA, 21–25 Feberuary 2010. [Google Scholar]
- Ferreira, R.J.; Miranda, L.M.; Araújo, R.E.; Lopes, J.P. A New Bi-Directional Charger for Vehicle-to-Grid Integration. In Proceedings of the 2nd IEEE PES International Conference and Exhibition on Innovative Smart Grid Technologies, Manchester, UK, 5–7 December 2011. [Google Scholar]
- Kadurek, P.; Ioakimidis, C.; Ferrao, P. Electric Vehicles and Their Impact to the Electric Grid in Isolated Systems. In Proceedings of the International Conference on Power Engineering, Energy and Electrical Drives, Lisbon, Portugal, 18–20 March 2009. [Google Scholar]
- Onar, O.; Khaligh, A. Grid Interactions and Stability Analysis of a Distributed Network with Plug-in Hybrid Electric Vehicle Loads. In Proceedings of the 25th Annual IEEE Applied Power Electronics Conference and Exposition (APEC), Palm Springs, CA, USA, 21–25 Feberuary 2010. [Google Scholar]
- Erb, D.C.; Onar, O.; Khaligh, A. Bi-directional Charging Topologies for Plug-in Hybrid Electric Vehicles. In Proceedings of the 25th Annual IEEE Applied Power Electronics Conference and Exposition (APEC), Palm Springs, CA, USA, 21–25 Feberuary 2010. [Google Scholar]
- Musavi, F.; Edington, M.; Eberle, W.; Dunford, W.G. Energy Efficiency in Plug-in Hybrid Electric Vehicle Chargers: Evaluation and Comparison of Front End AC-DC Topologies. In Proceedings of the IEEE Energy Conversion Congress and Exposition, Phoenix, AZ, USA, 17–22 September 2011. [Google Scholar]
- Musavi, F.; Eberle, W.; Dunford, W.G. A Phase Shifted Semi-Bridgeless Boost Power Factor Corrected Converter for Plug in Hybrid Electric Vehicle Battery Chargers. In Proceedings of the 26th Annual IEEE Applied Power Electronics Conference and Exposition (APEC), Fort Worth, TX, USA, 6–11 March 2011. [Google Scholar]
- Musavi, F.; Eberle, W.; Dunford, W.G. A High-Performance Single-Phase Bridgeless Interleaved PFC Converter for Plug-in Hybrid Electric Vehicle Battery Chargers. IEEE Trans. Ind. Appl. 2011, 47, 1833–1843. [Google Scholar] [CrossRef]
- Sahu, B.; Rincon-Mora, G.A. A Low Voltage, Dynamic, Noninverting, Synchronous Buck-Boost Converter for Portable Applications. IEEE Trans. Power Electron. 2004, 19, 443–452. [Google Scholar] [CrossRef]
- Huang, P.C.; Wu, W.Q.; Ho, H.H.; Chen, K.H. Hybrid Buck-Boost Feedforward and Reduced Average Inductor Current Techniques in Fast Line Transient and High-Efficiency Buck-Boost Converter. IEEE Trans. Power Electron. 2010, 25, 719–730. [Google Scholar] [CrossRef]
- Waffler, S.; Kolar, J.W. A Novel Low-Loss Modulation Strategy for High-Power Bidirectional Buck + Boost Converters. IEEE Trans. Power Electron. 2009, 24, 1589–1599. [Google Scholar] [CrossRef]
- Camara, M.B.; Gualous, H.; Gustin, F.; Berthon, A.; Dakyo, B. DC/DC Converter Design for Supercapacitor and Battery Power Management in Hybrid Vehicle Applications-Polynomial Control Strategy. IEEE Trans. Ind. Electron. 2010, 57, 587–597. [Google Scholar] [CrossRef]
- Ghanem, M.C.; Al-Haddad, K.; Roy, G. A New Control Strategy to Achieve Sinusoidal Line Current in A Cascade Buck-Boost Converter. IEEE Trans. Ind. Electron. 1996, 43, 441–449. [Google Scholar] [CrossRef]
- Gabriault, M.; Notman, A. A High Efficiency, Noninverting, Buck-Boost DC-DC Converter. In Proceedings of the 19th Annual IEEE Applied Power Electronics Conference and Exposition, Anaheim, CA, USA, 22–26 Feberuary 2004. [Google Scholar]
- Midya, P.; Haddad, K.; Miller, M. Buck or Boost Tracking Power Controller. IEEE Power Electron. Lett. 2004, 2, 131–134. [Google Scholar] [CrossRef]
- Hwu, K.I.; Yau, Y.T. Two Types of KY Buck-Boost Converters. IEEE Trans. Ind. Electron. 2009, 56, 2970–2980. [Google Scholar] [CrossRef]
- Xu, D.; Zhao, C.; Fan, H. A PWM Plus Phase-Shift Control Bidirectional DC-DC Converter. IEEE Trans. Power Electron. 2004, 19, 666–675. [Google Scholar] [CrossRef]
- Gang, M.; Yuanyuan, L.; Wenlong, Q. A Novel Soft Switching Bidirectional DC/DC Converter and Its Output Characteristic. In Proceedings of the IEEE Region 10 Conference, Hong Kong, China, 14–17 November 2006. [Google Scholar]
- Krismer, F.; Biela, J.; Kolar, J.W. A Comparative Evaluation of Isolated Bi-directional DC/DC Converters with Wide Input and Output Voltage Range. In Proceedings of the 14th IAS Annual Meeting on Conference Record of the 2005 Industry Applications Conference, Hong Kong, China, 2–6 October 2005; IEEE: Piscataway, NJ, USA, 2005. [Google Scholar]
- Tsuruta, Y.; Ito, Y.; Kawamura, A. Snubber-Assisted Zero-Voltage and Zero-Current Transition Bilateral Buck and Boost Chopper for EV Drive Application and Test Evaluation at 25 kW. IEEE Trans. Ind. Electron. 2009, 56, 4–11. [Google Scholar] [CrossRef]
- Jung, D.Y.; Hwang, S.H.; Ji, Y.H.; Lee, J.H.; Jung, Y.C.; Won, C.Y. Soft-Switching Bidirectional DC/DC Converter with a LC Series Resonant Circuit. IEEE Trans. Power Electron. 2013, 28, 1680–1690. [Google Scholar] [CrossRef]
- Wu, H.; Lu, J.; Shi, W.; Xing, Y. Nonisolated Bidirectional DC-DC Converters with Negative-Coupled Inductor. IEEE Trans. Power Electron. 2012, 27, 2231–2235. [Google Scholar] [CrossRef]
- Do, H.L. Nonisolated Bidirectional Zero-Voltage-Switching DC-DC Converter. IEEE Trans. Power Electron. 2011, 26, 2563–2569. [Google Scholar] [CrossRef]
- Arancibia, A.; Strunz, K. Modeling of an Electric Vehicle Charging Station for Fast DC Charging. In Proceedings of the IEEE International Electric Vehicle Conference, Greenville, SC, USA, 4–8 March 2012. [Google Scholar]
- Aggeler, D.; Canales, F.; Parra, H.Z.D.L.; Coccia, A.; Butcher, N.; Apeldoorn, O. Ultra-Fast DC-Charge Infrastructures for EV-Mobility and Future Smart Grids. In Proceedings of the IEEE PES Innovative Smart Grid Technologies Conference Europe (ISGT Europe), Gothenberg, Sweden, 11–13 October 2010. [Google Scholar]
- Gamboa, G.; Hamilton, C.; Kerley, R.; Elmes, S.; Arias, A.; Shen, J.; Batarseh, I. Control Strategy of a Multi-Port, Grid Connected, Direct-DC PV Charging Station for Plug-in Electric Vehicles. In Proceedings of the IEEE Energy Conversion Congress and Exposition, Phoenix, AZ, USA, 17–22 September 2010. [Google Scholar]
- Takagi, M.; Yamaji, K.; Yamamoto, H. Power System Stabilization by Charging Power Management of Plug-in Hybrid Electric Vehicles with LFC Signal. In Proceedings of the IEEE Vehicle Power and Propulsion Conference, Dearborn, MI, USA, 7–10 September 2009. [Google Scholar]
- Ota, Y.; Taniguchi, H.; Nakajima, T.K.; Liyanage, M.; Baba, J.; Yokoyama, A. Autonomous Distributed V2G (Vehicle-to-Grid) Considering Charging Request and Battery Condition. In Proceedings of the IEEE PES Innovative Smart Grid Technologies Conference Europe (ISGT Europe), Gothenberg, Sweden, 11–13 October 2010. [Google Scholar]
- Ota, Y.; Taniguchi, H.; Nakajima, T.; Liyanage, K.M.; Baba, J.; Yokoyama, A. Autonomous Distributed V2G (Vehicle-to-Grid) Satisfying Scheduled Charging. IEEE Trans. Smart Grid 2012, 3, 559–564. [Google Scholar] [CrossRef]
- Li, C.T.; Ahn, C.; Peng, H.; Sun, J. Synergistic Control of Plug-in Vehicle Charging and Wind Power Scheduling. IEEE Trans. Power Syst. 2013, 28, 1113–1121. [Google Scholar] [CrossRef]
- Yang, H.; Chung, C.Y.; Zhao, J. Application of Plug-in Electric Vehicles to Frequency Regulation Based on Distributed Signal Acquisition via Limited Communication. IEEE Trans. Power Syst. 2013, 28, 1017–1026. [Google Scholar] [CrossRef]
- Liu, H.; Hu, Z.; Song, Y.; Lin, J. Decentralized Vehicle-to-Grid Control for Primary Frequency Regulation Considering Charging Demands. IEEE Trans. Power Syst. 2013, 28, 3480–3489. [Google Scholar] [CrossRef]
- Masuta, T.; Yokoyama, A. Supplementary Load Frequency Control by Use of a Number of Both Electric Vehicles and Heat Pump Water Heaters. IEEE Trans. Smart Grid 2012, 3, 1253–1262. [Google Scholar] [CrossRef]
- Arya, Y.; Kumar, N.; Mathur, H.D. Automatic Generation Control in Multi Area Interconnected Power System by using HVDC Links. Int. J. Power Electron. Drive Syst. 2012, 2, 67. [Google Scholar] [CrossRef]
- Vachirasricirikul, S.; Ngamroo, I. Robust LFC in a Smart Grid with Wind Power Penetration by Coordinated V2G Control and Frequency Controller. IEEE Trans. Smart Grid 2014, 5, 371–380. [Google Scholar] [CrossRef]
- Jayakumar, A.; Chalmers, A.; Lie, T.T. Review of Prospects for Adoption of Fuel Cell Electric Vehicles in New Zealand. IET Electr. Syst. Transp. 2017, 7, 259–266. [Google Scholar] [CrossRef]
- Mathworks. 24-Hour Simulation of a Vehicle-to-Grid (V2G) System. Available online: https://www.mathworks.com/help/physmod/sps/examples/24-hour-simulation-of-a-vehicle-to-grid-v2g-system.html (accessed on 1 April 2019).




















| Parameter | Descriptions |
|---|---|
| Rated Power | 40 kW |
| Rated Capacity | 85 kWh |
| Rated Voltage | 50–600 VDC |
| System Efficiency | 90% |
| No. of cars (different profile) | 35, 25, 10, 20, 10 |
| Parameter | Value |
|---|---|
| C1, …, C5 and C7 | 0 |
| C6 | 1 |
| C8 | 85×103 |
| K1 | 2 |
| K2 | 4×103 |
| K3, K9, and K17 | -1 |
| K4, K7, K8, and K12 | e^(-j2π/3) |
| K5 and K10 | 1/3 |
| K6 and K11 | 2/3 |
| K13 and K18 | 1/3600 |
| K14 | 1/(90%) |
| K15 | 90% |
| K16 | 306×106 |
| K19 | 100 |
| Time | Diesel | Total Generation | Total Demand | Power Losses |
|---|---|---|---|---|
| Wind | ||||
| 00:00 a.m. | 3.3660 | 4.0660 | 3.8480 | 0.2180 |
| 0.7000 | ||||
| 01:00 a.m. | 5.3350 | 6.6650 | 6.1430 | 0.5220 |
| 1.3300 | ||||
| 02:00 a.m. | 5.4550 | 6.3890 | 5.9210 | 0.4680 |
| 0.9340 | ||||
| 03:00 a.m. | 5.3280 | 7.7740 | 7.2350 | 0.5390 |
| 2.4460 | ||||
| 04:00 a.m. | 5.1270 | 6.0610 | 5.6160 | 0.4450 |
| 0.9340 | ||||
| 05.00 a.m. | 4.3380 | 6.7640 | 6.0980 | 0.6660 |
| 2.4260 | ||||
| 06:00 a.m. | 6.1750 | 6.8025 | 6.3170 | 0.4855 |
| 0.6270 | ||||
| 07:00 a.m. | 6.8530 | 7.7860 | 7.1920 | 0.5940 |
| 0.9330 | ||||
| 08:00 a.m. | 7.8370 | 8.7710 | 8.0710 | 0.7000 |
| 0.9340 | ||||
| 09:00 a.m. | 8.8380 | 9.7720 | 8.9470 | 0.8250 |
| 0.9340 | ||||
| 10:00 a.m. | 8.9790 | 10.308 | 9.3830 | 0.9250 |
| 1.3290 | ||||
| 11:00 a.m. | 9.6030 | 10.538 | 9.6060 | 0.9320 |
| 0.9350 | ||||
| 12.00 p.m. | 7.4050 | 11.416 | 10.004 | 1.4120 |
| 4.0110 | ||||
| 01:00 p.m. | 9.0070 | 11.437 | 10.260 | 1.1770 |
| 2.4300 | ||||
| 02:00 p.m. | 10.140 | 11.470 | 10.370 | 1.1000 |
| 1.3300 | ||||
| 03:00 p.m. | 10.640 | 11.574 | 10.480 | 1.0940 |
| 0.9340 | ||||
| 04:00 p.m. | 10.910 | 11.844 | 10.700 | 1.1440 |
| 0.9340 | ||||
| 05.00 p.m. | 9.2090 | 11.638 | 10.430 | 1.2080 |
| 2.4290 | ||||
| 06:00 p.m. | 9.0070 | 11.436 | 10.260 | 1.1760 |
| 2.4290 | ||||
| 07:00 p.m. | 10.120 | 11.054 | 10.040 | 1.0140 |
| 0.9340 | ||||
| 08:00 p.m. | 9.4940 | 10.823 | 9.8260 | 0.9970 |
| 1.3290 | ||||
| 09:00 p.m. | 6.6540 | 10.664 | 9.3870 | 1.2770 |
| 4.0100 | ||||
| 10:00 p.m. | 8.3160 | 8.3250 | 8.1800 | 0.1480 |
| 0.0120 | ||||
| 11:00 p.m. | 6.8520 | 7.7860 | 7.1950 | 0.5910 |
| 0.9340 |
© 2019 by the authors. Licensee MDPI, Basel, Switzerland. This article is an open access article distributed under the terms and conditions of the Creative Commons Attribution (CC BY) license (http://creativecommons.org/licenses/by/4.0/).
Share and Cite
Mohammadi, F.; Nazri, G.-A.; Saif, M. A Bidirectional Power Charging Control Strategy for Plug-in Hybrid Electric Vehicles. Sustainability 2019, 11, 4317. https://doi.org/10.3390/su11164317
Mohammadi F, Nazri G-A, Saif M. A Bidirectional Power Charging Control Strategy for Plug-in Hybrid Electric Vehicles. Sustainability. 2019; 11(16):4317. https://doi.org/10.3390/su11164317
Chicago/Turabian StyleMohammadi, Fazel, Gholam-Abbas Nazri, and Mehrdad Saif. 2019. "A Bidirectional Power Charging Control Strategy for Plug-in Hybrid Electric Vehicles" Sustainability 11, no. 16: 4317. https://doi.org/10.3390/su11164317
APA StyleMohammadi, F., Nazri, G.-A., & Saif, M. (2019). A Bidirectional Power Charging Control Strategy for Plug-in Hybrid Electric Vehicles. Sustainability, 11(16), 4317. https://doi.org/10.3390/su11164317
