A New Topology of a Fast Proactive Hybrid DC Circuit Breaker for MT-HVDC Grids
Abstract
:1. Introduction
- The proposed topology of the HDCCB is based on the switching technique to minimize the costs of implementation and on-state switching losses, as well as interrupting the fault current in both directions. Also, in this topology, the polarity of the capacitor is based on the direction of fault current, which would lead to reducing the interruption time. Hence, it can be used in MT-HVDC systems.
- The proposed topology has reclosing and rebreaking capabilities without the need for an external power supply, which leads to reducing the overall cost.
- Improving the fault tolerance capability by increasing the maximum breaking current 0.25% compared to the conventional HDCCB, while having approximately the same total dissipated energy of the surge arrestor in the DC CB, and clearing the fault in 16 ms.
- The proposed topology limits the rate of rise of the voltage across the DC CB, reduces the on-state switching losses, and ensures an equal voltage distribution regardless of tolerances in the switching characteristics.
- The proposed topology can improve the overall performance of MT-HVDC systems and increase the reliability of the DC grids.
2. Configuration and Operation of the Proposed Hybrid DC Circuit Breaker
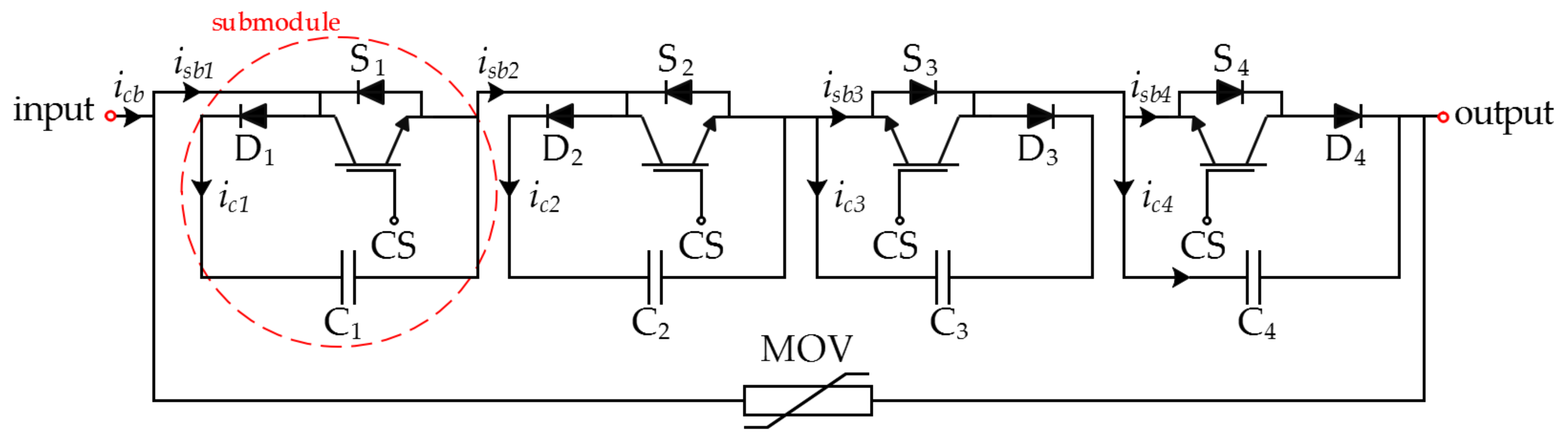
2.1. Configuration of the Proposed Hybrid DC Circuit Breaker
2.2. Principle Operation of the Proposed Hybrid DC Circuit Breaker
3. Design Parameters in the Proposed Hybrid DC Circuit Breaker
4. Results and Discussions
4.1. Simulation Results
4.1.1. Rated Current Interruption
4.1.2. Reverse Current Interruption
4.1.3. Reclosing and Rebreaking Capabilities
4.2. Comparison
5. Conclusions
Author Contributions
Funding
Conflicts of Interest
References
- Mohammadi, F.; Nazri, G.A.; Saif, M. A Fast Fault Detection and Identification Approach in Power Distribution Systems. In Proceedings of the IEEE 5th International Conference on Power Generation Systems and Renewable Energy Technologies (PGSRET), Istanbul, Turkey, 26–27 August 2019. [Google Scholar]
- Jiang, H.; Zhang, J.J.; Gao, W.; Wu, Z. Fault Detection, Identification, and Location in Smart Grid Based on Data-Driven Computational Methods. IEEE Trans. Smart Grid 2014, 5, 2947–2956. [Google Scholar]
- Mohammadi, F.; Zheng, C. Stability Analysis of Electric Power System. In Proceedings of the 4th National Conference on Technology in Electrical and Computer Engineering, Tehran, Iran, 27 December 2018. [Google Scholar]
- Bucher, M.K.; Franck, C.M. Analytic Approximation of Fault Current Contributions from Capacitive Components in HVDC Cable Networks. IEEE Trans. Power Deliv. 2015, 30, 74–81. [Google Scholar] [CrossRef]
- Shukla, A.; Demetriades, G.D. A Survey on Hybrid Circuit-Breaker Topologies. IEEE Trans. Power Deliv. 2015, 30, 627–641. [Google Scholar] [CrossRef]
- Hassanpoor, A.; Häfner, J.; Jacobson, B. Technical Assessment of Load Commutation Switch in Hybrid HVDC Breaker. IEEE Trans. Power Electron. 2015, 30, 5393–5400. [Google Scholar] [CrossRef]
- Belda, N.A.; Smeets, R.P.P. Test Circuits for HVDC Circuit Breakers. IEEE Trans. Power Deliv. 2017, 32, 285–293. [Google Scholar] [CrossRef]
- Kontos, E.; Pinto, R.T.; Rodrigues, S.; Bauer, P. Impact of HVDC transmission system topology on multiterminal DC network faults. IEEE Trans. Power Deliv. 2015, 30, 844–852. [Google Scholar] [CrossRef]
- Sneath, J.; Rajapakse, A.D. Fault Detection and Interruption in an Earthed HVDC Grid using ROCOV and Hybrid DC Breakers. IEEE Trans. Power Deliv. 2016, 31, 973–981. [Google Scholar] [CrossRef]
- Ahmed, N.; Ängquist, L.; Mehmood, S.; Antonopoulos, A.; Harnefors, L.; Norrga, S.; Nee, H.P. Efficient Modeling of an MMC-Based Multiterminal DC System Employing Hybrid HVDC Breakers. In Proceedings of the IEEE Power and Energy Society General Meeting (PESGM), Boston, MA, USA, 17–21 July 2016. [Google Scholar]
- Jovcic, D.; Taherbaneh, M.; Taisne, J.P.; Nguefeu, S. Offshore DC Grids as an Interconnection of Radial Systems: Protection and Control Aspects. IEEE Trans. Smart Grid 2015, 6, 903–910. [Google Scholar] [CrossRef]
- Cwikowski, O.; Barnes, M.; Shuttleworth, R.; Chang, B. Analysis and simulation of the proactive hybrid circuit breaker. In Proceedings of the 2015 IEEE 11th International Conference on Power Electronics and Drive Systems, Sydney, Australia, 9–12 June 2015. [Google Scholar]
- Wang, Y.; Marquardt, R. Future HVDC-Grids Employing Modular Multilevel Converters and Hybrid DC-Breakers. In Proceedings of the 15th European Conference on Power Electronics and Applications (EPE), Lille, France, 2–6 September 2013. [Google Scholar]
- Wang, Y.; Marquardt, R. A Fast Switching, Scalable DC-Breaker for Meshed HVDC-SuperGrids. In Proceedings of the International Exhibition and Conference for Power Electronics, Intelligent Motion, Renewable Energy and Energy Management, Nuremberg, Germany, 20–22 May 2014. [Google Scholar]
- Mokhberdoran, A.; Carvalho, A.; Leite, H.; Silva, N. A Review on HVDC Circuit Breakers. In Proceedings of the 3rd Renewable Power Generation Conference, Naples, Italy, 24–25 September 2014. [Google Scholar]
- Guo, Q.; Yoon, M.; Park, J.; Jang, G. Novel Topology of DC Circuit Breaker and Current Interruption in HVDC Networks. IEEJ Trans. Electr. Electron. Eng. 2017, 12, 465–473. [Google Scholar] [CrossRef]
- Tokoyoda, S.; Sato, M.; Kamei, K.; Yoshida, D.; Miyashita, M.; Kikuchi, K.; Ito, H. High Frequency Interruption Characteristics of VCB and Its Application to High Voltage DC Circuit Breaker. In Proceedings of the 3rd International Conference on Electric Power Equipment—Switching Technology, Busan, South Korea, 25–28 October 2015. [Google Scholar]
- Corzine, K.A. A New-Coupled-Inductor Circuit Breaker for DC Applications. IEEE Trans. Power Electron. 2017, 32, 1411–1418. [Google Scholar] [CrossRef]
- Keshavarzi, D.; Ghanbari, T.; Farjah, E. A Z-Source-Based Bidirectional DC Circuit Breaker with Fault Current Limitation and Interruption Capabilities. IEEE Trans. Power Electron. 2017, 32, 6813–6822. [Google Scholar] [CrossRef]
- Maqsood, A.; Overstreet, A.; Corzine, K.A. Modified Z-Source DC Circuit Breaker Topologies. IEEE Trans. Power Electron. 2016, 31, 7394–7403. [Google Scholar] [CrossRef]
- Mokhberdoran, A.; Carvalho, A.; Silva, N.; Leite, H.; Carrapatoso, A. A New Topology of Fast Solid-State HVDC Circuit Breaker for Offshore Wind Integration Applications. In Proceedings of the 17th European Conference on Power Electronics and Applications, Geneva, Switzerland, 8–10 September 2015. [Google Scholar]
- Häfner, J.; Jacobson, B. Proactive Hybrid HVDC Breakers—A Key Innovation for Reliable HVDC Grids. In Proceedings of the CIGRÉ International Symposium: Electric Power System of the Future—Integrating Supergrids and Microgrids, Bologna, Italy, 13–15 September 2011. [Google Scholar]
- Lin, W.; Jovcic, D.; Nguefeu, S.; Saad, H. Modelling of High-Power Hybrid DC Circuit Breaker for Grid-Level Studies. IET Power Electron. 2016, 9, 237–246. [Google Scholar] [CrossRef]
- Liu, G.; Xu, F.; Xu, Z.; Zhang, Z.; Tang, G. Assembly HVDC Breaker for HVDC Grids With Modular Multilevel Converters. IEEE Trans. Power Electron. 2017, 32, 931–941. [Google Scholar] [CrossRef]
- Feng, L.; Gou, R.; Yang, X.; Wang, F.; Zhuo, F.; Shi, S. A 320kV Hybrid HVDC Circuit Breaker Based on Thyristors Forced Current Zero Technique. In Proceedings of the IEEE Applied Power Electronics Conference and Exposition, Tampa, FL, USA, 26–30 March 2017. [Google Scholar]
- Kim, B.C.; Chung, Y.H.; Hwang, H.D.; Mok, H.S. Comparison of Inverse Current Injecting HVDC Circuit Breaker. In Proceedings of the 3rd International Conference on Electric Power Equipment—Switching Technology, Busan, South Korea, 25–28 October 2015. [Google Scholar]
- Mohammadi, F. Power Management Strategy in Multi-Terminal VSC-HVDC System. In Proceedings of the 4th National Conference on Applied Research in Electrical, Mechanical Computer and IT Engineering, Tehran, Iran, 4 October 2018. [Google Scholar]
- Mohammadi, F.; Nazri, G.A.; Saif, M. A Bidirectional Power Charging Control Strategy for Plug-in Hybrid Electric Vehicles. Sustainability 2019, 11, 4317. [Google Scholar] [CrossRef]
- Callavik, M.; Blomberg, A.; Häfner, J.; Jacobson, B. The Hybrid HVDC Breaker, an Innovation Breakthrough Enabling Reliable HVDC Grids. ABB Grid Syst. Tech. Pap. 2012, 361, 143–152. [Google Scholar]
- Liu, W.; Liu, F.; Zhuang, Y.; Zha, X.; Chen, C.; Yu, T. A Multiport Circuit Breaker-Based Multiterminal DC System Fault Protection. IEEE J. Emerg. Sel. Top. Power Electron. 2019, 7, 118–128. [Google Scholar] [CrossRef]

















| Operation Mode | Diode | IGBT | Capacitor |
|---|---|---|---|
| Mode 1: Power Receiving End | Bypass | No Action | Bypass |
| Mode 2: Power Sending End | Bypass | Conducted | Bypass |
| Mode 3: Shut Down | Accessing to the Circuit | Shut Down | Charging |
| Parameter | Value |
|---|---|
| 320 kV | |
| 0.001 Ω | |
| 100 mH |
| Parameter | Value |
|---|---|
| Capacitor () | 6.8 μF |
| Time delay of residual disconnector | 20 ms |
| Time delay of fast mechanical switch | 2 ms |
| Forward Breakover Voltage (IGBT) | 100 kV |
| Forward Breakover Voltage (Diode) | 100 kV |
© 2019 by the authors. Licensee MDPI, Basel, Switzerland. This article is an open access article distributed under the terms and conditions of the Creative Commons Attribution (CC BY) license (http://creativecommons.org/licenses/by/4.0/).
Share and Cite
Mohammadi, F.; Nazri, G.-A.; Saif, M. A New Topology of a Fast Proactive Hybrid DC Circuit Breaker for MT-HVDC Grids. Sustainability 2019, 11, 4493. https://doi.org/10.3390/su11164493
Mohammadi F, Nazri G-A, Saif M. A New Topology of a Fast Proactive Hybrid DC Circuit Breaker for MT-HVDC Grids. Sustainability. 2019; 11(16):4493. https://doi.org/10.3390/su11164493
Chicago/Turabian StyleMohammadi, Fazel, Gholam-Abbas Nazri, and Mehrdad Saif. 2019. "A New Topology of a Fast Proactive Hybrid DC Circuit Breaker for MT-HVDC Grids" Sustainability 11, no. 16: 4493. https://doi.org/10.3390/su11164493
APA StyleMohammadi, F., Nazri, G.-A., & Saif, M. (2019). A New Topology of a Fast Proactive Hybrid DC Circuit Breaker for MT-HVDC Grids. Sustainability, 11(16), 4493. https://doi.org/10.3390/su11164493
