A Novel Method of Protection to Prevent Reverse Power Flow Based on Neuro-Fuzzy Networks for Smart Grid
Abstract
1. Introduction
2. Brief Description of the Communications Infrastructure
3. Overview Communication Technology for Smart Grid
3.1. ZigBee
3.2. Wireless Local Area Network (WLAN)
3.3. Cellular Networks
3.4. Power Line Communication
4. Power System Protection
4.1. Reversed Power Flow Detection
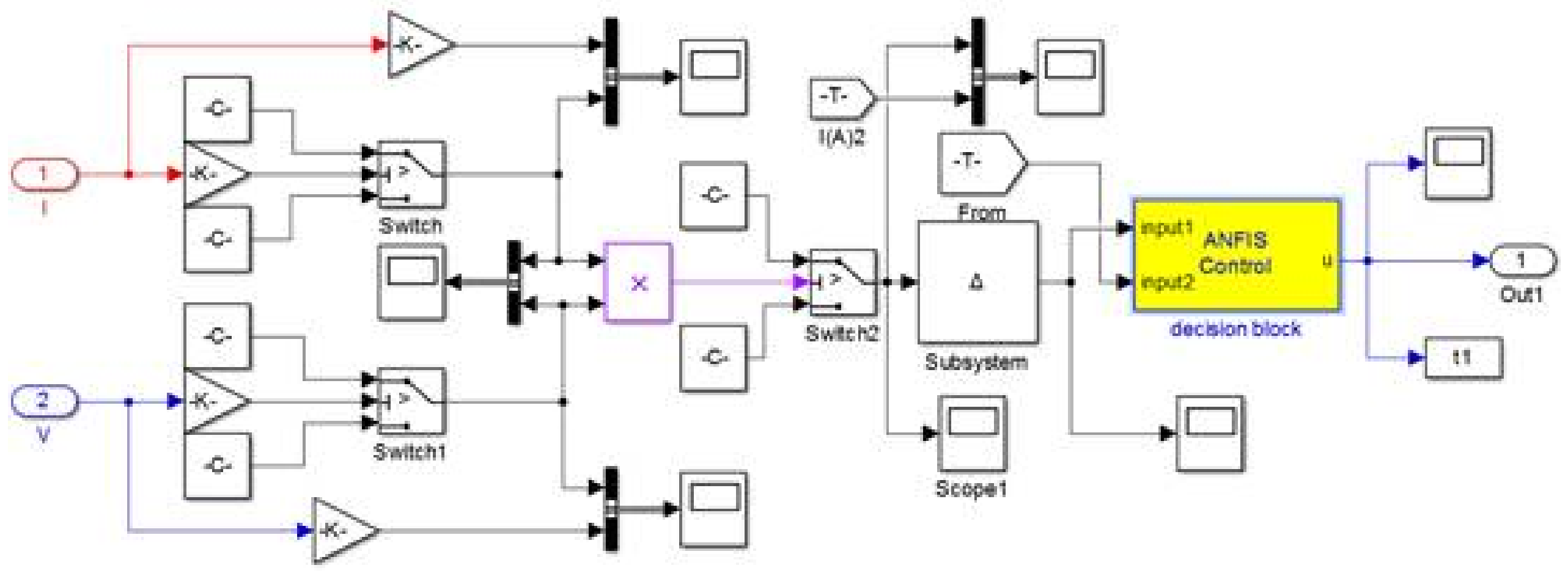
4.2. Implementation Neuro-Fuzzy Controller
4.3. ZigBee Based on Wireless Sensor Networks
- Setting up the network is very simple and easy.
- It does not have a central controller and loads are distributed evenly across the network.
- It is easy to monitor and control appliances from the remote.
- This will replace existing infrared technology-based devices. This will save the cost of battery replacement as ZigBee uses lithium batteries, which lasts for a long period of time.
- The network is scalable and it is easy to add/remove the ZigBee end device to/from the network.
5. Results & Discussion
5.1. Simulation Results of the Proposed Method
5.2. Simulation Results of the ZigBee WSN
- Low data rate,
- Low power consumption,
- Security and
- Reliability.
5.2.1. Throughput
5.2.2. Data Traffic Sent
5.2.3. Data Traffic Received
5.2.4. End-to-End Delay
5.2.5. Medium Access Control (MAC) Load
6. Conclusions
Acknowledgments
Author Contributions
Conflicts of Interest
Appendix A
| Set Point | Value |
|---|---|
| Range | ~2–20% reverse current |
| Time delay | Adjustable 0–20 s |
| Microgrid | Parameters | Value |
|---|---|---|
| Generator | Voltage | 11 k V L−L, S = 200 MVA |
| Transformer | Voltage | VP/VS (L−L) = 11 kV/220 kV |
| Frequency | 60 Hz | |
| Feeders | Line impedance | R = 0.02 X, L = 0.64 mH |
| 15 km Feeder | R/km = 0.4 Ω, X/km = 0.3 Ω | |
| Load | Dyn load | 10 MW, 3 MVAR |
References
- Abdulwahid, A.; Wang, S. Application of Differential Protection Technique of Domestic Solar Photovoltaic Based Microgrid. Int. J. Control Autom. 2016, 9, 371–386. [Google Scholar] [CrossRef]
- Khan, M.S.; Woo, M.; Nam, K.; Chathoth, P.K. Smart City and Smart Tourism: A Case of Dubai. Sustainability 2017, 9, 2279. [Google Scholar] [CrossRef]
- Amzucu, D.; Fledderus, E. Indoor radio propagation and interference in 2.4 GHz wireless sensor networks: Measurements and analysis. Wirel. Pers. Commun. 2014, 76, 245–269. [Google Scholar] [CrossRef]
- Baronti, P.; Pillai, P.; Chook, V.W.C.; Chesta, S.; Gotta, S.A.; Hu, Y.F. Wireless sensor networks: A survey on the state of the art and the 802.15.4 and ZigBee standards. Comput. Commun. 2007, 30, 1655–1695. [Google Scholar] [CrossRef]
- Akram, U.; Khalid, M.; Shafiq, S. Optimal sizing of a wind/solar/battery hybrid grid-connected microgrid system. IET Renew. Power Gener. 2018, 12, 72–80. [Google Scholar] [CrossRef]
- Llaria, A.; Terrasson, G.; Curea, O.; Jiménez, J. Application of Wireless Sensor and Actuator Networks to Achieve Intelligent Microgrids: A Promising Approach towards a Global Smart Grid Deployment. Appl. Sci. 2016, 6, 61. [Google Scholar] [CrossRef]
- Cagnetti, M.; Leccese, F.; Proietti, A. Energy saving project for heating system with ZigBee wireless control network. In Proceedings of the 11th International Conference on Environment and Electrical Engineering, Venice, Italy, 18–25 May 2012; pp. 580–585. [Google Scholar] [CrossRef]
- Mishra, B.C.; Panda, A.S.; Rout, N.K. A Novel Efficient Design of Intelligent Street Lighting Monitoring System Using ZigBee Network of Devices and Sensors on Embedded Internet Technology. In Proceedings of the 14th International Conference on Information Technology, Bhubaneswar, India, 21–23 December 2015; pp. 200–205. [Google Scholar] [CrossRef]
- Kaleem, Z.; Ahmad, I.; Lee, C. Smart and Energy Efficient LED Street Light Control System Using ZigBee Network. In Proceedings of the 12th International Conference on Frontiers of Information Technology, Islamabad, Pakistan, 17–19 December 2014; pp. 361–365. [Google Scholar] [CrossRef]
- Martinez-Sandoval, R.; Garcia-Sanchez, A.-J.; Garcia-Sanchez, F.; Garcia-Haro, J.; Flynn, D. A Comprehensive WSN-Based Approach to Efficiently Manage a Smart Grid. Sensors 2014, 14, 18748–18783. [Google Scholar] [CrossRef] [PubMed]
- Leccese, F.; Leonowicz, Z. Intelligent wireless street lighting system. In Proceedings of the 11th International Conference on Environment and Electrical Engineering, Venice, Italy, 18–25 May 2012; pp. 958–961. [Google Scholar] [CrossRef]
- Chen, K.-L.; Chen, Y.-R.; Tsai, Y.-P.; Chen, N. A Novel Wireless Multifunctional Electronic Current Transformer Based on ZigBee-Based Communication. IEEE Trans. Smart Grid 2017, 8, 1888–1897. [Google Scholar] [CrossRef]
- Berger, L.T.; Schwager, A.; Escudero-Garzás, J.J. Power line communications for smart grid applications. J. Electr. Comput. Eng. 2013, 2013, 712376. [Google Scholar] [CrossRef]
- Uribe-Pérez, N.; Angulo, I.; Vega, D.; Arzuaga, T.; Fernández, I.; Arrinda, A. Smart Grid Applications for a Practical Implementation of IP over Narrowband Power Line Communications. Energies 2017, 10, 1782. [Google Scholar] [CrossRef]
- Maw, H.A.; Xiao, H.; Christianson, B. A Survey of Access Control Models in Wireless Sensor Networks. J. Sens. Actuator Netw. 2014, 3, 150–180. [Google Scholar] [CrossRef]
- Callaway, E.; Gorday, P. Hester, Home networking with IEEE 802.15.4: A developing standard for low-rate wireless personal area networks. IEEE Commun. Mag. 2002, 40, 70–77. [Google Scholar] [CrossRef]
- Youn, M.; Lee, J. Topology control algorithm considering antenna radiation pattern in three-dimensional wireless sensor networks. Int. J. Distrib. Sens. Netw. 2014, 11. [Google Scholar] [CrossRef]
- Leccese, F.; Cagnetti, M.; Trinca, D. A Smart City Application: A Fully Controlled Street Lighting Isle Based on Raspberry-Pi Card, a ZigBee Sensor Network and WiMAX. Sensors 2014, 14, 24408–24424. [Google Scholar] [CrossRef] [PubMed]
- Pešović, U.; Mohorko, J. Hidden node avoidance mechanism for IEEE 802.15 4 wireless sensor networks. Electron. Compon. Mater. 2013, 43, 14–21. [Google Scholar]
- Ajay, M.L. Fundamentals of Cellular Network Planning and Optimization; Willey—Interacience Publication: Toronto, ON, Canada, 2004. [Google Scholar]
- Leccese, F.; Cagnetti, M.; Calogero, A.; Trinca, D.; di Pasquale, S.; Giarnetti, S.; Cozzella, L. A new acquisition and imaging system for environmental measurements: An experience on the Italian cultural heritage. Sensors 2014, 14, 9290–9312. [Google Scholar] [CrossRef] [PubMed]
- Qin, H.; Zhang, W. ZigBee-assisted power saving for more efficient and sustainable ad hoc networks. IEEE Trans. Wirel. Commun. 2013, 12, 6180–6193. [Google Scholar] [CrossRef]
- Leccese, F. Remote-control system of high efficiency and intelligent street lighting using a ZigBee network of devices and sensors. IEEE Trans. Power Deliv. 2013, 28, 21–28. [Google Scholar] [CrossRef]
- Shi, J.F.; Chen, M.; Yang, Z. Power control and performance analysis for full-duplex relay-assisted D2D communication underlaying fifth-generation cellular networks. IET Commun. 2017, 11, 2729–2734. [Google Scholar] [CrossRef]
- Sharaf, H.; Zeineldin, H.; El-Saadany, E. Protection Coordination for Microgrids With Grid-Connected and Islanded Capabilities Using Communication Assisted Dual Setting Directional Overcurrent Relays. IEEE Trans. Smart Grid 2018, 9, 143–151. [Google Scholar] [CrossRef]
- Ibrahim, M.E.; Abd-Elhady, A.M. Power frequency AC voltage measurement based on double wound Rogowski coil. IET High Volt. 2017, 2, 129–135. [Google Scholar] [CrossRef]
- Farjah, E.; Givi, H.; Ghanbari, T. Application of an Efficient Rogowski Coil Sensor for Switch Fault Diagnosis and Capacitor ESR Monitoring in Nonisolated Single-Switch DC-DC Converters. IEEE Trans. Power Electron. 2017, 32, 1442–1456. [Google Scholar] [CrossRef]
- Leccese, F.; Cagnetti, M.; Di Pasquale, S.; Giarnetti, S.; Caciotta, M. A new power quality instrument based on raspberry-pi. Electronics 2016, 5, 64. [Google Scholar] [CrossRef]
- Abdulwahid, A.; Wang, S. A Busbar differential protection based on fuzzy reasoning system and Rogowski-coil current sensor for microgrid. In Proceedings of the IEEE PES Asia-Pacific Power and Energy Engineering Conference, Xi’an, China, 25–28 October 2016; pp. 194–199. [Google Scholar] [CrossRef]
- Ibrahim, M.; Abd-Elhady, A.M. Differential Reconstruction Method for Power Frequency AC Current Measurement Using Rogowski Coil. IEEE Sens. 2016, 16, 8420–8425. [Google Scholar] [CrossRef]
- Aman, M.M.; Jasmon, G.B.; Khan, Q.A.; Abu Bakar, A.H.B.; Jamian, J.J. Modeling and simulation of reverse power relay for generator protection. In Proceedings of the IEEE International Power Engineering and Optimization Conference (PEDCO), Melaka, Malaysia, 6–7 June 2012; pp. 317–322. [Google Scholar]
- Ehrenberger, J.; Svec, J. Directional Overcurrent Relays Coordination Problems in Distributed Generation Systems. Energies 2017, 10, 1452. [Google Scholar] [CrossRef]
- Chan, Y.-K.; Gu, J.-C. Modeling of Turbine Cycles Using a Neuro-Fuzzy Based Approach to Predict Turbine-Generator Output for Nuclear Power Plants. Energies 2012, 5, 101–118. [Google Scholar] [CrossRef]
- Cervantes, J.; Salazar, S.; Chairez, I. Takagi-Sugeno Dynamic Neuro-Fuzzy Controller of Uncertain Nonlinear Systems. IEEE Trans. Fuzzy Syst. 2017, 25, 1601–1615. [Google Scholar] [CrossRef]
- Kermany, S.D.; Joorabian, M.; Deilami, S.; Mohammad, A.S. Masoum, Hybrid Islanding Detection in Microgrid with Multiple Connection Points to Smart Grids Using Fuzzy-Neural Network. IEEE Trans. Power Syst. 2017, 32, 2640–2651. [Google Scholar] [CrossRef]
- Abdulwahid, A.; Wang, S. A Novel Approach for Microgrid Protection Based upon Combined ANFIS and Hilbert Space-Based Power Setting. Energies 2016, 9, 1042. [Google Scholar] [CrossRef]
- Shahgoshtasbi, D.; Jamshidi, M.M. A New Intelligent Neuro-Fuzzy Paradigm for Energy-Efficient Homes. IEEE Syst. J. 2014, 8, 664–673. [Google Scholar] [CrossRef]
- Lin, W.M.; Hong, C.M.; Cheng, F.S. Fuzzy neural network output maximization control for sensorless wind energy conversion system. Energy 2015, 35, 592–601. [Google Scholar] [CrossRef]
- Garcia, P.; Garcia, C.A.; Fernandez, L.M.; Llorens, F.; Jurado, F. ANFIS-Based Control of a Grid-Connected Hybrid System Integrating Renewable Energies, Hydrogen and Batteries. IEEE Trans. Ind. Inform. 2014, 10, 1107–1117. [Google Scholar] [CrossRef]




















| Current Grid | Smart Grid | |
|---|---|---|
| Topology | Radial | Network |
| Optimizes assets and operates efficiently | Minimal integration of limited operational data with Asset Management processes and technologies. | Grid technologies deeply integrated with asset management processes to most effectively manage assets and costs. |
| Communication | None or One-way | Two-way |
| Power Supply Support | Centralized generation | Distributed generation |
| Power flow control | limited | Spared throughout |
| O&M | Manual monitoring | Remote monitoring |
| Restoration | Manual restoration | Self-healing |
| Resists attack | Failures and blackouts | Flexible for attack and natural disasters |
| Control | Limited | Pervasive |
| Meter Type | Electromechanical | Digital |
| Customer Interaction | Limited | Major |
| Δe(t) | e(t) | |||||||
| NL | NM | NS | ZR | PS | PM | PL | ||
| NL | PL | PL | PM | PM | PS | PS | ZR | |
| NM | PL | PM | PM | PS | PS | ZR | NS | |
| NS | PM | PM | PS | PS | ZR | NS | NS | |
| ZR | PM | PS | PS | ZR | NS | NS | NM | |
| PS | PS | PS | ZR | NS | NS | NM | NM | |
| PM | PS | ZR | NS | NS | NM | NM | NL | |
| PL | ZR | NS | NS | NM | NM | NL | NL | |
| Definition | Value |
|---|---|
| Test Zone (Radius) | ~100 m |
| Number of end devices | 8 |
| Number of routers | 6 |
| Number of coordinators | 1 |
| Mobility model | Random |
| Simulation duration | 1200 s |
© 2018 by the authors. Licensee MDPI, Basel, Switzerland. This article is an open access article distributed under the terms and conditions of the Creative Commons Attribution (CC BY) license (http://creativecommons.org/licenses/by/4.0/).
Share and Cite
Hadi Abdulwahid, A.; Wang, S. A Novel Method of Protection to Prevent Reverse Power Flow Based on Neuro-Fuzzy Networks for Smart Grid. Sustainability 2018, 10, 1059. https://doi.org/10.3390/su10041059
Hadi Abdulwahid A, Wang S. A Novel Method of Protection to Prevent Reverse Power Flow Based on Neuro-Fuzzy Networks for Smart Grid. Sustainability. 2018; 10(4):1059. https://doi.org/10.3390/su10041059
Chicago/Turabian StyleHadi Abdulwahid, Ali, and Shaorong Wang. 2018. "A Novel Method of Protection to Prevent Reverse Power Flow Based on Neuro-Fuzzy Networks for Smart Grid" Sustainability 10, no. 4: 1059. https://doi.org/10.3390/su10041059
APA StyleHadi Abdulwahid, A., & Wang, S. (2018). A Novel Method of Protection to Prevent Reverse Power Flow Based on Neuro-Fuzzy Networks for Smart Grid. Sustainability, 10(4), 1059. https://doi.org/10.3390/su10041059
