Abstract
This article presents an in-depth study of a dynamic wireless power transfer (DWPT) system used to charge electric vehicles (EVs), with a focus on modeling and controlling a double-D (DD) coil structure. The chosen DD coil design improves energy transfer efficiency and minimizes mutual coupling between adjacent transmit coils, a common problem in dynamic applications. A comprehensive mathematical model is developed to account for the nonlinear dynamics of the system, i.e., when the vehicle is moving and misalignments and coupling variations occur. A robust nonlinear control method based on sliding mode control (SMC) is implemented to ensure stable operation and accurate regulation of the output voltage. The controller is tested in different scenarios where the vehicle speed changes, thus ensuring its robustness and stability under all operating conditions. Particular attention is paid to the critical transition zone, in which the receiver coil is placed between two transmitter coils in order to achieve minimal magnetic coupling. The simulation results demonstrate that the proposed controller offers a fast dynamic response (~0.07 s) and stable voltage tracking, even in the event of significant variations in mutual inductance and different EV movement speeds. These results confirm the effectiveness of the control approach and its potential for real-time charging of electric vehicles in large-scale DWPT applications.
1. Introduction
The transition to sustainable mobility is now a strategic priority worldwide, driven by goals to reduce greenhouse gas emissions and dependence on fossil fuels. In this context, several countries have adopted national policies aimed at promoting the electrification of their vehicle fleets, particularly through tax incentives, investments in charging infrastructure, and support for technological innovation [1]. Morocco, for example, has launched a national electric mobility strategy in line with its climate commitments and its ambition to become a regional hub to produce electric vehicles and components [2]. the promotion of electric mobility and aims to reach more than 52% of renewable energy in the electricity mix by 2030.
Electric vehicles (EVs) are a green and hopeful prospect in the transportation sector. Part of the key hindrance to their widespread advertising, however, is the cost and limited lifespan of their batteries, which is directly correlated with the range of the car. In a bid to mitigate this issue and reduce the size of the battery and consequently the total cost, there is a need to possess a high density of charging points [3]. But this plan introduces a new constraint: charging time. Charging time is largely determined by the capacity of the EV battery and the power output of the charger station. To illustrate, charging a 40 kWh battery using a 3.7 kW home charger would take around 11 h. There are two types of recharging: conduction (by cable) and induction (without cable), and two types of current for recharging by cable: alternating current (AC) and direct current (DC).
Every time the power of the charging station is increased, there is a risk of electrocution, which is dangerous for users. With wireless charging, however, the system is less exposed to degradation and wear [4]. Compared to conventional wired charging systems, wireless charging offers notable advantages such as automated operation, reduced mechanical wear, and enhanced safety by eliminating exposed conductive parts. This minimizes user intervention and potential hazards in wet or public environments. However, wireless systems still face certain limitations, including lower energy efficiency and higher installation costs [5]. These trade-offs reinforce the need for ongoing research to improve the performance and reliability of dynamic wireless charging solutions for electric vehicles [6].
The origin of the WPT concept can be traced back to the late 19th century, with the pioneering work of Nikola Tesla [7]. The past few years have seen significant progress in the implementation of WPT systems, especially in the practical application of WPT systems [8]. According to [9], the progress in the fields of electromagnetic wave propagation, power electronics, and materials science has enabled the design of highly efficient and reliable WPT systems.
Wireless Power Transfer (WPT) refers to an advanced method of transmitting electrical energy through electromagnetic fields, eliminating the need for wired interconnections between the transmitter and receiver units. Its rise in popularity in recent years can be attributed to growing technological requirements for efficient, compact, and seamless energy delivery systems.
There are two possible cases for WPT induction charging of EVs: The first case, static WPT charging, can be used when the electric vehicle remains in a parking lot, garage, or traffic light for a certain period. This period can be used to charge the electric vehicle’s battery to improve its autonomy [10,11].
The second case is a dynamic charge or electric highway (see Figure 1). In this case, the car is on the move, so we can cancel the recharging time of EVs at recharging stations, so the battery will not be discharged anymore. It would therefore be possible to travel at high speed from one city to another without needing to recharge. If the car is on this electrified highway, the vehicle would take over the current from the battery [12,13].
Figure 1.
The concept of DWPT charging for electric vehicles.
The SAEJ2954 standard covers various aspects of wireless charging, such as power levels, coil shapes, types of reactive energy compensation, coil alignment, foreign object detection, and communications protocols between the EV and the ground charging station [14].
To ensure safer, more reliable operation of the WPT charger, it is crucial to guarantee efficient data exchange and communication between the charger and the EV, such as the time of vehicle presence, vehicle type, and alignment of the transmitting coil with the receiving coil [11]. This enables energy to be transferred to the receiver coil, and consequently, the charge of the vehicle, with high efficiency [15]. Indeed, incorrect alignment between coils leads to mutual inductance losses, which play a crucial role in transferring high power with lower losses [16]. In feedback control systems, late or inconsistent communication can lead to problems with the EV battery and reduced efficiency of the WPT charger.
From an economic standpoint, DWPT implementations are currently estimated to cost between 1.1 and 2.3 million USD per km, depending on coil layout, power electronics, and road integration method [17]. To reduce idle losses when no vehicles are present, it is recommended to use segment-based activation triggered by vehicle detection systems, which ensures power delivery only when needed [18].
In terms of charging performance, an analytical study indicates that leveraging 5–10% of an urban road network for DWPT could allow an EV (e.g., Nissan Leaf) to gain ~10% battery capacity every 40 km driven [19]. Based on these results, about 1.5 to 2.5 km of DWPT infrastructure is needed to realize a 10% charge on a 60 kWh battery at assumed transfer powers of 20–40 kW and operating speeds of 60–80 km/h.
Among the key parameters for improving this charging system and reducing its cost per kilometer, the type of coil and the control strategy play a crucial role in optimizing performance and energy efficiency.
In this study, we focus on WPT control. According to the literature, it has been observed that the control is accomplished in three different ways: some researchers have carried out controls on the primary side located on the ground, others have carried out controls on the electric vehicle side, in particular on the electric vehicle battery current, and others have carried out simultaneous controls on both sides [20].
Among the various research activities on this topic, part of the work, such as that presented in [21], proposes a solution to add power control capabilities on the primary side of the system. This approach has the goal of minimizing the complexity, physical dimensions, and cost of the on-board components in the electric vehicle while maintaining important scalability features that are deemed essential in order to achieve future high-power wireless power transfer (WPT) applications [22].
Using the method suggested by [23], it is possible to determine the ideal current for each active shielding coil to reduce the magnetic field in a precise zone while preserving optimum electrical efficiency.
The mathematical model derived from WPT [24] suggests using a non-linear controller based on the sliding-mode control technique to ensure precise regulation of the output load voltage and achieve asymptotic stability of the closed-loop system. In [25], a load identification method is proposed, utilizing reflected impedance theory and the quadrature transformation algorithm to calculate the active power and determine the battery’s equivalent load resistance. Subsequently, the PI-controlled phase-shifting H-bridge inverter is used to provide CV/CC load compensation for SS and SP compensation. This paper proposes the use of predictive control (MPC) to ensure DWPT system reliability in the event of rapid coupling coefficient variation. Applied to the receive-side converter, MPC is optimized with a sampling delay compensation algorithm. The results show excellent matching speed, accurate tracking, and improved efficiency compared with open-loop control [26]. The authors in [27] present a nonlinear modeling approach for a dynamic wireless power transfer system tailored for electric vehicles. The modeling progresses from state-space formulation to a direct–quadrature (dq) reference frame to facilitate control implementation. A novel phase-shift hysteresis control scheme has been introduced to maximize power delivery. Crucially, the model integrates the influence of vehicle dynamics by considering time-varying coupling coefficients. Validation through simulations confirms stable and uninterrupted energy transfer across the primary coil array.
After reviewing several of the documents provided, several similarities can be observed in the control methods used for DWPT chargers. Many approaches focus on regulating power on the primary side to minimize the complexity, size, and cost of in-vehicle components. Although some wireless communication techniques have been eliminated, they are still considered essential for monitoring battery health and ensuring safe charging.
We are especially interested in the control behavior during the transition phase when the receiver coil is moving between two adjacent transmitting coils in a region often referred to as the “dead zone” due to the reduced magnetic coupling. It is intended to maintain stable energy transfer even when the receiver is not perfectly aligned with either transmitting coil. To this purpose, our simulation considers two primary coils and a receiver coil, and the nonlinear controller is applied to one active primary segment at a time. This local control avoids simultaneous stimulation of adjacent coils, thus reducing extraneous energy consumption and magnetic interference. While a large-scale deployment would require a more general system-level control and power management strategy, the current work is a first step towards such an implementation. A study on optimal activation of coil segments, power source switching strategies, and coordinated control of multiple segments for facilitating continuous and efficient energy transfer under real dynamic wireless charging conditions will be part of future work.
There are three main focuses in this work. First, the design of the magnetic coupler and system structure is explored to ensure efficient wireless power transfer. Second, a mathematically sound model of the WPT system is built, and a stability analysis for secure operation under different circumstances is conducted. Finally, a non-linear controller is synthesized to ensure accurate reference tracking even in the event of misalignments or coupling variations. All the demonstrations are validated through extensive simulations that highlight the performance and robustness of the proposed scheme.
2. System Structure and Magnetic Coupler Design
2.1. System DWPT Structure
In conventional static WPT systems, the circular coil is usually employed due to the symmetrical field distribution and convenient alignment. They are not as efficient in dynamic systems where the receiving coil can be grossly misaligned. Rectangular coils have better tolerance to misalignment, particularly along the direction of travel, but are prone to suffer from adverse mutual coupling between consecutive transmission coils, which can offset resultant mutual coupling between receiver coils and transmission, potentially reducing the performance of the overall system. To overcome this issue, we considered Double-D (DD) coil configuration, whose specific shape reduces coupling between adjacent transmitter coils and ensures optimal energy delivery to a misaligned receiver. This design is supported through a series of electromagnetic simulations and design constraints in mind for the operating frequency (85 kHz), voltage (400 V DC input), and power level (2–3 kW), as per laboratory prototypes for dynamic wireless power transfer.
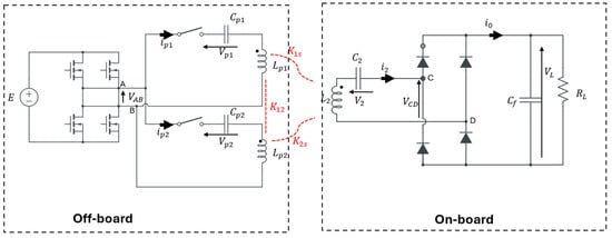
Figure 2 shows an equivalent diagram of the DWPT system, consisting of a high-frequency inverter that converts DC voltage to sinusoidal voltage. This AC voltage, together with the various Lpi transmitting coils and their Cpi compensation, generates a magnetic field. This field passes through the space between the road and the vehicle, where it is received by a receiver coil (L2) mounted under the vehicle chassis. The coil is also accompanied by a compensation capacitor (C2), which maximizes energy transfer through resonant coupling. Finally, the energy received is converted into DC voltage using an AC/DC rectifier, for direct use by the vehicle’s battery [28].
Figure 2.
Unidirectional circuit of DWPT system.
An alternative worth considering involves integrating Active Power Factor Correction (APFC) into the secondary circuit. Unlike passive capacitor-based compensation, APFC would enable dynamic adjustment to resonance conditions as the mutual inductance varies, particularly during transitions between primary coils. This approach could simplify the control structure on the roadside while enhancing robustness on the vehicle side. Such a solution represents a promising direction for future developments.
2.2. DD Coils Design
In this study, we employ a Double-D (DD) coil structure for the primary and secondary side of the DWPT system (see Figure 3). The term “DD” comes from the resulting shape of placing two D-coil rectangular coils side by side, which features a center void that can enhance magnetic field concentration and minimize leakage flux. The rectangular coils are 340 mm × 360 mm in size and consist of 11 turns of 5 mm diameter Litz wire. Litz wire is employed since it performs better at high frequencies (85 kHz), with skin and proximity effects, which are especially prominent in solid conductors at such frequencies, being significantly minimized It is recommended to use AWG 38 for DWPT applications. The wind is in a 70 mm × 80 mm area to provide increased field density while being compact.
Figure 3.
DD coil design (two D-coils).
The central air gap (200 mm × 200 mm) enables maximum diffusion of the magnetic field directly beneath the vehicle, ensuring better coupling even in the case of lateral or longitudinal misalignments. The total width of the DD coil is 680 mm, including both side coils and spacing. This geometry resembles and is based on other industry-driven configurations but designed specifically to address the problem of reducing coupling between adjacent transmitting units a significant drawback of standard rectangular or circular coils for applications in dynamic environments [29].
For the 90° bend, while there are sharp corners in the CAD and simulation models for simplicity, real-world implementation encompasses rounded corners or smooth transitions to avoid unnecessary field distortion and mechanical stress, thereby ensuring manufacturability and stability of performance.
This design is optimized through electromagnetic simulations for high mutual coupling with the receiver coil and minimum interference with adjacent transmitters, making it a strategic choice for dynamic EV charging systems.
2.3. Distribution of Magnetic Flux Density
Magnetic field simulation was carried out using the ANSYS Maxwell 2D (version 2021), a common computer software for electromagnetic analysis of WPT systems. The simulation domain was defined by dimensions of 600 mm × 2000 mm × 200 mm, which were large enough to avoid edge effects, and magnetic insulation boundary conditions were applied to avoid flux leakage along the boundary. The mesh refinement strategy comprised a global size 400 mm box mesh and a local coil and ferrite 200 mm mesh refinement size, to improve the modeling of high-gradient field regions in the region of the coils.
The geometry has just double-D (DD) coils and ferrite core without additional shielding (e.g., aluminum plates) to study the fundamental field distribution and coupling behavior. However, in real-world integration into electric vehicles, shielding using aluminum is unavoidable for snubbing stray fields and enhancing system safety and electromagnetic compatibility (EMC) [30].
The coils are powered by a 3 A sinusoidal AC current at an operational frequency of 85 kHz, as required by the SAE J2954 standard for dynamic wireless charging. The gap between the receiver coil and the transmitter plane is established at 150 mm, the typical clearance in EV applications. In addition, the two adjacent transmitter coils’ center-to-center spacing is also kept at 200 mm, simulating the two-coil transition zone during a moving vehicle. The coil conductor is modeled using a Litz wire that has a circular cross-sectional diameter of 5 mm because it has low AC resistance at high frequency.
This configuration provides a robust and realistic model for studying magnetic field performance and coil design optimization. It also forms the foundation for more advanced models involving shielding media, dynamic alignment tracking, and system-level calibration. The field gradually recedes as it moves away from the center of the coils, as demonstrated by the change from red to blue [31] (see Figure 4). This field symmetry results in an effective transfer zone despite the vehicle’s displacement. This configuration demonstrates the effectiveness of DD design for safe dynamic energy transfer.
Figure 4.
Magnetic Flux Density Distribution of DD Pad.
2.4. Magnetic Coupler Design
The magnetic coupling coefficient K is defined as the ratio of the mutual inductance M between the transmitter and receiver coils to the geometric mean of their self-inductances L1 and L2, as follows:
In a dynamic wireless power transfer (DWPT) system, the magnetic coupling coefficient is key to the efficiency of power transfer between the fixed infrastructure (located under the roadway) and the moving vehicle. This system generally relies on the use of specific double-D coils (DD coils) or rectangular coils. Analysis has shown that rectangular coils have a coupling coefficient of almost zero when the receiver coil is located between two adjacent coils. The DD topology improves this coupling coefficient to the point where the receiver coil is located between Tx1 and Tx2.
The graph shows the variance of magnetic coupling coefficients from one coil to another, as a function of the receiver’s lateral position from 0 to 900 mm.
The CplCoeff (Tx1in, Rxin) curve is maximal at the central position x_rx = 0, with a value of around 0.29, and then decreases continuously. This proves that coil Tx1 is perfectly aligned with receiver Rx when in position x_rx = 0. In contrast, the CplCoeff (Tx2in, Rxin) curve starts loosely coupled but rises steadily, reaching approximately 0.275 when x_rx = 900 mm, at which point coil Tx1 is aligned with Rx. This is a good illustration of the complementary role of Tx2, which becomes active when the receiver moves laterally away from the Tx1 coil.
As for the coefficient CplCoeff (Tx1in, Tx2in), it is low and slightly negative over the entire range, corresponding to very weak and negligible mutual coupling before (Tx1, Rx) and (Tx2, Rx) coupling. Overall, these results demonstrate the benefits of an architecture with several DD transmitting coils, which can guarantee a good level of magnetic coupling over the entire width of the receiver coil displacement zone, in other words, the displacement of the electric vehicle on transmitting coils.
As shown in Figure 5, the coupling coefficient between the receiver coil and each of the individual transmitter coils changes as a function of the vehicle’s position on the road. Based on this observation and the equivalent diagram of the DWPT system, we realize that to improve the efficiency of energy transfer, it is preferable to power each transmitter coil independently only when the vehicle is overhead. This allows energy to be concentrated where it is really needed, avoiding losses associated with the simultaneous activation of several coils.
Figure 5.
Variation in the coupling coefficient.
Undefined power as long as coil Rx is aligned with Tx1 at time t = 0 until t0, when Rx is between Tx1 and Tx2, Relay 1 is closed (Tx1 is powered), and Relay 2 remains open. As soon as Rx passes Tx1 to approach Tx2, i.e., time t0, the command reverses: Relay 1 opens, and Relay 2 closes to power Tx2 (see Figure 6).
Figure 6.
Sequential Coil Activation for Wireless Power Transfer.
3. WPT Modeling and Stability Analysis
This section aims to analyze system stability, i.e., how the system behaves under disturbed and altered operating conditions. This step is necessary to predict the overall behavior of the system before the controller is designed. Consequently, the analysis work carried out here is a preparatory step for the next section, which will be devoted to the formulation of appropriate control algorithms.
When two inductances are magnetically coupled, their mutual inductance affects the overall behavior of the circuit. To analyze such a system, it is often useful to represent it by an equivalent circuit that models self-inductances and mutual coupling.
Figure 7 shows a T-equivalent model with leakage and magnetizing inductances of two magnetically coupled inductors.
Figure 7.
T-equivalent model for a pair of magnetically coupled inductors. (a) Coupled inductor model; (b) equivalent circuit model.
The following equations illustrate the relationship between circuits (a) and (b):
The same applies to the Lp2 coil:
- are the self-inductances of the primary coils.
- The secondary coil self-inductance.
- represent the leakage inductances of the primary side.
- Secondary side leakage inductance.
- represents magnetizing and mutual inductances, respectively.
- are the coupling coefficients.
- K decreases in the DWPT system due to the large distance and misalignments between coils as a function of receiver coil displacement.
Figure 8.
Equivalent circuit overview of the DWPT system illustrated in Figure 2.
Based on Equations (10)–(12), we find the following simplified equations:
with:
Depending on the coil currents, the voltages or terminals of the compensation capacitors can be found in the following equations:
with:
The non-linearity of the system studied is clearly shown in Equations (13), (14) and (20).
It arises mainly from the converter input voltage, denoted VCD in Equations (13) and (14), whose behavior is nonlinear. Indeed, this voltage depends on both the sign of the secondary current i2 and the rectified output voltage VL.
In other words, VCD cannot be expressed in a uniform linear fashion: its design depends on the direction of the current i2, which introduces discontinuity into the system’s dynamic equations.
This conditional dependence is formalized in Equation (22), which gives the full expression.
Let us assume that the state vector is defined as shown in Equation (24).
From this definition, it is possible to obtain the nonlinear state-space representation of the DWPT system. This is constructed by substituting Equations (22)–(24) into the initial dynamic Equations (13) and (14).
This process reformulates the system’s dynamic model according to the chosen state vector, while preserving structural non-linearities linked to dependencies between currents, voltages, and component behavior.
Prior to any controller design, it is essential to evaluate the input-output stability of the DWPT system.
To this end, the nonlinear model described by Equations (25)–(29) is linearized by taking the inverter output voltage VAB as the input variable, and the voltage applied to the load VL as the output variable.
By rewriting these equations in a canonical design, we obtain the following system:
where
A =
B =
C =
To implement indirect control of the load voltage, it is necessary to establish a clear relationship between the current flowing in the primary coil x1 and the voltage applied to the load x5. This subsection aims precisely at formulating this link, the essence of which is presented in the following proposal.
When charging voltage is considered as a starting variable, the DWPT system for battery electric vehicles (BEVs), as described by Equations (25)–(29), exhibits non-minimal behavior. On the other hand, if the current in the primary coil is considered as a system flow, it enters a minimal phase [24].
This property suggests that it is preferable to regulate the output voltage indirectly by acting on the primary current, which facilitates control design and ensures better stability [32].
4. Non-Linear Controller Design
4.1. The Functional Relationship Between the Primary Current and the Load-Side Voltage
To establish the relationship between the output voltage and the current flowing in the primary coil, we apply Kirchhoff’s law in the following Figure 9.
where
Figure 9.
DWPT system equivalent model with series–series compensation topology.
This gives the relationship between output voltage VL and current i1:
Using Equation (37), we can regulate a reference voltage VL as a function of current i1 (see Figure 10).
Figure 10.
Process of generating the current reference from the load voltage reference.
Based on experimental studies conducted in our laboratory, an indirect control strategy was selected for the proposed WPT system. This approach offers several practical advantages, including the elimination of secondary-side measurements, which are often challenging to implement due to galvanic isolation or limited accessibility in real-world applications. By expressing the output voltage VL as a function of the primary current i1, this relationship can be inverted to adjust i1 according to the voltage demand. This method enables efficient power regulation while maintaining simple and robust implementation on the primary side.
4.2. Controller Design with DWPT
Sliding-mode control is often chosen for nonlinear systems because it is easier to implement than other advanced control techniques. Its main advantage lies in its ability to guarantee a high degree of robustness in the face of system uncertainties or significant variations in operating conditions, particularly those related to load voltage.
In practice, this approach offers excellent dynamic response and low permanent deviation, making it an excellent choice for environments where stability and accuracy are very important, even in the event of major disturbances in the alignment of the receiver coil with the various transmitter coils.
Let us start by examining the reference signal, as defined by Equation (37). This signal plays a central role in the control process, since it serves as the setpoint for the system to follow.
Its generation strictly follows the block diagram shown in the Figure 10, which illustrates the logical sequence of steps required for its construction.
For the current x1 to follow its reference, we define the sliding surface as follows:
where
are positive sliding coefficient.
This choice is primarily motivated by the practical need to implement a control strategy that depends solely on the primary side of the DWPT system. By avoiding any measurement or sensor on the vehicle side (secondary), we eliminate the need for real-time communication of the battery current ib across the wireless interface, which is often subject to latency, synchronization issues, and increased system complexity.
Alternative output choices, such as regulating the battery current or voltage directly, would theoretically improve observability of the load dynamics. However, these require additional sensors on board the vehicle and a robust bidirectional communication link. Such configurations increase cost and compromise the modularity and scalability of the system. Hence, using only the primary current i1 enables a more practical and efficient implementation, especially in dynamic applications where simplicity and robustness are critical.
Following the principles of sliding-mode control theory, the control law imposed typically comprises two complementary parts with a specific role in system control.
The first one is called the discontinuous component VABn, typical of non-linear control systems. It is forceful in responding to instantly push the system and onto the sliding surface, unmindful of disturbance or uncertainty. This is what gives the sliding mode its robustness.
Second, the continuous component VABq or equivalent control ensures continuous observation of system dynamics post-reaching the surface. It counteracts the system’s internal dynamics in a smooth way and ensures smooth progression on the sliding surface.
The decomposition makes the control strategy responsive as well as stable, with rapid response but structural robustness.
To determine the equivalent control, we apply a classic sliding-mode control method: We start by canceling the first derivative of the sliding surface s, i.e., by setting = 0. This condition reflects the fact that we want the system to move exactly on the sliding surface, without deviating from it.
By then solving this equation concerning the VAB command, we obtain an explicit expression for the equivalent VABq command, which ensures continuous, stable tracking of the system once it has reached the sliding surface.
Replacing Equation (40) with Equation (24) results in:
The equivalent control expression is derived by setting to zero and solving for VAB.
The computation of the discontinuous control in sliding-mode control begins with the definition of a positive Lyapunov function, as shown in Equation (43).
This function, often chosen in quadratic design, is used to evaluate the system’s energy or deviation from the sliding surface.
The aim is to ensure that this energy decreases over time, thus guaranteeing the system’s asymptotic stability towards the sliding surface. To achieve this, we impose the condition:
Injecting the expressions from Equations (40) and (43) into the time derivative of the Lyapunov function allows us to derive the following equation, which reflects the influence of the control inputs on the system’s stability.
Selecting the discontinuous control as defined in Equation (47) leads to a negative value of the Lyapunov derivative, as shown in Equation (46), thus fulfilling the sufficient condition for sliding-mode convergence.
The parameter represents a constant with a strictly positive value, typically selected to adjust the robustness or responsiveness of the control strategy.
The resulting total control law is thus expressed as follows:
Subsequently, a closed-loop regulation is implemented by relying on both the mathematical model of the system and the developed law of command.
This method enables real-time comparison of the system’s output to the reference value and dynamic command adjustment to ensure the system satisfies the desired consigned output.
Although the block diagram shown in Figure 11 appears conceptually simple, the real-time implementation of the nonlinear sliding mode controller defined by Equation (47) requires fast and precise computation capabilities. To address this, we are considering deploying the control algorithm on a Texas Instruments C2000 DSP platform, which offers dedicated peripherals for PWM generation, fast ADC conversion, and real-time signal processing. This controller is integrated with isolated current and voltage sensors and communicates via low-latency protocols such as SPI or CAN to ensure accurate control signal generation. This hardware architecture is modular and scalable, making it suitable for experimental validation and future integration into real vehicle systems.
Figure 11.
Closed-loop simulation setup.
5. Simulation and Results
In this section, we present and analyze the simulation results obtained using MATLAB/Simulink software.
The simulation fixture was constructed to represent a full transition of the receiving coil as it moves from perfect alignment with the first primary coil to perfect alignment with the second. This trajectory encompasses the worst-case “dead zone” in the center where mutual coupling is minimal thus stressing the control strategy’s strength under unfavorable dynamic conditions. The first part of the simulation shows the tracking of the output voltage reference value. Next, the speed of the electric vehicle (EV) is taken into account by simulating the misalignment phase at different speeds in order to analyze the impact of speed variation on system performance.
This simulation setup provides a controlled yet representative scenario to test the dynamic performance and stability of the proposed control strategy under standard conditions.
To assess the controller’s robustness, we simulated several scenarios by varying the value of the output voltage VL. The task is to verify the sliding-mode control’s ability to maintain the reference trace despite variations in mutual coupling caused by dynamic changes in the system.
To this end, a closed-loop control was implemented. The controller’s performance was tested in terms of stability, trajectory accuracy, and response time.
The parameters used for the various simulations have been grouped in Table 1 to ensure transparency and reproducibility of results.
Table 1.
Simulation parameters.
The inductance values of both the primary and secondary coils (Lp1 and Lp2) have been obtained through finite element simulations using ANSYS Maxwell (version 2021), considering the actual coil geometry and magnetic materials. Based on the obtained inductances and the chosen operating frequency of 85 kHz, the compensation capacitors (Cp1 and Cp2) have been selected to satisfy the resonance condition and ensure the cancelation of reactive energy at the desired frequency.
The coupling coefficient K has been evaluated numerically via electromagnetic simulations as well (see Figure 5), accounting for spatial coil misalignment scenarios that occur in dynamic conditions.
The values of the output filter capacitor Cf and the load resistance RL have been assumed constant throughout the study to focus on the behavior of the wireless power transfer stage. This assumption allows isolating and analyzing the influence of coupling and resonance on the system’s power transfer efficiency and control performance.
5.1. Analysis of Output Voltage Regulation Under Varying References
In this section, we analyze the scenario where the voltage at the electric vehicle (EV) battery varies according to the type of EV. We also consider the case where a DC/DC converter is integrated upstream of the battery, with a reference voltage at its input, in order to adapt the voltage from the DWPT system to the battery’s actual requirements.
Figure 12a,b show the comparison between output voltage VL and its reference VL_ref for a given input scenario. A rapid rise in output voltage is observed, reaching the set point in around 0.07 s, followed by a quasi-stationary regime. A slight deviation appears around t = 0.5 s, highlighted by a localized zoom, showing a ripple of less than 2.5% of the reference voltage value VL_ref. This low variation testifies to excellent stability and precise tracking of the setpoint, despite the presence of misalignment at the receiver coil.

Figure 12.
Output voltage VL vs. VL_ref. (a) VL_ref = 200. (b) VL_ref = 300.
Figure 13a,b show the currents i1 and i2 flowing in the two system branches, respectively. These signals have a symmetrical sinusoidal shape, with an amplitude that increases progressively up to a maximum around t = 0.5 s for the primary current i1, then decreases due to the increase in the coupling coefficient as the receiver coil leaves coil tx1 and approaches coil tx2. On the other hand, the secondary current i2 remains virtually constant, even in the presence of receiver coil misalignment, particularly in the zone where the latter is located between two adjacent transmitter coils. This demonstrates that secondary power remains almost constant, as the variation in VL is minimal and i2 remains stable during the alignment and misalignment phases.

Figure 13.
Secondary side current vs. primary side current. (a) VL_ref = 200. (b) VL_ref = 300.
Finally, Figure 14a,b compare the actual current i1 with its setpoint i1_ref. The near-total overlap of the two curves over the entire analysis period highlights the very good performance of the current regulator, with good tracking of the reference setpoint.
Figure 14.
Primary side current vs. reference primary side current. (a) VL_ref = 200. (b) VL_ref = 300.
5.2. Dynamic Test
In a dynamic wireless power transfer (DWPT) system, the vehicle’s traveling speed directly impacts the variation rate of the mutual inductance between the transmitting and receiving coils. As the coupling coefficient changes rapidly with high vehicle speeds, the controlled system must exhibit fast adjustment capability to maintain stability and avoid oscillations during the transient process. The proposed Sliding Mode Control (SMC) demonstrates robust dynamic characteristics under these conditions, ensuring that the output Current and voltage remain stable despite abrupt coupling variations. This robustness stems from the inherent nonlinearity handling capability of SMC, which allows it to react promptly to disturbances and parameter changes along the vehicle’s trajectory over successive transmitter coils.
We present in the following section a set of simulations analyzing the effect of coil misalignment at different vehicle speeds (16.2, 64.8, and 162 km/h) to evaluate the system’s response, as illustrated in the following Figure 15, Figure 16 and Figure 17.
Figure 15.
16.2 km/h. (a) VL vs. VL_ref. (b) Current i1 vs. i2.
Figure 16.
64.8 km/h. (a) VL vs. VL_ref. (b) Current i1 vs. i2.

Figure 17.
162 km/h. (a) VL vs. VL_ref. (b) Current i1 vs. i2.
By employing the SMC to the DWPT system, as well as the desired output VL set to 200 V, the simulations also show that the controller can recover the voltage to its desired value when the receiving coil is optimally aligned with the transmitting coil, with minor deviations observed during cases of misalignment. Furthermore, the waveforms of the primary i1 and the secondary i2 currents are stable across different vehicle speeds, with small variation in i2. These observations confirm the high tracking ability of the SMC, particularly with high varying coupling coefficient over a large range, resulting in coherent current waveforms with no consideration for speed. The simulations also reveal that the SMC-based system enjoys a short settling time and quick dynamic response, suitable for DWPT applications without an extra DC/DC converter stage leading to the EV battery.
Compared with previous works (see Table 2), this work is distinguished by the adoption of sliding mode control (SMC), offering superior robustness to system variations compared with the PI used in [27] and the MPC of [26]. Unlike [26], it does not require a DC/DC converter on the secondary side, which reduces hardware complexity while maintaining high performance, as in [27]. The system also has a higher initial coupling coefficient (0.3) than [26] (0.16) and [27] (0.26) and demonstrates its efficiency at speeds of up to 162 km/h, exceeding the 108 km/h of [26] and considering a factor ignored by [27]. The joint use of DD geometry and LC series compensation ensures efficient energy transfer, while maintaining only medium complexity, thus offering an optimum compromise between performance, robustness and feasibility.
Table 2.
Comparative Analysis with Reference Works.
6. Conclusions
Simulation results confirm the validity of the proposed method for controlling a dynamic wireless power transfer (DWPT) system based on a DD coil configuration. When a significant variation in mutual coupling occurs, particularly in the dead zone where the receiver coil lies between two adjacent transmitter coils, the value of mutual coupling decreases. In this situation, the non-linear regulator, designed using a sliding mode control (SMC) strategy, is able to effectively compensate for the loss of coupling, thus ensuring accurate tracking of the output voltage. The results obtained highlight the robustness of the reference tracking, the stability of the system and the rapidity of the dynamic response, even in the presence of significant variations in magnetic coupling.
The tight output load voltage regulation control requirements under constant load conditions and closed-loop system stability under a variety of vehicle speeds are achieved. Also, the SMC controller displays excellent robustness against mutual inductance variation due to coil misalignment and electric vehicle speed variation and maintains precise tracking performance at speeds up to 162 km/h. This confirms its application effectiveness in actual dynamic charging regimes.
The focus in the future will be on comparative performance against other linear and nonlinear control approaches, as well as the implementation and testing of the proposed approach on a physical model.
Author Contributions
This paper was developed by a research team from an ISA Laboratory; methodology, formal analysis, A.H., A.L., and H.E.F.; software, A.H., M.C., M.E.A., and S.E.j.; investigation and resources, H.A., A.L.; writing, A.H., A.L., and H.A.; review and editing, A.L., Z.E.I. and H.E.F.; supervision, A.L., Z.E.I., and H.E.F.; Data curation, Z.E.I., S.E.j., and M.C. All authors have read and agreed to the published version of the manuscript.
Funding
The authors declare that no external funding was received to support this work.
Data Availability Statement
The original contributions presented in this study are included in the article. Further inquiries can be directed at the corresponding author(s).
Acknowledgments
The authors would like to thank all those who contributed in any way to the realization of this work, in particular the members of the laboratory for their technical and scientific support. Special thanks go to the supervisors for their invaluable advice throughout this study.
Conflicts of Interest
The authors declare that they have no known competing financial interests or personal relationships that could have appeared to influence the work reported in this paper.
Abbreviations
| WPT | Wireless Power Transfer |
| DWPT | Dynamic wireless Power Transfer |
| EV | Electrical vehicles |
| DD | Double D coils |
References
- Choukai, O.; El Mokhi, C.; Hamed, A.; Errouhi, A.A. Feasibility study of a self-consumption photovoltaic installation with and without battery storage, optimization of night lighting and introduction to the application of the DALI protocol at the University of Ibn Tofail (ENSA/ENCG), Kenitra—Morocco. Energy Harvest. Syst. 2022, 9, 165–177. [Google Scholar] [CrossRef]
- El Hafdaoui, H.; Khallaayoun, A.; Ouazzani, K. Long-term low carbon strategy of Morocco: A review of future scenarios and energy measures. Results Eng. 2023, 21, 101724. [Google Scholar] [CrossRef]
- Sun, X.; Li, Z.; Wang, X.; Li, C. Technology Development of Electric Vehicles: A Review. Energies 2019, 13, 90. [Google Scholar] [CrossRef]
- Li, K.; Chen, J.; Sun, X.; Lei, G.; Cai, Y.; Chen, L. Application of wireless energy transmission technology in electric vehicles. Renew. Sustain. Energy Rev. 2023, 184, 113569. [Google Scholar] [CrossRef]
- Taghizad-Tavana, K.; Alizadeh, A.; Ghanbari-Ghalehjoughi, M.; Nojavan, S. A Comprehensive Review of Electric Vehicles in Energy Systems: Integration with Renewable Energy Sources, Charging Levels, Different Types, and Standards. Energies 2023, 16, 630. [Google Scholar] [CrossRef]
- Li, S.; Mi, C.C. Wireless Power Transfer for Electric Vehicle Applications. IEEE J. Emerg. Sel. Top. Power Electron. 2014, 3, 4–17. [Google Scholar] [CrossRef]
- Zhang, L.; Yang, Y.; Jiang, Z.; Chen, Q.; Yan, Q.; Wu, Z.; Zhang, B.; Huangfu, J.; Chen, H. Demonstration of topological wireless power transfer. Sci. Bull. 2021, 66, 974–980. [Google Scholar] [CrossRef]
- Kuka, S.; Ni, K.; Alkahtani, M. A Review of Methods and Challenges for Improvement in Efficiency and Distance for Wireless Power Transfer Applications. Power Electron. Drives 2020, 5, 1–25. [Google Scholar] [CrossRef]
- Khan, D.; Ahmad, A.; Choi, D.-Y. Design and Optimization of a Mid-Field Wireless Power Transfer System for Enhanced Energy Transfer Efficiency. Symmetry 2024, 16, 753. [Google Scholar] [CrossRef]
- Rayan, B.A.; Subramaniam, U.; Balamurugan, S. Wireless Power Transfer in Electric Vehicles: A Review on Compensation Topologies, Coil Structures, and Safety Aspects. Energies 2023, 16, 3084. [Google Scholar] [CrossRef]
- Panchal, C.; Stegen, S.; Lu, J. Review of static and dynamic wireless electric vehicle charging system. Eng. Sci. Technol. Int. J. 2018, 21, 922–937. [Google Scholar] [CrossRef]
- Laporte, S.; Coquery, G.; Deniau, V.; De Bernardinis, A.; Hautière, N. Dynamic Wireless Power Transfer Charging Infrastructure for Future EVs: From Experimental Track to Real Circulated Roads Demonstrations. World Electr. Veh. J. 2019, 10, 84. [Google Scholar] [CrossRef]
- Hamed, A.; El Fadil, H.; Lassioui, A.; Nady, S.; El Jeilani, S. Dynamic WPT Chargers: State of the Art. In Proceedings of theInternational Conference on Digital Technologies and Applications, Fez, Morocco, 27–28 January 2023; pp. 785–795. [Google Scholar] [CrossRef]
- Ramakrishnan, V.; Savio, D.; Rajamanickam, N.; Kotb, H.; Elrashidi, A.; Nureldeen, W. A Comprehensive Review on Efficiency Enhancement of Wireless Charging System for the Electric Vehicles Applications. IEEE Access 2024, 12, 46967–46994. [Google Scholar] [CrossRef]
- Mou, X.; Groling, O.; Sun, H. Energy-Efficient and Adaptive Design for Wireless Power Transfer in Electric Vehicles. IEEE Trans. Ind. Electron. 2017, 64, 7250–7260. [Google Scholar] [CrossRef]
- Kadem, K.; Bensetti, M.; Le Bihan, Y.; Labouré, E.; Diet, A.; Debbou, M. Caractérisation d’un Coupleur Magnétique Pour Le Transfert d’énergie sans Contact. In Proceedings of the 5ème Colloque sur l’Inductique, Oran, Algeria, 13–14 December 2017. [Google Scholar]
- Okasili, I.; Elkhateb, A.; Littler, T. A Review of Wireless Power Transfer Systems for Electric Vehicle Battery Charging with a Focus on Inductive Coupling. Electronics 2022, 11, 1355. [Google Scholar] [CrossRef]
- Obaideen, K.; Albasha, L.; Iqbal, U.; Mir, H. Wireless power transfer: Applications, challenges, barriers, and the role of AI in achieving sustainable development goals—A bibliometric analysis. Energy Strategy Rev. 2024, 53, 101376. [Google Scholar] [CrossRef]
- Nguyen, D.M.; Kishk, M.A.; Alouini, M.-S. Toward Sustainable Transportation: Accelerating Vehicle Electrification With Dynamic Charging Deployment. IEEE Trans. Veh. Technol. 2022, 71, 9283–9296. [Google Scholar] [CrossRef]
- Nguyen, H.T.; Alsawalhi, J.Y.; Al Hosani, K.; Al-Sumaiti, A.S.; Al Jaafari, K.A.; Byon, Y.-J.; El Moursi, M.S. Review Map of Comparative Designs for Wireless High-Power Transfer Systems in EV Applications: Maximum Efficiency, ZPA, and CC/CV Modes at Fixed Resonance Frequency Independent From Coupling Coefficient. IEEE Trans. Power Electron. 2021, 37, 4857–4876. [Google Scholar] [CrossRef]
- Yang, Y.; Zeng, J.; Hui, S.Y.R. A Fast Primary-Side Current and Voltage Control for Direct Wireless Battery Chargers. IEEE J. Emerg. Sel. Top. Power Electron. 2023, 12, 355–366. [Google Scholar] [CrossRef]
- González, J.M.G. Analysis, Design and Optimization of Electric Vehicle Wireless Chargers. Ph.D. Thesis, Universidad de Málaga, Málaga, Spain, 2021. [Google Scholar]
- Shi, W.; Deng, J.; Wang, Z.; Cheng, X. The Start-up Dynamic Analysis and One Cycle Control-PD Control Combined Strategy for Primary-Side Controlled Wireless Power Transfer System. IEEE Access 2018, 6, 14439–14450. [Google Scholar] [CrossRef]
- Lassioui, A.; El Fadil, H.; Rachid, A.; El Idrissi, Z.; Bouanou, T.; Belhaj, F.Z.; Giri, F. Modelling and sliding mode control of a wireless power transfer system for BEV charger. Int. J. Model. Identif. Control. 2020, 34, 171. [Google Scholar] [CrossRef]
- Liu, Z.; Wang, L.; Guo, Y.; Li, S. Primary-Side Linear Control for Constant Current/Voltage Charging of the Wireless Power Transfer System Based on the LCC-N Compensation Topology. IEEE Trans. Ind. Electron. 2021, 69, 8895–8904. [Google Scholar] [CrossRef]
- Zhou, Z.; Zhang, L.; Liu, Z.; Chen, Q.; Long, R.; Su, H. Model Predictive Control for the Receiving-Side DC–DC Converter of Dynamic Wireless Power Transfer. IEEE Trans. Power Electron. 2020, 35, 8985–8997. [Google Scholar] [CrossRef]
- Moussa, H.; Meira, Z.; Kadem, K.; Damm, G. Modeling and Control of Dynamic Wireless Power Transfer System for Electric Vehicle charger application. IFAC-PapersOnLine 2023, 56, 10045–10050. [Google Scholar] [CrossRef]
- Jakubiak, K.; Liang, J.; Cipcigan, L.; Li, C.; Wu, J. Simplified Modelling Techniques for Dynamic Wireless Power Transfer. Electronics 2024, 13, 4300. [Google Scholar] [CrossRef]
- Kadem, K. Modélisation et Optimisation d’un Coupleur Magnétique pour la Recharge par Induction Dynamique des Véhicules Electriques. Ph.D. Thesis, Université Paris-Saclay, Orsay, France, 2020. (In France). [Google Scholar]
- Cruciani, S.; Campi, T.; Maradei, F.; Feliziani, M. Active Shielding Design and Optimization of a Wireless Power Transfer (WPT) System for Automotive. Energies 2020, 13, 5575. [Google Scholar] [CrossRef]
- Bouanou, T.; El Fadil, H.; Lassioui, A.; Bentalhik, I.; Koundi, M.; El Jeilani, S. Design Methodology and Circuit Analysis of Wireless Power Transfer Systems Applied to Electric Vehicles Wireless Chargers. World Electr. Veh. J. 2023, 14, 117. [Google Scholar] [CrossRef]
- Hamed, A.; El Fadil, H.; Lassioui, A.; Nady, S.; El Jeilani, S.; Bouanou, T. Modeling and Super-Twisting Sliding Mode Control of a Wireless Power Transfer Charger. In Automatic Control and Emerging Technologies; Springer: Singapore, 2024; pp. 387–395. [Google Scholar] [CrossRef]
Disclaimer/Publisher’s Note: The statements, opinions and data contained in all publications are solely those of the individual author(s) and contributor(s) and not of MDPI and/or the editor(s). MDPI and/or the editor(s) disclaim responsibility for any injury to people or property resulting from any ideas, methods, instructions or products referred to in the content. |
© 2025 by the authors. Published by MDPI on behalf of the World Electric Vehicle Association. Licensee MDPI, Basel, Switzerland. This article is an open access article distributed under the terms and conditions of the Creative Commons Attribution (CC BY) license (https://creativecommons.org/licenses/by/4.0/).