Next Article in Journal
Optimizing Electric Racing Car Performance through Telemetry-Integrated Battery Charging: A Response Surface Analysis Approach
Next Article in Special Issue
Physics-Informed Neural Network-Based Nonlinear Model Predictive Control for Automated Guided Vehicle Trajectory Tracking
Previous Article in Journal
Study of an Electric Vehicle Charging Strategy Considering Split-Phase Voltage Quality
Previous Article in Special Issue
Decoupled Adaptive Motion Control for Unmanned Tracked Vehicles in the Leader-Following Task
 
 
Font Type:
Arial Georgia Verdana
Font Size:
Aa Aa Aa
Line Spacing:
Column Width:
Background:
Article

Fractional Sliding Mode Observer Control Strategy for Three-Phase PWM Rectifier

Mechanical Engineering, College of Mechanical and Equipment Engineering, New Campus, Hebei University of Engineering, Handan 056038, China
*
Author to whom correspondence should be addressed.
World Electr. Veh. J. 2024, 15(7), 316; https://doi.org/10.3390/wevj15070316
Submission received: 1 July 2024 / Revised: 15 July 2024 / Accepted: 16 July 2024 / Published: 18 July 2024
(This article belongs to the Special Issue Intelligent Electric Vehicle Control, Testing and Evaluation)

Abstract

This research presents a novel current loop control strategy for a three-phase PWM rectifier system aimed at mitigating challenges related to substandard power quality, excessive current harmonics, and insufficient robustness. The suggested approach combines an extended state observer (ESO) with dual-power sliding mode control that is further enhanced by fractional-order micro-integral operators. This amalgamation enhances the adaptability of the controller to system dynamics and augments the flexibility of the current loop control mechanism. The results of this integration include diminished system oscillations, heightened immunity to external disturbances, and improved robustness and dynamics of the overall system. Through MATLAB/Simulink simulations, the effectiveness of the proposed control methodology is validated, demonstrating superior performance in terms of robustness, dynamic response, power quality enhancement, and mitigation of current harmonics when compared to conventional PI control and standard fractional-order dual-power sliding mode control techniques.

1. Introduction

The electric vehicle sector has experienced substantial growth in recent years, largely attributed to the implementation of the “dual-carbon” target program [1,2,3]. Projections suggest that China will have in excess of 80 million electric vehicles by the year 2030 [4,5,6]. As the number of electric vehicles on the roads increases, there is a growing demand for fast charging solutions. It is anticipated that high-power charging technology will become more prevalent in the future [7,8]. The charging module, a critical component of high-power charging equipment, is subject to heightened requirements for charging power and conversion efficiency. However, challenges exist in maintaining real-time dynamic equilibrium in the power system when deploying large-scale charging modules [9].
The AC/DC converter within the charging module plays a crucial role in converting alternating current (AC) to direct current (DC) and managing the power factor. The effectiveness of this converter significantly influences various aspects such as system configuration, power loss, charging and discharging efficiency, and cost considerations. Therefore, selecting an appropriate technology that aligns with specific functional needs and operational conditions is imperative for optimal performance.
Currently, bidirectional AC-DC setups commonly utilize multilevel rectifier topologies and two-level three-phase PWM rectifiers. The two-level configuration is well-suited for moderate power applications due to its minimal harmonic distortion and efficient power factor operation, supported by advanced current control techniques. In contrast, multilevel systems are more suitable for higher power scenarios, as they exhibit lower switching frequencies and reduced losses compared to two-level setups, while also requiring only half the DC side voltage for switching withstand voltage [10]. However, multilevel configurations are more complex in terms of parameter designs, control strategies, and switching components, particularly when addressing potential midway balancing issues. To streamline future research efforts, this study focuses on the two-level, three-phase PWM rectifier.
The three-phase PWM rectifier is a complex system characterized by nonlinearity, strong time-varying behavior, and strong coupling, necessitating controllers with high response speed and anti-interference capabilities. The conventional feedforward decoupling double closed-loop control method falls short of meeting these control requirements [11,12]. To address the current challenges faced by three-phase PWM rectifiers, researchers globally have extensively investigated and proposed advanced control strategies such as direct power control, predictive control, sliding mode control, fuzzy control, and adaptive control [13,14,15,16,17,18]. Sliding mode control has garnered significant attention in the control of three-phase PWM rectifiers due to its ability to maintain system stability against external disturbances and parameter variations by manipulating control inputs to guide the system state along a specified surface [19,20,21]. Han et al. introduced an innovative adaptive higher-order sliding mode control strategy that demonstrated effectiveness in mitigating internal and external perturbations, as well as providing improved damping effects through the use of auxiliary feedback control in a nonlinear series compensated system [22]. Huang et al. proposed a fuzzy sliding mode-based enhanced direct power control approach for three-phase voltage source rectifiers to enhance voltage outer loop immunity and facilitate digital controller implementation [23]. Ahmed et al. presented a sliding mode-based adaptive linear neuron proportional resonance control solution to enhance rectifier control performance under unbalanced and distorted grid conditions, achieving superior dynamic and steady-state performance while eliminating harmonics in source currents and ripples in active power, DC bus voltage, and battery current [24]. Yang et al. developed an adaptive voltage outer loop sliding mode control algorithm based on radial basis function neural network, effectively combining the RBF neural network with sliding mode control to adaptively approximate the voltage outer loop nonlinear system, thereby reducing switching gain, attenuating jitter, and enhancing system anti-interference capabilities [25]. However, despite its advantages, sliding mode control is not without flaws, as jitter may occur due to control discontinuity caused by frequent switching. Consequently, the suppression of the jitter phenomenon remains a prominent research focus in sliding mode control methodologies.
The phenomenon of jitter vibration arises from the undesired convergence process of the system trajectory towards the sliding mold surface. The quality of this convergence process is directly linked to the effectiveness of the convergence law. Hence, a rapid convergence rate plays a crucial role in mitigating jitter vibration. In China, Professor Gao Weibing introduced a method for eliminating jitter in variable structure control systems. This method ensures the dynamic quality of the sliding mode arrival process through an exponential convergence rate, reducing high-frequency jitter in the control signal. However, it may be influenced by parameters that contribute to jitter. Huang J and colleagues investigated the origins of jitter resulting from the exponential convergence rate and proposed a sliding mode control approach to enhance the exponential rate convergence law. This method suppresses jitter, enhances response speed, and incorporates an integral term in the switching surface design [26]. Zhang X and team developed a variable exponential convergence rate ground sliding mode control technique that adjusts the convergence speed based on the system state, enhancing control system accuracy, reducing jitter, and accelerating convergence to the sliding mode surface [27]. Ma H and collaborators suggested an improved quasi-smooth mode domain discrete convergence law (QSMD) and devised a sliding mode controller to estimate unknown uncertainties. However, this method involves complex computations, necessitating high-performance devices [28].
Traditional exponential convergence rates have limitations when dealing with high-frequency jitter and rapid dynamic responses [29]. In contrast, the double power convergence rate offers improved control over convergence speed and jitter phenomena by incorporating two power terms. Its flexible adjustment mechanism makes it advantageous for balancing response speed and system stability. However, the double power convergence rate is more reliant on external factors, leading to noticeable fluctuations in the presence of significant unexpected interference, which can impact control accuracy and system stability. In recent literature [30,31], a fractional-order sliding mode control strategy has been proposed to enhance the sliding mode convergence rate by introducing fractional-order calculus operators. This approach leverages global properties and memory of information to quickly converge to the sliding mode surface and reduce jitter, but it is vulnerable to system perturbations. To address these challenges effectively, a combination of expanded state observer (ESO) and sliding mode control methods is employed.
The ESO control method, initially introduced by Chinese scholar Han Jingqing as part of the self-resilient control theory, aims to enhance control system performance in handling unknown disturbances and system uncertainties. However, its dynamic performance and robustness are limited. To overcome these limitations, the literature [32] proposes combining a Kalman filter with ESO to optimize observer gain, which helps mitigate external disturbances but may increase computational complexity and impact real-time system performance. Another proposed strategy is the Takagi–Sugeno fuzzy extended state observer control, where estimated actions are implemented nonlinearly using fuzzy affiliation functions, and observer gain is calculated linearly through the T-S fuzzy formula. However, the selection of fuzzy rules and affiliation functions often relies on the designer’s experience and intuition, leading to potential variations in fuzzy rule sets among different designers and a lack of unified design standards [33]. Compared to the optimization method of ESO, the sliding mode observer-based approach offers advantages such as strong anti-interference capabilities, insensitivity to parameter changes, and flexible parameter adjustments [34,35,36,37].
This study introduces a novel fractional-order double power convergence rate to enhance the performance of a three-phase PWM rectifier control system. The proposed convergence rate addresses the trade-off between jitter suppression and fast response, leading to a reduction in steady-state error. Additionally, an expansion state observer is incorporated to further minimize the steady-state error of system state variables. This observer compensates for disturbances in the current inner loop controller, enhances the system’s anti-interference capabilities, reduces the switching gain of the convergence law, and mitigates sliding mode jitter. A current inner loop control method based on a fractional-order double-power sliding mode observer is developed and compared with alternative approaches, with simulation results confirming the effectiveness of the proposed control strategy.
The paper is structured into seven sections. Following the introduction, the second section focuses on the mathematical analysis and modeling of a three-phase PWM rectifier. Section 3 introduces a sliding mode variable structure control technique for designing the voltage outer loop of a double closed-loop control system. Section 4 presents the inner loop control and stability analysis using a fractional-order double-power sliding mode observer control method. A MATLAB/Simulink (version 2021b) simulation model is constructed to validate the proposed control technique in Section 5. Section 6 discusses the limitations of the study and suggests avenues for future research and development. Finally, Section 7 provides a comprehensive overview of the entire study.

2. Mathematical Model and Topology of a Three-Phase PWM Rectifier

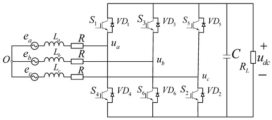
Figure 1 depicts the main circuit layout of the pre-stage three-phase PWM rectifier within the charging module.
The voltages in the above figure are represented as follows: i a , i b and i c are the currents of the AC grid side; u a , u b and u c are the a, b, and c phase voltages between the input of the three-phase PWM and the neutral point O, respectively. R is a three-phase PWM rectifier circuit’s equivalent resistance. L a , L b and L c are the three-phase PWM rectifier’s AC grid-side inductances; u d c , i d c are the bus voltage and current on the DC load side; R L is the load; C is the DC side capacitor; S 1 through S 6 are power IGBTs; and V D 1 through V D 6 are power diodes.
Figure 1 illustrates the derivation of the voltage equation for individual phases through the application of Kirchhoff’s voltage law. This process leads to the formulation of the mathematical model for the three-phase PWM rectifier within the three-phase stationary coordinate system.
d d t i a i b i c = 1 L u a u b u c R L i a i b i c
The three-phase stationary coordinate system lacks a direct correspondence between AC voltage and current, as both parameters exhibit variations over time. To address this issue and achieve precise control while minimizing static errors, the system must undergo Park and Clark transformations. Through these transformations, the AC values of the three-phase stationary coordinate system are converted into dq direct flow within a rotating coordinate system, thereby streamlining the PI control architecture.
Equation (1) is transformed into the α β two-phase stationary coordinate system using the Clark transformation method, with the corresponding transformation relationship expressed as follows:
x α x β = 2 3 1 1 2 1 2 0 3 2 3 2 x a x b x c
The physical components of the α β axis of x α and x β , respectively; x a , x b , and x c are the physical components of phases a, b, and c, respectively.
The mathematical expression in the α β coordinate system can be obtained by establishing a connection between points (1) and (2).
d d t i α i β = 1 L e α e β 1 L u α u β R L i α i β
where, i α and i β are the α β axis components of the grid-side current, respectively. e α and e β are the α β axis components of the grid-side voltage, respectively. u α and u β are the α β axis components of the AC side voltage of the converter, respectively.
Equation (3) is transformed into the dq rotation coordinate system using the Park transformation, which is defined by the corresponding transformation relationship provided below.
x d x q = cos ω t sin ω t sin ω t cos ω t x α x β
The physical components of the dq axis are denoted by symbols x d and x q , with ω representing the angular velocity of rotation of the dq axis, and t representing time.
The mathematical representation in the dq coordinate system can be derived through the integration of Equations (3) and (4).
d d t i d i q = 1 L e d e q 1 L u d u q R L i d i q + ω i q i d
The variables i d and i q represent the dq axis components of the grid-side current, while e d and e q denote the dq axis components of the grid-side voltage. Similarly, u d and u q refer to the dq axis components of the AC side voltage of the converter.

3. Outer Loop Voltage Module Design

This study employs a sliding mode variable structure control approach to effectively regulate the voltage outer loop, aiming to improve the monitoring of u d c * and enhance the robustness and speed of the control system. The difference between the reference value and the actual value, referred to as e u = u d c * u d c and i i q = i q * i q , is utilized to determine the state variables. By utilizing these characteristics, a sliding mode surface is developed to optimize the performance of the control system.
S 1 = k 1 ( i q * i q ) = 0 S 2 = ( u d c * u d c ) + γ ( d u d c * d t d u d c d t ) = 0
In the equation provided, where k 1 > 0 , the parameter γ serves as the control variable, and u d c * represents the anticipated output voltage.
S 1 = k 1 ( i q * i q ) = 0 S 2 = [ ( u d c * u d c ) + γ d u d c * d t + γ C i d c S q i q ] C γ S d i d = 0
In the dual-phase rotating dq coordinate system,
S d = ω L i d u d c * S q = e d R i d u d c * e d = 3 U R M S
where U R M S is the RMS value of the grid-side phase voltage and e q = 0 .
i d * = [ ( u d c * u d c ) + γ C i d c ] C u d c γ ( 3 U R M S R i d * )
By setting the reactive current reference value i q * = 0 and the DC-side voltage reference value u d c * = 700 V and combining the control strategy of Equation (9), the unit power factor control on the grid side as well as the stabilized output of the DC-side voltage can be achieved. Meanwhile, the active current reference value i d * output from the outer loop of the control strategy is used as the current set point of the current inner loop. The specific control block diagram is shown in Figure 2.

4. Inner Loop Current Module Design

4.1. Design of Fractional Order Double Idempotent Sliding Mode Observer

To aid in the development of observers, the state variables of the inner loop control system are structured to account for various perturbations impacting the system. The extended state observer is utilized to evaluate uncertainties in real-time, such as changes in parameters and external disturbances. Following this, an inner loop sliding mode controller is designed using a fractional-order double-power convergence rate to ensure robust current control is achieved.
Combining Equation (5) with the system perturbation term yields the following mathematical model, which is useful for designing the extended state observer (ESO):
L d i d d t = e d R i d + ω L i q + v d u d L d i q d t = e q R i q ω L i d + v q u q
where v d and v q are unknown perturbations. The state variable of the designed system is x 1 = [ i d i q ] T , and the state space equation of the system’s current inner loop becomes
x ˙ 1 = x ˙ 2 + b 0 u x ˙ 2 = d t
In this equation, the vector u is defined as u = [ u d u q ] T , where u d and u q denote the control inputs in the d-axis and q-axis, respectively. The coefficient b o is 1/L. d(t) represents an unknown time-dependent term originating from the system’s uncertainty or external perturbation. The vector x 2 is defined as [ ( e d R i a + ω L i q + v d ) / L ( e q R i q + ω L i d + v q ) / L ] T , which includes the unknown disturbance terms related to the d-axis and q-axis currents. Consequently, the following second-order ESO is designed:
z ˙ 1 = z 2 + b 0 i d * ε 1 ( z 1 x 1 ) z ˙ 2 = ε 2 ( z 1 x 1 )
In Equation (12): z 1 = [ z 1 d z 1 q ] T , z 2 = [ z 2 d z 2 q ] T are the observed values of the state quantities x 1 , x 2 ε 1 > 0 , ε 2 > 0 are the parameters of the observer.
The proposed control strategy involves implementing an inner loop sliding mode control mechanism. This inner loop sliding mode control aims to ensure that the real-time values of the system closely follow the specified reference values within the context of the two-phase rotating dq coordinate system. The design of the sliding mode surface for the current loop is based on utilizing the error between the reference values and the actual values as the state variable:
S i d = i d * i d S i q = i q * i q
where i d * , i q * are constants; S i d carries out control of the d-axis current; and S i q controls the q-axis current.
A novel approach is proposed in this study, involving the incorporation of a fractional-order micro-integral operator to facilitate the dispersion of system energy and mitigate jitter on the sliding mode surface. Leveraging the temporal decay characteristic inherent in fractional-order operators, this technique proves effective in minimizing the jitter observed in traditional sliding mode control systems.
The rate of convergence for fractional-order double power can be expressed as
S ˙ k = c 1 D η S k α sgn S k c 2 D η S k β sgn ( S k ) ( k = i d , i q )
where D η is the fractional order calculus operator, 0 η < 1 , is the fractional order, through the increased calculus order η , a regulating parameter, the convergence rate will have stronger regulation. Define the control parameters 0 < α < 1 , β > 1 , c 1 > 0 , c 2 > 0 .
From Equation (14), it can be observed that when | S k | > 1 , the system operates in a sliding mode far from the sliding mode surface, primarily governed by Equation (5). When | S k | < 1 , the system operates in a sliding mode close to the sliding mode surface, controlled by Equation (1). A reasonable combination of these phases can improve the motion quality of the system control during convergence to the sliding mode.
From Equation (14), it follows that there exists an upper-bound convergence time T max for the system, independent of the initial state, such that S ˙ k converges to zero. The convergence time of the above convergence rate can be expressed as
T max = 1 c 1 ( α 1 ) + 1 c 2 ( β 1 )
The perturbation observation z 2 obtained in Equation (12) is compensated into the fractional double power sliding mode control. Combining Equations (10) and (13), the control rate of the current loop can be expressed as follows:
u d = L z 2 d c 1 D η S i d α sgn ( S i d ) c 2 D η S i d β sgn ( S i d ) u q = L z 2 q c 1 D η S i q α sgn ( S i q ) c 2 D η S i q β sgn ( S i q )

4.2. Stability Analysis

The control system discussed in this study involves the utilization of a fractional-order double power sliding mode observer. This system employs fractional double power sliding mode control to adapt the control output in order to counteract disturbances, while an ESO is utilized to estimate both the system state and disturbances. To analyze the stability of the system, the paper develops a Lyapunov function that integrates the concepts of sliding mode control and state estimation error.
According to the design of the ESO, the dynamics of observer error can be formulated as follows.
e ˙ 1 = z ˙ 1 x ˙ 1 e ˙ 2 = z ˙ 2 x ˙ 2
where e 1 and e 2 are the current i d and i q observation errors, respectively. Introducing the observer error into Equation (12), the error dynamic equation is:
e ˙ 1 = e 2 ε 1 e 1 e ˙ 2 = ε 2 e 1
The Lyapunov function V is designed as
V = 1 2 ( S i d 2 + S i q 2 ) + 1 2 ( e 1 2 + e 2 2 )
Derivation of the above equation yields
V ˙ = S i d S ˙ i d + S i q S ˙ i q + e 1 e ˙ 1 + e 2 e ˙ 2
Substituting Equations (14) and (18),
V ˙ = c 1 D η ( | S i d | α + 1 + | S i q | α + 1 ) c 2 D η ( | S i d | β + 1 + | S i q | β + 1 ) + e 1 ( e 2 ε 1 e 1 ) + e 2 ( ε 2 e 2 )
Equation (21) can be simplified to
V ˙ = c 1 D η ( | S i d | α + 1 + | S i q | β + 1 ) c 2 D η ( | S i d | β + 1 + | S i q | β + 1 ) ε 1 e 1 2 ε 2 e 2 2 0
According to Lyapunov’s direct method, Equation (19) is positive definite (i.e., V = 0 only when S i d = 0 , S i q = 0 , e 1 = 0 , and e 2 = 0 ) and V ˙ is non-positive throughout the state space, indicating that the system states, S i d , S i q , e 1 , and e 2 , will asymptotically converge to zero. The stability of the system is proven.
The d-axis current fractional-order double power sliding mode observer control block diagram can be derived from Equation (22), as shown in Figure 3.
The control strategy proposed in this paper first accurately collects the current and voltage information of the DC side of the three-phase PWM rectifier. Subsequently, the strong robustness and fast response characteristics of the voltage loop sliding mode variable structure control are utilized to realize the precise control of this information and output the ideal current reference values i d * and i q * . These reference values are then inputted into the current inner loop of the fractional-order double power sliding mode observer control. Through the optimization algorithm of this observer, precise control voltages u d and u q are outputted. Thereafter, with the help of the coordinate transformation technique, u d , u q are transformed from the original coordinate system to the α β coordinate system to obtain u α , u β to adapt to the subsequent control requirements. Finally, the space vector pulse width modulation (SVPWM) technique is used to generate precise switching signals matching the ideal control voltage for efficient and precise control of the IGBT. The overall control block diagram of the three-phase PWM rectifier is shown in Figure 4.

5. Simulation and Result Analysis

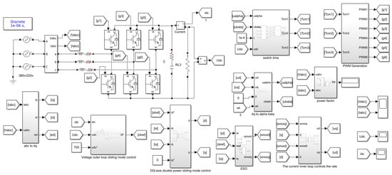
In order to assess the efficacy of the fractional-order double power sliding mode observer control strategy outlined in this study, a simulation study was carried out on a three-phase PWM rectifier system, as illustrated in Figure 5.

5.1. Hardware Parameter Design

In the context of a three-phase PWM rectifier, it is essential for the DC output voltage to adhere to operational standards and desired output levels. This is particularly crucial when considering a scenario where the AC side resistance is disregarded and the system is functioning in a rectified state. In such circumstances, an equation can be derived to determine the appropriate DC output voltage.
| U m | = E m 2 + ( ω L I m ) 2
The grid phase voltage assignment is denoted as E m , while U m and I m represent the fundamental wave amplitude of the voltage and current on the AC side.
Integrating the aforementioned equation and taking into account the space vector pulse width modulation (SVPWM) algorithm implemented in the system results in
u d c 3 ( E m 2 + ω 2 L H 2 I m 2 )
where M is the maximum voltage utilization of SVPWM, the value is: M= 3 / 3 . If the input side phase voltage RMS value is 220 V, then E m is 311 V, then as can be seen by Formula (24), the DC voltage u d c is greater than 538 V, taking into account the inductance of the voltage component and to leave a certain margin, can be the DC side of the output voltage of the system is designed for 700 V.
The AC inductance in the context of a three-phase PWM rectifier is crucial, as a judicious choice of AC side inductance can enhance both the dynamic and static performance of the current loop. Additionally, it can facilitate achieving the desired output voltage and power factor.
The selection of AC inductor parameters is crucial in meeting the operational requirements of a three-phase PWM rectifier. It is essential to consider only the fundamental wave components of voltage and current to streamline the design and analysis process. Based on this consideration, the maximum value of AC side inductance can be determined using Equations (23) and (24).
L M 2 u d c 2 E m 2 ω I m
Additional simplification results in
L 1 3 u d c 2 E m 2 ω I m
To achieve rapid tracking of AC current, it is essential to opt for a reduced AC inductance value to facilitate notable current fluctuations within each switching cycle. Conversely, to adequately mitigate the harmonic elements of the AC current, a higher AC inductance value is required to attenuate the pulsating impact of the current. Consequently, when formulating the AC inductance, it is imperative to judiciously establish the upper and lower thresholds of the inductance value by harmonizing these contrasting conditions to strike a balance between dynamic responsiveness and harmonic suppression.
In order to mitigate the presence of harmonics in the alternating current (AC) signal, the three-phase voltage source rectifier (VSR) must adhere to AC induction requirements.
L u d c T s 6 Δ i max
where i max is the maximum value of AC side current ripple allowed by the system and T s is the sampling period of the control system.
In order to expedite the processing of alternating current (AC) within a three-phase pulse-width modulation (PWM) rectifier, it is essential to optimize the AC inductance.
L u d c ω I m
Therefore, a consolidation of alternating current (AC) inductance data derived from Equations (26)–(28) is carried out, and the ultimate value is chosen at the point where they intersect. This decision-making procedure considers various factors including cost, device size, and performance metrics. In the end, the identified AC side inductance value is 4 mH.
The design concept of DC capacitor C bears some resemblance to that of the input inductor, with its capacitance being selected in accordance with its specific functions within the circuit. The primary roles of the capacitor include voltage stabilization and serving as an energy reservoir to enable energy transfer between the AC and DC sections. To uphold the stability of the DC output voltage across various perturbation scenarios, the capacitance on the DC side is typically chosen within a specified range.
C > 1 2 Δ u d c R
where Δ u d c is the maximum dynamic landing of the output voltage when a step disturbance occurs in the load.
The maximum allowable decrease in the output voltage is specified as 2 V, and this value is utilized in Equation (29) to determine that the capacitance C must exceed 1250 μF. Taking into account factors such as cost, device dimensions, and performance metrics, a capacitance value of 3300 μF is ultimately chosen.
In order to assess the effectiveness of the control strategy, it is juxtaposed with the fractional-order double power sliding mode control strategy lacking ESO and the conventional PI control method, as illustrated in Table 1.

5.2. Dynamic Performance Analysis

The voltage and current waveforms in Phase A under three distinct control strategies are depicted on the grid side in Figure 6. At 0.02 s, the voltage and current are in phase when utilizing the fractional-order dual-power sliding mode observer control method, as shown in Figure 6c. In contrast, Figure 6a,b indicate that achieving the same phase synchronization requires 0.03 s and 0.027 s, respectively. Upon comparing the performance of the three control approaches, it is evident that the method proposed in this study excels in enhancing the efficiency and response time of the grid side current. Additionally, it exhibits a lower power factor and quicker current response.
The outcomes of implementing the fractional-order double power sliding mode observer control method are depicted in Figure 7. The load-side voltage stabilizes within 0.02 s and experiences a 3.62% overshoot upon reaching the desired DC-side voltage. The DC-side voltage demonstrates a steady-state deviation and stabilizes around 0.034 s with a 10% overshoot when utilizing the fractional-order double power sliding mode control strategy. In contrast, employing PI control results in the load-side voltage achieving the target value in 0.027 s with an 8.28% overshoot. An examination of simulation data reveals that the fractional-order double power sliding mode observer control technique showcases enhanced dynamic performance and superior overshoot mitigation compared to the other control systems.

5.3. Anti-Interference Performance Analysis

Figure 8 depicts the DC-side voltage profile of a three-phase PWM rectifier undergoing a load mutation lasting 0.1 s. The voltage waveform generated by the fractional-order double power sliding mode observer control exhibits enhanced smoothness compared to the other control strategies presented in the figure. Specifically, in contrast to fractional-order sliding mode control and PI control, this approach reduces the peak voltage by 7 and 19 volts, respectively, while also accelerating the settling time by 0.003 s.
The current profile on the grid side experienced a sudden change at 0.1 s due to a rapid alteration in the load side of the three-phase PWM rectifier, as depicted in Figure 9. The current behavior under proportional–integral (PI) control is significantly influenced by the load and exhibits a longer stabilization period, as illustrated in Figure 9a. A comparison between the fractional-order dual-power sliding mode control and PI control, as shown in Figure 9b, reveals a marked enhancement in mitigating current profile distortions. Figure 9c demonstrates that the current profile under fractional-order dual-power sliding mode observer control exhibits reduced distortion and achieves stable control in a shorter timeframe compared to the other control methodologies.

5.4. Current Harmonic Quality Analysis

Figure 10 depicts the outcomes of the fast Fourier transform (FFT) analysis conducted on the grid-side current. In Figure 10c, the total harmonic distortion registers at 0.75% when employing the sinusoidal dual-power sliding mode observer control method prior to a sudden load alteration. Conversely, Figure 10a,b reveal total harmonic distortions of 1.06% and 1.20% when utilizing the fractional-order dual-power sliding mode control method and PI control strategy, respectively. Subsequently, Figure 10d–f exhibit total harmonic distortions of 0.56%, 0.51%, and 0.33% for the three distinct control methods following a sudden load shift. A comparison of the total harmonic distortion before and after the load variation is presented in Table 2, referencing literature [25]. Furthermore, an examination of the total harmonic number distortion rate is detailed in Table 3, aligning with literature [31]. The data analysis reveals that the control methodology effectively enhances power operation and diminishes total harmonic distortion (THD) in the grid current, thereby mitigating the impact of current harmonics.

6. Discussion

The research findings presented in this study illustrate that the fractional-order double-power sliding mode observer control strategy offers significant advantages in enhancing the robustness and dynamic performance of the three-phase PWM rectifier. The outcomes indicate that, in comparison to conventional control approaches, this strategy leads to a decrease in both the overshoot magnitude and the time required to achieve steady-state DC-side voltage. Furthermore, it results in a reduction in waveform distortion and the time taken for smooth regulation during load variations. The tracking of grid-side A-phase current to A-phase voltage is expedited, and the instability of the current waveform is effectively mitigated. Additionally, the total harmonic distortion (THD) of the grid-side current is decreased both pre and post load variations.
The integration of fractional-order control with an ESO in the fractional-order double-power sliding mode observer control strategy allows the system to adapt to forthcoming disturbances in real-time while retaining a memory of previous behavior. This methodology enhances the system’s resilience against external disturbances, its responsiveness, and its capacity to minimize current harmonics. Consequently, in comparison to existing literature on fractional order sliding mode control [30] and the two other control strategies discussed in this study, this approach not only diminishes system overshoot but also enhances dynamic response performance in terms of both dynamic response and disturbance resilience, thereby bolstering the system’s ability to withstand disturbances.
Based on the findings of the current harmonics analysis, the fractional-order dual-power sliding mode observer control strategy demonstrates superior performance in suppressing higher-order harmonics compared to both conventional control methods discussed in the paper and the fractional-order sliding mode control method referenced in literature [31]. Specifically, this strategy proves to be effective in reducing current harmonics under similar operating conditions. Furthermore, the total harmonic distortion (THD) values associated with sliding mode control as documented in literature [25] are reported as 3.81% and 1.73% before and after a load mutation, respectively. In contrast, the fractional-order dual-power sliding mode observer control strategy exhibits lower current THD levels and more effective mitigation of current harmonics. These outcomes not only support the efficacy of this control approach in enhancing power quality but also affirm its capability in managing current harmonics.
While the control strategy proposed in this research exhibits commendable performance in terms of dynamic response and disturbance rejection, it is important to note that the stability of the control system could be compromised under extreme or irregular operational conditions. This limitation may arise due to the current model’s inability to fully replicate all disturbances present in a complex real-world operational setting.
Future studies will investigate advanced sliding mode algorithms to enhance the jitter issue associated with traditional sliding mode surfaces. This will involve utilizing the global fast terminal sliding mode algorithm to enhance system robustness in uncertain conditions. Furthermore, the configuration of the three-phase PWM rectifier will be explored as a three-level or multilevel structure. This approach aims to decrease current harmonics, mitigate electromagnetic interference (EMI), enhance power conversion efficiency, widen the output voltage range, and potentially prolong battery lifespan.

7. Conclusions

This study introduces a novel fractional-order dual-power sliding mode observer control strategy for three-phase PWM rectifiers, accompanied by a comprehensive development and examination of the associated mathematical framework. By means of simulation trials and stability assessments, the ensuing deductions are delineated:
  • To improve the precision and stability of voltage control, the sliding mode variable structure control method is employed for the voltage outer loop. For enhanced accuracy and robustness in current control, the fractional-order dual-power sliding mode observer control strategy is applied within the current inner loop.
  • In comparison to conventional control methods, the recently proposed control technique exhibits superior performance in terms of dynamic response time, harmonic characteristics, and power factor. This advancement plays a significant role in optimizing the operational smoothness and effectiveness of grid systems. Noteworthy is the strategy’s ability to reduce peak voltage by 7 V and 19 V in response to load disturbances, thereby bolstering system stability and resilience against external interference.
  • This control approach enhances the dependability and effectiveness of the power conversion process, prolongs the operational lifespan of the electric vehicle charging system, and concurrently guarantees a more dependable and expedited charging encounter for the end user.

Author Contributions

Conceptualization, T.W.; Software, writing—original draft preparation and writing—review and editing, X.L.; Formal analysis, J.Z.; Investigation, S.C. and C.L.; Validation J.M. All authors have read and agreed to the published version of the manuscript.

Funding

This research received no external funding.

Data Availability Statement

The original contributions presented in the study are included in the article, further inquiries can be directed to the corresponding author.

Conflicts of Interest

The authors declare no conflict of interest.

References

  1. Wesseh, P.K.; Benjamin, N.I.; Lin, B. The coordination of pumped hydro storage, electric vehicles, and climate policy in imperfect electricity markets: Insights from China. Renew. Sustain. Energy Rev. 2022, 160, 112275. [Google Scholar] [CrossRef]
  2. Wang, T.; Hua, H.; Shi, T.; Wang, R.; Sun, Y.; Naidoo, P. A bi-level dispatch optimization of multi-microgrid considering green electricity consumption willingness under renewable portfolio standard policy. Appl. Energy 2024, 356, 122428. [Google Scholar] [CrossRef]
  3. Marinaro, M.; Bresser, D.; Beyer, E.; Faguy, P.; Passerini, S. Bringing forward the development of battery cells for automotive applications: Perspective of r&d activities in China, Japan, the EU and the USA. J. Power Sources 2020, 459, 228073. [Google Scholar]
  4. Jian, L.; Zechun, H.; Banister, D.; Yongqiang, Z.; Zhongying, W. The future of energy storage shaped by electric vehicles: A perspective from China. Energy 2018, 154, 249–257. [Google Scholar] [CrossRef]
  5. Teng, J.H.; Liao, S.H.; Wen, C.K. Design of a fully decentralized controlled electric vehicle charger for mitigating charging impact on power grids. IEEE Trans. Ind. Appl. 2017, 53, 1497–1505. [Google Scholar] [CrossRef]
  6. Demirci, T.O.M.U.R.C.U.K.; Kalaycıoglu, A.; Küçük, D.; Salor, Ö.; Güder, M.; Pakhuylu, S.; Atalık, T.; Inan, T.; Çadırcı, I.; Akkaya, Y.; et al. Nationwide real-time monitoring system for electrical quantities and power quality of the electricity transmission system. IET Gener. Transm. Distrib. 2011, 5, 540–550. [Google Scholar] [CrossRef]
  7. Andrade, J.C.G.; Ochoa, L.N.; Freitas, W. Regional-scale allocation of fast charging stations: Travel times and distribution system reinforcements. IET Gener. Transm. Distrib. 2020, 14, 4225–4233. [Google Scholar] [CrossRef]
  8. Xiong, B.; Wei, F.; Wang, Y.; Xia, K.; Su, F.; Fang, Y.; Gao, Z.; Wei, Z. Hybrid robust-stochastic optimal scheduling for multi-objective home energy management with the consideration of uncertainties. Energy 2024, 290, 130047. [Google Scholar] [CrossRef]
  9. Liu, J.; Motwani, J.K.; Burgos, R.; Zhou, Z.; Dong, D. A new hybrid modular multilevel rectifier as MVac–LVdc active front-end converter for fast charging stations and data centers. IEEE Trans. Power Electron. 2023, 38, 11023–11037. [Google Scholar] [CrossRef]
  10. Zhang, G.; Zhao, G.; Li, C.; Li, X.; Gu, X. Smooth Switching Method for Multi-Mode Synchronous Space Vector Modulation of NPC Three-Level Inverter. World Electr. Veh. J. 2023, 14, 62. [Google Scholar] [CrossRef]
  11. Lee, T.S.; Liu, J.H. Modeling and control of a three-phase four-switch PWM voltage-source rectifier in d-q synchronous frame. IEEE Trans. Power Electron. 2011, 26, 2476–2489. [Google Scholar] [CrossRef]
  12. Wang, T.; Lin, C.; Zheng, K.; Zhao, W.; Wang, X. Research on Grid-Connected Control Strategy of Photovoltaic (PV) Energy Storage Based on Constant Power Operation. Energies 2023, 16, 8056. [Google Scholar] [CrossRef]
  13. Chen, W.; Li, S.; Sun, W.; Bi, K.; Lin, Z.; Zhang, G. Wide Frequency PWM Rectifier Control System Based on Improved Deadbeat Direct Power Control. World Electr. Veh. J. 2022, 13, 230. [Google Scholar] [CrossRef]
  14. Zhang, Y.; Jiao, J.; Liu, J.; Gao, J. Direct power control of PWM rectifier with feedforward compensation of DC-bus voltage ripple under unbalanced grid conditions. IEEE Trans. Ind. Appl. 2019, 55, 2890–2901. [Google Scholar] [CrossRef]
  15. Gong, Z.; Tuo, P.; Zheng, C.; Wu, X. Design and Analysis of the Model Predictive Control Implemented by the ANN Technique for MMCBased Rectifier with Improved Grid Adaptability. IEEE Trans. Power Electron. 2024, 1–17. [Google Scholar] [CrossRef]
  16. Xiao, X.; Zhang, Y.; Song, X.; Tanju, Y.; Zhang, F. Virtual flux direct power control for PWM rectifiers based on an adaptive sliding mode observer. IEEE Trans. Ind. Appl. 2018, 54, 5196–5205. [Google Scholar] [CrossRef]
  17. Dixon, J.W.; Contardo, J.M.; Moran, L.A. A fuzzy-controlled active front-end rectifier with current harmonic filtering characteristics and minimum sensing variables. IEEE Trans. Power Electron. 1999, 14, 724–729. [Google Scholar] [CrossRef]
  18. Joo, D.M.; Byun, J.E.; Lee, B.K.; Kim, J.S. Adaptive delay control for synchronous rectification phase-shifted full-bridge converter with GaN HEMT. Electron. Lett. 2017, 53, 1541–1542. [Google Scholar] [CrossRef]
  19. Sebaaly, F.; Vahedi, H.; Kanaan, H.Y.; Moubayed, N.; Al-Haddad, K. Sliding mode fixed frequency current controller design for grid-connected NPC inverter. IEEE J. Emerg. Sel. Top. Power Electron. 2016, 4, 1397–1405. [Google Scholar] [CrossRef]
  20. Zhang, M.; Jing, X.; Huang, W.; Li, P. Saturated pd-smc method for suspension systems by exploiting beneficial nonlinearities for improved vibration reduction and energy-saving performance. Mech. Syst. Signal Process. 2022, 179, 109376. [Google Scholar] [CrossRef]
  21. Li, H.; Wu, W.; Huang, M.; Chung, H.; Blaabjerg, F. Design of PWM-SMC controller using linearized model for grid-connected inverter with LCL filter. IEEE Trans. Power Electron. 2020, 35, 12773–12786. [Google Scholar] [CrossRef]
  22. Han, Y.; Li, S.; Du, C. Adaptive higher-order sliding mode control of series-compensated dig-based wind farm for sub-synchronous control interaction mitigation. Energies 2020, 13, 5421. [Google Scholar] [CrossRef]
  23. Huang, J.; Zhang, A.; Zhang, H.; Ren, Z.; Wang, J.; Zhang, L.; Zhang, C. Improved direct power control for rectifier based on fuzzy sliding mode. IEEE Trans. Control. Syst. Technol. 2014, 22, 1174–1180. [Google Scholar] [CrossRef]
  24. Ahmed, H.; Celik, D. Sliding mode based adaptive linear neuron proportional resonant control of Vienna rectifier for performance improvement of electric vehicle charging system. J. Power Sources 2022, 542, 231788. [Google Scholar] [CrossRef]
  25. Yang, X.; Chen, Y.; Jia, W.; Fang, J.; Luo, X.; Gao, Z. RBF neural network based voltage outer loop sliding mode control of Vienna rectifier. Power Syst. Prot. Control. 2022, 50, 103–115. [Google Scholar]
  26. Huang, J.; Zhang, Z.; Han, J.; Jiang, W. Sliding mode control of permanent magnet generator system based on improved exponential rate reaching law. IET Electr. Power Appl. 2020, 14, 1154–1162. [Google Scholar] [CrossRef]
  27. Zhang, X.; Shi, R. Research on adaptive non-singular fast terminal sliding mode control based on variable exponential power reaching law in manipulators. Proc. Inst. Mech. Eng. Part I J. Syst. Control. Eng. 2022, 236, 567–578. [Google Scholar] [CrossRef]
  28. Ma, H.; Wu, J.; Xiong, Z. Discrete-time sliding-mode control with improved quasi-sliding-mode domain. IEEE Trans. Ind. Electron. 2016, 63, 6292–6304. [Google Scholar] [CrossRef]
  29. Armghan, H.; Yang, M.; Ali, N.; Armghan, A.; Alanazi, A. Quick reaching law based global terminal sliding mode control for wind/hydrogen/battery dc microgrid. Appl. Energy 2022, 316, 119050. [Google Scholar] [CrossRef]
  30. Wang, H.; Nie, J.; Li, B.; Zhang, G.; Wei, Y.; Wang, X. Fractional-order smooth-mode control strategy for AC-DC hybrid microgrid interconnection interface converter under grid voltage imbalance. Power Syst. Prot. Control. 2023, 51, 94–103. [Google Scholar]
  31. Wang, H.; Nie, J.; Li, B.; Kang, B.; Zhang, G. Voltage stability control of hybrid microgrid interface converter based on fractional order sliding mode. J. Power Syst. Autom. 2024, 36, 141–149. [Google Scholar]
  32. Huang, W.W.; Li, L.; Li, Z.L.; Zhu, Z.; Zhu, L.M. Robust high-bandwidth control of nano-positioning stages with kalman filter based extended state observer and h∞ control. Rev. Sci. Instrum. 2021, 92, 065003. [Google Scholar] [CrossRef]
  33. Li, Z.; Zhang, H.; Yan, H.; Lam, H.K.; Huang, C. Aperiodic sampled-data takagi-sugeno fuzzy extended state observer for a class of uncertain nonlinear systems with external disturbance and unmodeled dynamics. IEEE Trans. Fuzzy Syst. 2021, 30, 2678–2692. [Google Scholar] [CrossRef]
  34. Li, Y.; Yang, B.; Zheng, T.; Li, Y.; Cui, M.; Peeta, S. Extended-state-observer-based double-loop integral sliding-mode control of electronic throttle valve. IEEE Trans. Intell. Transp. Syst. 2015, 16, 2501–2510. [Google Scholar] [CrossRef]
  35. Guo, Q.; Chai, L.; Liu, H. Anti-swing sliding mode control of three-dimensional double pendulum overhead cranes based on extended state observer. Nonlinear Dyn. 2023, 111, 391–410. [Google Scholar] [CrossRef]
  36. Ma, R.; Guo, X.; Zhang, Y.; Gui, J. PMSG offshore wind power system control using SMC and ADRC with fast SVPWM in complicated environment. Electr Eng. 2023, 105, 2751–2767. [Google Scholar] [CrossRef]
  37. Zheng, W.; Chen, Y.Q.; Wang, X.; Huang, R.; Lin, M.; Guo, F. Fractional order sliding mode control for permanent magnet synchronous motor speed servo system via an improved disturbance observer. Int. J. Control. Autom. Syst. 2023, 21, 1143–1153. [Google Scholar] [CrossRef]
Figure 1. Three-phase PWM rectifier topology.
Figure 1. Three-phase PWM rectifier topology.
Wevj 15 00316 g001
Figure 2. Voltage outer loop sliding mode variable structure control.
Figure 2. Voltage outer loop sliding mode variable structure control.
Wevj 15 00316 g002
Figure 3. D-axis current loop control for sliding mode observer with fractional double power.
Figure 3. D-axis current loop control for sliding mode observer with fractional double power.
Wevj 15 00316 g003
Figure 4. Three-phase PWM control of the rectifier.
Figure 4. Three-phase PWM control of the rectifier.
Wevj 15 00316 g004
Figure 5. The three−phase PWM rectifier simulation model’s schematic diagram.
Figure 5. The three−phase PWM rectifier simulation model’s schematic diagram.
Wevj 15 00316 g005
Figure 6. Phase A voltage−current curve: (a) PI−controlled A−phase voltage-current curve; (b) A−phase voltage−current profile for fractional order double power sliding mode control; (c) A−phase voltage−current profile for fractional order double power sliding mode observer control.
Figure 6. Phase A voltage−current curve: (a) PI−controlled A−phase voltage-current curve; (b) A−phase voltage−current profile for fractional order double power sliding mode control; (c) A−phase voltage−current profile for fractional order double power sliding mode observer control.
Wevj 15 00316 g006
Figure 7. DC side voltage curves for different controls.
Figure 7. DC side voltage curves for different controls.
Wevj 15 00316 g007
Figure 8. Sudden DC-side voltage curves for different controls.
Figure 8. Sudden DC-side voltage curves for different controls.
Wevj 15 00316 g008
Figure 9. Grid−side current mutation curves: (a) Grid−side current burst curve for PI control. (b) Fractional order double power sliding mode control of grid-side current burst profile. (c) Fractional−order double−power sliding mode observer control of grid-side current burst profiles.
Figure 9. Grid−side current mutation curves: (a) Grid−side current burst curve for PI control. (b) Fractional order double power sliding mode control of grid-side current burst profile. (c) Fractional−order double−power sliding mode observer control of grid-side current burst profiles.
Wevj 15 00316 g009
Figure 10. Grid-side current harmonic analysis: (a) Grid-side current harmonic analysis before load mutation under PI control. (b) Grid-side current harmonic analysis before load mutation under fractional-order double power sliding mode control. (c) Grid-side current harmonic analysis before load mutation under fractional-order double power sliding mode observer control. (d) Grid-side current harmonic analysis after load mutation under PI control. (e) Grid-side current harmonic analysis before load mutation under PI control using fractional-order double power. (f) Grid-side current harmonic analysis after load mutation under fractional order double power sliding mode observer control.
Figure 10. Grid-side current harmonic analysis: (a) Grid-side current harmonic analysis before load mutation under PI control. (b) Grid-side current harmonic analysis before load mutation under fractional-order double power sliding mode control. (c) Grid-side current harmonic analysis before load mutation under fractional-order double power sliding mode observer control. (d) Grid-side current harmonic analysis after load mutation under PI control. (e) Grid-side current harmonic analysis before load mutation under PI control using fractional-order double power. (f) Grid-side current harmonic analysis after load mutation under fractional order double power sliding mode observer control.
Wevj 15 00316 g010
Table 1. Parameters of different control strategies.
Table 1. Parameters of different control strategies.
Control MethodsControl ParametersNumerical Value
PI k p v 3.6
k i v 13.5
k p i 25
k i i 130
Fractional-order dual-power sliding mode c 1 50
c 2 20,000
α 0.003
β 1.2
γ 0.005
Fractional-order dual-power sliding mode observer c 1 50
c 2 20,000
α 0.003
β 1.2
ε 1 10,000
ε 2 98,000
γ 0.005
Table 2. THD analysis before and after load mutation.
Table 2. THD analysis before and after load mutation.
ParametersPIFractional-Order Double-Power Sliding ModeFractional-Order Double-Power Sliding Mode ObserverAdaptive Voltage Outer Loop Sliding Mode Control with RBF Neural Networks [25]
THD before load mutation1.20%1.06%0.75%3.81%
THD for sudden load changes0.56%0.51%0.33%1.73%
Table 3. Current harmonic distortion rate.
Table 3. Current harmonic distortion rate.
Harmonic NumberDistortion Rate
PIFractional-Order Double-Power Sliding Mode ControlFractional-Order Double-Power Sliding Mode ObserverFractional-Order Sliding Mode Control [31]
20.15%0.11%0.05%0.07%
30.09%0.09%0.01%0.24%
40.08%0.04%0.01%0.48%
50.25%0.16%0.10%1.29%
60.02%0.03%0.02%0.43%
70.18%0.10%0.07%0.37%
80.03%0.01%0.02%0.17%
90.04%0.03%0.01%0.31%
Disclaimer/Publisher’s Note: The statements, opinions and data contained in all publications are solely those of the individual author(s) and contributor(s) and not of MDPI and/or the editor(s). MDPI and/or the editor(s) disclaim responsibility for any injury to people or property resulting from any ideas, methods, instructions or products referred to in the content.

Share and Cite

MDPI and ACS Style

Wang, T.; Li, X.; Zhang, J.; Chen, S.; Ma, J.; Lin, C. Fractional Sliding Mode Observer Control Strategy for Three-Phase PWM Rectifier. World Electr. Veh. J. 2024, 15, 316. https://doi.org/10.3390/wevj15070316

AMA Style

Wang T, Li X, Zhang J, Chen S, Ma J, Lin C. Fractional Sliding Mode Observer Control Strategy for Three-Phase PWM Rectifier. World Electric Vehicle Journal. 2024; 15(7):316. https://doi.org/10.3390/wevj15070316

Chicago/Turabian Style

Wang, Tao, Xin Li, Jihui Zhang, Shenhui Chen, Jinghao Ma, and Cunhao Lin. 2024. "Fractional Sliding Mode Observer Control Strategy for Three-Phase PWM Rectifier" World Electric Vehicle Journal 15, no. 7: 316. https://doi.org/10.3390/wevj15070316

APA Style

Wang, T., Li, X., Zhang, J., Chen, S., Ma, J., & Lin, C. (2024). Fractional Sliding Mode Observer Control Strategy for Three-Phase PWM Rectifier. World Electric Vehicle Journal, 15(7), 316. https://doi.org/10.3390/wevj15070316

Article Metrics

Back to TopTop