Internal Temperature Estimation of Lithium Batteries Based on a Three-Directional Anisotropic Thermal Circuit Model
Abstract
1. Introduction
2. Establishment and Parameterization Analysis of a Battery Thermal Model
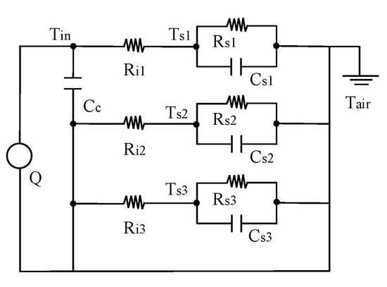
2.1. Three-Directional Anisotropic Thermoelectric Coupling Model for Lithium Batteries
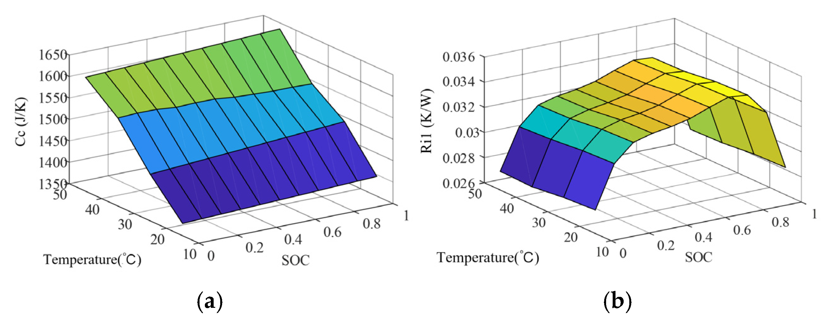
2.2. Parameterization of the Equivalent Thermal Circuit Model
3. Experiment of Thermal Model Parameter Identification
3.1. Identification Experiment of Open Circuit Voltage
- (1)
- At an ambient temperature of 25 °C, the battery is fully charged through a constant current, constant voltage (CCCV) test, where the current rate is 1 C and the cut-off voltage is 3.65 V;
- (2)
- Let the battery stand for 1 h at four temperature points: 15 °C, 25 °C, 35 °C, and 45 °C;
- (3)
- At intervals of 10% SOC, the battery starts discharging from 100% SOC. For each discharge of 10% SOC, let the battery stand for 1 h and record the terminal voltage value until the SOC reaches 0%.
3.2. Determination of the Entropy Heat Coefficient
3.3. Identification Experiment of Equivalent Thermal Circuit Model Parameters
- (1)
- Arrange the insulated thermocouple in the center of the three surfaces of the soft pack battery and seal the cut with epoxy resin;
- (2)
- At an ambient temperature of 25 °C, fully charge the battery during the constant current, constant voltage (CCCV) test with a current rate of 1 C and a cut-off voltage of 3.65 V;
- (3)
- Let the battery stand for 1 h at four temperature points: 15 °C, 25 °C, 35 °C, and 45 °C;
- (4)
- Discharge at a current rate of 1 C; let the battery stand for 1 h every 10% SOC. Then conduct a pulse charging and discharging test with 2 C charging for 10 s and 2 C discharging for 10 s in a cycle. After that, let the battery stand for 1 h.
4. Internal Temperature Estimation of the Battery
4.1. Internal Temperature Estimation Algorithm
- (1)
- State equation:
- (2)
- Calculate the error covariance matrix:
- (3)
- Propagate the cubature points:
- (4)
- A priori estimate o the state:
- (5)
- Take the square root of the prior error covariance matrix:
- (6)
- Propagate the cubature points:
- (7)
- A priori estimate the measurement:
- (8)
- Calculate the auto covariance matrix and cross-covariance matrix:
- (9)
- Calculate the innovation and Kalman gain:
- (10)
- Update the states and square root of the error covariance matrix:
- (11)
- Steps (2)–(5) are the time update process, and Steps (6)–(10) are the state update process. The time update process and the state update process are repeated to achieve the SRCKF algorithm.
4.2. Accuracy Verification and Robustness Analysis of Estimation Results
5. Conclusions
- (1)
- A battery thermal model is established from the perspectives of heat generation and transfer. The battery heat generation model considers the reversible and irreversible heat of the battery. In addition, based on the structure of the soft pack battery, an equivalent thermal circuit model considering three surface heat exchanges is established. The thermal model parameters are variables related to the internal temperature and SOC.
- (2)
- An experiment for determining the open circuit voltage, entropy heat coefficient, and equivalent thermal circuit model parameters is designed to parameterize the thermal model. The difference equation of the equivalent thermal circuit model for parameter identification is derived. Considering the large number of parameters, the material characteristics are used to empirically determine some parameters, reducing the difficulty of parameter identification.
- (3)
- The SRCKF is proposed for internal temperature estimation, and its accuracy is verified through two dynamic operating conditions: FUDS and US06. Compared with the AEKF, the SRCKF has a similar computational efficiency, with an accuracy improvement of over 50%. In addition, the robustness of the estimation method is verified by changing the initial internal temperature value.
Author Contributions
Funding
Data Availability Statement
Conflicts of Interest
References
- Chombo, P.V.; Laoonual, Y. A review of safety strategies of a Li-ion battery. J. Power Sources 2020, 478, 228649. [Google Scholar] [CrossRef]
- Zhang, C.; Li, K.; Deng, J. Real-time estimation of battery internal temperature based on a simplified thermoelectric model. J. Power Sources 2016, 302, 146–154. [Google Scholar] [CrossRef]
- Hasan, M.M.; Ali, P.S.; Jahanbani, A.A. A data-driven approach to estimate battery cell temperature using a nonlinear auto regressive exogenous neural network model. J. Energy Storage 2020, 32, 101879. [Google Scholar] [CrossRef]
- Liu, Y.; Zhou, F.; Xu, S. Estimation of battery temperature and SOC by combining electrothermal model and UKF algorithm. Chin. J. Power Sources 2021, 45, 166–172. [Google Scholar]
- Chen, S.; Zhang, Q.; Wang, F. An electrochemical-thermal-aging effects coupled model for lithium-ion batteries performance simulation and state of health estimation. Appl. Therm. Eng. 2024, 239, 122128. [Google Scholar] [CrossRef]
- Liu, K.L.; Li, K.; Peng, Q. Data-driven hybrid internal temperature estimation approach for battery thermal management. Complexity 2018, 2018, 9642892. [Google Scholar] [CrossRef]
- Chen, Z.; Li, C.; Pan, M. A structural difference design for thermal management to improve the temperature uniformity of high energy density lithium-ion batteries. Appl. Therm. Eng. 2023, 221, 119829. [Google Scholar] [CrossRef]
- Zhou, Y.; Xu, L.; Zhang, Z. Construction and simulation analysis of thermoelectric coupling model of lithium battery based on digital twin. Energy Storage Sci. Technol. 2023, 12, 536–543. [Google Scholar]
- Ma, Y.; Cui, Y.; Mou, H. Core temperature estimation of lithium-ion battery for EVs using Kalman filter. Appl. Therm. Eng. 2020, 168, 114816. [Google Scholar] [CrossRef]
- Liu, Z.; Tian, L.; Cheng, X. Internal temperature estimation of power lithium batteries based on GA-EKF. In Proceedings of the 3rd New Energy and Energy Storage System Control Summit Forum (NEESSC), Mianyang, China, 26–28 September 2023. [Google Scholar]
- Dai, H.; Zhu, L.; Zhu, J. Adaptive Kalman filtering based internal temperature estimation with an equivalent electrical network thermal model for hard-cased batteries. J. Power Sources 2015, 293, 351–365. [Google Scholar] [CrossRef]
- Chen, D.; Wang, Y.; Sun, S. Estimation of battery internal temperature based on unscented Kalman filter algorithm. J. Automot. Saf. Energy 2022, 13, 186–193. [Google Scholar]
- Zhi-Yu, L.; Da-Ming, W.; Jian-Hui, W.; Yue, W. A tracking algorithm based on orthogonal cubature Kalman filter with TDOA and FDOA. Acta Phys. Sin. 2015, 64, 150502. [Google Scholar] [CrossRef]
- Linghu, J.; Kang, L.; Liu, M. Estimation for state-of-charge of lithium-ion battery based on an adaptive high-degree cubature Kalman filter. Energy 2019, 189, 116204. [Google Scholar] [CrossRef]
- Peng, J.; Luo, J.; He, H. An improved state of charge estimation method based on cubature Kalman filter for lithium-ion batteries. Appl. Energy 2019, 253, 113520. [Google Scholar] [CrossRef]
- Mohammed, F.; Haitham, S.; Matthias, F. Combined electrochemical, heat generation, and thermal model for large prismatic lithium-ion batteries in real-time applications. J. Power Sources 2017, 360, 618–633. [Google Scholar]
- Bernardi, D.; Pawlikowski, E.; Newman, J. A general energy balance for battery systems. J. Electrochem. Soc. 1985, 132, 5–12. [Google Scholar] [CrossRef]
- Kou, S.; Gong, X.; Zhu, Q. Parameter identification of battery model based on forgetting factor recursive least square method. In Proceedings of the 2018 IEEE 4th Information Technology and Mechatronics Engineering Conference (ITOEC 2018), Chongqing, China, 14–16 December 2018. [Google Scholar]
- Locorotondo, E.; Lutzemberger, G.; Pugi, L. State-of-charge estimation based on model-adaptive Kalman filters. Proc. Inst. Mech. Engineers. Part I J. Syst. Control Eng. 2021, 235, 1272–1286. [Google Scholar]
- Xiong, R.; Li, X. Battery internal temperature estimation method through double extended Kalman filtering algorithm. J. Mech. Eng. 2020, 56, 146–151. [Google Scholar]
- Bazinski, S.J.; Wang, X. Experimental study on the influence of temperature and state-of-charge on the thermophysical properties of an LFP pouch cell. J. Power Sources 2015, 293, 283–291. [Google Scholar] [CrossRef]













| Parameter | Value | |
|---|---|---|
| Type | LiFePO4 | |
| Capacity | 20 Ah | |
| Voltage | 2.0 V–3.65 V | |
| Size | Length | 195 mm |
| Width | 150 mm | |
| Height | 8 mm | |
| Algorithm | Condition | Maximum Error (°C) | Average Error (°C) | Calculation Time (s) |
|---|---|---|---|---|
| SRCKF | FUDS | 0.153 | 0.023 | 0.54 |
| US06 | 0.096 | 0.030 | 0.40 | |
| AEKF | FUDS | 0.213 | 0.070 | 0.50 |
| US06 | 0.144 | 0.065 | 0.33 |
Disclaimer/Publisher’s Note: The statements, opinions and data contained in all publications are solely those of the individual author(s) and contributor(s) and not of MDPI and/or the editor(s). MDPI and/or the editor(s) disclaim responsibility for any injury to people or property resulting from any ideas, methods, instructions or products referred to in the content. |
© 2024 by the authors. Licensee MDPI, Basel, Switzerland. This article is an open access article distributed under the terms and conditions of the Creative Commons Attribution (CC BY) license (https://creativecommons.org/licenses/by/4.0/).
Share and Cite
Meng, X.; Sun, H.; Jiang, T.; Huang, T.; Yu, Y. Internal Temperature Estimation of Lithium Batteries Based on a Three-Directional Anisotropic Thermal Circuit Model. World Electr. Veh. J. 2024, 15, 270. https://doi.org/10.3390/wevj15060270
Meng X, Sun H, Jiang T, Huang T, Yu Y. Internal Temperature Estimation of Lithium Batteries Based on a Three-Directional Anisotropic Thermal Circuit Model. World Electric Vehicle Journal. 2024; 15(6):270. https://doi.org/10.3390/wevj15060270
Chicago/Turabian StyleMeng, Xiangyu, Huanli Sun, Tao Jiang, Tengfei Huang, and Yuanbin Yu. 2024. "Internal Temperature Estimation of Lithium Batteries Based on a Three-Directional Anisotropic Thermal Circuit Model" World Electric Vehicle Journal 15, no. 6: 270. https://doi.org/10.3390/wevj15060270
APA StyleMeng, X., Sun, H., Jiang, T., Huang, T., & Yu, Y. (2024). Internal Temperature Estimation of Lithium Batteries Based on a Three-Directional Anisotropic Thermal Circuit Model. World Electric Vehicle Journal, 15(6), 270. https://doi.org/10.3390/wevj15060270
