Analysis of Efficiency and Noise, Vibration, and Hardness Characteristics of Inverter for Electric Vehicles According to Pulse Width Modulation Technique
Abstract
1. Introduction
2. Literature Review of EV Inverter
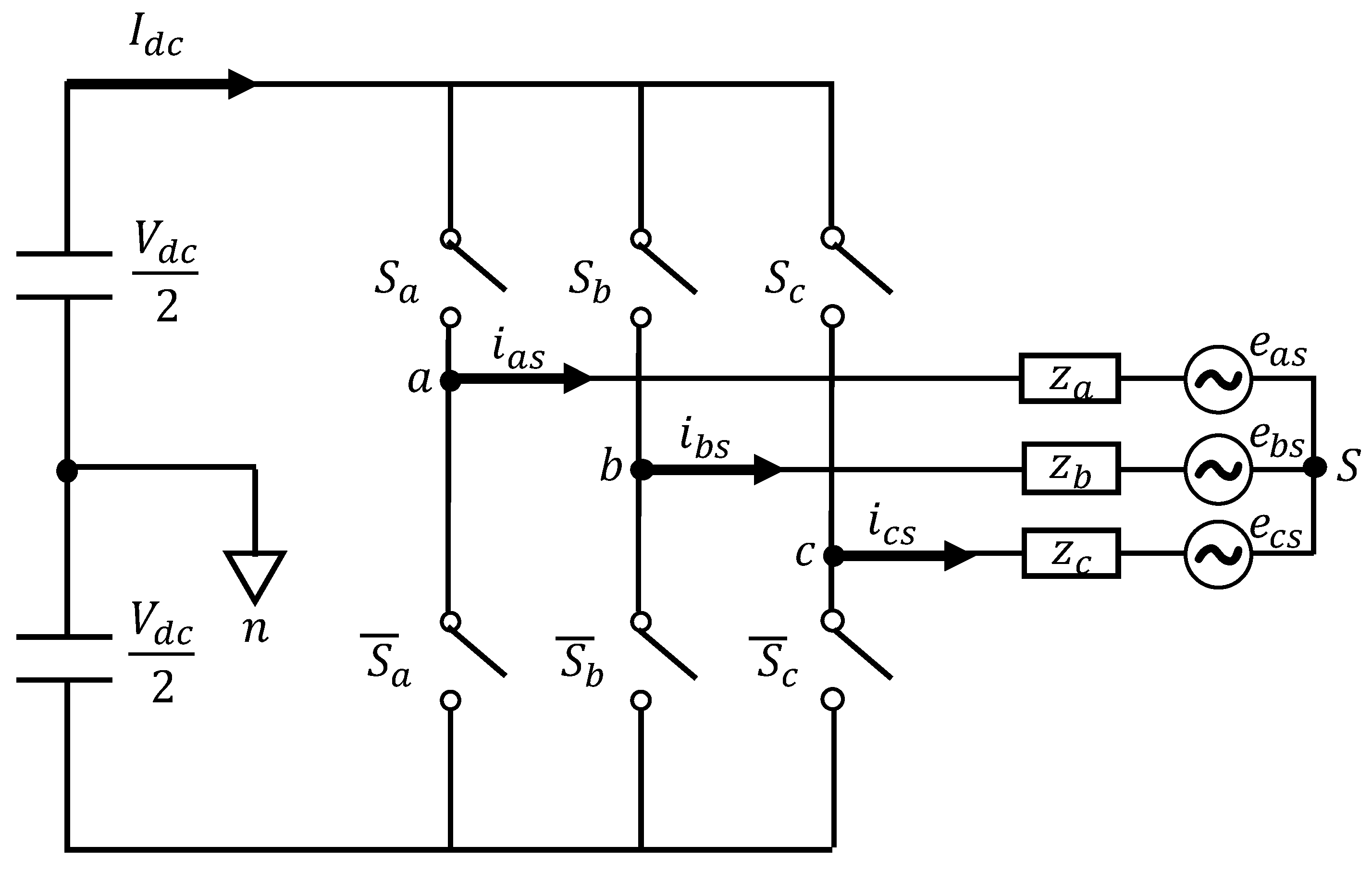
2.1. Overview of Electric Vehicle (EV) Inverters
2.2. Pulse Width Modulation Techniques
2.2.1. Space Vector PWM
2.2.2. Discontinuous PWM
2.2.3. Random PWM
2.3. Contemplation of Harmonics in General PWM Techniques
3. Experimental Results
3.1. Efficiency Measurements
3.1.1. Inverter Efficiency Results
3.1.2. Motor Efficiency Results
3.1.3. Inverter and Motor Efficiency Results
3.2. NVH Measurements
Noise Frequency Analysis and Impact of PWM Techniques on NVH
4. Conclusions
Funding
Data Availability Statement
Conflicts of Interest
References
- Ehsani, M.; Gao, Y.; Longo, S.; Ebrahimi, K. Modern Electric, Hybrid Electric, and Fuel Cell Vehicles; CRC Press: Boca Raton, FL, USA, 2018. [Google Scholar]
- Zhang, X.; Mi, C.C. Vehicle Power Management: Modeling, Control and Optimization; Springer: London, UK, 2011. [Google Scholar]
- Ehsani, M.; Gao, Y.; Emadi, A. Modern Electric, Hybrid Electric, and Fuel Cell Vehicles: Fundamentals, Theory, and Design, 2nd ed.; CRC Press: Boca Raton, FL, USA, 2009. [Google Scholar]
- Rodríguez, J.; Lai, J.S.; Peng, F.Z. Multilevel inverters: A survey of topologies, controls, and applications. IEEE Trans. Ind. Electron. 2002, 49, 724–738. [Google Scholar] [CrossRef]
- Bose, B.K. Modern Power Electronics and AC Drives; Prentice Hall: Hoboken, NJ, USA, 2002. [Google Scholar]
- Holmes, D.G.; Lipo, T.A. Pulse Width Modulation for Power Converters: Principles and Practice; John Wiley & Sons: Hoboken, NJ, USA, 2003. [Google Scholar]
- Hava, A.M.; Kerkman, R.J.; Lipo, T.A. Simple analytical and graphical methods for carrier-based PWM-VSI drives. IEEE Trans. Power Electron. 1999, 14, 49–61. [Google Scholar] [CrossRef]
- Wu, B. High-Power Converters and AC Drives; John Wiley & Sons: Hoboken, NJ, USA, 2006. [Google Scholar]
- Kazmierkowski, M.P.; Krishnan, R.; Blaabjerg, F. Control in Power Electronics: Selected Problems; Academic Press: New York, NY, USA, 2002. [Google Scholar]
- Habetler, T.G.; Divan, D.M. Acoustic noise reduction in sinusoidal PWM drives using a randomly modulated carrier. IEEE Trans. Power Electron. 1991, 6, 356–363. [Google Scholar] [CrossRef]
- Franquelo, L.G.; Rodriguez, J.; Leon, J.I.; Kouro, S.; Portillo, R.; Prats, M.A.M. The age of multilevel converters arrives. IEEE Ind. Electron. Mag. 2008, 2, 28–39. [Google Scholar] [CrossRef]
- Kouro, S.; Malinowski, M.; Gopakumar, K.; Pou, J.; Franquelo, L.G.; Wu, B.; Rodriguez, J.; Pérez, M.A.; Leon, J.I. Recent Advances and Industrial Applications of Multilevel Converters. IEEE Trans. Ind. Electron. 2010, 57, 2553–2580. [Google Scholar] [CrossRef]
- Holtz, J. Pulsewidth Modulation-A Survey. IEEE Trans. Ind. Electron. 1992, 39, 410–420. [Google Scholar] [CrossRef]
- van der Broeck, H.W.; Skudelny, H.-C.; Stanke, G.V. Analysis and realization of a pulsewidth modulator based on voltage space vectors. IEEE Trans. Ind. Appl. 1988, 24, 142–150. [Google Scholar] [CrossRef]
- Kazmierkowski, M.P.; Franquelo, L.G.; Rodriguez, J.; Perez, M.A.; Leon, J.I. High-Performance Motor Drives. IEEE Ind. Electron. Mag. 2011, 5, 6–26. [Google Scholar] [CrossRef]
- Malinowski, M.; Gopakumar, K.; Rodriguez, J.; Perez, M.A. A Survey on Cascaded Multilevel Inverters. IEEE Trans. Ind. Electron. 2010, 57, 2197–2206. [Google Scholar] [CrossRef]
- Zhou, K.; Wang, D. Relationship between space-vector modulation and three-phase carrier-based PWM: A comprehensive analysis. IEEE Trans. Ind. Electron. 2002, 49, 186–196. [Google Scholar] [CrossRef]
- Iqbal, A.; Levi, E.; Jones, M.; Vukosavic, S.N. Generalised sinusoidal PWM with harmonic injection for multi-phase VSIs. In Proceedings of the 37th IEEE Power Electronics Specialists Conference, Jeju, Republic of Korea, 18–22 June 2006; pp. 1–7. [Google Scholar]
- Narayanan, G.; Ranganathan, V.T. Two novel synchronized bus-clamping PWM strategies based on space vector approach for high power drives. IEEE Trans. Power Electron. 2002, 17, 84–93. [Google Scholar] [CrossRef]
- Ojo, O. The generalized discontinuous PWM scheme for three-phase voltage source inverters. IEEE Trans. Ind. Electron. 2004, 51, 1280–1289. [Google Scholar] [CrossRef]
- Trzynadlowski, A.M.; Blaabjerg, F.; Pedersen, J.K.; Kirlin, R.L.; Legowski, S. Random pulse width modulation techniques for converter-fed drive systems-a review. IEEE Trans. Ind. Appl. 1994, 30, 1166–1175. [Google Scholar] [CrossRef]
- Lai, Y.-S.; Chang, Y.-T. Design and implementation of vector-controlled SPWM inverter using a DSP and FPGA. IEEE Trans. Ind. Electron. 2003, 50, 116–127. [Google Scholar]
- Bech, M.M.; Pedersen, J.K.; Blaabjerg, F. Random modulation techniques with fixed switching frequency for three-phase power converters. IEEE Trans. Power Electron. 2000, 15, 753–761. [Google Scholar] [CrossRef]















| No | PWM Method | Output Voltage | P.U | Voltage Ratio |
|---|---|---|---|---|
| 1 | SPWM | 0.5 | 100 [%] | |
| 2 | SVPWM | 0.5773 | 115.47 [%] | |
| 3 | 6-Step | 0.6366 | 127.324 [%] |
| Parameters | Value | Unit |
|---|---|---|
| DC Voltage | 400 | V |
| Speed range | 1000~10,000 | rpm |
| Torque range | 20~300 | Nm |
| Pole pair | 4 | - |
| 0.168/0.632/0.0135 | mH/mH/Ω |
| Parameters | Value | Unit |
|---|---|---|
| Chamber dimensions | 8.5/8.5/4.5 | M |
| Noise floor | 20 | dB(A) |
| Lower frequency limit | 100 | Hz |
| Parameters | Value | Unit |
|---|---|---|
| Maximum power | 1000 | kW |
| Maximum DC voltage | 1200 | V |
| Maximum current | 1200 | V |
| Speed range | −24,000~24,000 | rpm |
| Maximum torque (nominal) | 1200 | Nm |
Disclaimer/Publisher’s Note: The statements, opinions and data contained in all publications are solely those of the individual author(s) and contributor(s) and not of MDPI and/or the editor(s). MDPI and/or the editor(s) disclaim responsibility for any injury to people or property resulting from any ideas, methods, instructions or products referred to in the content. |
© 2024 by the author. Published by MDPI on behalf of the World Electric Vehicle Association. Licensee MDPI, Basel, Switzerland. This article is an open access article distributed under the terms and conditions of the Creative Commons Attribution (CC BY) license (https://creativecommons.org/licenses/by/4.0/).
Share and Cite
Kim, D.-Y. Analysis of Efficiency and Noise, Vibration, and Hardness Characteristics of Inverter for Electric Vehicles According to Pulse Width Modulation Technique. World Electr. Veh. J. 2024, 15, 546. https://doi.org/10.3390/wevj15120546
Kim D-Y. Analysis of Efficiency and Noise, Vibration, and Hardness Characteristics of Inverter for Electric Vehicles According to Pulse Width Modulation Technique. World Electric Vehicle Journal. 2024; 15(12):546. https://doi.org/10.3390/wevj15120546
Chicago/Turabian StyleKim, Do-Yun. 2024. "Analysis of Efficiency and Noise, Vibration, and Hardness Characteristics of Inverter for Electric Vehicles According to Pulse Width Modulation Technique" World Electric Vehicle Journal 15, no. 12: 546. https://doi.org/10.3390/wevj15120546
APA StyleKim, D.-Y. (2024). Analysis of Efficiency and Noise, Vibration, and Hardness Characteristics of Inverter for Electric Vehicles According to Pulse Width Modulation Technique. World Electric Vehicle Journal, 15(12), 546. https://doi.org/10.3390/wevj15120546

