A Study on Series-Parallel Winding Changeover Circuit and Control Method for Expanding the High-Efficiency Operating Range of IPMSM for xEV Drive Systems
Abstract
1. Introduction
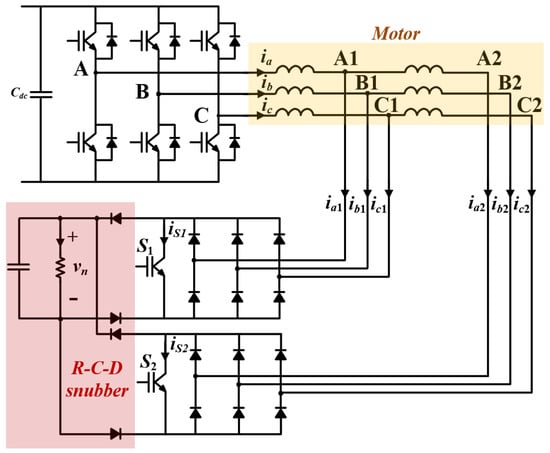
2. Conventional Changeover Circuit
3. Proposed Changeover Circuit
4. Comparative Analysis
5. Experimental Results
6. Conclusions
Author Contributions
Funding
Data Availability Statement
Conflicts of Interest
Correction Statement
References
- Husain, I.; Ozpineci, B.; Islam, S.; Gurpinar, E.; Su, G.-J.; Yu, W.; Chowdhury, S.; Xue, L.; Rahman, D.; Sahu, R. Electric Drive Technology Trends, Challenges, and Opportunities for Future Electric Vehicles. Proc. IEEE 2021, 109, 1039–1059. [Google Scholar] [CrossRef]
- Aghabali, I.; Bauman, J.; Kollmeyer, P.J.; Wang, Y.; Bilgin, B.; Emadi, A. 800-V Electric Vehicle Powertrains: Review and Analysis of Benefits, Challenges, and Future Trends. IEEE Trans. Transp. Electrif. 2021, 7, 927–948. [Google Scholar] [CrossRef]
- Reimers, J.; Dorn-Gomba, L.; Mak, C.; Emadi, A. Automotive Traction Inverters: Current Status and Future Trends. IEEE Trans. Veh. Technol. 2019, 68, 3337–3350. [Google Scholar] [CrossRef]
- Puma-Benavides, D.S.; Calderon-Najera, J.d.D.; Izquierdo-Reyes, J.; Galluzzi, R.; Llanes-Cedeño, E.A. Methodology to Improve an Extended-Range Electric Vehicle Module and Control Integration Based on Equivalent Consumption Minimization Strategy. World Electr. Veh. J. 2024, 15, 439. [Google Scholar] [CrossRef]
- Liang, J.; Feng, J.; Fang, Z.; Lu, Y.; Yin, G.; Mao, X.; Wu, J.; Wang, F. An Energy-Oriented Torque-Vector Control Framework for Distributed Drive Electric Vehicles. IEEE Trans. Transp. Electrification 2023, 9, 4014–4031. [Google Scholar] [CrossRef]
- Liang, J.; Wang, F.; Feng, J.; Zhao, M.; Fang, R.; Pi, D.; Yin, G. A Hierarchical Control of Independently Driven Electric Vehicles Considering Handling Stability and Energy Conservation. IEEE Trans. Intell. Veh. 2023, 9, 738–751. [Google Scholar] [CrossRef]
- Du, J.; Wang, X.; Lv, H. Optimization of magnet shape based on efficiency map of IPMSM for EVs. IEEE Trans. Appl. Supercond. 2016, 26, 0609807. [Google Scholar] [CrossRef]
- Zhang, Z.; Zuo, C.; Hao, W.; Zuo, Y.; Zhao, X.L.; Zhang, M. Three-speed Transmission System for Purely Electric Vehicles. Int. J. Automot. Technol. 2013, 14, 773–778. [Google Scholar] [CrossRef]
- Jung, H.-C.; Kim, D.-J.; Jung, S.-Y.; Lee, D. Optimization Method to Maximize Efficiency Map of a Drive Motor With Electrical Winding Changeover Technique for Hybrid EV. IEEE Trans. Appl. Supercond. 2020, 30, 5205405. [Google Scholar] [CrossRef]
- Zhou, X.; Yang, J.; Migliazza, G.; Guenter, S.; Wang, S.; Gerada, C.; Buticchi, G. Improved Speed Extension for Permanent Magnet Synchronous Generators by Means of Winding Reconfiguration. Energies 2023, 16, 899. [Google Scholar] [CrossRef]
- Hsieh, M.; Hsu, F.; Dorrell, D.G. Winding changeover permanent-magnet generators for renewable energy applications. IEEE Trans. Magn. 2012, 48, 4168–4171. [Google Scholar] [CrossRef]
- Wang, M.; Hsu, N.; Chiang, C.; Wang, S.; Shau, T. A novel changeover technique for variable-winding brushless DC motor drives. In Proceedings of the SICE Annual Conference 2010, Taipei, Taiwan, 18–21 August 2010. [Google Scholar]
- Kume, T.; Iwakane, T.; Sawa, T.; Yoshida, T.; Nagai, I. A wide constant power range vector-controlled ac motor drive using winding changeover technique. IEEE Trans. Ind. Appl. 1991, 27, 934–939. [Google Scholar] [CrossRef]
- Kume, T.; Sawa, T.; Sawamura, M.; Zenke, M. Inverter Driving Method for Induction Motors. U.S. Patent 4/916,376, 10 April 1990. [Google Scholar]
- Yano, A.; Shimizu, D.; Yano, K.; Momen, K. Electric Motor Drive System and Winding Switching Method. U.S. Patent 14/598,177, 5 January 2015. [Google Scholar]
- Kume, T.; Sawa, T. A Static Winding Changeover Technique. Japanese Patent Hei 7-99959, 25 October 1995. [Google Scholar]
- Swamy, M.M.; Kume, T.; Maemura, A.; Morimoto, S. Extended High-Speed Operation via Electronic Winding-Change Method for AC Motors. IEEE Trans. Ind. Appl. 2006, 42, 742–753. [Google Scholar] [CrossRef]
- Sadeghi, S.; Guo, L.; Toliyat, H.A.; Parsa, L. Wide Operational Speed Range of Five-Phase Permanent Magnet Machines by Using Different Stator Winding Configurations. IEEE Trans. Ind. Electron. 2012, 59, 2621–2631. [Google Scholar] [CrossRef]
- Itoh, J.-I.; Tanimukai, K. Seamless star-delta winding changeover circuit for AC generators. In Proceedings of the 2015 International Conference on Renewable Energy Research and Applications (ICRERA), Palermo, Italy, 22–25 November 2015. [Google Scholar]
- Takatsuka, Y.; Hara, H.; Yamada, K.; Maemura, A.; Kume, T. A wide speed range high efficiency EV drive system using winding changeover technique and SiC devices. In Proceedings of the IPEC Hiroshima 2014 ECCE-ASIA, Hiroshima, Japan, 18–21 May 2014; pp. 1898–1903. [Google Scholar]
- Maemura, A.; Morimoto, S.; Yamada, K.; Sawa, T.; Kume, T.J.; Swamy, M.M. A Novel Method for Extending Stroke Length in Moving Magnet Type Linear Motor Drive System by Employing Winding Changeover Technique. In Proceedings of the IEEJ International Power Electronics Conference 2005, Tokyo, Japan, 4–8 April 2005. [Google Scholar]
- Kume, T.; Swamy, M.M.; Sawamura, M.; Yamada, K.; Murokita, I. A Quick Transition Electronic Winding Changeover Technique for Extended Speed Ranges. In Proceedings of the IEEE Power Electronics Specialists Conference, Aachen, Germany, 20–25 June 2004. [Google Scholar]
- Shin, Y.; Na, J.; Cho, S.; Park, J.; Shin, W.; Lee, J. A Study on the Winding Changeover Circuit to Expand the High Efficient Operating Region of EV Traction Motor. In Proceedings of the 2021 24th International Conference on Electrical Machines and Systems (ICEMS), Gyeongju, Republic of Korea, 31 October–3 November 2021. [Google Scholar]




















| Parameters | Base Speed | Maximum Speed |
|---|---|---|
| Speed | 3000 RPM | 6000 RPM |
| Torque | 318.4 Nm | 159.3 Nm |
| Line-to-Line Voltage | 188.5 Vrms | 212.5 Vrms |
| Phase Voltage | 109.8 Vrms | 126.4 Vrms |
| Phase Current | 361.5 Arms | 337.5 Arms |
| Parameters | Base Speed | Maximum Speed |
|---|---|---|
| Speed | 6000 RPM | 10,000 RPM |
| Torque | 159.4 Nm | 95.7 Nm |
| Line-to-Line Voltage | 169.5 Vrms | 212.4 Vrms |
| Phase Voltage | 98.4 Vrms | 123.4 Vrms |
| Phase Current | 365.5 Arms | 305.0 Arms |
Disclaimer/Publisher’s Note: The statements, opinions and data contained in all publications are solely those of the individual author(s) and contributor(s) and not of MDPI and/or the editor(s). MDPI and/or the editor(s) disclaim responsibility for any injury to people or property resulting from any ideas, methods, instructions or products referred to in the content. |
© 2024 by the authors. Published by MDPI on behalf of the World Electric Vehicle Association. Licensee MDPI, Basel, Switzerland. This article is an open access article distributed under the terms and conditions of the Creative Commons Attribution (CC BY) license (https://creativecommons.org/licenses/by/4.0/).
Share and Cite
Shin, Y.; Cho, S.; Lee, J. A Study on Series-Parallel Winding Changeover Circuit and Control Method for Expanding the High-Efficiency Operating Range of IPMSM for xEV Drive Systems. World Electr. Veh. J. 2024, 15, 501. https://doi.org/10.3390/wevj15110501
Shin Y, Cho S, Lee J. A Study on Series-Parallel Winding Changeover Circuit and Control Method for Expanding the High-Efficiency Operating Range of IPMSM for xEV Drive Systems. World Electric Vehicle Journal. 2024; 15(11):501. https://doi.org/10.3390/wevj15110501
Chicago/Turabian StyleShin, Yangjin, Suyeon Cho, and Ju Lee. 2024. "A Study on Series-Parallel Winding Changeover Circuit and Control Method for Expanding the High-Efficiency Operating Range of IPMSM for xEV Drive Systems" World Electric Vehicle Journal 15, no. 11: 501. https://doi.org/10.3390/wevj15110501
APA StyleShin, Y., Cho, S., & Lee, J. (2024). A Study on Series-Parallel Winding Changeover Circuit and Control Method for Expanding the High-Efficiency Operating Range of IPMSM for xEV Drive Systems. World Electric Vehicle Journal, 15(11), 501. https://doi.org/10.3390/wevj15110501

