Dynamic Wireless Charging of Electric Vehicles Using PV Units in Highways
Abstract
1. Introduction
1.1. Motivation
1.2. Literature Review
1.3. Gaps
1.4. Contribution
- The development of a novel coil design and adaptive hardware for improved PTE and coil misalignment mitigation in WPT;
- The design of multi-segmented transmitters for DWC integrated with adaptive renewable PV units and a battery system;
- The introduction of a methodology for arranging and designing roadside lanes and running EV facilities;
- The optimization of the TC RC compensation circuits and high-frequency inverters/converters using pdetool;
- The establishment of a control methodology for PV units station batteries and the main grid;
- The validation of the proposed system through practical application and analysis demonstrating its effectiveness in real-world scenarios.
- To validate the results, a wireless EV charging prototype using OPAL-RT 4510, OPAL-RT, Montreal, QC, Canada was created and integrated with the simulation MATLAB Simulink Software 2022 with WPT technology. The results confirmed the effectiveness of the proposed DWC system and could reliably transfer power to the moving EVs with high efficiency.
2. Proposed System Methodology (Description)
3. Proposed System Modeling
3.1. Station Supply
3.2. PV Array Sizing
3.3. MPPT
3.4. Station Battery Sizing
3.5. Station Operation Control Methodology
- The EVB is charged from the PV units supported by station batteries without relying on the network;
- In case of sunset conditions, and if station batteries are fully discharged, the EVB can be charged from the main network as backup;
- If there is surplus energy after charging the EVB from the PV, the station batteries are used;
- If there is surplus energy after charging the EVB from the PV, and the batteries are fully charged, the surplus energy is sold to the grid.
3.6. Wireless Charging Circuit Design
3.6.1. Coil Arrangements
3.6.2. Coil Design
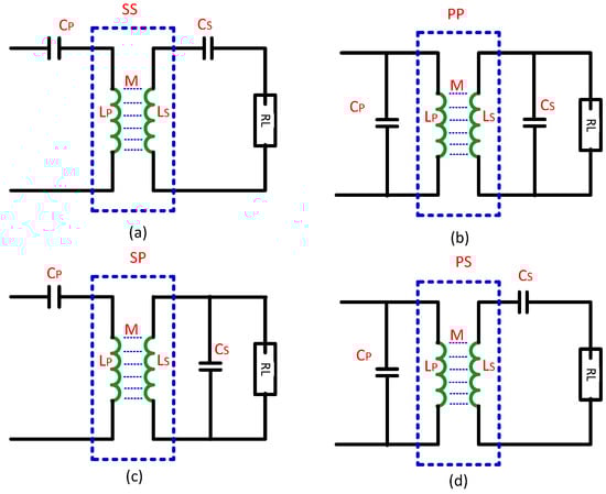
3.6.3. Compensation Network (Resonant Circuit)
3.6.4. Design Procedure for DWC for EVB
3.7. High-Frequency Inverter and Rectifier
4. EV Battery Charging Methodology
| Algorithm 1 EV Charging Methodology |
|
5. Wireless System Design
Identifying TC RC and Resonant Frequency
6. Experimental Validation
- Power Generation (MATLAB/Simulink):
- –
- Power is generated either from a simulated PV model or from the electrical grid, depending on the scenario illustrated in Figure 3.
- –
- This power is managed by a DC-DC converter that controls the voltage and current supplied to the battery system.
- Station Battery (MATLAB/Simulink):
- –
- A simulated battery in the station stores energy and supplies it to the vehicle for charging.
- –
- This battery either charges from the grid/PV source or directly provides energy to the vehicle’s system as needed.
- OPAL-RT (HIL Interface):
- –
- The energy from the PV/grid simulation and station battery is transferred via Line 1 to the OPAL-RT platform for real-time processing.
- –
- OPAL-RT sends this power through Line 2 to the station’s high-frequency inverter (hardware) with a frequency of 29.5 kHz (computed from the design in Section 5) to convert DC to AC at a high frequency. This inverter is an actual hardware component responsible for generating the required AC power for wireless power transfer.
- Transmitting Coil and Receiving Coil (MATLAB/Simulink + Hardware)
- –
- The high-frequency AC power is transmitted back to the OPAL-RT platform via Line 3, which processes and sends the signal to the transmitter coil (simulated in MATLAB/Simulink) through Line 4.
- –
- The transmitting coil generates an alternating magnetic field used to transfer power wirelessly to the vehicle’s receiving coil.
- –
- The receiver coil on the EV side captures the magnetic field generated by the transmitting coil and converts it back into AC power.
- –
- This power is sent to OPAL-RT through Line 5, where it is processed and routed to the EV rectifier (hardware) through Line 6.
- –
- The sending and receiving coil designs are described in Section 5.
- EV Rectifier (Hardware):
- –
- The EV rectifier (hardware) is responsible for converting the high-frequency AC power received from the OPAL-RT system back into DC power, suitable for charging the vehicle’s battery.
- EV Battery (Hardware):
- –
- The rectified DC power is then supplied to the EV battery via Line 7, completing the charging process.
7. Operation of the Proposed System
7.1. Design of Station Elements Capacity
7.2. Dynamic Charging Performance
7.3. Results and Observations
- Power Transfer Efficiency (PTE): The PTE achieved during testing exceeded 90.7%, which was consistent with the theoretical predictions. This was maintained even with slight misalignments in the receiver coil, thanks to the optimized coil design and frequency tuning.
- State of Charge (SOC): In the single-EV tests, the SOC increased by approximately 3.6% over a 1 km stretch at a speed of 45 km/h. At higher speeds, the SOC increase was slightly lower, reflecting the reduced time spent in the charging zone. However, the charging efficiency remained above 90%.
- Coil Misalignment and Compensation: The novel coil design proved effective in mitigating the impact of misalignment between the transmitting and receiving coils. The adaptive compensation circuit maintained resonance, ensuring minimal power loss during misalignment.
- Multiple EV Charging: In the simultaneous charging test, the system successfully charged two EVs with minimal interference between the transmitting coils. The SOC of both vehicles increased by approximately 3.6% over the 1 km stretch, validating the system’s scalability.
- Validation of Model Predictions: The experimental tests validated the model predictions made in Section 5. The real-time testing demonstrated that the coil design and operating frequency (29.5 kHz) were optimal for the intended application, achieving high efficiency even under varying operational conditions. Additionally, the integration of renewable PV power and battery storage was shown to be effective in supporting dynamic wireless charging without reliance on the main grid, except in backup scenarios. Overall, the experimental validation confirmed that the proposed system is not only theoretically sound but also practically feasible, offering a scalable solution for the future of dynamic wireless charging of electric vehicles.
8. Conclusions
Author Contributions
Funding
Institutional Review Board Statement
Informed Consent Statement
Data Availability Statement
Conflicts of Interest
References
- Davey, K.R.; Cardellini, D.; Swiontek, C.A. Magnetic Drive Devices and Related Systems and Methods. U.S. Patent 10,008,912, 26 June 2018. [Google Scholar]
- Amjad, M.; Farooq-i-Azam, M.; Ni, Q.; Dong, M.; Ansari, E.A. Wireless charging systems for electric vehicles. Renew. Sustain. Energy Rev. 2022, 167, 112730. [Google Scholar] [CrossRef]
- Mastoi, M.S.; Zhuang, S.; Munir, H.M.; Haris, M.; Hassan, M.; Usman, M.; Bukhari, S.S.H.; Ro, J.S. An in-depth analysis of electric vehicle charging station infrastructure policy implications and future trends. Energy Rep. 2022, 8, 11504–11529. [Google Scholar] [CrossRef]
- Khalid, M.R.; Khan, I.A.; Hameed, S.; Asghar, M.S.J.; Ro, J.S. A comprehensive review on structural topologies power levels energy storage systems and standards for electric vehicle charging stations and their impacts on grid. IEEE Access 2021, 9, 128069–128094. [Google Scholar] [CrossRef]
- Liu, W.; Wang, Q.; Xu, Y. Traffic Toll Design for Dynamic Wireless Charging in Coupled Power-Transportation Networks: A Tri-Level Optimization Approach. IEEE Trans. Smart Grid 2024, 15, 4877–4889. [Google Scholar] [CrossRef]
- Li, S.; Lu, S.; Mi, C.C. Revolution of electric vehicle charging technologies accelerated by wide bandgap devices. Proc. IEEE 2021, 109, 985–1003. [Google Scholar] [CrossRef]
- Kchaou-Boujelben, M. Charging station location problem: A comprehensive review on models and solution approaches. Transp. Res. Part Emerg. Technol. 2021, 132, 103376. [Google Scholar] [CrossRef]
- Gnanavendan, S.; Selvaraj, S.K.; Dev, S.J.; Mahato, K.K.; Swathish, R.S.; Sundaramali, G.; Accouche, O.; Azab, M. Challenges, Solutions, and Future trends in EV-Technology: A Review. IEEE Access 2024, 12, 17242–17260. [Google Scholar] [CrossRef]
- Pei, Y.; Chen, F.; Ma, T.; Gu, G. A comparative review study on the electrified road structures: Performances, sustainability, and prospects. In Structures; Elsevier: Amsterdam, The Netherlands, 2024. [Google Scholar]
- Patil, D.; McDonough, M.K.; Miller, J.M.; Fahimi, B.; Balsara, P.T. Wireless power transfer for vehicular applications: Overview and challenges. IEEE Trans. Transp. Electrif. 2017, 4, 3–37. [Google Scholar] [CrossRef]
- Sadeghian, O.; Oshnoei, A.; Mohammadi-Ivatloo, B.; Vahidinasab, V.; Anvari-Moghaddam, A. A comprehensive review on electric vehicles smart charging: Solutions, strategies, technologies, and challenges. J. Energy Storage 2022, 54, 105241. [Google Scholar] [CrossRef]
- Khaligh, A.; D’Antonio, M. Global trends in high-power on-board chargers for electric vehicles. IEEE Trans. Veh. Technol. 2019, 68, 3306–3324. [Google Scholar] [CrossRef]
- Mohamed, A.A.; Lashway, C.R.; Mohammed, O. Modeling and feasibility analysis of quasi-dynamic wpt system for ev applications. IEEE Trans. Transp. Electrif. 2017, 3, 343–353. [Google Scholar] [CrossRef]
- Jang, Y.J.; Jeong, S.; Lee, M.S. Initial energy logistics cost analysis for stationary, quasi-dynamic, and dynamic wireless charging public transportation systems. Energies 2016, 9, 483. [Google Scholar] [CrossRef]
- Tan, Z.; Liu, F.; Chan, H.K.; Gao, H.O. Transportation systems management considering dynamic wireless charging electric vehicles: Review and prospects. Transp. Res. Part E Logist. Transp. Rev. 2022, 163, 102761. [Google Scholar] [CrossRef]
- Liu, S.; Wang, D.Z.; Tian, Q.; Lin, Y.H. Optimal configuration of dynamic wireless charging facilities considering electric vehicle battery capacity. Transp. Res. Part E Logist. Transp. Rev. 2024, 181, 103376. [Google Scholar] [CrossRef]
- Tao, Y.; Qiu, J.; Lai, S.; Wang, G.; Liu, H.; Sun, X. Coordinated Planning of Dynamic Wireless Charging Systems and Electricity Networks Considering Range Anxiety of Electric Vehicles. IEEE Trans. Smart Grid 2024, 15, 3876–3891. [Google Scholar] [CrossRef]
- Sakamoto, H.; Harada, K.; Washimiya, S.; Takehara, K.; Matsuo, Y.; Nakao, F. Large air-gap coupler for inductive charger [for electric vehicles]. IEEE Trans. Magn. 1999, 35, 3526–3528. [Google Scholar] [CrossRef]
- Li, Z.; Li, X.; Zhou, Y.; Liu, Y.; Ban, M. Improving Misalignment Tolerance for the Wireless Charging System Using Multiple Coils Coupler. IEEE Trans. Power Electron. 2024, 39, 7721–7735. [Google Scholar] [CrossRef]
- Mi, C.C.; Buja, G.; Choi, S.Y.; Rim, C.T. Modern advances in wireless power transfer systems for roadway powered electric vehicles. IEEE Trans. Ind. Electron. 2016, 63, 6533–6545. [Google Scholar] [CrossRef]
- Rayan, B.A.; Subramaniam, U.; Balamurugan, S. Wireless power transfer in electric vehicles: A review on compensation topologies, coil structures, and safety aspects. Energies 2023, 16, 3084. [Google Scholar] [CrossRef]
- Cai, J.; Li, B.; Hua, W.; Cheok, A.D.; Yan, Y.; Zhang, X. Magnetic Coupled Wireless Motor Driving Systems—An Overview. IEEE Trans. Power Electron. 2024, 39, 7375–7391. [Google Scholar] [CrossRef]
- Amir, M.; Ahmad, I.; Waseem, M.; Tariq, M. A Critical Review of Compensation Converters for Capacitive Power Transfer in Wireless Electric Vehicle Charging Circuit Topologies. Green Energy Intell. Transp. 2024, 100196. [Google Scholar] [CrossRef]
- Jiang, F.; Yuan, X.; Hu, L.; Xie, G.; Zhang, Z.; Li, X.; Hu, J.; Wang, C.; Wang, H. A comprehensive review of energy storage technology development and application for pure electric vehicles. J. Energy Storage 2024, 86, 111159. [Google Scholar] [CrossRef]
- Song, B.; Cui, S.; Dong, S.; Zhang, M.; Sun, T. A Systematic Design Methodology for the Receiver Structure in EV Dynamic Wireless Charging System. IEEE Trans. Transp. Electrif. 2024. [Google Scholar] [CrossRef]
- Jiang, C.; Long, T.; Gaona, D.E. Wireless Power Transfer for Electric and Hybrid Electric Vehicles in Emerging Technologies for Electric and Hybrid Vehicles; Springer: Berlin/Heidelberg, Germany, 2024; pp. 289–320. [Google Scholar]
- Kim, J.H.; Lee, B.S.; Lee, J.H.; Lee, S.H.; Park, C.B.; Jung, S.M.; Lee, S.G.; Yi, K.P.; Baek, J. Development of 1-MW inductive power transfer system for a high-speed train. IEEE Trans. Ind. Electron. 2015, 62, 6242–6250. [Google Scholar] [CrossRef]
- Lawton, P.A.; Lin, F.J.; Covic, G.A.; Thrimawithana, D.J. A wireless synchronization controller for high-power stationary and semi-dynamic wireless charging of electric vehicles. IEEE Trans. Power Electron. 2023, 38, 13341–13352. [Google Scholar] [CrossRef]
- Wang, T.; Zhang, J.; He, J. Dynamic wireless charging lane reversal for connected and automated electric vehicles in highway. Sustain. Energy Technol. Assess. 2023, 57, 103206. [Google Scholar] [CrossRef]
- Zhang, M.; Liu, Z.; Su, H. Precise disturbance rejection for dynamic wireless charging system of electric vehicle using internal model-based regulator with disturbance observer. IEEE Trans. Ind. Electron. 2023, 71, 7695–7705. [Google Scholar] [CrossRef]
- Li, Z.; Xiong, X.; Ren, L.; Kong, P.; Zhang, Y.; Li, J. Design and Optimization of Quasi-Constant Coupling Coefficients for Superimposed Dislocation Coil Structures for Dynamic Wireless Charging of Electric Vehicles. Prog. Electromagn. Res. M 2023, 116, 23–38. [Google Scholar] [CrossRef]
- Newbolt, T.; Mandal, P.; Wang, H.; Zane, R. Sustainability of dynamic wireless power transfer roadway for in-motion electric vehicle charging. IEEE Trans. Transp. Electrif. 2023, 10, 1347–1362. [Google Scholar] [CrossRef]
- Pei, M.; Zhu, H.; Ling, J.; Hu, Y.; Yao, H.; Zhong, L. Empowering highway network: Optimal deployment and strategy for dynamic wireless charging lanes. Commun. Transp. Res. 2023, 3, 100106. [Google Scholar] [CrossRef]
- Elmeligy, A.O.; Elghanam, E.; Hassan, M.S.; Osman, A.H.; Shalaby, A.A.; Shaaban, M. Optimal Planning of Dynamic Wireless Charging Infrastructure for Electric Vehicles. IEEE Access 2024, 12, 30661–30673. [Google Scholar] [CrossRef]
- Yin, X.; Zhou, L.; Li, B. Design and Performance Analysis of New Coupling Magnetic Core Structure for Dynamic Wireless Charging System of Electric Vehicle. Energy Technol. 2024, 12, 2300853. [Google Scholar] [CrossRef]
- Merin, S. A Comparative Analysis of Static and Dynamic Wireless Charging Systems for Electric Vehicles. Acad. J. Sci. Technol. 2024, 12, 180–183. [Google Scholar]
- Mengting, Z.; Liu, Z.; Su, H. Optimal Output Regulation for EV Dynamic Wireless Charging System via Internal Model-Based Control. IEEE Trans. Ind. Electron. 2024, 71, 13031–13041. [Google Scholar]
- Trung, N.K.; Hieu, B.D.; Anh, H.X.V.; Hiep, T.D.; Diep, N.T. Switching Control of Transmitting Lane Sections in Dynamic Wireless Charging System for Electric Vehicles. In Proceedings of the 2024 Tenth International Conference on Communications and Electronics (ICCE), Danang, Vietnam, 31 July–2 August 2024; pp. 285–290. [Google Scholar]
- Aduama, P.; Al-Sumaiti, A.S.; Al-Hosani, K.H.; El-Shamy, A.R. Optimizing quasi-dynamic wireless charging for urban electric buses: A two-scenario mathematical framework with grid and PV-battery systems. Heliyon 2024, 10, e34857. [Google Scholar] [CrossRef]
- Valerio, A.; Turati, A.; Megna, G.; Carambia, B. Sizing Methodology of Dynamic Wireless Charging Infrastructures for Electric Vehicles in Highways: An Italian Case Study. Energies 2024, 17, 3922. [Google Scholar] [CrossRef]
- Liu, W.; Chau, K.T.; Tian, X.; Wang, H.; Hua, Z. Smart wireless power transfer—Opportunities and challenges. Renew. Sustain. Energy Rev. 2023, 180, 113298. [Google Scholar] [CrossRef]
- Megahed, T.F.; Radwan, A. Performance investigation of zero-building-integrated photovoltaic roof system: A case study in Egypt. Alex. Eng. J. 2020, 59, 5053–5067. [Google Scholar] [CrossRef]
- Elbaksawi, O.; Elminshawy, N.A.; Diab, S.; Eltamaly, A.M.; Mahmoud, A.; Elhadidy, H. Innovative metaheuristic algorithm with comparative analysis of MPPT for 5.5 kW floating photovoltaic system. Process Saf. Environ. Prot. 2024, 185, 1072–1088. [Google Scholar] [CrossRef]
- Lee, C. Topology Optimization of the Transmitter Ferrite and Receiver Coil for Minimizing the Weight of the Wireless-Charging Portable Devices. IEEE Trans. Ind. Electron. 2024, 71, 12192–12201. [Google Scholar] [CrossRef]
- Yan, Y.; Shi, W.; Zhang, X. Design of UAV wireless power transmission system based on coupling coil structure optimization. EURASIP J. Wirel. Commun. Netw. 2020, 2020, 1–13. [Google Scholar] [CrossRef]
- Chatterjee, S.; Iyer, A.; Bharatiraja, C.; Vaghasia, I.; Rajesh, V. Design optimisation for an efficient wireless power transfer system for electric vehicles. Energy Procedia 2017, 117, 1015–1023. [Google Scholar] [CrossRef]
- Zhang, Y.; Chen, S.; Li, X.; Tang, Y. Design of high-power static wireless power transfer via magnetic induction: An overview. CPSS Trans. Power Electron. Appl. 2021, 6, 281–297. [Google Scholar] [CrossRef]
- Ali, R.A.; Latif, M.H.; Usman, M. Existing coil topologies for inductive power transfer in EV charging: A review. In Proceedings of the 2022 5th International Conference on Energy Conservation and Efficiency (ICECE), Lahore, Pakistan, 16–17 March 2022. [Google Scholar]
- Greiner, W. Classical Electrodynamics; Springer Science & Business Media: Berlin/Heidelberg, Germany, 2012. [Google Scholar]
- Mou, X.; Gladwin, D.T.; Zhao, R.; Sun, H. Survey on magnetic resonant coupling wireless power transfer technology for electric vehicle charging. IET Power Electron. 2019, 12, 3005–3020. [Google Scholar] [CrossRef]
- Reza, K.S.; Pavuluri, S.K.; Cummins, G.; Desmulliez, M.P.Y. Wireless power transfer techniques for implantable medical devices: A review. Sensors 2020, 20, 3487. [Google Scholar] [CrossRef]
- Megahed, T.F. Increasing efficiency and power factor for power supplies using parallel Flyback converter. J. Electr. Eng. Technol. 2021, 16, 155–169. [Google Scholar] [CrossRef]
























| Layout | ||||
|---|---|---|---|---|
| Square | 1.27 | 2.07 | 0.18 | 0.13 |
| Hexagonal | 1.09 | 2.23 | 0 | 0.17 |
| Octagonal | 1.07 | 2.29 | 0 | 0.19 |
| Circle | 1 | 2.46 | 0.2 |
| Category | A | B | C | D |
|---|---|---|---|---|
| Value | 0.184 | −0.525 | 1.038 | 1.001 |
| Parameters | Single Car (60 km/h) | Single Car (75 km/h) | Two Cars (45 km/h) |
|---|---|---|---|
| Source | |||
| Voltage (V) | 370 | 370 | 370 |
| Current (A) | 50 | 50 | 95 |
| Active power (W) | 5400 | 5400 | 10,000 |
| Reactive power (Var) | 2200 | 2200 | 4000 |
| Dc link | |||
| Voltage (V) | 275 | 275 | 275 |
| Current (A) | 19 | 19 | 38 |
| Road converter | |||
| Voltage (V) | 400 | 400 | 550 |
| Current (A) | 32 | 32 | 32 |
| Vehicle converter | |||
| Voltage (V) | 380 | 380 | 400 |
| Current (A) | 30 | 30 | 42 |
| SOC charging % | 2.5 | 1.8 | 3.6 |
| Vehicle Battery | |||
| Voltage (V) | 380 | 380 | 380 |
| Current (A) | 13 | 13 | 13 |
| Receiving Power (W) | 4900 | 4900 | 4800 |
Disclaimer/Publisher’s Note: The statements, opinions and data contained in all publications are solely those of the individual author(s) and contributor(s) and not of MDPI and/or the editor(s). MDPI and/or the editor(s) disclaim responsibility for any injury to people or property resulting from any ideas, methods, instructions or products referred to in the content. |
© 2024 by the authors. Published by MDPI on behalf of the World Electric Vehicle Association. Licensee MDPI, Basel, Switzerland. This article is an open access article distributed under the terms and conditions of the Creative Commons Attribution (CC BY) license (https://creativecommons.org/licenses/by/4.0/).
Share and Cite
Megahed, T.F.; Mansour, D.-E.A.; Nayebare, D.; Kotb, M.F.; Fares, A.; Hameed, I.A.; El-Hussieny, H. Dynamic Wireless Charging of Electric Vehicles Using PV Units in Highways. World Electr. Veh. J. 2024, 15, 463. https://doi.org/10.3390/wevj15100463
Megahed TF, Mansour D-EA, Nayebare D, Kotb MF, Fares A, Hameed IA, El-Hussieny H. Dynamic Wireless Charging of Electric Vehicles Using PV Units in Highways. World Electric Vehicle Journal. 2024; 15(10):463. https://doi.org/10.3390/wevj15100463
Chicago/Turabian StyleMegahed, Tamer F., Diaa-Eldin A. Mansour, Donart Nayebare, Mohamed F. Kotb, Ahmed Fares, Ibrahim A. Hameed, and Haitham El-Hussieny. 2024. "Dynamic Wireless Charging of Electric Vehicles Using PV Units in Highways" World Electric Vehicle Journal 15, no. 10: 463. https://doi.org/10.3390/wevj15100463
APA StyleMegahed, T. F., Mansour, D.-E. A., Nayebare, D., Kotb, M. F., Fares, A., Hameed, I. A., & El-Hussieny, H. (2024). Dynamic Wireless Charging of Electric Vehicles Using PV Units in Highways. World Electric Vehicle Journal, 15(10), 463. https://doi.org/10.3390/wevj15100463

