A Family of Hybrid Topologies for Efficient Constant-Current and Constant-Voltage Output of Magnetically Coupled Wireless Power Transfer Systems
Abstract
1. Introduction
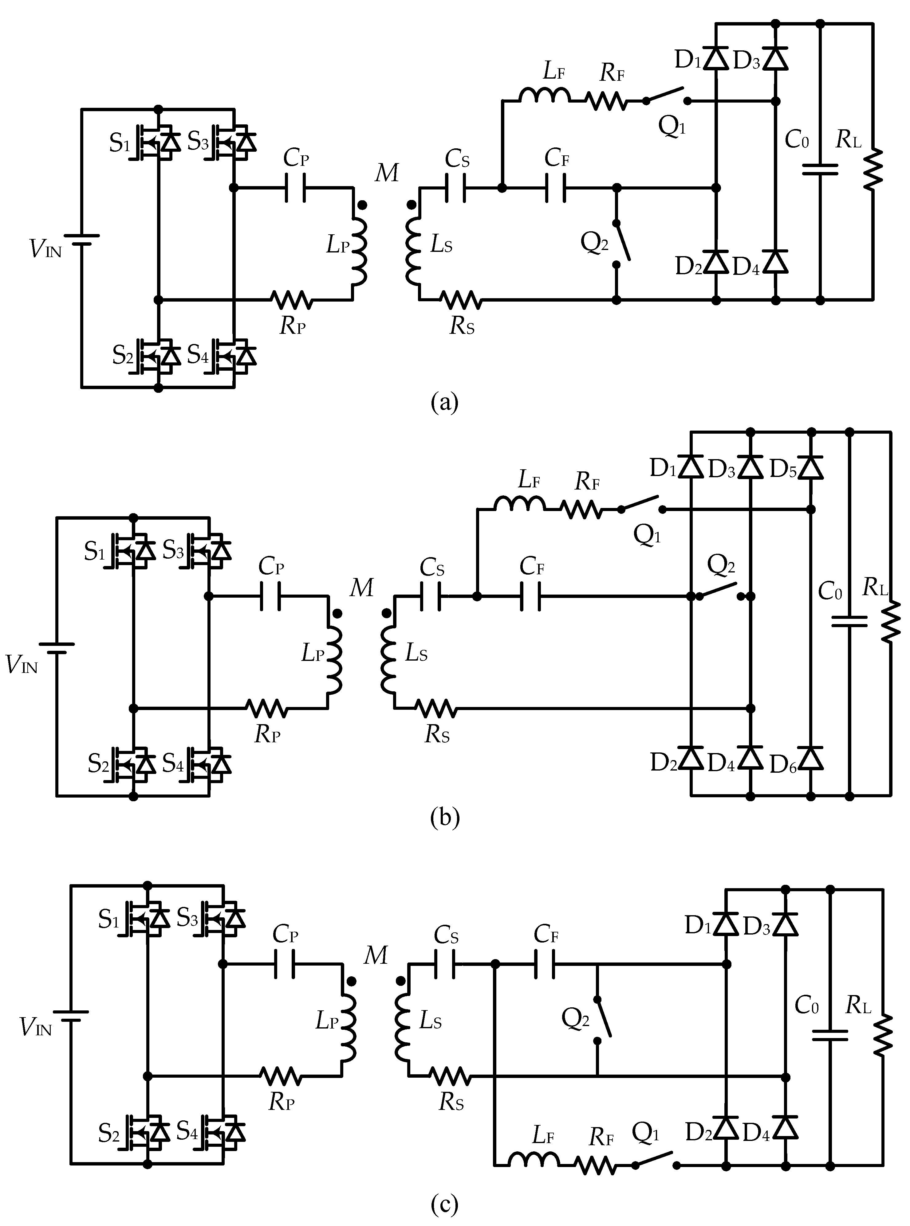
2. Principles of Operation
2.1. CC and CV Design
2.2. Efficiency Optimization Design
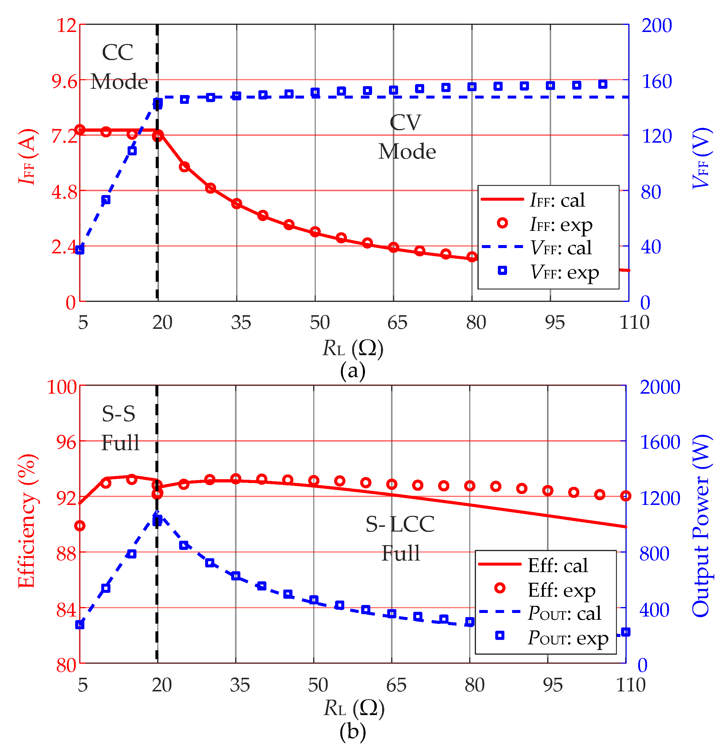
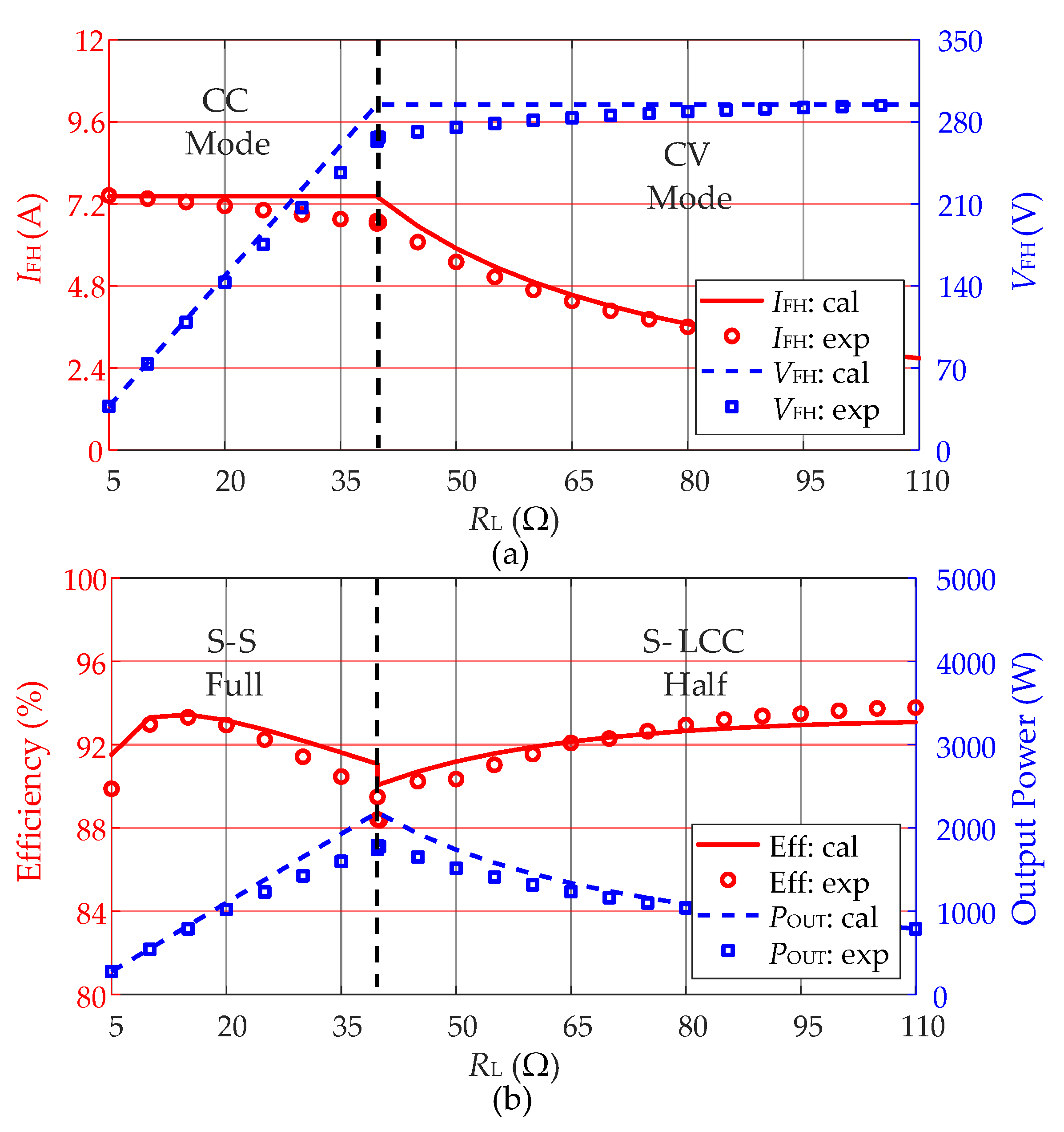
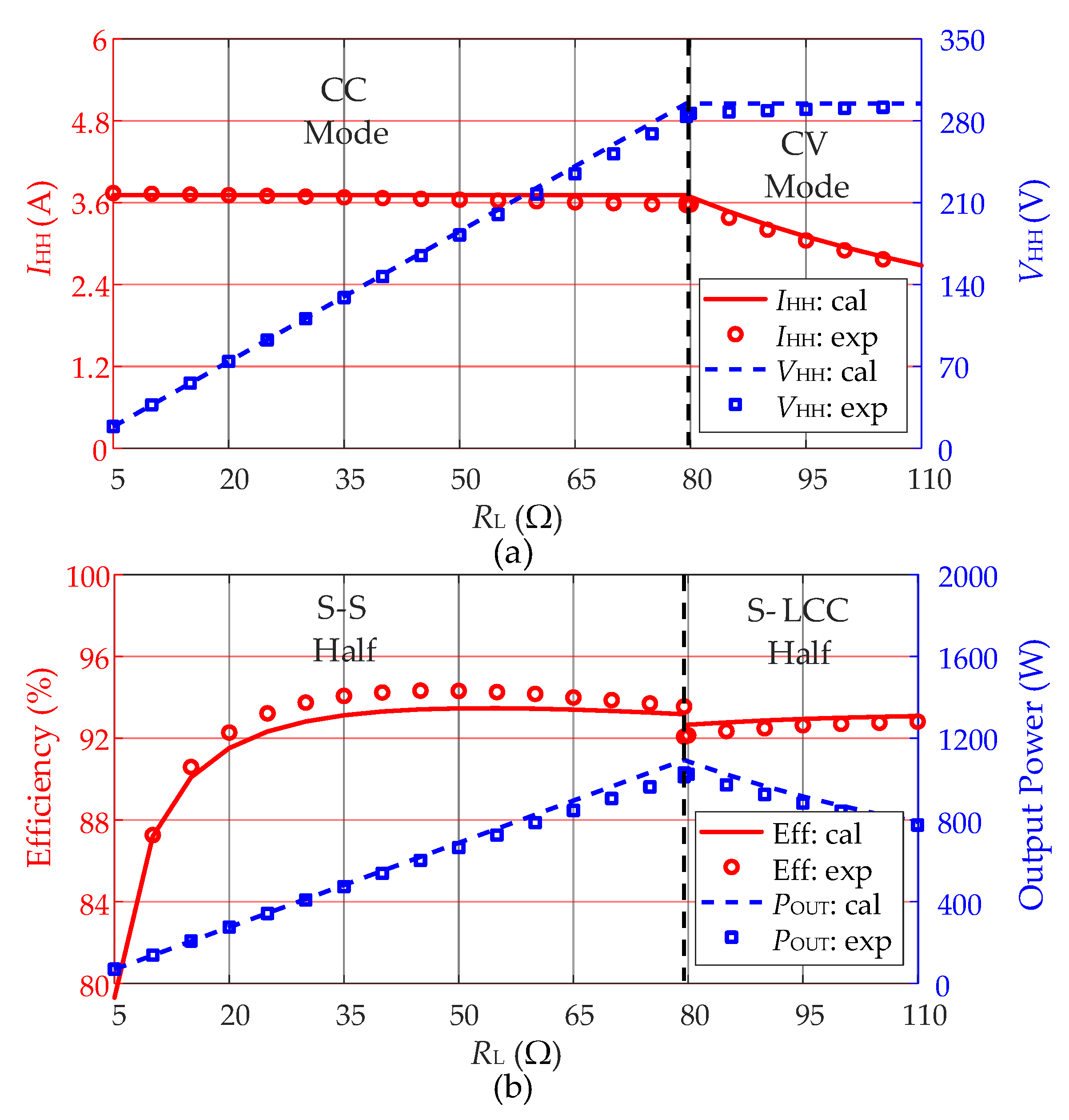
3. Experimental Verification
4. Conclusions
Author Contributions
Funding
Data Availability Statement
Conflicts of Interest
References
- Ke, G.; Chen, Q.; Xu, L.; Ren, X.; Zhang, Z. Analysis and optimization of a double-sided S-LCC hybrid converter for high misalignment tolerance. IEEE Trans. Ind. Electron. 2021, 68, 4870–4881. [Google Scholar] [CrossRef]
- Zhang, Y.; Pan, W.; Wang, H.; Shen, Z.; Wu, Y.; Dong, J.; Mao, X. Misalignment-tolerant dual-transmitter electric vehicle wireless charging system with reconfigurable topologies. IEEE Trans. Power Electron. 2022, 37, 8816–8819. [Google Scholar] [CrossRef]
- Wu, Y.; Liu, C.; Zhou, M.; Mao, X.; Zhang, Y. An antioffset electric vehicle wireless charging system based on dual coupled antiparallel coils. IEEE Trans. Power Electron. 2023, 38, 5634–5637. [Google Scholar] [CrossRef]
- Zhao, S.; Xia, C.; Yang, Z.; Lu, H.; Zhang, H.; Lu, C. Bipolar Checkerboard Metal Object Detection Without Blind Zone Caused by Excitation Magnetic Field for Stationary EV Wireless Charging System. IEEE Trans. Power Electron. 2023, 38, 6696–6709. [Google Scholar] [CrossRef]
- Xie, R.; Liu, R.; Chen, X.; Mao, X.; Li, X.; Zhang, Y. An interoperable wireless power transmitter for unipolar and bipolar receiving coils based on three-switch dual-output inverter. IEEE Trans. Power Electron. 2024, 39, 1–5. [Google Scholar] [CrossRef]
- Niu, S.; Zhao, Q.; Chen, H.; Niu, S.; Jian, L. Noncooperative Metal Object Detection Using Pole-to-Pole EM Distribution Characteristics for Wireless EV Charger Employing DD Coils. IEEE Trans. Ind. Electron. 2024, 71, 6335–6344. [Google Scholar] [CrossRef]
- Zhang, Y.; Shen, Z.; Pan, W.; Wang, H.; Wu, Y.; Mao, X. Constant current and constant voltage charging of wireless power transfer system based on three-coil structure. IEEE Trans. Ind. Electron. 2023, 70, 1066–1070. [Google Scholar] [CrossRef]
- Cai, C.; Saeedifard, M.; Wang, J.; Zhang, P.; Zhao, J.; Hong, Y. A cost-effective segmented dynamic wireless charging system with stable efficiency and output power. IEEE Trans. Power Electron. 2022, 37, 8682–8700. [Google Scholar] [CrossRef]
- Xu, Y.; Mai, R.; Liu, W.; Pan, S.; Chen, Y.; He, Z.; Li, Y.; Madawala, U.K. A Switchable-LCL-Circuit-Based IPT System With High Efficiency for Reefer Containers. IEEE Trans. Power Electron. 2021, 36, 1253–1258. [Google Scholar] [CrossRef]
- Shi, K.; Tang, C.; Long, H.; Lv, X.; Wang, Z.; Li, X. Power fluctuation suppression method for EV dynamic wireless charging system based on integrated magnetic coupler. IEEE Trans. Power Electron. 2022, 37, 1118–1131. [Google Scholar] [CrossRef]
- Lu, J.; Zhu, G.; Lin, D.; Zhang, Y.; Jiang, J.; Mi, C.C. Unified load-independent ZPA analysis and design in CC and CV modes of higher order resonant circuits for WPT systems. IEEE Trans. Transport. Electrif. 2019, 5, 977–987. [Google Scholar] [CrossRef]
- Sun, K.; Niu, W. SPWM Inverter Control for Wireless Constant Current and Voltage Charging. World Electr. Veh. J. 2023, 14, 111. [Google Scholar] [CrossRef]
- Zhao, Q.; Wang, A.; Liu, J.; Wang, X. The Load Estimation and Power Tracking Integrated Control Strategy for Dual-Sides Controlled LCC Compensated Wireless Charging System. IEEE Access 2019, 7, 75749–75761. [Google Scholar] [CrossRef]
- Yenil, V.; Cetin, S. Load independent constant current and constant voltage control of LCC-series compensated wireless EV charger. IEEE Trans. Power Electron. 2022, 37, 8701–8712. [Google Scholar] [CrossRef]
- Vu, V.-B.; Tran, D.-H.; Choi, W. Implementation of the constant current and constant voltage charge of inductive power transfer systems with the double-sided LCC compensation topology for electric vehicle battery charge applications. IEEE Trans. Power Electron. 2018, 33, 7398–7410. [Google Scholar] [CrossRef]
- Qu, X.; Chu, H.; Wong, S.-C.; Tse, C.K. An IPT battery charger with near unity power factor and load-independent constant output combating design constraints of input voltage and transformer parameters. IEEE Trans. Power Electron. 2019, 34, 7719–7727. [Google Scholar] [CrossRef]
- Li, Y.; Sun, W.; Zhu, X.; Hu, J. A hybrid modulation control for wireless power transfer systems to improve efficiency under light-load conditions. IEEE Trans. Ind. Electron. 2022, 69, 6870–6880. [Google Scholar] [CrossRef]
- Huang, Z.; Wang, G.; Yu, J.; Qu, X. A novel clamp coil assisted IPT battery charger with inherent CC-to-CV transition capability. IEEE Trans. Power Electron. 2021, 36, 8607–8611. [Google Scholar] [CrossRef]
- Chen, Y.; Yang, B.; Kou, Z.; He, Z.; Cao, G.; Mai, R. Hybrid and reconfigurable IPT systems with high-misalignment tolerance for constant-current and constant-voltage battery charging. IEEE Trans. Power Electron. 2018, 33, 8259–8269. [Google Scholar] [CrossRef]
- Wang, D.; Qu, X.; Yao, Y.; Yang, P. Hybrid Inductive-Power-Transfer Battery Chargers for Electric Vehicle Onboard Charging With Configurable Charging Profile. IEEE Trans. Intell. Transp. Syst. 2021, 22, 592–599. [Google Scholar] [CrossRef]
- Yang, L.; Li, X.; Liu, S.; Xu, Z.; Cai, C. Analysis and Design of an LCCC/S-Compensated WPT System With Constant Output Characteristics for Battery Charging Applications. IEEE J. Emerg. Sel. Top. Power Electron. 2021, 9, 1169–1180. [Google Scholar] [CrossRef]
- Wang, J.; Wang, C.; Zhang, S.; Yuan, H.; Zhang, Q.; Li, D. Constant-Current and Constant-Voltage Output Using Hybrid Compensated Single-Stage Resonant Converter for Wireless Power Transfer. IEEE J. Emerg. Sel. Top. Power Electron. 2022, 10, 6371–6382. [Google Scholar] [CrossRef]











| Parameter | Value | Parameter | Value | Parameter | Value |
|---|---|---|---|---|---|
| f (kHz) | 85.00 | M (μH) | 20.45 | RL (Ω) | 5–110 |
| LP (μH) | 78.19 | LS (μH) | 77.33 | LF (μH) | 30.15 |
| RP (mΩ) | 208.8 | RS (mΩ) | 206.5 | RF (mΩ) | 161.0 |
| CP (nF) | 44.96 | CS (nF) | 75.40 | CF (nF) | 115.40 |
| Comparisons | CC and CV Method | Peak Efficiency | Power Rating | Communication Requirements | Efficiency Optimization | Degree of Complexity |
|---|---|---|---|---|---|---|
| [12] | SPWM control strategy | 92.50% | 9 W | Yes | N/A | High |
| [13] | Load estimation and double closed-loop control strategy | 91.16% | 1.95 kW | No | N/A | High |
| [21] | LCCC/S compensation and dual resonant frequencies | 93.98% | 144 W | Yes | N/A | High |
| [22] | Switching transitions and PFC | 90.06% | 370 W | No | No | Mid |
| [20] | Hybrid topologies and switching transitions | 91.80% | 1 kW | No | No | Mid |
| This paper | Switching transitions and efficiency optimization | 94.32% | 1.78 kW | No | Yes | Low |
Disclaimer/Publisher’s Note: The statements, opinions and data contained in all publications are solely those of the individual author(s) and contributor(s) and not of MDPI and/or the editor(s). MDPI and/or the editor(s) disclaim responsibility for any injury to people or property resulting from any ideas, methods, instructions or products referred to in the content. |
© 2024 by the authors. Published by MDPI on behalf of the World Electric Vehicle Association. Licensee MDPI, Basel, Switzerland. This article is an open access article distributed under the terms and conditions of the Creative Commons Attribution (CC BY) license (https://creativecommons.org/licenses/by/4.0/).
Share and Cite
Zheng, Y.; Xie, R.; Lin, T.; Chen, X.; Mao, X.; Zhang, Y. A Family of Hybrid Topologies for Efficient Constant-Current and Constant-Voltage Output of Magnetically Coupled Wireless Power Transfer Systems. World Electr. Veh. J. 2024, 15, 578. https://doi.org/10.3390/wevj15120578
Zheng Y, Xie R, Lin T, Chen X, Mao X, Zhang Y. A Family of Hybrid Topologies for Efficient Constant-Current and Constant-Voltage Output of Magnetically Coupled Wireless Power Transfer Systems. World Electric Vehicle Journal. 2024; 15(12):578. https://doi.org/10.3390/wevj15120578
Chicago/Turabian StyleZheng, Yingyao, Ronghuan Xie, Tao Lin, Xiaoying Chen, Xingkui Mao, and Yiming Zhang. 2024. "A Family of Hybrid Topologies for Efficient Constant-Current and Constant-Voltage Output of Magnetically Coupled Wireless Power Transfer Systems" World Electric Vehicle Journal 15, no. 12: 578. https://doi.org/10.3390/wevj15120578
APA StyleZheng, Y., Xie, R., Lin, T., Chen, X., Mao, X., & Zhang, Y. (2024). A Family of Hybrid Topologies for Efficient Constant-Current and Constant-Voltage Output of Magnetically Coupled Wireless Power Transfer Systems. World Electric Vehicle Journal, 15(12), 578. https://doi.org/10.3390/wevj15120578

