A Novel Tri-Mode Bidirectional DC–DC Converter for Enhancing Regenerative Braking Efficiency and Speed Control in Electric Vehicles
Abstract
1. Introduction
- To propose a novel tri-mode non-isolated bidirectional dc–dc converter with three modes of operation: buck, boost and buck-boost;
- To develop a novel control strategy with pulse generation logic for all the switches;
- To introduce a mode transition algorithm for smooth changeover between modes.
2. Related Research Works
3. Configuration and Operation
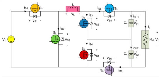
3.1. Configuration of the Proposed Converter
3.2. Operation and Analysis
3.2.1. The Boost Mode
- (a)
- Interval-I (t0–t1): Switches S5 and S6 are OFF. Switches S3 and S4 are turned ON. As seen in Figure 5a, the current flows from the battery to the inductor L through switch S1 and back to the battery through switches S3 and S4. L receives energy from the battery at voltage Vb and the current through it rises as seen in the theoretical waveforms depicted in Figure 6. CH1 and CH2 provide energy to the dc link to maintain voltage Vd.
- (b)
- Interval-II (t1–t2): At t1, Switch S3 is turned OFF and S5 turned ON. The current now flows from the battery and inductor to the dc link and capacitor CH1 through the switches S1, S5 and S4 as shown in Figure 5b.The inductor and battery provide energy to the dc link. CH1 is also charged with this energy. Current flow through L decreases and its polarity is reversed as shown. CH1 and CH2 maintain the dc link voltage Vd. Switch S5 is employed as synchronous rectifier.
- (c)
- Interval-III (t2–t3):Switch S5 is turned OFF and S3 is turned ON at instant t2. Similar to interval I, this interval sees an increase in current flowing through L and the transfer of energy from the battery. Polarity across L changes once more. CH1 and CH2 discharge energy to the dc link as depicted in Figure 5a. So the inductor voltage and current are shown in Equations (5) and (6).
- (d)
- Interval-IV (t3–t4): At instant t3, the switch S4 is turned OFF and S6 is turned ON.As seen in Figure 5c, the current is now flowing from the battery and inductor to the dc link and capacitor CH2 through the switches S1, S3, and S6. The DC link is powered by the inductor and battery. This energy is also charged in CH2. As shown, the polarity of L is inverted and its current flow decreases. DC link voltage Vd is maintained by CH1 and CH2. Switch S6 performs the role of synchronous rectifier.
3.2.2. The Buck Mode
- (a)
- Interval-I (t0–t1):Both the switches S3 and S6 are OFF. S4 and S5 are switched ON at t0. The current flows from the dc link capacitance CH1 to the inductor L through switch S5 and then to the output capacitance CL/battery through switch S1 and back to the dc link through switch S4 as indicated in Figure 8a. L receives energy from the dc link and current through it rises. Also, CL is charged by this energy. This energy comes from the regenerative braking of the vehicle.
- (b)
- Interval-II (t1–t2): Now, switch S5 is turned OFF and S3 turned ON. Through switches S1, S4, and S3, energy stored in the inductor L is transmitted to the battery. During this time, the current is allowed to freewheel through the synchronous rectifiers S3 and S4. As shown in Figure 8b, the polarity of L is reversed as the magnitude of current flow through it decreases. CL also transfers its stored energy to the battery.
- (c)
- Interval-III (t2–t3):This interval starts with the turning OFF of switch S4 and turning ON of switch S6.As shown in Figure 8c, the current flows from the dc link capacitance CH2 to the inductor L via switch S3, to the output capacitance CL/battery through switch S1, and back to the dc link via switch S6. The dc link provides energy to L, which causes a rise in current flow. This energy charges CL as well. The vehicle’s regenerative braking is where this energy is generated. So the inductor voltage and current are as given by Equations (15) and (16).
- (d)
- Interval-IV (t3–t4): Switch S6 is turned OFF and S4 turned ON. During this interval, the current freewheels through switches S1, S4, and S3, to transfer the energy stored in the inductor to the battery. This is shown in Figure 8b. S3 and S4 operate as synchronous rectifiers. Current flow through L decreases and its polarity is inversed.
3.2.3. The Buck-Boost Mode
- (a)
- Interval-I (t0–t1):The switches S1, S3 and S6 are OFF and S2,S4 and S5 are turned ON. The current flows from the dc link capacitance CH1 to the inductor L through switch S5 and then back to the dc link through switch S2 and S4 as shown in Figure 10a. L is energized by the dc link, and the current via it increases. The inductor polarity is indicated as such. CL releases the energy it has stored into the battery. The voltage across L is given by Equation (21).
- (b)
- Interval-II (t1–t2):This interval starts with switches S2 and S5 being turned OFF. At the same time switches S1 and S3 are turned ON. The source that is the dc link is cut off by switch S5 and the energy stored in the inductor during interval-I, charges the battery and the capacitor CL. Inductor L experiences a drop in current and a polarity change. The current flow direction during this interval is shown in Figure 10b. S3 and S4performthe role of synchronous rectifiers.
- (c)
- Interval-III (t2–t3): Switches S1 and S4 are currently turned OFF. S2 and S6 switches are turned on. As depicted in Figure 10c, the current flows from the dc link capacitance CH2 to the inductor L via switch S3, and then it returns through switches S2 and S6 to the dc link. In the process, L stores energy from the dc link, as current through it increases. The inductor has the indicated polarity. The battery receives the energy that CL held during the prior interval. So Equations (25) and (26) gives voltage and current through the inductor respectively.
- (d)
- Interval-IV (t3–t4):Switch S2 and S6 are turned OFF to start this interval. This is accompanied by the turn ON of switches S1 and S4. Figure 10b indicates this switching. This interval is similar to interval-II, and the battery and capacitor CL are charged by the energy stored in the inductor.
4. Design and Control Strategy
4.1. Design of the Proposed Converter
4.2. Control Strategy
4.2.1. Closed Loop Controller
4.2.2. Pulse Generation Logic
4.2.3. Mode Transition
5. Results and Discussion
5.1. Boost Mode Output
5.2. Buck Mode Output
5.3. Buck-Boost Mode Output
5.4. Mode Transition Output
6. Conclusions
Author Contributions
Funding
Data Availability Statement
Conflicts of Interest
Correction Statement
References
- Fathabadi, H. Utilizing solar and wind energy in plug-in hybrid electric vehicles. Energy Convers. Manag. 2018, 156, 317–328. [Google Scholar] [CrossRef]
- Gua, C.; Chan, C.C. Whole-system thinking, development control, key barriers and promotion mechanism for EV development. J. Mod. Power Syst. Clean Energy 2015, 3, 160–169. [Google Scholar] [CrossRef]
- Rajashekara, K. Present status and future trends in Electric vehicle propusion technologies. IEEE Trans. Emerg. Sel. Topics Power Electron. 2013, 1, 3–10. [Google Scholar] [CrossRef]
- De Santis, M.; Silvestri, L.; Forcina, A. Promoting electric vehicle demand in Europe: Design of innovative electricity consumption simulator and subsidy strategies based on well-to-wheel analysis. Energy Convers. Manag. 2022, 270, 116279. [Google Scholar] [CrossRef]
- Abas, A.P.; Yong, J.E.; Mahlia, T.M.; Hannan, M.A. Techno-economic analysis and environmental impact of electric vehicle. IEEE Access 2019, 7, 98565–98578. [Google Scholar] [CrossRef]
- Liu, C.; Chau, K.T.; Wu, D. Opportunities and challenges of vehicle-to-home, vehicle-to-vehicle, and vehicle-to-grid technologies. Proc. IEEE. 2013, 11, 2409–2427. [Google Scholar] [CrossRef]
- Lai, C.S.; Jia, Y.; Dong, Z.; Wang, D.; Tao, Y.; Lai, Q.H.; Wong, R.T.K.; Zobaa, A.F.; Wu, R.; Lai, L.L. A review of technical standards for smart cities. Clean Technol. 2020, 2, 290–310. [Google Scholar] [CrossRef]
- Tran, M.K.; Bhatti, A.; Vrolyk, R.; Wong, D.; Panchal, S.; Fowler, M.; Fraser, R. A review of range extenders in battery electric vehicles: Current progress and future perspectives. World Electr. Veh. J. 2021, 12, 54. [Google Scholar] [CrossRef]
- Tu, H.; Feng, H.; Srdic, S.; Lukic, S. Extreme fast charging of electric vehicles: A technology overview. IEEE Trans. Transp. Electrif. 2019, 5, 861–878. [Google Scholar] [CrossRef]
- Kosuru, V.S.; Kavasseri Venkitaraman, A. A Smart Battery Management System for Electric Vehicles Using Deep Learning-Based Sensor Fault Detection. World Electr. Veh. J. 2023, 14, 101. [Google Scholar] [CrossRef]
- Bagchi, A.C.; Kamineni, A.; Zane, R.A.; Carlson, R. Review and comparative analysis of topologies and control methods in dynamic wireless charging of electric vehicles. IEEE Trans. Emerg. Sel. Top. Power Electron. 2021, 9, 4947–4962. [Google Scholar] [CrossRef]
- Maroti, P.K.; Padmanaban, S.; Bhaskar, M.S.; Ramachandaramurthy, V.K.; Blaabjerg, F. The state-of-the-art of power electronics converters configurations in electric vehicle technologies. Power Electron. Dev. Compon. 2022, 1, 100001. [Google Scholar] [CrossRef]
- Shenai, K. High-density power conversion and wide-bandgap semiconductor power electronics switching devices. Proc. IEEE. 2019, 107, 2308–2326. [Google Scholar] [CrossRef]
- Sladic, S.; De Santis, M.; Zivic, E.; Giemacki, W. Paradigm Changes in Power Electronics Caused by Emerging Materials. In Proceedings of the IEEE International Congress on Advanced Materials Sciences and Engineering (AMSE), Opatija, Crotia, 22 July 2022. [Google Scholar]
- Nguyen, H.V.; Lee, D.C.; Blaabjerg, F. A novel SiC-based multifunctional onboard battery charger for plug-in electric vehicles. IEEE Trans. Power Electron. 2020, 36, 5635–5646. [Google Scholar] [CrossRef]
- Naradhipa, A.M.; Kim, S.; Yang, D.; Choi, S.; Yeo, I.; Lee, Y. Power density optimization of 700 kHz GaN-based auxiliary power module for electric vehicles. IEEE Trans. Power Electron. 2020, 36, 5610–5621. [Google Scholar] [CrossRef]
- Xing, Y.; Lv, C. Dynamic state estimation for the advanced brake system of electric vehicles by using deep recurrent neural networks. IEEE Trans. Ind. Electron. 2019, 67, 9536–9547. [Google Scholar] [CrossRef]
- Yang, C.; Zha, M.; Wang, W.; Liu, K.; Xiang, C. Efficient energy management strategy for hybrid electric vehicles/plug-in hybrid electric vehicles: Review and recent advances under intelligent transportation system. IET Intell. Transp. Syst. 2020, 14, 702–711. [Google Scholar] [CrossRef]
- Habib, S.; Khan, M.M.; Abbas, F.; Ali, A.; Faiz, M.T.; Ehsan, F.; Tang, H. Contemporary trends in power electronics converters for charging solutions of electric vehicles. CSEE J. Power Energy Syst. 2020, 6, 911–929. [Google Scholar]
- Macharia, V.M.; Garg, V.K.; Kumar, D. A review of electric vehicle technology: Architectures, battery technology and its management system, relevant standards, application of artificial intelligence, cyber security, and interoperability challenges. IET Electr. Syst. Transp. 2023, 13, e12083. [Google Scholar] [CrossRef]
- Zgheib, R.; Kamwa, I.; Al-Haddad, K. Comparison between isolated and non-isolated DC/DC converters for bidirectional EV chargers. In Proceedings of the IEEE International Conference on Industrial Technology (ICIT), Toronto, ON, Canada, 22 March 2017. [Google Scholar]
- Tendillo, L.A. Design and Control of a Bidirectional DC/DC Converter for an Electric Vehicle Application. Ph.D. Thesis, Universitat Rovira I Virgili, Tarragona, Spain, 2015. [Google Scholar]
- Dong, Z.; Joung, G. Soft-Switched Synchronous Buck Converter for Battery Chargers. Int. J. Adv. Smart Converg. 2019, 8, 138–146. [Google Scholar]
- Dave, M.R.; Dave, K.C. Analysis of boost converter using PI control algorithms. Int. J. Eng. Trends Technol. 2012, 3, 71–73. [Google Scholar]
- Qiao, H.; Zhang, Y.; Yao, Y.; Wei, L. Analysis of buck-boost converters for fuel cell electric vehicles. In Proceedings of the IEEE International Conference on Vehicular Electronics and Safety, Shanghai, China, 13 December 2006. [Google Scholar]
- Poorali, B.; Adib, E.; Farzanehfard, H. Soft-switching DC–DC Cuk converter operating in discontinuous-capacitor-voltage mode. IET Power Electron. 2017, 10, 1679–1686. [Google Scholar] [CrossRef]
- Siddharthan, N.; Balasubramanian, B. Performance evaluation of SEPIC, Luo and ZETA converter. Int. J. Power Electron. Drive Syst. 2019, 10, 374. [Google Scholar] [CrossRef]
- Adlakha, R.; Khosla, A.; Joshi, D. Comparative analysis of positive output super lift DC–DC luo converters. Indones. J. Electr. Eng. Comput. Sci. 2020, 18, 707–716. [Google Scholar] [CrossRef]
- Narasipuram, R.P. Analysis, identification and design of robust control techniques for ultra-lift Luo DC–DC converter powered by fuel cell. Int. J. Comput. Aided Eng. Technol. 2021, 14, 102–129. [Google Scholar] [CrossRef]
- Pascual, C.; Krein, P.T. Switched capacitor system for automatic series battery equalization. In Proceedings of the IEEE Conference on Applied Power Electronics Conference and Exposition (APEC), Vancouver, BC, Canada, 27 February 1997. [Google Scholar]
- Tesla Blog. Available online: https://www.tesla.com/blog (accessed on 3 October 2023).
- Audi Mediacenter. Available online: https://www.audi-mediacenter.com/en (accessed on 3 October 2023).
- Porsche Newsroom. Available online: https://newsroom.porsche.com/en/products/taycan/battery-18557.html (accessed on 3 October 2023).
- Anbazhagan, L.; Ramiah, J.; Krishnaswamy, V.; Jayachandran, D.N. A comprehensive review on Bidirectional traction converter for Electric vehicles. Int. J. Electron. Telecommun. 2019, 65, 635–649. [Google Scholar]
- Kang, T.; Kim, C.; Suh, Y.; Park, H. A design and control of bi-directional non-isolated DC–DC converter for rapid electric vehicle charging system. In Proceedings of the 27th Annual IEEE Applied Power Electronics Conference and Exposition, Orlando, FL, USA, 5–9 February 2012. [Google Scholar]
- Wai, R.J.; Duan, R.Y.; Jheng, K.H. High-efficiency bidirectional dc–dc converter with high-voltage gain. IET Power Electron. 2012, 5, 173–184. [Google Scholar] [CrossRef]
- Hsieh, Y.P.; Chen, J.F.; Yang, L.S.; Wu, C.Y.; Liu, W.S. High-conversion-ratio bidirectional DC–DC converter with coupled inductor. IEEE Trans. Ind. Electron. 2013, 61, 210–222. [Google Scholar] [CrossRef]
- Beraki, M.W.; Trovão, J.P.; Perdigão, M.S.; Dubois, M.R. Variable inductor based bidirectional DC–DC converter for electric vehicles. IEEE Trans. Veh. Technol. 2017, 66, 8764–8772. [Google Scholar] [CrossRef]
- Hosseinzadeh, Z.; Molavi, N.; Farzanehfard, H. Soft-switching high step-up/down bidirectional DC–DC converter. IEEE Trans. Ind. Electron. 2018, 66, 4379–4386. [Google Scholar] [CrossRef]
- Zhang, Y.; Liu, H.; Li, J.; Sumner, M. A low-current ripple and wide voltage-gain range bidirectional DC–DC converter with coupled inductor. IEEE Trans. Power Electron. 2019, 35, 1525–1535. [Google Scholar] [CrossRef]
- Malik, M.Z.; Zhang, S.; Hong, Y.; Alwahkyan, A.R.; Ali, A.; Farooq, A. A Coupled Inductor-Based Bidirectional DC–DC Converter with Step-Up Step-Down Operation for Electric Vehicle Applications. Int. Trans. Electr. Energy Syst. 2023, 2023, 9277881. [Google Scholar] [CrossRef]
- Cortez, D.F.; Waltrich, G.; Fraigneaud, J.; Miranda, H.; Barbi, I. DC–DC converter for dual-voltage automotive systems based on bidirectional hybrid switched-capacitor architectures. IEEE Trans. Ind. Electrons. 2014, 62, 3296–3304. [Google Scholar] [CrossRef]
- Choi, H.; Jang, M.; Agelidis, V.G. Zero-current-switching bidirectional interleaved switched-capacitor DC–DC converter: Analysis, design and implementation. IET Power Electron. 2016, 9, 1074–1082. [Google Scholar] [CrossRef]
- Li, S.; Smedley, K.M.; Caldas, D.R.; Martins, Y.W. Hybrid bidirectional DC–DC converter with low component counts. IEEE Trans. Ind. Appl. 2017, 54, 1573–1582. [Google Scholar] [CrossRef]
- Zhang, Y.; Gao, Y.; Zhou, L.; Sumner, M. A switched-capacitor bidirectional DC–DC converter with wide voltage gain range for electric vehicles with hybrid energy sources. IEEE Trans. Power Electron. 2018, 33, 9459–9469. [Google Scholar] [CrossRef]
- Zhang, Y.; Liu, Q.; Gao, Y.; Li, J.; Sumner, M. Hybrid switched-capacitor/switched-quasi-Z-source bidirectional DC–DC converter with a wide voltage gain range for hybrid energy sources EVs. IEEE Trans. Ind. Electron. 2018, 66, 2680–2690. [Google Scholar] [CrossRef]
- Zhang, Y.; Zhang, W.; Gao, F.; Gao, S.; Rogers, D. A switchedcapacitor interleaved bidirectional converter with wide voltage-gain range for super capacitors in EVs. IEEE Trans. Power Electron. 2020, 35, 1536–1547. [Google Scholar] [CrossRef]
- Rezaii, R.; Nilian, M.; Safayatullah, M.; Ghosh, S.; Batarseh, I. A Bidirectional DC–DC Converter with High Conversion Ratios for the Electrical Vehicle Application. In Proceedings of the 47th Annual Conference of the IEEE Industrial Electronics Society, Toronto, ON, Canada, 13–15 October2021. [Google Scholar]
- Ardi, H.; Ajami, A.; Kardan, F.; Avilagh, S.N. Analysis and implementation of a nonisolated bidirectional DC–DC converter with high voltage gain. IEEE Trans Ind. Electron. 2016, 63, 4878–4888. [Google Scholar]
- Elsayad, N.; Moradisizkoohi, H.; Mohammed, O.A. A new hybrid structure of a bidirectional DC–DC converter with high conversion ratios for electric vehicles. IEEE Trans. Veh. Technol. 2019, 69, 194–206. [Google Scholar] [CrossRef]
- Jiang, F.; Wang, P.; Wang, Z.; Deng, Q.; Li, B.; Tao, L.; Cheng, Z. A Zero Current Ripple Bidirectional DC–DC Converter with High Voltage Gain and Common Ground for Hybrid Energy Storage System EVs. IEEE Trans. Emerg. Sel. Top. Power Electron. 2023, 11, 4882–4894. [Google Scholar] [CrossRef]
- Sojoudi, T.; Sarhangzadeh, M.; Olamaei, J.; Ardashir, J.F. An Extendable Bidirectional High Gain DC–DC Converter for Electric Vehicle Applications Equipped with IOFL Controller. IEEE Trans. Power Electron. 2023, 38, 9767–9779. [Google Scholar] [CrossRef]
- Zhang, Y.; Gao, Y.; Li, J.; Sumner, M. Interleaved switched-capacitor bidirectional DC–DC converter with wide voltage-gain range for energy storage systems. IEEE Trans. Power Electron. 2017, 33, 3852–3869. [Google Scholar] [CrossRef]
- Bahrami, H.; Farhangi, S.; Iman-Eini, H.; Adib, E. A new interleaved coupled-inductor nonisolated soft-switching bidirectional DC–DC converter with high voltage gain ratio. IEEE Trans. Ind. Electron. 2017, 65, 5529–5538. [Google Scholar] [CrossRef]
- Rathore, V.; Rajashekara, K.; Nayak, P.; Ray, A. A High-Gain Multilevel dc–dc Converter for Interfacing Electric Vehicle Battery and Inverter. IEEE Trans. Ind. Appl. 2022, 58, 6506–6518. [Google Scholar] [CrossRef]
- De Melo, R.R.; Tofoli, F.L.; Daher, S.; Antunes, F.L. Interleaved bidirectional DC–DC converter for electric vehicle applications based on multiple energy storage devices. Electr. Eng. 2020, 102, 2011–2023. [Google Scholar] [CrossRef]
- Konjedic, T.; Korošec, L.; Truntič, M.; Restrepo, C.; Rodič, M.; Milanovič, M. DCM-based zero-voltage switching control of a bidirectional DC–DC converter with variable switching frequency. IEEE Trans. Power Electron. 2015, 31, 3273–3288. [Google Scholar] [CrossRef]
- Chen, J.; Sha, D.; Yan, Y.; Liu, B.; Liao, X. Cascaded high voltage conversion ratio bidirectional nonisolated DC–DC converter with variable switching frequency. IEEE Trans. Power Electron. 2017, 33, 1399–1409. [Google Scholar] [CrossRef]
- Das, P.; Laan, B.; Mousavi, S.A.; Moschopoulos, G. A nonisolated bidirectional ZVS-PWM active clamped DC–DC converter. IEEE Trans. Power Electron. 2009, 24, 553–558. [Google Scholar] [CrossRef]
- Das, P.; Mousavi, S.A.; Moschopoulos, G. Analysis and Design of a Nonisolated Bidirectional ZVS-PWM DC–DC Converter with Coupled Inductors. IEEE Trans. Power Electron. 2010, 25, 2630–2641. [Google Scholar] [CrossRef]
- Lee, Y.S.; Ko, Y.P.; Cheng, M.W.; Liu, L.J. Multiphase zero-current switching bidirectional converters and battery energy storage application. IEEE Trans. Power Electron. 2012, 28, 3806–3815. [Google Scholar] [CrossRef]
- Jiang, L.; Mi, C.C.; Li, S.; Zhang, M.; Zhang, X.; Yin, C. A novel soft-switching bidirectional DC–DC converter with coupled inductors. IEEE Trans. Ind. Appl. 2013, 49, 2730–2740. [Google Scholar] [CrossRef]
- Kwon, M.; Oh, S.; Choi, S. High gain soft-switching bidirectional DC–DC converter for eco-friendly vehicles. IEEE Trans. Power Electron. 2013, 29, 1659–1666. [Google Scholar] [CrossRef]
- Yang, J.W.; Do, H.L. High-efficiency bidirectional dc–dc converter with low circulating current and ZVS characteristic throughout a full range of loads. IEEE Trans Ind. Electron. 2013, 61, 3248–3256. [Google Scholar] [CrossRef]
- Yang, J.W.; Do, H.L. Soft-Switching Bidirectional DC–DC Converter Using a Lossless Active Snubber. IEEE Trans. Circuits Syst. IRegul. Pap. 2014, 61, 1588–1596. [Google Scholar] [CrossRef]
- Aamir, M.; Mekhilef, S.; Kim, H.J. High-gain zero-voltage switching bidirectional converter with a reduced number of switches. IEEE Trans. Circuits Syst. II Express Briefs. 2015, 62, 816–820. [Google Scholar] [CrossRef]
- Dusmez, S.; Khaligh, A.; Hasanzadeh, A. A zero-voltage-transition bidirectional DC/DC converter. IEEE Trans. Ind. Electron. 2015, 62, 3152–3162. [Google Scholar] [CrossRef]
- Ashique, R.H.; Salam, Z. A family of true zero voltage zero current switching (ZVZCS) nonisolated bidirectional DC–DC converter with wide soft switching range. IEEE Trans. Ind. Electron. 2017, 64, 5416–5427. [Google Scholar] [CrossRef]
- Molavi, N.; Adib, E.; Farzanehfard, H. Soft-switching bidirectional DC–DC converter with high voltage conversion ratio. IET Power Electron. 2018, 11, 33–42. [Google Scholar] [CrossRef]
- Ashique, R.H.; Salam, Z. A high-gain, high-efficiency nonisolated bidirectional DC–DC converter with sustained ZVS operation. IEEE Trans. Ind. Electron. 2018, 65, 7829–7840. [Google Scholar] [CrossRef]
- Zhang, Y.; Cheng, X.F.; Yin, C.; Cheng, S. Analysis and research of a soft-switching bidirectional DC–DC converter without auxiliary switches. IEEE Trans. Ind. Electron. 2017, 65, 1196–1204. [Google Scholar] [CrossRef]
- Wang, H.; Guo, J.; Gong, J.; Chen, J.; Zhang, S. The Impact of Dead-time on Synchronous Rectification Circuit Efficiency. In Proceedings of the International Conference on Wireless Communication, Network and Multimedia Engineering, Guilin, China, 21–22 April 2019. [Google Scholar]
- Panigrahi, R.; Mishra, S.K.; Joshi, A.; Ngo, K.D. Synthesis of DC–DC Converters from Voltage Conversion Ratio and Prescribed Requirements. IEEE Trans. Power Electron. 2021, 36, 13889–13902. [Google Scholar] [CrossRef]
- Pressman, A.I.; Billings, K.; Morey, T. Switching Power Supply Design, 3rd ed.; The McGraw-Hill Companies: New York, NY, USA, 2009; pp. 21–30, 33–37. [Google Scholar]
- Li, S.; Jiang, Q. Study on pid parameters tuning method based on Matlab/Simulink. In Proceedings of the IEEE 3rd Conference on Communication Software and Networks, Xian, China, 27–29 May 2011. [Google Scholar]























| Design Specifications | Notation | Values |
|---|---|---|
| Power level | P | 1500 W |
| DC link voltage (High side) | Vd | 300 V |
| Battery voltage (Low side) | Vb | 48 V (41–54.6 V) |
| Converter output voltage-buck and buck-boost mode (Low side) | Vb′ | 56 V (56–56.8 V) |
| Switching frequency | fs | 100 kHz |
| Main inductor | L | 110 µH |
| Low-side capacitor | CL | 100 µF |
| High-side capacitors | CH1 and CH2 | 100 µF |
| Vehicle Operation | Outgoing Mode | Incoming Mode |
|---|---|---|
| Driving to regenerative braking | Boost | Buck |
| Boost | Buck-boost | |
| Regenerative braking to driving | Buck | Boost |
| Buck-boost | Boost | |
| Regenerative braking | Buck | Buck-boost |
| Buck-boost | Buck |
| Generated Voltage | Operating Mode | |
|---|---|---|
| Above 2Vb′ up to Vd (max) | Buck mode | |
| Above Vb′ up to 2Vb′ | Buck-boost mode | Buck action |
| Vb′ and below | Boost action | |
| Feature/Parameter | Half-Bridge Converter | Proposed Converter |
|---|---|---|
| Modes of operation | Buck, boost | Buck, boost and Buck-boost |
| Voltage gain in boost mode | Normal | Double |
| Voltage range | Normal | Wide |
| Voltage stress on switches | High-side voltage | Half the high-side voltage |
| Cost | Low cost | Additional cost |
| Feature | Other Converter Configurations in Literature | Proposed Converter |
|---|---|---|
| Potential to use regenerative energy at low braking speeds when the voltage generated is less than that needed to charge the battery. | No | Yes |
Disclaimer/Publisher’s Note: The statements, opinions and data contained in all publications are solely those of the individual author(s) and contributor(s) and not of MDPI and/or the editor(s). MDPI and/or the editor(s) disclaim responsibility for any injury to people or property resulting from any ideas, methods, instructions or products referred to in the content. |
© 2024 by the authors. Licensee MDPI, Basel, Switzerland. This article is an open access article distributed under the terms and conditions of the Creative Commons Attribution (CC BY) license (https://creativecommons.org/licenses/by/4.0/).
Share and Cite
Dias, N.; Naik, A.J.; Shet, V.N. A Novel Tri-Mode Bidirectional DC–DC Converter for Enhancing Regenerative Braking Efficiency and Speed Control in Electric Vehicles. World Electr. Veh. J. 2024, 15, 12. https://doi.org/10.3390/wevj15010012
Dias N, Naik AJ, Shet VN. A Novel Tri-Mode Bidirectional DC–DC Converter for Enhancing Regenerative Braking Efficiency and Speed Control in Electric Vehicles. World Electric Vehicle Journal. 2024; 15(1):12. https://doi.org/10.3390/wevj15010012
Chicago/Turabian StyleDias, Noah, Anant J. Naik, and Vinayak N. Shet. 2024. "A Novel Tri-Mode Bidirectional DC–DC Converter for Enhancing Regenerative Braking Efficiency and Speed Control in Electric Vehicles" World Electric Vehicle Journal 15, no. 1: 12. https://doi.org/10.3390/wevj15010012
APA StyleDias, N., Naik, A. J., & Shet, V. N. (2024). A Novel Tri-Mode Bidirectional DC–DC Converter for Enhancing Regenerative Braking Efficiency and Speed Control in Electric Vehicles. World Electric Vehicle Journal, 15(1), 12. https://doi.org/10.3390/wevj15010012
