Influence of Y2O3 Nano-Dispersoids on the Characteristics of AlCoCrFeNi2.1-Reinforced Tungsten Alloys via Mechanical Alloying and Low-Temperature Sintering
Abstract
1. Introduction
2. Materials and Methods
3. Results and Discussion
3.1. Characterization of the AlCoCrFeNi2.1 Reinforcement
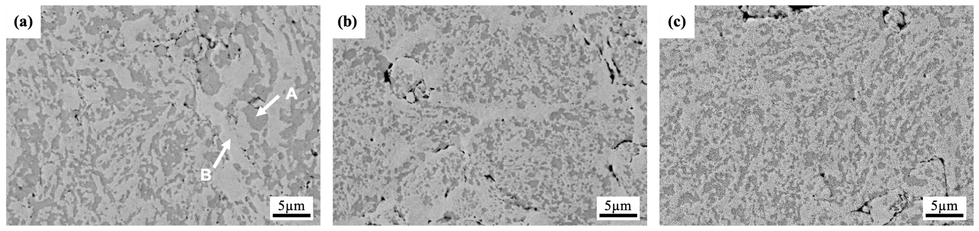
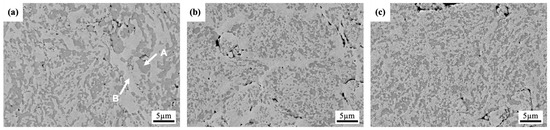
3.1.1. SEM
3.1.2. EBSD/EDS Mapping
3.2. Characterization of the W-Al Model Alloy
3.2.1. XRD Analysis of Milled Powders
3.2.2. SEM
3.2.3. EBSD/EDS Mapping
3.3. Characterization of the W-Al-Y Model Alloys
3.3.1. SEM
| Material | Position | O | Ti | Al | Cr | Fe | Co | Ni | Mo | W | Phase |
|---|---|---|---|---|---|---|---|---|---|---|---|
| AlCoCrFeNi2.1 (Figure 1) | A | - | - | 31.31 | 4.44 | 8.26 | 11.96 | 44.03 | - | - | BCC |
| B | - | - | 5.35 | 20.21 | 20.10 | 21.02 | 33.33 | - | - | FCC | |
| W-Al (Figure 5) | C | - | - | - | - | 22.91 | 25.66 | 50.03 | - | 1.40 | Reinforcement |
| D | 65.56 | 1.19 | 12.05 | 15.59 | - | - | 1.20 | - | 4.41 | Al-rich oxide | |
| E | 52.65 | - | 18.58 | 3.69 | 4.79 | 5.10 | 12.50 | - | 2.68 | Oxide layer | |
| W-Al-Y (Figure 8) | F | - | - | - | - | 17.14 | 17.83 | 54.62 | - | 10.41 | Reinforcement |
| G | - | - | - | - | - | - | - | 7.97 | 92.03 | W matrix | |
| H | 68.78 | 1.96 | 24.10 | - | - | - | 1.01 | - | 4.14 | Al-rich oxide |
3.3.2. EBSD/EDS Mapping
3.4. XRD of Tungsten Model Alloys
3.5. Hardness of Tungsten Model Alloys
3.6. Compressive Tests of Tungsten Model Alloys
3.7. Fracture Analysis
4. Conclusions
Author Contributions
Funding
Institutional Review Board Statement
Informed Consent Statement
Data Availability Statement
Conflicts of Interest
References
- Das, J.; Rao, G.A.; Pabi, S.K. Microstructure and mechanical properties of tungsten heavy alloys. Mater. Sci. Eng. A 2010, 527, 7841–7847. [Google Scholar] [CrossRef]
- Wurster, S.; Baluc, N.; Battabyal, M.; Crosby, T.; Du, J.; García-Rosales, C.; Hasegawa, A.; Hoffmann, A.; Kimura, A.; Kurishita, H.; et al. Recent progress in R&D on tungsten alloys for divertor structural and plasma facing materials. J. Nucl. Mater. 2013, 442, 181–189. [Google Scholar] [CrossRef]
- Kiran, U.; Ravi, S.; Venkat, B.; Rishikesh, V.K.; Iyer, M.S. Effect of tungsten content on microstructure and mechanical properties of swaged tungsten heavy alloys. Mater. Sci. Eng. A 2013, 582, 389–396. [Google Scholar] [CrossRef]
- Wang, R.; Zhang, K.; Davies, C.; Wu, X. Evolution of microstructure, mechanical and corrosion properties of AlCoCrFeNi high-entropy alloy prepared by direct laser fabrication. J. Alloys Compd. 2017, 694, 971–981. [Google Scholar] [CrossRef]
- Hassan, M.A.; Yehia, H.M.; Mohamed, A.S.; El-Nikhaily, A.E.; Elkady, O.A. Effect of copper addition on the AlCoCrFeNi high entropy alloys properties via the electroless plating and powder metallurgy technique. Crystals 2021, 11, 540. [Google Scholar] [CrossRef]
- Wang, L.; Zhang, F.; Yan, S.; Yu, G.; Chen, J.; He, J.; Yin, F. Microstructure evolution and mechanical properties of atmosphere plasma sprayed AlCoCrFeNi high-entropy alloy coatings under post-annealing. J. Alloys Compd. 2021, 872, 159607. [Google Scholar] [CrossRef]
- Yeh, J.-W.; Chen, S.-K.; Lin, S.-J.; Gan, J.-Y.; Chin, T.-S.; Shun, T.-T.; Tsau, C.-H.; Chang, S.-Y. Nanostructured high-entropy alloys with multiple principal elements: Novel alloy design concepts and outcomes. Adv. Eng. Mater. 2004, 6, 299. [Google Scholar] [CrossRef]
- Wang, Y.; Chen, W.; Zhang, J.; Zhou, J. A quantitative understanding on the mechanical behavior of AlCoCrFeNi2.1 eutectic high-entropy alloy. J. Alloys Compd. 2021, 850, 156610. [Google Scholar] [CrossRef]
- Lu, Y.; Dong, Y.; Jiang, H.; Wang, Z.; Cao, Z. Promising properties and future trend of eutectic high entropy alloys. Scr. Mater. 2020, 187, 202–209. [Google Scholar] [CrossRef]
- Jin, X.; Zhou, Y.; Zhang, L.; Du, X.; Li, B. A new pseudo binary strategy to design eutectic high entropy alloys using mixing enthalpy and valence electron concentration. Mater. Des. 2018, 143, 49–55. [Google Scholar] [CrossRef]
- He, F.; Wang, Z.; Cheng, P.; Wang, Q.; Li, J. Designing eutectic high entropy alloys of CoCrFeNiNbx. J. Alloys Compd. 2016, 656, 284–289. [Google Scholar] [CrossRef]
- Shafiei, A. Design of eutectic high entropy alloys in Al–Co–Cr–Fe–Ni system. Met. Mater. Int. 2021, 27, 127–138. [Google Scholar] [CrossRef]
- Shen, J.; Lopes, J.G.; Zeng, Z.; Choi, Y.T.; Maawad, E.; Schell, N.; Kim, H.S.; Mishra, R.S.; Oliveira, J.P. Deformation behavior and strengthening effects of an eutectic AlCoCrFeNi2.1 high entropy alloy probed by in-situ synchrotron X-ray diffraction and post-mortem EBSD. Mater. Sci. Eng. A 2023, 872, 144946. [Google Scholar] [CrossRef]
- Long, X.; Li, Z.; Yan, J.; Zhang, T. Enhanced strength-ductility synergy of an AlCoCrFeNi2.1 eutectic high entropy alloy by ultrasonic vibration. J. Mater. Res. Technol. 2023, 27, 4633–4643. [Google Scholar] [CrossRef]
- Wani, I.S.; Bhattacharjee, T.; Sheikh, S.; Lu, Y.P.; Chatterjee, S.; Bhattacharjee, P.P.; Guo, S.; Tsuji, N. Ultrafine-Grained AlCoCrFeNi2.1 Eutectic High-Entropy Alloy. Mater. Res. Lett. 2016, 4, 174–179. [Google Scholar] [CrossRef]
- Manzoni, A.; Daoud, H.; Völkl, R.; Glatzel, U.; Wanderka, N. Phase separation in equiatomic AlCoCrFeNi high-entropy alloy. Ultramicroscopy 2013, 132, 212–215. [Google Scholar] [CrossRef]
- Eshed, E.; Majid, S.A.; Bamberger, M.; Osovski, S. TEM and high resolution TEM investigation of phase formation in high entropy alloy AlCrFe2Ni2. Front. Mater. 2020, 7, 284. [Google Scholar] [CrossRef]
- Rogal, Ł.; Szklarz, Z.; Bobrowski, P.; Kalita, D.; Garzeł, G.; Tarasek, A.; Kot, M. Microstructure and Mechanical Properties of Al–Co–Cr–Fe–Ni Base High Entropy Alloys Obtained Using Powder Metallurgy. Met. Mater. Int. 2019, 25, 930–945. [Google Scholar] [CrossRef]
- Xiong, T.; Zheng, S.; Pang, J.; Ma, X. High-strength and high-ductility AlCoCrFeNi2.1 eutectic high-entropy alloy achieved via precipitation strengthening in a heterogeneous structure. Scr. Mater. 2020, 186, 336–340. [Google Scholar] [CrossRef]
- Chung, S.H.; Lee, B.; Lee, S.Y.; Do, C.; Ryu, H.J. The effects of Y pre-alloying on the in-situ dispersoids of ODS CoCrFeMnNi high-entropy alloy. J. Mater. Sci. Technol. 2021, 85, 62–75. [Google Scholar] [CrossRef]
- Gwalani, B.; Pohan, R.M.; Waseem, O.A.; Alam, T.; Hong, S.H. Strengthening of Al0. 3CoCrFeMnNi-based ODS high entropy alloys with incremental changes in the concentration of Y2O3. Scr. Mater. 2019, 162, 477–481. [Google Scholar] [CrossRef]
- Jia, B.; Liu, X.J.; Wang, H.; Wu, Y.; Lu, Z.P. Microstructure and mechanical properties of FeCoNiCr high-entropy alloy strengthened by nano-Y2O3 dispersion. Sci. China Technol. Sci. 2018, 61, 179–183. [Google Scholar] [CrossRef]
- Yan, X.; Zhang, X.; Wang, F.; Stockdale, T.; Dzenis, Y. Fabrication of ODS austenitic steels and CoCrFeNi high-entropy alloys by spark plasma sintering for nuclear energy applications. JOM 2019, 71, 2856–2867. [Google Scholar] [CrossRef]
- Yang, J.; Xiao, S.; Yuyong, C.; Xu, L.; Wang, X.; Zhang, D.; Li, M. Effects of nano-Y2O3 addition on the microstructure evolution and tensile properties of a near-α titanium alloy. Mater. Sci. Eng. A 2019, 761, 137977. [Google Scholar] [CrossRef]
- Suryanarayan, C. Mechanical alloying and milling. Prog. Mater. Sci. 2001, 46, 1–184. [Google Scholar] [CrossRef]
- Chen, C.L.; Huang, F.Y. Influence of AlCoCrFeNi and CoCrFeNiTa reinforcements on microstructure and mechanical properties of tungsten-based alloys. Int. J. Refract. Met. Hard Mater. 2025, 28, 107013. [Google Scholar] [CrossRef]
- Xu, Y.J.; Du, K.; Cui, C.Y.; Ye, H.Q. Deformation twinning with zero macroscopic strain in a coarse-grained Ni-Co-based superalloy. Scr. Mater. 2014, 77, 71–74. [Google Scholar] [CrossRef]














| Materials | W | Mo | Ti | Y2O3 | Al | Co | Cr | Fe | Ni |
|---|---|---|---|---|---|---|---|---|---|
| AlCoCrFeNi2.1 | - | - | - | - | 8.50 | 18.60 | 16.40 | 17.60 | 38.90 |
| W-Al | 81.00 | 3.00 | 1.00 | - | 1.28 | 2.79 | 2.46 | 2.64 | 5.84 |
| W-Al-Y | 79.00 | 3.00 | 1.00 | 2.00 | 1.28 | 2.79 | 2.46 | 2.64 | 5.84 |
Disclaimer/Publisher’s Note: The statements, opinions and data contained in all publications are solely those of the individual author(s) and contributor(s) and not of MDPI and/or the editor(s). MDPI and/or the editor(s) disclaim responsibility for any injury to people or property resulting from any ideas, methods, instructions or products referred to in the content. |
© 2025 by the authors. Licensee MDPI, Basel, Switzerland. This article is an open access article distributed under the terms and conditions of the Creative Commons Attribution (CC BY) license (https://creativecommons.org/licenses/by/4.0/).
Share and Cite
Chen, C.-L.; Huang, F.-Y.; West, G. Influence of Y2O3 Nano-Dispersoids on the Characteristics of AlCoCrFeNi2.1-Reinforced Tungsten Alloys via Mechanical Alloying and Low-Temperature Sintering. Materials 2025, 18, 672. https://doi.org/10.3390/ma18030672
Chen C-L, Huang F-Y, West G. Influence of Y2O3 Nano-Dispersoids on the Characteristics of AlCoCrFeNi2.1-Reinforced Tungsten Alloys via Mechanical Alloying and Low-Temperature Sintering. Materials. 2025; 18(3):672. https://doi.org/10.3390/ma18030672
Chicago/Turabian StyleChen, Chun-Liang, Fang-Yu Huang, and Geoff West. 2025. "Influence of Y2O3 Nano-Dispersoids on the Characteristics of AlCoCrFeNi2.1-Reinforced Tungsten Alloys via Mechanical Alloying and Low-Temperature Sintering" Materials 18, no. 3: 672. https://doi.org/10.3390/ma18030672
APA StyleChen, C.-L., Huang, F.-Y., & West, G. (2025). Influence of Y2O3 Nano-Dispersoids on the Characteristics of AlCoCrFeNi2.1-Reinforced Tungsten Alloys via Mechanical Alloying and Low-Temperature Sintering. Materials, 18(3), 672. https://doi.org/10.3390/ma18030672
