Research Trends in Isothermal Near-Net-Shape Forming Process of High-Performance Titanium Alloys
Abstract
1. Introduction
2. Analysis of the Influence of Isothermal Near-Net Shape Forging Process Parameters
2.1. Temperature of Isothermal Forging
2.2. Strain Rate of Isothermal Forging
2.3. Deformation of Isothermal Forging
2.4. Cooling Rate of Isothermal Forging
2.5. Number of Isothermal Forgings
3. Future Research Directions
- (1)
- Mechanisms of deformation
- (2)
- Theory of plastic flow
- (3)
- Development of intelligent technologies
- (4)
- Development of nanocrystalline materials
- (5)
- Development of composite materials
4. Conclusions
- (1)
- Temperature is the primary factor in isothermal forging. It significantly affects the phase transformation of titanium alloys, leading to the development of various microstructural morphologies and grain sizes. To enhance the toughness and strength of titanium alloys while minimizing the formation of secondary α phases and preventing grain coarsening, it is advisable to select a higher forging temperature whenever feasible. For example, in the single-phase region, the forging temperature is controlled to be 50 °C above the phase transition point, while in the two-phase region, it is controlled to be 30~50 °C below the phase transition point.
- (2)
- The strain rate impacts grain size, microstructural uniformity, and the phase transformation process, thereby affecting the plasticity, fracture toughness, and strength of titanium alloys. High strain rates can lead to microstructural inhomogeneity and stress concentration, as well as alter the grain texture. Therefore, a relatively low strain rate should be selected to ensure microstructural uniformity and grain refinement. A strain rate of 0.001~0.0001 s−1 is typically chosen.
- (3)
- Deformation amount influences the quantity of primary α phase, the thickness of the secondary α phase, and the dynamics of the recrystallization process. Significant deformation enhances dynamic recrystallization, leading to a finer and more uniform microstructure in titanium alloys. This refinement helps to improve the comprehensive properties and machinability of titanium alloys. Thus, the design of deformation should focus on increasing the deformation amount per cycle as much as possible without causing cracks. Therefore, the deformation amount is controlled within approximately 60~80%.
- (4)
- The cooling method and cooling rate following forging play a crucial role in determining the properties of titanium alloys. These factors not only influence the content of precipitate phases but also contribute significantly to grain refinement during the forging process. Therefore, they should be optimized based on the specific performance requirements of the titanium alloy. Air cooling is currently the most widely used cooling method and is suitable for most titanium alloys.
Author Contributions
Funding
Informed Consent Statement
Data Availability Statement
Acknowledgments
Conflicts of Interest
References
- Liu, Q.; Chu, S.J.; Zhang, X.; Wang, Y.Q.; Zhao, H.Y.; Zhou, B.H.; Wang, H.; Wu, G.B.; Mao, B. Laser shock processing of titanium alloys: A critical review on the microstructure evolution and enhanced engineering performance. J. Mater. Res. Technol. 2024, 209, 262–291. [Google Scholar] [CrossRef]
- Shuai, J.T.; Zuo, X.; Wang, Z.Y.; Sun, L.L.; Chen, R.D.; Wang, L.; Wang, A.Y.; Ke, P.L. Erosion behavior and failure mechanism of Ti/TiAlN multilayer coatings eroded by silica sand and glass beads. J. Mater. Sci. Technol. 2021, 80, 179–190. [Google Scholar] [CrossRef]
- Yin, F.; Ma, S.T.; Hu, S.; Liu, Y.X.; Hua, L.; Cheng, G.J. Understanding the microstructure evolution and mechanical behavior of titanium alloy during electrically assisted plastic deformation process. Mater. Sci. Eng. A 2023, 869, 144815. [Google Scholar] [CrossRef]
- Zhao, Y.; Xin, S.; Chen, Y.; Mao, X. New Alloy Materials: Titanium Alloys; China Railway Publishing House: Beijing, China, 2017. [Google Scholar]
- Zang, M.C.; Niu, H.Z.; Yu, J.S.; Zhang, H.R.; Zhang, T.B.; Zhang, D.L. Cryogenic tensile properties and deformation behavior of a fine-grained near alpha titanium alloy with an equiaxed microstructure. Mater. Sci. Eng. A 2022, 840, 142952. [Google Scholar] [CrossRef]
- Zhou, Y.G.; Zeng, W.D.; Yu, H.Q. An investigation of a new near-beta forging process for titanium alloys and its application in aviation components. Mater. Sci. Eng. A 2005, 393, 204–212. [Google Scholar] [CrossRef]
- Wang, T.; Tang, H.-B.; Zhu, Y.-Y.; Liu, D.; Wang, H.-M. Laser additive manufacturing of new α+β titanium alloy with high strength and ductility. J. Mater. Res. Technol. 2023, 26, 7566–7582. [Google Scholar] [CrossRef]
- Lindemann, J.; Wagner, L. Microtextural effects on mechanical properties of duplex microstructures in (α+β) titanium alloys. Mater. Sci. Eng. A 1999, 263, 137–141. [Google Scholar] [CrossRef]
- Wang, M.C.; Chu, S.J.; Liang, G.F.; Zhang, Q.F.; Zhao, H.Y.; Mao, B. Research and prospect on mechanism of tissue evolution and property control of TC4 titanium alloy during hot rolling process. J. Plast. Eng. 2024, 31, 1–22. [Google Scholar]
- Zhu, Z.S.; Shang, G.Q.; Wang, X.N.; Zhu, L.W.; Li, J.; Li, M.B.; Xin, Y.P.; Liu, G.C. Microstructure controlling technology and mechanical properties relationship of titanium alloys for aviation applications. J. Aeronaut. Mater. 2020, 40, 1–10. [Google Scholar]
- Gordon, D.E.; Hagemeyer, J.W. Relationships of strength to composition and phase constitution for three aged beta titanium alloys. J. Mater. Sci. 1975, 10, 1725–1731. [Google Scholar] [CrossRef]
- Lütjering, G.; Williams, J.C. Engineering Materials and Processes; Springer: Berlin/Heidelberg, Germany, 2007. [Google Scholar]
- Wang, H.; Xin, S.W.; Zhao, Y.Q.; Zhou, W.; Zeng, W.D. Forging–microstructure–tensile properties correlation in a new near β high-strength titanium alloy. Rare Met. 2021, 40, 2109–2117. [Google Scholar] [CrossRef]
- Gao, K.; Zhang, Y.; Yi, J.; Dong, F.; Chen, P. Overview of surface modification techniques for titanium alloys in modern material science: A comprehensive analysis. Coatings 2024, 14, 148. [Google Scholar] [CrossRef]
- Raghu, T.; Balasundar, I.; Rao, M.S. Isothermal and near isothermal processing of titanium alloys. Def. Sci. J. 2011, 61, 72–80. [Google Scholar] [CrossRef]
- Li, Z.J.; Wang, J.G.; Ni, T.Y.; Zhang, W.; Tong, G.D.; Chen, X.G.; Li, J.; Yan, R.F. Microstructure evolution and deformation mechanism of AZ80 alloy during die forging. Mater. Sci. Eng. A 2023, 869, 144789. [Google Scholar] [CrossRef]
- Xiong, A.M.; Li, M.Q.; Huang, W.C.; Chen, S.H.; Lin, H. Analysis of high flow stress and microstructural evolution of TC6 titanium alloy during isothermal forging. Mater. Sci. Technol. 2004, 20, 1257–1260. [Google Scholar] [CrossRef]
- Naderi, M.; Ketabchi, M.; Abbasi, M.; Bleak, W. Semi-hot stamping as an improved process of hot stamping. J. Mater. Sci. Technol. 2011, 27, 369–376. [Google Scholar] [CrossRef]
- Wang, K.H.; Kopec, M.; Chang, S.P.; Qu, B.; Liu, J.; Politis, D.J.; Wang, L.L.; Liu, G. Enhanced formability and forming efficiency for two-phase titanium alloys by fast light alloys stamping technology. Mater. Design. 2020, 194, 108948. [Google Scholar] [CrossRef]
- Li, H.W.; Huang, D.; Huang, M.; Li, Y.; Wang, X.; Chen, S.S. High-temperature behaviors of grain boundary in titanium alloy: Modeling and application to microcrack prediction. Comp. Mater. Sci. 2017, 140, 159–170. [Google Scholar] [CrossRef]
- Li, M.Q.; Xiong, A.M.; Lin, H. Effect of process parameters on deformation and temperature rise during forging of TC6 alloy disc. Mater. Sci. Technol. 2008, 24, 1340–1345. [Google Scholar] [CrossRef]
- Wang, G.C.; Fu, M.W.; Li, J.; Sun, Q.J.; Dong, H.B.; Xu, X.F. Study of the high-efficiency superplastic deformation of Ti-6Al-2.5Mo-1.5Cr-0.5Fe-0.3Si alloy based on the strain rate sensitivity index m. Adv. Eng. Mater. 2014, 16, 21–25. [Google Scholar] [CrossRef]
- Shi, K.; Shan, D.B.; Xu, W.C.; Lu, Y. Near-net shape forming process of a titanium alloy impeller. J. Mater. Process. Tech. 2007, 187–188, 582–585. [Google Scholar] [CrossRef]
- Zhang, Y.Q.; Xue, X.Y.; Zhang, J.L.; Li, H.M.; Guo, P.; Pan, H.; Hou, H.M.; Jia, G.Y. Microstructure control of welded joints of dissimilar titanium alloys by isothermal forging. Materials 2020, 13, 3347. [Google Scholar] [CrossRef] [PubMed]
- Jackson, M.; Jones, N.G.; Dye, D.; Dashwood, R.J. Effect of initial microstructure on plastic flow behaviour during isothermal forging of Ti-10V-2Fe-3Al. Mater. Sci. Eng. A 2009, 501, 248–254. [Google Scholar] [CrossRef]
- Akula, S.P.; Ojha, M.; Rao, K.L.; Gupta, A.K. A review on superplastic forming of Ti-6Al-4V and other titanium alloys. Mater. Today Commun. 2023, 34, 105343. [Google Scholar] [CrossRef]
- Ding, P.P.; Qin, Y.; Liu, J.; Yao, W.X. Study on optimization of isothermal forging process Ti alloys. Forg. Stamp. Technol. 2009, 34, 121–122. (In Chinese) [Google Scholar]
- Zhang, Y.; Kou, H.C.; Yang, G.; Tang, B.; Xue, X.Y.; Li, J.S. A two-step heat treatment to eliminate the micro-segregation of Ti-45Al-8.5Nb-0.2W-0.2B-0.02Y Alloy. Adv. Eng. Mater. 2016, 18, 1267–1272. [Google Scholar] [CrossRef]
- Tetsui, T. Identifying low-cost, machinable, impact-resistant TiAl alloys suitable for last-stage turbine blades of jet engines. Intermetallics 2024, 168, 108263. [Google Scholar] [CrossRef]
- Yoko, Y.M.; Syuji, K.; Norie, M.; Takanobu, H.; Akira, I.; Hideyuki, M.; Yoshio, I. Correlation between solution treatment temperature, microstructure, and yield strength of forged Ti-17 Alloys. Crystals 2021, 11, 625. [Google Scholar] [CrossRef]
- Chandiran, E.; Nagata, Y.; Sun, F.; Miyamoto, G.; Furuhara, T. Effect of deformation temperature, strain rate, and strain on the microstructure evolution of Ti-17 alloy. Metall. Mater. Trans. A 2021, 52, 3107–3121. [Google Scholar] [CrossRef]
- Zhao, Z.L.; Guo, H.Z.; Yao, Z.K.; Shi, Z.F.; Peng, X.N.; Qin, C. The microstructure and properties of ultra-fine grained Ti-17 powder compact improved through isothermal forging. J. Mater. Process. Tech. 2012, 212, 1495–1500. [Google Scholar] [CrossRef]
- Rzadkowski, R.; Gnesin, V.; Kolodyazhnaya, L. Aeroelasticity analysis of unsteady rotor blade forces and displacements in LP last stage steam turbine with various pressure distributions the stage exit. J. Vib. Eng. Technol. 2018, 6, 333–337. [Google Scholar] [CrossRef]
- Bhagi, L.K.; Rastogi, V.; Gupta, P. Study of corrosive fatigue and life enhancement of low pressure steam turbine blade using friction dampers. J. Mech. Sci. Technol. 2017, 31, 17–27. [Google Scholar] [CrossRef]
- Zhou, Y.G.; Zeng, W.D.; Yu, H.Q. Near beta forging overturns outdated theories and develops tristate organization. Eng. Sci. 2001, 51, 61–66. (In Chinese) [Google Scholar]
- Shi, Z.F.; Guo, H.Z.; Liu, R.; Wang, X.C.; Yao, Z.K. Microstructure and mechanical properties of TC21 titanium alloy by near-isothermal forging. Trans. Nonferrous Met. Soc. China 2015, 25, 72–79. [Google Scholar] [CrossRef]
- Qiang, M.; Yang, X.R.; Liu, X.Y.; Wang, G.J.; Wang, J.Z. Enhanced yield stress and reduced elastic modulus of metastable β Ti-Nb alloys deformed by equal channel angular pressing attributed to the synergistic effect of deformation mechanisms. Mater. Sci. Eng. A 2024, 909, 146858. [Google Scholar] [CrossRef]
- Wang, W.; Zeng, W.; Xue, C.; Liang, X.; Zhang, J. Microstructure control and mechanical properties from isothermal forging and heat treatment of Ti-22Al-25Nb (at.%) orthorhombic alloy. Intermetallics 2015, 56, 79–86. [Google Scholar] [CrossRef]
- Jia, R.C.; Zeng, W.D.; He, S.T.; Gao, X.X.; Xu, J.W. The analysis of fracture toughness and fracture mechanism of Ti60 alloy under different temperatures. J. Alloys Compd. 2019, 810, 151899. [Google Scholar] [CrossRef]
- Zhang, H.Y.; Wang, C.; Zhou, G.; Zhang, S.Q.; Chen, W.; Xiao, L.; Sun, J. Dependence of strength and ductility on secondary α phase in a novel metastable-β titanium alloy. J. Mater. Res. Technol. 2022, 18, 5257–5266. [Google Scholar] [CrossRef]
- Zhang, Q.F.; Chu, S.J.; Liang, G.F.; Yang, S.; Wang, M.C.; Mao, B. High temperature deformation behavior and processing map of TA10 titanium alloy EB ingot. Chin. J. Nonferrous Met. 2024, 35, 1555–1565. [Google Scholar]
- Yang, X.; Guo, H.; Yao, Z.; Yuan, S. Effect of isothermal forging strain rate on microstructures and mechanical properties of BT25y titanium alloy. Mater. Sci. Eng. A 2016, 673, 355–361. [Google Scholar] [CrossRef]
- Yu, W.; Li, M.; Luo, J. Effect of processing parameters on microstructure and mechanical properties in high temperature deformation of Ti-6Al-4V alloy. Rare Met. Mat. Eng. 2009, 38, 19–24. [Google Scholar]
- Li, X.; Sun, H.; Zhang, P.; Fang, W. The effect of strain on dynamic recrystallization of PM Ti-45Al-10Nb intermetallics during isothermal forging. Intermetallics 2014, 55, 90–94. [Google Scholar] [CrossRef]
- Zhang, Q.F.; Chu, S.J.; Wang, M.C.; Liang, G.F.; Zhao, H.Y.; Mao, B. Interaction of microstructure evolution mechanism in Ti-0.3Mo-0.8Ni alloy with initial lamellar microstructure during isothermal compression below the β-transus. Mater. Sci. Eng. A 2024, 916, 147385. [Google Scholar] [CrossRef]
- Chai, Z.; Wang, W.Y.; Ren, Y.; Wang, X.; Zhang, Y.; Sun, F.; Hao, F.; Li, J. Hot deformation behavior and microstructure evolution of TC11 dual-phase titanium alloy. Mater. Sci. Eng. A 2024, 898, 146331. [Google Scholar] [CrossRef]
- Du, Z.X.; Liu, J.S.; Jiang, S.D.; Xiao, S.L.; Kong, F.T.; Chen, Y.Y. Strain rate dependence of microstructural evolution in β titanium alloy during subtransus superplastic deformation. J. Alloy. Compd. 2015, 647, 1–5. [Google Scholar] [CrossRef]
- Tong, J.B.; Li, X.F.; Li, D.; Huang, L.J.; Zhang, W.Q. Analysis of microstructure and mechanical property of TB6 titanium alloy shaped charge liner produced by isothermal forging. Hot Work Technol. 2021, 50, 99–106. (In Chinese) [Google Scholar]
- Li, L.; Li, M.Q. Grain size model for continuous dynamic recrystallization of titanium alloy in hot deformation. Sci. China Technol. Sci. 2018, 61, 1688–1695. [Google Scholar] [CrossRef]
- Lu, J.F.; Dan, Z.H.; Lu, B.W.; Dong, Y.C.; Zhang, A.F.; Chang, H.; Zhou, L. Research progress of high stress induced compression creep of titanium alloys. Mater. China 2019, 11, 1074–1081. [Google Scholar]
- Liu, Y.Y.; Li, J.Y.; Guo, W.H.; Zhang, J.Y.; Zai, J.B. Dynamic recrystallization behavior and numerical simulation of fine grained TC4 titanium alloy. Rare Met. Mat. Eng. 2022, 51, 4137–4145. [Google Scholar]
- Liu, X.G.; Guo, Z.H.; Li, Y.F.; Jiang, L.H.; Feng, T.W. The effect of strain rate on the adiabatic shear sensitivity of TB6 titanium alloy. Min. Metall. Eng. 2024, 4, 157–160. (In Chinese) [Google Scholar]
- Zhang, J.; Xu, X.; Xue, J.; Liu, S.; Deng, Q.; Li, F.; Ding, J.; Wang, H.; Chang, H. Hot deformation characteristics and mechanism understanding of Ti-6Al-2Sn-4Zr-6Mo titanium alloy. J. Mater. Res. Technol. 2022, 20, 2591–2610. [Google Scholar] [CrossRef]
- Zhang, Q.F.; Jin, M.; Zhang, Y.S.; Wang, H.Y.; Chen, L.; Yang, S. Experimental investigation on kinetic behavior of the deformation-induced α→β transformation during hot working of Ti-6Al-2Zr-1Mo-1V alloy below the β-transus. Mater. Sci. Eng. A 2022, 843, 143110. [Google Scholar] [CrossRef]
- Qiu, Q.; Wang, K.L.; Li, X.; Wang, J.; Gao, X.; Zhang, K.M. Hot deformation behavior and processing parameters optimization of SP700 titanium alloy. J. Mater. Res. Technol. 2021, 15, 3078–3087. [Google Scholar] [CrossRef]
- He, S.; Zeng, W.; Xu, J.; Chen, W. The effects of microstructure evolution on the fracture toughness of BT-25 titanium alloy during isothermal forging and subsequent heat treatment. Mater. Sci. Eng. A 2019, 745, 203–211. [Google Scholar] [CrossRef]
- Xu, J.; Zeng, W.; Zhou, D.; Chen, W.; He, S.; Zhang, X. Analysis of crystallographic orientation and morphology of microstructure during hot working for an alpha/beta titanium alloy. J. Mater. Sci. Technol. 2020, 59, 1–13. [Google Scholar] [CrossRef]
- Wang, Y.; Sun, Z.C.; Yin, Z.K.; Yin, L.J.; Dang, Z.Y. Evolution of lamellar α in Ti6242S Ti-alloy after β-forging combined with two-phase zone heat treatment. JOM 2024, 76, 739–749. [Google Scholar] [CrossRef]
- Zhang, F.Z.; Wang, B.; Cao, Q.H.; Zhang, L.; Zhang, H.Y. Effect of deformation degree on microstructure and mechanical properties evolution of TiBw/Ti60 composites during isothermal forging. Trans. Nonferrous Met. Soc. China 2023, 33, 802–815. [Google Scholar] [CrossRef]
- Xu, J.W.; Zeng, W.D.; Zhou, D.D.; Ma, H.Y.; Chen, W.; He, S.T. Influence of alpha/beta processing on fracture toughness for a two-phase titanium alloy. Mater. Sci. Eng. A 2018, 731, 85–92. [Google Scholar] [CrossRef]
- Li, X.; Liu, H.Y.; Xie, J.Q.; Duan, S.; Zhang, Y.W. Research progress on the effect of TC4 titanium alloy heat treatment process on performance. Mater. Rep. 2024, 38, 440–443. (In Chinese) [Google Scholar]
- Zhang, X.; Chen, L.J.; Zhao, Z.B.; Liu, J.R.; Wang, Q.J. The effect of cooling method on the microstructure and tensile properties of BT25y titanium alloy. Rare Met. Mat. Eng. 2018, 47, 321–325. (In Chinese) [Google Scholar]
- Zhu, S.; Yang, H.; Guo, L.G.; Fan, X.G. Effect of cooling rate on microstructure evolution during α/β heat treatment of TA15 titanium alloy. Mater. Charact 2012, 70, 101–110. [Google Scholar] [CrossRef]
- Wang, K.; Wu, D.; Wang, D.; Deng, Z.; Tian, Y.; Zhang, L.; Liu, L. Influence of cooling rate on ω phase precipitation and deformation mechanism of a novel metastable β titanium alloy. Mater. Sci. Eng. A 2022, 829, 142151. [Google Scholar] [CrossRef]
- Gao, J.; Knowles, A.J.; Guan, D.; Rainforth, W.M. ω phase strengthened 1.2GPa metastable β titanium alloy with high ductility. Scr. Mater. 2019, 162, 77–81. [Google Scholar] [CrossRef]
- Wei, X.; Ye, K.Y.; Ye, J.Q. Influence of cooling rate on microstructure and properties of isothermal forged TC25 titanium alloy disk. Titan. Ind. Prog. 2017, 34, 26–29. (In Chinese) [Google Scholar]
- Zhang, S.; Huang, W.H.; Yu, J.J.; Zhang, Z.X.; Zhang, J.T.; Yuan, R.L.; Zhang, C.J.; Han, J.C.; Meng, J.A.; Wang, T. Effect of heterogeneous deformation on microstructure and microtexture evolution of Ti-6Al-4V alloy during multidirectional isothermal forging. Adv. Eng. Mater. 2024, 26, 2400956. [Google Scholar] [CrossRef]
- Zhang, Z.X.; Qu, S.J.; Feng, A.H.; Hu, X.; Shen, J. Microstructural mechanisms during multidirectional isothermal forging of as-cast Ti-6Al-4V alloy with an initial lamellar microstructure. J. Alloys. Compd. 2019, 773, 277–287. [Google Scholar] [CrossRef]
- Tang, S.Q.; Feng, C.; Shen, J. Enhanced oxidation resistance of TiAlNbCr processed by isothermal forging. J. Alloys. Compd. 2020, 813, 152174. [Google Scholar] [CrossRef]
- Kishchik, A.A.; Aksenov, S.A.; Kishchik, M.S.; Demin, D.O.; Churyumov, A.Y.; Mikhaylovskaya, A.V. The microstructure and mechanical properties of Al-Mg-Fe-Ni-Zr-Sc alloy after isothermal multidirectional forging. Phys. Met. Metallogr. 2023, 124, 623–631. [Google Scholar] [CrossRef]
- Ding, T.; Wei, K.; Hou, Y.; Dong, X.; Huang, L.; Lee, M.G. Enhancing the robustness of rib-groove filling and strain homogeneity in the isothermal forging of titanium alloy multi-rib components. Chin. J. Mech. Eng. 2024, 37, 98. [Google Scholar] [CrossRef]
- Yasmeen, T.; Shao, Z.; Zhao, L.; Gao, P.; Lin, J.; Jiang, J. Constitutive modeling for the simulation of the superplastic forming of TA15 titanium alloy. Int. J. Mech. Sci. 2019, 164, 105178. [Google Scholar] [CrossRef]
- Ma, L.; Wan, M.; Li, W.; Shao, J.; Bai, X.; Zhang, J. Superplastic deformation mechanical behavior and constitutive modelling of a near-α titanium alloy TNW700 sheet. Mater. Sci. Eng. A 2021, 817, 141419. [Google Scholar] [CrossRef]
- Gao, P.F.; Yang, H.; Fan, X.G.; Lei, P.H. Quick prediction of the folding defect in transitional region during isothermal local loading forming of titanium alloy large-scale rib-web component based on folding index. J. Mater. Process. Technol. 2015, 219, 101–111. [Google Scholar] [CrossRef]
- Xiao, M.J.; Tian, Y.X.; Mao, G.W.; Li, S.J.; Hao, Y.L.; Yang, R. Superplasticity of Ti2448 Alloy with Nanostructured Grains. J. Mater. Sci. Technol. 2011, 27, 1099–1104. [Google Scholar] [CrossRef]
- Yi, L.; Yang, Q.; Yan, L.; Wang, N. Facile fabrication of multifunctional transparent fire-retardant coatings with excellent fire resistance, antibacterial and anti-aging properties. Prog. Org. Coat. 2022, 169, 106925. [Google Scholar] [CrossRef]
- Wu, M.-Y.; Mi, G.-B.; Li, P.-J.; Huang, X. Evolution and mechanism of combustion microstructure of 600 °C high temperature titanium alloy. Acta Phys. Sin. 2023, 72, 166102. [Google Scholar] [CrossRef]
- Liu, G.Y.; Li, L.; Li, M.Q. Oxidation behavior of Ti55 alloy and TiBw/Ti55 composites and antioxidation mechanism of TiBw in composites at 960–1000 °C. J. Mater. Sci. Technol. 2024, 213, 55–68. [Google Scholar] [CrossRef]
- Guo, Z.X.; Derby, B. Stabilisation of TiBx-coated SiC fibres by nitridation. Scr. Mater. 1998, 38, 1629–1634. [Google Scholar] [CrossRef]
- Zheng, Y.; Xu, L.; Chen, Z.; Wang, X.; Xue, X.; Xiao, S.; Tian, J.; Chen, Y. Effects of hybrid reinforcements to the high temperature tensile and creep properties of a (TiB + TiC + Y2O3)/α-Ti composite. Mater. Charact 2022, 190, 112067. [Google Scholar] [CrossRef]










| Microstructure Type and Optical Microstructure | Manufacturing Processes [4] | Performance Advantages [4] | |
|---|---|---|---|
| Equiaxed microstructure [5] | ![]() | α + β forging Cross-β forging | High room-temperature strength Good plasticity High impact toughness Good fatigue limit Excellent high-temperature performance Good instantaneous plasticity |
| Duplex microstructure [6] | ![]() | α + β forging Cross-β forging Near-β forging | High room-temperature strength Good plasticity Excellent high-temperature instantaneous plasticity |
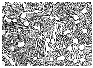
| Basketweave microstructure [7] | ![]() | β forging Quasi-β forging | High room-temperature strength Good fracture toughness Excellent high-temperature performance Good instantaneous plasticity High creep resistance |
| Lamellar microstructure [8] | ![]() | β forging | High room-temperature strength Good fracture toughness High long-term strength Excellent creep resistance |
| Alloy Type | Evolutionary Mechanisms |
|---|---|
| Near-α duplex alloys | Dynamic phase transitions |
| Ti-5Al-3V | The transition process from metastable β phase to steady α phase |
| Ti-6.5Al-1Mo-1V-2Zr | The content change in the primary α phase caused by deformation |
| Ti-5Al-2.5Sn | Dynamic phase transitions |
| Ti-6Cr-5Mo-5V-4Al | Dynamic recrystallization |
| Ti6.5Al-2.5Sn-9Zr-0.5Mo-1Nb-1W-0.25Si | Recrystallization promotes grain refinement |
| Ti-6Al-4V | Dynamic recrystallization of β phase spheroidization of layered α phase, and dynamic recrystallization of α phase |
| Ti-4Al-2.5V-1.5Fe | Subgrain boundaries transform small-angle grain boundaries into large-angle grain boundaries |
Disclaimer/Publisher’s Note: The statements, opinions and data contained in all publications are solely those of the individual author(s) and contributor(s) and not of MDPI and/or the editor(s). MDPI and/or the editor(s) disclaim responsibility for any injury to people or property resulting from any ideas, methods, instructions or products referred to in the content. |
© 2025 by the authors. Licensee MDPI, Basel, Switzerland. This article is an open access article distributed under the terms and conditions of the Creative Commons Attribution (CC BY) license (https://creativecommons.org/licenses/by/4.0/).
Share and Cite
Chu, S.; Huang, W.; Liang, G.; Meng, Q.; Zhou, X.; Mao, B. Research Trends in Isothermal Near-Net-Shape Forming Process of High-Performance Titanium Alloys. Materials 2025, 18, 578. https://doi.org/10.3390/ma18030578
Chu S, Huang W, Liang G, Meng Q, Zhou X, Mao B. Research Trends in Isothermal Near-Net-Shape Forming Process of High-Performance Titanium Alloys. Materials. 2025; 18(3):578. https://doi.org/10.3390/ma18030578
Chicago/Turabian StyleChu, Shuangjie, Weiwei Huang, Gaofei Liang, Qingtong Meng, Xiangyu Zhou, and Bo Mao. 2025. "Research Trends in Isothermal Near-Net-Shape Forming Process of High-Performance Titanium Alloys" Materials 18, no. 3: 578. https://doi.org/10.3390/ma18030578
APA StyleChu, S., Huang, W., Liang, G., Meng, Q., Zhou, X., & Mao, B. (2025). Research Trends in Isothermal Near-Net-Shape Forming Process of High-Performance Titanium Alloys. Materials, 18(3), 578. https://doi.org/10.3390/ma18030578





