Effect of Testing Conditions on Low-Cycle Fatigue Durability of Pre-Strained S420M Steel Specimens
Abstract
1. Introduction
2. Materials and Methods
2.1. Experimental Methods
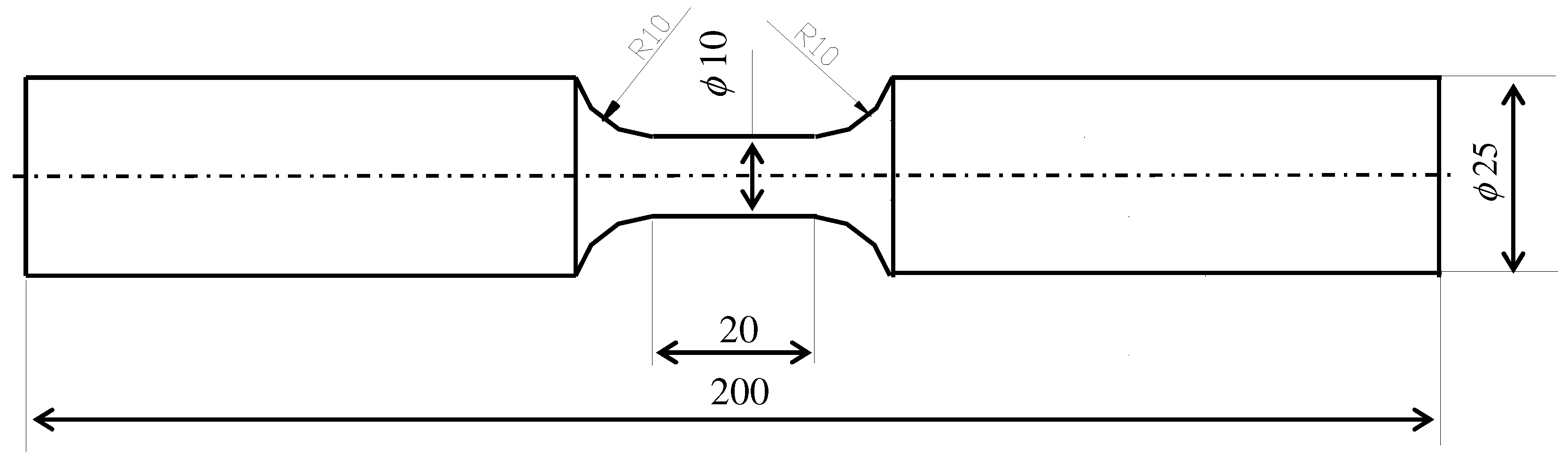
2.1.1. Test Specimens
| Fe | C | Si | Mn | P | Cr | Al | Nb | Ti | V | W |
|---|---|---|---|---|---|---|---|---|---|---|
| 98.0 | 0.125 | 0.215 | 1.45 | 0.0135 | 0.0208 | 0.0268 | 0.0288 | 0.013 | 0.0519 | 0.0150 |
2.1.2. Low-Cycle Fatigue Tests
3. Results
3.1. Low-Cycle Fatigue Properties
3.2. Microstructural Observations
4. Conclusions
- Loading conditions (test control scheme) affect the fatigue life of both as-received and pre-strained specimens. The fatigue life obtained in the stress control conditions ( = const.) is lower than the durability observed in the strain control conditions ( = const.). One factor influencing the variation in durability is creep accompanying the cyclic load under stress control conditions. These results confirm findings published in [6,7].
- Comparative analysis of the hysteresis loop basic parameters of the as-received and pre-deformed S420M steel specimens, obtained at the same strain and stress amplitude levels, reveals that pre-straining causes a significant change in the fatigue properties.
- Initial deformation preceding variable load under = const. conditions causes a slight increase in fatigue life. It is caused by the reduction after permanent deformation of two basic parameters of the hysteresis loop, i.e., plastic strain , and stress amplitude .
- Initial deformations of the specimens ( = 10%) cause stress asymmetry and plastic deformation during variable loading under the conditions = const. The value of the average stress and plastic strain is influenced by the level of deformation, . The average stress reaches its highest values at the lowest level of deformation ( = 0.25%).
- Pre-straining preceding a cyclic load under controlled stress conditions ( = const.) results in a reduction in fatigue life. It is caused by a much larger range of plastic deformations in pre-strained specimens in relation to as-received specimens.
- The fatigue life calculations may be carried out only if the fatigue diagram and the loading program are known. It is also necessary to adopt a damage summation hypothesis, e.g., Palmgren–Miner. This issue was not considered in this paper. The presented research showed that initial deformations of the material might cause a change in its fatigue properties, described using a fatigue diagram. Neglecting this issue during fatigue calculations of pre-deformed structural elements and using only the characteristics determined for the as-received material may lead to significant errors in the durability assessments obtained from calculations.
Author Contributions
Funding
Institutional Review Board Statement
Informed Consent Statement
Data Availability Statement
Conflicts of Interest
References
- Tucker, L.E. A Procedure for Designing Against Fatigue Failure of Notched Parts; SAE Paper No 720265; Society of Automotive Engineers, Inc.: New York, NY, USA, 1972. [Google Scholar]
- Mroziński, S. Energy-based method of fatigue damage cumulation. Int. J. Fatigue 2019, 121, 73–83. [Google Scholar] [CrossRef]
- Jin, L.; Zhang, S.-L.; Wang, X.-X.; Yin, Q.-W.; Zhu, M.-L.; Xuan, F.-Z. Effect of aging on the low cycle fatigue performance of a low alloy steel. Procedia Struct. Integr. 2024, 52, 12–19. [Google Scholar] [CrossRef]
- Mroziński, S.; Lipski, A. Method for processing of the results of low-cycle fatigue test. Mater. Sci. 2012, 48, 83–88. [Google Scholar] [CrossRef]
- Sulich, P.; Egner, W.; Mroziński, S.; Egner, H. Modeling of cyclic thermo-elastic-plastic behaviour of P91 steel. J. Theor. Appl. Mech. 2017, 55, 595–606. [Google Scholar] [CrossRef][Green Version]
- Mroziński, S.; Lis, Z. Comparative Analysis of Methods for Determining Cyclic Properties of Metals, Experimental Mechanics of Solids, Materials Research Forum RLC. Mater. Res. Proc. 2019, 12, 139–145. [Google Scholar]
- Wu, H.; Hamada, S.; Noguchi, H. Pre-strain effect on fatigue strength characteristics of SUH660 plain specimens. Int. J. Fatigue 2013, 55, 291–298. [Google Scholar] [CrossRef]
- Sun, H.; Wei, K.; Yang, X.; Xiao, Z.; Wu, Y. Effects of pre-strain and annealing on the fatigue properties of complex phase steel CP800. Int. J. Fatigue 2020, 131, 105364. [Google Scholar] [CrossRef]
- Kim, J.-H.; Park, W.-S.; Chun, M.-S.; Kim, J.-J.; Bae, J.-H.; Kim, M.-H.; Lee, J.-M. Effect of pre-straining on low-temperature mechanical behavior of AISI 304L. Mater. Sci. Eng. A 2012, 543, 50–57. [Google Scholar] [CrossRef]
- Mroziński, S.; Lipski, A.; Piotrowski, M.; Egner, H. Influence of Pre—Strain on Static and Fatigue Properties of S420M Steel. Materials 2023, 16, 590. [Google Scholar] [CrossRef]
- Mnif, R.; Elleuch, R.; Halouani, F. Effects of cyclic torsional prestraining and overstrain on fatigue life and damage behavior of brass alloy. Mater. Des. 2010, 31, 3742–3747. [Google Scholar] [CrossRef]
- Berchem, K.; Hocking, M.G. The influence of pre-straining on the high-cycle fatigue performance of two hot-dip galvanised car body steels. Mater. Charact. 2007, 58, 593–602. [Google Scholar] [CrossRef]
- Kang, M.; Aono, Y.; Noguchi, H. Effect of prestrain on and prediction of fatigue limit in carbon steel. Int. J. Fatigue 2007, 29, 1855–1862. [Google Scholar] [CrossRef]
- Gerin, B.; Pessard, E.; Morel, F.; Verdu, C.; Mary, A. Beneficial effect of prestrain due to cold extrusion on the multiaxial fatigue strength of a 27MnCr5 steel. Int. J. Fatigue 2016, 92, 345–359. [Google Scholar] [CrossRef][Green Version]
- Mroziński, S.; Szala, J. An analysis of the influence of overloads on a fatigue life of 45-steel within the range of low–cycle fatigue. J. Theor. Appl. Mech. 1993, 4, 111–123. [Google Scholar]
- Robertson, L.T.; Hilditch, T.B.; Hodgson, P.D. The effect of prestrain and bake hardening on the low-cycle fatigue properties of TRIP steel. Int. J. Fatigue 2008, 30, 587–594. [Google Scholar] [CrossRef]
- Ly, A.L.; Findley, K.O. The effects of pre-straining conditions on fatigue behavior of a multiphase TRIP steel. Int. J. Fatigue 2016, 87, 225–234. [Google Scholar] [CrossRef]
- Branco, R.; Costa, J.D.; Borrego, L.P.; Wuc, S.C.; Long, X.Y.; Antunes, F.V. Effect of tensile pre-strain on low-cycle fatigue behaviour of 7050-T6 aluminium alloy. Eng. Fail. Anal. 2020, 114, 104592. [Google Scholar] [CrossRef]
- Yang, Z.; Wang, Z. Effect of prestrain on cyclic creep behaviour of a high strength spring steel. Mater. Sci. Eng. A 1996, 210, 83–93. [Google Scholar] [CrossRef]
- Chiou, Y.-C.; Jen, Y.-M.; Weng, W.-K. Experimental investigation on the effect of tensile pre-strain on ratcheting behavior of 430 Stainless Steel under fully-reversed loading conditions. Eng. Fail. Anal. 2011, 18, 766–775. [Google Scholar] [CrossRef]
- Wang, G. Effect of local plastic stretch on total fatigue life evaluation. In Proceedings of the ECF 15th European conference of fracture 2004, Stockholm, Sweden, 11–13 August 2004. [Google Scholar]
- Wang, Y.; Yu, D.; Chen, G.; Chen, X. Effects of pre-strain on uniaxial ratcheting and fatigue failure of Z2CN18.10 austenitic stainless steel. Int. J. Fatigue 2013, 52, 106–113. [Google Scholar] [CrossRef]
- Marnier, G.; Keller, C.; Taleb, L. Fatigue of OFHC pure copper and 316L stainless steel subjected to prior tensile and cyclic prestrains. Int. J. Fatigue 2016, 91, 204–2019. [Google Scholar] [CrossRef]
- Whittaker, M.T.; Evans, W.J. Effect of prestrain on the fatigue properties of Ti834. Int. J. Fatigue 2009, 31, 1751–1757. [Google Scholar] [CrossRef]
- Marnier, G.; Keller, C.; Taleb, L. Tensile prestrain memory effect on subsequent cyclic behavior of FCC metallic materials presenting different dislocations slip modes. Int. J. Plast. 2016, 78, 64–83. [Google Scholar] [CrossRef]
- Zhu, Z.; Chai, G.; Zhang, J.; Li, X.; Huang, Y.; Zhang, J.; Yu, C.; Wang, Q. Origin of prestrain-induced cyclic-strain hardening: Multi-scale experimental characterizations and simulations of 7075 aluminum alloy. Mater. Des. 2024, 238, 112711. [Google Scholar] [CrossRef]
- Mahato, J.K.; De, P.S.; Sarkar, A.; Kundu, A.; Chakraborti, P.C. Effect of prestrain and stress rate on Bauschinger effect of monotonically and cyclically deformed OFHC copper. Procedia Eng. 2014, 74, 368–375. [Google Scholar] [CrossRef][Green Version]
- De, P.S.; Kundu, A.; Chakraborti, P.C. Effect of prestrain on tensile properties and ratcheting behaviour of Ti-stabilised interstitial free steel. Mater. Des. 2014, 57, 87–97. [Google Scholar] [CrossRef]
- Moço, R.F.; Cavalcante, F.G.; Donato, G.H.B. Effects of manufacturing plastic prestrains found on calendered and UOE pipes and pressure vessels on structural integrity assessments regarding fatigue crack growth and LBB. Procedia Struct. Integr. 2018, 13, 1915–1923. [Google Scholar] [CrossRef]
- Le, Q.; Kang, H.; Kridli, G.; Khosrovaneh, A.; Yan, B. Modified strain-life equation to consider the effect of different prestrain paths for dual phase sheet steel. J. Mater. Process. Technol. 2009, 209, 3525–3531. [Google Scholar] [CrossRef]
- Lanning, D.B.; Nicholas, T.; Haritos, G.K. Effect of plastic prestrain on high cycle fatigue of Ti–6Al–4V. Mech. Mater. 2002, 34, 127–134. [Google Scholar] [CrossRef]
- Stöcker, C.; Zimmermann, M.; Christ, H.-J. Effect of precipitation condition, prestrain and temperature on the fatigue behaviour of wrought nickel-based superalloys in the VHCF range. Acta Mater. 2011, 59, 5288–5304. [Google Scholar] [CrossRef]
- ASTM E606-92; Standard Practice for Strain—Controlled Fatigue Testing. ASTM International: West Conshohocken, PA, USA, 2004.
- ASTM E8; Tension Testing of Metallic Material. ASTM International: West Conshohocken, PA, USA, 2004.
- ASTM E466-21; Standard Practice for Conducting Force Controlled Constant Amplitude Axial Fatigue Tests of Metallic Materials. ASTM International: West Conshohocken, PA, USA, 2004.














| Level | T = 20 °C | |
|---|---|---|
| = const.) | = const.) | |
| 1 | 0.25 | 384 |
| 2 | 0.35 | 415 |
| 3 | 0.5 | 430 |
| 4 | 0.8 | 480 |
| 5 | 1.0 | 509 |
Disclaimer/Publisher’s Note: The statements, opinions and data contained in all publications are solely those of the individual author(s) and contributor(s) and not of MDPI and/or the editor(s). MDPI and/or the editor(s) disclaim responsibility for any injury to people or property resulting from any ideas, methods, instructions or products referred to in the content. |
© 2024 by the authors. Licensee MDPI, Basel, Switzerland. This article is an open access article distributed under the terms and conditions of the Creative Commons Attribution (CC BY) license (https://creativecommons.org/licenses/by/4.0/).
Share and Cite
Mroziński, S.; Piotrowski, M.; Egner, H. Effect of Testing Conditions on Low-Cycle Fatigue Durability of Pre-Strained S420M Steel Specimens. Materials 2024, 17, 1833. https://doi.org/10.3390/ma17081833
Mroziński S, Piotrowski M, Egner H. Effect of Testing Conditions on Low-Cycle Fatigue Durability of Pre-Strained S420M Steel Specimens. Materials. 2024; 17(8):1833. https://doi.org/10.3390/ma17081833
Chicago/Turabian StyleMroziński, Stanisław, Michał Piotrowski, and Halina Egner. 2024. "Effect of Testing Conditions on Low-Cycle Fatigue Durability of Pre-Strained S420M Steel Specimens" Materials 17, no. 8: 1833. https://doi.org/10.3390/ma17081833
APA StyleMroziński, S., Piotrowski, M., & Egner, H. (2024). Effect of Testing Conditions on Low-Cycle Fatigue Durability of Pre-Strained S420M Steel Specimens. Materials, 17(8), 1833. https://doi.org/10.3390/ma17081833

