Poisson’s Ratio of Glasses, Ceramics, and Crystals
Abstract
1. Introduction
2. Experimental Methods to Measure Poisson’s Ratio
2.1. Ultrasonic Pulse-Echo Method
2.2. Resonant Ultrasonic Spectroscopy
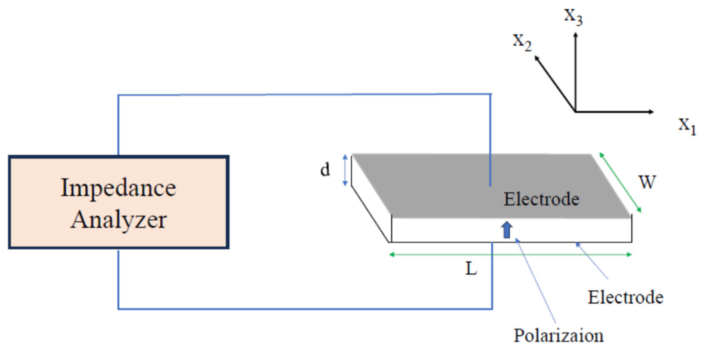
2.3. Piezoelectric Resonance Method
2.4. Brillouin Scattering Spectroscopy
2.5. Atomic Force Microscopy
3. Poisson’s Ratio of Glasses
3.1. Composition-Dependence of Poisson’s Ratio
3.2. Pressure-Dependence of Poisson’s Ratio
4. Poisson’s Ratio of Piezoelectric Ceramics
4.1. Lead Zirconate Titanate Ceramics
4.2. Lead Lantanum Zirconate Titanate Ceramics
5. First-Principles Calculation of Poisson’s Ratio of Crystals
6. Conclusions
Funding
Informed Consent Statement
Data Availability Statement
Acknowledgments
Conflicts of Interest
References
- Greaves, G.N.; Greer, A.L.; Lakes, R.S.; Rouxe, T. Poisson’s ratio and modern materials. Nat. Mater. 2011, 10, 823–837. [Google Scholar] [CrossRef] [PubMed]
- Novikov, V.N.; Sokolov, A.P. Poisson’s ratio and the fragility of glass-forming liquids. Nature 2004, 431, 961–963. [Google Scholar] [CrossRef] [PubMed]
- Østergaard, M.B.; Hansen, S.R.; Januchta, K.; To, T.; Rzoska, S.J.; Bockowski, M.; Bauchy, M.; Smedskjaer, M.M. Revisiting the Dependence of Poisson’s Ratio on Liquid Fragility and Atomic Packing Density in Oxide Glasses. Materials 2019, 12, 2439. [Google Scholar] [CrossRef] [PubMed]
- Lakes, R.S. Foam structures with a negative Poisson’s ratio. Science 1987, 235, 1038–1040. [Google Scholar] [CrossRef]
- Wojciechowski, K.W. Auxetics and Other Systems with Unusual Characteristics. Phys. Status Solidi B 2022, 259, 2200536. [Google Scholar] [CrossRef]
- Baughman, R.H.; Shacklette, J.M.; Zakhidov, A.A.; Stafstrom, S. Negative Poisson’s ratios as a common feature of cubic metals. Nature 1998, 392, 362–365. [Google Scholar] [CrossRef]
- Friis, E.A.; Lakes, R.S.; Park, J.B. Negative Poisson’s ratio polymeric and metallic materials. J. Mater. Sci. 1988, 23, 4406–4414. [Google Scholar] [CrossRef]
- Hiep, N.T.; Nguyen, C.Q.; Hieu, N.N. Negative Poisson’s ratio and anisotropic carrier mobility in ternary Janus Si2XY (X=Y ¼ S, Se, Te): First-principles prediction. Appl. Phys. Lett. 2023, 123, 092102. [Google Scholar] [CrossRef]
- McSkimin, H.J. Pulse superposition method for measuring ultrasonic wave velocities in solids. J. Aco. Soc. Am. 1961, 33, 12–16. [Google Scholar] [CrossRef]
- Yasunaga, M.; Funatsu, Y.; Kojima, S.; Otsuka, K.; Suzuki, T. Ultrasonic Velocity Near The Martensitic Transformation Temperature. J. Phys. Colloq. 1982, 43, C4-603–C4-608. [Google Scholar] [CrossRef][Green Version]
- Kodama, M.; Kojima, S. High Accuracy Measurement of Ultrasonic Travel Time by Pulse-Echo Overlap Method: The McSkimin Criterion for Specimens over a Wide Range of Characteristic Impedance. Proc. Symp. Ultrason. Electron. 2010, 31, 37–38. [Google Scholar]
- Sato, Y.; Usami, T. Basic study on the oscillation of a homogeneous elastic sphere. I. Frequency of the free oscillations. Geophys. Mag. 1962, 31, 15–24. [Google Scholar]
- Sato, Y.; Usami, T. Basic study on the oscillation of a homogeneous elastic sphere: II. Distribution of displacement. Geophys. Mag. 1962, 31, 25–47. [Google Scholar]
- Sato, Y.; Usami, T. Basic study on the oscillation of a homogeneous elastic sphere: III. Boundary conditions and the generation of elastic waves. Geophys. Mag. 1962, 31, 49–62. [Google Scholar]
- Fraser, D.B.; LeCraw, R.C. Novel Method of Measuring Elastic and Anelastic Properties of Solids. Rev. Sci. Inst. 1964, 35, 1113–1115. [Google Scholar] [CrossRef]
- Ohno, I. Free vibration of a rectangular parallelepiped crystal and its application to determination of elastic constants of orthorhombic crystals. J. Phys. Earth 1976, 24, 355–379. [Google Scholar] [CrossRef]
- Guenin, G.; Rios Jara, D.; Murakami, Y.; Delaey, L.; Gobin, P.F. Some elastic properties of a single crystal of Cu-Zn-Al Martensite. Scripta Met. 1979, 13, 289–292. [Google Scholar] [CrossRef]
- Yasunaga, M.; Funatsu, Y.; Kojima, S.; Otsuka, K.; Suzuki, T. Measurement of Elastic Constants. Scripta. Met. 1983, 17, 1091–1094. [Google Scholar] [CrossRef]
- Olsen, J.L. Change of Elastic Constants in a Superconductor. Nature 1955, 175, 37. [Google Scholar] [CrossRef]
- Tanaka, M.; Yosizaki, R.; Kojima, S.; Sakudo, T.; Suzuki, T. Elastic Modulus Measurement of BaPb1−xBixO3 by Resonance Method. Jpn. J. Appl. Phys. 1985, 24 (Suppl. S1), 18–20. [Google Scholar] [CrossRef]
- Fukuda, H.; Nagakubo, A.; Wright, O.B.; Kyotani, K.; Ogi, H. Deep-Learning-Assisted Resonant Ultrasound Spectroscopy for Cubic Solids. Phys. Rev. Appl. 2023, 20, 034048. [Google Scholar]
- Bechmann, R. Elastic, Piezoelectric, and Dielectric Constants of Polarized Barium Titanate Ceramics and Some Applications of the Piezoelectric Equations. J. Acous. Soc. Am. 1956, 28, 347–350. [Google Scholar] [CrossRef]
- Li, Y.; Qing, Z.K.; Zhou, Z.G. Measurements for Piezoelectric and Ferroelectric Materials; Science Press: Beijing, China, 1984. (In Chinese) [Google Scholar]
- Zhang, S.; Dong, X.L.; Kojima, S. Temperature Dependence of Dielectric, Elastic and Piezoelectric Properties of Pb(ZrxTi1−x)O3. Jpn. J. Appl. Phys. 1997, 36, 2994–2997. [Google Scholar] [CrossRef]
- Dong, X.L.; Kojima, S. Dielectric and resonance frequency investigations of phase transitions in Nb-doped PZT95/5 and 75/25 ceramics. J. Phys. Conden. Matter. 1997, 9, L171. [Google Scholar]
- Kojima, S. 100th Anniversary of Brillouin Scattering: Impact on Materials Science. Materials 2022, 15, 3518. [Google Scholar] [CrossRef] [PubMed]
- Shabbir, G.; Ko, J.H.; Kojima, S.; Yin, Q. Acoustic properties of PLZT relaxor ferroelectric ceramics studied by Brillouin scattering. Appl. Phys. Lett. 2003, 82, 4696–4698. [Google Scholar]
- Kojima, S.; Nakamura, T.; Asaumi, K.; Takashige, M.; Minomura, S. Raman Scattering Studies on Phase Transition in Barium Sodium Niobate at High-Pressure. Solid State Commun. 1979, 29, 779–783. [Google Scholar]
- Mao, H.K.; Bell, P.M.; Shaner, J.W.; Steinberg, D.J. Specific volume measurements of Cu, Mo, Pd, and Ag and calibration of the ruby R 1 fluorescence pressure gauge from 0.06 to 1 Mbar. J. Appl. Phys. 1978, 49, 3276–3283. [Google Scholar]
- Binnig, G.; Quate, C.F.; Gerber, C. Atomic Force Microscope. Phys. Rev. Lett. 1986, 56, 930–933. [Google Scholar] [CrossRef]
- Hamazaki, S.; Shimizu, F.; Kojima, S.; Takashige, M. AFM observation of 90° domains of BaTiO3 butterfly crystals. J. Phys. Soc. Jpn. 1995, 64, 3660–3663. [Google Scholar] [CrossRef]
- Hurley, D.C.; Turner, J.A. Measurement of Poisson’s ratio with contact-resonance atomic force microscopy. J. Appl. Phys. 2007, 102, 033509. [Google Scholar] [CrossRef]
- Yamasaki, Y.; Akita, E.; Okano, K.; Hosokawa, Y. Force measurement of plant cell utilizing atomic force microscopy. Plant Morphol. 2021, 33, 41–45. [Google Scholar] [CrossRef]
- Arnold, K.M.; Sicard, D.; Tschumperlin, D.J.; Westendorf, J.J. Atomic Force Microscopy Micro-Indentation Methods for Determining the Elastic Modulus of Murine Articular Cartilage. Sensors 2023, 23, 1835. [Google Scholar] [PubMed]
- Kodama, M. Velocity of sound in and elastic properties of barium borate glasses. Phys. Chem. Glass 1985, 26, 105–112. [Google Scholar]
- Kojima, S. Physical properties of alkali borate glasses. In Advances in Materials Science Research; Nova Science Publishers: Hauppauge, NY, USA, 2022; Volume 55, Chapter 8. [Google Scholar]
- Ngai, K.L.; Wang, L.M.; Liu, R.; Wang, W.H. Microscopic dynamics perspective on the relationship between Poisson’s ratio and ductility of metallic glasses. J. Chem. Phys. 2014, 140, 044511. [Google Scholar] [CrossRef]
- Zha, C.S.; Hemley, R.J.; Mao, H.K.; Duffy, T.S.; Meade, C. Acoustic velocities and refractive index of SiO2 glass to 57.5 GPa by Brillouin scattering. Phys. Rev. B 1984, 50, 13105. [Google Scholar] [CrossRef]
- Vallero, C.; Ahart, M.; Tkachev, S.; Chariton, S.; Prakapenka, V.; Kojima, S.; Gramsh, S.A.; Russell, J.; Hemley, R.J. Acoustic properties, elasticity, and equation of state of glycerol under pressure. J. Chem. Phys. 2023, 159, 064506. [Google Scholar] [CrossRef]
- Dong, X.L.; Kojima, S. Dynamical Properties of the FR(LT)-FR(HT) Phase Transition in Zr-Rich Lead Zirconate Titanate Ceramics. Jpn. J. Appl. Phys. 1997, 36, 2989–2993. [Google Scholar] [CrossRef]
- Tachibana, M.; Bourgès, C.; Mori, T. Thermal conductivity of lead zirconate titanate PbZr1−xTixO3. Appl. Phys. Express 2023, 16, 101002. [Google Scholar] [CrossRef]
- Haertling, G.H.; Land, C.E. Hot-Pressed (Pb,La)(Zr,Ti)O3 Ferroelectric Ceramics for Electrooptic Applications. J. Am. Ceram. Soc. 1971, 54, 1–11. [Google Scholar]
- Segal, M.D.; Lindan, P.J.D.; Probert, M.J.; Pickard, C.J.; Hasnip, P.J.; Clark, S.J.M.; Payne, M.C. First-principles simulation: Ideas, illustrations, and the CASTEP code. J. Phys. Condens. Matter 2002, 14, 2717–2744. [Google Scholar] [CrossRef]
- Khon, W.; Sham, L.J. Self-Consistent Equations Including Exchange and Correlation Effects. Phys. Rev. 1965, 140, A1133–A1138. [Google Scholar] [CrossRef]
- Perdew, J.P.; Burke, K.; Ernzerhof, M. Generalized gradient approximation made simple. Phys. Rev. Lett. 1996, 77, 3865–3868. [Google Scholar] [CrossRef] [PubMed]
- Bouhemadou, A. Calculated structural and elastic properties of M2InC (M = Sc, Ti, V, Zr, Nb, Hf, Ta). Mod. Phys. Lett. B 2008, 22, 2063–2076. [Google Scholar] [CrossRef]
- Monira, M.; Helal, M.A.; Liton, M.N.H.; Kamruzzaman, M.; Islam, A.K.M.F.; Kojima, S. Effect of hydrostatic pressure on mechanical and optoelectronic properties of ACuO3 (A = Ca, Sr). Jpn. J. Appl. Phys. 2022, 61, 111001. [Google Scholar] [CrossRef]
- Zuo, L.; Hambert, M.; Esling, C. Elastic properties of polycrystals in the Voigt–Reuss–Hill approximation. J. Appl. Crystallogr. 1992, 25, 751–755. [Google Scholar] [CrossRef]
- Bouhadda, Y.; Djellab, S.; Bououdina, M.; Fenineche, N.; Boudouma, Y. Structural and elastic properties of LiBH4 for hydrogen storage applications. J. Alloys Compd. 2012, 534, 20–24. [Google Scholar] [CrossRef]
- Monira, M.; Helal, M.A.; Liton, M.N.H.; Kamruzzaman, M.; Kojima, S. Elastic, optoelectronic and photocatalytic properties of semiconducting CsNbO3: First principles insights. Sci. Rep. 2023, 13, 10246. [Google Scholar] [CrossRef]
- Frantsevich, I.N.; Voronov, F.F.; Bokuta, S.A. Elastic Constants and Elastic Moduli of Metals and Insulators Handbook; Naukova Dumka: Kyiv, Ukraine, 1983; pp. 60–180. [Google Scholar]












Disclaimer/Publisher’s Note: The statements, opinions and data contained in all publications are solely those of the individual author(s) and contributor(s) and not of MDPI and/or the editor(s). MDPI and/or the editor(s) disclaim responsibility for any injury to people or property resulting from any ideas, methods, instructions or products referred to in the content. |
© 2024 by the author. Licensee MDPI, Basel, Switzerland. This article is an open access article distributed under the terms and conditions of the Creative Commons Attribution (CC BY) license (https://creativecommons.org/licenses/by/4.0/).
Share and Cite
Kojima, S. Poisson’s Ratio of Glasses, Ceramics, and Crystals. Materials 2024, 17, 300. https://doi.org/10.3390/ma17020300
Kojima S. Poisson’s Ratio of Glasses, Ceramics, and Crystals. Materials. 2024; 17(2):300. https://doi.org/10.3390/ma17020300
Chicago/Turabian StyleKojima, Seiji. 2024. "Poisson’s Ratio of Glasses, Ceramics, and Crystals" Materials 17, no. 2: 300. https://doi.org/10.3390/ma17020300
APA StyleKojima, S. (2024). Poisson’s Ratio of Glasses, Ceramics, and Crystals. Materials, 17(2), 300. https://doi.org/10.3390/ma17020300
