A Simulation Study on Sieving as a Powder Deposition Method in Powder Bed Fusion Processes
Abstract
1. Introduction
2. Materials and Methods
2.1. Powder Modelling and Environment
2.2. Simulation Bodies and Simulation Description
2.3. Sieving Phase Identification and Quality Criteria
2.3.1. Powder Mass Flow during Linearity Q (mg/s)
- During Stage 1, the sieve is sealed, hence the powder particles are frozen inside the sieve. However, during the powder generation and the particles’ free fall until this frozen status is achieved, some particles managed to enter the sieve’s ducts before they became clogged down by van der Waals forces acting between the particles.
- When the blocker plate is retracted, the particles that were filling the sieve’s ducts fall onto the substrate, creating an initial “cloud” (Stage 2).
- After these particles fall, no more particles can travel through the ducts while the sieve remains motionless. This is Stage 3, where the sieve is awaiting the vibration in order for the sieving to begin. During this stage, many small particles are hanging from the bottom of the sieve, due to the microscopic adhesive forces that exceed gravity.
- When the vibration begins, at the very first oscillation, these freely hanging particles drop onto the substrate, creating a second “cloud” of particles. This is Stage 4.
- Next, providing that the vibration provides enough energy to enforce the stirring of the powder and facilitate the unclogging of the ducts, the powder begins to pass through the sieve at a steady flow rate (Stage 5); hence, the desired linearity is achieved. During this stage, the fines that remain in the sieve decrease, while the coarse ones tend to remain in the sieve, since they cannot pass through the ducts as easily.
- Eventually, the flow rate decreases, and the linearity of the stable sieve stage is lost (Stage 6). In Stage 6, the segregation continues, even though the sieving rate decreases. The particles that pass through the ducts are infinitesimally smaller than the sieve’s aperture size. This continues until segregation is complete.
- Stage 7 follows, where no more particles pass through the sieve regardless of the sieve’s vibration.
2.3.2. Total Powder Mass Sieved during Linearity m (mg)
2.3.3. In-Sieve Linearity End Size Ratio LESR (D90/A.S.)
2.3.4. Sieving Linearity Duration tlin (s)
3. Simulation Experiments
3.1. Design of Experiments
- Vibrational frequency of the sieve along the vertical (z) axis, fvib (Hz), examined at three levels: 200 Hz, 350 Hz, 500 Hz. These frequencies were selected in order to be much lower compared to ultrasound sieving, since, at very high frequencies, the continuous offering of very high energy values to the powder leads to an excessive fugacity of the particles, which form a “micro-suspended” state on the sieve [29]. In order to examine this, a very large domain in combination with top-sealed sieves would be necessary to prevent the particles from escaping. The levels selected are mechanically achievable. The minimum level (200 Hz) was selected after preliminary simulations showed that frequencies below 150 Hz were unable to facilitate the necessary stirring of the powder to perform the sieving. In these cases, the sieve would oscillate vertically and carry the powder along with it, leaving the particles motionless with regard to the sieve.
- Vibrational amplitude of the sieve along the vertical (z) axis, Avib (μm), examined at three levels: 20 μm, 35 μm, 50 μm. These values were selected by preliminary trials. It was proven that amplitudes smaller than 10 μm were unable to facilitate the necessary stirring of the powder, while amplitudes larger than 70 μm would cause the powder to escape the 2 mm high sieve, hence leaving the domain of the simulation. These limits must be checked prior to simulations for different powder materials and particle size distributions, since the cohesive forces will be affected, and different excitation levels will be necessary to induce stirring.
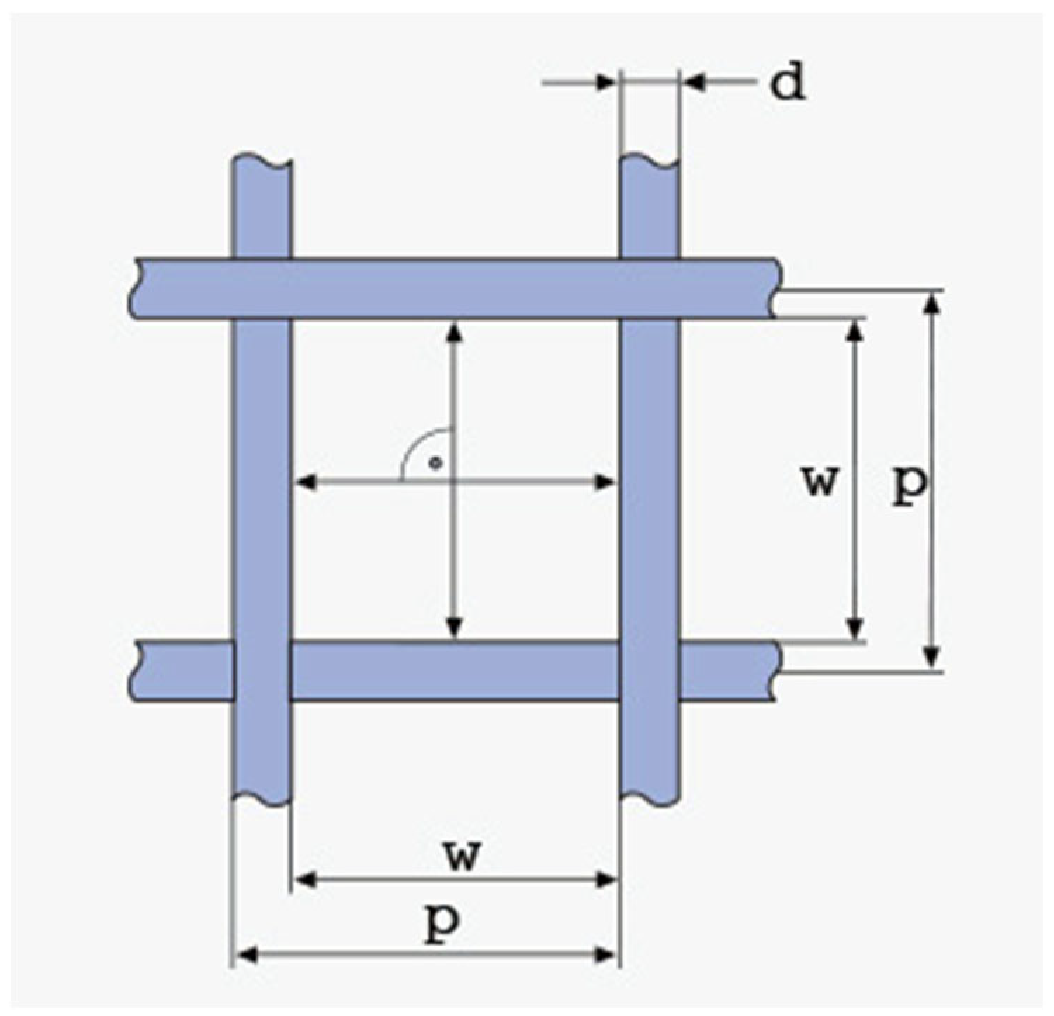
- Sieve ducts’ taper angle, θtap (degrees), examined at three levels: 1°, 4°, 7°. The sieve is open at the top, rectangular, with square apertures. The side of the sieve is 1 mm, and its height is 2 mm (referring to sieve interior dimensions; sieve volume capacity is 2 mm3). The thickness of the sieve is 100 μm and kept stable for all the simulations. The ducts have an inverted taper shape; hence the aperture diverges while moving downwards (see Figure 5). This variable aims to examine whether the adhesive forces and duct clogging differ with various taper values. The values chosen were in agreement with industrial manufacturing standards [30], while ensuring that the inverted taper-shaped ducts would not intersect each other throughout the metal sheet’s thickness. The sieving plate is designed by the process of electroforming a thin, 100 μm thick metal sheet to create inverted taper-shaped apertures throughout the sheet. The geometry of the square mesh is described in Figure 6. The figure refers to woven wire mesh, but the same terminology and definitions apply to a sheet form mesh as well [31]. The sieve used in the simulations (see Figure 6) is designed to be a 325 mesh (325 lines/inch) with an aperture width of 50 μm (w = 50 μm) and a mesh pitch of 78.2 μm (p = 78.2 μm). This means that the distance between two consecutive apertures is equal to d = p − w ⇒ d = 28.2 μm. The calculations are in accordance with the specifications provided in [30], as can be seen in Table 2. There is also the possibility of having hexagonal (coxcomb) or circular (round) apertures. Possible differences in their behavior will be examined with regard to the Taguchi-defined optimum levels for the square-aperture sieve, for time reasons, since sieving simulations are quite time-costly.
- Box factory height, hbf (mm), examined at three levels: 0.5 mm, 1.0 mm, 1.5 mm. It determines the amount of the powder that fills the sieve at the beginning of the simulation. As more and more powder stacks into the sieve, the height of the powder stack increases. This means that more particles are stacked onto the ones that are positioned right above the ducts, transferring their weight onto them. Hence, a stronger vibrational excitation will be necessary to facilitate the stirring of the powder that is needed for the sieving to be performed. These levels were selected by trial and error, ensuring that the aforementioned vibrational amplitude and frequency levels would provide adequate stirring of this amount of powder for sieving to be performed. This variable aims to examine how much powder can be fed into the sieve before the stacked weight of the powder particles prevents the sieving from being performed in an acceptably consistent and fast manner. These levels were selected to be in agreement with the selected sieve height (2 mm). These refer to the 25%, 50% and 75% of the height of the sieve.
| Lines (Line/Inch) | Mesh Pitch (μm) | Maximum Sheet Size (mm) | Aperture Accuracy Guaranteed Area | Min-Max (μm) Aperture Size | |
|---|---|---|---|---|---|
| 325 | 78.2 | 380 | ±2 | ≤Φ180 | 8–62 |
| ±4 | ≤Φ300 | ||||
| TRIAL # | fvib (Hz) | Avib (μm) | θtap (deg.) | hbf (mm) | Q (mg/s) | m (mg) | LESR | tlin (s) |
|---|---|---|---|---|---|---|---|---|
| 1 | 200 | 20 | 1 | 0.5 | 1.141 | 0.183 | 0.804 | 0.171 |
| 2 | 200 | 20 | 4 | 1.0 | 0.888 | 0.238 | 0.509 | 0.271 |
| 3 | 200 | 20 | 7 | 1.5 | 0.900 | 0.218 | 0.398 | 0.243 |
| 4 | 200 | 35 | 1 | 1.0 | 0.844 | 0.429 | 0.912 | 0.523 |
| 5 | 200 | 35 | 4 | 1.5 | 0.737 | 0.659 | 1.001 | 0.923 |
| 6 | 200 | 35 | 7 | 0.5 | 1.082 | 0.152 | 0.661 | 0.145 |
| 7 | 200 | 50 | 1 | 1.5 | 0.576 | 0.296 | 0.469 | 0.501 |
| 8 | 200 | 50 | 4 | 0.5 | 0.750 | 0.110 | 0.596 | 0.147 |
| 9 | 200 | 50 | 7 | 1.0 | 0.673 | 0.341 | 0.787 | 0.523 |
| 10 | 350 | 20 | 1 | 1.0 | 0.771 | 0.427 | 0.919 | 0.578 |
| 11 | 350 | 20 | 4 | 1.5 | 0.584 | 0.664 | 1.020 | 1.183 |
| 12 | 350 | 20 | 7 | 0.5 | 1.075 | 0.146 | 0.642 | 0.140 |
| 13 | 350 | 35 | 1 | 1.5 | 0.404 | 0.566 | 0.851 | 1.388 |
| 14 | 350 | 35 | 4 | 0.5 | 0.594 | 0.102 | 0.645 | 0.176 |
| 15 | 350 | 35 | 7 | 1.0 | 0.536 | 0.334 | 0.813 | 0.640 |
| 16 | 350 | 50 | 1 | 0.5 | 0.372 | 0.083 | 0.626 | 0.233 |
| 17 | 350 | 50 | 4 | 1.0 | 0.334 | 0.269 | 0.756 | 0.811 |
| 18 | 350 | 50 | 7 | 1.5 | 0.307 | 0.462 | 0.765 | 1.525 |
| 19 | 500 | 20 | 1 | 1.5 | 0.408 | 0.648 | 1.000 | 1.622 |
| 20 | 500 | 20 | 4 | 0.5 | 0.983 | 0.111 | 0.578 | 0.115 |
| 21 | 500 | 20 | 7 | 1.0 | 0.696 | 0.359 | 0.811 | 0.535 |
| 22 | 500 | 35 | 1 | 0.5 | 0.496 | 0.076 | 0.586 | 0.159 |
| 23 | 500 | 35 | 4 | 1.0 | 0.421 | 0.282 | 0.759 | 0.681 |
| 24 | 500 | 35 | 7 | 1.5 | 0.338 | 0.522 | 0.830 | 1.523 |
| 25 | 500 | 50 | 1 | 1.0 | 0.278 | 0.265 | 0.746 | 0.969 |
| 26 | 500 | 50 | 4 | 1.5 | 0.239 | 0.452 | 0.788 | 2.025 |
| 27 | 500 | 50 | 7 | 0.5 | 0.347 | 0.065 | 0.582 | 0.205 |
3.2. Results
3.2.1. Mass during Linearity (m)
3.2.2. Mass Flow in Linearity (Q)
3.2.3. Duration of Linearity (tlin)
4. Analysis and Discussion
4.1. Aperture Shape Influence
- It is increasingly difficult for borderline passing particles (i.e., particles of 50 μm diameter) to penetrate the apertures and move through them, and
- Square apertures, while a borderline passing particle passes through them, leave some space at the corners for fine particles to pass. This space becomes smaller for hexagonal apertures and becomes non-existent for circular apertures.
4.2. Sieved Layer Quality
- Trials with larger (tlin-t0.205) and (m-mdes) values are superior in terms of quality. Hence, trials with hbf = 0.5 mm are the least promising, unless they feature low sieve excitation levels (fvib = 200 Hz and Avib = 20 or 35 μm), see trials #6 and #1. Inversely, trials with hbf = 1.5 or 1 mm and low sieve excitation levels (fvib = 200 Hz and Avib = 20 or 35 μm) create layers of average quality compared to the ones of the same initial powder amount (hbf = 1.5 or 1 mm) combined with high sieve excitation levels (fvib = 500 or 350 Hz and Avib = 50 or 35 μm).
- In continuation from the previous point, the optimum layers are the ones developed by the sieving combination that promotes the highest mass sieved in linearity combined with the lowest mass flow, meaning indeed that the slower the sieving rate, the better the sieved deposited layer quality.
- SCR remains practically unchanged for every trial (99.3 ± 0.1% for the sample of the 27 trials), indicating that the coverage ratio is an intrinsic property of the sieving method in terms of sieving deposition.
- True packing density remains practically unchanged for every trial (67.6 ± 0.5% for the sample of the 27 trials), as was expected. However, slight changes indicate the opposite trend to the expected one, i.e., higher true packing density for the lower quality layers. This can be again explained by the presence of oversized particles on top of the layer. The oversized particles occupy a large space, leading to a slight increase in the true packing density, as +it was defined in [15].
- In certain trials (#12 and #20), the LTD value appears to point towards a higher layer quality, even though the other criteria point towards the opposite. This is, as explained previously, due to the fact that the average height is heavily influenced by extreme values. In both these trials, in order to sieve the desired powder mass (0.205 mg), sieving had to continue past the end of the linear stage. This caused the accumulation of oversized particles on the top of the layer, creating high peaks that decrease the |LTD| value, but simultaneously degrade the layer quality, as depicted by Sq.
- Sku and Ssk again prove themselves to be accurate layer quality indicators, capable of identifying whether an increase in LTD (decrease in |LTD|), like in trials #12 and #20, points towards an actual or false layer quality increase.
5. Conclusions
- It has been proven that it is not possible to simultaneously maximize the aforementioned criteria.
- The powder fed into the sieve prior to sieving has been proven to be the most impactful among the criteria, since the larger it is, the larger the powder amount sieved during linearity and the linearity duration.
- Smaller frequencies and amplitudes combined with low initial powder level promote higher mass flow, while larger frequencies and amplitudes combined with higher initial powder level promote longer duration of the linear stage.
- The taper angle of the sieve’s apertures is proven to have negligible effects on the selected quality criteria.
- The shape of the sieve’s apertures has significant interactions with the other sieving parameters, which made it impossible to identify certain relations. The authors will look to evaluate this in their future work. However, it became clear that the powder mass flow per aperture decreases regardless of the sieving conditions with the increasing number of sides the canonical polygon-shaped aperture has, given that the maximum passing particle diameter is kept stable.
- Finally, the quality of the powder layer produced via controlled sieving is optimized by ensuring that the duration of the linear sieving stage in combination with the linearity mass flow are capable of providing the necessary powder mass before the ending of the linear stage. Opting for settings that provide high duration of linearity in combination with large powder mass sieved during linearity is strongly recommended.
- The quality of powder layers deposited via controlled sieving is proven to be superior with regard to the quality of the ones deposited by non-vibrated doctor blade recoaters, but worse compared to vibration-assisted doctor blade deposition.
Author Contributions
Funding
Institutional Review Board Statement
Informed Consent Statement
Data Availability Statement
Conflicts of Interest
Appendix A. ANOVA Results
| Source | DF | Seq SS | Contribution | Adj SS | Adj MS | F-Value | p-Value |
|---|---|---|---|---|---|---|---|
| Regression | 7 | 0.779953 | 84.58% | 0.779953 | 0.111422 | 14.89 | 0.000 |
| fvib (Hz) | 1 | 0.001318 | 0.14% | 0.000243 | 0.000243 | 0.03 | 0.859 |
| Avib (μm) | 1 | 0.023544 | 2.55% | 0.000646 | 0.000646 | 0.09 | 0.772 |
| θtap (deg.) | 1 | 0.007771 | 0.84% | 0.038923 | 0.038923 | 5.20 | 0.034 |
| hbf (mm) | 1 | 0.664705 | 72.09% | 0.017935 | 0.017935 | 2.40 | 0.138 |
| fvib (Hz)*Avib (μm) | 1 | 0.016428 | 1.78% | 0.016428 | 0.016428 | 2.20 | 0.155 |
| fvib (Hz)*hbf (mm) | 1 | 0.034347 | 3.72% | 0.018180 | 0.018180 | 2.43 | 0.136 |
| Avib (μm)*θtap (deg.) | 1 | 0.031840 | 3.45% | 0.031840 | 0.031840 | 4.26 | 0.053 |
| Error | 19 | 0.142149 | 15.42% | 0.142149 | 0.007482 | ||
| Total | 26 | 0.922102 | 100.00% |
| Source | DF | Seq SS | Contribution | Adj SS | Adj MS | F-Value | p-Value |
|---|---|---|---|---|---|---|---|
| Regression | 7 | 176.532 | 92.86% | 176.532 | 0.252189 | 35.32 | 0.000 |
| fvib (Hz) | 1 | 0.63657 | 33.49% | 0.03887 | 0.038869 | 5.44 | 0.031 |
| Avib (μm) | 1 | 0.70805 | 37.25% | 0.11374 | 0.113745 | 15.93 | 0.001 |
| θtap (deg.) | 1 | 0.02449 | 1.29% | 0.01715 | 0.017145 | 2.40 | 0.138 |
| hbf (mm) | 1 | 0.30602 | 16.10% | 0.12230 | 0.122304 | 17.13 | 0.001 |
| fvib (Hz)*Avib (μm) | 1 | 0.00715 | 0.38% | 0.00386 | 0.003864 | 0.54 | 0.471 |
| Avib (μm)*hbf (mm) | 1 | 0.07680 | 4.04% | 0.07680 | 0.076800 | 10.75 | 0.004 |
| θtap (deg.)*hbf (mm) | 1 | 0.00623 | 0.33% | 0.00623 | 0.006230 | 0.87 | 0.362 |
| Error | 19 | 0.13568 | 7.14% | 0.13568 | 0.007141 | ||
| Total | 26 | 190.100 | 100.00% |
| Source | DF | Seq SS | Contribution | Adj SS | Adj MS | F-Value | p-Value |
|---|---|---|---|---|---|---|---|
| Regression | 7 | 747.360 | 94.69% | 747.360 | 106.766 | 48.40 | 0.000 |
| fvib (Hz) | 1 | 106.921 | 13.55% | 0.20059 | 0.20059 | 9.09 | 0.007 |
| Avib (μm) | 1 | 0.24059 | 3.05% | 0.04630 | 0.04630 | 2.10 | 0.164 |
| θtap (deg.) | 1 | 0.02457 | 0.31% | 0.13670 | 0.13670 | 6.20 | 0.022 |
| hbf (mm) | 1 | 495.285 | 62.75% | 0.06750 | 0.06750 | 3.06 | 0.096 |
| fvib (Hz)*hbf (mm) | 1 | 101.326 | 12.84% | 0.79268 | 0.79268 | 35.93 | 0.000 |
| Avib (μm)*θtap (deg.) | 1 | 0.11375 | 1.44% | 0.11375 | 0.11375 | 5.16 | 0.035 |
| Avib (μm)*hbf (mm) | 1 | 0.05936 | 0.75% | 0.05936 | 0.05936 | 2.69 | 0.117 |
| Error | 19 | 0.41913 | 5.31% | 0.41913 | 0.02206 | ||
| Total | 26 | 789.272 | 100.00% |
References
- Ralston, O.C. Principles of Mineral Dressing. By A. M. Gaudin. J. Phys. Chem. 1940, 44, 532–533. [Google Scholar] [CrossRef]
- Pelevin, A. The probability of particles screening on the screen, taking into account the interaction of particles over the meshes of the sieve. E3S Web Conf. 2020, 177, 01001. [Google Scholar] [CrossRef]
- Shimosaka, A.; Higashihara, S.; Hidaka, J. Estimation of the sieving rate of powders using computer simulation. Adv. Powder Technol. 2000, 11, 487–502. [Google Scholar] [CrossRef]
- Yoshida, Y.; Ishikawa, S.; Shimosaka, A.; Shirakawa, Y.; Hidaka, J. Estimation Equation for Sieving Rate Based on the Model for Undersized Particles Passing through Vibrated Particle Bed. J. Chem. Eng. Jpn. 2013, 46, 116–126. [Google Scholar] [CrossRef]
- Li, J.; Webb, C.; Pandiella, S.; Campbell, G. Discrete particle motion on sieves—A numerical study using the DEM simulation. Powder Technol. 2003, 133, 190–202. [Google Scholar] [CrossRef]
- Peng, L.; Feng, H.; Wang, Z.; Wang, H.; Yang, H.; Huang, H. Screening Mechanism and Properties of a Cantilevered Vibrating Sieve for Particles Processing. Appl. Sci. 2019, 9, 4911. [Google Scholar] [CrossRef]
- Yamane, K.; Ishihara, S.; Soda, R.; Kano, J.; Saito, F. DEM Simulation of Sieving Process about Rod-like Particles. J. Soc. Powder Technol. Jpn. 2012, 49, 818–826. [Google Scholar] [CrossRef][Green Version]
- Harkin, R.; Wu, H.; Nikam, S.; Quinn, J.; McFadden, S. Analysis of Spatter Removal by Sieving during a Powder-Bed Fusion Manufacturing Campaign in Grade 23 Titanium Alloy. Metals 2021, 11, 399. [Google Scholar] [CrossRef]
- Avrampos, P. Optimized development of a prototype Selective Laser Sintering powder recoating system via Analytic Hierarchy Process. Int. J. Exp. Des. Process. Optim. 2023, 1. [Google Scholar] [CrossRef]
- Avrampos, P.; Vosniakos, G.-C. A prototype powder deposition system for an open Selective Laser Sintering machine. Procedia Manuf. 2020, 51, 755–762. [Google Scholar] [CrossRef]
- Avrampos, P.; Vosniakos, G.-C. A review of powder deposition in additive manufacturing by powder bed fusion. J. Manuf. Process. 2022, 74, 332–352. [Google Scholar] [CrossRef]
- Penny, R.W.; Praegla, P.M.; Ochsenius, M.; Oropeza, D.; Weissbach, R.; Meier, C.; Wall, W.A.; Hart, A.J. Spatial mapping of powder layer density for metal additive manufacturing via transmission X-ray imaging. Addit. Manuf. 2021, 46, 102197. [Google Scholar] [CrossRef]
- Ali, U.; Mahmoodkhani, Y.; Shahabad, S.I.; Esmaeilizadeh, R.; Liravi, F.; Sheydaeian, E.; Huang, K.Y.; Marzbanrad, E.; Vlasea, M.; Toyserkani, E. On the measurement of relative powder-bed compaction density in powder-bed additive manufacturing processes. Mater. Des. 2018, 155, 495–501. [Google Scholar] [CrossRef]
- Sinoenergy. 99.5% Purity 20µm Spherical Alumina Powder, Alumina Spheres, SA-ZL Series. 2023. Available online: https://www.sphericalsilica.com/product/99-5-purity20um-spherical-alumina-powder-alumina-spheres-sa-zl-series (accessed on 2 June 2024).
- Avrampos, P.; Vosniakos, G.-C. A Study on Powder Spreading Quality in Powder Bed Fusion Processes Using Discrete Element Method Simulation. J. Manuf. Mater. Process. 2024, 8, 101. [Google Scholar] [CrossRef]
- AZO Materials. Alumina–Aluminium Oxide–Al2O3—A Refractory Ceramic Oxide. Available online: https://www.azom.com/properties.aspx?ArticleID=52 (accessed on 28 November 2023).
- AZO Materials. Stainless Steel—Grade 304 (UNS S30400). 2023. Available online: https://www.azom.com/properties.aspx?ArticleID=965 (accessed on 27 December 2023).
- Zhang, J.; Tan, Y.; Bao, T.; Xu, Y.; Xiao, X.; Jiang, S. Discrete Element Simulation of the Effect of Roller-Spreading Parameters on Powder-Bed Density in Additive Manufacturing. Materials 2020, 13, 2285. [Google Scholar] [CrossRef]
- ASTM D6773; Standard Shear Test Method for Bulk Solids Using the Schulze Ring Shear Tester. ASTM International: West Conshoshocken, PA, USA, 2008. [CrossRef]
- Altair EDEM. The Hertz-Mindlin with JKR Version 2 Model. Available online: https://2022.help.altair.com/2022.2/EDEM/Creator/Physics/Base_Models/Hertz-Mindlin_with_JKR_V2.htm (accessed on 27 March 2024).
- Johnson, K.L.; Kendall, K.; Roberts, A.D. Surface energy and the contact of elastic solids. Proc. R. Soc. A Math. Phys. Eng. Sci. 1971, 324, 301–313. [Google Scholar]
- Thornton, C. Granular Dynamics, Contact Mechanics and Particle System Simulations; Springer International Publishing: Cham, Switzerland, 2015; Volume 24. [Google Scholar] [CrossRef]
- Grierson, D.S.; Flater, E.E.; Carpick, R.W. Accounting for the JKR–DMT transition in adhesion and friction measurements with atomic force microscopy. J. Adhes. Sci. Technol. 2005, 19, 291–311. [Google Scholar] [CrossRef]
- Derjaguin, B.; Muller, V.; Toporov, Y. Effect of contact deformations on the adhesion of particles. J. Colloid Interface Sci. 1975, 53, 314–326. [Google Scholar] [CrossRef]
- Greenwood, J.A. Adhesion of elastic spheres. Proc. R. Soc. A Math. Phys. Eng. Sci. 1997, 453, 1277–1297. Available online: http://www.jstor.org/stable/53001 (accessed on 3 July 2024). [CrossRef]
- Maugis, D. Adhesion of spheres: The JKR-DMT transition using a dugdale model. J. Colloid Interface Sci. 1992, 150, 243–269. [Google Scholar] [CrossRef]
- Schiller, L.; Naumann, A. A Drag Coefficient Correlation. Z. Des Ver. Dtsch. Ingenieure 1935, 77, 318–320. [Google Scholar]
- Ali, U.; Esmaeilizadeh, R.; Ahmed, F.; Sarker, D.; Muhammad, W.; Keshavarzkermani, A.; Mahmoodkhani, Y.; Marzbanrad, E.; Toyserkani, E. Identification and characterization of spatter particles and their effect on surface roughness, density and mechanical response of 17-4 PH stainless steel laser powder-bed fusion parts. Mater. Sci. Eng. A 2019, 756, 98–107. [Google Scholar] [CrossRef]
- Elcan Industries Inc. Ultrasonic Sieving Machines: Here’s What You should Know. 2023. Available online: https://elcanindustries.com/blog_posts/ultrasonic-sieving-machines-heres-what-you-should-know/ (accessed on 21 May 2024).
- Takeda Tokyo Process Service Co., Ltd. Micro-Sieves. Available online: https://www.tkd-topro.com/english/product/microsieve/ (accessed on 12 January 2024).
- W.S.Tyler. Terminology & Measurement Methods of Sieves. 2024. Available online: https://wstyler.com/square-opening-wire-mesh/terminology-measurement-methods/ (accessed on 12 January 2024).
- Retsch. Sieve Analysis: Taking a Close Look at Quality. 2015. Available online: https://www.retsch.com/files/8785/expert-guide-sieving.pdf (accessed on 17 January 2024).
- O’Callaghan, C. Sifting Through Sieve Analysis, Innopharma Technology. 2023. Available online: https://www.innopharmatechnology.com/news/sifting-through-sieve-analysis (accessed on 17 January 2024).
- Olympus-IMS-Evident. Surface Roughness Measurement—Parameters. 2023. Available online: https://www.olympus-ims.com/en/metrology/surface-roughness-measurement-portal/parameters/ (accessed on 23 December 2023).














| Powder properties (a-Al2O3) | Particle size | D10 (μm) | 8.2 | |
| D50 (μm) | 21 | |||
| D90 (μm) | 47.5 | |||
| Lognormal parameters | Mean | μX (μm) | 27.488 | |
| Std deviation | σX (μm) | 23.216 | ||
| Particle size limits | Max diameter | Dmax (μm) | 75 | |
| Min diameter | Dmin (μm) | 5 | ||
| Powdermaterial | Density | ρ (kg/m3) | 3820 | |
| Simulation shear modulus | Gsim (Pa) | 1 × 107 | ||
| Real-world shear modulus | Grw (Pa) | 1.29 × 1011 | ||
| Poisson ratio | ν | 0.3 | ||
| Body material properties (St.304) | Density | ρ (kg/m3) | 8000 | |
| Shear modulus | G (Pa) | 6.23 × 1010 | ||
| Poisson ratio | ν | 0.275 | ||
| Material interaction coefficients | Al2O3-Al2O3 Restitution coef. | Cr, Al-Al | 0.5 | |
| Al2O3-Al2O3 Static friction coef. | Csf, Al-Al | 0.34 | ||
| Al2O3-Al2O3 Rolling friction coef. | Crf, Al-Al | 0.05 | ||
| Al2O3-St.304 Restitution coef. | Cr, Al-304 | 0.52 | ||
| Al2O3-St.304 Static friction coef. | Csf, Al-304 | 0.2 | ||
| Al2O3-St.304 Rolling friction coef. | Crf, Al-304 | 0.05 | ||
| Physical models | Contact (Hertz–Mindlin + JKR) | Particle relative approach at tear-off | δto (μm) | 1.451 |
| Gravity | Acceleration of gravity | (m/s2) | ||
| Air Drag (Schiller–Naumann) | Air density | ρair (kg/m3) | 1.225 | |
| Air kinematic viscosity | νair (Pa∙s) | 1.81 × 10−5 | ||
| Air velocity | (m/s) | |||
| Scale of drag effect (full-scale) | Scale | 1 | ||
| Maximum m | Maximum Q | Maximum tlin |
|---|---|---|
| Na (# of Apertures) | Characteristic Dimension | Aperture Area Type | Aperture Area (mm2) | Total Aperture Area (mm2) | |
|---|---|---|---|---|---|
| Square | 169 | Side: | 2.5 × 10−3 | 0.4225 (0%) | |
| Hexagonal | 188 | Side: | 2.17 × 10−3 | 0.4080 (−3.4%) | |
| Circular | 188 | Diameter: | 1.963 × 10−3 | 0.3690 (−12.7%) |
| Trial | Trial Settings | Aperture Type | Q (mg/s) | m (mg) | LESR | tlin (s) | Qn (mg/s) |
|---|---|---|---|---|---|---|---|
| Σ1 (max m) | Square | 0.408 | 0.648 | 1.304 | 1.622 | 0.002414 | |
| Hexagonal | 0.468 (+14.7%) | 0.636 (−1.9%) | 1.334 (+2.3%) | 1.405 (−13.4%) | 0.002489 | ||
| Circular | 0.435 (+6.6%) | 0.661 (+2.0%) | 1.303 (−0.8%) | 1.595 (−1.7%) | 0.002314 | ||
| Σ2 (max Q) | Square | 1.121 | 0.193 | 1.177 | 0.185 | 0.006633 | |
| Hexagonal | 1.150 (+2.6%) | 0.180 (−6.7%) | 1.192 (+1.3%) | 0.165 (−10.8%) | 0.006117 | ||
| Circular | 1.089 (−2.9%) | 0.194 (−0.5%) | 1.194 (+1.4%) | 0.185 (≡) | 0.005793 | ||
| Σ3 (max tlin) | Square | 0.226 | 0.426 | 1.045 | 1.905 | 0.001337 | |
| Hexagonal | 0.207 (−8.4%) | 0.431 (+1.2%) | 1.020 (−2.4%) | 2.113 (+10.9%) | 0.001101 | ||
| Circular | 0.193 (−14.6%) | 0.355 (−16.7%) | 0.978 (−6.4%) | 1.845 (−3.1%) | 0.001027 |
| Trial # | Fvib (Hz) | Avib (μm) | θtap (deg.) | hbf (mm) | (μm) | (μm) | (%) | (μm) | (%) | (%) | (μm) | ||
|---|---|---|---|---|---|---|---|---|---|---|---|---|---|
| 1 | 200 | 20 | 1 | 0.5 | −21.0 | 21.0 | 99.3 | 19.0 | 67.8 | 53.7 | 14.8 | −0.788 | 4.269 |
| 2 | 200 | 20 | 4 | 1.0 | −20.2 | 20.2 | 99.3 | 18.2 | 67.5 | 54.0 | 14.0 | −0.786 | 4.583 |
| 3 | 200 | 20 | 7 | 1.5 | −20.5 | 20.5 | 99.3 | 18.1 | 67.4 | 53.7 | 14.1 | −0.794 | 4.571 |
| 4 | 200 | 35 | 1 | 1.0 | −20.4 | 20.4 | 99.3 | 18.5 | 67.3 | 53.7 | 14.5 | −0.745 | 4.312 |
| 5 | 200 | 35 | 4 | 1.5 | −20.7 | 20.7 | 99.3 | 18.7 | 67.4 | 53.5 | 14.5 | −0.747 | 4.338 |
| 6 | 200 | 35 | 7 | 0.5 | −21.3 | 21.3 | 99.3 | 18.5 | 68.1 | 53.7 | 14.5 | −0.732 | 4.293 |
| 7 | 200 | 50 | 1 | 1.5 | −20.6 | 20.6 | 99.4 | 18.1 | 67.5 | 53.7 | 14.1 | −0.682 | 4.372 |
| 8 | 200 | 50 | 4 | 0.5 | −21.4 | 21.4 | 99.3 | 19.2 | 68.1 | 53.7 | 15.1 | −0.650 | 3.948 |
| 9 | 200 | 50 | 7 | 1.0 | −20.3 | 20.3 | 99.4 | 17.4 | 67.4 | 53.8 | 13.4 | −0.800 | 4.719 |
| 10 | 350 | 20 | 1 | 1.0 | −20.4 | 20.4 | 99.4 | 18.4 | 67.6 | 53.9 | 14.2 | −0.834 | 4.476 |
| 11 | 350 | 20 | 4 | 1.5 | −19.9 | 19.9 | 99.4 | 18.1 | 67.4 | 54.0 | 14.0 | −0.770 | 4.499 |
| 12 | 350 | 20 | 7 | 0.5 | −19.8 | 19.8 | 99.4 | 19.9 | 67.9 | 54.6 | 15.5 | −0.400 | 3.884 |
| 13 | 350 | 35 | 1 | 1.5 | −20.2 | 20.2 | 99.3 | 17.9 | 67.4 | 53.9 | 13.8 | −0.832 | 4.666 |
| 14 | 350 | 35 | 4 | 0.5 | −20.5 | 20.5 | 99.3 | 20.5 | 68.3 | 54.4 | 16.1 | −0.455 | 3.701 |
| 15 | 350 | 35 | 7 | 1.0 | −20.6 | 20.6 | 99.4 | 17.0 | 67.5 | 53.7 | 13.1 | −0.809 | 4.924 |
| 16 | 350 | 50 | 1 | 0.5 | −22.0 | 22.0 | 99.3 | 21.4 | 68.4 | 53.4 | 17.0 | −0.482 | 3.385 |
| 17 | 350 | 50 | 4 | 1.0 | −19.9 | 19.9 | 99.4 | 16.4 | 67.0 | 53.8 | 12.6 | −0.864 | 5.165 |
| 18 | 350 | 50 | 7 | 1.5 | −20.5 | 20.5 | 99.3 | 18.0 | 67.4 | 53.7 | 13.9 | −0.873 | 4.643 |
| 19 | 500 | 20 | 1 | 1.5 | −20.7 | 20.7 | 99.3 | 19.0 | 67.8 | 53.8 | 14.8 | −0.784 | 4.286 |
| 20 | 500 | 20 | 4 | 0.5 | −19.8 | 19.8 | 99.3 | 20.1 | 67.9 | 54.6 | 15.7 | −0.421 | 3.896 |
| 21 | 500 | 20 | 7 | 1.0 | −20.3 | 20.3 | 99.3 | 18.1 | 67.6 | 54.0 | 14.1 | −0.802 | 4.517 |
| 22 | 500 | 35 | 1 | 0.5 | −21.8 | 21.8 | 99.3 | 21.0 | 68.5 | 53.6 | 16.5 | −0.536 | 3.559 |
| 23 | 500 | 35 | 4 | 1.0 | −19.9 | 19.9 | 99.4 | 17.0 | 66.9 | 53.7 | 13.1 | −0.851 | 4.965 |
| 24 | 500 | 35 | 7 | 1.5 | −20.5 | 20.5 | 99.4 | 17.4 | 67.4 | 53.7 | 13.5 | −0.865 | 4.792 |
| 25 | 500 | 50 | 1 | 1.0 | −20.0 | 20.0 | 99.5 | 16.2 | 67.0 | 53.7 | 12.5 | −0.839 | 5.074 |
| 26 | 500 | 50 | 4 | 1.5 | −20.0 | 20.0 | 99.4 | 16.2 | 67.1 | 53.8 | 12.4 | −0.951 | 5.550 |
| 27 | 500 | 50 | 7 | 0.5 | −29.6 | 29.6 | 99.2 | 20.3 | 68.7 | 48.5 | 16.1 | −0.430 | 3.316 |
| Method | (m/s) | (Hz) | (μm) | (deg) | (LTDsim) | (SCRsim) | (Ssksim) | (Skusim) | |
|---|---|---|---|---|---|---|---|---|---|
| Doctor Blade- No-Vib. | 0.01 | 0 | 0 | 0 | - (28.9) | - (98.56) | - (20.9) | −0.716 (-) | 3.962 (-) |
| Vib. Doctor Blade-Opt. | 0.01 | 2000 | 5 | 0 | 21.4 (22.1) | 99.54 (99.33) | 15.8 (15.7) | −1.771 (−1.543) | 6.766 (6.530) |
(Hz) | (μm) | (deg) | (mm) | ||||||
| Sieving- Opt. Sku-Ssk | 500 | 50 | 4 | 1.5 | 20.0 | 99.47 | 16.2 | −0.951 | 5.550 |
| TRIAL # | fvib (Hz) | Avib (μm) | θtap (deg.) | hbf (mm) | Q (mg/s) | m (mg) | LESR | tlin (s) |
|---|---|---|---|---|---|---|---|---|
| 26 | 500 | 50 | 4 | 1.5 | 0.239 | 0.452 | 0.788 | 2.025 |
| TRIAL # | fvib (Hz) | Avib (μm) | θtap (deg.) | hbf (mm) | Q (mg/s) | m (mg) | tlin (s) | t0.205 | tlin-t0.205 | m-mdes | Ssk | Sku | Ssk-SskDB-No-vib | Sku-SkuDB-No-vib |
|---|---|---|---|---|---|---|---|---|---|---|---|---|---|---|
| 1 | 200 | 20 | 1 | 0.5 | 1.141 | 0.183 | 0.171 | 0.180 | −0.009 | −0.022 | −0.788 | 4.269 | −0.072 | 0.307 |
| 2 | 200 | 20 | 4 | 1 | 0.888 | 0.238 | 0.271 | 0.231 | 0.040 | 0.033 | −0.786 | 4.583 | −0.070 | 0.621 |
| 3 | 200 | 20 | 7 | 1.5 | 0.9 | 0.218 | 0.243 | 0.228 | 0.015 | 0.013 | −0.794 | 4.571 | −0.078 | 0.609 |
| 4 | 200 | 35 | 1 | 1 | 0.844 | 0.429 | 0.523 | 0.243 | 0.280 | 0.224 | −0.745 | 4.312 | −0.029 | 0.350 |
| 5 | 200 | 35 | 4 | 1.5 | 0.737 | 0.659 | 0.923 | 0.278 | 0.645 | 0.454 | −0.747 | 4.338 | −0.031 | 0.376 |
| 6 | 200 | 35 | 7 | 0.5 | 1.082 | 0.152 | 0.145 | 0.189 | −0.044 | −0.053 | −0.732 | 4.293 | −0.016 | 0.331 |
| 7 | 200 | 50 | 1 | 1.5 | 0.576 | 0.296 | 0.501 | 0.356 | 0.145 | 0.091 | −0.682 | 4.372 | 0.034 | 0.410 |
| 8 | 200 | 50 | 4 | 0.5 | 0.75 | 0.11 | 0.147 | 0.273 | −0.126 | −0.095 | −0.650 | 3.948 | 0.066 | −0.014 |
| 9 | 200 | 50 | 7 | 1 | 0.673 | 0.341 | 0.523 | 0.305 | 0.218 | 0.136 | −0.800 | 4.719 | −0.084 | 0.757 |
| 10 | 350 | 20 | 1 | 1 | 0.771 | 0.427 | 0.578 | 0.266 | 0.312 | 0.222 | −0.834 | 4.476 | −0.118 | 0.514 |
| 11 | 350 | 20 | 4 | 1.5 | 0.584 | 0.664 | 1.183 | 0.351 | 0.832 | 0.459 | −0.770 | 4.499 | −0.054 | 0.537 |
| 12 | 350 | 20 | 7 | 0.5 | 1.075 | 0.146 | 0.14 | 0.191 | −0.051 | −0.059 | −0.400 | 3.884 | 0.316 | −0.078 |
| 13 | 350 | 35 | 1 | 1.5 | 0.404 | 0.566 | 1.388 | 0.507 | 0.881 | 0.361 | −0.832 | 4.666 | −0.116 | 0.704 |
| 14 | 350 | 35 | 4 | 0.5 | 0.594 | 0.102 | 0.176 | 0.345 | −0.169 | −0.103 | −0.455 | 3.701 | 0.261 | −0.261 |
| 15 | 350 | 35 | 7 | 1 | 0.536 | 0.334 | 0.64 | 0.382 | 0.258 | 0.129 | −0.809 | 4.924 | −0.093 | 0.962 |
| 16 | 350 | 50 | 1 | 0.5 | 0.372 | 0.083 | 0.233 | 0.551 | −0.318 | −0.122 | −0.482 | 3.385 | 0.234 | −0.577 |
| 17 | 350 | 50 | 4 | 1 | 0.334 | 0.269 | 0.811 | 0.614 | 0.197 | 0.064 | −0.864 | 5.165 | −0.148 | 1.203 |
| 18 | 350 | 50 | 7 | 1.5 | 0.307 | 0.462 | 1.525 | 0.668 | 0.857 | 0.257 | −0.873 | 4.643 | −0.157 | 0.681 |
| 19 | 500 | 20 | 1 | 1.5 | 0.408 | 0.648 | 1.622 | 0.502 | 1.120 | 0.443 | −0.784 | 4.286 | −0.068 | 0.324 |
| 20 | 500 | 20 | 4 | 0.5 | 0.983 | 0.111 | 0.115 | 0.209 | −0.094 | −0.094 | −0.421 | 3.896 | 0.295 | −0.066 |
| 21 | 500 | 20 | 7 | 1 | 0.696 | 0.359 | 0.535 | 0.295 | 0.240 | 0.154 | −0.802 | 4.517 | −0.086 | 0.555 |
| 22 | 500 | 35 | 1 | 0.5 | 0.496 | 0.076 | 0.159 | 0.413 | −0.254 | −0.129 | −0.536 | 3.559 | 0.180 | −0.403 |
| 23 | 500 | 35 | 4 | 1 | 0.421 | 0.282 | 0.681 | 0.487 | 0.194 | 0.077 | −0.851 | 4.965 | −0.135 | 1.003 |
| 24 | 500 | 35 | 7 | 1.5 | 0.338 | 0.522 | 1.523 | 0.607 | 0.916 | 0.317 | −0.865 | 4.792 | −0.149 | 0.830 |
| 25 | 500 | 50 | 1 | 1 | 0.278 | 0.265 | 0.969 | 0.737 | 0.232 | 0.06 | −0.839 | 5.074 | −0.123 | 1.112 |
| 26 | 500 | 50 | 4 | 1.5 | 0.239 | 0.452 | 2.025 | 0.858 | 1.167 | 0.247 | −0.951 | 5.550 | −0.235 | 1.588 |
| 27 | 500 | 50 | 7 | 0.5 | 0.347 | 0.065 | 0.205 | 0.591 | −0.386 | −0.14 | −0.430 | 3.316 | 0.286 | −0.646 |
| TRIAL # | fvib (Hz) | Avib (μm) | θtap (deg.) | hbf (mm) | tlin-t0.205 (s) | m-mdes (mg) | LTD (μm) | SCR (%) | Sq (μm) | PDtr (%) | Ssk-SskDB-No-vib | Sku-SkuDB-No-vib | Rating (%) |
|---|---|---|---|---|---|---|---|---|---|---|---|---|---|
| 27 | 500 | 50 | 7 | 0.5 | −0.386 | −0.14 | −29.6 | 99.2 | 20.3 | 68.7 | 0.286 | −0.646 | 2.7 |
| 16 | 350 | 50 | 1 | 0.5 | −0.318 | −0.122 | −22 | 99.3 | 21.4 | 68.4 | 0.234 | −0.577 | 9.0 |
| 12 | 350 | 20 | 7 | 0.5 | −0.051 | −0.059 | −19.8 | 99.4 | 19.9 | 67.9 | 0.316 | −0.078 | 12.7 |
| 14 | 350 | 35 | 4 | 0.5 | −0.169 | −0.103 | −20.5 | 99.3 | 20.5 | 68.3 | 0.261 | −0.261 | 13.6 |
| 20 | 500 | 20 | 4 | 0.5 | −0.094 | −0.094 | −19.8 | 99.3 | 20.1 | 67.9 | 0.295 | −0.066 | 14.9 |
| 22 | 500 | 35 | 1 | 0.5 | −0.254 | −0.129 | −21.8 | 99.3 | 21 | 68.5 | 0.18 | −0.403 | 17.8 |
| 8 | 200 | 50 | 4 | 0.5 | −0.126 | −0.095 | −21.4 | 99.3 | 19.2 | 68.1 | 0.066 | −0.014 | 36.8 |
| 7 | 200 | 50 | 1 | 1.5 | 0.145 | 0.091 | −20.6 | 99.4 | 18.1 | 67.5 | 0.034 | 0.41 | 49.2 |
| 6 | 200 | 35 | 7 | 0.5 | −0.044 | −0.053 | −21.3 | 99.3 | 18.5 | 68.1 | −0.016 | 0.331 | 52.0 |
| 4 | 200 | 35 | 1 | 1 | 0.28 | 0.224 | −20.4 | 99.3 | 18.5 | 67.3 | −0.029 | 0.35 | 53.6 |
| 5 | 200 | 35 | 4 | 1.5 | 0.645 | 0.454 | −20.7 | 99.3 | 18.7 | 67.4 | −0.031 | 0.376 | 54.4 |
| 1 | 200 | 20 | 1 | 0.5 | −0.009 | −0.022 | −21 | 99.3 | 19 | 67.8 | −0.072 | 0.307 | 56.5 |
| 19 | 500 | 20 | 1 | 1.5 | 1.12 | 0.443 | −20.7 | 99.3 | 19 | 67.8 | −0.068 | 0.324 | 56.6 |
| 11 | 350 | 20 | 4 | 1.5 | 0.832 | 0.459 | −19.9 | 99.4 | 18.1 | 67.4 | −0.054 | 0.537 | 60.1 |
| 21 | 500 | 20 | 7 | 1 | 0.24 | 0.154 | −20.3 | 99.3 | 18.1 | 67.6 | −0.086 | 0.555 | 63.4 |
| 2 | 200 | 20 | 4 | 1 | 0.04 | 0.033 | −20.2 | 99.3 | 18.2 | 67.5 | −0.07 | 0.621 | 63.4 |
| 3 | 200 | 20 | 7 | 1.5 | 0.015 | 0.013 | −20.5 | 99.3 | 18.1 | 67.4 | −0.078 | 0.609 | 63.8 |
| 10 | 350 | 20 | 1 | 1 | 0.312 | 0.222 | −20.4 | 99.4 | 18.4 | 67.6 | −0.118 | 0.514 | 65.3 |
| 9 | 200 | 50 | 7 | 1 | 0.218 | 0.136 | −20.3 | 99.4 | 17.4 | 67.4 | −0.084 | 0.757 | 67.7 |
| 13 | 350 | 35 | 1 | 1.5 | 0.881 | 0.361 | −20.2 | 99.3 | 17.9 | 67.4 | −0.116 | 0.704 | 69.4 |
| 18 | 350 | 50 | 7 | 1.5 | 0.857 | 0.257 | −20.5 | 99.3 | 18 | 67.4 | −0.157 | 0.681 | 72.6 |
| 15 | 350 | 35 | 7 | 1 | 0.258 | 0.129 | −20.6 | 99.4 | 17 | 67.5 | −0.093 | 0.962 | 73.1 |
| 24 | 500 | 35 | 7 | 1.5 | 0.916 | 0.317 | −20.5 | 99.4 | 17.4 | 67.4 | −0.149 | 0.83 | 75.2 |
| 23 | 500 | 35 | 4 | 1 | 0.194 | 0.077 | −19.9 | 99.4 | 17 | 66.9 | −0.135 | 1.003 | 77.8 |
| 25 | 500 | 50 | 1 | 1 | 0.232 | 0.06 | −20 | 99.5 | 16.2 | 67.0 | −0.123 | 1.112 | 79.2 |
| 17 | 350 | 50 | 4 | 1 | 0.197 | 0.064 | −19.9 | 99.4 | 16.4 | 67.0 | −0.148 | 1.203 | 83.5 |
| 26 | 500 | 50 | 4 | 1.5 | 1.167 | 0.247 | −20 | 99.4 | 16.2 | 67.1 | −0.235 | 1.588 | 100.0 |
| Average | - | - | −20.8 | 99.3 | 18.5 | 67.6 | −0.007 | 0.434 | - | ||||
| Standard Deviation | - | - | 1.8 | 0.1 | 1.4 | 0.5 | - | - | - | ||||
| Standard Deviation (%) | - | - | 8.8 | 0.1 | 7.6 | 0.7 | - | - | - | ||||
Disclaimer/Publisher’s Note: The statements, opinions and data contained in all publications are solely those of the individual author(s) and contributor(s) and not of MDPI and/or the editor(s). MDPI and/or the editor(s) disclaim responsibility for any injury to people or property resulting from any ideas, methods, instructions or products referred to in the content. |
© 2024 by the authors. Licensee MDPI, Basel, Switzerland. This article is an open access article distributed under the terms and conditions of the Creative Commons Attribution (CC BY) license (https://creativecommons.org/licenses/by/4.0/).
Share and Cite
Avrampos, P.; Vosniakos, G.-C. A Simulation Study on Sieving as a Powder Deposition Method in Powder Bed Fusion Processes. Materials 2024, 17, 3382. https://doi.org/10.3390/ma17143382
Avrampos P, Vosniakos G-C. A Simulation Study on Sieving as a Powder Deposition Method in Powder Bed Fusion Processes. Materials. 2024; 17(14):3382. https://doi.org/10.3390/ma17143382
Chicago/Turabian StyleAvrampos, Panagiotis, and George-Christopher Vosniakos. 2024. "A Simulation Study on Sieving as a Powder Deposition Method in Powder Bed Fusion Processes" Materials 17, no. 14: 3382. https://doi.org/10.3390/ma17143382
APA StyleAvrampos, P., & Vosniakos, G.-C. (2024). A Simulation Study on Sieving as a Powder Deposition Method in Powder Bed Fusion Processes. Materials, 17(14), 3382. https://doi.org/10.3390/ma17143382

