Comparison of Ultrasonic Phased Array and Film Radiography in Detection of Artificially Embedded Defects in Welded Plates
Abstract
1. Introduction
2. Materials and Methods




- UT technique: phased array.
- UT sensitivity calibration: calibration block + TCG.
- Phased-array scan: S-scan at fixed probe position with respect to the weld (according to EN ISO 13588).
- UT device used: Omniscan MX, Olympus.
- UT probe used: Phased Array: 5L32A1C, SA10-N55S.
- Source type: X-ray device, Eresco 65 MF4, 300 kV/3 mA.
- RT examination technique: Figure 1.
- RT films used: 100 × 240, 100 × 480, C3 D4.
- Target film density: minimum 2.30.
- RT sensitivity calibration: placement of IQI (Image Quality Indicators) perpendicular to the weld (IQIs are visible on every radiogram presented).
3. Results
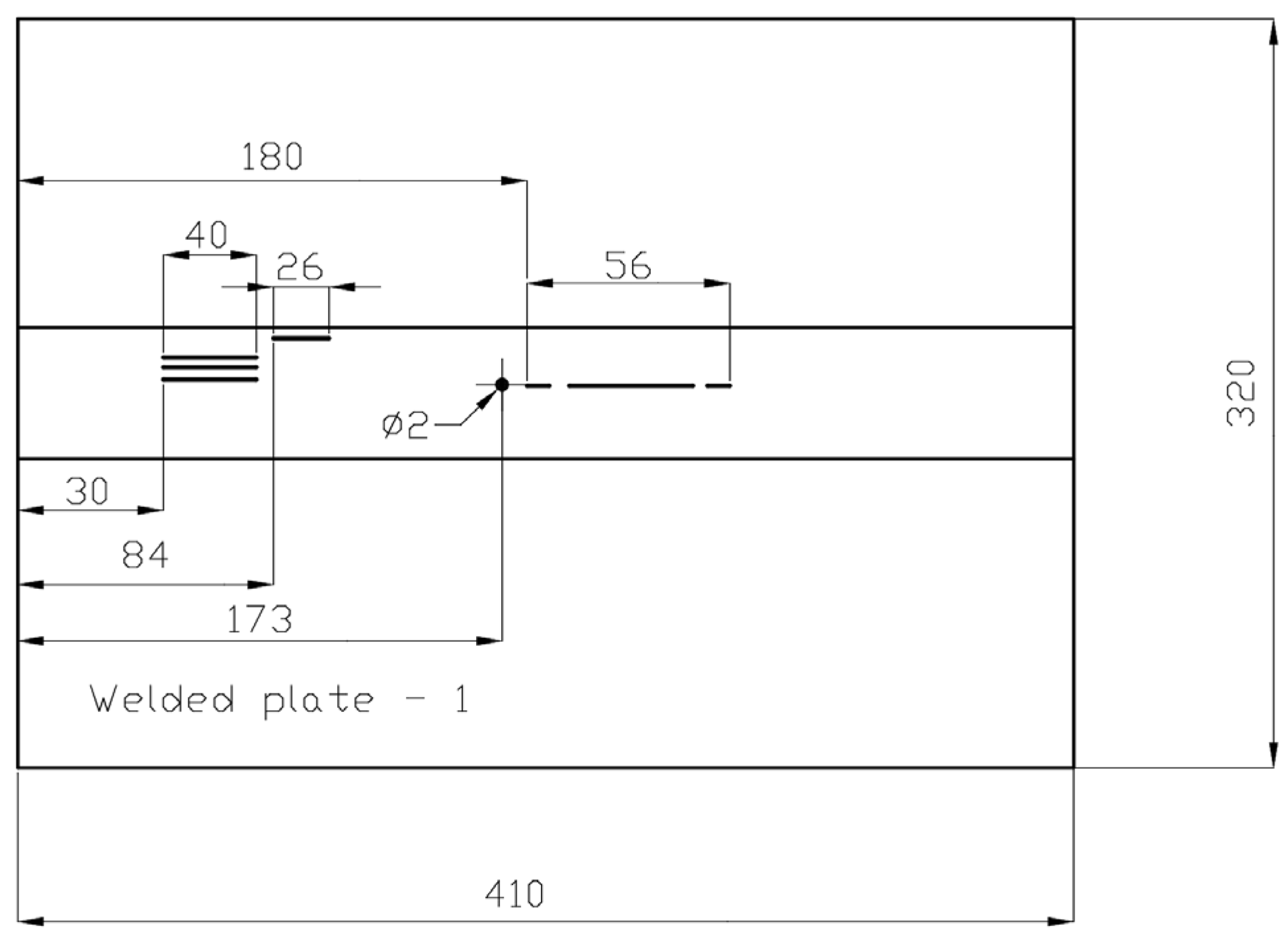
3.1. Welded Plate 1
- Continuous signal 1: fusion flaw (40 mm of length) + fusion flaw (26 mm of length)

- 2.
- Continuous signal 2: drilled hole (ϕ2 mm) + fusion flaw (56 mm of length)

3.2. Welded Plate 2
- Individual signal 1: fusion flaw (30 mm of length)

- 2.
- Continuous signal 1: drilled hole (ϕ2 mm) + fusion flaw (40 mm of length)

- 3.
- Continuous signal 2: drilled hole (ϕ2 mm) + fusion flaw (40 mm of length) + fusion flaw (45 mm of length)

- 4.
- Individual signal 2: lack of fusion (45 mm of length)

- 5.
- Individual signal 3: lack of fusion (30 mm of length)

3.3. Welded Plate 3
- Individual signal 1: fusion flaw (20 mm of length)

- 2.
- Individual signal 2: fusion flaw (20 mm of length)

- 3.
- Individual signal 3: fusion flaw (20 mm of length)

- 4.
- Individual signal 4: fusion flaw (20 mm of length)

- 5.
- Individual signal 5: drilled hole (ϕ2 mm)

- 6.
- Individual signal 6: drilled hole (ϕ2 mm)

- 7.
- Individual signal 7: drilled hole (ϕ2 mm)

4. Discussion
5. Conclusions
- UT examination has detected all embedded defects.
- RT examination has detected all embedded defects.
- In some cases, the UT examination is not able to distinguish between two closely spaced defects.
- RT examination has detected all embedded defects individually.
- The use of RT or UT depends on several factors: dimensions and geometry of the part under study, manufacturing process of the part under study, typical defects expected for the selected manufacturing process, constraints imposed by human health and environmental concerns, etc.
Author Contributions
Funding
Data Availability Statement
Conflicts of Interest
References
- Di Bella, G.; Alderucci, T.; Salmeri, F.; Cucinotta, F. Integrating the sustainability aspects into the risk analysis for the manufacturing of dissimilar aluminium/steel friction stir welded single lap joints used in marine applications through a Life Cycle Assessment. Sustain. Futur. 2022, 4, 100101. [Google Scholar] [CrossRef]
- Shrivastava, A.; Krones, M.; Pfefferkorn, F.E. Comparison of energy consumption and environmental impact of friction stir welding and gas metal arc welding for aluminum. CIRP J. Manuf. Sci. Technol. 2015, 9, 159–168. [Google Scholar] [CrossRef]
- Cherfaoui, M. Innovative Techniques in Non-Destructive Testing and Industrial Applications on Pressure Equipment. Procedia Eng. 2012, 46, 266–278. Available online: https://www.sciencedirect.com/science/article/pii/S1877705812045353 (accessed on 7 December 2022.). [CrossRef]
- Ali, A.; Kumar, A.; Kumar, K.; Murthy, Y.R.; Ravinder, B.; Kapoor, K.; Babu, P. Ultrasonic Testing as Alternative for Radiography for Evaluation of PFBR Blanket Pin End Plug Weld Integrity. Procedia Struct. Integr. 2019, 14, 273–281. Available online: https://www.sciencedirect.com/science/article/pii/S2452321619300368 (accessed on 21 December 2022). [CrossRef]
- Provencal, E.; Laperrière, L. Identification of weld geometry from ultrasound scan data using deep learning. Procedia CIRP 2021, 104, 122–127. Available online: https://www.sciencedirect.com/science/article/pii/S2212827121009197 (accessed on 22 January 2023). [CrossRef]
- Yan, X.; Wang, H.; Fan, X. Research Progress in Nonlinear Ultrasonic Testing for Early Damage in Metal Materials. Materials 2023, 16, 2161. [Google Scholar] [CrossRef] [PubMed]
- Ulewicz, R.; Czerwińska, K.; Pacana, A. A Rank Model of Casting Non-Conformity Detection Methods in the Context of Industry 4.0. Materials 2023, 16, 723. [Google Scholar] [CrossRef] [PubMed]
- Sproesser, G.; Chang, Y.-J.; Pittner, A.; Finkbeiner, M.; Rethmeier, M. Life Cycle Assessment of welding technologies for thick metal plate welds. J. Clean. Prod. 2015, 108, 46–53. [Google Scholar] [CrossRef]
- Javadi, Y.; Sweeney, N.E.; Mohseni, E.; MacLeod, C.N.; Lines, D.; Vasilev, M.; Qiu, Z.; Vithanage, R.K.W.; Mineo, C.; Stratoudaki, T.; et al. In-process calibration of a non-destructive testing system used for in-process inspection of multi-pass welding. Mater. Des. 2020, 195, 108981. [Google Scholar] [CrossRef]
- DIN EN ISO 17636-1; Non-Destructive Testing of Welds—Radiographic Testing. X- and Gamma-ray Techniques with Film. ISO—International Organization for Standardization: Geneva, Switzerland, 2013.
- HRN EN ISO 17640; Non-Destructive Testing of Welds—Ultrasonic Testing, Techniques, Testing Levels, and Assessment. ISO—International Organization for Standardization: Geneva, Switzerland, 2017.
- EN, H.R. 10028-2; Flat Products Made of Steels for Pressure Purposes—Part 2: Non Alloy and Alloy Steels with Specified Elevated Temperature Properties. CEN—European Committee for Standardization: Bruxelles, Belgium, 2017.
- Yilbas, B.S.; Shaukat, M.M.; Afzal, A.A.; Ashraf, F. Life cycle analysis for laser welding of alloys. Opt. Laser Technol. 2020, 126, 106064. [Google Scholar] [CrossRef]
- HRN EN ISO 17635; Non-Destructive Testing of Welds—General Rules for Metallic Materials. ISO—International Organization for Standardization: Geneva, Switzerland, 2016.








| Sample No. | Part Description | Material | Dimensions mm | No. of Discontinuities |
|---|---|---|---|---|
| 1 | Welded plate | 16Mo3 | 320 × 410 × 25 | 4 |
| 2 | Welded plate | 16Mo3 | 340 × 400 × 14 | 8 |
| 3 | Welded plate | 16Mo3 | 300 × 300 × 15 | 7 |
| Sample No. | Weld Type | RT—Testing Volume | UT—Testing Volume |
|---|---|---|---|
| 1 | butt: plate/plate | weld + parent material + heat-affected zone | weld + parent material + heat-affected zone |
| 2 | butt: plate/plate | weld + parent material + heat-affected zone | weld + parent material + heat-affected zone |
| 3 | butt: plate/plate | weld + parent material + heat-affected zone | weld + parent material + heat-affected zone |
| Welded Plate 1 | |||||
|---|---|---|---|---|---|
| No. of Defect | Defect Type | Detected by UT | Detected by UT as Individual Defect | Detected by RT | Detected by RT as Individual Defect |
| 1 | Fusion flaw | yes | no | yes | yes |
| 2 | Fusion flaw | yes | no | yes | yes |
| 3 | Drilled hole | yes | no | yes | yes |
| 4 | Fusion flaw | yes | no | yes | yes |
| Welded Plate 2 | |||||
|---|---|---|---|---|---|
| No. of Defect | Defect Type | Detected by UT | Detected by UT as Individual Defect | Detected by RT | Detected by RT as Individual Defect |
| 1 | Fusion flaw | yes | yes | yes | yes |
| 2 | Drilled hole | yes | no | yes | yes |
| 3 | Fusion flaw | yes | no | yes | yes |
| 4 | Fusion flaw | yes | no | yes | yes |
| 5 | Drilled hole | yes | no | yes | yes |
| 6 | Fusion flaw | yes | no | yes | yes |
| 7 | Fusion flaw | yes | yes | yes | yes |
| 8 | Fusion flaw | yes | yes | yes | yes |
| Welded Plate 3 | |||||
|---|---|---|---|---|---|
| No. of Defect | Defect Type | Detected by UT | Detected by UT as Individual Defect | Detected by RT | Detected by RT as Individual Defect |
| 1 | Fusion flaw | yes | yes | yes | yes |
| 2 | Fusion flaw | yes | yes | yes | yes |
| 3 | Fusion flaw | yes | yes | yes | yes |
| 4 | Fusion flaw | yes | yes | yes | yes |
| 5 | Drilled hole | yes | yes | yes | yes |
| 6 | Drilled hole | yes | yes | yes | yes |
| 7 | Drilled hole | yes | yes | yes | yes |
Disclaimer/Publisher’s Note: The statements, opinions and data contained in all publications are solely those of the individual author(s) and contributor(s) and not of MDPI and/or the editor(s). MDPI and/or the editor(s) disclaim responsibility for any injury to people or property resulting from any ideas, methods, instructions or products referred to in the content. |
© 2023 by the authors. Licensee MDPI, Basel, Switzerland. This article is an open access article distributed under the terms and conditions of the Creative Commons Attribution (CC BY) license (https://creativecommons.org/licenses/by/4.0/).
Share and Cite
Herceg, A.; Maglić, L.; Grizelj, B.; Marušić, V. Comparison of Ultrasonic Phased Array and Film Radiography in Detection of Artificially Embedded Defects in Welded Plates. Materials 2023, 16, 3579. https://doi.org/10.3390/ma16093579
Herceg A, Maglić L, Grizelj B, Marušić V. Comparison of Ultrasonic Phased Array and Film Radiography in Detection of Artificially Embedded Defects in Welded Plates. Materials. 2023; 16(9):3579. https://doi.org/10.3390/ma16093579
Chicago/Turabian StyleHerceg, Arijan, Leon Maglić, Branko Grizelj, and Vlatko Marušić. 2023. "Comparison of Ultrasonic Phased Array and Film Radiography in Detection of Artificially Embedded Defects in Welded Plates" Materials 16, no. 9: 3579. https://doi.org/10.3390/ma16093579
APA StyleHerceg, A., Maglić, L., Grizelj, B., & Marušić, V. (2023). Comparison of Ultrasonic Phased Array and Film Radiography in Detection of Artificially Embedded Defects in Welded Plates. Materials, 16(9), 3579. https://doi.org/10.3390/ma16093579
