Thermo-Mechanical Treatment for Reducing the Wear Rate of CuCrZr Tool Electrodes during Electro-Discharge Machining
Abstract
:1. Introduction
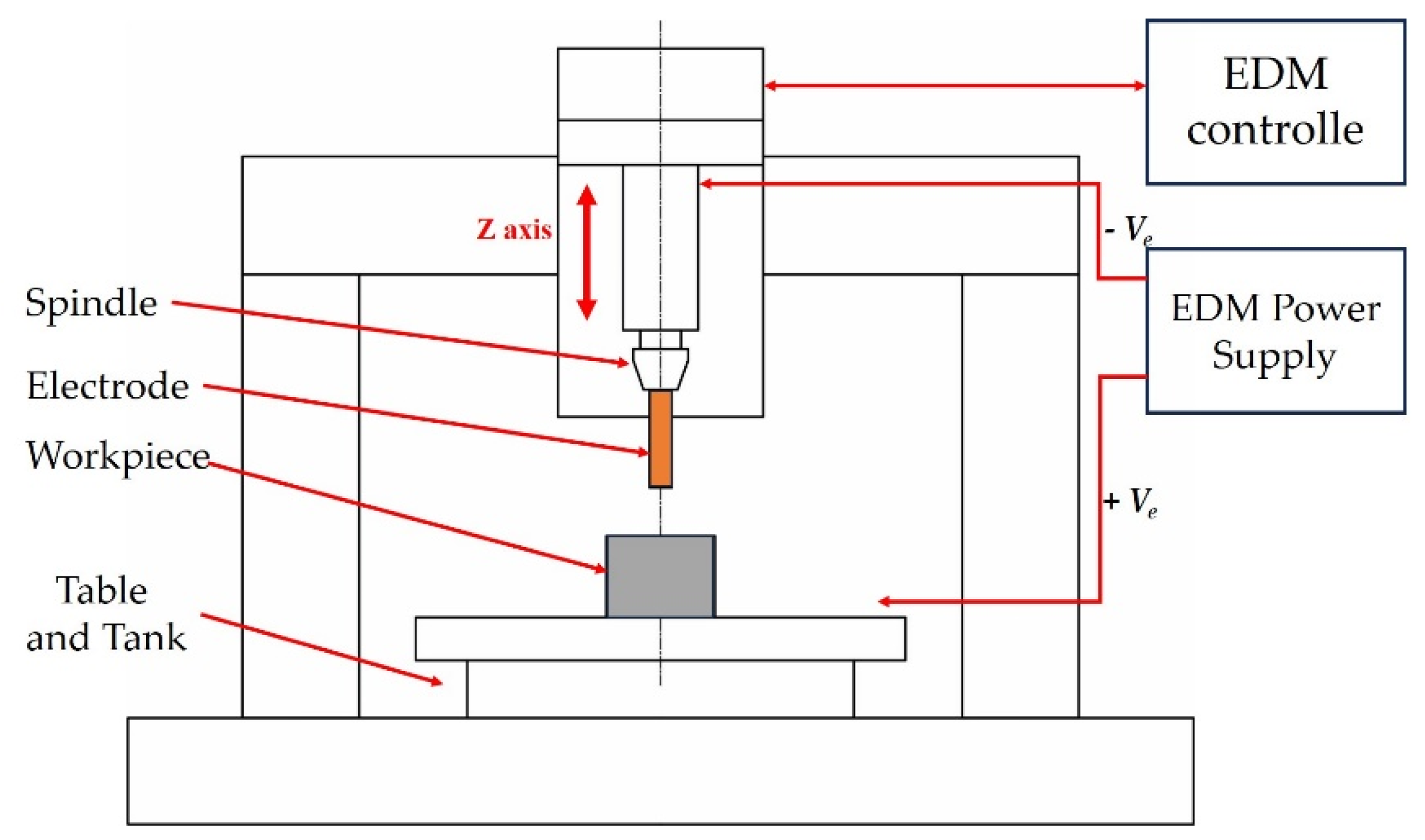
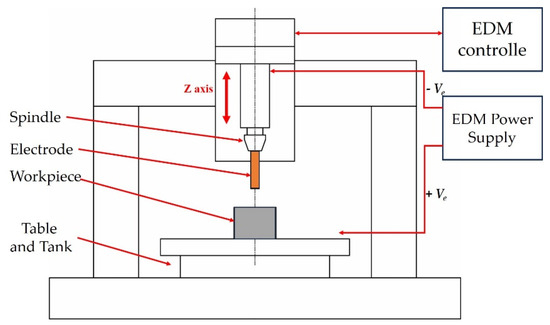
2. Materials and Methods
3. Results and Discussion
3.1. Hydrostatic Extrusion
- ΔT—adiabatic temperature;
- ρ—material density;
- cp—specific heat;
- pHE—extrusion pressure;
- β—dimensionless parameter denoting the internal plastic work converted into heat during deformation.
3.2. Microstructure Evaluation
3.3. Mechanical Properties
3.4. Electrical Conductivity
3.5. Usability Tests
- Edw—electrical discharge wear;
- EdwIS—electrical discharge wear in the initial state;
- EdwHE—electrical discharge wear after hydrostatic extrusion.
4. Conclusions
Author Contributions
Funding
Institutional Review Board Statement
Informed Consent Statement
Data Availability Statement
Conflicts of Interest
References
- Schumacher, B.M.; Krampitz, R.; Kruth, J. Historical phases of EDM development driven by the dual influence of “Market Pull” and “Science Push”. Proc. CIRP 2013, 6, 5–12. [Google Scholar] [CrossRef]
- Kumaran, S.T.; Ko, T.J.; Uthayakumar, M.; Khan, M.A.; Niemczewska-Wójcik, M. Surface texturing by dimple formation in TiAlSiZr alloy using μ-EDM. J. Aust. Ceram. Soc. 2017, 53, 821–828. [Google Scholar] [CrossRef]
- Ho, K.H.; Newman, S.T. State of the art electrical discharge machining (EDM). Int. J. Mach. Tools Manuf. 2003, 43, 1287–1300. [Google Scholar] [CrossRef]
- Schubert, A.; Zeidler, H.; Hahn, M.; Hackert-Oschätzchen, M.; Schneider, J. Micro-EDM milling of electrically nonconducting zirconia ceramics. Proc. CIRP 2013, 6, 297–302. [Google Scholar] [CrossRef]
- Uhlmann, E.; Roehner, M. Investigations on reduction of tool electrode wear in micro-EDM using novel electrode materials. CIRP J. Manuf. Sci. Technol. 2008, 1, 92–96. [Google Scholar] [CrossRef]
- Jha, B.; Ram, K.; Rao, M. An overview of technology and research in electrode design and manufacturing in sinking electrical discharge machining. J. Eng. Sci. Technol. Rev. 2011, 4, 118–130. [Google Scholar] [CrossRef]
- Kern, R. Sinker electrode material selection. EDM Today 2008, 4, 32–38. [Google Scholar]
- Yadav, V.; Jain, V.K.; Dixit, P.M. Thermal stresses due to electrical discharge machining. Int. J. Mach. Tools Manuf. 2002, 42, 877–888. [Google Scholar] [CrossRef]
- Czelusniak, T.; Higa, C.F.; Torres, R.D.; Henning Laurindo, C.A.; Fernandes de Paiva Júnior, J.M.; Lohrengel, A.; Lacerda Amorim, F. Materials used for sinking EDM electrodes: A review. J. Braz. Soc. Mech. 2019, 41, 2–25. [Google Scholar] [CrossRef]
- Mohri, N.; Suzuki, M.; Furuya, M.; Saito, N.; Kobayashi, A. Electrode wear process in electrical discharge machinings. CIRP Ann. Manuf. Technol. 1995, 44, 165–168. [Google Scholar] [CrossRef]
- Kuyucak, S.; Sahoo, M. A review of the machinability of copper-base alloys. Can. Metall. Q. 1996, 35, 1–15. [Google Scholar] [CrossRef]
- Feng, H.H.; Jiang, D.; Yan, L. Effect of continuous extrusion on the microstructure and mechanical properties of a CuCrZr alloy. Mater. Sci. Eng. A 2013, 582, 219–224. [Google Scholar] [CrossRef]
- Sun, L.X.; Tao, N.R.; Lu, K. A high strength and high electrical conductivity bulk CuCrZr alloy with nanotwins. Scr. Mater. 2015, 99, 73–76. [Google Scholar] [CrossRef]
- Valdés León, K.; Munoz-Morris, M.A.; Morris, D.G. Optimisation of strength and ductility of Cu–Cr–Zr by combining severe plastic deformation and precipitation. Mater. Sci. Eng. A 2012, 536, 181–189. [Google Scholar] [CrossRef]
- Zhang, Z.Y.; Sun, L.X.; Tao, N.R. Nanostructures and nanoprecipitates induce high strength and high electrical conductivity in a CuCrZr alloy. J. Mater. Sci. Technol. 2020, 48, 18–22. [Google Scholar] [CrossRef]
- Mishnev, R.; Shakhova, I.; Belyakov, A.; Kaibyshev, R. Deformation microstructures, strengthening mechanisms, and electrical conductivity In a Cu–Cr–Zr alloy. Mater. Sci. Eng. A 2015, 629, 29–40. [Google Scholar] [CrossRef]
- Vinogradov, A.V.; Suzuki, P.Y.; Kitagawa, K.; Kopylov, V.I. Structure and properties of ultra-fine grain Cu–Cr–Zr alloy produced by equal-channel angular pressing. Acta Mater. 2002, 50, 1639–1651. [Google Scholar] [CrossRef]
- Xu, C.Z.; Wang, Q.J.; Zheng, M.S.; Zhu, J.W.; Li, J.D.; Huang, M.Q.; Jia, Q.M.; Du, Z.Z. Microstructure and properties of ultra-fine grain Cu–Cr alloy prepared by equal-channel angular pressing. Mater. Sci. Eng. A 2007, 459, 303–308. [Google Scholar] [CrossRef]
- Wei, K.X.; Wei, W.; Wang, F.; Du, Q.B.; Alexandrov, I.V.; Hu, J. Microstructure, mechanical properties and electrical conductivity of industrial Cu–0.5%Cr alloy processed by severe plastic deformation. Mater. Sci. Eng. A 2011, 528, 1478–1484. [Google Scholar] [CrossRef]
- Pachla, W.; Kulczyk, M.; Smalc-Koziorowska, J.; Wróblewska, M.; Skiba, J.; Przybysz, S.; Przybysz, M. Mechanical properties and microstructure of ultrafine grained commercial purity aluminium prepared by cryo-hydrostatic extrusion. Mater. Sci. Eng. A 2017, 695, 178–192. [Google Scholar] [CrossRef]
- Pachla, W.; Kulczyk, M.; Przybysz, S.; Skiba, J.; Wojciechowski, K.; Przybysz, M.; Topolski, K.; Sobolewski, A.; Charkiewicz, M. Effect of severe plastic deformation realized by hydrostatic extrusion and rotary swaging on the properties of CP Ti grade 2. J. Mater. Process. Technol. 2015, 221, 255–268. [Google Scholar] [CrossRef]
- Pachla, W.; Skiba, J.; Kulczyk, M.; Przybysz, S.; Przybysz, M.; Wróblewska, M.; Diduszko, R.; Stępniak, R.; Bajorek, J.; Radomski, M.; et al. Nanostructurization of 316L type austenitic stainless steels by hydrostatic extrusion. Mater. Sci. Eng. A 2014, 615, 116–127. [Google Scholar] [CrossRef]
- Chrominski, W.; Kulczyk, M.; Lewandowska, M.; Kurzydłowski, K.J. Precipitation strengthening of ultrafine-grained Al–Mg–Si alloy processed by hydrostatic extrusion. Mater. Sci. Eng. A 2014, 609, 80–87. [Google Scholar] [CrossRef]
- Pachla, W.; Kulczyk, M.; Swiderska-Sroda, A.; Lewandowska, M.; Garbacz, H.; Mazur, A.; Kurzydłowski, K.J. Nanostructuring of metals by hydrostatic extrusion. In Proceedings of the 9th International Conference on Metal Forming EMRS, Birmingham, UK, 11–13 September 2006; pp. 535–538. [Google Scholar]
- Pachla, W.; Kulczyk, M.; Sus-Ryszkowska, M.; Mazur, A.; Kurzydlowski, K.J. Nanocrystalline titanium produced by hydrostatic extrusion. J. Mater. Proc. Technol. 2008, 205, 173–182. [Google Scholar] [CrossRef]
- Kulczyk, M.; Pachla, W.; Świderska-Środa, A.; Krasilnikov, N.; Diduszko, R.; Mazur, A.; Łojkowski, W.; Kurzydłowski, K.J. Combination of ECAP and Hydrostatic Extrusion for UFG microstructure generation in nickel. Solid State Phenom. 2006, 114, 51–56. [Google Scholar] [CrossRef]
- Kulczyk, M.; Skiba, J.; Przybysz, S.; Pachla, W.; Bazarnik, P.; Lewandowska, M. High strength silicon bronze (CuSi3Mn) made by hydrostatic extrusion. Arch. Metall. Mater. 2012, 57, 859–862. [Google Scholar] [CrossRef]
- Garbacz, H.; Pakieła, Z.; Kurzydłowski, K.J. Fatique properties of nanocrystalline titanium. Rev. Adv. Mater. Sci. 2010, 25, 256–260. [Google Scholar]
- Oksiuta, Z.; Lewandowska, M.; Kurzydłowski, K.J.; Baluc, N. Reduced activation ODS ferritic steel—Recent development in high speed hot extrusion processing. Phys. Status Solidi A 2010, 207, 1128–1131. [Google Scholar] [CrossRef]
- Garbacz, H.; Grądzka-Dahlke, M.; Kurzydłowski, K.J. The tribological properties of nano-titanium obtained by hydrostatic extrusion. Wear 2007, 263, 572–578. [Google Scholar] [CrossRef]
- Pisarek, M.; Kędzierzawski, P.; Janik-Czachor, M.; Kurzydłowski, K.J. The effect of hydrostatic extrusion on resistance of 316 austenitic stainless steel to pit nucleation. Electrochem. Commun. 2007, 9, 2463–2466. [Google Scholar] [CrossRef]
- Skiba, J.; Kulczyk, M.; Przybysz-Gloc, S.; Skorupska, M.; Niczyporuk, K. The impact of severe plastic deformations obtained by hydrostatic extrusion on the machinability of ultrafine-grained Ti grade 2 intended for fasteners. Sci. Rep. 2022, 12, 16240. [Google Scholar] [CrossRef]
- Skiba, J.; Kossakowska, J.; Kulczyk, M.; Pachla, W.; Przybysz, S.; Smalc-Koziorowska, J.; Przybysz, M. The impact of severe plastic deformations obtained by hydrostatic extrusion on the machinability of ultrafine-grained AA5083 alloy. J. Manuf. Process. 2020, 58, 1232–1240. [Google Scholar] [CrossRef]
- Kulczyk, M.; Pachla, W.; Godek, J.; Smalc-Koziorowska, J.; Skiba, J.; Przybysz, S.; Wróblewska, M.; Przybysz, M. Improved compromise between the electrical conductivity and hardness of the thermo-mechanically treated CuCrZr alloy. Mater. Sci. Eng. A 2018, 724, 45–52. [Google Scholar] [CrossRef]
- Wejrzanowski, T.; Spychalski, W.L.; Różniatowski, K.; Kurzydłowski, K.J. Image based analysis of complex microstructures of engineering materials. Int. J. Appl. Math. Comput. Sci. 2008, 18, 33–39. [Google Scholar] [CrossRef]
- VDI 3400 Surface Finish Grade Definition. Available online: https://upmold.com/wp-content/uploads/Data-center/VDI3400-Surface-Finishs-Definition.pdf (accessed on 28 September 2023).
- Pachla, W.; Kulczyk, M.; Smalc-Koziorowska, J.; Przybysz, S.; Wróblewska, M.; Skiba, J.; Przybysz, M. Enhanced strength and toughness in ultra-fine grained 99.9% copper obtained by cryo-hydrostatic extrusion. Mater. Charact. 2018, 141, 375–387. [Google Scholar] [CrossRef]
- Alexander, I.; Ryazanov, S.A.; Pavlov, M. Kiritani. Effective temperature rise during propagation of shock wave and high-speed deformation in metals. Mater. Sci. Eng. A 2003, 350, 245–250. [Google Scholar]
- Hanzelka, P.; Musilova, V.; Kralik, T.; Vonka, J. Thermal conductivity of a CuCrZr alloy from 5 K to room temperatures. Cryogenics 2010, 50, 737–742. [Google Scholar] [CrossRef]
- Shakhova, I.; Yanushkevich, Z.; Fedorova, I.; Belyakov, A.; Kaibyshev, R. Grain refinement in a Cu–Cr–Zr alloy during multidirectional forging. Mater. Sci. Eng. A 2014, 606, 380–389. [Google Scholar] [CrossRef]
- Kulczyk, M.; Skorupska, M.; Skiba, J.; Przybysz-Gloc, S.; Smalc-Koziorowska, J. Effects of HE and ECAP processes on changes in microstructure and mechanical properties in copper, iron and zinc. Bull. Pol. Acad. Sci. Tech. Sci. 2023, 71, e145563. [Google Scholar]
- Przybysz, S.; Kulczyk, M.; Pachla, W.; Skiba, J.; Wróblewska, M.; Mizera, J.; Moszczyńska, D. Anisotropy of mechanical and structural properties in AA 6060 aluminum alloy following hydrostatic extrusion process. Bull. Pol. Acad. Sci. Tech. Sci. 2019, 67, 709–717. [Google Scholar]
- Li, R.; Lu, S.; Kim, D.; Schonecker, S.; Zhao, J.; Kwon, S.K.; Vitos, L. Stacking fault energy of face-centered cubic metals: Thermodynamic and ab initio approaches. J. Condens. Matter Phys. 2016, 28, 395001. [Google Scholar] [CrossRef]
- Sarma, V.S.; Wang, J.; Jian, W.W.; Kauffmann, A.; Conrad, H.; Freudenberger, J.; Zhu, Y.T. Role of stacking fault energy in strengthening due to cryo-deformation of FCC metals. Mater. Sci. Eng. A 2010, 527, 7624–7630. [Google Scholar] [CrossRef]
- Figueiredo, B.; Langdon, G. Using severe plastic deformation for the processing of advanced engineering materials. Mater. Trans. 2009, 50, 1613–1619. [Google Scholar] [CrossRef]
- Zrnik, J.; Dobatkin, S.; Mamuzic, I. Processing of metals by severe plastic deformation (SPD)—Structure and mechanical properties respond. Metalurgija 2008, 47, 211–216. [Google Scholar]
- Liang, N.; Liu, J.; Lin, S.; Wang, Y.; Tao, J.; Zhao, W.Y.; Zhu, Y. A multiscale architectured CuCrZr alloy with high strength, electrical conductivity and thermal stability. J. Alloys Compd. 2018, 735, 1389–1394. [Google Scholar] [CrossRef]
- Wu, X.; Zhang, J.; Zhao, J.; Meng, Q.; Zhang, W.; Pan, F.; Liu, Y.; Ximin, L.; Liu, Y.; Liu, X.; et al. Enhancing the strength and conductivity of commercialized Cu-Cr-Zr plate through simple high strain cold rolling and aging. Mater. Charact. 2023, 205, 113213. [Google Scholar] [CrossRef]









| Cr | Zr | Fe | Si | Cu |
|---|---|---|---|---|
| 0.5–1.2 | 0.03–0.3 | Max 0.08 | Max 0.1 | balance |
| Material | Ultimate Tensile Strength, UTS (MPa) | Yield Strength, YS (MPa) | Elongation, A (%) | Hardness, HV0.2 | Electrical Conductivity, IACS (%) |
|---|---|---|---|---|---|
| CuCrZr in initial state | 413 | 366 | 19 | 153 | 84.7 |
| CuCrZr 1000 °C/1 h | 220 | 90 | 45 | 101 | 32.3 |
| Type of Machining | Working Amperage Ir (A) | Pulse Time t (ms) | Depth of Machining H (mm) |
|---|---|---|---|
| Rough | 12 | 9 | 20 |
| Finish | 3 | 4 | 20 |
| Specimen | Initial Diameter, d0 (mm) | Product Diameter, df (mm) | True Strain, ɛ = lnR (a) | Cumulative True Strain, ɛcum | Adiabatic Temperature, T (°C) | T/Tm (b) | Hydrostatic Extrusion Pressure, pHE (MPa) | |
|---|---|---|---|---|---|---|---|---|
| 1xHE | 1CCZT | 69.44 | 39.85 | 1.11 | 1.11 | 127 | 0.29 | 480 |
| 2CCZT | 69.44 | 29.76 | 1.69 | 1.69 | 188 | 0.35 | 709 | |
| 3CCZT | 69.44 | 19.76 | 2.51 | 2.51 | 285 | 0.41 | 1075 | |
| 5xHE | 1CCZT | 69.44 | 39.85 | 1.11 | 1.11 | 119 | 0.29 | 480 |
| 1CCZT-2 | 39.85 | 29.86 | 0.58 | 1.69 | 107 | 0.28 | 404 | |
| 1CCZT-3 | 29.86 | 19.89 | 0.81 | 2.50 | 144 | 0.30 | 542 | |
| 1CCZT-4 | 19.89 | 15.00 | 0.56 | 3.07 | 127 | 0.29 | 479 | |
| 1CCZT-5 | 15.00 | 9.98 | 0.81 | 3.88 | 169 | 0.32 | 638 | |
| Processing | Sample Size (mm) | True Strain, ɛ | Grain Size, d2 (nm) | UTS (MPa) | YS (MPa) | IACS (%) | Ref. |
|---|---|---|---|---|---|---|---|
| ST + LNT-DPD (1) + aging 400 °C | 23 × 11 (3) | 2 | - | 832 | - | 71.2 | [15] |
| Annealing + LNT-DPD | 30 × 2.3 (3) | 2 | - | 700 | - | 78.5 | [13] |
| ST + HE × 5 + aging 420 °C | 10 | 3.89 | 210 | 679 | 676 | 71.8 | This work |
| ST + ECAP × 8 + aging 460 °C | 11.5 × 11.5 | 8 | 256 | 676 | - | 73 | [47] |
| ST + HE × 5 + aging 450 °C | 10 | 3.89 | - | 668 | 657 | 77.5 | This work |
| ST + HE × 5 + aging 480 °C | 10 | 3.89 | 320 | 646 | 629 | 78.0 | This work |
| ST + HE + aging 480 °C | 16 | 2.28 | 200 | 630 | 585 | 79.0 | [34] |
| ST + ECAP × 2 + HE + aging 480 °C | 16 | 3.6 | 180 | 625 | 610 | 78.0 | [34] |
| ST + HE × 5 + aging 510 °C | 10 | 3.89 | 425 | 615 | 590 | 80.3 | This work |
| Annealing + ST +cold rolled + aging 400 °C | 0.4 (2) | 98% | 152 | 592 | 559 | 86.8 | [48] |
| ST + aging 450 °C +ECAP × 8 (200 °C) | 14 × 14 | 9.2 | 700 | 550 | 535 | 68.8 | [16] |
| ST + cold drawing + aging 450 °C | 10 | - | - | 550 | 510 | 78.7 | [12] |
Disclaimer/Publisher’s Note: The statements, opinions and data contained in all publications are solely those of the individual author(s) and contributor(s) and not of MDPI and/or the editor(s). MDPI and/or the editor(s) disclaim responsibility for any injury to people or property resulting from any ideas, methods, instructions or products referred to in the content. |
© 2023 by the authors. Licensee MDPI, Basel, Switzerland. This article is an open access article distributed under the terms and conditions of the Creative Commons Attribution (CC BY) license (https://creativecommons.org/licenses/by/4.0/).
Share and Cite
Skiba, J.; Kulczyk, M.; Przybysz-Gloc, S.; Skorupska, M.; Smalc-Koziorowska, J.; Kobus, M.; Nowak, K. Thermo-Mechanical Treatment for Reducing the Wear Rate of CuCrZr Tool Electrodes during Electro-Discharge Machining. Materials 2023, 16, 6787. https://doi.org/10.3390/ma16206787
Skiba J, Kulczyk M, Przybysz-Gloc S, Skorupska M, Smalc-Koziorowska J, Kobus M, Nowak K. Thermo-Mechanical Treatment for Reducing the Wear Rate of CuCrZr Tool Electrodes during Electro-Discharge Machining. Materials. 2023; 16(20):6787. https://doi.org/10.3390/ma16206787
Chicago/Turabian StyleSkiba, Jacek, Mariusz Kulczyk, Sylwia Przybysz-Gloc, Monika Skorupska, Julita Smalc-Koziorowska, Mariusz Kobus, and Kamil Nowak. 2023. "Thermo-Mechanical Treatment for Reducing the Wear Rate of CuCrZr Tool Electrodes during Electro-Discharge Machining" Materials 16, no. 20: 6787. https://doi.org/10.3390/ma16206787
APA StyleSkiba, J., Kulczyk, M., Przybysz-Gloc, S., Skorupska, M., Smalc-Koziorowska, J., Kobus, M., & Nowak, K. (2023). Thermo-Mechanical Treatment for Reducing the Wear Rate of CuCrZr Tool Electrodes during Electro-Discharge Machining. Materials, 16(20), 6787. https://doi.org/10.3390/ma16206787

