Preparation and Color Performance of White Ultra-High-Performance Concrete with Large Fraction of Quaternary Binders
Abstract
1. Introduction
2. Materials and Methods
2.1. Raw Materials
2.2. Mixed Process and Curing Regime
2.3. Test Method
3. Results and Discussion
3.1. Fresh Properties for WUHPC
3.2. Mechanical Properties
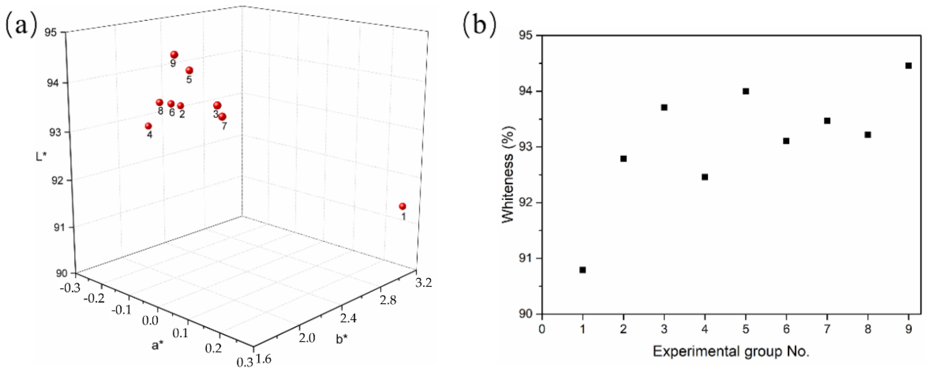
3.3. The Aesthetics Performance of WUHPC
3.4. The Hydration Products in WUHPC
4. Conclusions
- (1)
- The compressive strength of WUHPC was all over 150 MPa, with a fraction of SCMs ranging from 35% to 65%, reaching 195.1 MPa at maximum with 50% cement substitution. The whiteness of WUHPC exceeded 90, which was about two times higher than that of normal UHPC.
- (2)
- The increased ratio of SF improved the flowability and compressive strength of WUHPC due to the filling and ball effect by small and rounded particles, while the irregular sharp and non-uniform particle size distribution of MK decreased the flowability, but insignificantly affected the strength.
- (3)
- The aesthetics properties of WUHPC were evaluated by CIELAB space. Because of low hydration degree, the color of raw material almost determined the color of WUHPC, higher L value of raw materials lead to higher whiteness, and the increased ratio of LP and MK was good for whiteness increasing. The higher hydration degree caused by larger W/B also increased the whiteness of WUHPC.
- (4)
- Based on quantitative-XRD analysis, the mineral admixture did not change the species of hydration products but varied the content. The existence of CaCO3, CaMg(CO3)2, and C-S-H gel was preferred for higher whiteness, while a higher content of C3S and SiO2 resulted in a relative lower whiteness.
Author Contributions
Funding
Institutional Review Board Statement
Informed Consent Statement
Conflicts of Interest
References
- Karbhari, V.M.; Zhao, L. Use of composites for 21st century civil infrastructure. Comput. Methods Appl. Mech. Eng. 2000, 185, 433–454. [Google Scholar] [CrossRef]
- Chen, Y.; Matalkah, F.; Rankothge, W.; Balachandra, A.; Soroushian, P. Improvement of the surface quality and aesthetics of ultra-high-performance concrete. Proc. Inst. Civ. Eng. Constr. Mater. 2019, 172, 246–255. [Google Scholar] [CrossRef]
- Chang, H.L.; Wang, P.G.; Jin, Z.Q.; Li, G.; Feng, P.; Ye, S.J.; Liu, J. Durability and Aesthetics of Architectural Concrete under Chloride Attack or Carbonation. Materials 2020, 13, 839. [Google Scholar] [CrossRef]
- Neto, E.; Magina, S.; Camoes, A.; Begonha, A.; Evtuguin, D.V.; Cachim, P. Characterization of concrete surface in relation to graffiti protection coatings. Constr. Build. Mater. 2016, 102, 435–444. [Google Scholar] [CrossRef]
- Goyal, A.; Pouya, H.S.; Ganjian, E. Performance assessment of specialist conductive paint for cathodic protection of steel in reinforced concrete structures. Constr. Build. Mater. 2019, 223, 1083–1094. [Google Scholar] [CrossRef]
- Fortunato, G.; Marroccoli, V.; Corsini, F.; Turri, S.; Griffini, G. A facile approach to durable, transparent and self-healing coatings with enhanced hardness based on Diels-Alder polymer networks. Prog. Org. Coat. 2020, 147, 105840. [Google Scholar] [CrossRef]
- Katagiri, K.; Uemura, K.; Uesugi, R.; Tarutani, N.; Inumaru, K.; Uchikoshi, T.; Seki, T.; Takeoka, Y. Robust Structurally Colored Coatings Composed of Colloidal Arrays Prepared by the Cathodic Electrophoretic Deposition Method with Metal Cation Additives. ACS Appl. Mater. Interfaces 2020, 12, 40768–40777. [Google Scholar] [CrossRef]
- Hamdan, M.A.; Yamin, J.; Hafez, E.M.A. Passive cooling roof design under Jordanian climate. Sustain. Cities Soc. 2012, 5, 26–29. [Google Scholar] [CrossRef]
- Takebayashi, H.; Moriyama, M. Surface heat budget on green roof and high reflection roof for mitigation of urban heat island. Build. Environ. 2007, 42, 2971–2979. [Google Scholar] [CrossRef]
- Shi, C.J.; Wu, Z.M.; Xiao, J.F.; Wang, D.H.; Huang, Z.Y.; Fang, Z. A review on ultra high performance concrete: Part I. Raw materials and mixture design. Constr. Build. Mater. 2015, 101, 741–751. [Google Scholar] [CrossRef]
- Wang, D.H.; Shi, C.J.; Wu, Z.M.; Xiao, J.F.; Huang, Z.Y.; Fang, Z. A review on ultra high performance concrete: Part II. Hydration, microstructure and properties. Constr. Build. Mater. 2015, 96, 368–377. [Google Scholar] [CrossRef]
- Nozawa, T.; Choi, J.H.; Hattori, M.; Otsuka, H. Cyclic loading test for columns made with ultra-strength fiber-reinforced concrete and trace analyses using finite element analyses. Struct. Concr. 2017, 18, 433–443. [Google Scholar] [CrossRef]
- Kim, S.; Kang, T.H.K.; Hong, S.G. Impact Performance of Thin Prefabricated Ultra-High-Performance Concrete Facade. ACI Struct. J. 2021, 118, 167–177. [Google Scholar]
- Pyo, S.; Tafesse, M.; Kim, B.J.; Kim, H.K. Effects of quartz-based mine tailings on characteristics and leaching behavior of ultra-high performance concrete. Constr. Build. Mater. 2018, 166, 110–117. [Google Scholar] [CrossRef]
- Alkaysi, M.; El-Tawil, S. Effects of variations in the mix constituents of ultra high performance concrete (UHPC) on cost and performance. Mater. Struct. 2016, 49, 4185–4200. [Google Scholar] [CrossRef]
- Ma, W.; Tian, Y.; Zhao, H.; Orton, S.L. Time-Dependent Behavior of Reinforced Concrete Columns Subjected to High Sustained Loads. J. Struct. Eng. 2022, 148, 04022161. [Google Scholar] [CrossRef]
- Satishkumar, C.N.; Krishna, U.S.R. Ultra-thinwhite topping concrete mix with sustainable concrete materials—A literature review. Int. J. Pavement Eng. 2019, 20, 136–142. [Google Scholar] [CrossRef]
- Hatami, L.; Jamshidi, M. Influence of Pigment Content and Cement Type on Appearance and Performance of Colored Self-Compacting Mortars (C-SCMs). Int. J. Civ. Eng. 2017, 15, 727–736. [Google Scholar] [CrossRef]
- Shi, Z.G.; Ferreiro, S.; Lothenbach, B.; Geiker, M.R.; Kunther, W.; Kaufmann, J.; Herfort, D.; Skibsted, J. Sulfate resistance of calcined clay–Limestone–Portland cements. Cem. Concr. Res. 2019, 116, 238–251. [Google Scholar] [CrossRef]
- Kirchheim, A.P.; Rheinheimer, V.; Dal Molin, D.C.C. Comparative study of white and ordinary concretes with respect of carbonation and water absorption. Constr. Build. Mater. 2015, 84, 320–330. [Google Scholar] [CrossRef]
- Zhang, G.; Yan, Y.; Hu, Z.; Xiao, B. Investigation on preparation of pyrite tailings-based mineral admixture with photocatalytic activity. Constr. Build. Mater. 2017, 138, 26–34. [Google Scholar] [CrossRef]
- Sharaky, I.A.; Ghoneim, S.S.M.; Aziz, B.H.A.; Emara, M. Experimental and theoretical study on the compressive strength of the high strength concrete incorporating steel fiber and metakaolin. Structures 2021, 31, 57–67. [Google Scholar] [CrossRef]
- Ferraro, R.M.; Nanni, A. Effect of off-white rice husk ash on strength, porosity, conductivity and corrosion resistance of white concrete. Constr. Build. Mater. 2012, 31, 220–225. [Google Scholar] [CrossRef]
- Liu, J.; Li, C.; Lin, C.; Han, L.; Ning, T.; Wu, J.; Gui, H.; Luo, Z.; Liu, T.; Lu, A. Use of steel slag and quartz sand-tailing for the preparation of an eco-friendly permeable brick. Int. J. Appl. Ceram. Technol. 2020, 17, 94–104. [Google Scholar] [CrossRef]
- Ma, R.; Guo, L.; Ye, S.; Sun, W.; Liu, J. Influence of Hybrid Fiber Reinforcement on Mechanical Properties and Autogenous Shrinkage of an Ecological UHPFRCC. J. Mater. Civ. Eng. 2019, 31, 04019032. [Google Scholar] [CrossRef]
- Jang, H.-S.; Kang, H.-S.; So, S.-Y. Color expression characteristics and physical properties of colored mortar using ground granulated blast furnace slag and White Portland Cement. KSCE J. Civ. Eng. 2014, 18, 1125–1132. [Google Scholar] [CrossRef]
- Miranda, J.; Valença, J.; Júlio, E. Colored concrete restoration method: For chromatic design and application of restoration mortars on smooth surfaces of colored concrete. Struct. Concr. 2019, 20, 1391–1401. [Google Scholar] [CrossRef]
- Marcaida, I.; Maguregui, M.; Morillas, H.; Prieto-Taboada, N.; de Vallejuelo, S.F.-O.; Veneranda, M.; Madariaga, J.M.; Martellone, A.; De Nigris, B.; Osanna, M. In situ non-invasive characterization of the composition of Pompeian pigments preserved in their original bowls. Microchem. J. 2018, 139, 458–466. [Google Scholar] [CrossRef]
- Ma, E.; Wei, Z.; Lian, C.; Zhou, Y.; Gan, S.; Xu, B. Preparation of Colored Microcapsule Phase Change Materials with Colored SiO2 Shell for Thermal Energy Storage and Their Application in Latex Paint Coating. Materials 2021, 14, 4012. [Google Scholar] [CrossRef]












| Material | CaO | SiO2 | Al2O3 | Fe2O3 | MgO | Na2O | K2O | P2O5 | SO3 | L.O.I |
|---|---|---|---|---|---|---|---|---|---|---|
| WPC | 67.09 | 18.09 | 2.25 | 0.27 | 4.49 | 0.30 | 0.68 | 0.01 | 4.33 | 2.48 |
| SF | 0.30 | 95.87 | 0.50 | 0.42 | 0.34 | 0.13 | 0.04 | 1.25 | 1.01 | 0.13 |
| MK | 0.48 | 95.59 | 0.90 | 0.06 | 0.38 | 0.05 | 0.12 | 0.01 | 2.35 | 0.06 |
| LP | 92.26 | 0.20 | 0.03 | 0.03 | 0.27 | -- | -- | 0.03 | 0.02 | 7.16 |
| Type | Length/mm | Aspect Radio | Tensile Strength/MPa | Picture |
|---|---|---|---|---|
| Straight steel fiber | 13 | 60 | 2850 | ![]() |
| Hooked steel fiber | 13 | 60 | 2850 | ![]() |
| No. | W/B | LP % | MK % | SF % |
|---|---|---|---|---|
| 1 | 0.15 | 25% | 5% | 5% |
| 2 | 0.15 | 30% | 10% | 10% |
| 3 | 0.15 | 35% | 15% | 15% |
| 4 | 0.16 | 30% | 5% | 15% |
| 5 | 0.16 | 35% | 10% | 5% |
| 6 | 0.16 | 25% | 15% | 10% |
| 7 | 0.17 | 35% | 5% | 10% |
| 8 | 0.17 | 25% | 10% | 15% |
| 9 | 0.17 | 30% | 15% | 5% |
| No. | WPC | SF | MK | LP | Total Binders | Super-Plasticizer | Water | Steel Fibre | Sand | |
|---|---|---|---|---|---|---|---|---|---|---|
| Straight | Hook | |||||||||
| W1 | 701 | 54 | 54 | 270 | 1079 | 15 | 167 | 136 | 68 | 1079 |
| W2 | 540 | 108 | 108 | 323 | 1079 | 15 | 164 | 136 | 68 | 1079 |
| W3 | 377 | 162 | 162 | 378 | 1079 | 15 | 162 | 136 | 68 | 1079 |
| W4 | 540 | 162 | 54 | 323 | 1079 | 15 | 172 | 136 | 68 | 1079 |
| W5 | 539 | 54 | 108 | 378 | 1079 | 15 | 174 | 136 | 68 | 1079 |
| W6 | 539 | 108 | 162 | 270 | 1079 | 15 | 173 | 136 | 68 | 1079 |
| W7 | 539 | 108 | 54 | 378 | 1079 | 15 | 181 | 136 | 68 | 1079 |
| W8 | 539 | 162 | 108 | 270 | 1079 | 15 | 180 | 136 | 68 | 1079 |
| W9 | 539 | 54 | 162 | 323 | 1078 | 15 | 182 | 136 | 68 | 1079 |
| Change Level | W/B | LP % | MK % | SF % |
|---|---|---|---|---|
| KI | 216.67 | 241.67 | 249.17 | 232.50 |
| KII | 249.17 | 236.67 | 246.67 | 245.00 |
| KIII | 261.67 | 249.17 | 231.67 | 250.00 |
| Change Level | W/B | LP % | MK % | SF % | ||||
|---|---|---|---|---|---|---|---|---|
| F | C | F | C | F | C | F | C | |
| KI | 44.5 | 190.6 | 39.2 | 180.9 | 36.4 | 180.7 | 39.0 | 169.4 |
| KII | 35.4 | 179.5 | 38.3 | 184.0 | 40.0 | 178.9 | 36.9 | 180.4 |
| KIII | 35.3 | 168.8 | 37.7 | 173.9 | 36.5 | 179.1 | 39.2 | 189.0 |
| Materials | L | a* | b* | HW | |
|---|---|---|---|---|---|
| Raw materials | WPC | 91.24 | 0.30 | 3.11 | 90.70 |
| SF | 94.51 | 0.34 | 0.12 | 94.50 | |
| MK | 97.22 | 0.57 | 1.29 | 96.88 | |
| LP | 98.14 | 0.53 | 0.23 | 98.05 | |
| Matrix | Control | 54.83 | −0.92 | 5.03 | 47.57 |
| W1 | 91.35 | 0.26 | 3.16 | 90.79 | |
| W2 | 93.24 | −0.22 | 2.37 | 92.79 | |
| W3 | 93.98 | 0.11 | 1.83 | 93.71 | |
| W4 | 92.80 | −0.28 | 2.22 | 92.46 | |
| W5 | 94.35 | −0.05 | 2.02 | 94.00 | |
| W6 | 93.46 | −0.17 | 2.16 | 93.11 | |
| W7 | 93.75 | 0.11 | 1.87 | 93.47 | |
| W8 | 93.54 | −0.17 | 2.06 | 93.22 | |
| W9 | 94.77 | −0.02 | 1.82 | 94.46 | |
| Group | C3S | CaCO3 | SiO2 | Ca(OH)2 | CaMg(CO3)2 | Total |
|---|---|---|---|---|---|---|
| W1 | 17.3 | 17.0 | 7.5 | 4.9 | 10.2 | 57.0 |
| W2 | 17.2 | 20.4 | 12.1 | 3.1 | 8.2 | 60.9 |
| W3 | 13.0 | 27.1 | 19.0 | 3.5 | 8.8 | 71.4 |
| W4 | 15.2 | 20.9 | 8.4 | 3.4 | 10.2 | 58.1 |
| W5 | 14.8 | 23.4 | 11.9 | 3.6 | 9.3 | 62.9 |
| W6 | 12.9 | 8.4 | 8.7 | 3.1 | 9.8 | 42.9 |
| W7 | 12.9 | 11.0 | 4.5 | 4.2 | 7.8 | 40.5 |
| W8 | 11.6 | 8.5 | 6.4 | 3.4 | 6.6 | 36.5 |
| W9 | 12.5 | 15.3 | 12.2 | 3.6 | 8.2 | 51.7 |
Publisher’s Note: MDPI stays neutral with regard to jurisdictional claims in published maps and institutional affiliations. |
© 2022 by the authors. Licensee MDPI, Basel, Switzerland. This article is an open access article distributed under the terms and conditions of the Creative Commons Attribution (CC BY) license (https://creativecommons.org/licenses/by/4.0/).
Share and Cite
Ma, R.; Tian, Z.; Zhang, W.; Chen, L.; Zong, J.; Ding, Y.; Sun, D. Preparation and Color Performance of White Ultra-High-Performance Concrete with Large Fraction of Quaternary Binders. Materials 2022, 15, 8895. https://doi.org/10.3390/ma15248895
Ma R, Tian Z, Zhang W, Chen L, Zong J, Ding Y, Sun D. Preparation and Color Performance of White Ultra-High-Performance Concrete with Large Fraction of Quaternary Binders. Materials. 2022; 15(24):8895. https://doi.org/10.3390/ma15248895
Chicago/Turabian StyleMa, Rui, Ziyang Tian, Wei Zhang, Lei Chen, Jinyu Zong, Yi Ding, and Daosheng Sun. 2022. "Preparation and Color Performance of White Ultra-High-Performance Concrete with Large Fraction of Quaternary Binders" Materials 15, no. 24: 8895. https://doi.org/10.3390/ma15248895
APA StyleMa, R., Tian, Z., Zhang, W., Chen, L., Zong, J., Ding, Y., & Sun, D. (2022). Preparation and Color Performance of White Ultra-High-Performance Concrete with Large Fraction of Quaternary Binders. Materials, 15(24), 8895. https://doi.org/10.3390/ma15248895


