Coherency Identification of Generators Using a PAM Algorithm for Dynamic Reduction of Power Systems
Abstract
:1. Introduction
2. Proposed Coherency Identification Method
2.1. Dissimilarity Index
2.2. Define the Generator Groups Using PAM Algorithm
- Step 1. Calculate the Dissimilarity Index (DI) table;
- Step 2. Build: Determine the initial generator set M;
- Step 3. Swap: Perform a swap test between the generators of set M and the non-medoid set;
- Step 4. Cluster the generators using the optimal medoid set.
- B.1.
- Determine an initial user-defined medoid set M (1 ≤ n(M) ≤ K);
- B.2.
- Calculate for all non-medoid generators k;
- B.3.
- Add a generator which maximizes Ck to the medoid set M;
- B.4.
- if n(M) = K, go to the next procedure;if n(M) < K, go to step 2 and repeat step 2–3.
- C.1.
- Swap generator Gi in the medoid set M with generator Gj in the non-medoid set;
- C.2.
- Calculate ΔTCij for all j;
- C.3.
- if Min{ΔTCij} < 0, generator Gj replaces generator Gi as a medoid;if Min{ΔTCij}) ≥ 0, go to step 5;
- C.4.
- Select the next generator i in set M and repeat step 1–3;
- C.5.
- Repeat steps 1–4 until ΔTCij ≥ 0 for all i.


2.3. Generator Aggregation
- (1)
- Join the buses;
- (2)
- Aggregate the static generator and load model;
- (4)
- Aggregate the dynamic generator model;
- (5)
- Aggregate the control units.
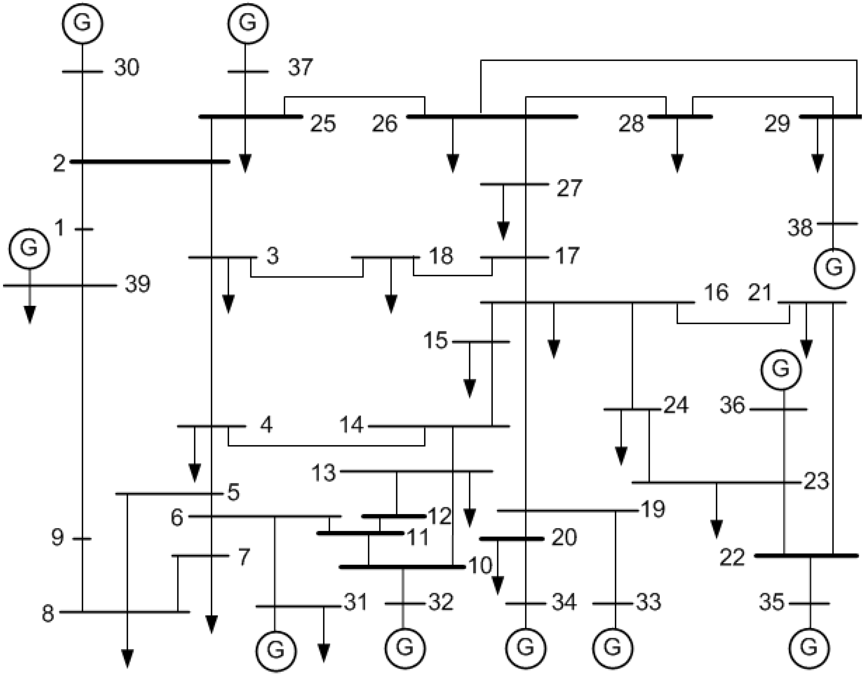
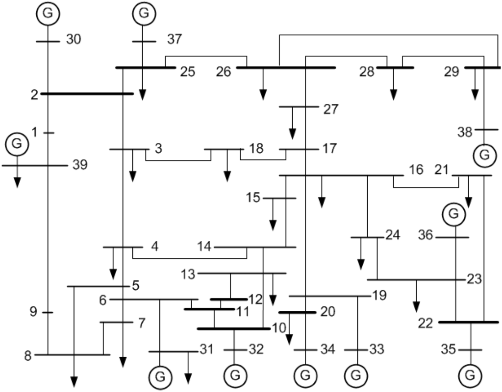
3. Case study
3.1. Coherency Identification for Dynamic Reduction


| D(Gi, Gj) | 31 | 32 | 33 | 34 | 35 | 36 |
|---|---|---|---|---|---|---|
| 31 | 0 | 0.2622 | 0.3087 | 0.2196 | 0.4577 | 0.5211 |
| 32 | 0.2622 | 0 | 0.2637 | 0.2816 | 0.2815 | 0.3807 |
| 33 | 0.3087 | 0.2637 | 0 | 0.2002 | 0.3283 | 0.4278 |
| 34 | 0.2196 | 0.2816 | 0.2002 | 0 | 0.3868 | 0.4823 |
| 35 | 0.4577 | 0.2815 | 0.3283 | 0.3868 | 0 | 0.2118 |
| 36 | 0.5211 | 0.3807 | 0.4278 | 0.4823 | 0.2118 | 0 |
| Buses | Representative | Sum of DI | |
|---|---|---|---|
| Group 1 | 31 | 31 | 0 |
| Group 2 | 32 | 32 | 0 |
| Group 3 | 33, 34 | 33 | 0.2002 |
| Group 4 | 35, 36 | 36 | 0.2118 |
| TC | 0.4120 | ||
| Buses | Representative | Sum of DI | |
|---|---|---|---|
| Group 1 | 31 | 31 | 0 |
| Group 2 | 32 | 32 | 0 |
| Group 3 | 33, 34, 35 | 33 | 0.5285 |
| Group 4 | 36 | 36 | 0 |
| TC | 0.5285 | ||
3.2. Dynamic Response of the Equivalent Reduced System

| Cases | Generators | Average | Difference | ||||
|---|---|---|---|---|---|---|---|
| 30-bus | 37-bus | 38-bus | 39-bus | ||||
| 2–3 line fault | KM case | 0.2806 | 0.2484 | 0.2364 | 0.3148 | 0.2701 | 0.0782 |
| PAM case | 0.2081 | 0.1908 | 0.1688 | 0.1999 | 0.1919 | ||
| 17–18 line fault | KM case | 0.2788 | 0.2071 | 0.2134 | 0.2053 | 0.2262 | 0.0946 |
| PAM case | 0.1477 | 0.1097 | 0.1291 | 0.1398 | 0.1316 | ||
| 28–29 line fault | KM case | 0.1108 | 0.1096 | 0.0936 | 0.1398 | 0.1135 | 0.0222 |
| PAM case | 0.086 | 0.0892 | 0.0622 | 0.1278 | 0.0913 | ||
3.3. Discussion
4. Conclusions
Acknowledgments
References
- Newell, R.J.; Risan, M.D.; Allen, L.; Rao, K.S.; Stuehm, D.L. Utility experience with coherency-based dynamic equivalents of very large systems. IEEE Trans. Power Appar. Syst. 1985, 104, 3056–3063. [Google Scholar] [CrossRef]
- Troullinos, G.; Dorsey, J.; Wong, H.; Myers, J. Reducing the Order of Very Large Power System Models. IEEE Trans. Power Syst. 1988, 3, 127–133. [Google Scholar] [CrossRef]
- Wang, L.; Klein, M.; Yirga, S.; Kundur, P. Dynamic reduction of large power systems for stability studies. IEEE Trans. Power Syst. 1997, 12, 889–895. [Google Scholar] [CrossRef]
- William, W. Large-Scale System Testing of a Power System Dynamic Equivalencing Program. IEEE Trans. Power Syst. 1998, 13, 768–774. [Google Scholar]
- Lei, X.; Povh, D.; Ruhle, O. Industrial approaches for dynamic equivalents of large power systems. Proc. Power Eng. Soc. Winter Meet. 2002, 2, 1036–1042. [Google Scholar]
- Kim, H.; Jang, G.; Song, K. Dynamic reduction of the large-scale power systems using relation factor. IEEE Trans. Power Syst. 2004, 19, 1696–1699. [Google Scholar] [CrossRef]
- Yang, J.P.; Cheng, G.H.; Xu, Z. Dynamic Reduction of Large Power System in PSS/E”. In Proceedings of the 2005 IEEE/PES Transmission and Distribution Conference and Exhibition: Asia and Pacific, Dalian, China, August 2005; pp. 1–4.
- Robin, P. Identification of Coherent Generators for Dynamic Equivalents. IEEE Trans. Power Appar. Syst. 1978, 1, 1344–1354. [Google Scholar]
- Giri, J.C. Coherency reduction in the EPRI stability program. IEEE Trans. Power Appar. Syst. 1983, 102, 1285–1293. [Google Scholar] [CrossRef]
- Pires de Souza, E.; Leiti da Silva, A. An efficient methodology for coherency-based dynamic equivalents. IEE Proc. 1992, 139, 371–382. [Google Scholar] [CrossRef]
- Ourari, M.L.; Dessaint, L.A.; Van-Que, D. Dynamic equivalent modeling of large power systems using structure preservation technique. IEEE Trans. Power Syst. 2006, 21, 1284–1295. [Google Scholar] [CrossRef]
- Van Oirsouw, P.M. A Dynamic Equivalent Using Modal Coherency and Frequency Response. IEEE Trans. Power Syst. 1990, 5, 289–295. [Google Scholar] [CrossRef]
- Kim, J.Y.; Won, D.J.; Moon, S.I. A Study on the Dynamic Reduction for Large Power System. KIEE Int. Trans. 2002, 12, 1–5. [Google Scholar]
- Joo, S.K.; Liu, C.C.; Jones, L.E.; Choe, J.W. A Coherency and aggregation techniques incorporating rotor and voltage dynamics. IEEE Trans. Power Syst. 2004, 19, 1068–1075. [Google Scholar] [CrossRef]
- Spath, H. Cluster Analysis Algorithms; Halsted Presses: New York, NY, USA, 1980. [Google Scholar]
- Machowski, J.; Cichy, A.; Gubina, F.; Omahen, P. External Subsystem Equivalent Model for Steady-state and Dynamic Security Assessment. IEEE Trans. Power Syst. 1988, 3, 1456–1463. [Google Scholar] [CrossRef]
© 2012 by the authors; licensee MDPI, Basel, Switzerland. This article is an open access article distributed under the terms and conditions of the Creative Commons Attribution license (http://creativecommons.org/licenses/by/3.0/).
Share and Cite
Pyo, G.-C.; Park, J.-W.; Moon, S.-I. Coherency Identification of Generators Using a PAM Algorithm for Dynamic Reduction of Power Systems. Energies 2012, 5, 4417-4429. https://doi.org/10.3390/en5114417
Pyo G-C, Park J-W, Moon S-I. Coherency Identification of Generators Using a PAM Algorithm for Dynamic Reduction of Power Systems. Energies. 2012; 5(11):4417-4429. https://doi.org/10.3390/en5114417
Chicago/Turabian StylePyo, Gi-Chan, Jin-Woo Park, and Seung-Il Moon. 2012. "Coherency Identification of Generators Using a PAM Algorithm for Dynamic Reduction of Power Systems" Energies 5, no. 11: 4417-4429. https://doi.org/10.3390/en5114417
APA StylePyo, G.-C., Park, J.-W., & Moon, S.-I. (2012). Coherency Identification of Generators Using a PAM Algorithm for Dynamic Reduction of Power Systems. Energies, 5(11), 4417-4429. https://doi.org/10.3390/en5114417
