Next Article in Journal
Comparative Analysis of Methods for Determining the Wax Crystallization Onset Temperature of High-Paraffin Crude Oil from the Uzen Field
Next Article in Special Issue
Optimized Operation Strategy for Off-Grid PV/Wind/Hydrogen Systems with Multi-Electrolyzers
Previous Article in Journal
A Fast Dynamic Response Control Method for DAB Converters in Microgrids
Previous Article in Special Issue
Underground Hydrogen Storage: Insights for Future Development
 
 
Font Type:
Arial Georgia Verdana
Font Size:
Aa Aa Aa
Line Spacing:
Column Width:
Background:
Article

Modeling of a Combined PEM Electrolyzer and Quadratic Step-Down Converter for the Generation of Green Hydrogen

by
Jesús Leyva-Ramos
1,
Ma. Guadalupe Ortiz-Lopez
2,* and
Luis Humberto Diaz-Saldierna
1
1
Instituto Potosino de Investigación Científica y Tecnolgica, San Luis Potosí 78216, Mexico
2
IMA Department, Universidad Politecnica de San Luis Potosi, San Luis Potosí 78363, Mexico
*
Author to whom correspondence should be addressed.
Energies 2026, 19(5), 1308; https://doi.org/10.3390/en19051308
Submission received: 9 February 2026 / Revised: 26 February 2026 / Accepted: 3 March 2026 / Published: 5 March 2026
(This article belongs to the Special Issue Recent Advances in New Energy Electrolytic Hydrogen Production)

Abstract

Currently, hydrogen is considered a primary option for replacing fossil fuels across various processes, which can reduce greenhouse gas emissions and mitigate global warming. To achieve these goals, hydrogen should be produced using non-polluting processes, such as water electrolysis powered by renewable energy sources. This method requires feeding the converter with an unregulated voltage source. A quadratic step-down converter can be connected between a DC source and a Proton Exchange Membrane (PEM) electrolyzer to produce hydrogen. To mitigate variations in the generated output voltage and intermittent power supply to a PEM electrolyzer, a DC-DC converter is used as an interface. A converter model can be combined with a static or dynamic model of the PEM electrolyzer to yield switched models and, after averaging, linear state-space models. These models can be used to design robust controllers for green hydrogen production, thus significantly reducing greenhouse gas emissions. This work presents experimental and simulation results.

1. Introduction

The planet’s weather and climate systems are undergoing drastic changes due to global warming driven by increasing greenhouse gas concentrations over the past two centuries. In particular, carbon dioxide (CO2) generated by human activities, such as burning fossil fuels (coal, oil, or natural gas), has contributed to an imbalance and warming in the near-surface layers [1]. Among the main global actions to combat climate change and adapt to its effects are the use of electricity generated by renewable energy sources, such as photovoltaic cells and wind turbines. However, some industrial equipment or processes require large amounts of energy; therefore, this alternative is not the most appropriate, particularly for heavy transport equipment, high-temperature metal-heating processes, or fertilizer production [2]. A valuable option is to use hydrogen as a fuel, which has a Wobbe index of 48.23 MJ/Nm3, very similar to that of natural gas (53.71 MJ/Nm3), so it can replace natural gas without causing contaminant effects.
Although hydrogen is the most abundant element in the universe, it is not usually found in its free form on our planet. On Earth, it is found in molecules, with water and methane being the most common. Therefore, it must be split using other forms of energy, such as light, heat, and electricity, as well as their combinations. Because methane is a component of natural gas, oil, or coal, obtaining hydrogen from these fossil fuels is highly polluting. The most appropriate method to avoid this is electrolysis of water, which separates hydrogen and oxygen using an electric current [3]. Conventionally, the electrical energy used in electrolysis is supplied by a rectified AC supply. Therefore, it is well regulated, with the disadvantage of the greenhouse effect it produces during its generation, since a large part of this energy is generated by fossil fuels in coal-fired, thermoelectric, combined-cycle, etc., power plants [4]. An approach to avoid any class of contamination is to use electrical energy from alternative power sources, such as photovoltaic cells or wind generators, combined in microgrids with an electrolyzer [5], as shown in Figure 1.
An electrolyzer is similar to a fuel cell and consists of an anode and a cathode separated by an electrolyte. Currently, four technologies are used for its operation: Alkaline Water Electrolyzer (AWE), Proton Exchange Membrane Electrolyzer (PEMEL), Solid Oxide Electrolyzer (SOE), and Anion Exchange Membrane Water Electrolyzer (AEMWE). The technology on which an AWE is based has been known since the beginning of the last century and is used in large-scale hydrogen production, with an efficiency of around 70%. AWEs use nickel-based catalysts, have a long service life, and have a low investment cost. However, using a high-inertia liquid electrolyte results in slow response to changes, so start-up can take up to 20 min. AWEs are suitable for applications between 10 and 20 MW, but their dynamic behavior makes them unsuitable for renewable energy systems with frequent changes, such as solar irradiance or wind speed.
The PEM electrolyzer [6], introduced in the 1960s by General Electric and operating at around 80% efficiency, is used to produce hydrogen on a small scale. Common anode and cathode materials include platinum, iridium, ruthenium, and platinum on carbon. It is not a low-cost technology, but it is widely commercialized. In this type of electrolyzer, whose operating principle is shown in Figure 2, water reacts at the anode to form oxygen and positive hydrogen ions. Electrons flow through the external circuit, and the hydrogen ions move through the polymer membrane to the cathode. When they arrive, the hydrogen combines with the electrons in the external circuit, producing hydrogen in gaseous form. Due to its thin polymeric membrane, it can handle high-density electric current, respond quickly to dynamic changes, and be connected in series to form a multi-cell electrolyzer, yielding a large-scale hydrogen generator system.
The AEMWE technology [7] combines the best characteristics of AWE and PEM technologies to produce high-purity, low-cost hydrogen. In this class of electrolyzers, a low-concentration alkaline solution is combined with a solid-polymer electrolyte membrane. The anodes are made from Ni foams or titanium, and the cathodes are made from Ni or Ni-Fe. Thus, AEMWE addresses some of the drawbacks of the first- and second-type electrolyzers described earlier. Unfortunately, this technology remains in development and exhibits limitations, including low ionic conductivity and stability, which constrain performance and durability. Reported efficiency ranges from 57% to 69%. Finally, the SOE [8] operates at high temperature; in contrast to a low-temperature electrolyzer, the electricity required to drive the process is significantly reduced, and it uses inexpensive thermal energy or waste heat. The cathode material is made from a mixture of lanthanum strontium manganite and yttrium-stabilized zirconia, and the anode and electrolyte materials are cermets and ceramics, respectively. However, it is not a commercial technology, and further research and development are needed in areas such as catalyst and electrode materials. According to the IRENA report [3], efficiency ranges from 45% to 55%. Thus, at present, PEM electrolyzers are the most suitable technology for interfacing with renewable energy sources due to their dynamic performance and commercial accessibility.
A major drawback of renewable energy sources is their variable output voltage and intermittent power supply to the electrolyzer, which have been documented to affect the electrolyzer’s life cycle [9,10]. Therefore, an efficient interface between renewable energy sources and electrolyzers is necessary, such as a DC-DC converter-based switching regulator [11]. Based on the required output-to-input voltage ratio, the conversion ratios are 4:1 or 6:1. In the technical literature [12], several electrolyzer-compatible topologies, such as conventional buck (BC) or buck–boost converter (BBC), interleaved buck converter (IBC) or buck–boost converters (IBBC), and quadratic buck (QBC) or n-stage buck converters are included. In [13], additionally, the control strategies used, voltage or current control using proportional–integral (PI), proportional–integral–derivative (PID), or sliding-mode control (SMC) for different converter–PEM configurations are compared. In [14], state-space models of fault-tolerant topologies are derived using reconfigurable quadratic buck converters, with the electrolyzer treated as a purely resistive load. Guilbert in [15] presents an interleaved DC-DC buck converter that incorporates a PEM electrolyzer, represented by a dynamic model, as the output load. Other buck converters proposed include interleaved types with continuous current and low-voltage ripple [16] or fault-tolerant control, as developed in [17]. In [18], a combined model of an interleaved step-down converter and a PEM electrolyzer, represented by its static model, is used to develop adaptive sliding-mode control, as in [19], where an integral sliding-mode control is derived for the stacked interleaved step-down converter (SIBC).
This work aims to develop a model that combines a converter and electrolyzer dynamics, enabling the design of control schemes tailored to the set based on the switching regulator’s design parameters. Unlike [15,16,17], a combined model of DC-DC converter and PEM electrolyzer system is proposed, and, in addition to the combined nonlinear static model analyzed by Koundi et al. [18] and Makineni et al. [19]. An experimental RC dynamic model was introduced and experimentally identified, yielding in both cases a switched, nonlinear, and linearized model. A frequency-domain analysis of both was performed, which had not previously been presented in the technical literature, enabling the design of appropriate controllers for the set.
The remainder of the paper is organized as follows: Section 2 describes the electrical models proposed in the current technical literature to represent a PEM electrolyzer. Section 3 presents the mathematical procedure and experimental characterization of an electrolyzer, which enable determination of its behavior and the values of the electrical parameters, as well as a model representing it. In Section 4, the switched linear and linearized average models of the combined QSD converter–PEM electrolyzer system are developed for static and dynamic analysis. In Section 5, the comparative results obtained by simulating their dynamic behavior in the frequency domain are presented. This paper concludes with some final remarks in Section 6.

2. Electrical Models of an Electrolyzer

To understand the interaction between a combined DC-DC converter and a PEM electrolyzer system, it is useful to model the PEM electrolyzer using its electrical circuit. In the technical literature, several models have been proposed. It is important to remember that this model must accurately represent the main characteristics of the electrolyzer while remaining as simple as possible, to avoid complexity that could hinder the subsequent design of the controller.

2.1. Resistive Model

The simplest model, shown in Figure 3, was used to represent an AWE and was later extended to a PEM electrolyzer. In this circuit, V e l stands for the input voltage, i e l to the input current, and R e q u i v to the equivalent resistance based on its static voltage–current characteristics.
The resistance can be carried out by the following relationship [20]:
R e q u i v = v e l R t o t a l / ( v e l V I N T )
where R t o t a l is equal to the sum of activation losses on the anode side and the cathode side, as well as the ohmic losses. The reversible voltage is V I N T .

2.2. Static Equivalent Model

The static model describes the electrical characteristics at steady-state operation, given by the polarization curve. In the technical literature, one of the most useful and accurate suggestions is that of Atlam [21], shown in Figure 4, which predicts hydrogen production with a relative error of less than 2% [13].
In this model, R o h m represents the ohmic resistance, EVL is the excess voltage losses given by E V L = i e l ( E r e v V i ) , where E r e v is the reversible voltage or the minimum thermodynamic potential of a chemical reaction, depending on temperature and pressure, and UP is the useful power for hydrogen generation.
However, the static representation of a PEM electrolyzer suitable for power electronic converters [13] is shown in Figure 5.
V I N T represents the reverse voltage and R t o t a l is given by the following:
R t o t a l = ( v e l V I N T ) / i e l

2.3. Dynamic Model of a PEM Electrolyzer

The above models are static; however, when operating conditions change, a dynamic model of the PEM electrolyzer is preferable. The representation selected, shown in Figure 6, is based on the Randless circuit [13,18], where R m e m stands for the polymer membrane, V I N T is the voltage generator that produces hydrogen, v a c t is the voltage at the terminals of the cathode and anode, and the circuit connection R a C a emulates the anode and cathode losses and their dynamics during a current transient. This model predicts the behavior of the PEM electrolyzer at the current operating density when the contribution of concentration losses is ultralow. It has been found that the latter is very close to a first-order system and similar to that of a fuel cell:
v e l = v a c t + R m e m i e l + V I N T
In [22,23] and several of the models presented in [24,25], cathode and anode dynamics are modeled separately using Randless and Randless Warburg circuits. Also, equivalent electric circuits that allow representation of PEM electrolyzers in two start-up modes and a turn-off mode are presented in [26]. However, in order to preserve the desirable characteristics of a model mentioned at the beginning of this chapter, the model in Figure 5 is selected to represent the dynamic behavior of the PEM electrolyzer in this work. When implementing a controller with these simplified models, techniques such as robust, adaptive, or sliding-mode control can be used to compensate for model inaccuracies.

3. Characterization of the Electrolyzer’s Electrical Parameters

The PEM electrolyzer used in this experimental research is found in the QL-2000 Hydrogen Generator from Saikesaisi Hydrogen Energy Co., Ltd. (Jinan, China). The hydrogen generator is depicted in Figure 7, including a low-pressure metal hydride storage hydrogen and the required instrumentation to operate it. The main features are given in Table 1.
There are two procedures to determine the values of electric elements of the electrolyzer model: In the first one, the electrical equivalent parameters are obtained from experimental Nyquist plots results obtained via the Electrochemical Impedance Spectroscopy (EIS) Test through frequency sweeps at different voltages and currents [25]. The second one, the Current Interruption (CI) technique, is described in [13]. In this work, the CI technique was selected to determine the values of the electrical elements representing the electrolyzer; both static and dynamic response tests were conducted.
Initially, static characteristics were obtained by applying a voltage to the electrolyzer. In this stage, the voltage and current at the electrolyzer terminals were measured, yielding Vel = 14.5 V and Iel = 35 A, corresponding to a power of approximately Pel = 500 W, as shown in Figure 8.
To determine the value of V I N T , the DC voltage applied to the electrolyzer terminals was varied in 0.1 volt increments from 0 volts until current flow was established, then increased in the same manner. The resulting currents are illustrated graphically in Figure 9. For values between 0 and 12 V, there is no current. When a 12.1 V voltage and a 90 mA current are established, the current increases gradually.
From this result, it is found that V I N T = 12.1 V, and using the relationship R t o t a l = ( v e l V I N T / i e l ) , the R t o t a l value for the static model at a power of 500 W is 0.06857Ω. Later, the transient and steady-state responses of the dynamic model were measured on a test bench to determine the parameters of the PEM electrolyzer shown in Figure 10.
Now, the R a C a connection plus R m e m is studied in the frequency domain using Laplace transforms. The equivalent electrical circuit impedance of this model is given by the following:
Z T ( s ) = R a R a C a s + 1 + R m e m
When a current step is applied to the PEM electrolyzer’s input, the corresponding output voltage can be expressed as follows:
V e l ( s ) = I e l ( s ) s z e l ( s ) = I e l ( s ) s ( R a + R m e m ) 1 + R m e m R a C a s R a + R m e m R a C a s + 1
Now, using the initial value theorem of the Laplace transform on the last expression results in the following:
v e l ( t 0 + ) i e l ( t 0 + ) = R m e m
The value of R m e m is obtained from the transition observed in Figure 11, resulting in Rmem = 0.0046 Ω. From Figure 10, it is possible to obtain the parameters of the RC circuit; given that R t o t a l = ( R a + R m e m ) , it is found that R a = 0.0639 Ω.
In the behavior of a first-order RC system, the slope of the response is given by the relationship 1 / τ = s l o p e . By obtaining the slope of the curve for the first section of the exponential response, a time constant τ = R a C a = 0.104 is found, and then the value of the capacitance C a = 1.6536   F is obtained.

4. Static and Dynamic Models of the Combined QSD Converter–PEM Electrolyzer System

As indicated in the introduction, the converter used as an interface between the renewable source and the PEM electrolyzer must have a wide conversion ratio. By analyzing the topologies mentioned in Section 2, it is found that a one-stage buck or buck–boost converter has a simple structure and is not very complex to control, but, as a drawback, its conversion ratio is very limited, and its power-handling capacity is limited as well. As for interleaved or parallel step-down converters, although they can handle high currents and power, their application is limited by their linear conversion range. Using more than one switch also makes them difficult to control. In this latter aspect, nonlinear techniques are typically used, which are more complex to implement than linear ones. Finally, although the quadratic step-down converter can handle moderate currents, it provides non-pulsating input and output currents with a high reduction ratio, making it very suitable for applications that require a high conversion ratio and avoid the use of intermediate reduction stages, which increase system efficiency. As it normally has only one active switch, its control is simpler, and it is even possible to implement it using linear techniques with very good results.
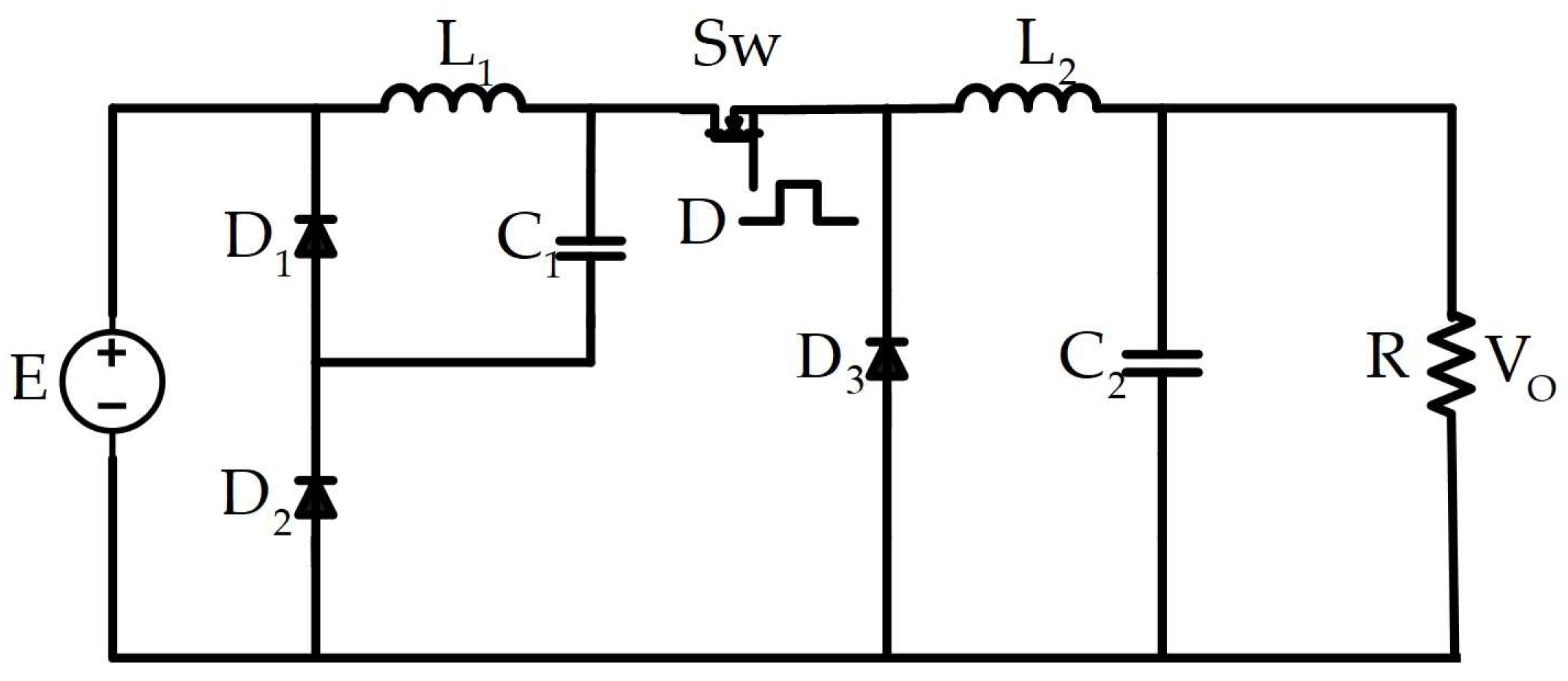
Therefore, the proposed converter to be used as an interface should be a QSD converter with a single active switch [27], as shown in Figure 12.
In this electrical diagram, E represents the DC voltage source, the output voltage V O , and the diodes are D 1 to D 3 , and the converter’s inductors and capacitors are L 1 , L 2 , C 1 , C 2 . The active switch is Sw, the nominal duty cycle is D, and R represents the converter’s load. For this converter, the relationship between output and input voltage is given by V O = D 2 E . To obtain a comparison of dynamic behavior that allows selection of the most appropriate representation of the combined CSD converter–PEM electrolyzer assembly, which will subsequently be used as the basis for proposing a suitable regulator for its operation, two models are developed.
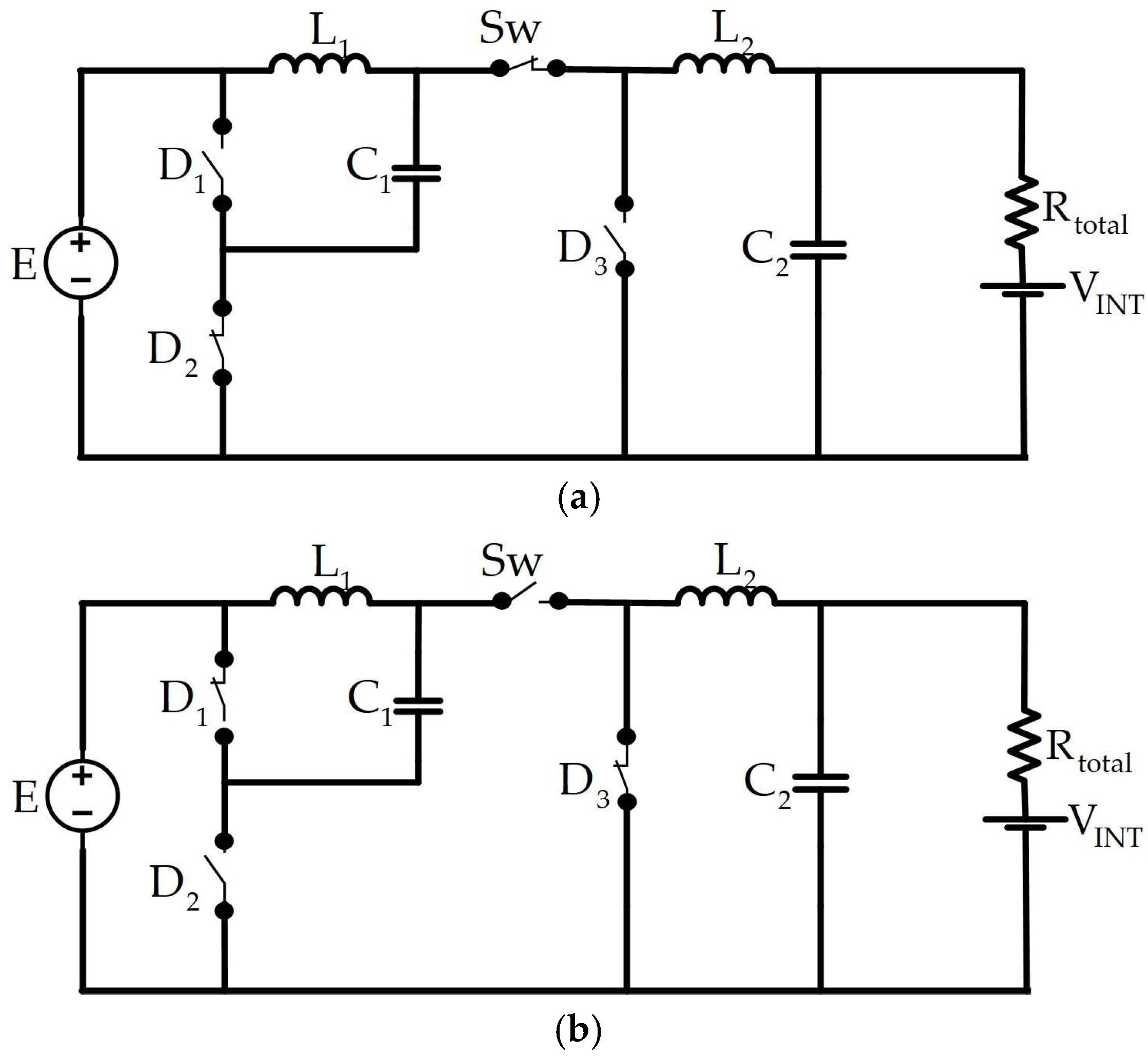
In the first case, the PEM electrolyzer is modeled as a converter load using its static model, as shown in Figure 13. In this representation, there are four state-space variables: the current of inductors i L 1 and i L 2 , and the voltage of capacitors v C 1 and v C 2 . Initially, the switched state-space model was obtained by applying Kirchhoff’s voltage and current laws to the electrical paths that result when the converter’s active switch is ON and OFF, as shown in Figure 14, and by defining a binary switching function q which has a value of 1 when the switch is turned ON and a value of 0 when it is turned OFF.
The resulting bilinear switched model is as follows:
i ˙ L 1 i ˙ L 2 v ˙ C 1 v ˙ C 2 = 0 0 1 L 1 0 0 0 q 1 L 2 1 C 1 q C 1 0 0 0 1 C 2 0 1 R t o t a l C 2 i L 1 i L 2 v C 1 v C 2 + q L 1 0 0 0 0 0 0 1 R t o t a l C 2 e v I N T
Then, based on this model, the average model of the combined QBC-PEM electrolyzer system is obtained. The main objective of the averaging technique is to find an approximate circuit that allows the average local behavior of the circuit variables to be analyzed, even during a transient, a condition with non-periodic characteristics. It provides important information about the operation of a converter at both DC and low frequencies, ignoring ripple, switching, and any other fast effects. Even when ripple is not present in the averaged output, this average is very useful for determining transient response and steady-state regulation. The average model also allows tracking large-scale changes in source and load voltages and currents, changes in control inputs, and robustness studies under component parameter variations.
By using the average value of the switching function q represented by the duty cycle d, as well as the average value of each state variable represented by a superscript “¯” [28], a matrix system of the form as follows:
x ¯ ˙ = A ¯ ( d ) x + B ¯ ( d ) ( e + v I N T )
is obtained, where x ϵ R4 is the state vector, e is the input voltage, Ā is a 4 × 4 matrix, and d(t) is the duty cycle. As shown, both the state and the input are multiplied by the duty ratio, rendering the resulting system nonlinear, as follows:
i ¯ ˙ L 1 i ¯ ˙ L 2 v ¯ ˙ C 1 v ¯ ˙ C 2 = 0 0 1 L 1 0 0 0 d 1 L 2 1 C 1 d C 1 0 0 0 1 C 2 0 1 R t o t a l C 2 i ¯ L 1 i ¯ L 2 v ¯ C 1 v ¯ C 2 + d L 1 0 0 0 0 0 0 1 R t o t a l C 2 e ¯ v ¯ I N T
These models can be linearized about the operating point corresponding to the steady-state values given by (10)–(13). The procedure is as follows. The input voltage, control signal, and four state variables are separated into two parts: the nominal average values, denoted by upper-case letters, and variations from their nominal values, denoted by lower-case letters with a superscript “~”.
I L 1 = D I e l
I L 2 = I e l = D 2 E R t o t a l
V C 1 = E D
V C 2 = D 2 E = V e l
The resulting average linear model is given by the following:
i ˜ ˙ L 1 i ˜ ˙ L 2 v ˜ ˙ C 1 v ˜ ˙ C 2 = 0 0 1 L 1 0 0 0 D L 2 1 L 2 1 C 1 D C 1 0 0 0 1 C 2 0 1 R t o t a l C 2 i ˜ L 1 i ˜ L 2 v ˜ C 1 v ˜ C 2 + E L 1 D E L 1 D 2 E R t o t a l C 1 0 d ˜
Also, the ripple of current and voltage in inductors and capacitors, represented by Δ I L n and Δ V C n , allow us to design the appropriate values of the converter according to the following expressions:
Δ I L 1 = E D ( 1 D ) L 1 f S
Δ I L e l = E D 2 ( 1 D ) L 2 f S
Δ V C 1 = E D 3 ( 1 D ) R C 1 f S
Δ V e l = D 2 E ( 1 D ) 8 L 2 C 2 f S 2
where f s is the switching frequency, and the voltage across the switching devices is negligible.
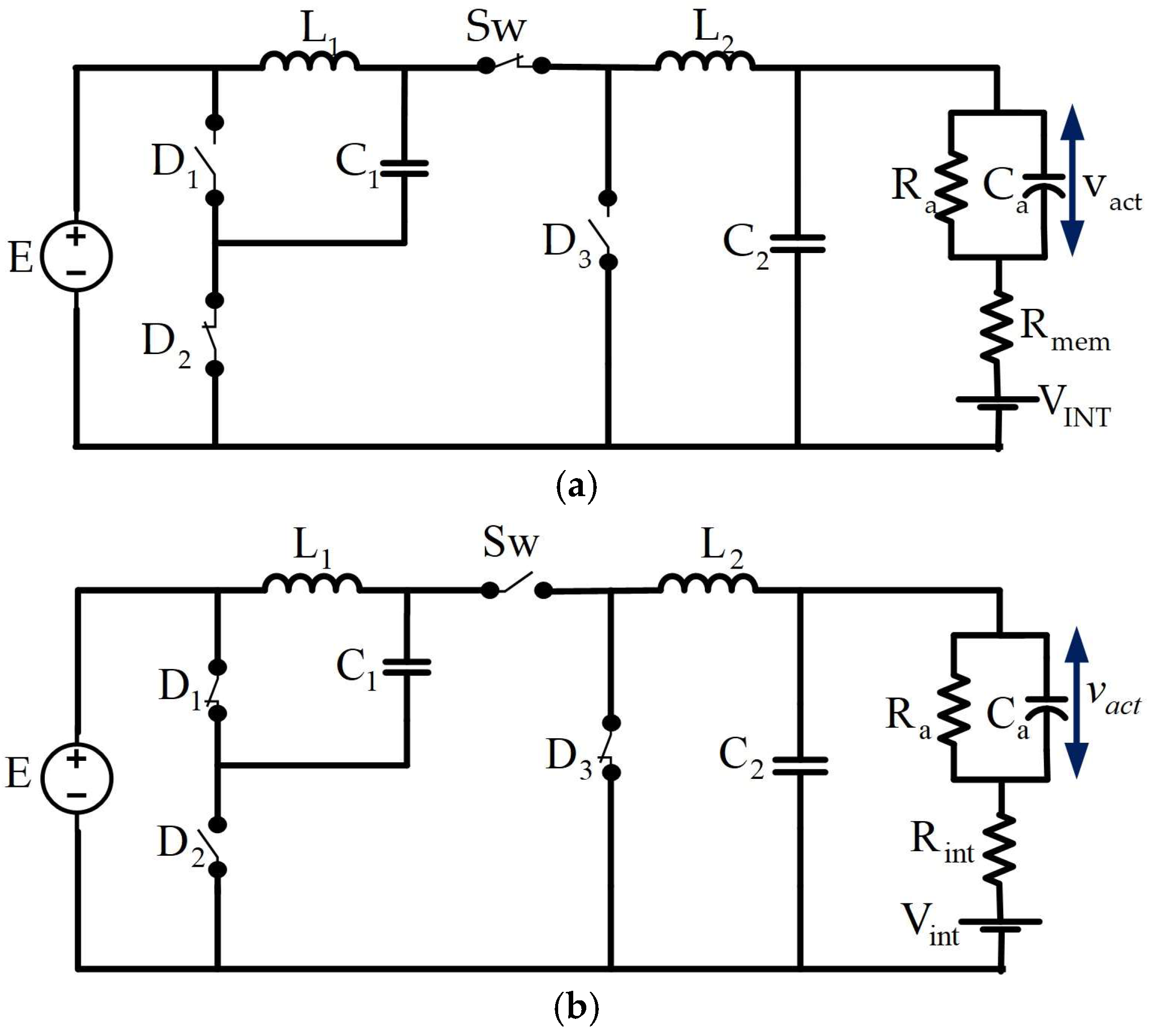
In the second proposed option, the equivalent dynamic model of the PEM electrolyzer serves as the load, as shown in Figure 15.
In this representation, there are five state-space variables: the current of inductors i L 1 and i L 2 , the voltage of capacitors v C 1 and v C 2 , as well as the voltage applied to activate the anode v a c t . The procedure described in the former was applied to the combined QSD converter–PEM electrolyzer, with the active switch ON and OFF, as shown in Figure 16.
The resulting bilinear switched model is as follows:
i ˙ L 1 i ˙ L 2 v ˙ C 1 v ˙ C 2 v ˙ a c t = 0 0 1 L 1 0 0 0 0 q L 2 1 L 2 0 1 C 1 q C 1 0 0 0 0 1 C 2 0 1 R m e m C 2 1 R m e m C 2 0 0 0 1 R m e m C a 1 k C a i L 1 i L 2 v C 1 v C 2 v a c t + q L 1 0 0 0 0 0 0 1 R m e m C 2 0 1 R m e m C a e v I N T
where k = ( R m e m R a ) / ( R m e m + R a ) is the parallel connection of R m e m and R a , with R m e m + R a = R t o t a l .
Meanwhile, the nonlinear model is given as follows:
i ¯ ˙ L 1 i ¯ ˙ L 2 v ¯ ˙ C 1 v ¯ ˙ C 2 v ¯ ˙ a c t = 0 0 1 L 1 0 0 0 0 d L 2 1 L 2 0 1 C 1 d C 1 0 0 0 0 1 C 2 0 1 R m e m C 2 1 R m e m C 2 0 0 0 1 R m e m C a 1 k C a i ¯ L 1 i ¯ L 2 v ¯ C 1 v ¯ C 2 v ¯ a c t + d L 1 0 0 0 0 0 0 1 R m e m C 2 0 1 R m e m C a e ¯ v ¯ I N T
This model can be linearized around the operating point given by the steady-state values:
I L 1 = D I L 2
I L 2 = D 2 E V I N T R m e m 1 R a R t o t a l
V C 1 = D E
V C 1 = D 2 E = V e l
V A C T = ( D 2 E V I N T ) k R m e m .
The resulting linear system is given by the following:
i ˜ ˙ L 1 i ˜ ˙ L 2 v ˙ ˜ ˙ C 1 v ˙ ˜ ˙ C 2 v ˙ ˜ ˙ a c t = 0 0 1 L 1 0 0 0 0 D L 2 1 L 2 0 1 C 1 D C 1 0 0 0 0 1 C 2 0 1 R m e m C 2 1 R m e m C 2 0 0 0 1 R m e m C a 1 k C a i ˜ L 1 i ˜ L 2 v ˜ C 1 v ˜ C 2 v ˜ a c t + E L 1 V C 1 L 2 I L 2 C 1 0 0 d ˜
Also, the ripple of current and voltage of inductors and capacitors, represented by Δ I L n and Δ V C n , allows the appropriate values of the converter to be calculated using the following expressions:
Δ I L 1 = E D ( 1 D ) L 1 f S
Δ I L 2 = E D 2 ( 1 D ) L 2 f S
Δ V C 1 = E D ( 1 D ) C 1 f S D 2 E R a + R m e m R a V I N T R m e m ( R a + R m e m )
Δ V C 2 = D 2 E ( 1 D ) 8 L 2 C 2 f S 2 .
Using the state-space representation, it is possible to define the electrolyzer current, which is the main variable to control, and it is given as follows:
i e l = i L 2 C 2 d v C 2 d t
where v C 2 = v e l .
Laplace transforms were applied to the linear models in (14) and (20) to analyze the dynamic behavior of the combined QSD converter–PEM electrolyzer. The analysis focuses on the transfer functions that relate the electrolyzer current to the duty ratio, which take the following form:
v ˜ e l ( s ) d ˜ ( s ) = b m s m + b 1 s + b 0 a n s n + a n 1 s n 1 + + a 1 s + a 0
i ˜ L 2 ( s ) d ˜ ( s ) = c i s i + c i 1 s i 1 + + c 1 s + c 0 a n s n + a n 1 s n 1 + + a 1 s + a 0
i ˜ e l ( s ) d ˜ ( s ) = i ˜ L 2 ( s ) d ˜ ( s ) C 2 s v ˜ e l ( s ) d ˜ ( s )
where an, bm, and ci are the coefficients of the static and dynamic model transfer functions, with i = 2, m = 3, and n = 4 for the static model and i = 3, m = 4, and n = 5 for the dynamic model. The expressions for the coefficients are too large to include, so they are omitted due to space limitations; however, numerical results are shown in Section 5. Based on these results, the three functions are stable and exhibit non-minimum-phase behavior, as they have zeros on the right-hand side (RHS) of the s-plane.
The single-state buck converter is minimum-phase; however, in the QSD converter, when the active switch is OFF, the source forms a circuit independent of the load. So, an increase in duty cycle that demands more voltage results in an initial decrease in the output voltage, creating non-minimum-phase behavior. Due to the RHP zeros, the maximum achievable bandwidth for stability is limited, leading to a slow controller response. This condition also causes high sensitivity to load variations and components that affect regulation, and a high tendency to oscillation. For control purposes, when this type of transfer function is fed back into a closed-loop system, it may lead to instability. The transfer function i ˜ L 1 ( s ) / d ˜ ( s ) was also obtained:
i ˜ L 1 ( s ) d ˜ ( s ) = f j s j + f j 1 s j 1 + + f 1 s + f 0 a n s n + a n s n 1 + + a 1 s + a 0
where fj are the coefficients of transfer functions, with j = 3 for the numerator terms of the static model transfer function, and j = 4 for the dynamic model. This transfer function has the same denominator as (32), (33), and (34), but differs in that it exhibits minimum-phase behavior. For this reason, i L 1 is a suitable feedback variable for implementing a control system.

5. Comparative Analysis of Static and Dynamic Models

Based on the electrolyzer parameter values in Section 2 (Table 2), the steady-state conditions and appropriate electrical elements for the QSD converter were determined for the two proposed models, as shown in Table 3 and Table 4.
Using these values, MATLAB R2024a™ was used to obtain the Bode diagrams of the frequency response and the locations of the zeros and poles of the transfer functions (32)–(35).
The comparative Bode diagram of the transfer function between the electrolyzer voltage and duty ratio is shown in Figure 17 for the combined QSD converter–PEM electrolyzer static and dynamic models. Both functions are stable, with poles at {−136,124.6, −2245.3 ± j 50,245.7, −4839.4} and {−1,617,387.1, −208.4 ± j 49,743.2, −237.4, −189.4}, respectively. The zeros are at {11,111.1 ± j 48,437.9} and {11,123.7 ± j 48,476.6, −107.8}, respectively, indicating non-minimum-phase behavior in both cases.
The comparative Bode diagram of the transfer function for the electrolyzer current to duty ratio was also obtained and is shown in Figure 18. Both functions are stable and have the same pole location. The zeros are located at {11,112.3 ± j 48,439.7} and {11,123.8 ± j 48,477.4, −9.7}, respectively, indicating non-minimum-phase behavior in both cases. If a control scheme is implemented using a single variable, such as the electrolyzer current, instabilities may occur; thus, a two-loop feedback control scheme is necessary.
In this class of schemes, a typical variable selected is the first inductor current, which is also useful for protecting against short circuits. To analyze its dynamic behavior, the comparative Bode diagram of the transfer function for the first inductor current to duty ratio was obtained, as shown in Figure 19.

6. Concluding Remarks

Although several electrolyzer types can produce hydrogen from water, the most suitable for renewable energy applications is the PEM electrolyzer. It is a mature technology that can handle high-density electric currents and respond rapidly to dynamic changes. It can be series-connected to form a multi-cell electrolyzer, yielding a large-scale hydrogen generation system. A model is developed that integrates the dynamics of the QSD converter with those of the PEM electrolyzer, enabling the selection of the most suitable parameters for the subsequent design of the switching regulator. Two electrical models of the PEM electrolyzer are used to represent its behavior. In the first model, a static model, the electrolyzer is represented by a series of connections, including a resistive load that represents the membrane resistance and the resistive losses of the anode and cathode, and a DC electromotive force (reverse voltage). The second model is a dynamic model that adds an RC circuit to the previous circuit to simulate anode and cathode losses and dynamics during current transitions.
The time response of the PEM electrolyzer in the QL-2000 Hydrogen Generator was used to obtain the model parameters. These models can be incorporated into the load model of a single-switch QSD converter, thereby enabling a wide range of DC conversion ratios. By analyzing the electrical paths for active switch ON and OFF, the state-space average switched linear models were obtained. Subsequently, linearization techniques and steady-state operating points were applied to obtain the results. Based on these linear models, the transfer functions were obtained and analyzed using frequency response techniques, finding that both transfer functions, input voltage of the electrolyzer to duty cycle of the converter, and input current of the electrolyzer to duty cycle of the converter, show non-minimum phase behavior. For the controller, it is important to feed back the electrolyzer input current; however, this scheme may cause instability. Another signal appropriate for feedback in a two-loop control scheme is the converter’s first inductor current. The corresponding transfer function exhibits minimum phase behavior. The model of the combined QSD converter–PEM electrolyzer system will be used in subsequent work to implement switching regulators to control the PEM electrolyzer’s input current, enabling the hydrogen generation.

Author Contributions

Conceptualization, M.G.O.-L. and J.L.-R.; methodology, M.G.O.-L. and J.L.-R.; software, M.G.O.-L.; validation, M.G.O.-L. and J.L.-R.; formal analysis, M.G.O.-L.; investigation, L.H.D.-S.; resources, J.L.-R.; data curation, L.H.D.-S.; writing—original draft preparation, M.G.O.-L.; writing—review and editing, J.L.-R.; visualization, M.G.O.-L.; supervision, J.L.-R.; project administration, J.L.-R.; funding acquisition, J.L.-R. All authors have read and agreed to the published version of the manuscript.

Funding

This research was funded by SECIHTI, Mexico, Generación de Hidrogeno Verde Mediante el uso de Reguladores de Corriente Directa a Corriente Directa en Electrolizadores, grant number CBF2023-2024-3979.

Data Availability Statement

The paper contains all necessary data.

Conflicts of Interest

The authors declare no conflicts of interest. The funders had no role in the design of the study; in the collection, analyses, or interpretation of data; in the writing of the manuscript; or in the decision to publish the results.

Abbreviations

The following abbreviations are used in this manuscript:
PEMProton Exchange Membrane
QSDQuadratic step-down

References

  1. International Energy Agency. Energy Technology Perspectives 2023, in Support of the G8 Plan of Action; France Head of Communication and Information Office: Paris, France, 2023. [Google Scholar]
  2. International Renewable Energy Agency. Green Hydrogen for Industry: A Guide for Policy Making; International Renewable Energy Agency: Masdar City, Abu Dhabi, United Arab Emirates, 2022. [Google Scholar]
  3. International Renewable Energy Agency. Green Hydrogen Cost Reduction: Scaling Up Electrolysers to Meet the 1.5 °C Climate Goal; International Renewable Energy Agency: Masdar City, Abu Dhabi, United Arab Emirates, 2020. [Google Scholar]
  4. Guilbert, D.; Vitale, G. Hydrogen as a Clean and Sustainable Energy Vector for Global Transition from Fossil-Based to Zero-Carbon. Clean Technol. 2021, 3, 881–909. [Google Scholar] [CrossRef]
  5. Nasser, M.; Megahed, T.F.; Ookawara, S.; Hassan, H. A review of water electrolysis–based systems for hydrogen production using hybrid/solar/wind energy systems. Environ. Sci. Poll. Res. Int. 2022, 29, 86994–87018. [Google Scholar] [CrossRef] [PubMed]
  6. Carmo, M.; Fritz, D.L.; Mergel, J.; Stolten, D. A comprehensive review on PEM water electrolysis. Int. J. Hydrogen Energy 2013, 38, 384901–384934. [Google Scholar] [CrossRef]
  7. Cho, M.K.; Park, H.-Y.; Lee, H.J.; Kim, H.-J.; Lim, A.; Henkensmeier, D.; Yoo, S.J.; Kim, J.Y.; Lee, S.Y.; Park, H.S.; et al. Alkaline anion exchange membrane water electrolysis: Effects of electrolyte feed method and electrode binder content. J. Power Sources 2018, 382, 22–29. [Google Scholar] [CrossRef]
  8. Rami, S.; El-Emam, R.S.; Özcan, H. Comprehensive review on the techno-economics of sustainable large-scale clean hydrogen production. J. Clean Prod. 2019, 220, 593–609. [Google Scholar] [CrossRef]
  9. Parache, F. Impact of power converter current ripple on the degradation of PEM electrolyzer performances. Membranes 2022, 12, 109. [Google Scholar] [CrossRef]
  10. Weiß, A.; Siebel, A.; Bernt, M.; Shen, T.H.; Tileli, V.; Gasteiger, H.A. Impact of intermittent operation on lifetime and performance of a PEM water electrolyzer. J. Electrochem. Soc. 2019, 166, F487–F497. [Google Scholar] [CrossRef]
  11. Barhoumi, E.M.; Almutairi, S.Z. Challenges in Integrating Electrolyzers into Power Systems: Review of Current Literature and Suggested Solutions. Energies 2025, 18, 6258. [Google Scholar] [CrossRef]
  12. Hassan, A.; Abdel-Rahim, O.; Bajaj, M.; Zaitsev, I. Power Electronics for Green Hydrogen Generation with Focus on Methods, Topologies and Comparative Analysis. Sci. Rep. 2024, 14, 24767. [Google Scholar] [CrossRef]
  13. Koundi, M.; El Fadil, H.; EL Idrissi, Z.; Lassioui, A.; Intidam, A.; Bouanou, T.; Nady, S.; Rachid, A. Investigation of Hydrogen Production System-Based PEM EL: PEM EL Modeling, DC/DC Power Converter, and Controller Design Approaches. Clean Technol. 2023, 5, 531–568. [Google Scholar] [CrossRef]
  14. Gorji, S.A. Reconfigurable Quadratic Converters for Electrolyzers Utilized in DC Microgrids. IEEE Access 2022, 10, 109677–110968. [Google Scholar] [CrossRef]
  15. Guilbert, D. Hydrogen Flow Rate Control of a Proton Exchange Membrane Electrolyzer. In Proceedings of the Research, Invention, and Innovation Congress (RI2C), Bangkok, Thailand, 11–13 December 2019; pp. 1–6. [Google Scholar]
  16. Guo, X.; Zhang, S.; Liu, Z.; Sun, L.; Lu, Z.; Hua, C.; Guerrero, J.M. A new multi-mode fault-tolerant operation control strategy of multiphase stacked interleaved Buck converter for green hydrogen production. Int. J. Hydrog Energy 2022, 47, 30359–30370. [Google Scholar] [CrossRef]
  17. Esteki, M.; Poorali, B.; Adib, E.; Farzanehfard, H. Interleaved Buck Converter with Continuous Input Current, Extremely Low Output Current Ripple, Low Switching Losses, and Improved Step-Down Conversion Ratio. IEEE Trans. Ind. Electron. 2015, 62, 4769–4776. [Google Scholar] [CrossRef]
  18. Koundi, M.; El Fadil, H.; Lassioui, A.; El Asri, Y. Adaptive Sliding Mode Control of an Interleaved Buck Converter–Proton Exchange Membrane Electrolyzer for a Green Hydrogen Production System. Processes 2025, 13, 795. [Google Scholar] [CrossRef]
  19. Makineni, R.R.; Agalgaonkar, A.P.; Muttaqi, K.M.; Islam, M.R.; Sutanto, D. Integral Sliding Mode Control of a Stacked Interleaved Buck Converter for Electrolyzers Supplied with Renewable Energy Sources. IEEE Trans. Ind. Appl. 2025, 61, 450–462. [Google Scholar] [CrossRef]
  20. Yodwong, B.; Guilbert, D.; Kaewmanee, W.; Phattanasak, M. Energy Efficiency Based Control Strategy of a Three-Level Interleaved DC-DC Buck Converter Supplying a Proton Exchange Membrane Electrolyzer. Electronics 2019, 8, 933. [Google Scholar] [CrossRef]
  21. Atlam, O. An experimental and modelling study of a photovoltaic/proton-exchange membrane electrolyser system. Int. J. Hydrogen Energy 2009, 34, 6589–6595. [Google Scholar] [CrossRef]
  22. Yodwong, B.; Guilbert, D.; Phattanasak, M.; Kaewmanee, W.; Hinaje, M.; Vitale, G. Proton Exchange Membrane Electrolyzer Modeling for Power electronics Control: A Short Review. C 2020, 6, 29. [Google Scholar] [CrossRef]
  23. Guilbert, D.; Vitale, G. Dynamic Emulation of a PEM Electrolyzer by Time Constant Based Exponential Model. Energies 2019, 12, 750. [Google Scholar] [CrossRef]
  24. El Assal, H.; Camara, M.-B.; Guilbert, D. Advances in Electrolyzer Emulators: A Comprehensive Review. Electronics 2025, 14, 4576. [Google Scholar] [CrossRef]
  25. Yodwong, B.; Guilbert, D.; Hinaje, M.; Phattanasak, M.; Kaewmanee, W.; Vitale, G. Proton Exchange Membrane Electrolyzer Emulator for Power Electronics Testing Applications. Processes 2021, 9, 498. [Google Scholar] [CrossRef]
  26. He, M.; Nie, G.; Yang, H.; Li, B.; Zhou, S.; Wang, X.; Meng, X. A generic equivalent circuit model for PEM electrolyzer with multi-timescale and stages under multi-mode control. Appl. Energy 2024, 359, 122728. [Google Scholar] [CrossRef]
  27. Morales-Saldana, J.A.; Leyva-Ramos, J.; Carbajal-Gutierrez, E.E.; Ortiz-Lopez, M.G. Average Current-Mode Control Scheme for a Quadratic Buck Converter with a Single Switch. IEEE Trans. Power Electron. 2008, 1, 485–490. [Google Scholar] [CrossRef]
  28. Kassakian, J.G.; Perreault, D.J.; Verghese, G.C.; Schlecht, M.F. Principles of Power Electronics, 2nd ed.; Cambridge University Press: Cambridge, UK, 2024; pp. 323–329. [Google Scholar]
Figure 1. Microgrid to power an electrolyzer.
Figure 1. Microgrid to power an electrolyzer.
Energies 19 01308 g001
Figure 2. The reaction in a polymeric membrane (Proton Exchange Membrane, PEM) electrolyzer that splits water into hydrogen and oxygen using electricity.
Figure 2. The reaction in a polymeric membrane (Proton Exchange Membrane, PEM) electrolyzer that splits water into hydrogen and oxygen using electricity.
Energies 19 01308 g002
Figure 3. Resistive equivalent electrical circuit of a PEM electrolyzer.
Figure 3. Resistive equivalent electrical circuit of a PEM electrolyzer.
Energies 19 01308 g003
Figure 4. Atlam equivalent static PEM electrolyzer model [20].
Figure 4. Atlam equivalent static PEM electrolyzer model [20].
Energies 19 01308 g004
Figure 5. Equivalent static PEM electrolyzer model.
Figure 5. Equivalent static PEM electrolyzer model.
Energies 19 01308 g005
Figure 6. Equivalent dynamic PEM electrolyzer model.
Figure 6. Equivalent dynamic PEM electrolyzer model.
Energies 19 01308 g006
Figure 7. The hydrogen generator with additional instrumentation.
Figure 7. The hydrogen generator with additional instrumentation.
Energies 19 01308 g007
Figure 8. Signals from the electrolyzer: (top) the voltage vel (y-axis: 5 V/div) and (bottom) the current iel (y-axis: 10 A/div) (x-axis: time, 10 ms/div).
Figure 8. Signals from the electrolyzer: (top) the voltage vel (y-axis: 5 V/div) and (bottom) the current iel (y-axis: 10 A/div) (x-axis: time, 10 ms/div).
Energies 19 01308 g008
Figure 9. Voltage Vel and current Iel behavior of the electrolyzer.
Figure 9. Voltage Vel and current Iel behavior of the electrolyzer.
Energies 19 01308 g009
Figure 10. PEM electrolyzer of the hydrogen generator.
Figure 10. PEM electrolyzer of the hydrogen generator.
Energies 19 01308 g010
Figure 11. Dynamical response of the electrolyzer to step changes in input current: (top) electrolyzer voltage v e l ( t ) (y-axis: 2.5 V/div), and (bottom) electrolyzer current i e l ( t ) (y-axis: 5 A/div) (x-axis: time, 400 ms/div).
Figure 11. Dynamical response of the electrolyzer to step changes in input current: (top) electrolyzer voltage v e l ( t ) (y-axis: 2.5 V/div), and (bottom) electrolyzer current i e l ( t ) (y-axis: 5 A/div) (x-axis: time, 400 ms/div).
Energies 19 01308 g011
Figure 12. Quadratic step-down converter with a single switch and a resistive load.
Figure 12. Quadratic step-down converter with a single switch and a resistive load.
Energies 19 01308 g012
Figure 13. Electrical circuit of the combined QSD converter with a PEM electrolyzer represented by its static model.
Figure 13. Electrical circuit of the combined QSD converter with a PEM electrolyzer represented by its static model.
Energies 19 01308 g013
Figure 14. Electrical paths for the QSD converter: (a) active switch ON, (b) active switch OFF.
Figure 14. Electrical paths for the QSD converter: (a) active switch ON, (b) active switch OFF.
Energies 19 01308 g014
Figure 15. Electrical circuit of the combined QSD converter with a PEM electrolyzer represented by its dynamic model.
Figure 15. Electrical circuit of the combined QSD converter with a PEM electrolyzer represented by its dynamic model.
Energies 19 01308 g015
Figure 16. Electrical paths for (a) active switch ON, (b) active switch OFF.
Figure 16. Electrical paths for (a) active switch ON, (b) active switch OFF.
Energies 19 01308 g016
Figure 17. Comparative Bode diagrams of the transfer function v ˜ e l ( s ) / d ˜ ( s ) : static model (blue) anddynamic model (red).
Figure 17. Comparative Bode diagrams of the transfer function v ˜ e l ( s ) / d ˜ ( s ) : static model (blue) anddynamic model (red).
Energies 19 01308 g017
Figure 18. Comparative Bode diagrams of the transfer function i ˜ e l ( s ) / d ˜ ( s ) : dynamic model (red) and static model (blue).
Figure 18. Comparative Bode diagrams of the transfer function i ˜ e l ( s ) / d ˜ ( s ) : dynamic model (red) and static model (blue).
Energies 19 01308 g018
Figure 19. Comparative Bode diagrams of the transfer function i ˜ L 1 ( s ) / d ˜ ( s ) : dynamic model (red) andstatic model (blue). Both functions are stable, with pole locations matching those of the other transfer functions. The zeros are at {−136,940.6, −15,368.1 ± 51,095.7} and {−1,617,387.5, −11,540.1 ± j 48,588.7, −10.4}, respectively, ensuring minimum-phase behavior in both cases. Thus, the first inductor current is a suitable feedback variable in a two-loop control scheme.
Figure 19. Comparative Bode diagrams of the transfer function i ˜ L 1 ( s ) / d ˜ ( s ) : dynamic model (red) andstatic model (blue). Both functions are stable, with pole locations matching those of the other transfer functions. The zeros are at {−136,940.6, −15,368.1 ± 51,095.7} and {−1,617,387.5, −11,540.1 ± j 48,588.7, −10.4}, respectively, ensuring minimum-phase behavior in both cases. Thus, the first inductor current is a suitable feedback variable in a two-loop control scheme.
Energies 19 01308 g019
Table 1. Technical parameters of QL-2000 hydrogen generator.
Table 1. Technical parameters of QL-2000 hydrogen generator.
ParameterValue
H2 flow rate0–2000 cc/min
H2 purity>99.9995%
Output pressure0.2–4.0 bar
Dew point−65 °C
Input power<1 kW
Voltage connected to the grid110–220 V AC, 50–60 Hz
Water tank capacity6.0 L
MembraneNafion PFSA membrane
Generating unit number2
Table 2. Parameters of QSD converter–PEM electrolyzer.
Table 2. Parameters of QSD converter–PEM electrolyzer.
ParameterValue
E48 V
Vel14.5 V
Iel35 A
Vint12.1 V
Rtotal0.06875 Ω
Rmem0.00618 Ω
Ra0.06239 Ω
Ca1.6536 F
D0.55
fS100 KHz
L1, L2 ripple25%
C2 ripple1%
Table 3. Steady-state calculated values of the converter.
Table 3. Steady-state calculated values of the converter.
ParameterValue Static ModelValue Dynamic Model
VC126.4 V26.4 V
Vc2 = Vel14.2 V14.5 V
IL119.3 A19.38 A
IL235.1 A35.24 A
Vact 2.2 V
Table 4. Electric elements of the QSD converter.
Table 4. Electric elements of the QSD converter.
ElementStatic and Dynamic Models
Inductor L124.5 μH
Inductor L27.41 μH
Capacitor C133.45 μF
Capacitor C2100 μF
Disclaimer/Publisher’s Note: The statements, opinions and data contained in all publications are solely those of the individual author(s) and contributor(s) and not of MDPI and/or the editor(s). MDPI and/or the editor(s) disclaim responsibility for any injury to people or property resulting from any ideas, methods, instructions or products referred to in the content.

Share and Cite

MDPI and ACS Style

Leyva-Ramos, J.; Ortiz-Lopez, M.G.; Diaz-Saldierna, L.H. Modeling of a Combined PEM Electrolyzer and Quadratic Step-Down Converter for the Generation of Green Hydrogen. Energies 2026, 19, 1308. https://doi.org/10.3390/en19051308

AMA Style

Leyva-Ramos J, Ortiz-Lopez MG, Diaz-Saldierna LH. Modeling of a Combined PEM Electrolyzer and Quadratic Step-Down Converter for the Generation of Green Hydrogen. Energies. 2026; 19(5):1308. https://doi.org/10.3390/en19051308

Chicago/Turabian Style

Leyva-Ramos, Jesús, Ma. Guadalupe Ortiz-Lopez, and Luis Humberto Diaz-Saldierna. 2026. "Modeling of a Combined PEM Electrolyzer and Quadratic Step-Down Converter for the Generation of Green Hydrogen" Energies 19, no. 5: 1308. https://doi.org/10.3390/en19051308

APA Style

Leyva-Ramos, J., Ortiz-Lopez, M. G., & Diaz-Saldierna, L. H. (2026). Modeling of a Combined PEM Electrolyzer and Quadratic Step-Down Converter for the Generation of Green Hydrogen. Energies, 19(5), 1308. https://doi.org/10.3390/en19051308

Note that from the first issue of 2016, this journal uses article numbers instead of page numbers. See further details here.

Article Metrics

Back to TopTop