Calculation Method and Characteristic Analysis of Short-Circuit Current for Grid-Forming VSGs Under Symmetrical Faults
Abstract
1. Introduction
- Lack of methods tailored for grid-forming VSG architecture: Conventional short-circuit current analytical methods developed for grid-following inverters cannot be directly applied to VSG-based systems due to fundamental differences in control philosophy. VSGs emulate synchronous generator behavior through virtual inertia and damping, involving complex coordination among power control loops, voltage–current dual loops, and virtual inertia regulation. This gap makes research on fault current calculation for grid-forming renewable energy/storage systems particularly important and urgent.
- Incomplete consideration of virtual impedance: In existing analytical studies on grid-forming short-circuit current calculation, very few papers have fully incorporated the virtual impedance loop in their derivations. Virtual impedance, which emulates the synchronous reactance of synchronous generators, significantly influences both the operational stability and fault current characteristics of VSGs, yet its effects have not been systematically quantified in analytical expressions.
- Neglect of PI terms in dual-loop control: Previous studies have not fully addressed the influence of proportional–integral terms in the dual-loop voltage control when deriving fault current expressions, limiting the accuracy and comprehensiveness of existing analytical models.
- Analytical method specifically tailored for grid-forming VSG architecture: We develop a short-circuit current calculation approach that accounts for the unique characteristics of VSG control.
- Incorporation of virtual impedance: Our derivation explicitly incorporates virtual resistance Rv and virtual inductance Lv in the differential equation model, with detailed presentation of the equivalent modeling process.
- Complete modeling of PI terms in dual-loop control: We fully account for the proportional–integral parameters (Kp, Ki) of both voltage and current loops in the analytical derivation, providing a more comprehensive model.
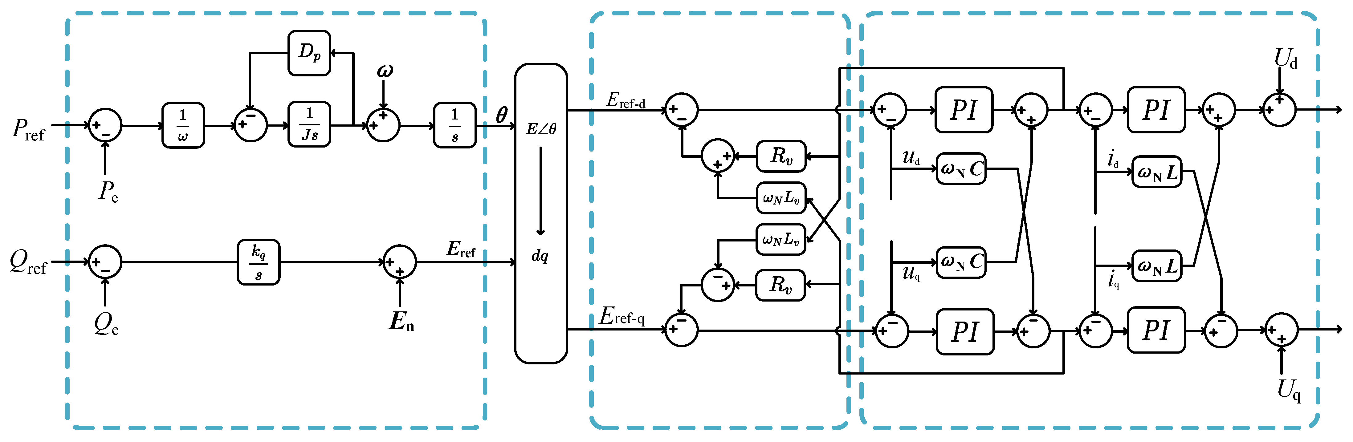
2. The Fundamental Principle of VSG-Controlled Grid-Forming Inverters
3. Analytical Calculation of VSG Fault Current
3.1. Solving Idea of VSG Short-Circuit Current
3.2. Establishment of the Relationship Equation Between Current and Internal VEMP
- ①
- Neglect the decay of the excitation term in the transient component.
- ②
- Uniformly use the power angle during the fault occurrence stage, taken as δ = δ0.
3.3. The Establishment and Calculation of the VEMP Magnitude
3.4. Calculation of the Analytical Expression for Fault Current
3.5. Analysis of Fault Short-Circuit Current Characteristics in VSG
4. Simulation Verification of the Fault Current Analytical Expression
4.1. Validation Under 0.45 pu Voltage Dip
4.2. Validation Under 0.2 pu Voltage Dip and Robustness Analysis
5. Conclusions
Author Contributions
Funding
Data Availability Statement
Conflicts of Interest
References
- Qin, S.; Qi, C.; Li, S.; Zhang, X.; Wang, R.; Dai, L. Review of the voltage source grid forming wind turbine. Proc. CSEE 2023, 43, 1314–1334. [Google Scholar]
- Liu, B.; Chen, Z.; Zhou, T.; Li, Y.; Wang, Y. Review and prospects on equivalent inertia estimation, requirement, and optimization for new type power systems. High Volt. Eng. 2025, 51, 1251–1268. [Google Scholar]
- Zhu, J.; Luo, H.; Yu, L.; Xu, S.; Guo, L.; Deng, Z. Modern power system inertia frequency sensing and control technology outlook across Cloud-Grid-Terminal. High Volt. Eng. 2024, 50, 3090–3104. [Google Scholar]
- Li, G.; Liu, X.; Xin, Y.; Jiang, T.; Yan, K.; Wang, T. Research on frequency stability of power system with high penetration renewable energy: A review. High Volt. Eng. 2024, 50, 1165–1181. [Google Scholar]
- Hesse, R.; Turschner, D.; Beck, H.P. Micro grid stabilization using the virtual synchronous machine (VISMA). Renew. Energy Power Qual. J. 2009, 1, 676–681. [Google Scholar]
- Liu, H.; Yu, S.; Sun, D.; Wu, L.; Li, Y.; Wang, X. An overview of control technologies and principles for grid-forming converters. Proc. CSEE 2025, 45, 277–297. [Google Scholar]
- Saffar, K.G.; Driss, S.; Ajaei, F.B. Impacts of Current Limiting on the Transient Stability of the Virtual Synchronous Generator. IEEE Trans. Power Electron. 2023, 38, 1509–1521. [Google Scholar] [CrossRef]
- Zheng, T.; Chen, L.; Chen, T.; Mei, S. Review and prospect of virtual synchronous generator technologies. Autom. Electr. Power Syst. 2015, 39, 165–175. [Google Scholar]
- Peng, F.; Gao, H.; Guo, Y.; Fang, Y.; Song, H.; Luo, R.; Xu, B. A review of fault ride-through control strategies of grid-forming inverter-based resources and the Influence on protection. Power Syst. Technol. 2024, 48, 3673–3685. [Google Scholar]
- Jiang, W.; Hu, P.; Yin, R.; Hu, X.; Jiang, D.; Liang, Y. Transient stability analysis and hybrid synchronization control strategy of converter based on virtual synchronous generator. Autom. Electr. Power Syst. 2021, 45, 124–133. [Google Scholar]
- Hooshyar, H.; Baran, M.E. Fault analysis on distribution feeders with high penetration of PV systems. IEEE Trans. Power Syst. 2013, 28, 2890–2896. [Google Scholar] [CrossRef]
- Yin, X.; Zhang, Z.; Xiao, F.; Yang, H.; Yang, Z. Study on short-circuit calculation model of distributed generators and fault analysis method of power system with distributed generators. Power Syst. Prot. Control 2015, 43, 1–9. [Google Scholar]
- Bi, T.; Liu, S.; Xue, A.; Yang, Q. Fault characteristics of inverter interfaced renewable energy sources. Proc. CSEE 2013, 33, 165–171. [Google Scholar]
- Liu, S.; Bi, T.; Wang, X.; Yang, G.; Xue, A.; Yang, Q. Fault current characteristics of inverter interfaced renewable energy generators with asymmetrical fault ride through capability. Autom. Electr. Power Syst. 2016, 40, 66–73. [Google Scholar]
- Jia, K.; Hou, L.; Liu, Q.; Fang, Y.; Zheng, L.; Bi, T. Analytical calculation of transient current from an inverter interfaced renewable energy. IEEE Trans. Power Syst. 2022, 37, 1554–1563. [Google Scholar] [CrossRef]
- Chang, Z.; Yang, Z.; Song, G.; Huang, W.; Ku, Y.; Su, G.; Wang, X. Analysis on asymmetric fault current characteristics of inverter interfaced distributed generator under positive sequence and negative sequence current respective control strategy. Electr. Power Autom. Equip. 2018, 38, 44–51. [Google Scholar]
- Li, B.; Zhong, Q.; Wen, W.; Li, B.; Chen, X. Calculation method and characteristic analysis for fault current of permanent magnet direct-drive wind power system considering positive and negative sequence decomposition. Int. Trans. Electr. Energy Syst. 2024, 2024, 2794393. [Google Scholar] [CrossRef]
- Wang, L.; Gao, H.; Zou, G. Modeling methodology and fault simulation of distribution networks integrated with inverter-based DG. Prot. Control Mod. Power Syst. 2017, 2, 31. [Google Scholar] [CrossRef]
- Shuai, Z.; Huang, W.; Shen, C.; Ge, J.; Shen, Z.J. Characteristics and restraining method of fast transient inrush fault currents in synchronverters. IEEE Trans. Ind. Electron. 2017, 64, 7487–7497. [Google Scholar] [CrossRef]
- Shuai, Z.; Shen, C.; Yin, X.; Liu, X.; Shen, Z.J. Fault analysis of inverter interfaced distributed generators with different control schemes. IEEE Trans. Power Deliv. 2018, 33, 1223–1235. [Google Scholar] [CrossRef]
- He, L.; Shuai, Z.; Zhang, X.; Liu, X.; Li, Z.; Shen, Z.J. Transient characteristics of synchronverters subjected to asymmetric faults. IEEE Trans. Power Deliv. 2019, 34, 1171–1183. [Google Scholar] [CrossRef]
- Zhao, H.; Shuai, Z.; Ge, J.; Luo, A.; Wu, W.; Shen, Z.J. Asymmetrical fault current calculation method and influencing factors analysis of droop-controlled inverter. CSEE J. Power Energy Syst. 2021, 10, 562–573. [Google Scholar] [CrossRef]
- Ma, H.; Zheng, T.; Zhou, H.; Zhang, T.; Hao, Z. A fault calculation method of the inverter grid-connected system considering control strategies switching. Power Syst. Technol. 2024, 48, 2985–2994. [Google Scholar]
- Li, Q.; Ge, P.; Xiao, F.; Lan, Z.; Ge, Q. Study on fault ride through method of VSG based on power angle and current flexible regulation. Proc. CSEE 2020, 40, 2071–2080+2387. [Google Scholar]
- Shao, Y.; Gong, Y.; Niu, M.; Yang, R.; Liu, Y.; Ding, R. Grid-forming energy storage system taking phase angle and amplitude jumps into account short-circuit current characteristics and its calculation model. Energy Storage Sci. Technol. 2025, 14, 2451–2461. [Google Scholar]
- Wang, Z.; Guo, L.; Li, X.; Wang, Z.; Wu, K.; Zhou, X.; Wang, C. Transient stability analysis of multiparallel grid-forming converters considering active and reactive power control coupling and current limiting. IEEE Trans. Power Electron. 2025, 40, 13615–13631. [Google Scholar] [CrossRef]
- Ma, T.; Du, X.; Zhang, Q.; Zhang, Q.; Ling, Z. Research on VSG transient output characteristics under power grid faults. In Proceedings of the 2024 IEEE 6th International Conference on Power, Intelligent Computing and Systems (ICPICS), Shenyang, China, 26–28 July 2024. [Google Scholar]
- Zhang, Y. Research on the Low Voltage Ride Through Control Technology for Grid Forming Converters Under Symmetrical Grid Faults; China University of Mining and Technology: Beijing, China, 2023. [Google Scholar]
- Zheng, Y. Research on Control Strategy of Voltage Source Characteristics and Short Circuit Current Calculation of VSG Under Grid Fault; North China Electric Power University: Beijing, China, 2024. [Google Scholar]
- Shang, L.; Hu, J.; Yuan, X.; Chi, Y.; Tang, H. Modeling and improved control of virtual synchronous generators under symmetrical faults of grid. Proc. CSEE 2017, 37, 403–412. [Google Scholar]
- Liu, B.; Xiang, X.; Li, Y.; Long, Y.; Shi, T.; Yang, H.; Li, W.; He, X. On the Transient Overcurrent Mechanism of Grid Forming Converter in Fault Recovery Stage. IEEE Trans. Power Electron. 2024, 39, 12163–12169. [Google Scholar] [CrossRef]
- Zheng, T.; Wang, Z.; Zou, P.; Wang, H. Fault current calculation and influencing factors analysis of virtual synchronous generator under symmetrical short circuit fault. Power Syst. Technol. 2023, 47, 1460–1475. [Google Scholar]
- Zheng, T.; Ma, Y.; Chen, Y.; Meng, L. Transient current analytic calculation for virtual synchronous generator with asymmetric short circuit considering influence of internal potential change. Autom. Electr. Power Syst. 2024, 48, 162–170. [Google Scholar]
- Wang, T.; He, S.; Wei, Y.; Zheng, L.; Wang, Z.; Xu, Q.; Yang, G.; Wang, C. Analytical expression of short circuit current under voltage source characteristic control strategy of VSG during asymmetric fault. Electr. Power Autom. Equip. 2025, 45, 201–209+224. (In Chinese) [Google Scholar] [CrossRef]
- Li, X.; Feng, P.; Tian, Z.; Huang, M.; Shu, S.; Zha, X.; Hu, P. Transient stability analysis for grid-tied VSG considering high-order nonlinear interactions between active and reactive power control loops. IEEE Trans. Power Electron. 2024, 39, 6974–6988. [Google Scholar] [CrossRef]
- Xiong, J.; Pei, W.; Ye, H.; Kong, L. Transient Stability of Multiple Phase-Locked-Loop-Type Voltage Source Converters System Based on Amplitude Mapping Model. IEEE Trans. Smart Grid 2024, 15, 557–569. [Google Scholar] [CrossRef]









| abc Coordinate System | Three-Phase Current Components |
|---|---|
| Steady-state power frequency component is(t) | |
| Inherent non-power frequency decaying component it1(t) | |
| Inherent power frequency periodic decaying component it2(t) | |
| Natural power frequency periodic decaying component it3(t) |
| Parameters | U | kq | Rv | Lv |
|---|---|---|---|---|
| it1(t) | Decrease | Unchanged | Unchanged | Unchanged |
| it2(t) | Decrease | Increase | Decrease | Decrease |
| it3(t) | Decrease | Increase | Decrease | Decrease |
| Parameters | U | kq | Rv | Lv |
|---|---|---|---|---|
| it1(t) | Unchanged | Unchanged | Decrease | Increase |
| it2(t) | Unchanged | Unchanged | Decrease | Unchanged |
| it3(t) | Decrease | Decrease | Unchanged | Increase |
| Parameters | Values | Parameters | Values |
|---|---|---|---|
| Rg (Ω) | 0.005 | Lv (mH) | 6 |
| Lg (mH) | 0.8 | Rv (Ω) | 0.2 |
| J (kg/m2) | 0.1 | Kp | 5.5 |
| U (pu) | 0.45 | Ki | 5000 |
| kq | 0.2 | D | 100 |
Disclaimer/Publisher’s Note: The statements, opinions and data contained in all publications are solely those of the individual author(s) and contributor(s) and not of MDPI and/or the editor(s). MDPI and/or the editor(s) disclaim responsibility for any injury to people or property resulting from any ideas, methods, instructions or products referred to in the content. |
© 2026 by the authors. Licensee MDPI, Basel, Switzerland. This article is an open access article distributed under the terms and conditions of the Creative Commons Attribution (CC BY) license.
Share and Cite
Cheng, S.; Lin, B.; Tian, Z.; Gu, C. Calculation Method and Characteristic Analysis of Short-Circuit Current for Grid-Forming VSGs Under Symmetrical Faults. Energies 2026, 19, 1220. https://doi.org/10.3390/en19051220
Cheng S, Lin B, Tian Z, Gu C. Calculation Method and Characteristic Analysis of Short-Circuit Current for Grid-Forming VSGs Under Symmetrical Faults. Energies. 2026; 19(5):1220. https://doi.org/10.3390/en19051220
Chicago/Turabian StyleCheng, Shan, Bo Lin, Zhenshi Tian, and Chunyang Gu. 2026. "Calculation Method and Characteristic Analysis of Short-Circuit Current for Grid-Forming VSGs Under Symmetrical Faults" Energies 19, no. 5: 1220. https://doi.org/10.3390/en19051220
APA StyleCheng, S., Lin, B., Tian, Z., & Gu, C. (2026). Calculation Method and Characteristic Analysis of Short-Circuit Current for Grid-Forming VSGs Under Symmetrical Faults. Energies, 19(5), 1220. https://doi.org/10.3390/en19051220
