Next Article in Journal
Structured Design Methodology for Compact Plate Heat Exchangers
Previous Article in Journal
Cascade Observer-Based Disturbance Estimation and Suppression for the Suspended Rotor in Maglev Hydrogen Recirculation Pump
 
 
Font Type:
Arial Georgia Verdana
Font Size:
Aa Aa Aa
Line Spacing:
Column Width:
Background:
Article

Development of a Lightweight GaN-Based Bidirectional Smart Charger with Hybrid Battery Supercapacitor Energy Management for Electric Vehicles

by
Satyanand Vishwakarma
*,
Balwinder Singh Surjan
and
Puneet Chawla
Electrical Engineering Department, Punjab Engineering College (Deemed to be University), Chandigarh 160012, India
*
Author to whom correspondence should be addressed.
Energies 2026, 19(4), 913; https://doi.org/10.3390/en19040913
Submission received: 9 January 2026 / Revised: 2 February 2026 / Accepted: 3 February 2026 / Published: 9 February 2026
(This article belongs to the Section E: Electric Vehicles)

Abstract

The rapid increase in electric vehicle (EV) adoption necessitates advanced charging infrastructures that are compact, efficient, and capable of bidirectional power flow for both vehicle-to-grid (V2G) and grid-to-vehicle (G2V) operation. Unlike traditional silicon and SiC-based chargers, this work introduces a Ga2O3-based bidirectional smart charging system integrated with a hybrid energy storage system to deliver superior performance. A coordinated control strategy is developed to regulate power sharing between a supercapacitor and a lithium-ion battery pack, thereby extending battery life, reducing current stress, and providing effective transient support. This hybrid system employs PI-based control and advanced modulation techniques to minimize current ripple, maintain the unity power factor, and ensure stable DC-link voltage regulation. MATLAB/Simulink simulation results demonstrate robust DC-link stability, smooth bidirectional power transfer, and very low total harmonic distortion. Comparative loss analysis shows that Ga2O3 MOSFETs offer significantly lower conduction and switching losses, enabling efficiencies up to 98% across the rated operating range. These results confirm that the proposed charger is highly suitable for next-generation EV infrastructures requiring high power density, reliable grid interfacing, and enhanced operational longevity. A hardware prototype was also developed and tested, with experimental results validating reliable grid-side performance and efficient energy sharing under typical operating conditions.

1. Introduction

The demand for compact, efficient, and bidirectional energy-transfer smart charging systems is increasing due to the rapid shift to electric vehicles. Because of their lower power density, limited switching frequency, and worse thermal performance, traditional Si-based chargers are becoming less appropriate for the needs of modern EVs. On the other hand, wide band gap technologies like GaN and SiC enable the development of lightweight, high-performance chargers due to their high breakdown voltage, fast switching speed, and reduced conduction losses. Bidirectional charging is especially crucial for stabilizing modern power networks, since it enables both G2V and V2G operations.
Bidirectional converter topologies for V2G/G2V applications have been examined in terms of their efficiency, voltage stress, current ripple, and switch count [1]. Classical PI, predictive, and optimization-based control schemes are among them, and multilevel structures lower stress and harmonics further. The economic and environmental benefits of sustainable EV-grid integration are highlighted in the existing research, which also points out areas that require attention. When paired with a DC–DC buck–boost stage, a bidirectional AC–DC front end can provide a steady DC-link voltage and efficient power transfer. Reactive power support, harmonic compensation, and home backup are other features added by V2X services, and predictive AI and IoT-based scheduling improve responsiveness and cost-effectiveness [2].
High-efficiency power transmission, power factor correction, and compensation networks are the main priorities of wireless bidirectional V2G systems, which are also becoming more popular. Although coil misalignment, synchronization issues, and transmission delays continue to be major barriers requiring strong algorithms, advanced control systems that regulate both active and reactive power flows increase grid stability [3]. Hybrid EMSs that use WSO–DMO optimization to coordinate power sharing between batteries and ultracapacitors have the potential to lower battery degradation. Such hybrid HESS frameworks improve tracking performance, decrease depth of discharge, and increase range, as confirmed by MATLAB (version 2020b) simulations [4].
EVs with hybrid battery–supercapacitor storage have been considered to include integrated onboard bidirectional chargers. The concept avoids independent chargers by reusing traction inverters and converters, which improves energy efficiency and lowers system weight and cost [5]. Likewise, Simscape and SPICE/TCAD models of high-power fast-charging stations, including ultra-wide bandgap (UWBG) Ga2O3 devices, have exceptional thermal and electrical capabilities, providing quick charging via isolated DC/DC converters and 3-phase AC/DC converters running at unity power factor [6].
An increasing amount of research examines SiC/GaN-based EV chargers with a focus on long-term dependability, topology advances, and cost reduction. WBG devices will be a key component of the future EV infrastructure, according to charger roadmaps and figures of merit for wireless chargers [7]. SiC/GaN devices continuously exhibit better high-frequency performance, increased efficiency, and reduced conduction losses compared to Si MOSFETs. System economics are further enhanced by integration with PV-based charging [8]. In contrast to traditional Si-based designs, innovations like isolated bidirectional converters that are optimized using GA/PSO-tuned PID control and GaN switches running at 1 MHz reach efficiencies exceeding 97% [9].
The performance of WBG devices is verified by [10], which demonstrates their excellent thermal conductivity, resilience, and higher efficiency for EV chargers, especially in V2G/G2V applications. The great efficiency of SiC MOSFET-based onboard chargers in both V2G and G2V modes emphasizes their applicability for reducing losses in practical EV use cases [11]. Hybrid multimodule converters, which combine MESFETs for high-frequency, low-power stages and IGBTs for high-power, low-frequency operation, have demonstrated the promise of hybrid semiconductor integration by achieving 10.99 kW/L density and 99.25% efficiency [12].
Compact, high-density onboard chargers are also made possible by GaN semiconductors. GaN-based bidirectional OBCs operating at 400 V and 800 V have been compared, and the results show increased EMI compliance, easy switching, and reduced conduction losses [13]. Although there are still issues with the gate driver design, thermal management, and packaging, GaN HEMTs have shown notable efficiency benefits in aircraft, ships, and heavy-duty vehicle electrification beyond EVs [14]. Academic prototypes of advanced LLC resonant converters utilized in contemporary OBCs reach optimal efficiency and 7 kW/L density, with peak efficiencies of 97.2% at 11 kW [15].
The design of EV chargers, which are characterized by PWM, dual-active bridge, and resonant topologies, still depends on isolated bidirectional DC–DC converters. To maximize efficiency and ensure secure bidirectional operation, switching strategies for single, double, and triple-phase shifters offers flexibility [16]. A study by [17] presents a grid-connected PV–BESS–EVCS planning model that uses a multi-agent particle swarm optimization (MAPSO) framework to co-optimize the PV size, BESS capacity, and BESS operating strategy. By simulating EV charging patterns and demand, a case study from Shanghai that includes several scenarios demonstrates increased operational efficiency in comparison to alternatives. Optimized topologies that provide higher efficiency and lower grid current THD are most suitable for G2V/V2G applications, according to HIL experiments [18]. In addition to addressing device limitations, hybrid converters that blend SiC and GaN devices provide better performance than all-SiC solutions [19]. Prototypes at the kW level have confirmed that multi-input converters that combine renewable energy sources with GaN switches exhibit smooth switching and direct control [20].
Even with major advancements, some of the issues are still present in reduced battery degradation during V2G/G2V cycles, suppressing ripple, and managing the effects of transient loads. Few studies now combine hybrid battery–supercapacitor coordination with WBG technology; instead, they tend to concentrate on converter topology or control optimization. It is also unclear how modern EMS techniques, GaN switches, and new Ga2O3 devices work together to create dependable and small systems.
Conventional bidirectional EV chargers predominantly employ classical PI-based voltage and current controllers, droop-based power sharing, or model predictive control strategies [21]. While PI controllers are simple and widely adopted, their fixed gains lead to limited robustness under rapid power reversals and grid disturbances, often resulting in DC-link voltage deviations and increased battery current ripple. Droop-based approaches enable decentralized operation but suffer from poor transient accuracy and imprecise power sharing between multiple energy storage elements. Model predictive control improves the dynamic response but experiences a higher computational burden and sensitivity to parameter uncertainty, limiting real-time implementation in high-frequency converters. In most reported systems, battery and supercapacitor interfaces are regulated independently, relying on passive dynamics rather than an explicit coordination mechanism, which restricts effective frequency-based power decoupling.
Despite significant progress in bidirectional EV chargers using SiC and GaN devices, several technical limitations remain unresolved. Many existing studies primarily focus on converter topology optimization or device-level efficiency enhancement, while overlooking the impact of high-frequency power fluctuations on battery aging during frequent G2V/V2G transitions. Conventional charger designs relying solely on battery storage are prone to elevated current ripple, thermal stress, and accelerated degradation under dynamic grid and load conditions. Although hybrid energy storage concepts have been explored, most reported works treat battery and supercapacitor interfaces independently, without a coordinated control framework that explicitly decomposes power demand into frequency-dependent components. Furthermore, comparative analyses across the Si, SiC, and GaN platforms are often conducted under non-uniform power ratings, control schemes, or test conditions, making it difficult to draw fair conclusions regarding grid power quality and DC-link stability. The potential of emerging ultra-wide bandgap Ga2O3 devices has also been largely confined to device-level studies, with limited system-level validation in EV charger applications integrating hybrid storage and grid-support functionality.
This paper presents a bidirectional smart charging system that is based on WBG and incorporates battery–ultracapacitor coordination. Next-generation EV chargers that provide dependable, sustainable, and grid-friendly performance are made possible by the proposed innovative control method, which attempts to increase energy usage, decrease charger weight, and improve efficiency.

1.1. Contribution of the Work

  • This paper presents a two-stage bidirectional on-board charger (OBC) using GaN and Ga2O3 devices, together with a unified conduction-switching loss model that explains the high-efficiency operation across the rated power range.
  • A coordinated hybrid energy storage system (HESS) control strategy is proposed to divide DC-link power into low-frequency battery and high-frequency supercapacitor components, thereby reducing battery current ripple and transient stress during G2V/V2G operation.
  • A cascaded PI-based control is designed and validated, demonstrating stable DC-link regulation, ultra-low grid current THD, and reliable bidirectional power flow under varying grid and load conditions.
  • The proposed charger with DAB is validated through MATLAB/Simulink simulations and experimental prototype testing, and its performance is benchmarked against the representative Si- and SiC-based chargers reported in the literature.

1.2. Organization of the Paper

The rest of the paper is structured as follows. The description of the system is given in Section 2. The gallium oxide power device modeling is presented in Section 3. For G2V and V2G operations, Section 4 explains the modeling of specific parts, such as the DC link, battery pack, and supercapacitor, as well as the related control schemes. In Section 5, the control strategies used in this work are covered. The loss analysis and simulation results are shown in Section 6. The experimental verification of the system is presented in Section 7. Section 8 concludes with a summary of the main conclusions and suggests areas for further study.

2. System Description

A GaN-based bidirectional smart charging architecture with integrated V2G and G2V functionality for EVs is illustrated in Figure 1. The utility grid provides three-phase AC power. An input filter stage comprises inductors and capacitors, which are used to suppress harmonics and ensure grid code compliance. A GaN FET-based AC–DC converter processes this filtered AC power after that, using the high switching frequency and exceptional efficiency of GaN devices to accomplish power factor adjustment and rectification. In contrast to traditional silicon-based systems, this stage allows for better power density and a compact design while maintaining a steady DC-link voltage.
The GaN-based DAB converter, which is interfaced with the DC connection, provides galvanic isolation by a high-frequency transformer and controls bidirectional power flow between the grid and the energy storage system. The technology uses a bidirectional converter to combine a supercapacitor and an EV battery as hybrid storage components. The supercapacitor provides high-power transients, reducing battery stress and prolonging its operational life, while the battery serves as the main long-term energy storage device. Through the coordination of these two storage components, the hybrid energy storage technique ensures reliable performance under dynamic load changes, improves efficiency, and preserves DC bus stability.

3. Modeling and Performance Analysis of Ga2O3 Switches

As a broad bandgap semiconductor for next-generation power electronics, gallium oxide (β-Ga2O3) has attracted a lot of attention recently, especially for high-voltage and high-efficiency applications like EV rapid chargers [22]. In contrast to ordinary silicon (Si, 1.1 eV) and even wide-bandgap silicon carbide (SiC, 3.2 eV) devices, Ga2O3 exhibits many superior material properties with a broad bandgap of about 4.8 eV, an electron mobility of 118 cm2/V·s [23], and a critical electric field strength surpassing 8 MV/cm. These qualities immediately improve Baliga’s Figure of Merit (BFoM), which is described as
B F o M = ϵ μ E c 3 / 4
where ϵ is the dielectric permittivity, μ is carrier mobility, and E c is the breakdown electric field. Since Ga2O3 demonstrates nearly 3000 times higher BFoM than Si [24], it enables compact devices with very high breakdown voltages, which are particularly advantageous for high-power density EVs. The modeling of Ga2O3 power MOSFETs can be performed using the Shichman–Hodges equations for NMOS devices. In the linear (triode) region, the drain current is expressed as
I D = β [ V G S V t h V D S V D S 2 2 ] ( 1 + λ V D S )
while in the saturation region, it is given by
I D = β 2 ( V G S V t h ) 2 ( 1 + λ V D S )
where β = μ n C o x W L is the gain factor, V G S is the gate-to-source voltage, V D S is the drain-to-source voltage, V t h is the threshold voltage, and λ accounts for channel-length modulation. These models, when validated through SPICE parameter extraction and technology computer-aided design (TCAD) simulations, exhibit excellent agreement, confirming the accuracy of Ga2O3 device characteristics. Switching and conduction losses are necessary for the performance analysis of Ga2O3-based converters. The total device losses are given by
P l o s s = P c o n d + P s w
where the conduction losses are defined as
P c o n d = I D 2 R D C ( o n ) D
with D being the duty ratio, and the switching losses are modeled as
P s w = ( E o n + E o f f ) f s w
where f s w is the switching frequency and E o n and E o f f represent the turn-on and turn-off energy losses, respectively. Due to its low on-state resistance ( R D S ( o n ) ) and high breakdown field, Ga2O3 MOSFETs exhibit lower conduction and switching losses than both the Si and SiC counterparts, even at high frequencies. Table 1 shows the parameters of the MATLAB model for Ga.
The superiority of Ga2O3 devices is further supported by their static and dynamic properties. Furthermore, in real-world devices, the breakdown voltage capability is roughly expressed as B V = E c t , where t is the drift area thickness exceeding 8–10 kV, enabling small designs at extremely high voltages. Ga2O3 devices have the highest efficiencies in EV fast-charging converters because of their reduced switching losses, which make up for thermal restrictions, even if their thermal conductivity is comparatively lower (0.1–0.3 W/cmK) than SiC. To further improve reliability, advanced cooling methods like liquid cooling or heat sinks based on nanofluids are frequently used. Figure 2 shows the characteristics of the Ga2O3 MATLAB model.
Figure 3 shows that the junction temperature rises roughly linearly with the switching frequency because P s w f s w dominates over conduction loss. SiC shows the highest T j across the range (higher R D S ( o n ) /switching energy), while GaN and Ga2O3 stay several degrees cooler. At 8 kW, both GaN and Ga2O3 retain comfortable thermal headroom up to 300 kHz, supporting high-frequency operation.

4. Proposed Gan-Based Bidirectional Smart Charger: Modeling and Performance Formulation

4.1. Grid and LCL Input Filter

The charger is fed from a 400 Vrms (LL), 50 Hz, three-phase grid (Figure 3) with per-phase voltage. Grid current quality and unity power factor are ensured by an LCL filter preceding the three-phase PWM rectifier [25]. In the Laplace domain, the open-loop transfer functions from converter voltage to grid current G c s and from grid voltage to grid current G g s are with the grid-side inductor L g , converter-side inductor L c , and a shunt capacitor C f .
The charger is supplied by a 400 Vrms (LL), 50 Hz three-phase grid, as shown in Figure 3. In the Laplace domain, the open-loop transfer functions from converter voltage to grid current, G c s , and from grid voltage to grid current, G g s , are derived considering the grid-side inductor ( L g ), converter-side inductor ( L c ), and shunt capacitor ( C f ).
G c s = 1 s L g + L c + s 3 L g L c C f
G g s = s 3 L c C f + 1 s L g + L c + s 3 L g L c C f
And the filter resonance is
ω r e s = L g + L c L g L c C f
Figure 4 represents an EV smart charger design using Gallium oxide switches. Table 2 shows the grid and LCL filter parameters.

4.2. Grid Synchronization and PWM Rectifier Control

A PLL estimates the grid angle θ and angular speed ω to form the Park transform. Neglecting Cf dynamics in the inner loop, the rectifier abc-to-dq model is
v c , d = L d i g , d d t ω L i g , q + v g , d
v c , q = L d i g , d d t + ω L i g , q + v g , q
The outer loop tracks V d c * and produces the active-current reference i g , d * . The inner current loops regulate ( i g , d , i g , q ) with decoupling terms ±ωL, unity PF is enforced by i g , q * = 0 . The converter current injection and DC-bus current are related by
i c 1 = g 11 i a + g 21 i b + g 31 i c
i d c = i c 1 C d c d V d c d t
where g i j are the upper-switch functions of the three legs. Above are standards for PWM rectifier design and are used as the basis for PI tuning and feed-forward compensation in the controller.
Figure 5 shows the open-loop current-loop Bode magnitude C P I G c ( s ) for nominal L g and ±40% L g . Resonance appears near 1.26 kHz and remains well-damped, indicating a stable design. The small gap between curves shows robustness to grid-inductance variation, supporting reliable unity-PF PFC. Figure 6 shows the circuit diagram of the EV charging infrastructure.

4.3. DC-Link Modeling

The DC link capacitor is modeled considering the initial capacitor voltage. Energy stored at nominal is given by
E d c = 1 2 C d c V d c 2
The bus dynamics follow,
C d c d V d c d t = i P F C i D A B i S C
where i P F C is the rectifier output, i D A B is the battery-port current, and i S C is the supercapacitor-port current (positive when drawing from the bus). The DC link capacitor value is 5600 µF.

4.4. Battery Modeling

A Thevenin-based equivalent circuit model is used to analyze the electrical behavior of batteries. It includes a parallel RC network to account for polarization effects, a series resistance to reflect ohmic losses, and an OC voltage source that is dependent on SOC. The terminal voltage of the battery is therefore expressed as
v b = v o c z R b i b v R C
where v o c z is the SOC-dependent open-circuit voltage, R b is the ohmic resistance, i b is the battery current, and v R C is the polarization voltage. The dynamics of the RC branch are described by a first-order differential relation,
v R C = 1 R 1 C 1 v R C + 1 C 1 i b
where R 1 and C 1 are the polarization resistance and capacitance, respectively. The SOC variation is governed by the Coulomb-counting principle,
z = i b Q n o m ,   z t + t = z t i b t Q n o m
This representation is accurate enough for system-level studies of fast charging and discharging under both G2V and V2G modes. The charging control approach follows the widely adopted CC–CV profile. During the CC stage, the charging current is limited to a preset value,
i b * = I m a x
The control switches to CV mode, where the terminal voltage is regulated at
v b * = V m a x
The approximate charging time from a given initial SOC can be estimated from the pack energy and the applied charging power, using
t c h g = B c a p ( 1 z o ) P c h g
where B c a p is the rated energy capacity, z o is the initial SOC, and P c h g is the delivered charging power. To interface the battery with the 730 V DC link, a GaN-based DAB converter is used. The DAB operates under phase-shift modulation, where the DC output voltage at the secondary side is given by
V o = V d c 2 V d 1 N s N p 2 V d 2 2 T o n T s w 2
with V d c as the DC-link voltage, V d 1 and V d 2 representing device drops on the primary and secondary sides, Ns/Np as the transformer turns ratio, and T o n T s w 2 as the duty ratio. The average transferred power of the DAB can be approximated as
P D A B = n V d c V b ω L e q ϕ 1 ϕ π
where n = Ns/Np, L e q is the equivalent leakage inductance, ϕ is the phase-shift angle, and ω = 2πf. This formulation shows that power transfer is bidirectional and regulated directly through the phase shift. Consequently, the battery current is expressed as
i b = P D A B V b
The use of GaN devices enables the DAB to operate efficiently at high switching frequencies, thereby reducing transformer and filter sizes while achieving high efficiency. Table 3 represents battery parameters.

4.5. Supercapacitor Modeling

The supercapacitor bank is modeled as an equivalent capacitance in series with an equivalent ESR obtained by series/parallel reduction in identical cells. For N s series cells and N p parallel strings with per-cell parameters C c e l l and R c e l l , the aggregated elements are
C s c = N p N s C c e l l ,   R E S R = N p N s R c e l l
The energy stored in the bank at the terminal voltage V s c is
E S C = 1 2 C s c V s c 2
The instantaneous port voltage drop includes the ohmic component iSCRESR. The interface is a synchronous bidirectional buck–boost, operating under averaged PWM. In steady state, the ideal conversion relationships are
V s c = D V d c   ( b u c k ,   c h a r g i n g   S C   f r o m   b u s )
V d c = V s c 1 D ( b o o s t ,   d i s c h a r g i n g   S C   f r o m   b u s )
with duty ratio D ∈ (0, 1). Inductor sizing follows the ripple constraint at switching frequency fsw for a worst-case differential V i n V o u t and allowable i L ,
L V i n V o u t i L f s w
Under current-mode control, the energy-management layer maps a high-frequency power command to an inductor current reference, so that the SC handles fast transients (high-frequency content) while the battery supplies average energy; this frequency-splitting reduces battery current slew, mitigates heating/aging, and stabilizes the DC bus during G2V/V2G events. Table 4 shows the SC parameters.

5. Control Approaches in the Proposed System

5.1. AC–DC Converter Control

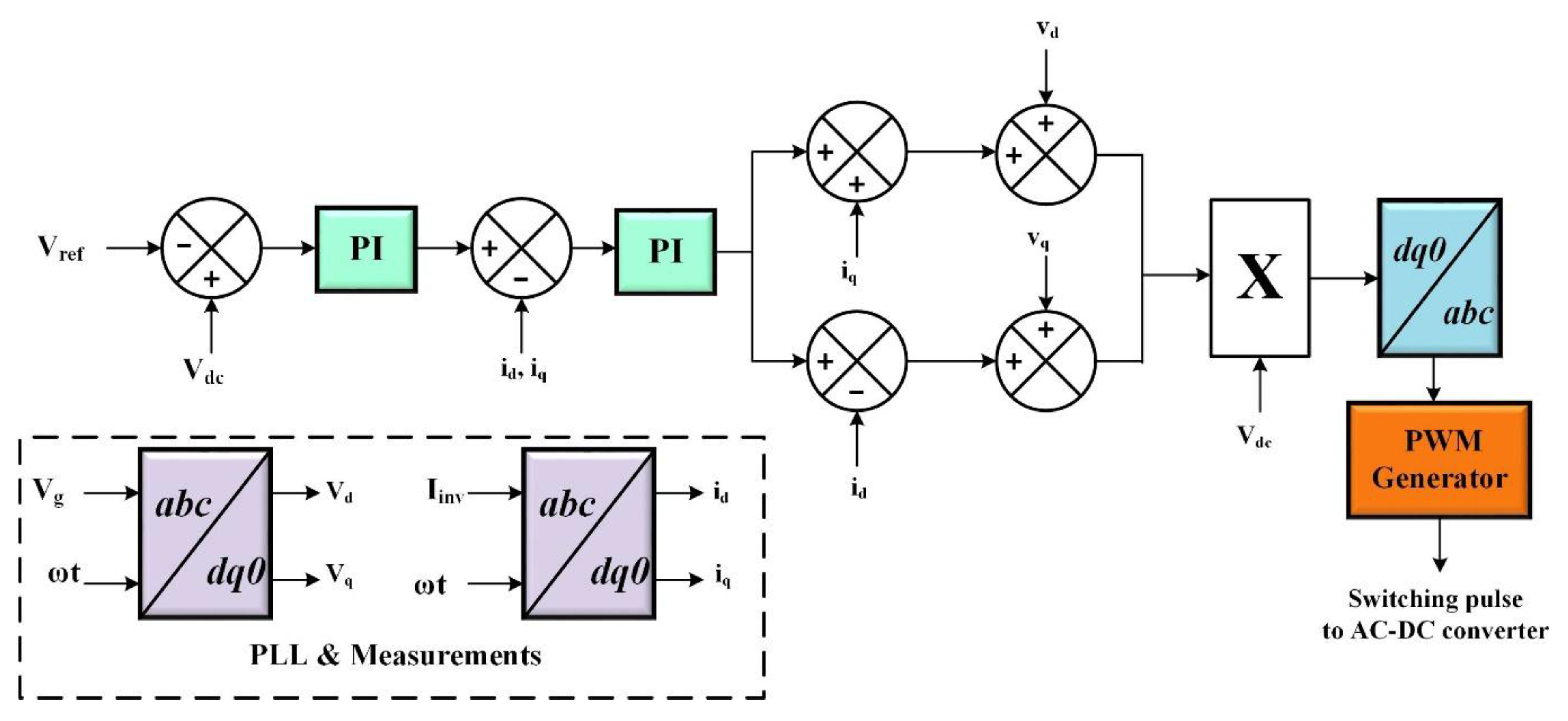
The control structure represented in Figure 7 is the vector-oriented control scheme for a three-phase AC–DC converter used in EV charging. The DC-link voltage reference Vref is compared with the measured Vdc, and the error is processed by a PI controller. This outer loop ensures that the bus voltage is tightly regulated regardless of load fluctuations. The output of the voltage controller generates a reference current in the d-axis, while the q-axis reference current is typically set to zero to enforce a unity power factor. This creates a separation of active and reactive power control, where the d-axis controls the real power flow and the q-axis ensures reactive power minimization.
The inner loop operates in the synchronous dq-frame, which is aligned with the grid voltage vector using a PLL. Grid voltages and inverter currents are first transformed from the three-phase abc system to dq coordinates. The error signals were obtained by comparing the measured currents (id, iq) with their reference values and are sent to PI controllers. In the synchronous frame, the PI controllers control the output control voltages (vd, vq) and current dynamics. Decoupling the cross-coupling terms between the d and q-axes allows the system to respond dynamically quickly while reducing grid current distortion. The calculated control voltages (vd,vq) are transformed back to the stationary three-phase frame (abc) through the inverse park transformation. These modulated voltages are then normalized with respect to the Vdc and passed to the PWM generator block, which produces the gating signals for the AC–DC converter switches. In this way, the controller maintains a stable DC bus while drawing sinusoidal currents from the grid in phase with the grid voltages. Overall, this structure ensures bidirectional power flow with high power quality, supporting both G2V charging and V2G discharging with precise control of the active and reactive power.

5.2. Dual Active Bridge Control

The DAB converter controls power flow by adjusting the phase shift between its primary and secondary bridges. As shown in Figure 8, the system starts with the reference power PL, which is compared with the measured battery-side current-derived power. The error signal is fed into a PI controller, which generates the control variable that determines the phase-shift angle. The DAB regulates the power flow’s magnitude and direction by adjusting this phase shift, allowing for smooth bidirectional operation. This enables effective battery charging or discharging while preserving a steady DC bus voltage and reducing current ripples.
The switching pulses for the primary and secondary bridges are produced by the control implementation using logic circuits, SR flip-flops, and carrier signals. Gate signals with the necessary phase displacement are produced by comparing the PI-regulated output with sawtooth carriers. Shoot-through is prevented and dependable high-frequency switching is ensured by the SR flip-flops’ correct gating sequence and dead-time insertion. The switches on the primary and secondary sides receive the ensuing switching pulses, which create the required phase difference between the bridge voltages. In high-power EV charging applications, this phase-shift control not only offers strict regulation of the transferred power but also facilitates soft-switching in GaN devices, resulting in great efficiency and lower switching losses.

5.3. Bidirectional Converter Control

The control structure of the supercapacitor bidirectional converter, which is in charge of preserving DC bus stability and managing sudden, high-power demands, is represented in Figure 9. A PI controller processes the resulting mistake and produces a reference current for the supercapacitor. This ensures that the supercapacitor injects or absorbs power as needed to stabilize the DC link voltage during sudden load variations or grid disturbances.
The Iref is then compared with the actual measured isc, and the error is again regulated using a PI controller. This inner loop ensures accurate tracking of the current command, which is critical for the dynamic response of the supercapacitor system. The output of the inner PI controller is fed into the PWM generator, which produces gating signals for the power switches, Ssc1 and Ssc2, of the bidirectional converter. By efficiently managing the supercapacitor’s cycles of charge and discharge, the converter helps to stabilize the battery during transients, buffer short-term power fluctuations, and increase the energy management system’s dependability.
The hybrid energy storage system operates under a coordinated control framework rather than independent regulation of the DAB and supercapacitor converters. At the supervisory level, the DC-link power demand is decomposed into low-frequency and high-frequency components using a first-order low-pass/high-pass filtering mechanism. The low-frequency component, representing the average energy requirement, is assigned to the battery through the phase-shift-controlled DAB converter, while the high-frequency component, associated with transient load and grid disturbances, is allocated to the supercapacitor via the bidirectional buck–boost converter. This coordinated strategy ensures automatic power sharing without conflict between converters, prevents circulating currents, and enables seamless dynamic adjustment during G2V/V2G transitions.

5.4. PI Controller Parameter Tuning Methodology

The PI controllers employed in the AC–DC converter, DC-link voltage loop, DAB power control loop, and supercapacitor current control loop were tuned using a systematic frequency-domain approach. The control design follows a cascaded structure, where the inner current loops are designed to be significantly faster than the outer voltage and power regulation loops to ensure proper time-scale separation. For the AC–DC converter, the inner d–q current controllers were tuned first by linearizing the converter model around the nominal operating point and selecting the proportional and integral gains to achieve a crossover frequency well below the LCL resonance frequency, with a phase margin greater than 45°. The outer DC-link voltage controller was then tuned with a bandwidth approximately one decade lower than the current loop to avoid interaction and ensure stable voltage regulation under dynamic load and bidirectional power flow. In the DAB converter, the PI controller regulating the phase-shift angle was tuned based on the small-signal power transfer model of the DAB, ensuring fast tracking of the reference power while avoiding excessive current overshoot. Similarly, the supercapacitor bidirectional converter PI controllers were tuned to achieve a rapid transient response, allowing high-frequency power components to be absorbed or injected without disturbing the DC-link voltage. Final PI gains were validated through step-response and disturbance-rejection tests in MATLAB/Simulink to ensure minimal overshoot, fast settling time, and robust performance across the full operating range.

6. Simulation Results and Discussion

To validate the proposed scheme, a MATLAB/Simulink model is developed on a GaN-based bidirectional charging system with hybrid energy storage. The dynamics of batteries in V2G and G2V modes are shown in Figure 10.
The battery discharges at almost −180 A during V2G, which results in a power export of almost −9 kW and lowers SOC from 70% to 69.6% in 0.5 s. After switching to G2V mode, the charging power increases to about +10 kW and the current reverses to about +150 A, bringing the SOC back to 70% after one second. As the CC–CV charging method changes, the voltage marginally increases from 48 V to 52 V, confirming seamless operation in both directions.
The supercapacitor’s voltage, current, and power characteristics are represented in Figure 11. The current changes up to ±20 A during the V2G–G2V transition, yet the SC terminal voltage stays steady at about 100 V with only a ±0.2 V ripple. This transient pulse provides about 2 kW of short-term power, buffering the DC bus and reducing battery stress. Compared to the battery, the stored energy fluctuates minimally, but the SC’s contribution ensures quick dynamic stabilization.
The sinusoidal operation is verified by the grid waveforms in Figure 12. The phase current magnitude stabilizes at 15 A following the transient at 0.5 s, while the grid voltage is kept at 400 V (L–L RMS). A disturbance (~0.02 s) during the transition is highlighted in the zoomed section. Figure 13 further shows that the current is nearly in phase with the voltage, confirming unity power factor operation.
Figure 14 depicts the DC link voltage profile. The voltage is regulated close to 700 V, with a slight dip to 690 V during the V2G–G2V transition, after which it recovers within 0.05 s. This small deviation demonstrates the robustness of the outer voltage loop using PI control in maintaining bus stability under bidirectional power flow.
Figure 15 presents the THD of the grid current spectrum. The measured THD is 0.12%, with the fundamental current of 14.53 A at 50 Hz dominating. Higher-order harmonics remain low, which is well below the IEEE-519 requirements of 5%. The low distortion validates the high-frequency GaN switching operation and compact filter design. Figure 16 shows the battery and supercapacitor power in V2G and G2V mode.
Figure 17 represents the hybrid battery–supercapacitor power sharing under step loads. The dashed trace is the commanded power; the battery (low-pass) follows only the slow/average component, while the supercapacitor (high-pass) supplies/absorbs the fast transients. At each step (≈0.2, 0.5, 0.7, 0.85 s), the SC injects short ±(2–6) kW pulses, keeping the battery’s instantaneous demand small. This split yields a 64% reduction in battery RMS current ripple, validating the hybrid EMS strategy.
The response of the proposed scheme when a dynamic load is connected to the grid side is given in Figure 18. It shows the applied load profile, which changes stepwise from 1.6 kW to 7.2 kW, then drops to around 0.8 kW, before rising to 8 kW and finally settling at 2.5 kW.
The battery voltage remains constant at 50 V, with slight dips during abrupt load changes, shown in Figure 19. The power fluctuates between −8 kW and +5 kW as a result of the current’s oscillation between −200 A (discharge) and +100 A (charging). As the principal energy buffer in a changing environment, the battery’s SOC progressively drops from 70% to approximately 69% over a period of one second.
The momentary function of the supercapacitor is highlighted in Figure 20. During the load stages, the current peaks at about ±20 A, while the voltage is kept close to 100 V with slight variations. Spikes in power (~±2 kW) show that the SC immediately absorbs or injects energy, releasing the battery from high-frequency stress.
The waveforms of grid voltage and current in Figure 21 are balanced and sinusoidal, even when the load changes suddenly. To demonstrate efficient AC/DC converter control and PLL synchronization, currents briefly increase to about ±20 A during load steps before rapidly stabilizing.
Figure 22 shows the DC link voltage oscillating slightly around 700 V. Minor dips (~20–30 V) occur during large load transitions but are quickly corrected by the PI-based control loop, confirming the robustness of the bus regulation strategy.
The harmonic spectrum of grid current presented in Figure 23 shows a THD of 0.20% at 50 Hz, well below the IEEE-519 limits. Even under dynamic load switching, the proposed GaN-based topology maintains excellent harmonic performance, thanks to high-frequency operation and optimized LCL filtering. Figure 24 represents the battery and supercapacitor power during the dynamic load.
Figure 25a shows the efficiency surface shows η increasing with both switching frequency and load, forming a broad >98% plateau around 150–200 kHz at mid–high power, which is consistent with UWBG-enabled high-frequency operation. Figure 25b represents the loss breakdown at 8 kW/200 kHz, which indicates that magnetics dominate the residual loss budget, with moderate switching, small conduction, and minimal control/aux losses implying that further efficiency gains should target magnetic design and materials.

Power Loss and Comparative Analysis

This section quantifies semiconductor losses of the Ga2O3 MOSFETs used in the proposed charger and contrasts them with a representative SiC device under identical operating conditions [26]. Total device loss is the sum of conduction and switching components.
P s e m i = P c o n d + P s w
P c o n d = D I D 2 R D S ( o n )
P s w = E t o t f s w
Switching energy per cycle is expressed in terms of turn-on/off energies,
E t o t = E o n + E o f f = 1 2 V D S I D t i + t V + 1 2 V D S I D ( t i + t V )
The Ga2O3 devices exhibit lower R D S ( o n ) per chip area and shorter current/voltage transition times than the SiC reference, which directly reduces both P c o n d and P s w . Figure 26 shows that the turn-on energy, turn-off energy, and total switching energy all rise in a nearly linear manner with the increasing drain current. The Ga2O3 device achieves shorter rise and fall times compared to traditional silicon-based switches, which results in a total switching energy that is about 30 to 50 percent lower for the same current rating. This reduction allows for operation at higher switching frequencies without incurring excessive losses, thereby minimizing thermal stress and improving overall system compactness.
Figure 27 contrasts P c o n d of Ga2O3 and SiC vs. current at the same duty and bus. The curve for Ga2O3 stays markedly below SiC as the current rises, because R D S ( o n ) and its temperature coefficient is lower for the UWBG device, especially at the high current density for fast chargers that operate near rated current.
Figure 28 shows the inductor current ripple Δ i L / i a v g decreases monotonically with switching frequency. At the annotated points, ripple falls from ~11% at 100 kHz (SiC-typical) to ~5–6% at 200 kHz (GaN-enabled), enabling either smaller inductance or lower ripple for the same L. This trend supports operating the SC converter at higher f s w to reduce current stress and improve DC-bus quality.
Figure 29 provides an efficiency comparison of GaN/Ga2O3, SiC, and Si implementations over a power range of up to 8 kW. The proposed GaN/Ga2O3 design consistently achieves efficiency above 98 percent, while SiC devices reach around 97 percent, and Si devices remain in the 94 to 95 percent range. This superior performance is the result of lowered conduction and switching losses, with an efficiency above 98%. The results align with the Simulink simulations, where unity power factor operation and very low THD were demonstrated, confirming that the proposed charger offers stable DC bus voltage and minimal thermal excursions under real-world operation.
Table 5 provides a comparative overview of the representative state-of-the-art bidirectional EV charger architectures reported in the literature. It can be observed that the existing studies predominantly focus on improving one or two performance metrics, such as efficiency or power density, often at the expense of other critical aspects. For instance, high-power isolated solutions using Ga2O3 or hybrid device structures achieve excellent efficiency but are targeted at utility-scale charging stations with large volume and complex converter arrangements. On the other hand, compact onboard charger designs based on GaN devices achieve high power density but typically report moderate efficiency or lack comprehensive grid power quality evaluation.
In contrast, the proposed GaN/Ga2O3-based charger simultaneously achieves very high efficiency (≈99%), ultra-low grid current THD (0.12–0.20%), and high power density (>8 kW/L) within a unified three-phase grid-connected architecture. Furthermore, unlike most prior works that rely solely on battery energy storage, the proposed system integrates a coordinated battery–supercapacitor hybrid energy storage system, enabling effective high-frequency power buffering and reduced battery stress during dynamic G2V/V2G operation. This combination of ultra-wide bandgap devices, hybrid energy storage coordination, and grid-friendly control strategy represents a key advancement beyond the existing state-of-the-art solutions.
Table 6 highlights the superior performance of the proposed GaN/Ga2O3-based charger compared with conventional Si and SiC benchmarks. The proposed design achieves 98.5% efficiency with significantly lower switching energy (30–50% less than SiC) and reduced conduction losses (<10 mΩ), whereas Si devices normally only achieve 94–95% efficiency, with SiC improving this to roughly 97%. With THD decreased from 3 to 5% in Si and 1 to 2 percent in SiC systems to just 0.12–0.20%, grid current quality also greatly improves, ensuring compliance with strict grid rules. Conventional chargers are unable to provide transient support up to 2 kW due to the presence of a supercapacitor, and the DC-link voltage is carefully regulated within ±10 V, as opposed to ±50 V in Si and ±30 V in SiC. Furthermore, by increasing the volumetric efficiency and reaching predicted power densities higher than 8 kW/L, the suggested topology combines excellent power quality, high efficiency, and compact design. The benchmark values for conventional Si and SiC chargers are extracted from the representative grid-connected onboard and fast-charger implementations reported in refs. [11,18,26], operating in comparable power ranges (5–10 kW) with PWM rectifier front ends and DC-link voltages between 650 and 750 V. Reported THD and DC-link regulation ranges correspond to the steady-state and dynamic test conditions defined in the respective references, ensuring a fair qualitative comparison.

7. Experimental Verification of the Proposed Work

The experimental validation of the proposed GaN-based bidirectional charger integrated with hybrid energy storage (battery + supercapacitor) was carried out using a hardware prototype. The system replicates the MATLAB/Simulink configuration to ensure identical operating conditions. The prototype consists of:
  • Three-phase AC input (400 V rms L–L, 50 Hz) from the utility grid.
  • A three-phase Ga2O3-based PWM rectifier with an input filter.
  • A regulated DC-link of approximately 700 V.
  • A GaN-based DAB for bidirectional battery charging/discharging.
  • A bidirectional buck–boost converter interfacing the supercapacitor bank for transient support.
  • Real-time control implementation through a digital controller and isolated gate drivers.
A schematic representation of the test bench is shown in Figure 30, and key components are summarized below. Table 7 and Table 8 show the details of the hardware specifications and the control, sensing unit details. Figure 31 shows the hardware components of the proposed method.
Two load conditions are evaluated in the prototype model: 1600 W and 7200 W. These conditions are used to analyze the system performance. As shown in Figure 32, the battery supplies 1.56 kW at Load 1 and 7.14 kW at Load 2. During the increase in load power, the battery current rises to meet the demand power, while the battery voltage exhibits only a brief, small droop before recovering. In Figure 33, the supercapacitor discharges briefly during the Load 1 to Load 2 transition, providing transient support, while its terminal voltage remains nearly constant, confirming HF buffering as battery power increases to 7.14 kW.
As presented in Figure 34, the grid voltage stays balanced and constant throughout the load transition, indicating stable PLL operation with power quality issues. As shown in Figure 35, when the load power increases from 1.6 kW to 7.2 kW, the grid-current amplitude increases proportionally to meet the load demand.
This prototype was built to match the Simulink model (Ga2O3 front-end, 700 V DC link, GaN DAB, and a supercapacitor stage). Under a step from 1.56 kW to 7.14 kW, the battery takes the new average power with only a small, short voltage drop, while the supercapacitor gives a brief discharge to support the transition. The grid voltage stays steady and the grid current increases smoothly with the load.
To further validate the robustness of the proposed system and coordinated hybrid energy storage operation, an additional experimental test was conducted under load conditions of 2.4 kW and 8 kW. This test complements the earlier 1.6 kW–7.2 kW case and demonstrates consistent system behavior across a wider power range.
As represented in Figure 36, the battery voltage remains well-regulated during the transition between 2.4 kW and 8 kW, while the battery current increases smoothly to supply the higher steady-state power demand. Although a brief voltage droop is observed at the instant of load increase, it is small in magnitude and quickly recovers, indicating effective DC-link support and controlled battery dynamics. At the higher load condition, the battery delivers approximately 8 kW, confirming its role as the primary energy source for average power demand. The corresponding supercapacitor response is shown in Figure 37. During the rapid load transition, the supercapacitor briefly discharges to provide transient power support, while its terminal voltage remains nearly constant. This behavior confirms effective high-frequency power buffering by the supercapacitor, thereby mitigating sudden current stress on the battery as the system transitions to the higher load level. The grid-side performance under this operating condition is presented in Figure 38 and Figure 39. As shown in Figure 38, the three-phase grid voltage remains balanced and sinusoidal throughout the load transition, indicating stable phase-locked loop (PLL) operation and the absence of grid voltage disturbances. Figure 39 demonstrates that the grid current amplitude decreases proportionally as the load power reduces from 8 kW to 2.4 kW while maintaining a clean sinusoidal waveform, thereby confirming effective power factor correction and low harmonic distortion.
The experimental results under the 2.4 kW–8 kW load condition closely mirror the behavior observed in the lower-power test case. The battery supplies the new steady-state power level, the supercapacitor provides short-duration transient support, and the grid interface maintains stable voltage and high-power quality. These results further confirm the effectiveness and scalability of the proposed Ga2O3/GaN-based charger architecture and coordinated hybrid energy storage control across a wide operating range. A close correspondence is observed between the simulation and experimental results. The simulated DC-link voltage regulation behavior closely matches the experimental measurements, with both showing voltage deviations limited to ±10 V during load and mode transitions. Similarly, the ultra-low grid current THD obtained in simulation (0.12–0.20%) is consistent with the experimentally observed near-sinusoidal grid currents. Minor quantitative differences are attributed to the parasitic elements, sensor tolerances, and thermal effects present in the hardware prototype, but are not fully captured in simulation models. Overall, the strong agreement validates the accuracy of the proposed modeling and control strategy.

8. Conclusions and Future Scope

The proposed GaN/Ga2O3-based bidirectional charging system with hybrid energy storage demonstrates excellent performance for both G2V and V2G operations. The simulation results confirm that the coordinated operation of the battery and supercapacitor ensures smooth bidirectional power transfer, fast transient response, and reduced stress on the main battery pack. During V2G mode, the system efficiently delivers power back to the grid, while in G2V mode, it supports rapid charging with minimal SOC fluctuation. The supercapacitor plays a vital role by providing transient support during abrupt load variations, injecting or absorbing up to 2 kW of short-term power and thereby enhancing system stability. Grid-connected simulations validate sinusoidal current injection, unity power factor operation, and very low current distortion, with THD levels as low as 0.12% in steady-state and 0.20% under dynamic loading, well within IEEE-519 limits. The DC link voltage is consistently regulated around 700 V, with only minor deviations during mode transitions, verifying the robustness of the PI-based control strategy. Furthermore, power loss analysis highlights the advantage of Ga2O3 MOSFETs over the SiC and Si counterparts, with 30–50% lower switching energy and significantly reduced conduction loss. The comparative efficiency study confirms a system efficiency exceeding 98%, surpassing SiC (97%) and Si (95%) under identical conditions. Overall, the proposed design achieves high efficiency, compactness, and grid compatibility, positioning it as a promising solution for next-generation smart EV chargers that enable large-scale V2G deployment and sustainable energy integration. The hardware prototype demonstrates reliable grid interaction and coordinated battery–supercapacitor behavior that is consistent with the model.

Author Contributions

Conceptualization, S.V., B.S.S. and P.C.; data curation, S.V.; formal analysis, S.V., B.S.S. and P.C.; investigation, B.S.S. and P.C.; methodology, S.V., B.S.S. and P.C.; project administration, B.S.S. and P.C.; resources, S.V. and B.S.S.; software, S.V. and P.C.; supervision, B.S.S. and P.C.; validation, S.V. and P.C.; visualization, B.S.S.; writing—original draft, S.V.; writing—review and editing, S.V., B.S.S. and P.C. All authors have read and agreed to the published version of the manuscript.

Funding

This research received no external funding.

Data Availability Statement

The original contributions presented in this study are included in the article. Further inquiries can be directed to the corresponding author.

Conflicts of Interest

The authors declare no conflicts of interest.

Nomenclature

EVElectric Vehicle
OBCOn-Board Charger
V2GVehicle-to-Grid
G2VGrid-to-Vehicle
V2XVehicle-to-Everything
PFCPower Factor Correction
CC/CVConstant Current/Constant Voltage
EMSEnergy Management System
HESSHybrid Energy Storage System
SOCState of Charge
SiSilicon
SiCSilicon Carbide
GaNGallium Nitride
Ga2O3Gallium Oxide
WBGWide Band Gap
UWBGUltra-Wide Band Gap
HEMTHigh Electron Mobility Transistor
IGBTInsulated Gate Bipolar Transistor
MESFETMetal–Semiconductor Field Effect Transistor
DABDual Active Bridge
PWMPulse Width Modulation
PSOParticle Swarm Optimization
GAGenetic Algorithm
PIDProportional–Integral–Derivative
WSO–DMOWhale Swarm Optimization Dragonfly Metaheuristic Optimization
HFHigh Frequency
TCADTechnology Computer-Aided Design
HILHardware-in-the-Loop
THDTotal Harmonic Distortion
EMSEnergy Management System

References

  1. Rana, R.; Saggu, T.S.; Letha, S.S.; Bakhsh, F.I. V2G based bidirectional EV charger topologies and its control techniques: A review. Discov. Appl. Sci. 2024, 6, 588. [Google Scholar] [CrossRef]
  2. Adhikary, S.; Biswas, P.K.; Babu, T.S.; Balasubbareddy, M. Bidirectional operation of electric vehicle charger incorporating grids and home energy storage: V2G/G2V/V2H/V2X for sustainable development. In Renewable Energy for Plug-In Electric Vehicles; Elsevier: Amsterdam, The Netherlands, 2024; pp. 191–207. [Google Scholar]
  3. Meraj, S.; Mekhilef, S.; Mubin, M.; Ramiah, H.K.; Seyedmahmoudian, M.; Stojcevski, A. Bidirectional Wireless Charging System for Electric Vehicles: A Review of Power Converters and Control Techniques in V2G Application. IEEE Access 2025, 13, 75246–75264. [Google Scholar] [CrossRef]
  4. Vijaya Saraswathi, R.J.; Krishnakumar, V.; Vasan Prabhu, V.; Aruna, P. Hybrid energy management strategy for ultra-capacitor/battery electric vehicles considering battery degradation. Electr. Eng. 2025, 107, 795–808. [Google Scholar] [CrossRef]
  5. Abuaish, A.; Kazerani, M. Single-phase bidirectional integrated onboard battery charger for EVs featuring a battery-supercapacitor hybrid energy storage system. In Proceedings of the 2017 IEEE International Conference on Industrial Technology (ICIT), Toronto, ON, Canada, 22–25 March 2017; IEEE: New York, NY, USA, 2017; pp. 543–548. [Google Scholar]
  6. Ilahi, T.; Izhar, T.; Qaisar, S.M.; Shami, U.T.; Zahid, M.; Waqar, A.; Alzahrani, A. Design and performance analysis of ultra-wide bandgap power devices-based EV fast charger using bi-directional power converters. IEEE Access 2023, 11, 25285–25297. [Google Scholar] [CrossRef]
  7. Li, S.; Lu, S.; Mi, C.C. Revolution of electric vehicle charging technologies accelerated by wide bandgap devices. Proc. IEEE 2021, 109, 985–1003. [Google Scholar] [CrossRef]
  8. Raj, J.S.S.; Sivaraman, P.; Prem, P.; Matheswaran, A. Wide Band Gap semiconductor material for electric vehicle charger. Mater. Today Proc. 2021, 45, 852–856. [Google Scholar]
  9. Shahed, M.T.; Rashid, A.H.U. An Improved Topology of Isolated Bidirectional Resonant DC-DC Converter Based on Wide Bandgap Transistors for Electric Vehicle Onboard Chargers. Int. Trans. Electr. Energy Syst. 2023, 2023, 2609168. [Google Scholar] [CrossRef]
  10. Waheed, A.; Rehman, S.; Hassan, M.W.; Sadiq, U.; Asif, M. Efficient Electric Vehicle Charger Based on Wide Band-gap Materials for V2G and G2V. In Proceedings of the 2022 International Conference on Engineering and Emerging Technologies (ICEET), Kuala Lumpur, Malaysia, 27–28 October 2022; IEEE: New York, NY, USA, 2022; pp. 1–5. [Google Scholar]
  11. Moctezuma, M.N.; Sabzehgar, R.; Rasouli, M.; Fajri, P. Power Loss Analysis of SiC Wide Band Gap Power Switches of Bidirectional Battery Chargers for Plug-in Electric Vehicles under Vehicle-to-Grid and Grid-to-Vehicle Operation Modes. In Proceedings of the 2023 IEEE Green Technologies Conference (GreenTech), Denver, CO, USA, 19–21 April 2023; IEEE: New York, NY, USA, 2023; pp. 67–72. [Google Scholar]
  12. Waheed, A.; Rehman, S.U.; Alsaif, F.; Rauf, S.; Hossain, I.; Pushkarna, M.; Gebru, F.M. Hybrid multimodule DC–DC converters accelerated by wide bandgap devices for electric vehicle systems. Sci. Rep. 2024, 14, 4746. [Google Scholar] [CrossRef] [PubMed]
  13. Bay, O.; Tran, M.T.; El Baghdadi, M.; Chakraborty, S.; Hegazy, O. A comprehensive review of gan-based bi-directional on-board charger topologies and modulation methods. Energies 2023, 16, 3433. [Google Scholar] [CrossRef]
  14. Keshmiri, N.; Wang, D.; Agrawal, B.; Hou, R.; Emadi, A. Current status and future trends of GaN HEMTs in electrified transportation. IEEE Access 2020, 8, 70553–70571. [Google Scholar] [CrossRef]
  15. Iyer, R.K.; Fernandez, K.; Ge, T.; Liao, Z.; Chou, S.; Gamboa, A.; Lad, A.A.; Miljkovic, N.; Pilawa-Podgurski, R.C. A Bidirectional GaN-Based Flying Capacitor Multilevel Converter for Electric Vehicle Charging. In Wide Bandgap Power Electronics: Emerging Converter Technologies and Applications; Springer Nature: Cham, Switzerland, 2025; pp. 193–214. [Google Scholar]
  16. Wang, Z.; Su, X.; Zeng, N.; Jiang, J. Overview of isolated bidirectional dc–dc converter topology and switching strategies for electric vehicle applications. Energies 2024, 17, 2434. [Google Scholar] [CrossRef]
  17. Dini, P.; Saponara, S.; Chakraborty, S.; Hegazy, O. System-Level Compact Review of On-Board Charging Technologies for Electrified Vehicles: Architectures, Components, and Industrial Trends. Batteries 2025, 11, 341. [Google Scholar] [CrossRef]
  18. Upputuri, R.P.; Subudhi, B. A comprehensive review and performance evaluation of bidirectional charger topologies for V2G/G2V operations in EV applications. IEEE Trans. Transp. Electrif. 2023, 10, 583–595. [Google Scholar] [CrossRef]
  19. Moradpour, M.; Gatto, G. A new SiC-GaN-based two-phase interleaved bidirectional DC-DC converter for plug-in electric vehicles. In Proceedings of the 2018 International Symposium on Power Electronics, Electrical Drives, Automation and Motion (SPEEDAM), Amalfi, Italy, 20–22 June 2018; IEEE: New York, NY, USA, 2018; pp. 587–592. [Google Scholar]
  20. Moradisizkoohi, H.; Elsayad, N.; Mohammed, O.A. Experimental verification of a GaN-based double-input soft-switched DC/DC converter for hybrid electric vehicle application. In Proceedings of the 2018 IEEE Industry Applications Society Annual Meeting (IAS), Portland, OR, USA, 23–27 September 2018; IEEE: New York, NY, USA, 2018; pp. 1–8. [Google Scholar]
  21. Triviño, A.; Gonzalez-Gonzalez, J.M.; Castilla, M. Review on control techniques for EV bidirectional wireless chargers. Electronics 2021, 10, 1905. [Google Scholar] [CrossRef]
  22. Lee, I.; Kumar, A.; Zeng, K.; Singisetti, U.; Yao, X. Modeling and power loss evaluation of ultra-wide band gap Ga2O3 device for high power applications. In Proceedings of the 2017 IEEE Energy Conversion Congress and Exposition (ECCE), Cincinnati, OH, USA, 1–5 October 2017; IEEE: New York, NY, USA, 2017; pp. 4377–4382. [Google Scholar]
  23. Ghosh, K.; Singisetti, U. Ab initio calculation of electron–phonon coupling in monoclinic β-Ga2O3 crystal. Appl. Phys. Lett. 2016, 109, 072102. [Google Scholar] [CrossRef]
  24. Yang, P.; Ming, W.; Liang, J. A step-by-step modelling approach for SiC half-bridge modules considering temperature characteristics. In Proceedings of the 2020 IEEE Energy Conversion Congress and Exposition (ECCE), Detroit, MI, USA, 11–15 October 2020; IEEE: New York, NY, USA, 2020; pp. 2827–2834. [Google Scholar]
  25. Majic, G.; Despalatovic, M.; Terzic, B. LCL filter design method for grid-connected PWM-VSC. J. Electr. Eng. Technol. 2017, 12, 1945–1954. [Google Scholar]
  26. Huang, X.; Li, Q.; Liu, Z.; Lee, F.C. Analytical loss model of high voltage GaN HEMT in cascode configuration. IEEE Trans. Power Electron. 2013, 29, 2208–2221. [Google Scholar] [CrossRef]
Figure 1. Proposed system architecture.
Figure 1. Proposed system architecture.
Energies 19 00913 g001
Figure 2. Characteristics of Ga2O3 MATLAB model.
Figure 2. Characteristics of Ga2O3 MATLAB model.
Energies 19 00913 g002
Figure 3. Estimated junction temperature vs. switching frequency.
Figure 3. Estimated junction temperature vs. switching frequency.
Energies 19 00913 g003
Figure 4. EV smart charger design using Gallium oxide switches.
Figure 4. EV smart charger design using Gallium oxide switches.
Energies 19 00913 g004
Figure 5. Open-loop current-loop Bode magnitude.
Figure 5. Open-loop current-loop Bode magnitude.
Energies 19 00913 g005
Figure 6. Circuit diagram of EV charging infrastructure.
Figure 6. Circuit diagram of EV charging infrastructure.
Energies 19 00913 g006
Figure 7. AC–DC converter control.
Figure 7. AC–DC converter control.
Energies 19 00913 g007
Figure 8. Dual active bridge control.
Figure 8. Dual active bridge control.
Energies 19 00913 g008
Figure 9. Bidirectional converter control.
Figure 9. Bidirectional converter control.
Energies 19 00913 g009
Figure 10. Battery parameters in V2G and G2V mode.
Figure 10. Battery parameters in V2G and G2V mode.
Energies 19 00913 g010
Figure 11. SC parameters in V2G and G2V mode.
Figure 11. SC parameters in V2G and G2V mode.
Energies 19 00913 g011
Figure 12. Grid voltage and current.
Figure 12. Grid voltage and current.
Energies 19 00913 g012
Figure 13. Phase voltage and current.
Figure 13. Phase voltage and current.
Energies 19 00913 g013
Figure 14. DC link voltage.
Figure 14. DC link voltage.
Energies 19 00913 g014
Figure 15. THD of grid current.
Figure 15. THD of grid current.
Energies 19 00913 g015
Figure 16. Battery and supercapacitor power in V2G and G2V mode.
Figure 16. Battery and supercapacitor power in V2G and G2V mode.
Energies 19 00913 g016
Figure 17. Hybrid battery–supercapacitor power sharing under step loads.
Figure 17. Hybrid battery–supercapacitor power sharing under step loads.
Energies 19 00913 g017
Figure 18. Dynamic load profile.
Figure 18. Dynamic load profile.
Energies 19 00913 g018
Figure 19. Battery parameters during dynamic load.
Figure 19. Battery parameters during dynamic load.
Energies 19 00913 g019
Figure 20. SC parameters during dynamic load.
Figure 20. SC parameters during dynamic load.
Energies 19 00913 g020
Figure 21. Grid voltage and current during dynamic load.
Figure 21. Grid voltage and current during dynamic load.
Energies 19 00913 g021
Figure 22. DC link voltage during dynamic load.
Figure 22. DC link voltage during dynamic load.
Energies 19 00913 g022
Figure 23. THD of grid current during the dynamic load.
Figure 23. THD of grid current during the dynamic load.
Energies 19 00913 g023
Figure 24. Battery and supercapacitor power during dynamic load.
Figure 24. Battery and supercapacitor power during dynamic load.
Energies 19 00913 g024
Figure 25. (a) Efficiency vs. frequency and load. (b) Total loss breakdown.
Figure 25. (a) Efficiency vs. frequency and load. (b) Total loss breakdown.
Energies 19 00913 g025
Figure 26. Ga2O3 switching loss.
Figure 26. Ga2O3 switching loss.
Energies 19 00913 g026
Figure 27. Conduction loss comparison of Ga2O3 and SIC MOSFET.
Figure 27. Conduction loss comparison of Ga2O3 and SIC MOSFET.
Energies 19 00913 g027
Figure 28. Comparison of inductor current ripple vs. frequency.
Figure 28. Comparison of inductor current ripple vs. frequency.
Energies 19 00913 g028
Figure 29. Comparison of the efficiency of Ga2O3, SiC and Si devices.
Figure 29. Comparison of the efficiency of Ga2O3, SiC and Si devices.
Energies 19 00913 g029
Figure 30. Overall layout of hardware implementation.
Figure 30. Overall layout of hardware implementation.
Energies 19 00913 g030
Figure 31. Hardware components: (a) supercapacitor banks, (b) battery bank, and (c) converter with driver circuit.
Figure 31. Hardware components: (a) supercapacitor banks, (b) battery bank, and (c) converter with driver circuit.
Energies 19 00913 g031
Figure 32. Battery voltage and current (1.6 kW and 7.2 kW).
Figure 32. Battery voltage and current (1.6 kW and 7.2 kW).
Energies 19 00913 g032
Figure 33. Supercapacitor voltage and current (1.6 kW and 7.2 kW).
Figure 33. Supercapacitor voltage and current (1.6 kW and 7.2 kW).
Energies 19 00913 g033
Figure 34. Grid voltage (1.6 kW and 7.2 kW).
Figure 34. Grid voltage (1.6 kW and 7.2 kW).
Energies 19 00913 g034
Figure 35. Grid current (1.6 kW and 7.2 kW).
Figure 35. Grid current (1.6 kW and 7.2 kW).
Energies 19 00913 g035
Figure 36. Battery voltage and current (8 kW and 2.4 kW).
Figure 36. Battery voltage and current (8 kW and 2.4 kW).
Energies 19 00913 g036
Figure 37. Supercapacitor voltage and current (8 kW and 2.4 kW).
Figure 37. Supercapacitor voltage and current (8 kW and 2.4 kW).
Energies 19 00913 g037
Figure 38. Grid voltage (8 kW and 2.4 kW).
Figure 38. Grid voltage (8 kW and 2.4 kW).
Energies 19 00913 g038
Figure 39. Grid current (8 kW and 2.4 kW).
Figure 39. Grid current (8 kW and 2.4 kW).
Energies 19 00913 g039
Table 1. MATLAB parameters of Ga2O3.
Table 1. MATLAB parameters of Ga2O3.
ParameterValue
Channel length (L)6 µm
Channel width (W)4.7 × 106 µm
Oxide thickness (TOX)20 nm
Mobility (U0)118 cm2/V·s
Threshold voltage (VTO)−1.75 V
Substrate doping (NSUB)2 × 1017 cm−3
KP46 × 10−6 A/V2
CGD4.3 × 10−11 F/m
CGS2.86 × 10−11 F/m
Table 2. Grid and LCL filter parameters.
Table 2. Grid and LCL filter parameters.
ParameterValues
Grid line-to-line RMS voltage400 V
Grid frequency50 Hz
Grid configurationYg
Grid-side inductor Lg10.4 mH
Converter-side inductor Lc0.608 mH
Filter capacitor Cf27.631 µF
Resonant frequency fres1.26 kHz
Table 3. Battery parameters.
Table 3. Battery parameters.
ParameterValues
TypeLithium-Ion
Voltage48 V
Rated capacity30 Ah
Initial SOC70%
Response time30 s
Table 4. SC parameters.
Table 4. SC parameters.
ParameterValues
Rated cell capacitance99.5 F
Rated cell voltage100 V
ESR per cell8.9 mΩ
Number of series cells18
Number of parallel strings1
Effective capacitance CSCC5.53 F
Effective ESR0.160 Ω
Initial voltage100 V
Stored energy at 100 V27.6 kJ
Table 5. Comparative analysis with the existing state of the art.
Table 5. Comparative analysis with the existing state of the art.
Ref.Topology and DevicesPower Rating and VoltageEfficiency (%)THD (%)
[2]AC/DC active front-end + buck–boost DC/DCRated per charging level (conventional to fast)98%Low
[6]Isolated FB DC/DC (Ga2O3 MOSFET)500 kW (3 × 165 kW), 100–950 V/0–200 A98.55Low
[9]Isolated bidirectional CLLL resonant DC–DC (GaN)5 kW, Vin 400–460 V, Vout 530–610 V97.4 (chg)/96.7 (dischg)Low
[11]Non-isolated full-bridge OBC (SiC MOSFET)Level-2 OBC, typical battery 400 V>99.3 V2G, >98.3 G2VLow
[12]Hybrid 8-module DAB (4 IGBT LF + 4 MESFET HF)500 kW, batt 440 V, density 10.99 kW/L99.25, 10.99 kW/LLow
[15]Single-phase FCML OBC (GaN multilevel)6.6–11 kW, up to 12.3 kW/L density96.5–99.01Low
[18]Multiple bidirectional PFC + DC–DC topologies tested via HILLow and high-power setups96–98Low
[19]Two-phase interleaved boost, SiC + GaN5–40 kW range98%Low
[20]3-port buck–boost half bridge converter, stacked GaN, active-clamp soft-switch1 kW prototype,High (proto; NR exact %)Low
Proposed Work3-ph PWM rectifier + isolated DAB DC/DC, GaN/Ga2O3, hybrid battery + SC HESSGrid 400 V L–L, DC-link ~700 V99%Very low
(0.12–0.20)
Table 6. Performance comparison of the proposed GaN/Ga2O3-based bidirectional charger versus Si- and SiC-based EV chargers reported in the literature under comparable power levels (5–10 kW) and grid-connected operating conditions.
Table 6. Performance comparison of the proposed GaN/Ga2O3-based bidirectional charger versus Si- and SiC-based EV chargers reported in the literature under comparable power levels (5–10 kW) and grid-connected operating conditions.
ParameterConventional Si ChargerSiC ChargerProposed GaN/Ga2O3 Charger
Efficiency (%) @ rated load94–959798.5
Switching energy (µJ @ 20 A)High (~2 × SiC)Medium30–50% lower than SiC
Conduction loss (mΩ RDS (on) equiv.)~25~15<10
Grid current THD (%)3–51–20.12–0.20
DC-link regulation (700 V bus)±50 V±30 V±10 V
Transient support (2 kW SC injection)Not availableLimitedAvailable
Power density (kW/L)2–35–7>8
Table 7. Specifications of power stage.
Table 7. Specifications of power stage.
SubsystemComponent/Rating
Input Grid3-phase, 400 V rms (L–L), 50 Hz
LCL FilterLg = 10.4 mH, Lc = 0.608 mH, Cf = 27.63 µF
Ga2O3 Switches (Rectifier)β-Ga2O3 MOSFET, 1200 V/30 A, EPC2034C
DC-Link Capacitor5600 µF/900 V
GaN Devices (DAB)650 V/30 A, Enhancement-mode GaN HEMTs GS66508T, switching ≥ 200 kHz
High-Frequency TransformerTurns ratio = 1:15, 10 kW rating, Ferrite-core with 15 kHz leakage inductance compensation
Battery Port ConverterPhase-shift controlled DAB, Bidirectional; handles ±10 kW
Supercapacitor ConverterSwitching frequency: 100 kHz; inductor = 3 mH
Supercapacitor BankEffective C = 5.53 F; ESR = 0.16 Ω; Energy = 27.6 kJ
Battery Pack48 V, 30 Ah Lithium-ion,14-series × 3-parallel (18,650 cells) configuration
Cooling SystemLiquid-cooled heat sink/forced air
DC Bus Nominal Voltage700 V ± 2%
Table 8. Control and sensing units.
Table 8. Control and sensing units.
ComponentSpecification
Controller PlatformDSP TMS320F28379D
Sampling Frequency20 kHz–100 kHz
Current SensorsLEM LA 55-P/Hall-effect transducers
Voltage SensorsLV 25-P/resistive divider network
Gate Drivers (Ga2O3)Isolated Si8271/EiceDRIVER ICs
Gate Drivers (GaN)LMG1210/LMG3410R150
PWM Carrier Frequency50 kHz (rectifier), 200 kHz (DAB), 100 kHz (SC)
Disclaimer/Publisher’s Note: The statements, opinions and data contained in all publications are solely those of the individual author(s) and contributor(s) and not of MDPI and/or the editor(s). MDPI and/or the editor(s) disclaim responsibility for any injury to people or property resulting from any ideas, methods, instructions or products referred to in the content.

Share and Cite

MDPI and ACS Style

Vishwakarma, S.; Surjan, B.S.; Chawla, P. Development of a Lightweight GaN-Based Bidirectional Smart Charger with Hybrid Battery Supercapacitor Energy Management for Electric Vehicles. Energies 2026, 19, 913. https://doi.org/10.3390/en19040913

AMA Style

Vishwakarma S, Surjan BS, Chawla P. Development of a Lightweight GaN-Based Bidirectional Smart Charger with Hybrid Battery Supercapacitor Energy Management for Electric Vehicles. Energies. 2026; 19(4):913. https://doi.org/10.3390/en19040913

Chicago/Turabian Style

Vishwakarma, Satyanand, Balwinder Singh Surjan, and Puneet Chawla. 2026. "Development of a Lightweight GaN-Based Bidirectional Smart Charger with Hybrid Battery Supercapacitor Energy Management for Electric Vehicles" Energies 19, no. 4: 913. https://doi.org/10.3390/en19040913

APA Style

Vishwakarma, S., Surjan, B. S., & Chawla, P. (2026). Development of a Lightweight GaN-Based Bidirectional Smart Charger with Hybrid Battery Supercapacitor Energy Management for Electric Vehicles. Energies, 19(4), 913. https://doi.org/10.3390/en19040913

Note that from the first issue of 2016, this journal uses article numbers instead of page numbers. See further details here.

Article Metrics

Back to TopTop