Next Article in Journal
A Computational Fluid Dynamics Analysis of Multiphase Flow in the Anode Side of a Proton Exchange Membrane Electrolyzer
Previous Article in Journal
The Interplay Between Combustion and Component Thermal Loading in Next-Generation Marine Engines Employing Reactivity-Controlled Compression Ignition
 
 
Font Type:
Arial Georgia Verdana
Font Size:
Aa Aa Aa
Line Spacing:
Column Width:
Background:
Article

Modular, Multiport AC-DC Converter with Add-On HF Isolating Units

by
Pawel B. Derkacz
1,*,
Pawel Milewski
1,
Daniel Wojciechowski
2,
Natalia Strzelecka
3 and
Ryszard Strzelecki
3
1
Arex—(WB Group), Hutnicza 3, 81-212 Gdynia, Poland
2
Faculty of Electrical and Control Engineering, Gdańsk University of Technology, 80-233 Gdańsk, Poland
3
Faculty of Electrical Engineering, Gdynia Maritime University, 81-225 Gdynia, Poland
*
Author to whom correspondence should be addressed.
Energies 2026, 19(1), 85; https://doi.org/10.3390/en19010085
Submission received: 15 November 2025 / Revised: 11 December 2025 / Accepted: 13 December 2025 / Published: 23 December 2025
(This article belongs to the Section F3: Power Electronics)

Abstract

In this paper, we propose a novel concept of a modular, multiport, single-stage, bidirectional, isolated, three-phase AC-DC converter system. This new system is realized using add-ons to a standard voltage source inverter, including both grid-connected AC-DC converters, like PWM rectifiers, and AC-drive DC-AC inverters. The proposed add-on converters provide isolated DC ports and can be installed into existing inverters of the abovementioned types, with no need for any modification of their topology or control system. Moreover, the add-on converters provide a minimum transistor count and high efficiency. The efficiency of the proposed add-on converters can be further improved by switching the type of pulse width modulation (PWM) scheme based on their operating point. The proposed converter system is validated for a power of 20 kW, an output voltage of 500–800 V DC, and a 40 kHz PWM frequency.

1. Introduction

There is increasing interest in isolated, bidirectional, multiport AC-DC converters. This is mostly because of the growing market in the application areas of these power converters, such as the automotive industry—e.g., stationary and onboard electric vehicle (EV) chargers [1,2] and vehicle-to-grid (V2G) power conversion capability—and renewable energy sources—e.g., photovoltaic (PV) systems complemented with energy storage systems [3], which are often realized through the use of DC microgrids [4]. In consequence, this broad subject has gained the interest of many researchers. Research on AC-DC converters has focused mainly on simplifying their topology while, at the same time, improving their efficiency. The former is strictly related to the possibility of improving the converters’ power density and reliability while reducing their cost. Another advantage of such converters is their modularity, which allows for system scalability and flexibility.
The most common topology of isolated, bidirectional AC-DC converters is a two-stage solution, with the first stage comprising a non-isolated AC-DC converter and the second stage having a high-frequency (HF) transformer-based, isolated DC-DC converter [5,6]. The main advantage of such a solution is the common DC bus, which decouples the AC-DC and DC-DC parts of the whole converter. Another advantage is its modularity and flexibility. The possible structures of two-stage, multiport converter systems are highlighted in Figure 1. The converter system can be realized with, e.g., a single AC-DC grid-side converter (PWM rectifier) and several DC-DC converters connected to the common DC bus, where each DC-DC converter provides an isolated, independent DC port (Figure 1a). Moreover, an existing converter system of this type can be expanded by adding additional DC-DC converters, provided that the AC-DC grid converter has sufficient power capability. The structure of a modular, multiport converter can be simplified by using a single integrated converter at the primary side of the HF transformers, as illustrated in Figure 1b. The converter structure can be further simplified using a single multi-winding HF transformer (Figure 1c), at the expense of the independent operation of particular DC ports.
These two-stage AC-DC converters are often utilized in major industrial applications such as EV charging systems or renewable energy power systems, especially PV systems. The main drawback of these solutions is their relative complexity, especially in terms of the required number of power transistors. In addition, because of the two-stage conversion, the converter efficiency is expected to be relatively low.
The aforementioned constraints of two-stage converters call for research studies and the development of various topologies for single-stage AC-DC converters with one or several impulse transformers, which provide galvanic isolation of the DC port. All single-stage converter solutions utilize the high-frequency (PWM-related) voltage components of the AC-DC converter. Researchers have proposed various three-phase [7,8,9] and single-phase topologies [10,11,12].
A common challenge in the development of single-stage, isolated AC-DC converters is to suppress or effectively reduce the grid fundamental frequency component (50 Hz or 60 Hz) of the voltage at the HF transformer terminals, because this low-frequency (LF) voltage component could easily saturate the transformer. In the worst case, it becomes a grid-frequency transformer, not a high-frequency one.
There are two possible approaches to reducing the low-frequency component of the transformer voltage. The first solution applies to a more expanded converter topology with additional power transistor-based circuit structures, with the aim being to actively suppress the low-frequency voltage components. Solutions can be based on the matrix topology [13,14] or other expanded topologies; e.g., utilizing an additional converter leg [15]. Although these topologies tend to provide effective suppression of unwanted low-frequency voltage components, they do not reduce the required number of power transistors. Consequently, these solutions lack an advantage over two-stage topologies.
The second approach to limiting the LF voltage component of the HF transformer utilizes additional passive components, like capacitors, which act—together with the inductances of transformers and inductors normally present in the circuit—as high-pass filters. This solution does not require additional power transistors. Examples of such single-stage, isolated converters were proposed in [16,17,18]. The converter proposed in [16] is asymmetrically connected in its DC-DC part to only two of three converter legs (corresponding to two of three phases) and, in consequence, introduces an unbalanced current load on the converter legs, as well as unbalanced currents drawn from the supply grid. This solution is therefore limited to low-power applications. This drawback was overcome in the converter presented in [17], which utilizes a symmetrical three-phase topology, with three high-frequency transformers. The limitation of this proposed topology is that it does not apply the common voltage components of the PWM rectifier part in its DC-DC conversion part, and therefore provides a relatively low level of the desired high-frequency voltage components at its HF transformers.
An interesting converter topology was presented in [18] and further developed, optimized, and expanded for multiport converter systems in [19,20,21], respectively. In this topology, the HF transformer is unified with the boost inductor of the PWM rectifier of the converter system. In consequence, the LF voltage component supplied to the HF transformer is very low, and this can be achieved without any additional passive components on its primary (non-insulated) side. This LF voltage component of 50 Hz or 60 Hz frequency is in fact the corresponding component of the boost inductor of the PWM rectifier. In practice, its amplitude is equal to several volts but cannot be further reduced through this approach. Furthermore, it is not possible to realize a modular converter system with such a topology, because the DC-DC part of the converter strictly constrains the PWM rectifiers’ coupling circuit with respect to the power level and number of isolated DC ports.
In this study, we propose a single-stage, bidirectional, fully modular, multiport AC-DC Dual Active Module (DAM) converter system with one or several isolated DC ports. The DC ports can be easily added as minimum-power-transistor-count circuit add-ons to a regular PWM rectifier or any other AC-DC voltage source inverter (VSI), such as an AC drive inverter, without a need to modify its topology or control. Although the PWM rectifier constitutes an important part of the overall DAM converter system, it is worth noting that its specific control has no influence on the operation of the add-on HF-DC modules. The only aspect of the PWM rectifier that affects the properties of the DAM converter, and is discussed in this paper, is its PWM strategy.
Two proposed structures for such a system are shown in Figure 2. The structure shown in Figure 2a uses the LCL coupling circuit boost inductor voltage to supply HF transformer-based power modules. The advantage of such a solution is that the LF component in the supply voltage of the HFT modules has low amplitude. However, this solution does not allow the use of a common-mode PWM voltage for the AC-DC VSI.
The structure of the multiport Dual Active Module converter that is presented in detail in this paper is shown in Figure 2b. This DAM structure, unlike the one presented in [17] (Figure 2a), utilizes both differential- and common-mode HF voltage components for the HF transformers. A general comparison of the two-stage and single-stage converters is presented in Table 1.
The proposed DAM converter topology is presented and described in Section 2. The model, circuit design methodology, and control methodology of the DAM converter are provided in Section 3. The proposed converter system is extensively investigated using a SiC MOSFET-based DAM converter laboratory prototype with a rated power of 20 kW, a switching (PWM) frequency of 40 kHz, and a voltage range for the isolated output DC port from 500 to 800 V DC, which can be further expanded in practice by using transformer taps. The experimental results are presented in Section 4.

2. The Proposed Single-Stage Converter with Add-On Modules

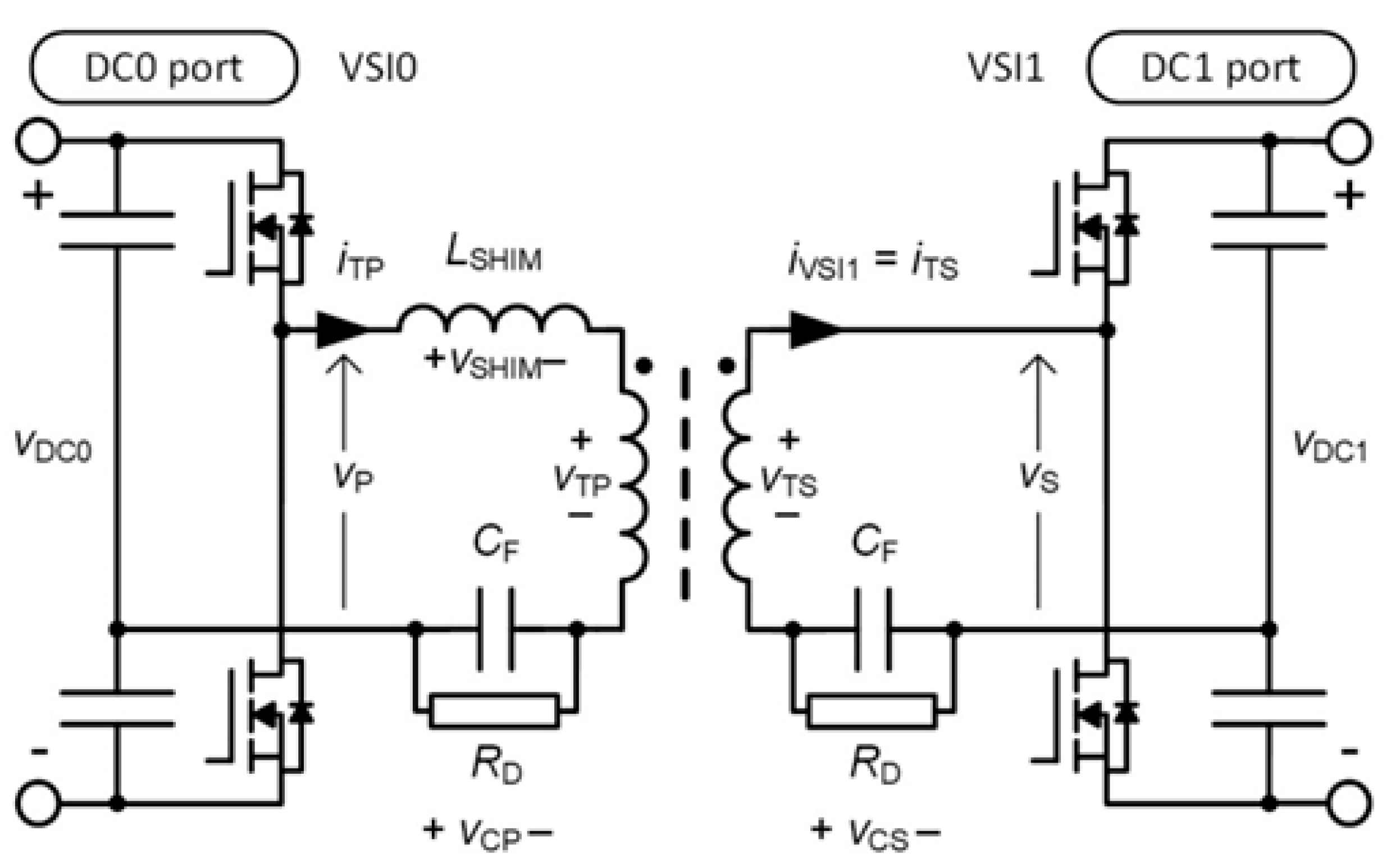
The topology of the proposed single-stage AC-DC DAM converter system comprising a grid AC-DC converter and single HF-DC add-on module is shown in Figure 3. The add-on converter is based on a three-phase, two-level VSI topology. The three HF transformers operate in a double-star (Yy) configuration and are connected from the primary side to the AC terminals of the PWM rectifier (it can be any VSI in practically any other application, including an AC machine DC-AC inverter) and from the secondary (isolated) side to the AC terminals of the add-on module VSI. Regardless of the particular control of the PWM rectifier, in the proposed topology, the voltage on the transformers’ primary side has two major frequency components: the first is an LF component related to the fundamental grid frequency (50/60 Hz), and the second is an HF component related to the PWM rectifier pulse modulation frequency. As mentioned above, the LF voltage component must be suppressed. In the proposed topology, the LF component is filtered by using passive circuits with capacitors CF (see Figure 3). These capacitors are connected in series to both the primary and secondary windings and constitute resonant circuits together with the inductances of the transformers. The resonances are passively damped by using resistors RD.
The particular transformers are connected to the appropriate VSI legs in half-bridge topologies on both sides. The DAM converter constitutes a symmetrical, three-phase circuit. The connections of the HF transformers’ star points with the corresponding VSI midpoints, denoted in Figure 3 with dashed lines, are realized by using additional small DC split capacitors CAUX0 and CAUX1, which constitute a part of the add-on converter. These connections are optional and create the circuit to supply the HF transformers with the common-mode voltage of the PWM rectifier. Therefore, in this configuration, the HF transformers are supplied with both differential- and common-mode voltage components.
v v C t , v SET t
where:
  • v C ( t ) is the carrier (modulating) wave;
  • v SET ( t ) is the set (modulated) wave.
The Double Fourier Transform of function (1) has the general form of Equation (2) [20].
v ( t ) = A 00 2 + n = 1 A 0 n cos n ω SET t + θ SET + B 0 n sin n ω SET t + θ SET + m = 1 A m 0 cos m ω C t + θ C + B m 0 sin m ω C t + θ C + + m = 1 n = ( n 0 ) A m n cos m ω C t + θ C + n ω SET t + θ SET + B m n sin m ω C t + θ C + n ω SET t + θ SET
The first part of this equation expresses a DC component of the impulse voltage. The second part is a sum that defines the fundamental and baseband harmonics. The next sum defines the carrier wave harmonics, and the last part of the equation, the double sum, expresses the sideband harmonics around the carrier wave. In this equation, n denotes the order of the set voltage harmonic, and m denotes the order of the carrier wave harmonic. For a half-bridge converter controlled with a triangular carrier wave and sinusoidal set voltage wave, the instants of transistor switching are as follows:
t UP = 2 π p π 2 1 + M cos ω SET t , p = 0 , 1 , 2 ,
t DOWN = 2 π p + π 2 1 + M cos ω SET t , p = 0 , 1 , 2 ,
for switching from the lower transistor to the upper transistor and for the opposite, respectively. In (3) and (4), M is the modulation index, and ωSET denotes the angular frequency of the set voltage. For this case, since there is no DC component, the coefficient is A00 = 0, and the general Equation (2) takes the form of (5), where J denotes the appropriate Bessel function [22].
v P t = v S t = v DC M cos ω SET t + θ SET LF + 4 v DC π m = 1 1 m J 0 m π 2 M sin m π 2 cos m ω C t + θ C HF 1 + + 4 v DC π m = 1 n = 1 m J n m π 2 M sin m + n π 2 cos m ω C t + θ C + n ω SET t + θ SET HF 2
Here, LF denotes the low-frequency component, HF1 denotes the high-frequency components that are a multiple (harmonic) of the carrier (switching) frequency, and HF2 denotes the high-frequency components occurring in sidebands around the carrier (switching) frequency harmonics.
Exemplary carrier and sideband harmonics for vPvTP derived from (5) are depicted in Figure 4a. These voltage harmonics are also valid for vSvTS. In the case of no connection of the HFT circuits with the converter’s DC midpoints, the three half-bridge circuits become a single three-phase, full-bridge circuit, and the carrier-frequency voltage component (common-mode voltage component of the grid converter) is no longer present; this case is shown in Figure 4b.
It is clear from Figure 4 that the converter with optional DC midpoint connections ensures a substantially higher value of the transformers’ desirable high-frequency voltage components. Therefore, it provides higher power conversion capability, lower currents for the same operating power point, and, thus, lower overall converter losses, assuming the same circuit parameters.
The application of the add-on HF-DC module does not affect the circuit of the grid converter, nor its control. This is because the add-on power module (or modules) is fed from the AC voltages of the PWM rectifier VSI, which constitute voltage sources. Thus, the add-on module does not affect this voltage and, in consequence, also does not influence the PWM rectifier’s grid current control. However, the add-on HF-DC converter imposes additional power drain from, or supply to, the DC0 port. The power balance is naturally provided by the VDC0 voltage controller, which is always present in a grid-connected VSI.
In the DAM converter, energy can be transformed into all possible combinations of directions and power levels between the AC and DC ports. Figure 5 shows a power flow diagram for the proposed modular DAM converter system. The diagram in Figure 5a depicts the case of energy transfer from the AC port to all DC ports, neglecting losses, whereas the diagram in Figure 5b shows the opposite power flow in the add-on modules. In any case, the total (resultant) power at the DC ports is supplied by the grid and converted by the AC/DC VSI. This power is related to the grid frequency (50/60 Hz) currents. The power at the isolated DC1 to DCN ports is related to the high-frequency PWM voltage and current components. This power circulates in the AC/DC converter and is transferred by the HF/DC add-on converters.

3. DAM Converter Design and Control

It is clear from Figure 3 that the proposed DAM converter constitutes two main functional parts: a PWM rectifier and an isolated HF-DC add-on module (or several modules). The PWM rectifier in this solution can be replaced with any AC-DC VSI-based converter. This AC-DC converter can be controlled with any possible control system. As this part of the DAM converter is not specific, its design and control are outside of the scope of this paper.
The specific part of the DAM converter is the HF/DC add-on module, which comprises three identical circuits. Each of these circuits consists of HF transformers with additional CF and RD passive components. The HF transformers are connected at both the primary and secondary sides in a half-bridge converter configuration, with the use of additional, optional DC split capacitors CAUX1 and CAUX2. Assuming the presence of these circuits with DC split capacitors and constant voltages at both the DC0 and DC1 ports, all three converter power circuits are independent of each other and can be analyzed and designed based on the equivalent single-phase circuit shown in Figure 6.
The topology of the add-on module is similar to the topology of a DAB converter but in half-bridge configuration. The consequence of the half-bridge topology is that the vP and vS voltages are equal to ±0.5 vDC0 and ±0.5 vDC1, respectively; these are two times lower than the corresponding values in a full-bridge topology. Taking into account that the PWM switching frequency fPWM of both the VSI0 and VSI1 inverters has to be identical (fPWM = fPWM0 = fPWM1), there are, in general, four degrees of freedom for the control of the DAM converter: the PWM frequency, fPWM; the VSI0 duty cycle, D0; the VSI1 duty cycle, D1; and the phase shift angle between VSI0 and VSI1 switching, φ. The duty cycle D0 is determined by the control and operating point of grid converter VSI0; thus, it cannot be freely set to control the add-on power module of the DAM. In opposition to a DAB, in the DAM converter, the duty cycle D0 is not constant (usually D0 = 0.5 in a DAB) and is a periodic function of time with fundamental frequency equal to the grid voltage frequency (50/60 Hz). Its shape is related to the modulation pattern used for controlling the grid converter (PWM or SVPWM) and fluctuates around 0.5. For PWM, neglecting the voltage drop in the grid-converter LCL coupling circuit (see Figure 3), its min/max values are defined by the following equation:
D 0 , M I N , M A X P W M = 0.5 ± 0.5 M P W M = 0.5 ± 3 2 v A C , p h 2 V D C 0
where MPWM is the modulation index.
For SVPWM, the corresponding equation is as follows:
D 0 , M I N , M A X S V P W M = 0.5 ± 0.5 M S V P W M = 0.5 ± 3 2 v A C , p h 4 V D C 0
It is clear from (6) and (7) that the modulation index for the same grid converter operating point is higher in the case of PWM switching, and the quotient of the modulation index values is
M P W M / M S V P W M = 2 3 3
The transients of duty cycle D0 for both PWM and SVPWM, obtained for the same grid and DC0 voltages, are shown in Figure 7.
The modulation (PWM or SVPWM) used to control the grid converter also implies the presence of voltage baseband harmonics [22]. It can be derived from (4) that for grid converter control with PWM, there are no baseband voltage harmonics (Figure 8a), and for SVPWM, there are baseband voltage harmonics (Figure 8b) of the following orders:
n = 3 + 9 k , k
The impact of both the time-varying duty cycle D0 and baseband voltage harmonics on the operation of the add-on HF-DC module, as well as the DAM’s converter efficiency, are discussed later in this paper.
For a given instantaneous value of duty cycle D0, the power transferred by the add-on HF-DC module can be controlled by switching the VSI1 inverter to the same (D = D0 = D1) or a different (D0D1) duty cycle and freely setting the shift angle φ. One possible reason to have differing duty cycles would be to maximize converter efficiency. In [20], the results of extensive efficiency optimization research on a converter similar to the DAM proved that control realized with different duty cycles for both VSIs provided virtually no improvement in converter efficiency. For this reason, there is no point in setting different D0 and D1, and the power of the add-on HF-DC module is to be controlled exclusively by varying the shift angle φ.
  • The design procedure for critical DAM converter circuit parameters must be realized in several consecutive steps, including the selection of
  • The transformer ratio nTR;
  • The switching frequency fPWM;
  • The series inductance LSERIES = LSHIM + Lσp + Lσs, where LSHIM is the inductance of the shim inductor, and Lσp and Lσs denote the equivalent transformer leakage inductances on the primary and secondary sides;
  • The filter capacitor value CF;
  • The main (magnetizing) inductance of the transformers, LM;
  • The damping resistor value RD.
The selection of the transformer ratio nTR for the DAM converter is the same as that for a DAB converter. Operation of the DAM converter with a vDC1-to-vDC0 voltage ratio of nTR provides maximum converter efficiency and minimum transformer current. Thus, it should be selected considering the specific application of the converter. In this paper, the results are shown for nTR = 1.
The selection of the switching frequency fPWM is a multidomain process that specifically affects the VSI switching losses, transformer losses, and transformer size. It can be focused on converter losses or size optimization, which is application-specific and beyond the scope of this paper.
The selection of LSERIES, CF, and LM is interrelated and is based on a single-phase, small-signal model derived from the circuit shown in Figure 6. The model is shown in Figure 9, and its frequency response is shown in Figure 10. The capacitors CF, together with the magnetizing inductance LM of the transformers, act as a low-pass filter with the aim to effectively filter the LF voltage components present in vP and shown in Figure 8. The components include the harmonic of the grid voltage frequency (50/60 Hz) for PWM and the baseband harmonics of the orders defined by (9) for SVPWM control. From the frequency response, to effectively filter these voltage components, the LF resonance peak (Figure 10) must be set higher than these components. There is also a parasitic HF resonance peak resulting from resonance between CF and LSERIES, which must be set lower than fPWM with a sufficient margin. From the equivalent circuit (Figure 9), the LF and HF resonant frequencies (fRES,LF and fRES,HF) are equal to
f RES , LF = 1 2 π L M C F
f RES , HF = 1 2 π L SERIES 2 C F
The first step of designing the circuit parameters is to select the inductance LSHIM of the shim inductor for given transformer leakage inductances Lσp and Lσp. The resulting summary series inductance LSERIES has to provide the required control characteristics. The condition for LSERIES is as follows [16]:
L S E R I E S < n T R v D C 0 v D C 1 8 f P W M P D C 1 , M A X 1 4 2 v A C , R M S v D C 0 2
Similarly to that for a DAB converter, the shift angle φ corresponding to the nominal power PDC1,NOM must be limited to about 20 degrees in order to limit the circulating non-active transformer current component. The DAM converter control characteristics for two DC1 voltages of the output port (for the minimum value and the value equal to nTR × vDC0) are shown in Figure 11.
The next design step is to set the capacitance CF, which, together with LSERIES, will provide the HF resonant frequency fRES,HF with sufficient clearance below the switching frequency fPWM. For fRES,HF < 0.8 × fPWM, the equation for CF is as follows:
C F = 1 5 . 12 π 2 f RES , HF 2 L SERIES
For a given CF, the transformer magnetizing inductance LM must be set to provide the desired LF resonance value fRES,LF. This frequency is a trade-off among the transformer LF voltage components (see Figure 7), filtering effectiveness, and a low magnetizing current (high value of LM). In addition, to ensure compatibility of the add-on module with SVPWM-controlled grid AC-DC converters, fRES,LF should be placed between the harmonics defined by (7). This avoids the resonance caused by these voltage components. For a supply voltage frequency of 50 Hz, the best compromise value of fRES,LF is 600 Hz. As a result, the equation for LM takes the following form:
L M = 1 4 π 2 f RES , LF C F = 1 1 . 44 10 4 π 2 C F
The purpose of the damping resistors RD is to suppress the resonance that can be excited by harmonics and transient components in vTP, as this voltage is the control output of the grid AC-DC converter and reflects the grid voltage vAC in practice. It has been practically validated that 4.7 kΩ provides sufficient damping while introducing an acceptably low level of additional losses (around 12 W per resistor, 72 W in total).
Table 2 lists the parameters of the 20 kW DAM converter designed through the procedure given above. The results of analyses, simulations, and measurements presented below are consistent with these parameters.
Based on the previous description, it is clear that the specific voltage and current transients of the DAM converter HF-DC add-on module and its main properties are determined by two factors, i.e., the frequency response of the main circuit (Figure 9), including its two resonance peaks, and the transient of the duty cycle D.
Figure 12 shows the voltages and currents of the HF-DC add-on module. The transients correspond to the instant with a duty cycle equal to D = 0.5. The parasitic HF resonant component defined by (11), which is present in the transformer current iTP, increases both its RMS and peak values. This disadvantage of the passive circuit with capacitors CF is compensated by the effective filtering of the low-frequency transformer voltage and current components in this circuit, as shown in Figure 13. For an SVPWM-controlled grid converter, the 50 Hz voltage component is reduced from 325 V to about 2 V. For a PWM-controlled grid converter, there are no low-frequency voltage components above the fundamental (50/60 Hz).
Figure 14 shows the influence of the grid converter modulation index M on the HF-DC add-on module’s transformer current for a constant, nominal load at port DC1. In this picture, an operating point for the typical modulation index of the grid converter, equal to M = 0.75, is marked with a red dashed line. This point corresponds to 230 V of supply voltage and 750 V at port DC0. Figure 14 shows that operation of the HF-DC add-on module with a time-varying duty cycle, defined by (6) and (7), results in a substantially higher transformer current as compared to a constant duty cycle equal to 0.5 (typical for a DAB converter).

4. Experimental Results

The laboratory setup of the DAM converter is shown in Figure 15. The main circuit was consistent with that shown in Figure 3. The parameters of the investigated converter are given in Table 2. The HF transformers were based on nanocrystalline toroids of 160 mm diameter from Vacuumschmelze (Hanau, Germany). The shim inductors were based on ferrite cores with an air gap. Measurements were made using a Teledyne-LeCroy MDA810A oscilloscope (Thousand Oaks, CA, USA) and a ZES Zimmer LMG671 power quality analyzer (Oberursel, Germany).
The DAM converter was extensively tested for all the possible power transfer modes between all the converter ports—i.e., AC and DC0, AC and DC1, and DC0 and DC1—for both power directions. Selected results are presented in this paper.
Figure 16 shows the measured voltage transients of the transformer primary windings and CF capacitors—vTP and vCF, respectively—during steady-state operation of the DAM converter with a rated power of 20 kW. The capacitor voltage vCF mainly contains the LF components filtered from the primary voltage vP, which is clearly visible in both the measured spectra shown in Figure 16 and the simulated spectra (Figure 13). The amplitude of the 50 Hz LF voltage component of the transformer winding is equal to 2 V. The dominant LF voltage harmonics are around 600 Hz, which is equal to the lower resonance frequency defined by (10) and passively damped by the RD resistors.
Figure 17 shows the shim inductor voltage vSHIM and transformer current iTP on the primary side for the same nominal operating conditions, which are also consistent with the simulations presented in Figure 13. Both vSHIM and iTP contain negligible levels of LF components. The operating conditions of the shim inductors were the same as those of a DAB converter.
Figure 18, Figure 19, Figure 20 and Figure 21 show the static characteristics as a function of the power PDC1 at the HF-DC add-on module terminal. Positive power values correspond to AC-to-DC conversion (DC load), whereas negative power values indicate DC-to-AC conversion (DC source). Figure 18 and Figure 19 present the characteristics of the HF transformer primary current, both the RMS and peak, as a function of DC1 port load for various voltages at this port. The lowest current values are observed when the vDC1/vDC0 ratio is equal to the transformer turn ratio. Changes in the DC1 port voltage within the range of ±50 V introduce almost no rise in the current. However, above this limit, the current rises substantially. This is similar to DAB operation.
The effect of the DC1 port voltage on the operation of the DAM converter is also clearly seen from the converter efficiency characteristics shown in Figure 20 and Figure 21. These characteristics were obtained for converter operation with both PWM and SVPWM. Operation with SVPWM allows for better utilization of DC voltage and thus allows for a lower modulation index. On the other hand, SVPWM introduces LF voltage components defined by (7). The former has a positive impact on efficiency, whereas the latter has a negative impact. These characteristics show that for an operating point with similar DC0 and DC1 voltages, higher efficiency is obtained with PWM control, but with a relatively large difference in DC0 and DC1 voltages, higher efficiency is obtained with SVPWM control. Therefore, in applications which allow for selecting the modulation strategy, it is beneficial to select PWM or SVPWM control according to the DAM converter’s operating point.
The input (grid-side) power factor (PF) of the DAM converter is independent of the power flow direction and of the DC1 port voltage, as shown in Figure 22. The characteristics also demonstrate the high quality of the DAM converter grid current, proving no influence of the add-on HF-DC modules on the operation of the PWM rectifier.
Substantially improved efficiency of the DAM converter and lower currents of the transformer and grid VSI can be achieved when the load at port DC1 is not greater than the load at port DC0. This property is confirmed by the static characteristics shown in Figure 23. Therefore, the DAM converter is best suited for applications where isolated add-on DC ports complement the non-isolated DC port of a PWM rectifier.

5. Conclusions

In this paper, we proposed a novel concept for a modular converter system with HF-DC add-on converter modules that can be added to a common PWM rectifier or AC drive converter to provide auxiliary isolated DC ports. The add-on modules do not require any hardware (main circuits) or software (control) changes. The proposed Dual Active Module (DAM) enables bidirectional power transfer among the AC, DC0, and DC1 ports while maintaining a minimum transistor count, and multiple modules can be installed to build a converter system with virtually any number of isolated DC ports.
A single HF-DC add-on module provides a significant increase in available high-frequency voltage components due to the use of both differential- and common-mode PWM excitation, which improves power transfer capability, reduces currents, and lowers losses. Each module operates independently of the host converter and does not influence the AC-DC stage, although the topology requires passive RC filtering to suppress the low-frequency transformer voltage component, which introduces additional power losses.
Compared with the single-stage solution in [17], which does not utilize the common-mode voltage component of the PWM rectifier, the proposed DAM fully uses both HF components and therefore ensures a higher level of transformer excitation. The DAM also preserves modularity and add-on functionality, unlike the D3AB topology in [18], where the DC-DC stage directly affects the rectifier coupling circuit and prevents scalable multiport expansion.
Analytical considerations, simulations, and experimental results were obtained for a 20 kW DAM converter, which confirmed the correct operation of the proposed concept. In this work, we also introduced a modular converter architecture based on independent HF-DC add-on modules that can be seamlessly integrated with a standard AC-DC stage. The benefits of the DAM converter, especially in applications where the power needed at the isolated DC port is lower than at the non-isolated port, were discussed.
The 20 kW power rating was chosen to meet the objectives of the lab setup: experimentally verifying the proposed solution in real-life conditions; obtaining approximate experimental relationships useful for dimensioning, scaling, and designing the system (due to the complexity of the processes and the very complicated analytical description); and evaluating the solution’s bottlenecks.
The experimental results showed a large impact on converter efficiency due to voltage mismatches in the DC circuits of both the DC0 and DC1 modules. It is recommended that the voltage difference between these circuits should not exceed 10% (taking into account the HFT turn ratio). The next relevant factor relates to the precision of LF component filtration for the HFT voltage. The capacitor used for this purpose—a simple low-pass RC filter (Figure 3, Figure 5 and Figure 9)—reduced the LF component of the HFT voltage to approximately 4%. Hence, increased losses were observed in the transformer core. Additional losses of about 0,4-0,5% of the maximum power of the 20 kW system were contributed by the resistors shunting the capacitors to eliminate uncontrolled resonance.
Load imbalances in the DC0 and DC1 ports also contributed to the losses. This is clearly shown in the energy flow diagram in Figure 5. The results of this study (Figure 22) also clearly show that the proposed system performs optimally when the total DC load power of the additional converter modules (DC1) does not exceed the DC load power of the grid converter (DC0).
An essential feature of the proposed DAM system is the fact that the DC1 module, similarly to the DC0 module, can be equipped with an LCL (or only L) filter connecting a three-phase transistor bridge with a second AC source. The circuit from Figure 3, modified in this way, would enable the coupling of two DC ports and two AC ports. In general, any additional HF-DC module can be used to separate two additional ports, one DC and one AC. However, the frequency of the LF component for each AC port may vary, as power transfer occurs mainly at the carrier frequency, as shown in the spectra in Figure 4a and Figure 13.
Further work will include an extended efficiency analysis under overload conditions with consideration of the converter subassemblies, as well as an investigation of the DC-to-AC operating mode. Additional studies will quantitatively evaluate the power losses and scalability of the proposed modular architecture when multiple HF-DC add-on modules are employed. Future work will also focus on optimizing the components and design of the proposed system. In addition, independent work related to the concept shown in Figure 2a, featuring a very small LF component of the HFT transformer voltage, will be carried out.

Author Contributions

Conceptualization, R.S.; methodology, R.S., D.W. and P.B.D.; software, P.B.D. and D.W.; validation, D.W., P.B.D., P.M. and R.S.; formal analysis, D.W. and P.B.D.; investigation, P.B.D., D.W. and R.S.; resources, P.B.D., P.M., D.W. and N.S.; data curation, P.B.D., D.W. and P.M.; writing—original draft preparation, D.W. and P.B.D.; writing—review and editing, P.B.D., P.M. and N.S.; visualization, D.W. and P.B.D.; supervision, R.S. and P.M.; project administration, R.S. and P.M.; funding acquisition, R.S. All authors have read and agreed to the published version of the manuscript.

Funding

This work was realized under the Intelligent Development Operational Program 2014–2020 co-financed by the European Regional Development Fund — agreement within NCBiR project No: POIR.01.01.01-00-1399/20-00 “Self-adaptive fast and ultra-fast charging systems for electric vehicles using Cubic System technology”.

Data Availability Statement

The original contributions presented in this study are included in the article. Further inquiries can be directed to the corresponding author.

Conflicts of Interest

The authors Pawel B. Derkacz, Pawel Milewski, Daniel Wojciechowski, and Ryszard Strzelecki were employed by the company Arex—(WB Group). The remaining authors declare that the research was conducted in the absence of any commercial or financial relationships that could be construed as potential conflicts of interest.

Abbreviations

The following abbreviations are used in this manuscript:
DABDual Active Bridge
DAMDual Active Module
EVElectric vehicle
HFHigh frequency
HFTHigh-Frequency Transformer
LFLow frequency
MWMulti-winding
PFPower factor
PWMPulse width modulation
PVPhotovoltaic
SiCSilicon carbide
SVPWMSpace vector pulse width modulation
VSIVoltage source inverter
V2GVehicle-to-grid

References

  1. Waltrich, G.; Duarte, J.L.; Hendrix, M.A.M. Multiport Converter for Fast Charging of Electrical Vehicle Battery. IEEE Trans. Ind. Appl. 2012, 48, 2129–2139. [Google Scholar] [CrossRef]
  2. Arena, G.; Chub, A.; Lukianov, M.; Strzelecki, R.; Vinnikov, D.; De Carne, G. A comprehensive review on DC fast charging stations for electric vehicles: Standards, power conversion technologies, architectures, energy management, and cybersecurity. IEEE Open J. Power Electron. 2024, 5, 1573–1611. [Google Scholar] [CrossRef]
  3. Lukianov, M.; Derkacz, P.; Strzelecki, R. Multi Active Bridge converter with DPS modulation for bidirectional EV charging from DC traction grid. In Proceedings of the IECON 2024-50th Annual Conference of the IEEE Industrial Electronics Society, Chicago, IL, USA, 3–6 November 2024; IEEE: Piscataway, NJ, USA, 2024; pp. 1–7. [Google Scholar] [CrossRef]
  4. Rouhani, M.; Kish, G.J. Multiport DC–DC–AC Modular Multilevel Converters for Hybrid AC/DC Power Systems. IEEE Trans. Power Deliv. 2020, 35, 408–419. [Google Scholar] [CrossRef]
  5. Huber, L.; Kumar, M.; Jovanovic, M.M. Analysis, design, and evaluation of three-phase three-wire isolated ac-dc converter implemented with three single-phase converter modules. In Proceedings of the 2016 IEEE Applied Power Electronics Conference and Exposition (APEC), Long Beach, CA, USA, 20–24 March 2016; pp. 38–45. [Google Scholar] [CrossRef]
  6. Feng, F.; Wu, F.; Gooi, H.B. Impedance Shaping of Isolated Two-Stage AC-DC-DC Converter for Stability Improvement. IEEE Access 2019, 7, 18601–18610. [Google Scholar] [CrossRef]
  7. Gu, L.; Jin, K. A Three-Phase Isolated Bidirectional AC/DC Converter and its Modified SVPWM Algorithm. IEEE Trans. Power Electron. 2015, 30, 5458–5468. [Google Scholar] [CrossRef]
  8. Das, D.; Weise, N.; Basu, K.; Baranwal, R.; Mohan, N. A Bidirectional Soft-Switched DAB-Based Single-Stage Three-Phase AC–DC Converter for V2G Application. IEEE Trans. Transp. Electrif. 2019, 5, 186–199. [Google Scholar] [CrossRef]
  9. Sayed, M.A.; Suzuki, K.; Takeshita, T.; Kitagawa, W. Soft-Switching PWM Technique for Grid-Tie Isolated Bidirectional DC–AC Converter with SiC Device. IEEE Trans. Ind. Appl. 2017, 53, 5602–5614. [Google Scholar] [CrossRef]
  10. Koushki, B.; Safaee, A.; Jain, P.; Bakhshai, A. A bi-directional singlestage isolated AC-DC converter for EV charging and V2G. In Proceedings of the 2015 IEEE Electrical Power and Energy Conference (EPEC), London, ON, Canada, 26–28 October 2015; pp. 36–44. [Google Scholar] [CrossRef]
  11. Chambayil, A.; Chattopadhyay, S. A Dual Active Bridge Converter with Multiphase Boost Interfaces for Single-Stage Bidirectional DC–AC Conversion. IEEE Trans. Ind. Appl. 2021, 57, 2638–2653. [Google Scholar] [CrossRef]
  12. Kim, J.-T.; Park, S.-M. Simple and Seamless PWM Scheme of Isolated Bidirectional AC–DC Converter for Reducing Voltage Spike. IEEE Trans. Power Electron. 2022, 37, 9443–9454. [Google Scholar] [CrossRef]
  13. Singh, A.K.; Deshpande, P.P.; Panda, S.K. A single-stage isolated bidirectional matrix based AC-DC converter for energy storage. In Proceedings of the IECON 2017—43rd Annual Conference of the IEEE Industrial Electronics Society, Beijing, China, 29 October–1 November 2017; pp. 2744–2749. [Google Scholar] [CrossRef]
  14. Dao, N.D.; Lee, D.-C. Modulation of Bidirectional AC/DC Converters Based on Half-Bridge Direct-Matrix Structure. IEEE Trans. Power Electron. 2020, 35, 12657–12662. [Google Scholar] [CrossRef]
  15. Kim, H.; Belkamel, H.; Park, J.; Hakim, R.M.; Choi, S. Modular Threephase Single-stage Isolated AC-DC Converter for Electrolytic Capacitorless EV DC Charging. In Proceedings of the 2020 IEEE 9th International Power Electronics and Motion Control Conference (IPEMC2020-ECCE Asia), Nanjing, China, 29 November–2 December 2020; pp. 1573–1578. [Google Scholar] [CrossRef]
  16. Zhang, Z.; Mallik, A.; Khaligh, A. A High Step-Down Isolated ThreePhase AC-DC Converter. IEEE J. Emerg. Sel. Top. Power Electron. 2018, 6, 129–139. [Google Scholar] [CrossRef]
  17. Lee, J.; Jeong, H.; Le, T.-T.; Choi, S. Three-Phase Single-Stage Bidirectional CCM Soft-Switching AC–DC Converter with Minimum Switch Count. IEEE Trans. Power Electron. 2023, 38, 2052–2062. [Google Scholar] [CrossRef]
  18. Krismer, F.; Hatipoglu, E.; Kolar, J.W. Novel Isolated Bidirectional Integrated Dual Three-Phase Active Bridge (D3AB) PFC Rectifier. In Proceedings of the 2018 International Power Electronics Conference (IPEC-Niigata 2018-ECCE Asia), Niigata, Japan, 20–24 May 2018; pp. 3805–3812. [Google Scholar] [CrossRef]
  19. Heller, M.J.; Krismer, F.; Kolar, J.W. EMI Filter Design for the Integrated Dual Three-Phase Active Bridge (D3AB) PFC Rectifier. IEEE Trans. Power Electron. 2022, 37, 14527–14546. [Google Scholar] [CrossRef]
  20. Heller, M.J.; Krismer, F.; Kolar, J.W. Modulation Scheme Optimization for a Dual Three-Phase Active Bridge (D3AB) PFC Rectifier Topology. In Proceedings of the 2019 20th Workshop on Control and Modeling for Power Electronics (COMPEL), Toronto, ON, Canada, 17–20 June 2019; pp. 1–8. [Google Scholar] [CrossRef]
  21. Heller, M.J.; Krismer, F.; Kolar, J.W. Quad-Port AC–DC–DC–AC Operation of Isolated Dual Three-Phase Active Bridge Converter. In Proceedings of the 2021 IEEE Applied Power Electronics Conference and Exposition (APEC), Phoenix, AZ, USA, 14–17 June 2021; pp. 1643–1650. [Google Scholar] [CrossRef]
  22. Holmes, D.G.; Lipo, T.A. Pulse Width Modulation for Power Converters: Principles and Practice; IEEE: Piscataway, NJ, USA, 2003. [Google Scholar] [CrossRef]
Figure 1. Structures of two-stage, multiport AC-DC converter systems with (a) separate DC-DC DAB converters, (b) common primary-side inverter, and (c) multi-winding (MW) high-frequency transformer.
Figure 1. Structures of two-stage, multiport AC-DC converter systems with (a) separate DC-DC DAB converters, (b) common primary-side inverter, and (c) multi-winding (MW) high-frequency transformer.
Energies 19 00085 g001
Figure 2. Proposed structures for single-stage, multiport AC-DC converter systems with (a) HFTs connected in parallel with LCL coupling circuit inductor or (b) HFTs connected at grid converter AC terminals.
Figure 2. Proposed structures for single-stage, multiport AC-DC converter systems with (a) HFTs connected in parallel with LCL coupling circuit inductor or (b) HFTs connected at grid converter AC terminals.
Energies 19 00085 g002
Figure 3. Proposed AC-DC converter system comprising PWM rectifier and single add-on HF-DC module.
Figure 3. Proposed AC-DC converter system comprising PWM rectifier and single add-on HF-DC module.
Energies 19 00085 g003
Figure 4. Transformer primary-winding voltage spectra around switching frequency for converter configurations (a) with and (b) without connection between transformer star points and DC midpoints.
Figure 4. Transformer primary-winding voltage spectra around switching frequency for converter configurations (a) with and (b) without connection between transformer star points and DC midpoints.
Energies 19 00085 g004
Figure 5. Energy transfer flowchart for DAM converter system, for cases of power drained from all DC ports (a) and power supplied to DC ports of add-on modules (b).
Figure 5. Energy transfer flowchart for DAM converter system, for cases of power drained from all DC ports (a) and power supplied to DC ports of add-on modules (b).
Energies 19 00085 g005
Figure 6. Single-phase circuit of HF-DC add-on module.
Figure 6. Single-phase circuit of HF-DC add-on module.
Energies 19 00085 g006
Figure 7. Transients of duty cycle D1 for grid converter controlled with PWM or SVPWM.
Figure 7. Transients of duty cycle D1 for grid converter controlled with PWM or SVPWM.
Energies 19 00085 g007
Figure 8. Baseband harmonics of grid-converter VSI1 voltage vP, for control system with (a) PWM or (b) SVPWM.
Figure 8. Baseband harmonics of grid-converter VSI1 voltage vP, for control system with (a) PWM or (b) SVPWM.
Energies 19 00085 g008
Figure 9. Small-signal model of HF-DC add-on module of DAM converter.
Figure 9. Small-signal model of HF-DC add-on module of DAM converter.
Energies 19 00085 g009
Figure 10. Frequency response of HF-DC power module circuit model (a) from vP to vTR and (b) from vP to iTP.
Figure 10. Frequency response of HF-DC power module circuit model (a) from vP to vTR and (b) from vP to iTP.
Energies 19 00085 g010
Figure 11. Control characteristics of DAM converter.
Figure 11. Control characteristics of DAM converter.
Energies 19 00085 g011
Figure 12. Primary-side voltages and current of HF-DC power module operating with 20 kW load at port DC1.
Figure 12. Primary-side voltages and current of HF-DC power module operating with 20 kW load at port DC1.
Energies 19 00085 g012
Figure 13. Spectra of voltages and transformer current of HF-DC module operating with 20 kW power at port DC1 and for grid converter controlled with SVPWM.
Figure 13. Spectra of voltages and transformer current of HF-DC module operating with 20 kW power at port DC1 and for grid converter controlled with SVPWM.
Energies 19 00085 g013
Figure 14. Influence of grid converter modulation index on impulse transformer RMS and peak current values.
Figure 14. Influence of grid converter modulation index on impulse transformer RMS and peak current values.
Energies 19 00085 g014
Figure 15. The laboratory setup of the DAM converter.
Figure 15. The laboratory setup of the DAM converter.
Energies 19 00085 g015
Figure 16. Transformer voltage and CF capacitor voltage during operation with nominal power 20 kW, with load at port DC1.
Figure 16. Transformer voltage and CF capacitor voltage during operation with nominal power 20 kW, with load at port DC1.
Energies 19 00085 g016
Figure 17. Shim inductor voltage and transformer current during operation with nominal power 20 kW, with load at port DC1.
Figure 17. Shim inductor voltage and transformer current during operation with nominal power 20 kW, with load at port DC1.
Energies 19 00085 g017
Figure 18. Static characteristics of transformer effective current.
Figure 18. Static characteristics of transformer effective current.
Energies 19 00085 g018
Figure 19. Static characteristics of transformer peak current.
Figure 19. Static characteristics of transformer peak current.
Energies 19 00085 g019
Figure 20. Efficiency characteristics of the proposed DAM converter controlled with SVPWM for source (negative power values) and load (positive power values) exclusively on the isolated DC1 port, for various output voltage values.
Figure 20. Efficiency characteristics of the proposed DAM converter controlled with SVPWM for source (negative power values) and load (positive power values) exclusively on the isolated DC1 port, for various output voltage values.
Energies 19 00085 g020
Figure 21. Efficiency characteristics of the proposed DAM converter controlled with PWM for source (negative power values) and load (positive power values) exclusively on the isolated DC1 port, for various output voltage values.
Figure 21. Efficiency characteristics of the proposed DAM converter controlled with PWM for source (negative power values) and load (positive power values) exclusively on the isolated DC1 port, for various output voltage values.
Energies 19 00085 g021
Figure 22. The input (grid-side) power factor of the DAM converter for source (negative power values) and load (positive power values) exclusively on the isolated DC1 port, for various output voltage values.
Figure 22. The input (grid-side) power factor of the DAM converter for source (negative power values) and load (positive power values) exclusively on the isolated DC1 port, for various output voltage values.
Energies 19 00085 g022
Figure 23. Characteristics of transformer effective current, AC-DC grid converter effective current, and DAM converter efficiency for various ratios of load at non-isolated port DC0 and isolated port DC1.
Figure 23. Characteristics of transformer effective current, AC-DC grid converter effective current, and DAM converter efficiency for various ratios of load at non-isolated port DC0 and isolated port DC1.
Energies 19 00085 g023
Table 1. Comparison of selected isolated AC-DC converters.
Table 1. Comparison of selected isolated AC-DC converters.
PropertyTwo Stages
(Figure 1a)
Two Stages
(Figure 1b)
Two Stages
(Figure 1c)
D3AB
[18]
Single Stage
(Figure 2a)
Proposed DAM
(Figure 2b)
Transistor count (single isolated DC port)14 to 1814 to 1814 to 18121212
Transformer LF
voltage
component
zerozerozerolowvery lowvery low
Utilization of common mode voltagen/an/an/ayesnoyes
Modularityyesyesyesnoneyesyes
Add-on
functionality
yesyesyesnoneyesyes
Expected
efficiency
mediummediummediumhighhighhigh
Table 2. Circuit parameters of 20 kW single-stage DAM converter.
Table 2. Circuit parameters of 20 kW single-stage DAM converter.
ParameterValueUnit
Supply voltage3 × 400VRMS
Supply voltage frequency50Hz
Voltage of DC0 port750V DC
Voltage of DC1 port500 to 800V DC
Switching frequency40kHz
Transformer turn ratio1:1-
Transformer magnetizing inductance LM15mH
Transformer prim./sec. leakage inductance Lσ3.3µH
Shim inductor LSHIM15µH
Filter capacitor CF2.35µF
Damping resistor RD4.7kΩ
Grid-coupling LCL circuit L1 inductor125µH
Grid-coupling LCL circuit L2 inductor48µH
Grid-coupling LCL circuit C capacitor40µF
DC port capacitors1mF
Disclaimer/Publisher’s Note: The statements, opinions and data contained in all publications are solely those of the individual author(s) and contributor(s) and not of MDPI and/or the editor(s). MDPI and/or the editor(s) disclaim responsibility for any injury to people or property resulting from any ideas, methods, instructions or products referred to in the content.

Share and Cite

MDPI and ACS Style

Derkacz, P.B.; Milewski, P.; Wojciechowski, D.; Strzelecka, N.; Strzelecki, R. Modular, Multiport AC-DC Converter with Add-On HF Isolating Units. Energies 2026, 19, 85. https://doi.org/10.3390/en19010085

AMA Style

Derkacz PB, Milewski P, Wojciechowski D, Strzelecka N, Strzelecki R. Modular, Multiport AC-DC Converter with Add-On HF Isolating Units. Energies. 2026; 19(1):85. https://doi.org/10.3390/en19010085

Chicago/Turabian Style

Derkacz, Pawel B., Pawel Milewski, Daniel Wojciechowski, Natalia Strzelecka, and Ryszard Strzelecki. 2026. "Modular, Multiport AC-DC Converter with Add-On HF Isolating Units" Energies 19, no. 1: 85. https://doi.org/10.3390/en19010085

APA Style

Derkacz, P. B., Milewski, P., Wojciechowski, D., Strzelecka, N., & Strzelecki, R. (2026). Modular, Multiport AC-DC Converter with Add-On HF Isolating Units. Energies, 19(1), 85. https://doi.org/10.3390/en19010085

Note that from the first issue of 2016, this journal uses article numbers instead of page numbers. See further details here.

Article Metrics

Back to TopTop