Abstract
This article addresses the current issue of energy consumption in the hydraulic drive systems of working machines, with particular emphasis on elevators. This paper describes the results of experimental comparative research and estimation of energy and time consumption for two drive systems of a hydraulic indirect elevator. The purpose of this article is to compare the energy consumption of a typical multi-valve system (MV) system with that of an innovative new electro-hydraulic drive (EHD) system with a variable speed pump. The EHD system uses a frequency converter with an energy recovery module to control the speed of the car in both directions and the return of potential energy during the lowering cycle. The comparison of these drive systems was performed under the same conditions, realizing the same elevator work cycles. This paper proposes methods for estimating the energy consumption of an MV system based on measurement data collected during an experiment. The results indicate that the EHD system was less energy-intensive, even at below 60%. The smaller the load mass, the shorter the operating time of the EHD system compared to the MV system. The introduced coefficients defining the energy consumption per unit of mass and payload displacement showed more than twice the decrease in energy demand during lifting and energy recovery possibility during lowering. The EHD system provides the same coefficient values regardless of the distance traveled, which makes it a predictable system, in contrast to the MV system, especially during lowering cycles. The benefits of the EHD also include a less complex hydraulic system (elimination of most valves).
1. Introduction
In recent years, particular attention has been paid to energy savings and energy recovery. The operation of machinery and devices without considering energy efficiency has a harmful impact on the environment. Among other things, this may contribute to an increase in the greenhouse effect. Therefore, it is very important to look for solutions that will reduce energy consumption and, on the other hand, allow energy to be stored and recovered. At the same time, the issue of performance loss cannot be neglected.
The optimization of energy losses in hydrodynamic processes is of growing interest to researchers around the world. For this purpose, CFD numerical methods are often used. The process of energy optimization of a hydraulic system considering its configuration is presented in the paper [1] Currently, Computational Fluid Dynamics (CFD) is increasingly used to assess the energy efficiency of hydraulic systems. However, they are not completely sufficient or fully reliable. That is why experimental verification studies are so important and necessary. The determination of control parameters for hydraulic systems using the kinetostatic method was presented in [2]. The aim of the analyses was to improve energy efficiency by, among other things, proposing the selection of a suitable recuperation system. An example of interest in the topic of ecology is the testing of a rapeseed-powered hydraulic satellite motor. The test rig was equipped with a power recuperation system. The influence of the operating parameters on, among other things, the motor efficiency was analyzed. The results showed that a motor powered by an environmentally friendly fuel can be as efficient as a motor powered by mineral oil [3].
Energy recovery has been widely discussed for hydraulic equipment for mobile hydraulic heavy machinery, such as excavators, forklifts, and scissor lifts. An energy recovery system for a hydraulic excavator was presented in [4]. In a classic drive, when the boom is lifted, energy is stored and dissipated as heat. This results in reduced energy efficiency and an increased hydraulic oil temperature. As noted by the authors, the use of a radiator increases the cost and dimensions of the machine. Therefore, an energy recovery system based on a three-chamber cylinder was proposed as an alternative solution. One of the chambers was connected to a hydraulic accumulator. Simulations of the new system have shown that energy consumption can be reduced by up to 50.1% during the boom operation.
The article [5] examines the issues involved in proposing to equip drive systems with an electro-hydraulic unit consisting of a hydraulic pump and an electric motor. This configuration additionally provides the possibility of energy recovery. The electrical energy from the unit is used to actuate the loader boom actuator. The efficiency of this solution is approximately 60%. However, this new electrical solution uses only about one-third of the energy required for the same operation in a conventional unit, which translates into energy savings of several tens of percent.
A hydraulic excavator equipped with a conventional PID controller and a PFCV (proportional flow control valve), in which the pressure energy is stored in a hydropneumatic accumulator, was described in [6]. This improved the efficiency of the system by 10%.
An excavator can also be equipped with the PERS (potential energy regeneration system), a valve-motor-generator system and a hydraulic accumulator [7]. The results showed that the efficiency of such a system can be as high as approximately 58%.
The issue of potential energy recovery in hybrid hydraulic excavators was also described by [8]. Simulation results have shown that up to 41% of the energy can be recovered using an AMGERS (accumulator-motorgenerator energy regeneration system).
HPES (hydraulic-pneumatic energy storage) system in excavators has been presented in the case of a 6-ton excavator [9]. It was possible to achieve more than a 44% reduction in energy consumption per operating cycle. The authors noted the possibility of applying the HPES to other lifting machines.
A forwarder with an EHLC (energy-efficient hydraulic lift cylinder) was described [10]. The actuator has an additional motor in its piston rod. With this kind of actuator, it is possible to store potential energy in the form of pressurized oil and use it to lift the load. Up to 3.2% of the total lifting energy can be saved, indicating commercial potential.
Energy-saving issues in a hydraulic forklift, where a hydraulic accumulator was used, and a corresponding special control strategy was developed [11]. The total energy-saving capacity is 19%. The advantage of the proposed system is that only the accumulator and valve set were added to the conventional system, making the modification inexpensive and easy to carry out.
The energy efficiency of machines can also be improved without the use of batteries or supercapacitors. The EERU (Elevator Energy Regenerative Unit) with an inverter drive unit was installed in a lift in a 12-storey building [12]. The authors performed simulations and complementary laboratory tests that proved that up to 43% of the energy could be saved.
The authors [13] proposed a digital energy feedback system. The system was tested on a test-lift platform. The authors predicted a return on investment of 16 months, which proved the feasibility of the system.
A hydraulic excavator with a load-sensing (LS) hydraulic system was discussed in [14]. With this system, it was possible to save 15% of the fuel. Energy losses were minimized by introducing several modifications to the conventional system. Among others, the introduction of a second LS pump was considered. The papers [15,16] also deal with excavators with a boom potential energy recovery system. In both cases, new methods for controlling the energy recovery process are described. In [15], a complex control system was proposed. The energy recovery unit is an electric generator driven by a hydraulic motor in an oil return line. The performance of this system was verified using simulations and experiments, which confirmed the possibility of energy recovery with acceptable control performance.
In [16], it has been noted that hydraulic excavators have low efficiency, which is influenced by the operating characteristics. The new control and proposed energy recovery unit reduced fuel consumption by more than 20% compared with a conventional system.
An energy-efficient forklift truck with an induction machine drive was proposed [17]. This was done to improve the efficiency of the energy recovery system. The standard conventional light forklift is equipped with an electric servo motor drive with speed control of the hydraulic pump. By controlling the pump speed, the amount of oil pumped into the forklift system can be controlled. In an electro-hydraulic forklift, it is also possible to recover the potential energy and load control using an electric servo drive. The maximum efficiency of the energy recovery system can exceed up to 66.2% [18].
The article [19] presents energy consumption issues for an electro-hydraulic-driven (EHD) scissor lift. Both the conventional drive and the drive using a combination of a frequency converter, asynchronous motor, and modified valve system were compared. Tests were carried out during lifting and lowering. The upgraded system can consume 67% of the energy that the conventional system consumes. The use of EHD alone has already reduced motor energy consumption to less than 15%.
Other energy issues in the context of scissor lifts are discussed in a previous paper [20]. Here, a typical solution was compared with a new solution using an electro-mechanical actuator (EMA). Tests for a single lifting cycle showed the possibility of saving up to 50% of the energy used.
Extensive opportunities for energy recovery can also be found in hydraulic elevators. When it comes to energy efficiency, EMS (Energy Management Systems) are very important. These systems make it possible to monitor energy consumption and other parameters related to energy balance [21]. A great potential in energy efficiency issues can be seen in hydraulic elevators. These kinds of lifting machines are very important as they are widely used around the world. There is currently a trend toward large concentrations of people in small areas, increasing the need for tall buildings where elevators are essential. These devices account for about 5% of the energy consumed in buildings, which is why their energy efficiency is so important [22]. Elevators annually consume about 1% of electricity in cities [23]. At the same time, elevators in the residential sector account for 36% of energy consumption. This is because their operation is much less intensive [24,25]. To date, the energy issue in the context of elevators has often been neglected [26]. Currently, an increasing number of standards and projects are being developed. The E4 project aims to improve the energy performance of elevators and escalators in the European Union [27]. During the research, elevator motion parameters, among other things, travel cycles and cabin loads, were analyzed. It was found that during standby mode, the elevator can consume up to 80% of the energy needed to power it. This means that measures to save at least some energy are recovered. They include, for example, switching off lights and fans that are in standby mode. In addition, only energy-efficient lighting can be used in lifts [24,25]. Additionally, it is important to analyze elevator motion and simulate real situations to facilitate the effective control of an elevator or elevator assembly [26,28]. Any study concerning normal operating conditions is crucial here. Therefore, energy consumption can be modeled to improve energy efficiency.
For some applications, there is a gradual shift from hydraulic elevators to traction elevators, as the latter uses less energy [7,24]. Hydraulic elevators are used in lower buildings, whereas traction elevators are used in taller buildings [29].
The energy generated by elevators and other devices can be stored in different ways. These storage systems are called ESS (Energy Storage Systems). There are mechanical methods, which include flywheels. This is a proven method for storing energy that provides fast response times, a long service life, and limited maintenance. However, flywheels cannot be used to store energy for long periods [30].
The use of FERS (Flywheel Energy Recovery System) in a slightly modified version, in which the system includes flow regeneration in addition to the flywheel, has been discussed in [31]. This type of system is called an FFERS. A model of the AMESim program showed that for a 4-ton excavator, the extension of the FERS system allowed a 13% improvement in energy efficiency.
There are also electrical methods in ESS, such as commonly used batteries or supercapacitors, and in some applications, both solutions are combined. In addition, hydraulic methods, mainly used in hydraulic servo drives, where energy recovery occurs during piston retraction, have been distinguished [32,33].
The main part of the ERS (Energy Recovery System) in lifting machines is a DC/DC power converter, by which the DC-link of the motor drive is connected to an energy storage device. The advantage of such a system is that excess energy can be returned to the grid using the drive converter. In addition, the system can be powered partially by the grid and partly by an energy storage device. In this case, a lithium-ion battery and a supercapacitor were considered. The results showed that energy savings of up to 20% are possible [32]. The experimental results of the application of nickel metal-hydride batteries (Ni-MH) in energy-efficient elevators showed that up to 31% of energy could be saved [33].
Different lift-control systems proposed in a hydraulic elevator to improve energy efficiency have been presented in [34]. In the case of using an accumulator as a hydraulic counterbalance, it was possible to reduce energy consumption by 70.8% compared to a valve-controlled elevator.
The authors [35] compared the situations of using a pressure accumulator and not using one in a VVVF (Variable Voltage Variable Frequency) hydraulic elevator. The percentage of energy that could be saved in both cases during speed control was determined. The efficiency of the elevator with an accumulator was found to be significantly higher than that without an accumulator: 60% in the first case and 37% in the second.
The use of a hydropneumatic bladder accumulator in a vertical hydraulic motion platform was discussed [36]. The presented system also includes an HPMC (hydraulic pressure multiplier cylinder) whose task is to amplify pressure. Both elements are precisely responsible for the possibility of energy recovery and reuse.
The ESS connected to the DC-link through a bidirectional DC-DC converter was described in the elevator case [37]. In the proposed system, a braking resistor is used, and the energy generated during braking is stored using a supercapacitor. At the same time, online control of the PI controller is possible in the system. The issue of ERS based on supercapacitors and a DC-DC converter was also described [38]. In this case, the DC-link voltage can be regulated based on the lift operating conditions and the grid voltage. This can be achieved using a system with two fuzzy logic controllers. This system is easy to install in any lift system.
A bidirectional Buck-Boost converter has been used in an elevator [39]. It is connected to the inverter DC-bus. Supercapacitors are also part of the system under consideration, from which the stored energy can be transferred to the DC-bus during the acceleration of the elevator car.
The use of a supercapacitor for very high-speed elevators was discussed in [40]. Simulations and experiments were performed, and it was shown that this type of energy storage is possible for this type of lift.
A supercapacitor was considered to balance the load of the lift drive [41]. This solution reduces the energy demand from the electrical grid. A special power circuit is necessary to maintain sufficient efficiency in the charging and discharging cycles of the supercapacitor.
An electro-hydraulic servo mechanism (EHSM) was used to control the speed of the hydraulic lift using a proportional valve and a PI controller [42]. This solution has contributed to an increase in elevator performance, which is indirectly related to the improvement in energy efficiency.
A hybrid lift system with an emphasis on energy recovery and safety improvement, equipped with a hydraulic accumulator, where a supporting torque is generated, has been described in [43]. This situation increases the safety of the elevator in the event of problems or faults. The simulation results have shown that a large amount of energy can be saved. The average energy-saving rate from the tests under various operating conditions is around 33%.
A method of controlling a hydraulic elevator using a variable speed pump can also be the solution to reducing energy consumption [44]. In most lifting system cases, there is a throttling valve that is related to energy losses. In the proposed drive, flow control is performed by changing the pump speed, which improves energy efficiency. It is also possible to use a variable volume pump [45].
The authors [46] proposed a multiple linear regression model. In the model, data on the operation of the lift in a residential building must be considered. Using this solution, it is possible to predict the energy consumption of an elevator. In this study, the energy efficiency of lifts with an ACVVVF drive (AC motor with variable voltage and variable frequency) was compared with that of other elevator drives. The simulation results showed that up to half of the energy consumed annually could be saved. It is worth noting that supercapacitors can act not only as power sources but also as energy buffers during grid constraints, such as power failures [47].
As can be seen above, the issue of energy efficiency in working machinery is closely related to the design of drive and actuator systems. The article [48] reviewed various methods for controlling the movement of a piston rod under different actuator loading conditions. Among the criteria considered were both energy efficiency and energy recovery methods. It was noted that only two drive solutions allow for energy recovery: a frequency converter and a flywheel.
The authors of this paper have developed a prototype indirect elevator EHD equipped with a frequency converter and an energy recovery module [49]. The subject of this paper is the control of the speed of an indirect elevator. The bench is equipped with a variable speed bidirectional pump and a position-sensor-based controller. A characteristic element of the station is also a frequency converter that controls the speed in both directions. Tests carried out show high accuracy in maintaining and controlling speed, as well as lift positioning. This is a more convenient alternative to lift-control systems based on a set of valves. In the newly proposed system, energy recovery is possible due to the storage of potential energy during load lowering. This forms the basis for the study of the energy efficiency of this elevator, which is described in detail in this paper. Additionally, the subject of this indirect elevator was also discussed in a previous paper [50]. Here, however, issues related to the estimation of the inlet pressure level of the hydraulic cylinder, which is the actuator in the lift system, were addressed. Through research, it has been possible to develop a method for the rapid estimation of the operating pressure for similar hydraulic systems based on pressure mapping quality factors. This will allow for more precise and efficient modeling of systems and optimization of the dimensions of hydraulic system components.
The main purpose of this paper is to compare the energy consumption of the most common multi-valve hydraulic elevator drive system with that of the EHD system using a VSFD (variable speed constant displacement) pump. This paper is organized as follows. Section 2 describes the requirements for elevators and the two drive systems that meet these requirements and are compared in terms of energy consumption in this paper. Section 3 presents the test stand, along with the operating parameters and program implementing the given cabin motion trajectory. Section 4 describes the research methodologies and experiments conducted to obtain the results. A comparison of the time and energy consumption of both systems is presented in Section 5. The conclusions and implementation possibilities are presented in Section 6.
2. Problem Statement and Proposed Solution
The car of each elevator must move according to the restrictions resulting from the standards [51,52]). The car acceleration cannot exceed 1 m/s2, and the accuracy of reaching the indicated floor position must be within ±10 mm. To meet these requirements, appropriate systems are used to control the car speed according to a specified velocity diagram. This involves accelerating the car to the transport speed with an appropriate acceleration and then driving at the transport speed. To be able to stop the cabin in the right place, after reaching the appropriate position in the window, the car brakes to a crawling speed, and at this speed, the appropriate cam is reached, which stops the drive system.
In the drive systems of hydraulic or indirect elevators, two solutions are currently used to control the movement of the car. The first is a hydrostatic system, which is equipped with several pressure and throttle valves that are electrically and pressure-controlled. The second solution is based on the technology of proportional valves or servo valves, which are controlled by electrical signals based on values from sensors. Both solutions use a throttling control method, in which the flow of oil is limited by reducing the orifice inside the valves. This is energetically unfavorable because when the car is raised, the pressure in the system increases, and the oil heats up due to friction against the walls inside the valves. The entire lowering process is carried out by throttling the oil on the valves, and the potential energy is converted into heat.
The prototype (EHD) system with a VSFD pump proposed by the authors [28] is an alternative to the currently used solutions and is based on the method of volumetric flow rate control. This makes it possible to freely shape the car’s speed and meet the requirements for elevators. This control method eliminates the increase in pressure in the hydraulic line and the heating of the oil because the flow rate from the pump results from the rotational speed of the electric motor shaft. Additionally, during the car lowering phase, the electric motor works as a generator, and the potential energy can be transferred to the frequency converter.
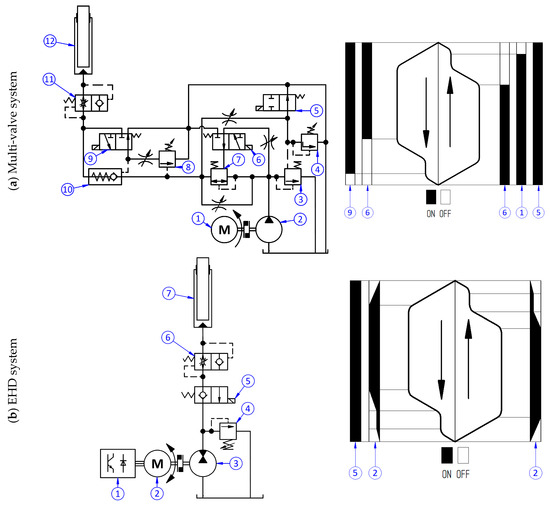
This paper presents a comparison of the power demand and energy consumption of two drive systems—a multi-valve drive system and the proposed EHD system. Hydraulic schemes with velocity diagrams showing the components that need to be powered in both drive systems are shown in Figure 1. A multi-valve system was used for comparison for two reasons. First, the system that is the least energy-intensive was selected by analyzing the elements that needed to be powered during each phase of movement. Considering the number of elements and the power that must be supplied to the valves controlling the direction and flow rate, a more energy-intensive system is a drive using the proportional technique, which requires an appropriate power supply and continuous voltage supply to the valve coils, where the average power consumption of the coil is approx. 30 W.
Figure 1.
Comparison of elevator drive system concepts—hydraulic schemes and car velocity diagrams [48].
In a multi-valve system (Figure 1a), the lifting phase involves activating the electric motor (1), which drives the hydraulic pump (2). The system is secured with a pressure relief valves (3) and (4). The vehicle is secured against free fall by means of a controlled non-return valve (10) and a rupture valve (11). The solenoids of the lowering valve (5) and full-speed valve (6) are simultaneously energized to direct the full flow to actuator (12). Deceleration to creep speed occurs when the power to the valve (6) is cut off, and the flow rate to the actuator is limited by the flow regulator (7). The lowering phase does not require powering the electric motor because the actuator piston rod is retracted into the cylinder under the influence of the weight of the car. To allow the oil to flow from the actuator into the tank at full speed, the full-speed valve (6) and drain valve (9) coils must be energized. Pressure valve (8) protects against an increase in the car speed during the lowering cycle. The change to creep speed is carried out in the same way as during the lifting phase, i.e., cutting off the power supply to the valve (6).
In the proposed EHD system (Figure 1b), with a VSFD pump (3), the lifting and lowering phases are carried out by a frequency converter (1). The electric motor (2) accelerates to the transport speed and decelerates to the crawl speed owing to the start-up time setting in the frequency converter options. During the lowering phase, the lowering valve (5) must be energized to allow the oil to flow from the actuator (7) to the pump. The pressure valve (4) ensures that the system is not overloaded during either the lifting or lowering cycle. The line rupture valve (6) prevents free fall in the event of a hydraulic line failure.
3. Test Stand
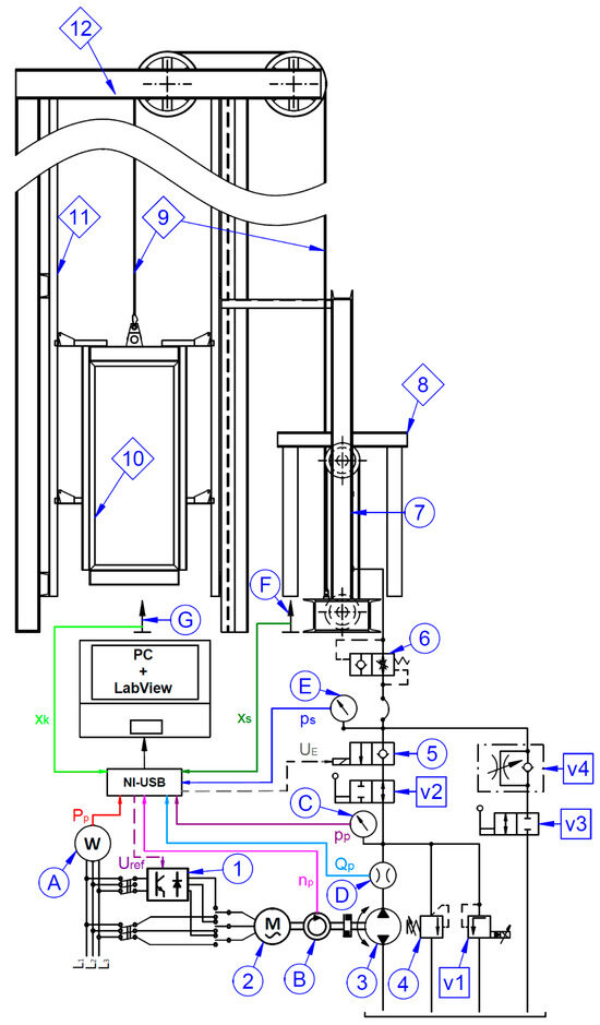
Energy consumption tests were carried out on a prototype stand with the EHD system and a VSFD pump, as shown in Figure 2 and Figure 3. The drive consists of a reversible multi-piston fixed-displacement pump (3) driven by an asynchronous motor (2). The frequency converter with a built-in regenerative energy module (1) is responsible for controlling the motor speed. Using the NI-USB 6434 control and measurement card connected to the computer, signals were sent to the frequency converter and the coil of the 2/2 solenoid valve (5). The card also allows the recording of measurements from encoder (B), pressure sensors (C) and (E), flowmeter (D), position sensor of the actuator (F) and the car (G), as well as output signals from the frequency converter itself. The entire system is powered by a 3-phase AC network, in which a network parameter analyzer (A) is installed. The hydraulic system, secured by a maximum valve (4), is a prototype solution that allows the travel of the car to be controlled. The direction of movement of the actuator and car is controlled by a 2/2 one-way check valve (5), which is normally closed. When the cabin is raised, the oil directed from the pump to the actuator flows through a non-return valve. The use of this valve makes it possible to stop the actuator at any position by turning off the electric motor, i.e., by stopping the pump and oil flow. The lowering is possible only after providing a signal to the coil of the electromagnet. Unlike typical hydraulic solutions based on throttle valves, lowering is fully controlled by controlling the rotational speed of an electric motor using a frequency converter. An additional protection against the uncontrolled lowering of the mechanism is the rupture valve (6), which is screwed into the actuator inlet and closes the oil outflow from the cylinder in the event of a sudden drop in pressure under the piston.
Figure 2.
Schematic of the test stand [48].
Figure 3.
Test stand: (a) overall view, (b) control and measurement system.
The construction of the stand consists of two parts: The first is a double-acting actuator (7) with a built-in structure with a set of 18 weights with a total mass of 400 kg (8) and a system of four pulleys (two in the upper and two in the lower axis of the actuator mounting), through which a rope (9) is wound and anchored in the lower base. The second section is a car weighing 138 kg (10) with a cargo space that moves on guides (11) to prevent swinging in two planes. Both sections are connected by a steel rope with a diameter of 9 mm, pulled through two friction wheels with diameters on the top of a steel structure (12) with a height of 7.14 m, which ensures an appropriate distance between the cabin and the actuator. Installing a structure attached to a hydraulic actuator makes it possible to change the dynamic parameters of the entire station and the actuator itself (after disconnecting the rope) at different flow rates. The list of station elements is shown in Figure 2 and Figure 3. Along with their operating parameters are listed in Table 1. The operational parameters of the elevator are listed in Table 2. In addition, the hydraulic system was equipped with a set of valves (V1–V4), and the possibility of changing the way the electric motor was powered enabled additional tests to be carried out, which are described in Section 4 of this paper.
Table 1.
Components of the test stand [48].
Table 2.
Operational data [48].
4. Methodology and Experimental Tests
To compare the two drive systems presented in Figure 1, appropriate assumptions and preliminary calculations were made. They were necessary because it was impossible to conduct actual tests of the multi-valve system at the stand, which is currently used in such machines. Therefore, the description of the methodology and experimental results is divided into two sections and described separately. All tests were conducted on the same driving units, i.e., an electric motor and a hydraulic pump.
4.1. EHD System Description
Comparative research began with an analysis of the power demand of the laboratory stand using the EHD system. The tests were carried out for payloads transported in the car, respectively mQ [kg] = (0; 105; 210; 314; 419; 524, 627; 732). The elevator operation cycle included lifting the car to a set height of 1.6 m, a 2-s stop, and lowering to the initial position, following the function controlling the speed of the electric motor shaft, as shown in Figure 4, which implemented a typical car speed diagram. The control function was implemented in an algorithm using set starting and braking times and given engine shaft speeds, corresponding to the transport vct and crawling speeds vcc of the cabin. The switching points of the elevator travel stages were based on the indications of the car position sensor compared with the values entered by the control algorithm. The list of system parameters controlling the operation of the frequency converter is presented in Table 3.
Figure 4.
Motor speed control function.
Table 3.
Operational data.
Thanks to the use of a network parameter analyzer, it was possible to record the instantaneous power waveforms during each cycle. The energy values needed to perform each complete elevator travel cycle were calculated using the following formula:
The results obtained on the test stand are presented in the form of instantaneous power and calculated energy waveforms in Figure 5. The data-driven values of instantaneous power and the car transport speed for the lifting Ppu, vctu, and lowering Ppd, vctd cycles, with different mass of transported load were averaged and are presented in Table 4. It also shows the amount of energy that was absorbed for the lifting EEHDu1.6 and lowering EEHDd1.6 cycles. An active load is present during the car lowering cycle. This means that energy flows from the load to the electric motor driving the fixed-displacement pump, which operates in generator mode. Due to the use of a frequency converter with an energy recovery module, it is possible to flow energy toward the power supply network, which is visible in the form of instantaneous power waveforms with values below 0 kW (Figure 5). For the presented test stand, this occurs when the car is lowered with a load weighing equal to or greater than 419 kg. The result is a reduction in the total energy needed to move the car for a complete cycle.
Figure 5.
Results for various payloads in the car during a full cycle of work: (a) power demand; (b) energy consumption.
Table 4.
Measured values of EHD during the lifting and lowering cycles at the transport speed.
4.2. Multi-Valve System Description
The main assumption of the research conducted is to compare identical elevator work cycles with two drive systems. While the power consumption of the EHD system (Figure 2) is easy to measure using a network parameter analyzer, the multi-valve system with parameters similar to those described in this paper was not available for research. This was impossible due to the lack of a test stand using this throttling method of elevator control. Therefore, we decided to investigate the parameters of the system necessary for power estimation during the lifting and lowering of defined payload masses. Due to the different operations of the multi-valve system during lifting and lowering, two measurement methods were developed, using the valves marked as V1–V4 in Figure 2 for the lifting and lowering cycles.
To investigate the energy consumption of the multi-valve system during lifting, the possibility of directly supplying the electric motor from the mains and the use of V1 and V2 valves were investigated. This study aimed to determine the speed at which the shaft of the electric motor would rotate, measure the flow rate of the oil flowing from the pump, and determine the useful power of the system when lifting loads of different masses. The hydraulic system was configured such that the pressure in the system could be varied to simulate the load in the elevator car. The V2 valve was set to cut off the flow of the working fluid to the cylinder of the actuator, and the V1 valve was used to change the pressure in the discharge line of the pump. By increasing the control voltage Up of the V1 pressure valve coil, the pressure in the discharge line of the pump pp was increased. The measurement at a given pressure value lasted 5 s, after which the voltage on the valve V1 coil changed. The waveforms obtained from the tests are shown in Figure 6. The average values of the collected measurements are presented in Table 5. In a system with an electric motor powered directly from the mains, a decrease in the shaft speed and the flow rate from the pump is observed. This is due to the efficiency of both elements, which decreases with increasing pressure.
Figure 6.
Static measurements when changing the pressure in the pump discharge line.
Table 5.
Measurement results during the lifting cycle for a system powered directly by the mains.
Based on the data presented in Table 6, the waveforms of the three variables as a function of pressure were plotted (Figure 7). Using trend lines, the pump rotational speed np, power consumption Pp, and flow Qp were described by equations that made them dependent on the pressure drop on the pump. In the tested system, the pressure of the safety valve (4) was set to about 16 MPa; therefore, at a value close to 14 MPa, the valve opened and allowed some of the liquid into the tank. Therefore, the equation describing the flow from the pump was derived considering measurements up to 13.71 MPa. The actual pressure, power consumption, pump rotational speed, and car speed were estimated using these equations for different masses of cargo transported in the car during the lifting cycle. The collected data are presented in Table 6.
Table 6.
Calculated values for the specific mass loads in the cabin during the lifting cycle.
Figure 7.
Actual power consumption, flow, and rotational speed of the pump.
The high consistency of the vehicle speed obtained from the measurements recorded by the displacement sensor and the flow meter allowed us to assume that the volumetric efficiency of the actuator ηvc is equal to 1. The car speed was estimated from the flow rate measurement according to the following equation, where Ac is the working surface area of the hydraulic cylinder and i is the rope system transmission ratio:
The lifting cycle, as shown in Figure 1a, occurs after switching on the motor by overriding valves 5 and 6 and then moving over cam H1 (Figure 4) and switching off the power supply to valve 6. The instantaneous power consumed by the solenoid coil in the solenoid valves used Pcoil is equal to 30 W. The activation of cam H2 marks the end of the lifting cycle. When the car moves at a creep speed, part of the working fluid is poured through the pressure valve. This causes the pressure in the pump discharge line to increase to the value needed to open the pressure valve pv. The pressure valve setting was 13 MPa (marked with a red dashed line in Figure 7), and the instantaneous power consumption at this pressure, Pv, was 5.3 kW.
Therefore, the power consumption during lifting consists of two elements:
- consumption of the motor-pump system with the control system,
- consumption related to the operation time of valves 5 and 6, respectively, for transport speed (tvctu) and creep speed (tvccu).
Based on the data, the actual values of the car speed during the lifting cycle with a load of a given mass, the assumed lifting height Su, and the positions of the cams H1 and H2, the car movement time at transport tvctu and creep tvccu speed, the total lifting cycle time tMVu, and the energy consumption EMVu in the multi-valve system can be determined according to the following equations:
The time of movement of the car with the transport speed and crawling speed was calculated based on the constant values of the set height Su = 1.6 m and the distance between the cams H2 and H1 (0.2 m). The formulas used the average values of the speeds vctu and vccu from Table 6. The energy used during the lifting cycle is composed of the energy from the instantaneous power for a given pressure and the power required to drive the coils (two for the transport speed and one for the creep speed).
The lowering cycle, according to Figure 1a, is carried out by overriding valves 6 and 9, and then, after reaching cam H3 (Figure 4), the power supply to valve 6 is switched off. Moving to cam H4 ends the working cycle. The power consumption during lowering depends on the number of times the valve coils with known power consumption (Pcoil = 30 W) are switched on. To calculate these times, lowering speed tests were carried out for different masses of the lowered load. Valve 5 was not energized and prevented the reflux of the working fluid into the pump. The elevator car was lifted, and valve V3 was opened, allowing the flow of the working fluid from the cylinder to the tank through throttle valve V4. Throttle valve V4 is responsible for the car lowering the speed of the car, the setting of which was set to a value corresponding to the lifting speed with a load of 730 kg for the transport vctd and creep vccd speeds. The results are presented in Table 7. There is a significant reduction in the speed of the car movement, along with a reduction in the mass of the load transported in it. This increases the lowering cycle time by more than twice that of a fully loaded car.
Table 7.
Measurement results during lowering cycle using throttle valve.
With the assumed lowering displacement Sd, both valves absorb power up to cam H3, and between cams H3 and H4, the power is absorbed only by valve 9. Based on the data from 0 and the assumed displacements and positions of the cams (Table 3), the car movement time at transport tvctd and creep tvccd speed, the total lowering cycle time tMVd, and the energy consumption EMVd in the MV system during the lowering cycle can be determined according to the following equations:
The experimental tests carried out separately for the lifting and lowering cycles made it possible to reproduce the actual operating conditions of an indirect hydraulic elevator with a multi-valve system. Thus, reliable results of energy consumption and duration of individual cycles with transported loads of different masses placed in the elevator car were obtained.
5. Results
The obtained analysis results were used to compare the two drive systems of the indirect elevator, namely, the EHD and MV systems. The test stand described in this paper allows the elevator car to be moved to a height of 2 m, and experimental research was carried out for a displacement of 1.6 m. However, the distance between floors in residential buildings is greater and, depending on the country, can range from 2.5 to 3 m. In office buildings and higher, it can be up to 3.5 m or more, following [53,54] and Building Regulations Part K, Code de la Construction et de l’Habitation, Bauordnung, International Residential Code (IRC) and International Building Code (IBC). Therefore, in the calculations for both systems, the multi-valve and EHD system heights of 3 and 6 m were assumed, which correspond to travel between one and two floors. Since the design of the test stand allowed the car to be moved only to a height of 1.6 m, the travel times and energy consumption of additional sections that the car must travel to cover a distance of 3 and 6 m were estimated (ΔS3 = 1.4 and ΔS6 = 4.4 m). Based on the average values collected in Table 4, it was possible to estimate the duration and energy consumption of the lifting t∆Su, EEHD∆Su and lowering t∆Sd, EEHD∆Sd cycles for the car movements over the calculated distances ΔS, using the following equations:
To estimate the total energy needed to travel the assumed distance of one or two floors, the energy values calculated based on the data driven during the experiment (presented in Table 4) were used. These energy values were added to the calculated energy value resulting from the difference in distance for the masses transported in the cabin.
This assumption was possible because the creep speed lasted the same amount of time regardless of the distance the car had to cover. A comparison of the results of the time and energy consumption for the MV and EHD systems is given in Table 8 for the lifting cycle and in Table 9 for the lowering cycle, respectively.
Table 8.
Energy consumption and time during lifting cycle.
Table 9.
Energy consumption and time during lowering cycle.
Based on this data, the percentage of time and energy consumption of the EHD system was compared to that of the MV system for the lifting t%u, E%u, and lowering t%d, E%d cycles, respectively. The results are presented in Table 8 and Table 9 and in the form of bar graphs in Figure 8 and Figure 9. The energy and time consumption were calculated using the following equations:
Figure 8.
Percentage reference of the EHD system to the multi-valve system during the lifting cycle.

Figure 9.
Percentage reference of the EHD system to the multi-valve system during the lowering cycle.
During the lifting cycle, both systems achieved similar travel times. The EHD system demonstrates lower energy consumption than the MV system, regardless of the load and movement of the wagon. The smaller the mass of the transported load, the lower the energy consumption of the EHD system (up to 40% of the energy demand of the MV system).
The duration of the lowering cycle in the EHD system was assumed to be equal to the time for the MV system with a load of 732 kg. This was possible because of the use of a frequency converter in the vector mode, which made the rotational speed of the electric motor shaft independent of the mass of the transported load in the car. Consequently, much shorter lowering cycle times were obtained for the EHD system compared to the MV (the smaller the load, the shorter the time). In the MV system, the energy consumption is determined by the duration of the power supply to the valve coil. The smaller the mass transported in the car, the longer the duration of the lowering cycle and the greater the energy consumption. Hence, for a load mass of 419 kg or more, the EHD system becomes more cost-effective and achieves up to 1360% energy savings.
For comparison, the elevator is assumed to operate for the transport of cargo in both directions (lifting cycle and lowering cycle) over the same car distances (1.6 m, 3 m, and 6 m). The results are presented as bar graphs in Figure 10. A percentage comparison of the EHD system with the MV system was presented in Figure 11. Energy consumption was calculated using the following proposed equations:
Figure 10.
Comparison of the time and energy consumption of both drive systems at the same car distances.

Figure 11.
Overall percentage reference of EHD system to multi-valve system.
The results indicate that only for an empty car and with a load of 105 kg during a 6 m lifting and lowering cycle, the proposed EHD system is more energy-consuming than a classic MV system. In the remaining cases, the EHD system proved to be less energy-intensive, even below 60% at a car distance of 1.6 m. A visible decrease in the energy consumption of the EHD system for transporting larger loads was also observed. The time consumption of the EHD over the MV system was less in every case. The smaller the load mass, the shorter the operating time of the EHD system, which is a result of the operating characteristics of the throttle valve in the MV system.
The coefficients WEmQS, which define the energy consumption per unit of mass and payload displacement, were introduced and calculated according to the following equations for the lifting and lowering cycles, respectively:
To correctly estimate the coefficients, the weight of the car mc must be taken into account. The numerical results of the coefficients for the EHD system and the multi-valve (MV) operation are presented in Figure 12a,b for the lifting and lowering cycles, respectively.
Figure 12.
The energy consumption coefficients: (a) lifting cycle; (b) lowering cycle.
There is a visible reduction in the coefficient during the lifting cycle (even more than twice). In the case of lowering the cycle, the coefficients are at a much lower level than when lifting. For larger masses of payload for the EHD system, they indicate the return of energy to the network. At the same time, for the EHD system, the same coefficient values are visible regardless of the distance traveled, which makes it a predictable system.
6. Conclusions
The research conducted shows that the proposed EHD system for the drive of an intermediate lift is less energy-consuming than typical solutions of currently used drives. The use of the EHD system will reduce the costs of vertical transport in buildings equipped with hydraulic or indirect elevators. The experimental tests carried out at the presented stand and the presented estimates allowed the following conclusions to be drawn:
- -
- Electric energy can be returned to the grid or the energy accumulator (supercapacitor) during the elevator car lowering cycle (up to 1360% of the MV system energy demand);
- -
- During the lifting cycle, the EHD system demonstrates lower energy consumption than the MV system, regardless of the load and movement of the car (up to 40% of the energy demand for the MV system);
- -
- The use of the EHD system allows for a reduction (up to 30%) and predictability of travel time to individual floors, regardless of the direction of the car movement and the mass of the load carried;
- -
- By obtaining statistics on the operation of elevators in buildings and the proposed energy consumption coefficients, it is possible to initially estimate the energy consumption of the described system and, thus, the expected savings.
The use of EHD in elevator systems can bring other benefits confirmed by the authors’ research ([19,20,48,49]), including:
- -
- significant reduction in the phenomenon of heating of the working fluid by eliminating throttling valves,
- -
- increase in the durability of the system components due to the absence of working with high pressure (during creep velocity in current drive systems),
- -
- increase in the speed (even twice) of an empty car—e.g., to pick up passengers,
- -
- increase in the safety of the drive (use of frequency converter safety functions).
The EHD system can be used in new and modernized hydraulic or indirect elevators. The proposed control system could be the beginning of further research into the following:
- -
- reduction of vibrations of steel ropes through the developed system of adjusting the time ramp in the frequency converter depending on the mass of the transported load,
- -
- developing the most efficient work cycle to reduce energy consumption,
- -
- possibility of using industrial lifts in automated systems.
Studies on vibration reduction in the car assume the use of the standard function of the frequency converter, i.e., starting times and braking times. The proposed drive system can be used to study the damping of steel ropes with different constructions and diameters. Research on the development of the most effective work cycle to reduce energy consumption is intended to indicate the profitability of waking up one of several elevators in a building, the ride to a given floor, with a given load will be the least energy-intensive. For example, calling a car down loaded with a larger load could be more beneficial than calling an empty car moving up. This idea can be applied to the automated systems of several elevators equipped with an appropriate decision-making algorithm.
Author Contributions
Conceptualization, Ł.S.; Methodology, Ł.S., A.K. and P.M.; Software, P.M.; Validation, A.K.; Formal analysis, Ł.S.; Investigation, A.K. and J.S.; Resources, J.S.; Data curation, A.K. and P.M.; Writing—original draft, Ł.S., A.K. and J.S.; Writing—review & editing, A.K.; Visualization, Ł.S. and A.K.; Supervision, Ł.S.; Project administration, Ł.S. All authors have read and agreed to the published version of the manuscript.
Funding
This research received no external funding.
Data Availability Statement
The original contributions presented in the study are included in the article, further inquiries can be directed to the corresponding author.
Conflicts of Interest
The authors declare no conflict of interest.
References
- Stosiak, M.; Karpenko, M. Dynamics of Machines and Hydraulic Systems: Mechanical Vibrations and Pressure Pulsations; Synthesis Lectures on Mechanical Engineering; Springer Nature Switzerland: Cham, Switzerland, 2024; ISBN 978-3-031-55524-4. [Google Scholar]
- Domagała, Z.; Kędzia, K.; Stosiak, M. The Use of Innovative Solutions Improving Selected Energy or Environmental Indices of Hydrostatic Drives. In Proceedings of the IOP Conference Series: Materials Science and Engineering, Szczyrk, Poland, 14–16 October 2019; Volume 679, p. 012016. [Google Scholar] [CrossRef]
- Sliwinski, P. Influence of Operating Pressure on the Durability of a Satellite Hydraulic Motor Supplied by Rapeseed Oil. Sci. Rep. 2024, 14, 10441. [Google Scholar] [CrossRef] [PubMed]
- Xia, L.; Quan, L.; Ge, L.; Hao, Y. Energy Efficiency Analysis of Integrated Drive and Energy Recuperation System for Hydraulic Excavator Boom. Energy Convers. Manag. 2018, 156, 680–687. [Google Scholar] [CrossRef]
- Qu, S.; Zappaterra, F.; Vacca, A.; Busquets, E. An Electrified Boom Actuation System with Energy Regeneration Capability Driven by a Novel Electro-Hydraulic Unit. Energy Convers. Manag. 2023, 293, 117443. [Google Scholar] [CrossRef]
- Ranjan, P.; Wrat, G.; Bhola, M.; Mishra, S.; Das, J. A Novel Approach for the Energy Recovery and Position Control of a Hybrid Hydraulic Excavator. ISA Trans. 2019, 99, 387–402. [Google Scholar] [CrossRef]
- Chen, Q.; Lin, T.; Ren, H.; Fu, S. Novel Potential Energy Regeneration Systems for Hybrid Hydraulic Excavators. Math. Comput. Simul. 2019, 163, 130–145. [Google Scholar] [CrossRef]
- Lin, T.; Wang, Q.; Hu, B.; Gong, W. Research on the Energy Regeneration Systems for Hybrid Hydraulic Excavators. Autom. Constr. 2010, 19, 1016–1026. [Google Scholar] [CrossRef]
- Hao, Y.; Quan, L.; Cheng, H.; Xia, L.; Ge, L.; Zhao, B. Potential Energy Directly Conversion and Utilization Methods Used for Heavy Duty Lifting Machinery. Energy 2018, 155, 242–251. [Google Scholar] [CrossRef]
- Manner, J.; Lindroos, O.; Arvidsson, H.; Nordfjell, T. Evaluation of a New Energy Recycling Hydraulic Lift Cylinder for Forwarders. Croat. J. For. Eng. 2016, 37, 219–231. [Google Scholar]
- Yu, Y.-X.; Ahn, K.K. Energy Saving of an Electric Forklift with Hydraulic Accumulator. In Proceedings of the 2019 19th International Conference on Control, Automation and Systems (ICCAS), Jeju, Republic of Korea, 15–18 October 2019; pp. 408–411. [Google Scholar]
- Marsong, S.; Plangklang, B. Implementation Analysis of an Elevator Energy Regenerative Unit (EERU) for Energy Saving in a Building. In Proceedings of the 2016 13th International Conference on Electrical Engineering/Electronics, Computer, Telecommunications and Information Technology (ECTI-CON), Chiang Mai, Thailand, 28 June–1 July 2016; pp. 1–5. [Google Scholar]
- He, J.; Mao, C.; Lu, J.; Yang, J. Design and Implementation of an Energy Feedback Digital Device Used in Elevator. IEEE Trans. Ind. Electron. 2011, 58, 4636–4642. [Google Scholar] [CrossRef]
- Bedotti, A.; Campanini, F.; Pastori, M.; Riccò, L.; Casoli, P. Energy Saving Solutions for a Hydraulic Excavator. Energy Procedia 2017, 126, 1099–1106. [Google Scholar] [CrossRef]
- Wang, T.; Wang, Q.; Lin, T. Improvement of Boom Control Performance for Hybrid Hydraulic Excavator with Potential Energy Recovery. Autom. Constr. 2013, 30, 161–169. [Google Scholar] [CrossRef]
- Li, W.; Wu, B.; Cao, B. Control Strategy of a Novel Energy Recovery System for Parallel Hybrid Hydraulic Excavator. Adv. Mech. Eng. 2015, 7. [Google Scholar] [CrossRef]
- Minav, T.A.; Pyrhönen, J.J.; Laurila, L.I.E. Induction Machine Drive in Energy Efficient Industrial Forklift. In Proceedings of the International Symposium on Power Electronics Power Electronics, Electrical Drives, Automation and Motion, Sorrento, Italy, 20–22 June 2012; pp. 415–419. [Google Scholar]
- Minav, T.; Immonen, P.; Laurila, L.; Vtorov, V.; Pyrhönen, J.; Niemelä, M. Electric Energy Recovery System for a Hydraulic Forklift—Theoretical and Experimental Evaluation. Electr. Power Appl. IET 2011, 5, 377–385. [Google Scholar] [CrossRef]
- Stawinski, L.; Zaczynski, J.; Morawiec, A.; Skowronska, J.; Kosucki, A. Energy Consumption Structure and Its Improvement of Low-Lifting Capacity Scissor Lift. Energies 2021, 14, 1366. [Google Scholar] [CrossRef]
- Stawiński, Ł.; Zakharov, V.; Kosucki, A.; Minav, T. Electromechanical Actuator-Based Solution for a Scissor Lift. Actuators 2023, 12, 394. [Google Scholar] [CrossRef]
- Zhou, K.; Yang, S. 5.11 Smart Energy Management. Compr. Energy Syst. 2018, 5, 423–456. [Google Scholar] [CrossRef]
- Sachs, H.M. Opportunities for Elevator Energy Efficiency Improvements; American Council for an Energy-Efficient Economy (ACEEE): Washington, DC, USA, 2005. [Google Scholar]
- Tukia, T.; Uimonen, S.; Siikonen, M.-L.; Donghi, C.; Lehtonen, M. Modeling the Aggregated Power Consumption of Elevators—The New York City Case Study. Appl. Energy 2019, 251, 113356. [Google Scholar] [CrossRef]
- De Almeida, A.T.; Hirzel, S.; Patrão, C.; Fong, J.; Dütschke, E. Energy-Efficient Elevators and Escalators in Europe: An Analysis of Energy Efficiency Potentials and Policy Measures. Energy Build. 2012, 47, 151–158. [Google Scholar] [CrossRef]
- De Almeida, A.T.; Patrao, C.; Fong, J.; Araújo, R.; Nunes, U.; Rivet, L.; Lindegger, U.; Nanetti, M.; Cariani, W.; Disi, A.; et al. Options to Improve Lift Energy Efficiency. Tech. Rep. 2010. [Google Scholar] [CrossRef]
- Tukia, T.; Uimonen, S.; Siikonen, M.-L.; Donghi, C.; Lehtonen, M. High-Resolution Modeling of Elevator Power Consumption. J. Build. Eng. 2018, 18, 210–219. [Google Scholar] [CrossRef]
- Patrao, C.; Fong, J.; de Almeida, A.T.; Rivet, L. Energy Efficient Elevators and Escalators. In Proceedings of the Conference Proceedings: ECEEE Summer Studies 2009. Act! Innovate! Delive! Reducing Energy Demand Sustainably, Ile Saint-Denis, France, 1–6 June 2009; p. 4037. [Google Scholar]
- Xu, B.; Cheng, M.; Yang, H.; Zhang, J.; Yang, M. Safety Brake Performance Evaluation and Optimization of Hydraulic Lifting Systems in Case of Overspeed Dropping. Mechatronics 2013, 23, 1180–1190. [Google Scholar] [CrossRef]
- Strakosch, G.R.; Caporale, R.S. (Eds.) The Essentials of Elevatoring. In The Vertical Transportation Handbook; John Wiley & Sons, Ltd: Hoboken, NJ, USA, 2010; pp. 1–30. ISBN 978-0-470-94981-8. [Google Scholar]
- Mousavi Gazafrudi, S.M.; Faraji, F.; Majazi, A.; Al-Haddad, K. A Comprehensive Review of Flywheel Energy Storage System Technology. Renew. Sustain. Energy Rev. 2017, 67, 477–490. [Google Scholar] [CrossRef]
- Li, J.; Zhao, J.; Zhang, X. A Novel Energy Recovery System Integrating Flywheel and Flow Regeneration for a Hydraulic Excavator Boom System. Energies 2020, 13, 315. [Google Scholar] [CrossRef]
- Dalala, Z.; Alwahsh, T.; Saadeh, O. Energy Recovery Control in Elevators with Automatic Rescue Application. J. Energy Storage 2021, 43, 103168. [Google Scholar] [CrossRef]
- Tominaga, S.; Suga, I.; Araki, H.; Ikejima, H.; Kusuma, M.; Kobayashi, K. Development of Energy-Saving Elevator Using Regenerated Power Storage System. In Proceedings of the Power Conversion Conference, Osaka, Japan, 2–5 April 2002; Volume 2, pp. 890–895. [Google Scholar]
- Yang, H.; Sun, W.; Xu, B. New Investigation in Energy Regeneration of Hydraulic Elevators. IEEE/ASME Trans. Mechatron. 2007, 12, 519–526. [Google Scholar] [CrossRef]
- Xu, B.; Yang, J.; Yang, H. Comparison of Energy-Saving on the Speed Control of the VVVF Hydraulic Elevator with and without the Pressure Accumulator. Mechatronics 2005, 15, 1159–1174. [Google Scholar] [CrossRef]
- Dumitrescu, L.; Safta, C.-A.; Cristescu, C.; Radoi, R.; Balan, I. Mathematical Model of the Lifting Working Mode of a a Mobile Platform with Hydraulic Drive. In Proceedings of the 10th International Conference on ENERGY and ENVIRONMENT (CIEM), Bucharest, Romania, 14–15 October 2021; pp. 1–5. [Google Scholar] [CrossRef]
- Kioskeridis, I.; Jabbour, N.; Mademlis, C. Improved Performance in a Supercapacitor-Based Energy Storage Control System with Bidirectional DC-DC Converter for Elevator Motor Drives. In Proceedings of the 7th IET International Conference on Power Electronics, Machines and Drives, Manchester, UK, 8–10 April 2014; pp. 1–6. [Google Scholar] [CrossRef]
- Jabbour, N.; Mademlis, C. Improved Control Strategy of a Supercapacitor-Based Energy Recovery System for Elevator Applications. IEEE Trans. Power Electron. 2016, 31, 8398–8408. [Google Scholar] [CrossRef]
- Mitronikas, E.D.; Spyropoulos, D.V.; Papanikolaou, N.P.; Tatakis, E.C.; Spyropoulos, N. Energy Saving during Modern Lift Operation. In Proceedings of the 2014 International Conference on Electrical Machines (ICEM), Berlin, Germany, 2–5 September 2014; pp. 756–761. [Google Scholar] [CrossRef]
- Attaianese, C.; Nardi, V.; Tomasso, G. Virtual Testing of High Speed Elevators Using Supercapacitor Recovery System. In Proceedings of the 2004 IEEE International Conference on Industrial Technology, Hammamet, Tunisia, 8–10 December 2004; Volume 2, pp. 728–733. [Google Scholar]
- Rufer, A.; Barrade, P. A Supercapacitor-Based Energy-Storage System for Elevators with Soft Commutated Interface. IEEE Trans. Ind. Appl. 2002, 38, 1151–1159. [Google Scholar] [CrossRef]
- Mohammed, J.A.-K.; Hashim, W.M.; Beram, B.S. Speed Control of Hydraulic Elevator by Using Electro-Hydraulic Servo Mechanism. J. Univ. Babylon Eng. Sci. 2020, 27, 275–291. [Google Scholar]
- Zhao, B.; Quan, Z.; Li, Y.W.; Quan, L.; Hao, Y.; Ding, L. A Hybrid-Driven Elevator System With Energy Regeneration and Safety Enhancement. IEEE Trans. Ind. Electron. 2020, 67, 7715–7726. [Google Scholar] [CrossRef]
- Murthy, A.S.; Taylor, D.G. Control of a Hydraulic Elevator with a Variable-Speed Pump. In Proceedings of the IECON 2018—44th Annual Conference of the IEEE Industrial Electronics Society, Washington, DC, USA, 21–23 October 2018; pp. 2245–2250. [Google Scholar] [CrossRef]
- Michel, S. Elektrisch-Hydrostatische Kompaktantriebe Mit Differentialzylinder Für Die Industrielle Anwendung. Ph.D. Thesis, Dresden University of Technology, Dresden, Germany, 2021. [Google Scholar]
- Zubair, M.U.; Zhang, X. Explicit Data-Driven Prediction Model of Annual Energy Consumed by Elevators in Residential Buildings. J. Build. Eng. 2020, 31, 101278. [Google Scholar] [CrossRef]
- Barrade, P.; Rufer, A. Supercapacitors as Energy Buffers: A Solution for Elevators and for Electric Busses Supply. In Proceedings of the Power Conversion Conference, Osaka, Japan, 2–5 April 2002; Volume 3, pp. 1160–1165. [Google Scholar]
- Stawiński, Ł.; Skowrońska, J.; Kosucki, A. Energy Efficiency and Limitations of the Methods of Controlling the Hydraulic Cylinder Piston Rod under Various Load Conditions. Energies 2021, 14, 7973. [Google Scholar] [CrossRef]
- Stawiński, Ł.; Kosucki, A.; Morawiec, A.; Skowrońska, J. A New Approach to Controlling a Hydraulic Indirect Elevator with a Variable-Speed Pump. Arch. Civ. Mech. Eng. 2023, 23, 91. [Google Scholar] [CrossRef]
- Kosucki, A.; Szczepaniak, M.; Skowrońska, J.; Grzejszczyk, P.; Stawiński, Ł. Data-Driven Operational Pressure Estimation for Hydraulic Actuators Fed by Fixed Displacement Pump with Variable Speed. Eksploat. I Niezawodn.-Maint. Reliab. 2025, 27, 192758. [Google Scholar] [CrossRef]
- EN 81-20; Safety Rules for the Construction and Installation of Lifts–Lifts for the Transport of Persons and Goods–Part 20: Passenger and Goods Passenger Lifts. Comité Européen de Normalisation: Brussels, Belgium, 2014.
- EN 81-50; Safety Rules for the Construction and Installation of Lifts–Examinations and Tests–Part 50: Design Rules, Calculations, Examinations and Tests of Lift Components. Comité Européen de Normalisation: Brussels, Belgium, 2014.
- EN 1991-1-1; Eurocode 1: Actions on Structures-Part 1-1: General Actions-Densities, Self-Weight, Imposed Loads for Buildings. Comité Européen de Normalisation: Brussels, Belgium, 2002.
- ISO 3449:2005; Earth-Moving Machinery-Falling-Object Protective Structures-Laboratory Tests and Performance Requirements. International Organization for Standardization: Geneve, Switzerland, 2005.
Disclaimer/Publisher’s Note: The statements, opinions and data contained in all publications are solely those of the individual author(s) and contributor(s) and not of MDPI and/or the editor(s). MDPI and/or the editor(s) disclaim responsibility for any injury to people or property resulting from any ideas, methods, instructions or products referred to in the content. |
© 2025 by the authors. Licensee MDPI, Basel, Switzerland. This article is an open access article distributed under the terms and conditions of the Creative Commons Attribution (CC BY) license (https://creativecommons.org/licenses/by/4.0/).