Next Article in Journal
Comparative Studies of Three-Dimensional Complex Flow Field Designs in a Proton Exchange Membrane Hydrogen Fuel Cell
Previous Article in Journal
Energy Efficiency Improvement of Hydraulic Indirect Elevator
 
 
Font Type:
Arial Georgia Verdana
Font Size:
Aa Aa Aa
Line Spacing:
Column Width:
Background:
Article

Tuning of ILADRC for CFB Boiler Combustion System Based on LF-DCSSA Algorithm †

by
Qi Wang
*,
Chi Zhang
,
Aoqi Xiao
,
Xinchun Jia
,
Shikui Chen
and
Rongsen Fan
School of Automation and Software Engineering, Shanxi University, Taiyuan 030006, China
*
Author to whom correspondence should be addressed.
This paper is an extended version of our paper published in International Conference on Life System Modeling and Simulation, International Conference on Intelligent Computing for Sustainable Energy and Environment, Suzhou, China, 13–15 September 2024; Springer, Singapore, 2025.
Energies 2025, 18(9), 2164; https://doi.org/10.3390/en18092164
Submission received: 27 March 2025 / Revised: 19 April 2025 / Accepted: 22 April 2025 / Published: 23 April 2025
(This article belongs to the Section L: Energy Sources)

Abstract

Aiming at the problem that it is difficult to adjust the parameters of the controller in the circulating fluidized bed (CFB) boiler combustion system due to its multivariable and strong coupling, an improved linear active disturbance rejection controller (ILADRC) parameter tuning strategy based on the Lévy flight double chaotic sparrow search algorithm (LF-DCSSA) is proposed. The LF-DCSSA algorithm is used to tune the parameters of the ILADRC controller in the multivariable coupled combustion control system of the CFB boiler built by Simulink, so that its control effect can reach the best state. The step response simulation and perturbation simulation are carried out with the theoretically tuned PID and ILADRC. The simulation results show that LF-DCSSA-ILADRC has obvious advantages in the three indexes of time–domain response, such as adjustment time, overshoot, and ITAE, which is more efficient and accurate than that of the theoretical setting, providing a new strategy for the control of the CFB boiler combustion system.

1. Introduction

With the introduction of carbon peak and carbon neutrality goals, the circulating fluidized bed (CFB) boiler power generation technology has gained widespread recognition and rapid development in the power industry due to its extensive fuel versatility, superior combustion performance, operational cleanliness, energy-efficient and eco-friendly attributes, broad load adaptability, and low contaminant discharge [1,2]. At present, more than 3500 CFB boilers are in operation in China, with a unit capacity of 35–2000 t/h, of which are mainly used for coal burning [3]. However, the CFB boiler combustion system presents challenges in system control due to its numerous parameters, strong coupling, nonlinearity, large lag, and great inertia. Thus, the effective control of CFB boiler combustion system remains a challenge in the field of thermal control [1,4,5,6,7].
In recent years, many scholars have conducted extensive research on the control of boiler combustion systems, including PID control, adaptive control, model predictive control, fuzzy control, Active Disturbance Rejection Control (ADRC), and so on [6,7,8,9,10]. Among them, ADRC was first put forward by Professor Han Jingqing, and it is widely popular among control scholars because of its strong anti-perturbation performance [1,11]. It is a combination of traditional PID and modern control theory [12], developing with the introduction of various other variants [13,14,15,16,17,18,19]. As a nonlinear control, ADRC has too many internal tuning parameters that are not conducive to engineering applications [20]. Therefore, Professor Gao proposed the bandwidth method to associate ADRC parameters with bandwidth and convert the nonlinear ADRC into a linear ADRC (LADRC), which reduced the number of ADRC parameters to three and greatly facilitated the promotion and application of ADRC [21,22].
However, LADRC has certain limitations in the face of large delays and great inertia. To overcome this shortcoming, a number of approaches have been proposed such as model-assisted LADRC [23], a lag-type auxiliary LADRC [24], a Smith estimation LADRC [25], and an improved LADRC combining MLADRC with DLADRC [26]. These improved versions of LADRC mentioned above effectively improve the performance of controlled objects with large delays and significant inertia. However, it still poses certain challenges in tuning the controller parameters. This is due to the inter-coupling and refutation among ADRC parameters. With the increasing application and popularization of intelligent algorithms in recent years, more scholars have begun to shift from theoretical tuning to algorithmic tuning. Liu et al. constructed a novel ADRC based on immune double-emotion particle swarm optimization (PSO) that effectively controlled chaotic systems [27]. Liu et al. proposed an improved ADRC design method for permanent magnet synchronous motors based on an improved memes algorithm (IMA), which reduced motor speed fluctuations and enhanced overshoot limitation capabilities [28]. Wang et al. utilized a multi-fusion hybrid algorithm (NBPO) to optimize the ADRC in quad-tilt rotorcraft (QTR), and the results showed that it had strong perturbation rejection capabilities against continuous and unknown sudden wind perturbations [29].
The main objective of this study is to establish an LF-DCSSA-ILADRC control model for CFB boiler multi-variable coupling combustion control system, which is based on the improved Linear Active perturbation Rejection Controller (ILADRC). A Lévy flying dual chaotic sparrow search algorithm based on the Lévy flight strategy (LF-DCSSA) is used for parameter optimization and tuning of the control model. This algorithm can help the controller find more suitable parameter combinations, improve the control accuracy of the system, and reduce overshoot and steady-state errors, thereby improving the operational efficiency and response speed of circulating fluidized bed units during peak load periods, meeting the flexibility requirements of high proportion new energy power systems. The main contributions of this study are as follows:
  • Improvement of LADRC: Based on LADRC, this paper introduces an inertial time-delay feedforward compensator in series, effectively solving the problem of asynchronous control signals. This improvement enables the system to respond to control signals more quickly and accurately under conditions of large delay and inertia, thereby improving the overall stability of the system.
  • Innovation of SSA algorithm: Based on the SSA algorithm, this article uses an improved tent chaotic mapping and lens imaging reverse learning method to initialize the population. This strategy significantly enhances the diversity and quality of the population. At the same time, by introducing the Lévy flight strategy, nonlinear adaptive weight reduction, and chaotic disturbance, the global search ability and convergence speed of the algorithm are further improved. The algorithm is verified in the conference paper of the author of this paper [30]. However, in order to further verify the algorithm, the test set is changed to CEC2002021, and the comparative test is carried out again to further illustrate the advantages of the algorithm.
  • Design of objective function: This article proposes an objective function that combines the time absolute error integration criterion, controller output value, and system response overshoot. This multi-index balanced objective function provides clear guidance for optimizing controller parameters, making the optimization process more effective and able to find the optimal balance point between different performance indicators.
  • Model construction and verification: By building the LF-DCSSA-ILARC control model, the optimization and tuning problem of the LF-DCSSA algorithm for ILARC parameters is achieved, significantly improving the control effect and parameter tuning efficiency. In order to verify the effectiveness of the proposed control strategy, the performance of the controller is compared and analyzed by step response simulation and disturbance simulation. The simulation results show that the model exhibits excellent coupling control performance, providing new ideas and methods for the control of combustion systems.
The rest of this paper is as follows: Section 2 introduces the frame structure and transfer function structure of the multivariable coupled combustion control system of a CFB boiler. In Section 3, the improvement of ADRC is introduced by using a feedforward path in series with inertia delay feedforward compensator to solve the Linear Extended State Observer (LESO) accuracy decrease caused by the non-synchronization of the feedforward signal and feedback signal in the high-order inertial link with pure delay. In Section 4, LF-DCSSA is proposed to improve the performance of the SSA algorithm in many aspects by using multiple strategies so as to comprehensively improve the search ability, convergence speed, and optimization accuracy of the algorithm. In Section 5, a multivariable coupled combustion control system of a CFB boiler based on ILADRC is built by using Simulink. LF-DCSSA is used to adjust the parameters of an ILADRC controller and comparative simulations are carried out in many aspects. The simulation results are obtained to verify the superiority of the proposed control strategy in time–domain response effect and anti-interference ability. Finally, some conclusions are drawn in Section 6.

2. Multivariable Coupled Combustion Control System of the CFB Boiler

In the combustion system of the circulating fluidized bed boiler, main steam pressure and bed temperature as the core controlled parameters play a decisive role in the stability of unit operation. As a direct characterization parameter of the boiler load response, the dynamic characteristics of the main steam pressure directly affect the control quality of the combustion process. At the same time, bed temperature, as a key variable reflecting the thermodynamic state of combustion in the furnace, not only determines the combustion efficiency and the overall performance of the boiler but also has a significant role in regulating the efficiency of desulphurization and NOx generation. Industrial operation data show that the above two key parameters are mainly affected by the synergistic effect of coal feed and primary airflow. Due to the strong coupling between coal supply and primary air volume, a dual-input dual-output multivariable coupling control model is established in this paper. The system structure of the model is shown in Figure 1.
r 1 is the given value of main steam pressure, MPa; r 2 is the given value of bed temperature, ℃ u 1 is the total fuel amount, t/h; u 2 is the total primary air volume, Nm 3/h; y 1 is the main steam pressure, MPa; y 2 is the bed temperature, ℃ e 1 is the main steam pressure error, MPa; e 2 is the bed temperature error, ℃ G 1 is the main steam pressure controller; G 2 is the bed temperature controller; W i j ( s ) is the transfer function between input u i and output y j ; f 1 is the total perturbation at the main steam pressure point, including coal quality, coal quantity, inlet steam valve opening, main steam temperature, etc.; f 2 is the total perturbation at the bed temperature point, including primary air volume, bed pressure, limestone input, particle size, and density of the material in the bed. The specific effects of each disturbance factor on the combustion system are shown in Table 1.
The dynamic characteristics of the system can be mathematically characterized by the transfer function matrix shown in Equation (1). This matrix form completely describes the dynamic coupling relationship between the input variables and the output variables, which provides a theoretical basis for the design and analysis of the subsequent control strategies.
y 1 ( s ) y 2 ( s ) = W 11 s W 21 s W 12 s W 22 s u 1 s u 2 ( s )
Since the output of the CFB boiler combustion system presents significant dynamic characteristics to the input perturbation, including the phenomena of large inertia and large delay, in order to accurately characterize the dynamic response behavior of the system, the transfer function model W i j ( s ) adopts the structure of high-order inertial link with pure delay, the specific form of which is shown in Equation (2) [31]. The mathematical model can effectively reflect the actual dynamic characteristics of the combustion system and provide an accurate mathematical model basis for system analysis and control design.
W i j ( s ) = K i j ( T i j s + 1 ) n i j e τ i j s
where K i j stands for gain, T i j is the time constant, n i j is the order of high-order link, and τ i j is the pure delay time.

3. ILADRC Controller

Because of its simple design, LADRC simplifies the numerous controller parameters of ADRC to three, which makes it widely used and studied in the field of modern automatic control. LADRC is mainly composed of Linear State Error Feedback (LSEF) and Linear Extended State Observer (LESO) [6].
In the multivariable coupled combustion control system of a CFB boiler, this paper employs an Improved Linear Active Disturbance Rejection Controller (ILADRC) based on a Model-assisted Linear Extended State Observer (MLESO) that utilizes information from the controlled object. The MLESO is developed by integrating a feedforward path with an inertial delay feedforward compensator W ^ ( s ) into the standard Linear Extended State Observer (LESO). This enhancement aims to address the accuracy decline of the LESO caused by the desynchronization of the feedforward signal u and the feedback signal y in high-order inertial processes. The state-space representation of the MLESO is illustrated in Equation (3), while the feedforward compensator W ^ ( s ) is detailed in Equation (4). These improvements significantly enhance the performance and stability of the control system.
z ˙ 1 z ˙ 2 = β 1 1 β 2 0 z 1 z 2 + W ^ ( s ) 1 u ^ + β 1 β 2 y y ^ = z 1
W ^ ( s ) = 1 ( T ^ s + 1 ) n 1 e τ ^ s
where: z 1 and z 2 are the estimated values of LESO state and LESO total perturbation; β 1 and β 2 are the observer gain coefficient of MLESO; u ^ is the perturbation compensation output; y ^ is the estimated value of the actual value y; T ^ is the estimated value of the time constant of the controlled object; τ ^ is the estimated value of the pure delay time of the controlled object.
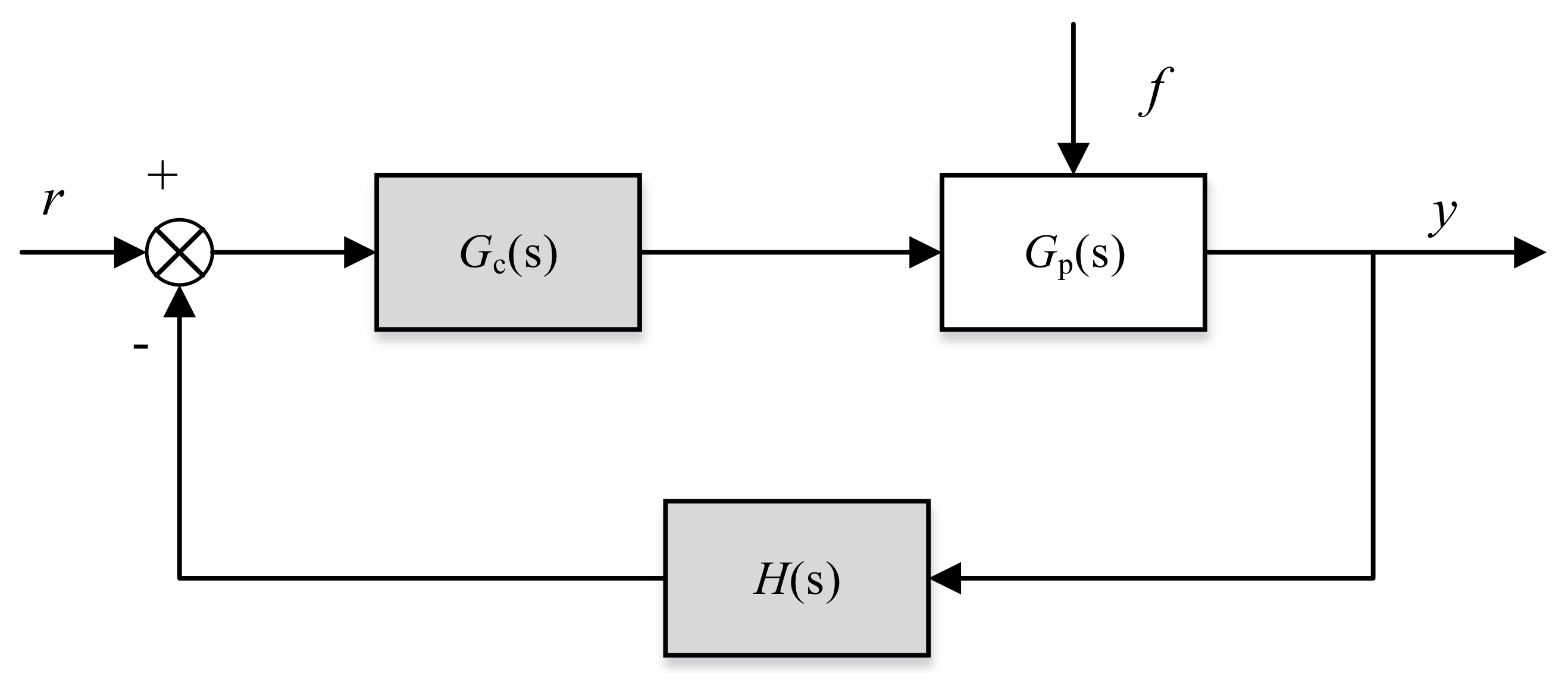
According to the state space equation of MLESO, the structure diagram of the improved ILADRC is shown in Figure 2.
r is the given value; k p is the LSEF gain coefficient; u p is LSEF output; b 0 is the gain coefficient of the input signal; u is the control rate of ILADRC; f is the total perturbation.
According to Figure 2, the control rate u of ILADRC can be derived as shown in Equation (5):
u = k p · ( r z 1 ) z 2 b 0
According to the bandwidth method [6], the observer gain coefficient of MLESO can be configured, as shown in Equation (6):
β 1 = 2 ω o β 2 = ω o 2
where ω o is the bandwidth of MLESO.
To sum up, the parameters that ILADRC needs to set are k p , ω o , b 0 , T ^ , and τ ^ , but when the controlled object is determined, only three parameters such as k p , ω o and b 0 need to be set.
Remark 1.
The values of k p , ω o and b 0 parameters all affect the response speed and steady-state accuracy of the controller. An excessively large k p may lead to excessive oscillation or instability of the system, while an excessively small k p may improve system stability, but it may result in slower response speed and more steady-state error. For parameter ω o , selecting a higher value results in a faster response speed of the control system, but it also increases the system’s perception of noise signals, leading to oscillation or divergence phenomena. Choosing an appropriate size for parameter b 0 can effectively reduce overshoot, enhance system tracking accuracy, and improve control performance. Therefore, the three parameters need to be considered comprehensively to find the optimal combination of parameters to achieve the best control effect.
It is proven in reference [32] that the optimal bandwidth ratio between k p and ω o is ω o = 10 k p . On this premise, reference [26] quantifies the calculation equation of three parameters by analyzing the frequency domain stability of ILADRC of high-order inertial controlled object with pure delay, as shown in Equations (7) and (8). The specific derivation process is as follows.
k p = 0.4 λ ω o = 10 k p b 0 = 5000 K · k p · ( μ 1 μ 2 μ 3 ) ( 100 k p · n · T + 21 + 100 k p · ( τ T ) )
μ 1 = 6.05 k p · T + 5 k p · ( n + 1 ) · T · τ + 5 k p 2 · ( τ T ) · τ μ 2 = 2.5 k p 2 · τ 2 n · ( n 1 ) · T 2 μ 3 = 1.21 + 5 k p · ( n · T + τ )
where: λ represents the adjustment amount.
In order to facilitate the frequency domain stability analysis, the transfer function of the closed-loop system needs to be solved according to Figure 3, and then the two-degree-of-freedom expression of ILADRC is derived. The two-degree-of-freedom structure of the ILADRC closed-loop control system is shown in Figure 3.
We convert Equation (1) into the form of transfer function:
z 1 = 2 ω o G p ( s ) s + ω o 2 G p ( s ) + b 0 s G c p ( s ) G p ( s ) s + ω o 2 y z 2 = G p ( s ) ω o 2 s b 0 ω o 2 G c p ( s ) G p ( s ) s + ω o 2 y
When the estimated parameters of the controlled object in the feedforward compensator G (s) are T ^ = T and τ ^ = τ , the two-degree-of-freedom transfer function of ILADRC in Figure 3 can be obtained by synthesizing Equations (2)–(5):
G c ( s ) = k p s + 10 k p 2 b 0 s + 10 k p 2 + b 0 k p s 100 k p 2 G c p ( s ) H ( s ) = 120 k p s + 100 k p 2 s + 10 k p 2
The open-loop system transfer function G o l ( s ) = G c ( s ) G p ( s ) H ( s ) can be calculated by Equations (2)–(6):
G o l ( s ) = K e τ s k p 120 k p s + 100 k p 2 b 0 s + 10 k p 2 ( T s + 1 ) n + b 0 ε ( s )
where ε ( s ) = k p s 100 k p 2 ( T s + 1 ) e τ s .
We let s = j ω . Equation (7) can be converted into an open-loop frequency-domain expression G o l ( j ω ) :
G o l ( j ω ) = K e j τ ω k p j 120 k p ω + 100 k p 2 b 0 j ω + 10 k p 2 ( j T ω + 1 ) n + b 0 ε ( j ω )
where j is the imaginary unit; ω is the angular frequency.
δ ω 2 is the remainder term higher than ω 2 , so only the first three terms on the right side of Equation (9) are needed in the limit calculation.
Combining Equations (8) and (9), the real part Re ( j 0 ) and the imaginary part Im ( j 0 ) of the initial value of the open-loop frequency domain can be calculated as
Re ( j 0 ) = 10 K k p [ 10 ( A + B ) + C D ] b 0 D Im ( j 0 ) =
where A = 50 k p 2 n ( n 1 ) T 2 1 20 k p n T ;   B = 50 τ 2 k p 2 + k p ( τ T ) 100 k p 2 T τ ; C = 12 10 k p τ ; D = 100 k p n T + 21 + 100 k p ( τ T ) .
Similarly, the real part Re ( j ) and the imaginary part Im ( j ) of the frequency domain termination value can be calculated to be
Re ( j ) = 0 Im ( j ) = 0
According to Equations (10) and (11), the Nyquist curve of the open-loop system can be drawn as shown in Figure 4. It can be seen from Figure 4 that the larger the Re ( j 0 ) , the farther the intersection distance ( 1 , j 0 ) between the frequency domain response curve of the open-loop system and the real axis, and the stronger the stability of the system. Therefore, Re ( j 0 ) is an indicator that can characterize the stability of the system.
According to Equation (10), b 0 and k p are inversely proportional to Re ( j 0 ) , so Re can be used to replace b 0 and k p . In order to ensure the balance between the system stability index and the time–domain response index, Re = 0.4 . Re is the target value of Re ( j 0 ) . The quantitative parameter setting formula is obtained as follows:
k p = 0.4 γ ω o = 10 k p b 0 = 5000 K k p b 1 b 2 b 3 D 2
where b 1 = 6.05 k p T + 5 k p 2 ( n + 1 ) T τ + 5 k p 2 ( τ T ) τ ;   b 2 = 2.5 k p 2 τ 2 n ( n 1 ) T 2 ;   b 3 = 5 k p ( n T + τ ) + 1.21 .
In Equation (12), it can be seen that when the model parameters are known, only parameter γ to be adjusted can be adjusted to realize the parameter tuning of ILADRC and simplify the parameter tuning. In addition, Re = 0.4 ensures that the closed-loop system has good robust stability.

4. LF-DCSSA Algorithm

The LF-DCSSA algorithm is improved in many strategies on the basis of the standard SSA algorithm. First, the improved Tent chaotic mapping and the backward learning strategy of lens imaging are combined to enhance the comprehensiveness and uniformity of population distribution in the initial stage, thus ensuring the optimization accuracy in the later stage. Second, the PSO algorithm is used for reference and to introduce adaptive inertia weight to improve the location quality, search efficiency, and optimization accuracy of discoverer population. Third, adding Lévy flight strategy can not only enhance the search ability of the population in high-dimensional space or in the case of long-distance exploration but also increase the diversity of individuals and avoid the population falling into the local optimal solution. Fourth, the chaotic perturbation strategy is used to effectively avoid the premature problem of the SSA algorithm so as to effectively carry out a wider search.

4.1. SSA Algorithm

SSA has become a highly regarded evolutionary algorithm among computational methods [33]. Its fundamental principle lies in emulating the biological processes inherent to sparrow foraging behavior. Based on the behavioral characteristics of sparrow foraging, the algorithm constructs mathematical models of three types of behavioral individuals, including the “discoverer” model responsible for exploration, the “follower” model for following, and the “vigilant” model for carrying out the warning task. There is also an “alarmist” model, which is responsible for exploring, following, and carrying out the task of warning.
The coordinates of the finders in the population are updated as shown in Equation (16):
X i , j t + 1 = X i , j t · e i α × T R < S T X i , j t + Q · L R S T
where T is the maximum number of iterations preset by the algorithm; t is the current number of iterations of the algorithm; X i , j t denotes the coordinates of the i individual in dimension j at the t iteration; R is the value of the warning, R [ 0 , 1 ] ; S T is the safety threshold, S T [ 0.5 , 1 ] ; α and Q are the two random numbers, α [ 0 , 1 ] , and Q N ( 0 , 1 ) ; L is the 1 × D i m matrix with all 1, and D i m is the dimension of the problem being solved.
The coordinates of the followers in the population are updated as shown in Equation (17):
X i , j t + 1 = Q · e X w o r s t X i , j t i 2 i > N 2 X P t + 1 + X i , j t X P t + 1 · A + · L i N 2
where N is the number of groups, X P t + 1 is the best position occupied by producers, and X w o r s t is the worst coordinate in the whole domain. A is a 1 × D i m matrix whose internal elements are random 1 or −1, and A + = A T ( A A T ) 1 ; L is a matrix with all elements of 1.
The followers’ position update rule is as follows: when i > N / 2 , it indicates that the followers are in an energy-scarce state and therefore need to travel to other regions for foraging; when i N / 2 , it means that the followers observe that the discoverer has found food, at which point they search near the optimal foraging region.
The coordinates of the vigilantes in the population are updated as shown in Equation (18):
X i , j t + 1 = X b e s t + β · X i , j t X b e s t f i f g X i , j t + K · X i , j t X w o r s t ( f i f w ) + ε f i = f g
where X b e s t is the current population’s global optimal coordinates; β is a step control parameter, β N ( 0 , 1 ) ; K is a random number, K [ 1 , 1 ] ; f i , f g and f w are the individual’s current fitness value, global optimal fitness value, and global worst fitness value, respectively; and ε is the smallest non-zero number to avoid division by zero.

4.2. Chaotic Lens Imaging Backward Learning Initialization

In the operation mechanism of swarm intelligence optimization algorithms, the uniformity of distribution of population initialization is pivotal for enhancing the algorithm’s search precision in optimization. Therefore, this study employs the Tent chaotic mapping to generate the initial population, which is known for its better distribution and randomness. Furthermore, a lens imaging reverse learning mechanism is incorporated to strengthen the distribution uniformity and diversity among agents within the initialized sparrow population across the solution space. The initial convergence quality of the algorithm is significantly improved by the combination of the two strategies.
There are some unstable points in the Tent map. Therefore, this paper introduces the improved Tent mapping of random variables, as shown in Equation (19):
Z i , j + 1 = 2 Z i , j + r a n d ( 0 , 1 ) · 1 N 0 Z i , j < 0.5 2 ( 1 Z i , j ) + r a n d ( 0 , 1 ) · 1 N 0.5 Z i , j 1
where r a n d ( 0 , 1 ) is a random number from 0 to 1.
In order to enhance the randomness of the generated sequence, Equation (19) can be converted into the mathematical expression shown in Equation (20) based on the Bernoulli shift transformation principle.
Z i , j + 1 = ( 2 Z i , j ) mod 1 + r a n d ( 0 , 1 ) · 1 N
Given that the domain of chaotic sequences often mismatches the optimization’s upper and lower constraint limits, the initial population is generated by backward mapping of chaotic sequence. The backward mapping equation is shown in Equation (21):
X i , j = l b j + Z i , j · ( u b j l b j )
where l b j and u b j are the minimum and maximum values of the jth dimension of the search space, respectively.
The reverse learning is a mechanism proposed by tizhoosh that can effectively broaden the search space and cover the feasible solution area. However, reverse learning also has certain limitations: in the early stage of the optimization process, the introduction of the reverse learning mechanism effectively improves the optimization efficiency of the algorithm, but it is easy to fall into the dilemma of premature convergence in the late iteration. In order to overcome this dilemma, this paper incorporates the lens imaging principle into the reverse learning strategy, which helps to reduce the possibility of premature convergence of the algorithm in the late iteration. The reverse learning formulation based on the lens imaging principle is shown in Equation (22).
X i , j * = l b j + u b j 2 + l b j + u b j 2 k x i , j k
where k is the lens imaging factor, which is taken as 0.8, and when k = 1 , the equation represents the standard backward learning.
Population configured via Tent mapping was integrated with a cohort produced through reverse learning via lens imaging. Then, it was sorted according to individual fitness metrics. Based on this, the one with the highest fitness value was selected.

4.3. Adaptive Inertia Weights

This study introduces the particle swarm adaptive inertia weight. It can be used to optimize the position update formula of the SSA algorithm discoverer when it is in stage R < S T . By making this weight dynamically adjusted with the number of iterations, the algorithm improves in terms of local searching, global searching, and searching speed, which can more efficiently guide the other individuals in the population in searching for food resources. The mathematical expression of the adaptive inertia weight B is shown in Equation (23).
ω = e cos ( π 2 ( 1 t T ) ) t
The position at R < S T after the introduction of ω is updated as in Equation (24):
X i , j t + 1 = ω · X i , j t · e i α · T

4.4. Lévy Flight Strategy

In the producer population stage of the SSA algorithm, the change degree of individual sparrows in the local optimal position gradually decreases with the increase in the number of iterations, which leads to the weak ability of individual explorers to jump out of the local optimal solution. To solve the problem of the limitation of position update mode, the position update mode of R S T in the SSA discoverer stage is replaced by Lévy flight strategy. This strategy makes the exploration individual perform a large jump with small probability or a small local search with a large probability. The former enhances the exploration ability and the probability of jumping out of the local optimal, while the latter enhances the local development ability of the algorithm.
Lévy flight is a kind of random walk method characterized by heavy-tailed distribution and used to explore the vast unknown search space. Lévy flight strategy is used to adjust the position of the discoverer stage, and the calculation equation is as follows:
X L = X + l L e v y ( λ )
l = 0.01 · ( X X b e s t )
L e v y ( λ ) = α β 1 / λ
where X L represents the position of the sparrow adjusted by the Lévy flight strategy, X and X B e s t are the current solution and the overall optimal solution, respectively; l is the step-size control parameter of the Lévy flight; L e v y ( λ ) is the sequence of search paths of the Lévy flight. λ takes the value in the range of [1,3], and when the value is 1.5, the algorithm has the best balance. α and β obey the normal distribution.
α ~ N ( 0 , σ α 2 )
β ~ N ( 0 , σ β 2 )
σ α = Γ 1 + λ · sin π λ / 2 λ · Γ 1 + λ / 2 · 2 ( 1 + λ ) / 2 1 / λ
where Γ · is the gamma function.

4.5. Chaos Perturbation

In order to obtain chaotic sequences with better traversal characteristics and stochastic distribution characteristics, the improved tent chaotic mapping method optimized by Strategy (1) is used in this study to generate chaotic sequences, whose mathematical expression is shown in Equation (31).
Z i , j + 1 = ( 2 Z i , j ) mod 1 + rand ( 0 , 1 ) · 1 N
Based on the above chaotic sequence, the chaotic perturbation variables are generated through the transformation relationship shown in Equation (32). This transformation process maintains the inherent characteristics of chaotic systems, which makes the generated perturbation variables have desirable pseudo-random characteristics and provides a dynamic perturbation mechanism for the parameter adjustment of the subsequent optimization algorithm.
X i , j chaos = X i , j + Z i , j · ( X best X i , j )
Finally, chaos perturbation calculation equation is used to carry out perturbation calculation, as shown in Equation (33):
X i , j c h a o s _ n e w = ξ · X i , j + ( 1 ξ ) · X i , j c h a o s
where ξ is a random number in the interval [0,1].
Based on the systematic integration of the four aforementioned improvement strategies, this study comprehensively optimizes the traditional SSA algorithm, and the final LF-DCSSA algorithm implementation flow is shown in Figure 5. This improved algorithm significantly improves the global search capability and convergence performance of the original algorithm by integrating multiple optimization strategies.

4.6. Algorithm Comparison Verification and Analysis

In order to verify the optimization seeking performance of the LF-DCSSA algorithm, this paper adopts the CEC2021 optimization function test set for comparative simulation experiments. The test set contains 10 benchmark functions originated from CEC2014 and CEC2017, covering different types of optimization challenges, specifically including 1 single-peak function, 3 basic multi-peak functions, 3 mixed complex functions, and 3 combination functions. The related information of the 10 test functions in the CEC2021 test set is shown in Table 2. The dimension space searching of all the test functions range are uniformly set. Since the mathematical expressions of the functions in CEC2021 are too complex to be shown in the main text (the definitions of the mathematical expressions of the 10 test functions are shown in the Supplementary Materials), this paper uses the three-dimensional mathematical models of these test functions as an example to show them, as demonstrated in Figure 6.
In order to comprehensively evaluate the performance of the LF-DCSSA algorithm, this paper compares it with the Sparrow algorithm, Grey wolf optimizer (GWO) [34], Whale optimization algorithm (WOA) [35], and Particle swarm optimization (PSO) [36] tested for comparison. During the testing process, to ensure the fairness and comparability of the simulation experiments, the population size of the five algorithms is uniformly set to N = 50 , and the maximum number of iterations is uniformly set to T = 500 . The learning factor of the PSO algorithm is set to c 1 = c 2 = 2 , and the range of speed is restricted to [−5,5].
Given that each of the 10 functions in the CEC2021 test set has a different theoretical optimum, in order to unify the evaluation criteria, the simulation experiment performs a difference operation between the optimization algorithms’ optimization results and the corresponding theoretical optimums and uses these differences as an index for statistical analysis so that the theoretical optimums in the operation process are considered as 0 in the comparison.
In this paper, an example simulation experiment is carried out with D i m = 10 . For each algorithm, 30 independent operations are performed. During the simulation experiment, the Average (Ave), Standard Deviation (Std), and Best (Best) metrics are computed and documented, through which the algorithms can be evaluated in terms of search precision, stability, and potential performance. The specific test results of the simulation experiment are shown in Table 3. A comparison of the fitness convergence curves of each algorithm on the CEC2021 test set is shown in Figure 7.
By comparing and analyzing the test results of the algorithms, Table 3 clearly show that when the LF-DCSSA algorithm optimizes functions F1 to F10 in the CEC2021 test set, the results obtained by the algorithm coincide with the actual optimal values of these functions, i.e., there is no bias, and the algorithm has an optimization accuracy of 100%. In addition, the algorithm also shows high optimization stability, which is significantly better than the other four algorithms in the comparison. Further observing the optimization iteration curves shown in Figure 4, it can be seen that the LF-DCSSA algorithm also far exceeds the other four algorithms in terms of optimization speed and the ability to jump out of the local optimal solution. In summary, the improvement strategy proposed in this paper for the SSA algorithm not only improves its convergence efficiency and optimization accuracy but also has better performance in terms of optimization accuracy and rate compared with the other algorithms.

5. LF-DCSSA-ILADRC Simulation of Combustion Control System

In the multivariable coupled combustion control system of the CFB boiler, the main side circuit is easily affected by the opposite side circuit. Therefore, according to the previously mentioned tuning rules of ILADRC, it is necessary to tune the two main side circuits separately, but it is not possible to fully take into account the opposite side circuit. Therefore, the problem of overly radical parameters affecting the overall stability of the coupling system cannot be avoided in the parameter adjustment process. The optimal parameters of two controllers are extremely difficult to balance. The two ILADRC controllers G 1 and G 2 are optimally tuned by IF-DCSSA, which improves the performance and stability of the control system, simplifies the tuning steps, and improves the efficiency of the tuning.

5.1. Tuning Parameter Selection and Fitness Function

This comparison simulation also selects the optimal bandwidth ratio ω o = 10 k p . When there is a clear controlled object, T ^ and τ ^ are deployed according to the main side circuit to avoid model confusion and impact the effect of optimization search. Therefore, controllers G 1 and G 2 need to optimize the parameters of the algorithm to search for the optimal parameters including k p 1 , b 01 , k p 2 and b 02 to balance the relationship between the four parameters. This strategy aims to achieve the optimal control effect and reduce the coupling effects between variables.
The objective function of the algorithm optimization in this paper takes into account three aspects. First, it incorporates the integral of time and absolute error (ITAE) criterion for evaluating the error accumulation of the control system over time. Second, it adds the controller outputs to prevent significant errors. Third, it introduces the overshoot of the system response in order to minimize the violent fluctuations of the control system. By combining these factors and summing the indicators of each controller, the final objective function is established, as shown in Equation (34).
f ( t ) = i = 1 n 0 φ c 1 · e i ( t ) · t + c 2 · u i 2 ( t ) d t + c 3 · σ i
where n represents the number of controllers; φ denotes the dynamic time; e ( t ) signifies the actual deviation between the system target value and the measured value; u ( t ) stands for the ILADRC controller output; σ indicates the overshoot of the control system; c 1 , c 2 , and c 3 are the weights of the three indexes, which can be adjusted based on optimization objectives.

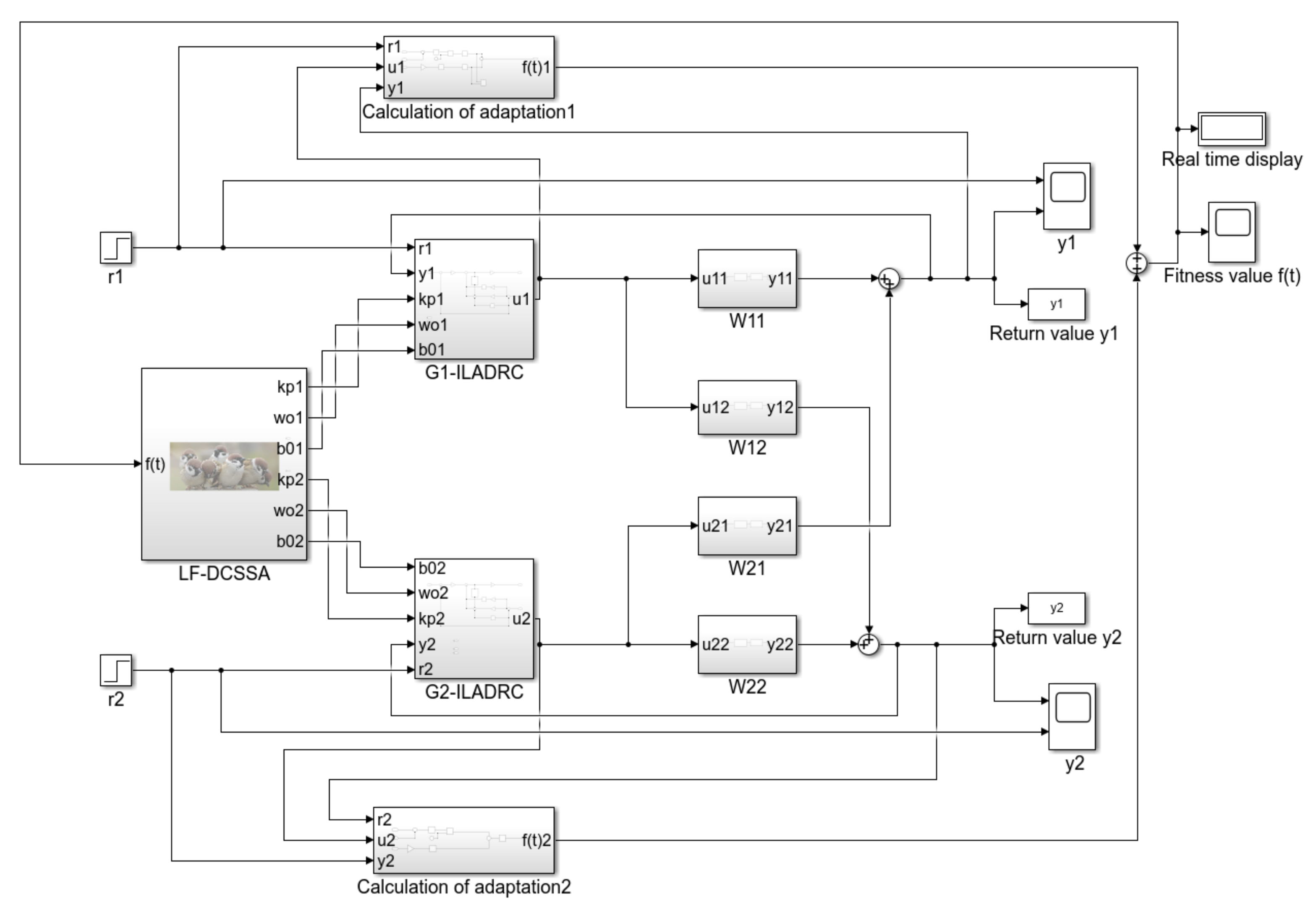
5.2. LF-DCSSA-ILADRC Combustion Control System Diagram

Based on the above, the Simulink is used to build LF-DCSSA-ILADRC combustion control system simulation as shown in Figure 8. The tuning process of the control system is shown in Figure 9.

5.3. Comparison and Analysis of the Combustion System Simulation

In order to verify the effectiveness of the proposed LF-DCSSA-ILADRC on the multivariable coupled combustion control system of the CFB boiler, this paper adopts the same controlled object model as in reference [26] for the simulations. It compares and analyzes the LF-DCSSA-ILADRC with theoretically tuned PID and ILADRC. Additionally, it validates the effectiveness and efficiency of the LF-DCSSA assisting ILADRC tuning by comparing the iteration curves with those of other optimization algorithms. The transfer function of the controlled object is shown in Equation (35).
W 11 ( s ) = 4.8 ( 232 s + 1 ) 2 e 22 s W 21 ( s ) = 0.53 ( 336 s + 1 ) 2 e 78 s W 22 ( s ) = 0.92 ( 182 s + 1 ) 2 e 33 s W 11 ( s ) = 3.1 ( 123 s + 1 ) 2 e 43 s
Combining the above and according to Equation (35), we set the parameters as follows: T 1 ^ = 232 , τ ^ 1 = 22 , T 2 ^ = 123 and τ ^ 2 = 43 , Subsequently, the LF-DCSSA optimization algorithm is used to optimize the parameters in G 1 and G 2 . After the test, the final parameter interval to be optimized is set to k p 1 [ 0.001 , 0.1 ] , b 01 [ 0.001 , 0.1 ] , k p 2 [ 0.001 , 0.1 ] , and b 02 [ 0.001 , 0.1 ] . The parameters of the fitness function are set to c 1 = 1 , c 2 = 10 and c 3 = 500 . The population size of the algorithm is set to 30, and the maximum number of iteration is set to 50. Under the same conditions of parameter ranges to be optimized, population size, and maximum iterations, PSO and SSA optimization algorithms are used to optimize the parameters in G 1 and G 2 , respectively. The optimization iteration curves of the three algorithms are shown in Figure 10.
From Figure 10, it can be seen that the LF-DCSSA algorithm exhibits significant optimization speed and accuracy during the iteration process. This algorithm quickly converges to the target value in fewer iterations, indicating that it can more effectively explore the solution space when searching for the optimal solution. In addition, the final objective function value achieved by LF-DCSSA is significantly lower than other algorithms. This advantage stems from its combination of global and local search strategies, which not only avoids becoming stuck in local optima but also ensures high-precision optimization results. Overall, the LF-DCSSA algorithm outperforms other algorithms in terms of optimization speed and accuracy, providing a more efficient solution for tuning controller parameters.
The ILADRC is theoretically adjusted according to Equations (7) and (8), and the parameters of both controllers are adjusted, respectively, ignoring the influence of the coupling controlled object on the side loop. The same is true for PID. The final optimal controller parameters are shown in Table 4.
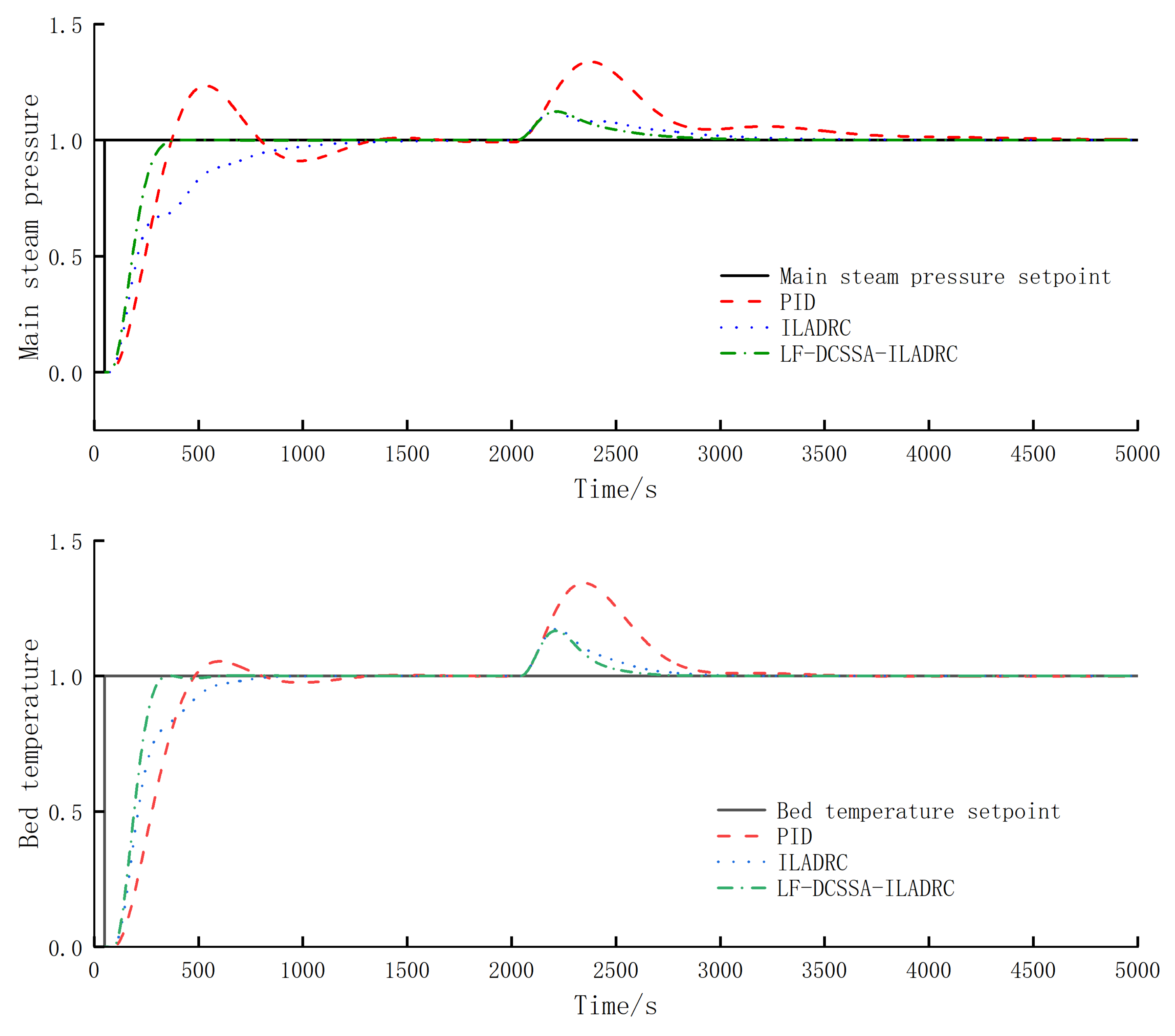
The given values of main steam pressure and bed temperature are set as unit step signals at t = 50 s , and the perturbation signals of f i = 0.2 are added to the total fuel volume and total primary air volume at t = 2000 s . The comparison graphs of PID, ILADRC, and LF-DCSSA-ILADRC under this test are shown in Figure 11. The indicators of the system’s main steam pressure and bed temperature time–domain response are presented in Table 5 and Table 6.
The indicators in Table 4 and Table 5 include the adjustment time of step following and perturbation recovery t s r (±2%), t s f (±2%), the time absolute error integral criterion (ITAE), and the system overshoot σ . In combination with Figure 8, Table 4 and Table 5, it can be seen that in the loop simulation comparison of the CFB boiler multi-variable coupled combustion control system, LF-DCSSA-ILADRC is superior to ILADRC and PID in terms of adjustment time, except that the overshot is basically similar to ILADRC. By comparing the ILADRC adjusted by the LF-DCSSA algorithm with the theoretically tuned ILADRC, it can be determined that in the time–domain response test of main steam pressure, t s r is increased by 72.8% and t s f is increased by 29.8%. ITAE r is decreased by 4.969 × 104 and ITAE f is decreased by 1.167 × 104. In the time–domain response test of bed temperature, t s r is increased by 59.3% and t s f is increased by 22.6%. ITAE r is decreased by 1.873 × 104 and ITAE f is decreased by 0.596 × 104. To sum up, LF-DCSSA-ILADRC has the best time–domain performance with the best integrative capability for the CFB boiler multi-variable coupled combustion control system.

6. Conclusions

This research primarily focuses on the design of the LF-DCSSA-ILADRC control strategy for the multivariable coupled combustion control system of CFB boilers. This strategy utilizes optimization algorithms to identify the optimal parameters, enhance parameter tuning speed and accuracy, and demonstrates superior control performance compared to other control methods.
Multi-strategy improved LF-DCSSA algorithm: This study establishes a multi-strategy improved LF-DCSSA algorithm. The chaotic lens imaging backward learning is used to initialize the population, which ensures that population distribution is more uniform with high quality. The dynamic adaptive inertia weights can adjust the weights to ensure the different exploration purposes in the initial and later stages. The addition of Lévy flight strategy not only enhances the exploration ability and local optimal probability of the algorithm but also enhances the local development ability of the algorithm. Finally, the chaos perturbation strategy is added to avoid the early-maturing problem of the SSA algorithm. The proposed LF-DCSSA is superior to SSA and other algorithms in terms of convergence speed, optimization accuracy, and ability to jump out of local optimal solution in the CEC2021 test function. The accuracy of the LF-DCSSA algorithm reaches 100% in 30 simulations.
Establishment of LF-DCSSA-ILADRC control model: This study utilizes the LF-DCSSA algorithm to optimize the ILADRC in the CFB boiler combustion control system constructed by Simulink to comprehensively improve the control effect of the system. The time–domain response indexes in the step response test and the perturbation test prove that LF-DCSSA-ILADRC has strong advantages in regulation time, overshooting amount, and ITAE indexes. Especially the regulation time is reduced by 46.125% on average, which greatly improves the response speed of the combustion system. There is a qualitative improvement in ITAE indexes, both for main steam pressure control and bed temperature control. Therefore, this strategy is more convenient and effective compared with the theoretically tuned ILADRC.
The LF-DCSSA-ILADRC control strategy provides a new approach for optimizing the combustion system of CFB boilers, and its performance is significantly better than traditional control methods. The advantage of this strategy is that it can achieve more precise combustion control, thereby improving the overall operating efficiency and safety of the boiler. Future research can focus on further optimizing algorithms, practical industrial applications, system integration and intelligence, multivariable coupled control, and its promotion and application in other types of boilers. Through in-depth exploration in these directions, it will help promote the intelligent transformation of CFB boilers, improve the operational efficiency and safety of power plants, and contribute to sustainable development.

Supplementary Materials

The following supporting information can be downloaded at: https://www.mdpi.com/article/10.3390/en18092164/s1.

Author Contributions

Conceptualization, Q.W.; methodology, Q.W. and C.Z.; software, R.F.; validation, A.X.; formal analysis, A.X.; resources, Q.W and X.J.; data curation, S.C.; writing—original draft preparation, C.Z.; writing—review and editing, Q.W. and A.X.; supervision, Q.W. and X.J. All authors have read and agreed to the published version of the manuscript.

Funding

This research was funded in part by the National Natural Science Foundation of China grant number 62373231, in part by the Lvliang City “unveils the list of commanders” of major innovation demand projects grant number 2022JBGS02, and Shanxi Scholarship Council of China grant number 2023-016.

Data Availability Statement

Data are contained within the article.

Conflicts of Interest

The authors declare no conflicts of interest.

References

  1. Yue, G.; Cai, R.; Lu, J.; Zhang, H. From a CFB reactor to a CFB boiler—The review of R&D progress of CFB coal combustion technology in China. Powder Technol. 2017, 316, 18–28. [Google Scholar]
  2. Cai, R.; Zhang, H.; Zhang, M.; Yang, H.; Lyu, J.; Yue, G. Development and application of the design principle of fluidization state specification in CFB coal combustion. Fuel Process. Technol. 2018, 174, 41–52. [Google Scholar] [CrossRef]
  3. Zhang, H.; Lyu, J.; Yue, G. A review on research and development of CFB combustion technology in China. Powder Technol. 2023, 414, 118090. [Google Scholar] [CrossRef]
  4. Qi, G.; Zhang, S.; Liu, X.; Guan, J.; Chang, Y.; Wang, Z. Combustion adjustment test of circulating fluidized bed boiler. Appl. Therm. Eng. 2020, 363, 398–407. [Google Scholar] [CrossRef]
  5. Cheng, L.; Ji, J.; Wei, Y.; Wang, Q.; Fang, M.; Luo, Z.; Ni, M.; Cen, K. A note on large-size supercritical CFB technology development. Powder Technol. 2020, 363, 398–407. [Google Scholar] [CrossRef]
  6. Ze, D.; Jian, S.; Zijie, W.; Ming, S. PID-NN decoupling control of CFB boiler combustion system based on PSO method. In Proceedings of the 2009 International Conference on Sustainable Power Generation and Supply, Nanjing, China, 6–7 April 2009; pp. 1–6. [Google Scholar]
  7. Zhang, Y.; He, H.; Zhu, H.; Su, Z.; Hao, Y. Multivariable Control Strategy for Combustion System of Circulating Fluidized Bed Boiler. In Proceedings of the 2012 Asia-Pacific Power and Energy Engineering Conference, Shanghai, China, 27–29 March 2012; pp. 1–4. [Google Scholar]
  8. Li, F.; Ma, S. Fuzzy adaptive PID control of circulating fluidized bed boiler combustion system based on dynamic universe. J. Chin. Soc. Power Eng. 2021, 41, 195–200. [Google Scholar]
  9. Fu, C.; Tan, W. Control study of circulating fluidized bed boiler combustion system. J. Eng. Therm. Energy Power 2016, 31, 66–73+138–139. [Google Scholar]
  10. Xi, X.; Jiang, X.; Li, D.; Zeng, H. Auto disturbance rejection control of circulating fluidized bed boiler combustion system. J. Tsinghua Univ. 2004, 1575–1579. [Google Scholar]
  11. Han, J. Auto disturbance rejection Control and applications. Control Decis. 1998, 13, 19–23. [Google Scholar]
  12. Han, J. From PID to active disturbance rejection control. IEEE Trans. Ind. Electron. 2009, 56, 900–906. [Google Scholar] [CrossRef]
  13. Liu, F.; Li, Y.; Cao, Y.; She, J.; Wu, M. A two-layer active disturbance rejection controller design for load frequency control of interconnected power system. IEEE Trans. Power Syst. 2015, 31, 3320–3321. [Google Scholar]
  14. Castañeda, L.A.; Luviano-Juárez, A.; Chairez, I. Robust trajectory tracking of a delta robot through adaptive active disturbance rejection control. IEEE Trans. Control Syst. Technol. 2014, 23, 1387–1398. [Google Scholar] [CrossRef]
  15. Shi, D.; Xue, J.; Zhao, L.; Wang, J.; Huang, Y. Event-triggered active disturbance rejection control of DC torque motors. IEEE/ASME Trans. Mechatronics 2017, 22, 2277–2287. [Google Scholar]
  16. Ran, M.; Wang, Q.; Dong, C.; Hou, Y.; Wang, Z. Backstepping active disturbance rejection control: A delayed activation approach. IET Control Theory Appl. 2017, 11, 2336–2342. [Google Scholar] [CrossRef]
  17. Li, R.; Li, T.; Bu, R.; Zheng, Q.; Chen, C.P. Active disturbance rejection with sliding mode control based course and path following for underactuated ships. Math. Probl. Eng. 2013, 2013, 743716. [Google Scholar] [CrossRef]
  18. Li, D.; Ding, P.; Gao, Z. Fractional active disturbance rejection control. ISA Trans. 2016, 62, 109–119. [Google Scholar]
  19. Sun, G.; Ren, X.; Li, D. Neural active disturbance rejection output control of multimotor servomechanism. IEEE Trans. Control Syst. Technol. 2014, 23, 746–753. [Google Scholar]
  20. Ahi, B.; Haeri, M. Linear active disturbance rejection control from the practical aspects. IEEE/ASME Trans. Mechatronics 2018, 23, 2909–2919. [Google Scholar] [CrossRef]
  21. Gao, Z. Scaling and bandwidth-parameterization based controller tuning. In Proceedings of the 2003 American Control Conference, Denver, CO, USA, 4–6 June 2003; pp. 4989–4996. [Google Scholar]
  22. Tan, W.; Fu, C. Linear active disturbance-rejection control: Analysis and tuning via IMC. IEEE Trans. Ind. Electron. 2015, 63, 2350–2359. [Google Scholar] [CrossRef]
  23. Wu, Z.; Li, D.; Xue, Y.; Chen, Y. Gain scheduling design based on active disturbance rejection control for thermal power plant under full operating conditions. In Modeling, Identification, and Control for Cyber-Physical Systems Towards Industry 4.0; Academic Press: Cambridge, MA, USA, 2024; pp. 351–384. [Google Scholar]
  24. Zhao, S.; Gao, Z. Modified active disturbance rejection control for time-delay systems. ISA Trans. 2014, 53, 882–888. [Google Scholar] [CrossRef]
  25. Li, J.; Tan, W.; Zhang, B. Linear active disturbance rejection control of SCR flue gas denitrification systems. J. Chin. Soc. Power Eng. 2019, 39, 203–207. [Google Scholar]
  26. Ren, G.; Yang, C. Improved linear active disturbance rejection control and parameter tuning method for multi-input multi-output coupling system. J. Eng. Therm. Energy Power 2024, 39, 154–161+170. [Google Scholar]
  27. Wu, J.H.; Zhang, J.; Zhang, Y.-J.; Liu, Z.H. Active disturbance rejection control of a chaotic system based on immune binary-state particle swarm optimization algorithm. Acta Phys. Sin. 2011, 60, 019501. [Google Scholar]
  28. Liu, G.; Xu, C.; Wang, L. Modified ADRC design of permanent magnet synchronous motor based on improved memetic algorithm. Sensors 2023, 23, 3621. [Google Scholar] [CrossRef] [PubMed]
  29. Wang, Z.; Zu, R.; Duan, D.; Li, J. Tuning of ADRC for QTR in transition process based on NBPO hybrid algorithm. IEEE Access 2019, 7, 177219–177240. [Google Scholar] [CrossRef]
  30. Wang, Q.; Xiao, A.; Wang, Y.; Chen, S.; Fan, R. Modeling of CFB Boiler Combustion System Based on LF-DCSSA Algorithm. In Smart Grid and Cyber Security Technologies. LSMS ICSEE 2024; Communications in Computer and Information Science; Science and Business Media LLC: Singapore, 2025. [Google Scholar]
  31. Han, P. Modern Engineering Control Theory; China Electric Power Publishing House: Beijing, China, 2017; pp. 584–635. [Google Scholar]
  32. He, T.; Wu, Z.; Li, D.; Wang, J. A tuning method of active disturbance rejection control for a class of high-order processes. IEEE Trans. Ind. Electron. 2019, 67, 3191–3201. [Google Scholar] [CrossRef]
  33. Xue, J.; Shen, B. A novel swarm intelligence optimization approach: Sparrow search algorithm. Syst. Sci. Control Eng. 2020, 8, 22–34. [Google Scholar] [CrossRef]
  34. Mirjalili, S.; Mirjalili, S.M.; Lewis, A. Grey wolf optimizer. Adv. Eng. Softw. 2014, 69, 46–61. [Google Scholar] [CrossRef]
  35. Mirjalili, S.; Lewis, A. The whale optimization algorithm. Adv. Eng. Softw. 2016, 95, 51–67. [Google Scholar] [CrossRef]
  36. Poli, R.; Kennedy, J.; Blackwell, T. Particle swarm optimization: An overview. Swarm Intell. 2007, 1, 33–57. [Google Scholar] [CrossRef]
Figure 1. Structural block diagram of multivariable coupled combustion control system for CFB boiler.
Figure 1. Structural block diagram of multivariable coupled combustion control system for CFB boiler.
Energies 18 02164 g001
Figure 2. Structure of ILADRC.
Figure 2. Structure of ILADRC.
Energies 18 02164 g002
Figure 3. Schematic diagram of two-degree-of-freedom structure of ILADRC.
Figure 3. Schematic diagram of two-degree-of-freedom structure of ILADRC.
Energies 18 02164 g003
Figure 4. Nyquist response curve.
Figure 4. Nyquist response curve.
Energies 18 02164 g004
Figure 5. Flowchart of LF-DCSSA algorithm.
Figure 5. Flowchart of LF-DCSSA algorithm.
Energies 18 02164 g005
Figure 6. CEC2021 test function 3D graph.
Figure 6. CEC2021 test function 3D graph.
Energies 18 02164 g006aEnergies 18 02164 g006b
Figure 7. Iterative curves of 5 algorithms for optimization of CEC2021 test functions.
Figure 7. Iterative curves of 5 algorithms for optimization of CEC2021 test functions.
Energies 18 02164 g007
Figure 8. Simulink simulation diagram of LF-DCSSA-ILADRC combustion control system.
Figure 8. Simulink simulation diagram of LF-DCSSA-ILADRC combustion control system.
Energies 18 02164 g008
Figure 9. LF-DCSSA-ILADRC combustion control system parameter self-tuning flowchart.
Figure 9. LF-DCSSA-ILADRC combustion control system parameter self-tuning flowchart.
Energies 18 02164 g009
Figure 10. Comparison of algorithmic optimization iteration curves.
Figure 10. Comparison of algorithmic optimization iteration curves.
Energies 18 02164 g010
Figure 11. Time–domain response curve of each controller.
Figure 11. Time–domain response curve of each controller.
Energies 18 02164 g011
Table 1. The specific influence of each disturbance factor on the combustion system.
Table 1. The specific influence of each disturbance factor on the combustion system.
DisturbanceTypeInfluence
F1Fuel characteristic disturbanceThe time-varying characteristics of coal quality parameters (including calorific value, volatile content and ash composition, etc.) significantly change the combustion efficiency, thus affecting the dynamic process of steam generation.
Disturbance of coal feeding systemThe fluctuation of coal supply caused by the adjustment error of coal feeder and the blockage of coal bunker directly changes the thermal load of combustion chamber.
Turbine side disturbanceThe adjustment of inlet valve opening caused by the change of turbine load changes the flow resistance characteristics of steam pipe network.
Heat transfer process disturbanceThe change in main steam temperature caused by the fluctuation of heat transfer efficiency of superheater affects the dynamic response of pressure through the change in steam specific enthalpy.
F2Fluidization mass disturbanceFluctuation of air volume caused by adjustment lag of primary air system or change of air duct resistance changes oxygen concentration distribution in combustion zone.
Bed material state disturbanceThe change in bed pressure caused by uneven slag discharge or bed material accumulation significantly affects the quality of bed fluidization.
Desulfurization process disturbanceThe adjustment of limestone feed rate based on SO2 emission control introduces additional endothermic reactions.
Material characteristic disturbanceThe change in bed material particle size/density caused by uneven fuel crushing or heating surface wear changes the heat transfer coefficient.
Table 2. CEC2021 benchmark function.
Table 2. CEC2021 benchmark function.
Function Type   Function NumberFunction NameDesirable Dimension   Optimum Value
Unimodal FunctionF1Shifted and Rotated BentCigar Function2 10 20100
Basic FunctionF2Shifted and Rotated Schwefel’s Function2 10 201100
F3Shifted and Rotated Lunacek bi-Rastrigin Function2 10 20700
F4Expanded Rosenbrock’s plus Griewangk’s Function2 10 201900
Hybrid FunctionF5Hybrid Function1 (N = 3)2 10 201700
F6Hybrid Function2 (N = 4)2 10 201600
F7Hybrid Function3 (N = 5)2 10 202100
Composite FunctionF8Composition Function1 (N = 3)2 10 202200
F9Composition Function2 (N = 4)2 10 202400
F10Composition Function3 (N = 5)2 10 202500
Table 3. The running results of 5 algorithms on the test function.
Table 3. The running results of 5 algorithms on the test function.
FunctionNormPSOWOAGWOSSALF-DCSSA
F1Ave7.4868 × 10 1 4.5880 × 10 77 3.9675 × 10 64 1.1805 × 10 63 0.0000 × 10 0
Std1.9024 × 10 2 2.5097 × 10 76 1.5913 × 10 63 4.4346 × 10 63 0.0000 × 10 0
Best2.3562 × 10 2 8.9931 × 10 94 9.5093 × 10 69 0.0000 × 10 0 0.0000 × 10 0
F2Ave4.8024 × 10 2 1.4763 × 10 2 2.2863 × 10 0 0.0000 × 10 0 0.0000 × 10 0
Std3.2609 × 10 2 3.2438 × 10 2 3.5944 × 10 0 0.0000 × 10 0 0.0000 × 10 0
Best3.1230 × 10 1 0.0000 × 10 0 0.0000 × 10 0 0.0000 × 10 0 0.0000 × 10 0
F3Ave3.3432 × 10 1 6.5738 × 10 33 3.2183e × 10 1 0.0000 × 10 0 0.0000 × 10 0
Std1.3999 × 10 1 3.6006 × 10 32 1.4950 × 10 1 0.0000 × 10 0 0.0000 × 10 0
Best8.9546 × 10 0 0.0000 × 10 0 0.0000 × 10 0 0.0000 × 10 0 0.0000 × 10 0
F4Ave1.6402 × 10 0 1.4621 × 10 1 8.3576 × 10 1 0.0000 × 10 0 0.0000 × 10 0
Std9.5393 × 10 1 3.9725 × 10 1 8.5097 × 10 1 0.0000 × 10 0 0.0000 × 10 0
Best3.9732 × 10 1 0.0000 × 10 0 0.0000 × 10 0 0.0000 × 10 0 0.0000 × 10 0
F5Ave1.5567 × 10 2 8.1943 × 10 17 2.8437 × 10 1 3.1751 × 10 18 0.0000 × 10 0
Std1.6513 × 10 2 3.2801 × 10 16 8.6483 × 10 1 1.1403 × 10 17 0.0000 × 10 0
Best2.0815 × 10 1 3.0835 × 10 92 8.9645 × 10 29 0.0000 × 10 0 0.0000 × 10 0
F6Ave3.4382 × 10 0 5.7311 × 10 0 1.3250 × 10 0 1.7207 × 10 9 0.0000 × 10 0
Std4.7212 × 10 0 2.9993e × 10 1 2.0342 × 10 0 9.4244 × 10 9 0.0000 × 10 0
Best2.7154 × 10 1 0.0000 × 10 0 1.5646 × 10 2 0.0000 × 10 0 0.0000 × 10 0
F7Ave5.6404 × 10 1 5.2108 × 10 2 1.2079 × 10 1 4.6438 × 10 18 0.0000 × 10 0
Std1.1999 × 10 2 9.6448 × 10 2 2.8572 × 10 1 2.5435 × 10 17 0.0000 × 10 0
Best4.9994 × 10 2 1.4418 × 10 4 1.0567 × 10 3 2.2702 × 10 279 0.0000 × 10 0
F8Ave9.5035 × 10 1 5.0560 × 10 1 0.0000 × 10 0 0.0000 × 10 0 0.0000 × 10 0
Std1.5938 × 10 2 2.7693 × 10 2 0.0000 × 10 0 0.0000 × 10 0 0.0000 × 10 0
Best1.7078 × 10 5 0.0000 × 10 0 0.0000 × 10 0 0.0000 × 10 0 0.0000 × 10 0
F9Ave1.6738 × 10 3 1.7188 × 10 1 9.4739 × 10 15 1.1736 × 10 69 0.0000 × 10 0
Std9.3237 × 10 4 9.4144 × 10 1 2.2534 × 10 15 4.5275 × 10 69 0.0000 × 10 0
Best4.6346e × 10 4 4.5169 × 10 103 8.8818 × 10 15 0.0000 × 10 0 0.0000 × 10 0
F10Ave7.2158 × 10 1 5.3923 × 10 2 5.5443 × 10 1 3.5526 × 10 14 0.0000 × 10 0
Std1.1159 × 10 1 2.9939 × 10 2 1.1137 × 10 1 1.8163 × 10 13 0.0000 × 10 0
Best5.1416 × 10 1 1.2136 × 10 2 4.8735 × 10 1 0.0000 × 10 0 0.0000 × 10 0
Table 4. Controller parameters.
Table 4. Controller parameters.
G 1 G 2
PID K p = 5.1 × 10 1   K i = 9.4 × 10 4   K d = 0 K p = 2.7 × 10 1   K i = 1.3 × 10 3   K d = 0
ILADRC k p = 4.6 × 10 3   ω o = 4.6 × 10 2   b 0 = 5 × 10 3 k p = 8.3 × 10 3   ω o = 8.3 × 10 2   b 0 = 1.22 × 10 2
LF-DCSSA-ILADRC k p = 9 . 49 × 10 3   ω o = 9 . 49 × 10 2   b 0 = 8 . 04 × 10 3 k p = 1 . 21 × 10 2   ω o = 1 . 21 × 10 1   b 0 = 1.22 × 10 2
Table 5. Time domain response index of the main steam pressure.
Table 5. Time domain response index of the main steam pressure.
Step Following Response IndexDisturbance Test Response Index
t sr / s σ r / % ITAE r / 10 4 t sf / s σ f / % ITAE f / 10 4
PID120923.47.951175133.811.820
ILADRC103606.12998712.32.486
LF-DCSSA-ILADRC28201.16069312.31.319
Table 6. Bed temperature time domain response index.
Table 6. Bed temperature time domain response index.
Step Following Response IndexDisturbance Test Response Index
t sr / s σ r / % ITAE r / 10 4 t sf / s σ f / % ITAE f / 10 4
PID10375.44.24389134.36.083
ILADRC6390.093.06868617.31.649
LF-DCSSA-ILADRC2600.171.19553116.71.053
Disclaimer/Publisher’s Note: The statements, opinions and data contained in all publications are solely those of the individual author(s) and contributor(s) and not of MDPI and/or the editor(s). MDPI and/or the editor(s) disclaim responsibility for any injury to people or property resulting from any ideas, methods, instructions or products referred to in the content.

Share and Cite

MDPI and ACS Style

Wang, Q.; Zhang, C.; Xiao, A.; Jia, X.; Chen, S.; Fan, R. Tuning of ILADRC for CFB Boiler Combustion System Based on LF-DCSSA Algorithm. Energies 2025, 18, 2164. https://doi.org/10.3390/en18092164

AMA Style

Wang Q, Zhang C, Xiao A, Jia X, Chen S, Fan R. Tuning of ILADRC for CFB Boiler Combustion System Based on LF-DCSSA Algorithm. Energies. 2025; 18(9):2164. https://doi.org/10.3390/en18092164

Chicago/Turabian Style

Wang, Qi, Chi Zhang, Aoqi Xiao, Xinchun Jia, Shikui Chen, and Rongsen Fan. 2025. "Tuning of ILADRC for CFB Boiler Combustion System Based on LF-DCSSA Algorithm" Energies 18, no. 9: 2164. https://doi.org/10.3390/en18092164

APA Style

Wang, Q., Zhang, C., Xiao, A., Jia, X., Chen, S., & Fan, R. (2025). Tuning of ILADRC for CFB Boiler Combustion System Based on LF-DCSSA Algorithm. Energies, 18(9), 2164. https://doi.org/10.3390/en18092164

Note that from the first issue of 2016, this journal uses article numbers instead of page numbers. See further details here.

Article Metrics

Back to TopTop