Abstract
Battery longevity and hydrogen consumption efficiency are primary optimization goals for EMS in high-performance fuel cell hybrid electric vehicles (FCHEVs). This article provides an overview of an FCHEV powertrain and a hierarchical control scheme that includes low-level controllers for key components. Finally, a higher-level control architecture for power management combines a fuzzy logic controller with an H-infinity controller to ensure reliable power management. The aim is to enhance EMS performance and overall robustness to uncertainties by implementing the higher-level control architecture. The effectiveness of the proposed strategy is demonstrated through simulations in the MATLAB/SIMULINK 2024a environment.
1. Introduction
This section presents the research background and current state of energy management solutions for fuel cell hybrid power systems. Then, based on the limitations of the current research position, the motivation and contribution of the research are discussed. Finally, the structure of the article is specified.
1.1. Literature Review
The transportation sector is undergoing a major shift toward sustainable energy solutions to reduce greenhouse gas emissions and fossil fuel dependency. Hydrogen-based energy systems have emerged as a promising alternative, particularly in the form of FCHEVs, which integrate fuel cell stacks with energy storage systems such as batteries, as noted by Abdeldjalil Djouahi et al. [1]. The adoption of hydrogen fuel cells in transportation has gained momentum due to their high energy efficiency, zero emissions, and potential for long-range travel compared to battery-electric vehicles, as shown by Jensen HansChristian B. et al. [2] and Lachhab Islem and Lotfi Krichen [3]. Recent advancements in hydrogen infrastructure and fuel cell technology have further facilitated the deployment of fuel cell hybrid vehicles, making them a viable alternative to internal combustion engine vehicles, as outlined by Zhou Jun et al. [4].
Despite their advantages, fuel cell hybrid vehicles present several challenges, particularly in power management, fuel cell longevity, and hydrogen consumption efficiency. An energy management strategy determines the power split between the fuel cell and battery, aiming to balance performance, fuel economy, and component longevity, as demonstrated by Abdeldjalil Djouahi et al. [1]. Various approaches have been explored, including rule-based methods, optimization-based strategies, and artificial intelligence-based techniques, as discussed by Silva Fabrício Leonardo et al. [5]. Among these, fuzzy logic control has demonstrated strong adaptability to varying driving conditions, making it a popular choice for fuel cell hybrid vehicles, as noted by Chen et al. [6].
Fuzzy logic-based energy management dynamically regulates power distribution based on heuristic rules and system conditions, effectively managing energy flow between the fuel cell and battery. However, achieving optimal performance and reliability often necessitates tuning various EMS parameters, which can be tough due to a myriad of uncertainties, as discussed by Fletcher Tom et al. [7]. To overcome this limitation, this study proposes a hierarchical energy management framework that integrates fuzzy logic with an H-infinity controller. The FLC determines the desired power split based on state-of-charge error and power request error, while the H-infinity controller ensures that state-of-charge and hydrogen consumption targets are followed despite external uncertainties and disturbances. While more advanced formulations like finite-time H∞ control for switched affine nonlinear systems have been proposed using Lie derivatives [8], our work adopts classical output-tracking H∞ control due to its computational tractability and suitability for real-time FCHEV deployment.
1.2. Motivation and Contribution
The primary motivation for this research is the need for an advanced energy management strategy that ensures efficient power distribution while maintaining robustness against model uncertainties and external disturbances. Existing energy management approaches, including optimization-based and rule-based strategies, often fail to account for dynamic variations in vehicle parameters and environmental conditions, leading to suboptimal hydrogen consumption and increased fuel-cell degradation. Recent studies have demonstrated that, while fuzzy logic control provides flexibility and adaptability, it does not inherently guarantee robustness when system parameters fluctuate. Conversely, the H-infinity performance criterion ensures that the designed control system remains stable under a range of uncertainties by defining rigorous bounds on how much the system’s output can deviate under worst-case scenarios. Techniques such as linear matrix inequalities (LMIs) and Riccati equations are typically employed to solve H-infinity control problems, facilitating optimal controller design through systematic numerical methods [9].
This study introduces a novel fuzzy logic-based H-infinity control framework to address these challenges. The proposed approach leverages fuzzy logic to determine the optimal power split between the fuel cell and battery while incorporating H-infinity control to ensure tracking of state-of-charge and hydrogen consumption targets under varying conditions. The key contributions of this research include the following:
- Development of a hierarchical control framework that integrates fuzzy logic for intelligent power allocation with H-infinity control for robustness.
- Implementation of an energy management strategy that dynamically adjusts power distribution based on real-time system states and driving conditions.
- Evaluation of the proposed control framework under different vehicle configurations and drive cycles to validate its ability to enhance hydrogen efficiency, extend battery lifespan, and improve system robustness.
Simulation results demonstrate that the proposed fuzzy logic-H-infinity control strategy significantly enhances hydrogen efficiency, ensures reliable tracking of power requests, and improves battery longevity by mitigating abrupt SOC changes.
1.3. Organization of the Article
The following is a description of the structure of this article. We start with a brief system overview of all the key components modeled for this study. Section 2 of this paper introduces the models of the key components, i.e., the fuel cell, battery, etc. Section 3 presents a brief outline of the low-level controllers implemented for these components. In Section 4, we review the EMS/higher-level controller in detail and evaluate its performance. Finally, the last section presents the findings of this study.
2. System Overview
This section describes the overall architecture of the FCHEV system. The Simulink model includes key components:
- Fuel cell: A proton-exchange membrane fuel cell (PEMFC) that generates electrical power using hydrogen as fuel.
- Battery: Stores electrical energy and provides power during high demand or when the fuel cell is unavailable.
- Motor: A permanent magnet synchronous motor (PMSM) that drives wheels, ensuring high efficiency and torque control. A bond graph is implemented to find the dynamic equation of a PMSM [10].
- Vehicle model: The vehicle model of a rigid vehicle body with constant mass undergoing longitudinal motion.
A hierarchical architecture ensures that the system can operate efficiently across varying conditions. Low-level controllers address component-specific tasks such as motor controllers, fuel cell controllers, and driver controllers, while the high-level fuzzy logic and the H-infinity controller focus on global energy optimization.
The following figure shows the topology of the FCHEV powertrain [11]. As shown in Figure 1, the fuel cell is connected to the DC bus of the motor with a unidirectional DC/DC converter (UDC), and the battery is directly connected to the DC bus of the motor. Figure 1 does not highlight the drive train and the vehicle model.
Figure 1.
Powertrain topology.
The parameter values used in this study are based on Table 1. All parameters were provided and validated through a project partnership with Hyundai Motor Corp., ensuring high-fidelity modeling aligned with real-world data.
Table 1.
Parameters of the FCHEV powertrain system.
2.1. Fuel Cell
2.1.1. Open Circuit Voltage of the Fuel Cell
The PEM fuel cell consists of a proton exchange membrane placed between two electrodes that are coated with a platinum catalyst. The hydrogen gas is supplied at the anode. Air, a source of oxygen, is supplied at the cathode. At the anode, hydrogen gas, in the presence of the platinum catalyst, is ionized into positively charged hydrogen ions and negatively charged electrons. The oxidation reaction at the anode is as follows [12]:
The proton-exchange membrane only permits positively charged hydrogen ions to flow from the anode to the cathode. The negatively charged electrons from the anode reach the cathode via an external circuit. This process leads to the generation of electric current. At the cathode, electrons and protons combine with oxygen from the air to form water that flows out of the fuel cell. The reduction reaction at the cathode is as follows [12]:
The reversible electric potential (in volts) can be calculated from the change in Gibbs free energy (found to be 1.15 V) and the changes to it concerning the partial pressure of the reactants as follows [12]:
where
2.1.2. Irreversible Voltage Losses in the Fuel Cell
Irreversible voltage losses (in volts) in a PEM fuel cell reduce its overall efficiency. These losses include activation losses, concentration losses, and ohmic losses [12].
2.1.3. Activation Losses
Activation losses occur due to the energy required to initiate the electrochemical reactions:
2.1.4. Concentration Losses
Concentration losses happen due to the reduction in reactant concentration at the catalyst sites:
2.1.5. Ohmic Losses
Ohmic losses are due to the resistance to the flow of ions in the electrolyte and electrons through the cell components:
where
Therefore, the terminal cell voltage is usually expressed as in Equation (7), and it is less than the internal voltage developed inside the fuel cell (open-circuit reversible voltage) E due to several voltage drops: the activation voltage drop (), the ohmic voltage drop (), and the concentration voltage drop () [12].
2.1.6. Reactant Flow Equations
It is shown in Equation (3) that the terminal cell voltage depends on the effective partial pressures of reactants. These pressures can be determined using reactant flow rates and stack current magnitude. Changes in the stack current impose changes in the consumption of reactants and thus change the partial pressures. Reactant flows at the anode and cathode are assumed to be laminar, while the total pressure inside the stack is assumed to be uniform [13]. Therefore, the ideal gas law is used to model the reactant flows that show the proportionality between the reactant pressure and the amount of gas. Partial pressures of respective reactants are shown as follows [13]:
where the anode volume () and hydrogen inlet flow rate (mol/s) are critical parameters in fuel cell operation. The hydrogen outlet flow rate depends on the difference between the hydrogen partial pressure and downstream pressure , where (mol/(s ∗ atm)) is the anode flow constant. Analogous equations are used to model oxygen and water flows at the cathode.
2.1.7. Double-Layer Capacitance
Double-layer capacitance in a fuel cell refers to the effect of charge separation at the electrode-electrolyte interface, resulting in capacitive behavior. This phenomenon can be modeled using an RC (resistor–capacitor) circuit [13]. The voltage across the capacitor, , changes over time according to the following equation:
where C (Faraday) is the capacitance, and (Ohms) is the resistance. This equation describes the dynamic behavior of the voltage in response to the current flow and resistive losses. This equivalent electric circuit is the dynamic model of Dicks–Larminie model [13], the voltage losses of electrochemical reactions in a fuel cell (activation and concentration voltage drops) with a voltage source in series with a double-layer branch and a resistance. With this change, we can modify Equation (7) as follows:
where N is the number of individual fuel cells in the stack.
2.1.8. State Space Model
Equations (8)–(11) stem from our four state equations that describe the PEM fuel cell. We have the following structure:
and
The output of our system will be a measurement of the fuel cell stack voltage and can be modeled using Equation (12):
The PEM fuel cell model provides the basis for understanding the power generation capabilities of the FCHEV system. Figure 2 illustrates the polarization curve for the fuel cell discussed above.
Figure 2.
Fuel cell polarization curve.
This model will be used in conjunction with the energy management strategy to optimize Hydrogen efficiency and maintain vehicle performance under dynamic driving conditions.
2.2. Battery
The battery in the FCHEV system serves as an auxiliary power source, supplementing the fuel cell during a high power request and acting as an energy buffer to enhance efficiency. The battery model is based on the Estimation Equivalent Circuit Battery Model, which implements a resistor-capacitor (RC) equivalent circuit. This model captures the dynamic behavior of the battery through state-of-charge (SOC)-dependent parameters and lookup tables, as discussed by Ahmed et al. [14].
The following parameters are implemented as SOC-dependent lookup tables:
- Series resistance:
- Battery open-circuit voltage:
- Resistance for the nth RC pair:
- Capacitance for the nth RC pair:
The combined voltage of the battery network is calculated using the following equation:
where
- is the terminal voltage of the battery.
- is the per-module battery current.
- represents the voltage drop across the n-th RC pair.
The voltage of each RC pair is governed by the following, as shown by Huria et al. [15]:
where
- The integration accounts for the transient response of the battery system.
The state-of-charge (SOC) dynamics are updated using the battery current [15]:
where the following applies:
- is the total battery capacity.
- The positive current () indicates battery discharge.
- The negative current () indicates battery charging.
The battery terminal voltage is given by the following:
where represents the total voltage available at the battery terminals.
This equivalent circuit battery model enables an accurate representation of battery behavior in Simulink, allowing for precise SOC estimation in the FCHEV system.
2.3. Motor
The DQ0 equivalent circuit of the PMSM [16], neglecting the core loss, is shown in Figure 3. It has (Ohms) the winding resistance of the phase, and the power loss of Rs presents the copper loss of the PMSM. The permanent magnet flux is described as (Webers), which is proportional to the rotor speed in electrical angular frequency, (rad/s). (Volts) and are the d- and q-axis terminal voltages acting as inputs, (Ampere) and are the d- and q-axis armature currents, and (Henry) and are the d- and q-axis inductances, respectively. Additionally, we include a mechanical part that involves modeling the effects that arise from the interaction of the magnetic fields and the motor’s physical characteristics, such as rotor inertia and friction.
Figure 3.
Equivalent circuit of a PMSM.
There are two types of PMSM. In surface permanent magnet synchronous motors (SPMSMs), the permanent magnets are mounted on the surface of the rotor. On the other hand, interior permanent magnet synchronous motors (IPMSMs) have their permanent magnets embedded within the rotor, usually in slots. This construction can provide better protection for the magnets, allowing IPMSMs to operate at higher temperatures and speeds. The key electrical difference between IPMSMs and SPMSMs, as highlighted, is the difference in inductance along the q-axis and the d-axis. For SPMSMs, the inductance values in the d-axis and q-axis are very close to each other or the same, leading to = [17]. Conversely, IPMSMs exhibit significant saliency, meaning there is a notable difference between the d-axis and q-axis inductances. This is a result of the rotor’s geometry and the placement of magnets inside the rotor, typically [17]. We can choose inductance values to reflect which motor we need to model.
The electro-mechanical bond graph of this motor is shown in Figure 4 [10].
Figure 4.
Bond graph of a PMSM.
Here, b (Nm/(rad/s)) is the mechanical resistance of the motor, J (kg·) is the rotor inertia, (Nm) is the load torque put on the motor, and P is the number of poles in the motor. The gyrator element symbolically represents the conversion of back electromotive force (EMF) into mechanical torque, and and are the modulated gyrator constants. = and = + , where and are the flux linkages of the system.
The state equations for this model are as follows:
where a is , which is a constant multiplied to determine the electrical torque.
We can expand the state space by including this equation:
2.4. Vehicle Model
The longitudinal dynamics of the vehicle consist of the required traction force () needed for propulsion. The total traction force is a combination of forces such as rolling resistance, aerodynamic drag, gravitational force due to the slope of the road, and the inertia force needed to accelerate the vehicle, as shown by Lü et al. [18]. The traction force is mathematically expressed as
where the following applies:
- is the total traction force required (N).
- m is the vehicle mass (kg).
- g is the acceleration due to gravity.
- is the rolling resistance coefficient, accounting for the friction between the tires and the road surface.
- is the road slope (degree), affecting the gravitational force component along the incline.
- is the aerodynamic drag coefficient, which quantifies the resistance due to airflow.
- A is the frontal windward area of the vehicle ().
- is the air density (kg/), influencing aerodynamic drag.
- V is the vehicle speed (m/s).
- a is the vehicle acceleration (m/).
Each term in Equation (21) represents a distinct physical force affecting the vehicle:
- The first term, , accounts for rolling resistance, which is dependent on the vehicle weight and road-contact friction.
- The second term, , represents the aerodynamic drag, which increases with the velocity squared.
- The third term, , considers the gravitational force component acting along the inclined road.
- The last term, , denotes the inertial force, which is a function of the vehicle’s acceleration
Once the traction force is determined, the power request () required to propel the vehicle is computed as follows:
where the following applies:
- is the total power request (W).
- is the traction force (N).
The power request determines the energy required from the powertrain system, which is subsequently managed via the fuel cell and battery to ensure efficient energy distribution. This relationship forms the foundation for the EMS implemented in the FCHEV system. Although the power request is inherently one time step ahead of the power supplied via the energy sources, it can be estimated using the torque demands generated via the low-level controllers in conjunction with the motor speed. Since the low-level controllers operate in a manner that directly regulates the motor’s torque output based on driver inputs and system constraints, the estimated power request aligns precisely with the actual power request of the vehicle shown in Equation (22). This means that the power request used in the energy management strategy accurately reflects the real-time power requirement, ensuring that the fuel cell and battery provide the necessary energy without discrepancies.
3. Low-Level Controllers
In the proposed hierarchical control framework, low-level controllers are responsible for executing the commands issued via the high-level energy management system (FLC + ) by ensuring the safe and responsive operation of physical components. These controllers form fast inner loops that regulate voltage, torque, and velocity at a component level, enabling the real-time actuation of the optimal power split decisions made via the upper control layer.
3.1. Driver Controller
The driver controller maintains the vehicle speed according to the reference provided by the drive cycle. It computes the acceleration or deceleration command by comparing the actual vehicle speed with the target speed using a feedback loop. These driver commands—mapped to the accelerator and brake pedal positions—are converted into torque demands for the motor. We use a proportional–integral–derivative (PID) controller in this loop to minimize velocity error while ensuring smooth transitions in the torque request.
3.2. Motor Controller
The permanent magnet synchronous motor (PMSM) controller ensures precise and energy-efficient torque delivery. It processes the torque demands from the driver controller and regulates the motor’s electrical inputs accordingly. This controller uses a PID structure to adjust current and voltage inputs while ensuring that field-oriented control (FOC) principles are respected for torque linearity and high dynamic response. The motor controller operates on a fast timescale to guarantee torque tracking and stability under varying load conditions.
3.3. Fuel Cell Controller
The fuel cell controller maintains the stable and efficient operation of the PEMFC system. It regulates the output voltage required for the motor by adjusting internal actuator commands such as hydrogen, air (oxygen), and water flow rates. An controller is used in this loop to ensure robust voltage regulation under disturbances. This low-level controller forms the final actuation layer of the powertrain, translating high-level power commands into physically feasible electrochemical operation of the fuel cell stack.
4. Ems/Higher-Level Controller
4.1. Mode Selector
The mode selector Table 2 determines the operation mode of the FCHEV based on two key factors:
Table 2.
Operating modes of the FCHEV.
- The driver’s power request ().
- The state of charge (SOC) of the battery.
If the system enters Hybrid Mode with SOC Regulation, where the battery’s state of charge (SOC) falls within the range of 40–70%, the higher-level EMS is activated to optimize power distribution. In this mode, the FLC determines the optimal power split between the fuel cell and battery, ensuring efficient energy utilization while maintaining the SOC near its target value.
4.2. Fuzzy Logic-Based EMS
Fuzzy logic, first introduced by Lotfi A. Zadeh [19], mimics human reasoning by handling imprecise descriptions such as “tall” or “moderately large”. An FLC system consists of key components including fuzzification, inference, predefined if–then rules, and defuzzification. Unlike conventional control methods that rely on precise numerical values, fuzzy logic introduces uncertainty only in the computational process while keeping inputs and outputs as exact values. Fuzzification converts crisp inputs into fuzzy sets with overlapping membership functions, allowing a smooth transition between different states. The inference mechanism applies predefined rules to generate fuzzy outputs, which are then converted back into precise values through defuzzification. This approach enhances system performance by providing gradual adjustments around threshold values, making it more effective than traditional logic-based control methods.
To optimize the energy distribution between the fuel cell and battery, a Mamdani-type FLC is implemented. The primary function of this controller is to dynamically adjust the power supplied by the fuel cell based on real-time variations in state-of-charge (SOC) error and driver power request (). The controller outputs a weight factor, which determines the fraction of the required power that should be supplied by the fuel cell, with the remaining demand met by the battery.
4.2.1. Fuzzy Logic Structure
The FLC consists of two input variables and one output variable. The first input variable is the SOC error (), which represents the deviation of the battery SOC from its target value. A negative error indicates a lower SOC requiring higher fuel cell contribution, while a positive error suggests a higher SOC where battery usage should be prioritized. This variable is defined over the range and is represented by five membership functions: very small (VS), small (S), medium (M), large (L), and very large (VL).
The second input variable is the power request error (), which represents the power request error between the current timestep and the next. This variable is defined over the range [−30,000, 30,000] W and consists of three membership functions: small (S), medium (M), and large (L).
The output of the FLC is a weight factor that determines the contribution of the fuel cell to the power request. The fuzzy inference system applies predefined rules to adjust the power split between the fuel cell and battery dynamically. The relationship between the input variables and the output is illustrated in the control surface plot in Figure 5.
Figure 5.
Control surface of the FLC showing the relationship between the SOC error, the power request error, and the output weight factor.
The output variable is the weight factor (w), which determines the proportion of that should be supplied via the fuel cell. The weight factor is bounded between , where a value close to zero implies that the fuel cell contributes minimal power (), and the battery supplies all the required power. Conversely, a value close to one implies that the fuel cell supplies all the required power (), with no contribution from the battery. Intermediate values represent a hybrid mode, where both the fuel cell and battery share the power request based on system conditions.
The final fuel cell power is determined by multiplying the weight factor by the required power:
where is the power supplied via the fuel cell, is the total power requested via the driver, and w is the weight factor determined by the FLC.
4.2.2. Fuzzy Rule Base and Decision Making
The fuzzy inference system uses a rule-based approach to determine the weight factor based on combinations of SOC error and power request error. A total of 15 fuzzy rules define the mapping between input variables and the weight factor. These rules follow a structured logic.
If the SOC error is large and the power request is low, the system prioritizes battery usage. If the SOC error is low and the power request is high, the system prioritizes fuel cell power. If the SOC is balanced and the power request is moderate, the system operates in hybrid mode with shared power distribution. These rules ensure that the energy management system operates efficiently, minimizing hydrogen consumption, preventing excessive battery depletion, and extending fuel cell durability.
4.2.3. Defuzzification and Implementation
The centroid defuzzification method is used to convert the fuzzy output into a crisp weight factor (w). This approach ensures a smooth transition between different operating conditions and avoids abrupt changes in fuel cell power output. The final value is used within the power management strategy to control fuel cell operation, ensuring an optimal balance between hydrogen efficiency and battery SOC regulation. The fuzzy inference mechanism follows a Mamdani structure, using the min–max method to aggregate rule outcomes before defuzzification. Each rule evaluates the membership degrees of the input variables and applies a corresponding fuzzy implication to produce the output.
The centroid method ensures that the output weight factor w is smooth and continuous, which is crucial for avoiding abrupt transitions in fuel cell output. This property enables the system to dynamically adapt to fluctuating power demands without causing instability or excessive stress on the fuel cell stack.
Importantly, the rule-based nature of the controller provides intuitive reasoning while maintaining low computational complexity. This allows for real-time execution without the need for predictive models or heavy optimization, making it practical for embedded implementation in vehicle control units.
4.2.4. Power Transition Dynamics and Drive Conditions
The transition between a fuel cell and battery operation is inherently smooth due to the continuous nature of the fuzzy controller output. Rather than hard switching between energy sources, the weight factor, w, smoothly modulates the contribution of the fuel cell based on both the SOC deviation and the rate of power request change, which implicitly captures vehicle acceleration and load conditions.
For instance, during high-load or acceleration scenarios, the power request becomes large, prompting the fuzzy rules to increase w and shift more of the power demand toward the fuel cell. Conversely, during coasting or regenerative braking, the system automatically reduces w, favoring battery discharge or recuperation. This dynamic adaptation ensures seamless transitions that are aligned with vehicle motion states and preserves fuel cell durability by reducing abrupt load changes.
4.2.5. Boundary Behavior and SOC Mode Switching
To ensure safe and stable operation near the battery’s SOC limits, we incorporate a high-level mode selector that governs energy source behavior outside the fuzzy logic controller’s active range. Specifically, when SOC exceeds 70%, the system enters a battery-preferred mode where the battery supplies all the power and the fuel cell remains idle. When SOC falls below 40%, the system switches to a fuel cell-preferred mode where the fuel cell supplies the full power demand to recharge the battery.
The fuzzy logic controller is only active within the SOC range of 40% to 70%, where it enables smooth power blending based on real-time SOC and power request errors. This structure avoids ambiguity or oscillation at SOC boundaries and guarantees that transitions between control modes are deterministic and well defined. Furthermore, the controller ensures that output tracking remains robust and fast across all modes, compensating for any potential lag in fuzzy decisions during dynamic conditions.
4.3. Robustness Against Model Uncertainty
Despite the increasing sophistication of EMS, including rule-based, optimization-based, and learning-based controllers, most rely on simplified models that do not fully capture the complex, nonlinear behavior of physical powertrain components. This introduces performance degradation when deployed on real hardware, especially in the presence of model uncertainties, parameter drift, and environmental disturbances. To address this issue, we integrate an controller into the powertrain control loop to enhance robustness and ensure the accurate tracking of ideal control targets generated via the EMS.
The H-infinity controller is integrated into the energy management system to enhance the robustness of the fuzzy logic-based power-split strategy. The FLC determines the optimal power distribution between the fuel cell and battery by considering real-time state-of-charge (SOC) and hydrogen consumption trends. However, external disturbances and model uncertainties can cause deviations from the ideal power split. The H-infinity controller takes SOC and the trend of hydrogen consumption as inputs, ensuring that the vehicle adheres to the optimal power split generated via the FLC despite these variations.
4.3.1. Reference Generation and Motivation
Any EMS (FLC in our case) can be used to generate reference trajectories for hydrogen consumption and battery SOC. These references are generated using simplified or idealized models offline or in simulation. However, physical systems rarely behave identically to their models, especially under component degradation. Therefore, the goal of the controller is to ensure that the fuel cell and battery outputs track these ideal references as closely as possible, compensating for disturbances, unmodeled dynamics, and control coupling.
4.3.2. H-Infinity Control Architecture
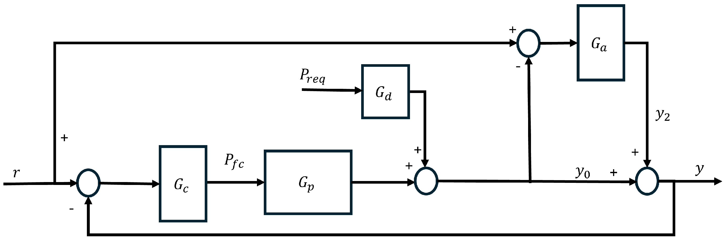
The block diagram in Figure 6 represents the control system used for power management in the fuel cell hybrid electric vehicle (FCHEV). The reference signal, denoted as r, consists of the state-of-charge (SOC) and hydrogen consumption targets generated via the FLC. These reference values guide the system toward optimal energy distribution.
Figure 6.
H-infinity control actuator with proposed theoretical under-actuated solution.
The H-infinity controller, represented as , takes in two inputs and generates a single actuator command, . This control input is used to regulate the power distribution within the system. The plant dynamics are captured via and the disturbance model via , which take and , respectively, and produce outputs corresponding to the SOC and hydrogen consumption trends.
This system is inherently underactuated, meaning that the number of control inputs is fewer than the number of controlled variables. This is because we introduce directly into the control loop while eliminating as an independent control input. This allows us to impose the following constraint Within the feedback loop:
By doing so, the H-infinity controller is provided with the necessary information about the total power request, ensuring that the energy management strategy properly regulates power distribution while maintaining robustness against disturbances and uncertainties. As a result, ensuring perfect tracking of SOC and hydrogen consumption in the presence of disturbances and model uncertainties requires additional compensation. To achieve this, we introduce a theoretical correction term, represented as , also called as the null space allocator [20], which provides the true output, y.
Due to the system’s structure, one of the outputs (SOC in our case) would remain uncontrolled, preventing perfect tracking. By introducing , the system achieves full-output tracking, ensuring zero error on both the SOC and hydrogen consumption references. This compensates for disturbances and model uncertainties, allowing the system to maintain the desired performance. The impact of this solution is further analyzed in Section 5, where we evaluate the effect of on tracking accuracy and system stability.
4.3.3. H-Infinity Controller and Null Space Allocator Design
The H-infinity controller was designed to accomplish all the required feedback control objectives by shaping the closed-loop transfer functions through the appropriate selection of three tuning weights. After augmenting the plant with the weighting filters, the closed-loop map became the frequency weighting of the three transfer functions of interest (, Y, and ). Then, the bounds on for performance, for robustness, and Y for penalizing large actuator usage were considered simultaneously by minimizing the H-infinity norm [21]. We implemented the inbuilt “Hinfsyn” function in MATLAB to design the controller and obtain (, Y, and ). We have the singular values of the closed loop transfer functions and shown in Figure 7.
Figure 7.
Sensitivity and complementary sensitivity bounds.
We observe in Figure 7 that the term associated with state has negative singular value or zero singular value, indicating that this state is uncontrollable. This is a direct result of the system being under-actuated.
We can implement a similar formulation of the null-space allocator as discussed in [20]. We start by forming the Smith–McMillan form of . Unlike the over-actuated case where is chosen, in an under-actuated system, we select , following the approach outlined in [20]. The Smith–McMillan form for under-actuated systems enables the modification of control input distribution while preserving the transient and steady-state output responses. Due to the structure of the Smith-McMillan form, the first rows will be zero if the system is underactuated. Consequently, the first rows of , denoted as , provide a map to the null space of the plant, ensuring proper input allocation to effectively control the system despite having fewer actuators than controlled outputs [20].
Pre-filter design: since the first state is uncontrollable, we define the gain matrix as
Weight matrix definition:
Pre-filter computation:
This represents only the theoretical solution as we add dynamics to the output. Currently, we are working on formulating a practical approach to addressing the under-actuated problem by employing a null-space allocator pre-filter in the reference. This method aims to ensure that both outputs have good tracking.
4.4. Interaction Between FLC and Controller
The hierarchical energy management strategy proposed in this work combines a Mamdani-type fuzzy logic controller (FLC) with an controller to enable robust power management in fuel cell hybrid electric vehicles (FCHEVs). Each controller plays a distinct role in the overall architecture.
The FLC operates as a rule-based supervisory layer that interprets the system state using two input variables: the error in battery state-of-charge (SOC) and the rate of change in driver power request. Based on fuzzy inference, it outputs a weight factor that determines the desired contribution of the fuel cell to the total power request. This desired contribution is then translated into reference signals for SOC and hydrogen consumption.
These reference signals serve as inputs to the controller, which functions as a lower-level tracking controller. It receives the actual system outputs from the FCHEV plant and attempts to minimize the deviation from the FLC-generated references in the presence of system uncertainties, model mismatch, and disturbances.
This interaction can be expressed using the following control loop:
- FLC: Computes reference vector .
- controller: Tracks reference r by minimizing where , and .
- Plant: Receives from the controller and computes .
While the FLC enables intuitive and human-like decision-making, it does not explicitly handle plant dynamics or uncertainties. The controller compensates for this limitation by ensuring robust output tracking even in under-actuated conditions. As shown in Section 5.3, the use of a null-space allocator enables the full tracking of both SOC and hydrogen consumption outputs, which would otherwise be impossible with a single control input in an under-actuated configuration. Further robustness to variations in parameters, such as , A, T, and , is demonstrated in Section 5.4.
Thus, the FLC provides the desired behavior, while the controller guarantees its execution under real-world disturbances.
5. Results and Discussion
The proposed hierarchical FLC-H∞ control strategy was evaluated using a detailed MATLAB/Simulink model of a high-performance fuel cell hybrid electric vehicle (FCHEV). Simulations were performed across a variety of standard driving cycles, including UDDS (urban), WLTP (mixed), NEDC (low-speed), HWY (steady highway), and US06 (aggressive). Each simulation was run for the respective duration of the drive cycles, with the initial state-of-charge (SOC) set to 60% unless otherwise noted.
The power request in each case was calculated using the vehicle’s longitudinal dynamics model based on the drive cycle velocity profile. This demand was then used as an input to the EMS, which determined the power split between the PEMFC and the battery system. The simulation environment also included realistic powertrain losses and voltage-current constraints to replicate onboard operating conditions.
5.1. Fuzzy Logic Control Performance
The FLC was tested on five different driving cycles: UDDS, US06, HWY, NEDC, and WLTP. The control strategy was evaluated for three different initial state-of-charge (SOC) levels (40%, 60%, and 70%), as well as a pure fuel-cell (FC) operation mode. The target SOC for all drive cycles was set to 0.6 to assess the controller’s ability to regulate battery usage and optimize hydrogen consumption.
Table 3 summarizes the hydrogen consumption and final SOC values for each scenario. The pure FC mode results serve as a benchmark, showing the hydrogen consumption when no battery assistance is used.
Table 3.
Fuzzy logic control results for different drive cycles.
5.2. Performance Analysis for UDDS Drive Cycle
For a more detailed analysis, we focus on the UDDS drive cycle with an initial SOC of 60%. This scenario is selected since it provides insight into how the controller regulates power distribution and hydrogen consumption while achieving the SOC target of 0.6.
The following aspects of the FLC’s performance were examined:
- Power split between and , showing how the controller allocates power between the fuel cell and battery during different driving conditions.
- SOC trajectory and hydrogen consumption trend, indicating whether the controller successfully regulates the SOC toward the target value while minimizing hydrogen usage.
Figure 8.
Power split between fuel cell () in W and battery () in W for the UDDS drive cycle with SOC initial 60%.
Figure 9.
SOC trajectory and hydrogen consumption trend over the UDDS drive cycle with SOC initial 60%.
5.3. Comparative Analysis: FLC vs. Dynamic Programming Benchmark
To contextualize the performance of the proposed FLC-based energy management strategy, we compare it against a dynamic programming (DP)-based EMS that serves as an offline global optimization benchmark. Unlike the FLC, which operates heuristically and in real time, DP has complete knowledge of the drive cycle and optimizes the power split with an explicit focus on minimizing hydrogen consumption. Thus, it provides a theoretical lower bound on fuel usage.
Table 4 presents the hydrogen consumption across five standard drive cycles (SOC = 0.6). As expected, the DP controller consistently outperforms the FLC in minimizing hydrogen usage due to its hydrogen optimization capability. However, despite not explicitly optimizing for hydrogen consumption, the FLC strategy performs competitively across all cycles, especially considering its real-time feasibility and adaptability.
Table 4.
Hydrogen consumption [g] comparison between DP benchmark and FLC strategy across standard drive cycles.
While DDP achieves lower hydrogen usage due to its access to full future demand information, it is unsuitable for real-time implementation. In contrast, the FLC operates online without any preview of the drive cycle and still achieves competitive performance. This highlights the effectiveness of the proposed FLC-H∞ strategy as a practical and robust EMS for FCHEVs.
5.4. H-Infinity Controller and Performance
We evaluate the proposed architecture on the UDDS drive cycle across three scenarios to validate both its robustness and the critical role of the null-space allocator in enabling full output tracking in an under-actuated FCHEV power management problem.
- Case 1: without Null-Space Allocator (Under-Actuated)
Figure 10, left, shows the performance of the controller without the use of the null-space allocator . In this configuration, the system remains under-actuated, as the battery power is not independently controlled but derived from . As a result, while the hydrogen consumption trajectory closely follows its reference signal, the SOC trajectory diverges, indicating an uncontrollable state. This is consistent with the theoretical analysis showing that one output (SOC) cannot be fully regulated in an under-actuated setting without appropriate input allocation.
Figure 10.
tracking: (top) without (SOC untracked), (bottom) with under nominal parameters. Fuel-cell and battery power contributions during UDDS. The plot includes labeled trajectories for SOC, H2, and power split.
- Case 2: with Null-Space Allocator (Nominal Conditions)
With the null-space allocator integrated, the controller gains an augmented input distribution that effectively allocates control effort within the null space of the plant. As shown in Figure 10, right, both SOC and hydrogen consumption references are accurately tracked under nominal parameter settings. This demonstrates that successfully mitigates the under-actuation issue by distributing control authority to regulate both outputs simultaneously, thus validating the theoretical formulation of the null-space allocator under nominal conditions.
- Case 3: with under Model Uncertainty
To evaluate robustness, we perturb several model parameters, including the fuel cell’s internal resistance, , operating temperature, T, active area, A, and battery capacity, . Figure 11 illustrates the controller performance under these uncertain conditions. Despite a model mismatch, the controller equipped with continues to provide reliable tracking of both SOC and hydrogen consumption references. Minor variations in power splits appear due to the shifted system dynamics, yet the core tracking objectives are maintained. Crucially, the power constraint
is strictly enforced throughout, demonstrating the real-time feasibility of this under-actuated control strategy with robustness guarantees.
Figure 11.
performance under model uncertainty (with ). Fuel cell and battery power contributions during UDDS. The plot includes labeled trajectories for SOC, H2, and power split.
These three evaluation scenarios validate both the theoretical formulation and the practical effectiveness of the proposed FLC + hierarchical strategy, particularly in the context of system uncertainty and under-actuation.
5.5. Discussion
The results indicate that the FLC effectively adjusts the power split between the fuel cell and battery, leading to an overall reduction in hydrogen consumption compared to pure fuel-cell operation. Across all drive cycles, the final SOC values show that the system maintains an SOC close to the target of 0.6, demonstrating effective SOC regulation. This also indicates that the battery does not go through large charge and discharge cycles while the EMS is run, indicating an increased battery life.
For the UDDS drive cycle with an initial SOC of 60%, the power split plot in Figure 8 shows that the battery assists the fuel cell in high-demand phases, reducing the load transients on the fuel cell. The SOC trajectory in Figure 9 confirms that the battery discharges when necessary and recharges when the power request is low, stabilizing near the target SOC of 0.6. The hydrogen consumption trend in the same figure shows an overall decline in hydrogen usage compared to pure fuel-cell operation.
These findings highlight that the fuzzy logic-based power management strategy provides a balance between hydrogen efficiency and battery durability, making it a suitable energy management strategy for FCHEVs.
Additionally, we observe that these results demonstrate the robustness of the H-infinity controller in maintaining accurate power tracking under varying fuel cell and battery model parameters. The controller successfully ensures that the power request is met while dynamically managing the power contributions from the fuel cell and battery, thereby proving its effectiveness in real-world driving scenarios.
6. Conclusions
This study has presented a hierarchical energy management strategy for fuel cell hybrid electric vehicles (FCHEVs), integrating an FLC with an H-infinity controller to optimize power distribution while ensuring robustness under varying driving conditions. The proposed approach effectively balances power between the fuel cell and the battery, adapting to changes in power requests and variations in vehicle parameters.
The simulation results demonstrated that the FLC efficiently determines the power split based on SOC and power request error, leading to improved hydrogen efficiency and an extended battery lifespan. However, due to the under-actuated nature of FCHEV power management, tracking both SOC and hydrogen consumption simultaneously remains challenging. To address this, the H-infinity controller ensures that the system follows the reference targets despite uncertainties, disturbances, and variations in model characteristics.
The performance evaluation across multiple driving cycles showed that the control strategy maintains SOC stability while minimizing hydrogen consumption, even when vehicle parameters such as mass and drag coefficients were altered. The mode selector further enhances system adaptability by dynamically transitioning between battery-only, fuel-cell-only, and hybrid operation based on SOC levels.
Overall, the proposed FLC-H-infinity framework provides a robust and adaptable energy management strategy for FCHEVs, making it suitable for real-world applications. Future work will focus on extending this approach by incorporating data-driven and predictive control techniques, such as machine learning and model predictive control (MPC), to further improve energy efficiency and adaptability in complex driving scenarios.
Author Contributions
Conceptualization, S.Y. and F.A.; Methodology, S.Y. and F.A.; Software, S.Y.; Validation, S.Y.; Formal analysis, S.Y.; Investigation, S.Y.; Resources, S.Y. and F.A.; Data curation, S.Y.; Writing—original draft, S.Y.; Writing—review & editing, S.Y. and F.A.; Visualization, S.Y.; Supervision, F.A.; Project administration, F.A. All authors have read and agreed to the published version of the manuscript.
Funding
This research received no external funding.
Data Availability Statement
The original contributions presented in this study are included in the article. Further inquiries can be directed to the corresponding author.
Conflicts of Interest
The authors declare no conflicts of interest.
References
- Djouahi, A.; Negrou, B.; Touggui, Y.; Samy, M. Optimal sizing and thermal control in a fuel cell hybrid electric vehicle via FC-HEV application. J. Braz. Soc. Mech. Sci. Eng. 2023, 45, 533. [Google Scholar] [CrossRef]
- Jensen, H.C.B.; Schaltz, E.; Koustrup, P.S.; Andreasen, S.J.; Kaer, S.K. Evaluation of Fuel-Cell Range Extender Impact on Hybrid Electrical Vehicle Performance. IEEE Trans. Veh. Technol. 2012, 62, 50–60. [Google Scholar] [CrossRef]
- Lachhab, I.; Krichen, L. An improved energy management strategy for FC/UC hybrid electric vehicles propelled by motor-wheels. Int. J. Hydrogen Energy 2014, 39, 571–581. [Google Scholar] [CrossRef]
- Zhou, J.; Du, P.; Liang, G.; Chang, H.; Liu, S. Hydrogen station location optimization coupling hydrogen sources and transportation along the expressway. Int. J. Hydrogen Energy 2024, 54, 1094–1109. [Google Scholar] [CrossRef]
- Silva, F.L.; Eckert, J.J.; Miranda, M.H.R.; da Silva, S.F.; Silva, L.C.A.; Dedini, F.G. A comparative analysis of optimized gear shifting controls for minimizing fuel consumption and engine emissions using neural networks, fuzzy logic, and rule-based approaches. Eng. Appl. Artif. Intell. 2024, 135, 108777. [Google Scholar] [CrossRef]
- Chen, J.; Wang, Q.; Su, B.; Shen, L.; Wang, Z. A Hybrid Power-Performance Adjustment Strategy for Clustered Multi-threading Architecture. In Proceedings of the 2016 IEEE 18th International Conference on High Performance Computing and Communications; IEEE 14th International Conference on Smart City; IEEE 2nd International Conference on Data Science and Systems (HPCC/SmartCity/DSS), Sydney, NSW, Australia, 12–14 December 2016; pp. 292–300. [Google Scholar] [CrossRef]
- Fletcher, T.; Thring, R.; Watkinson, M. An Energy Management Strategy to concurrently optimise fuel consumption & PEM fuel cell lifetime in a hybrid vehicle. Int. J. Hydrogen Energy 2016, 41, 21503–21515. [Google Scholar] [CrossRef]
- Gao, Z.; Wang, Y.; Ji, Z. Finite-time control of switched affine non-linear systems based on the Lie derivative and iteration technique. IET Control Theory Appl. 2019, 13, 3148–3154. [Google Scholar] [CrossRef]
- Glover, K.; Doyle, J.C. A state space approach to H∞ optimal control. In Three Decades of Mathematical System Theory: A Collection of Surveys at the Occasion of the 50th Birthday of Jan C. Willems; Nijmeijer, H., Schumacher, J.M., Eds.; Springer: Berlin/Heidelberg, Germany, 2005; pp. 179–218. [Google Scholar] [CrossRef]
- Karnopp, D.C.; Margolis, D.L.; Rosenberg, R.C. System Dynamics: Modeling, Simulation, and Control of Mechatronic Systems, 1st ed.; Wiley: Hoboken, NJ, USA, 2012. [Google Scholar] [CrossRef]
- Zhao, X.; Wang, L.; Zhou, Y.; Pan, B.; Wang, R.; Wang, L.; Yan, X. Energy management strategies for fuel cell hybrid electric vehicles: Classification, comparison, and outlook. Energy Convers. Manag. 2022, 270, 116179. [Google Scholar] [CrossRef]
- Larminie, J. Fuel Cell Systems Explained; Wiley: Hoboken, NJ, USA, 2003. [Google Scholar]
- Barać, B.; Krpan, M.; Capuder, T. Modelling of PEM Fuel Cell for Power System Dynamic Studies. IEEE Trans. Power Syst. 2023, 39, 3286–3298. [Google Scholar] [CrossRef]
- Ahmed, R.; Gazzarri, J.; Onori, S.; Habibi, S.; Jackey, R.; Rzemien, K.; Tjong, J.; Lesage, J. Model-Based Parameter Identification of Healthy and Aged Li-ion Batteries for Electric Vehicle Applications. Sae Int. J. Altern. Powertrains 2015, 4, 233–247. [Google Scholar] [CrossRef]
- Huria, T.; Ceraolo, M.; Gazzarri, J.; Jackey, R. High fidelity electrical model with thermal dependence for characterization and simulation of high power lithium battery cells. In Proceedings of the 2012 IEEE International Electric Vehicle Conference, Greenville, SC, USA, 4–8 March 2012; pp. 1–8. [Google Scholar] [CrossRef]
- Ba, X.; Gong, Z.; Guo, Y.; Zhang, C.; Zhu, J. Development of Equivalent Circuit Models of Permanent Magnet Synchronous Motors Considering Core Loss. Energies 2022, 15, 1995. [Google Scholar] [CrossRef]
- Parvathi, R.; Nisha, P. Modeling of Interior Permanent Magnet Synchronous Motor using Transient Simulation Techniques. Int. J. Innov. Sci. Eng. Technol. 2016, 3, 409–413. [Google Scholar]
- Lü, X.; Qian, S.; Zhai, X.; Wang, P.; Wu, T. Adaptive energy management strategy for FCHEV based on improved proximal policy optimization in deep reinforcement learning algorithm. Energy Convers. Manag. 2024, 321, 118977. [Google Scholar] [CrossRef]
- Zadeh, L.A. Fuzzy sets. Inf. Control 1965, 8, 338–353. [Google Scholar] [CrossRef]
- Filipozzi, L.; Assadian, F. Control of Over-Actuated Systems—From Practical to Theoretical Concepts with Application in Hybrid Powertrain Speed Control Development. In Proceedings of the 2022 IEEE Vehicle Power and Propulsion Conference (VPPC), Merced, CA, USA, 1–4 November 2022; pp. 1–6, ISSN 1938-8756. [Google Scholar] [CrossRef]
- Assadian, F.; Mallon, K.R. Robust Control: Youla Parameterization Approach; John Wiley & Sons: Hoboken, NJ, USA, 2022. [Google Scholar]
Disclaimer/Publisher’s Note: The statements, opinions and data contained in all publications are solely those of the individual author(s) and contributor(s) and not of MDPI and/or the editor(s). MDPI and/or the editor(s) disclaim responsibility for any injury to people or property resulting from any ideas, methods, instructions or products referred to in the content. |
© 2025 by the authors. Licensee MDPI, Basel, Switzerland. This article is an open access article distributed under the terms and conditions of the Creative Commons Attribution (CC BY) license (https://creativecommons.org/licenses/by/4.0/).










