Next Article in Journal
Energy Hub Operation Under Uncertainty: Monte Carlo Risk Assessment Using Gaussian and KDE-Based Data
Previous Article in Journal
MPPT-Based Chaotic ABC Algorithm for a Photovoltaic Power System Under Partial Shading Conditions
 
 
Font Type:
Arial Georgia Verdana
Font Size:
Aa Aa Aa
Line Spacing:
Column Width:
Background:
Article

Control Strategies for Multi-Terminal DC Offshore–Onshore Grids Under Disturbance and Steady State Using Flexible Universal Branch Model

by
Baseem Nasir Al_Sinayyid
and
Nihat Öztürk
*
Department of Electrical-Electronic Engineering, Gazi University, Ankara 06570, Turkey
*
Author to whom correspondence should be addressed.
Energies 2025, 18(7), 1711; https://doi.org/10.3390/en18071711
Submission received: 4 February 2025 / Revised: 22 March 2025 / Accepted: 24 March 2025 / Published: 29 March 2025
(This article belongs to the Section F: Electrical Engineering)

Abstract

As the transition to clean energy accelerates, wind energy plays a crucial role in power generation, particularly in remote onshore and offshore locations. The integration of hybrid AC/DC networks with multi-terminal high-voltage direct current (MTHVDC) systems enhances power transfer capability and reliability. However, maintaining stable operation under both normal and disturbed conditions remains challenging. This paper applies the Flexible Universal Branch Model (FUBM) to hybrid AC/DC networks incorporating MTHVDC, providing a unified framework for power flow analysis. Unlike conventional methods that separately analyze AC and DC systems, the FUBM enables simultaneous modeling of both, improving computational efficiency and accuracy. Additionally, the paper introduces advanced control strategies to regulate active power transfer from offshore wind farms to onshore grids while maintaining voltage stability. The proposed approach is validated under steady-state and disturbance scenarios, including converter outages, within the CIGRE B4 system, which is a complex multi-terminal network interconnected with numerous converters. The results demonstrate the effectiveness of the FUBM in ensuring stable operation, offering new insights into unified power flow modeling. This study lays the groundwork for future advancements in AC/DC power systems with MTHVDC integration.

1. Introduction

High-voltage direct current (HVDC) transmission, particularly voltage source converter (VSC) technology, is acquiring worthy attention in the power quarter. It is widely regarded as a key solution for future grid reinforcements and a leading option for developing offshore grids to integrate offshore wind farms. In Europe, these advances are expected to culminate in a meshed HVDC network, often referred to as a “super grid”. However, the operation and analysis of HVDC connections, ranging from point-to-point links to future multi-terminal and meshed systems alongside the existing AC infrastructure, present considerable challenges due to the different system characteristics and control methodologies. Addressing these complexities necessitates robust software tools that are capable of analyzing interactions within HVDC grids, coordinating HVDC systems, and integrating them with AC networks. This paper introduces novel open-source hybrid AC/DC power flow software based on the Flexible Universal Branch Model (FUBM). Designed in MATLAB and integrated with the MATPOWER 7.1 AC power flow routines, the tool facilitates the analysis of steady-state interactions in hybrid AC/DC systems. MATPOWER was selected for this study due to its efficiency in handling hybrid AC/DC networks and its flexibility in modifying power flow models, particularly for DC converters. It enables seamless integration of AC and DC grids while allowing direct modifications to converter equations and control strategies within MATLAB, making it ideal for analyzing power transfer limitations, voltage stability, and converter control impacts. Its open-source nature supports the implementation of various control strategies without proprietary constraints. Additionally, while MATPOWER includes an extensive library of pre-designed grids based on the FUBM, our case is custom-built to meet the specific requirements of this study. The study also investigates system contingencies, such as converter outages, and assesses the global effects of converter control actions on power flows across AC and DC networks. Over the past two decades, high-voltage direct current (HVDC) systems have expanded beyond conventional two-terminal configurations to include multi-terminal DC (MTDC) networks. The advent and growing availability of high-power voltage source converters (VSCs) from multiple vendors have transformed the concept of MTDC grids, consisting of multiple interconnected converters, into a viable and promising solution for modern power transmission systems [1].
In DC systems, current balance plays a fundamental role in determining power flow and system state due to the direct relationship between DC voltage and current [2]. This contrasts with AC systems, where power balance is the primary factor. Hybrid AC/DC networks have emerged as an optimal solution for power transmission, offering advantages such as reduced losses, resilience to disturbances, and the integration of diverse energy sources.
Studies [3,4] indicate that unified AC/DC grids comprise the most effective algorithm for calculating power flow in hybrid networks under steady-state conditions. In MTDC networks with high offshore wind penetration, the FUBM provides dynamic power flow control by adjusting converter setpoints to balance power distribution across AC/DC grids. It enhances voltage stability through voltage droop control and DC voltage regulation, maintaining stable DC voltage levels despite wind power fluctuations. The FUBM also facilitates fault and disturbance management by simulating converter outages and grid disturbances to assess system resilience and post-fault recovery strategies. Additionally, it optimizes losses in MTDC networks by integrating converter loss models, allowing real-time adjustments to minimize energy losses while ensuring reliable operation. By applying the FUBM, power system operators can enhance control strategies, improve grid resilience, and maintain stable power delivery under high renewable energy penetration. However, additional challenges arise when small AC islands, such as offshore wind farms, are connected to large DC networks.
The control requirements for HVDC converters in multi-terminal systems differ significantly from those of conventional two-terminal HVDC schemes. To address these challenges, this study develops an advanced control structure for efficient power sharing and control in MTDC grids, utilizing the FUBM-based hybrid AC/DC power flow algorithm. A novel voltage droop strategy is implemented as part of the primary control for the VSCs. The combination of power flow algorithms with voltage drop control is critical to ensure stable and reliable operation during network disturbances. The contributions of this research are as follows:
  • This paper integrates multiple strategies with the FUBM to address the power flow challenges of wind turbines under disturbance conditions in hybrid systems.
  • The proposed method demonstrates superior performance compared to the existing methods, particularly in terms of computational speed.
  • The research successfully applies three control strategies, droop control, DC voltage control, and active power control, individually to the Stagg network, which incorporates three-busbar multi-terminal DC (MTDC) systems. The benefits of each strategy in enhancing network stability are emphasized.
  • Utilizing the CIGRE B4 network, which consists of a three-zone MTDC configuration, the study combines the three control strategies with the FUBM method. Converters connected to wind turbines are designated for power control, while those connected to the onshore network are assigned DC voltage control and droop control functions.
  • Regarding application to a new grid type, our study is the first to apply the FUBM method to this specific hybrid AC/DC grid configuration (CIGRE B4), which contains a complex multi-terminal DC network that transfers power between marine and land stations. To our knowledge, previous works have not explored the integration of the FUBM with this grid type. Therefore, this makes our analysis a new contribution in terms of its methodology and application.
This work highlights the versatility and efficiency of the FUBM method in optimizing hybrid networks under complex operating scenarios.
The remaining sections of this study are as follows: Section 2 presents the existing studies related to this topic. Section 3 includes descriptions of the control strategies used with the model and the behavior of network converters according to these strategies. Section 4 provides a comprehensive description of the proposed model and the calculations related to the model, comparing our design with the existing methods. Section 5 deals with the analysis of the cases used in this study and the experiments that were conducted on those cases. Section 6 includes a discussion of the study findings. Section 7 summarizes the study sections and the study’s results.

2. Literature Review

In the proposed approach, the voltage droop control method operates in tandem with the FUBM algorithm at the primary level. This synergy ensures grid stability, even during disturbances, and allows the system to adapt efficiently to variations in demand and generation [5]. As a result, the voltage droop scheme provides robust and reliable control, facilitating secure grid operation under dynamic conditions. In [6], the focus was on DC voltage control in multi-terminal DC (MTDC) systems during converter outages, specifically examining power imbalance sharing among system converters during emergencies.
Mohammadi et al. [7] investigated power flow in two scenarios: (1) a system with five AC busbars and three MTDC busbars and (2) a system with thirty-nine AC busbars and two MTDC regions, each containing four busbars. The power flow calculations for both scenarios were conducted using MATLAB. Additionally, two cases for power flow calculations in hybrid AC/DC networks were analyzed, the first case involved an AC network connected to an MTDC network based on voltage source converters (VSCs), while the second case included asynchronous AC networks interconnected through a shared VSC-based MTDC network. Two types of analyses were compared: separate analysis and integrated analysis. The results indicated that separate analysis enables faster computations and simplified integration with other AC systems. MATLAB and SIMPO tools were employed to facilitate power flow computations, a unified power flow algorithm based on the Newton–Raphson (NR) method was proposed in [8], integrating AC networks, DC networks, and VSC stations, along with their associated losses.
The mismatch equations and unknown variables were categorized into three components: AC, DC, and VSC models. The NR method demonstrated quadratic convergence; however, in cases where divergence occurred, the constrained load flow (CLF) method was applied as a corrective measure [9]. VSC-HVDC substation losses were primarily attributed to harmonic distortions and diode-related converter losses. The strategies to minimize transformer losses included the adoption of advanced VSC topologies and pulse width modulation techniques. Proper power flow control through VSC-HVDC links was shown to significantly reduce the losses in hybrid AC/DC networks, in some cases achieving losses lower than those of ideal AC systems ( P loss R I 2 ).
The study in [10] focused on achieving line loss reduction, managing random fluctuations in power sources and loads, and ensuring stable operation within a hybrid AC/DC distribution network incorporating photovoltaic (PV) systems and energy storage systems (ESS). Additionally, the distributionally robust chance-constrained model (DRCC) was developed to enhance the operational flexibility of hybrid AC/DC networks. While the study proposed loading and unloading strategies for ESS, it did not extend its scope to address transmission networks or the integration of marine and land stations. Ref. [11] presents a method aimed at improving voltage management and enhancing the grid integration capabilities of wind generation systems by incorporating a hybrid transformer (HT) at the Point of Common Coupling (PCC) within wind power delivery networks. This approach extends the application of HTs to renewable energy integration. A comprehensive set of operational methodologies and a robust control scheme were analyzed and established. The proposed control scheme enables effective management of node voltages through dual-side reactive power compensation by default and ensures the uninterrupted operation of wind turbines under grid faults through transformer fast ratio regulation. The authors of [12] proposed the Sadra model, which is derived from the FUBM and uses different control procedures regarding voltage and power in terms of VSC, PST, and CCT. It uses a fictitious phase angle for DC voltage to make it like the AC voltage without the need for direct mathematical modification. When compared to the FUBM, it only adds a fictitious generator to the from-bus side. Although it is simpler and faster than the FUBM, the research did not show the extent to which the converters respond to the control strategies, voltage droop controller, Vdcctr, or Pacctr, nor did it show the effectiveness of the model for connecting offshore and onshore stations. Also, there was no mention of disturbance situations in the case of a converter outage.
In [13], a model was proposed to calculate the optimal power flow in AC/DC systems with an RD-S converter taking into account the safety constraints N-k in the corrective preventive control stage. This paper satisfies the power emergency limits of the system under base, short-term fault, and long-term fault states, However, it used the sequential method and thus is more complex.
In [14], a hybrid alternating repetition algorithm was developed, combining the Newton–Raphson (NR) method for its high computational accuracy and robust convergence with the Zbus Gaussian method, which offers high computational speed and excels in handling ring distribution networks. This study proposed a model incorporating a power electronic transformer (PET) within the AC/DC system, enhancing operational efficiency in smart grids and facilitating the integration of renewable energy sources.
However, the model currently demonstrates its effectiveness only within small distribution networks. As the network size increases, the model’s complexity grows, leading to larger Jacobian matrix dimensions and increased computational challenges. Furthermore, the proposed approach remains at the simulation stage and has not yet been implemented in real-world applications [15]. This study examines the application of ultra-high-voltage hybrid DC transmission systems, specifically focusing on the practical implementation of hybrid HVDC systems utilizing cascaded modular multilevel converters (MMCs) with (LCC) for long-distance transmission.
The inverters in the system are treated as conventional LCC (line-commutated converter) inverters cascaded with a multi-infeed converter. The investigation emphasizes essential characteristics of the master–slave control mode of MMCs, ensuring stable DC voltage regulation and precise power control. Additionally, the inverters in this hybrid cascaded HVDC transmission system can be conceptualized as LCC inverters operating in series with multi-infeed MMCs, thereby achieving an enhanced transmission capacity [16]. This study proposes an accurate loss model for voltage source converters (VSCs), where conduction losses are represented as a voltage source on the AC side and switching losses are modeled as a DC current source.
The proposed methodology is applicable to a wide range of hybrid networks, including multi-terminal HVDC systems, nonsynchronous AC networks interconnected via multiple DC systems, and hybrid AC/DC microgrids, operating under both balanced and unbalanced conditions. Additionally, the model enables precise representation of AC/DC grids when negative sequence power is injected to mitigate unbalanced conditions. However, the method’s effectiveness in networks involving complex DC configurations with varying voltage levels, such as those linking onshore and offshore stations, has not been addressed. Furthermore, the behavior of converters under disturbances and the impact of applied control strategies remain untested in this context [17]. This paper explores Passivity-Based Control (PBC) by analyzing the stability of the controlled system through energy shaping and damping injection. By selecting an appropriate energy function and applying damping injections, the system can be effectively controlled without requiring complex transformations. The PBC strategy with damping injections is specifically applied to the current loop, complementing the voltage and power control strategies. Building on the advantages of the improved PBC strategy, this study designs a three-terminal hybrid HVDC transmission system. The system includes a rectifier station (LCC) utilizing constant DC current control, two inverter stations (VSC1 and VSC2) employing constant voltage control, and the improved PBC strategy. However, it exhibits a relatively weaker advantage in voltage support capability when compared to the other methods in [18]. High-fidelity modular multilevel converter (MMC) models and average-value voltage source converter (VSC) models were utilized for simulation purposes. A four-terminal MTDC system was analyzed to investigate the impact of an active power regulation design on the dynamic behavior of MTDC networks. The study systematically addressed the key stability and performance challenges associated with active power regulation. Furthermore, the proposed methodology established a framework for future research, enabling the analysis of more advanced DC voltage droop and active power control strategies for MTDC systems. The FUBM has been utilized in conjunction with control strategies for optimal power flow (OPF) analysis and cost calculation.
However, these control strategies have not yet been applied to evaluate the model’s performance under disturbances. Specifically, the model’s capability to withstand disturbances, as well as the behavior of power and voltage under different control scenarios, remain untested. This paper highlights an area for further investigation to assess the robustness of the FUBM in dynamic and fault conditions. Multi-terminal HVDC (MTHVDC) systems offer significant advantages, which can be summarized as follows: Improved Stability and High Reliability: In traditional point-to-point HVDC systems, single-component failures can severely impact system performance or even lead to shut down. In contrast, a meshed HVDC grid enhances system reliability by integrating multiple generation units, ensuring that the overall operation remains stable and the functionality of connected AC grids is maintained even under faults. Offshore–Onshore Integration: HVDC grids enable the connection of offshore stations, such as wind farms, to onshore power systems. Offshore wind farms are often treated as isolated “electrical islands” due to their fluctuating power generation.
These fluctuations limit the participation of offshore wind farms in balancing control, a role that is primarily handled by onshore stations connected to larger AC grids. As a result, the control structure of HVDC converters must accommodate these dynamics while maintaining system stability. Operational Compatibility of Transformers: The dynamic behavior of DC networks must account for the simultaneous operation of diverse transformers without compromising the overall system. The control structure of the converters should remain consistent regardless of the number of converters added to the DC system. Local Control and Stability: To ensure stable operation, HVDC converters must rely solely on local data without depending on communication systems. This approach mirrors the behavior of AC networks, where the power generator outputs are adjusted based on local frequency measurements, eliminating the need for direct communication with other generators. Such localized control ensures robustness and minimizes system-wide disruptions [19]. A high-voltage direct current (HVDC) grid integrating multiple wind farms through voltage source converter (VSC) rectifiers forms the backbone of multi-terminal HVDC (MTHVDC) systems designed for offshore wind integration.
VSC inverters on the grid side facilitate the connection between the HVDC grid and the conventional AC grid, enabling effective power transfer. Wind farm rectifiers deliver generated wind power to the HVDC grid while ensuring the reactive power required for AC voltage stability within the wind farms during normal operation. In scenarios where issues arise in the main AC grid, grid-side VSC inverters may be unable to transfer the full power generated by the wind farms, leading to a voltage rise in the HVDC grid. This voltage increase subsequently reduces the power output of the wind farms. To maintain grid stability, grid-connected VSC inverters regulate HVDC grid voltage and facilitate power transfer from the HVDC network to the AC grid. Control systems, as described in Section 4, determine the optimal power supply to the main AC grid under normal conditions. However, during disturbances, the inverters may enter current-limiting mode, restricting their ability to manage power transfer effectively. Additionally, grid-side VSCs play a crucial role in supporting reactive power for the connected AC grid, thereby enhancing voltage stability. HVDC networks offer significant advantages when interconnecting asynchronous AC networks, enabling seamless integration.
When a substantial portion of the power in the AC networks originates from DC systems, HVDC/AC converters can actively participate in frequency control, thereby contributing to the overall stability and performance of the AC networks [20,21]. The disadvantages of multi-terminal high-voltage direct current (MTHVDC) systems can be summarized as follows:
  • Complexity and Cost: Compared to conventional AC systems or point-to-point HVDC systems, VSC-based MTHVDC networks involve significantly higher costs. These arise from their complex design and the requirement for expensive advanced components, such as voltage source converters (VSCs) and high-speed DC circuit breakers, which increase both capital and operational expenses [22].
  • Power Losses: VSC-based systems are subject to switching losses in their semiconductor devices, resulting in higher power losses than traditional line-commutated converter (LCC) systems, particularly in high-power transmission applications. In multi-terminal configurations, these cumulative losses can adversely impact the overall system efficiency [23].
  • Operational Stability and Regulation: Coordinating power flow regulation in multi-terminal HVDC networks is challenging, especially under dynamic load and generation conditions. Maintaining operational stability requires sophisticated coordination and advanced control algorithms to ensure consistent and reliable performance across multiple terminals [24].
In hybrid AC/DC networks, unified methods for power flow calculations provide quadratic convergence, achieving faster and more accurate results compared to sequential approaches. For instance, as demonstrated in [3], power flow calculations conducted on five busbars using unified methods resulted in steady-state solutions with superior convergence characteristics. Control strategies are essential for maintaining active power balance during disturbances [25]. In this study, the case was investigated using two network configurations: a small network comprising five AC busbars and three DC busbars, as explored in [26], and a larger network consisting of twenty-six AC busbars and nineteen DC busbars, examined in [1,27]. While previous studies applied the sequential method, this paper employed the FUBM method in conjunction with the same control strategies. The FUBM method achieved the intended objectives, maintaining power balance while offering greater simplicity, improved accuracy, and reduced power losses. The FUBM method, previously discussed in [28,29], was employed to compute power flow in hybrid AC/DC networks. This unified approach demonstrates superior speed and accuracy compared to other methodologies. The implementation was conducted using the MATPOWER program, a MATLAB-based tool, while integrating various control strategies. The FUBM method proves to be particularly effective for managing asynchronous AC network connections, as well as marine generating stations, which are critical for stabilizing network balance during disturbances and mitigating system imbalances with appropriate control strategies. Despite its computational intensity, the FUBM method ensures faster and more reliable solutions than the conventional approaches, making it highly suitable for modern hybrid AC/DC power systems. The key advantages of the proposed method are summarized in Table 1.

3. Basic Control Principles

In AC systems, frequency remains uniform across the entire grid, and the phase angle is a key parameter for analyzing active power flow along transmission lines. In contrast, DC systems rely on currents and overall current equilibrium to influence the DC voltage. This makes it more challenging to use DC voltage as a reference for balancing control as it is not a true global metric. Despite these challenges, DC voltage remains the most reliable indicator of steady state performance in DC grids. The controller of a DC grid can optimize the performance of multi-terminal HVDC networks for various operational objectives, such as transmission efficiency and cost minimization, as reported in [5]. This controller dynamically calculates optimal power or DC voltage setpoints for converter terminals by performing real-time optimization during each sampling period. Incorporating DC power and voltage droop controls, along with knowledge of DC circuit breaker status, has been shown to enhance the tracking speed of optimal setpoints during normal operation and DC network reconfiguration. These measures also reduce the sensitivity of the proposed DC grid controller to variations in DC grid parameters, thereby improving its overall robustness and effectiveness [5]. In [2], it is noted that, in non-ideal networks where power losses are considered, incorporating DC line losses into the energy balance equation introduces a mismatch between imported and exported energy. This imbalance in energy results in deviations in the DC voltage. Consequently, DC voltage control is categorized into two fundamental principles:
  • Current-based control;
  • Power-based control.
a comparison of these control methods is given in Table 2. The greater the current deviation from the reference value, the greater the differences between the two controls, but both behave identically at the operating point [21]. Rajhi et al. studied the synchronization between the MTDC grid and the AC grid, which allows seamless power exchange without interruption. They explained that achieving this synchronization requires advanced control algorithms and communication systems to maintain synchronous operation across stations as each MTDC station may use different technologies and operating conditions. The long distances over which MTDC stations are spread can disrupt synchronization efforts due to communication delays, leading to challenges such as generator rotation, changing load demand, and unexpected disturbances. Smart grid technologies offer better coordination between generators and loads, enhancing grid stability and its ability to withstand disturbances, such as model predictive control (MPC). Energy storage systems also contribute to improving grid capabilities and overall system performance [19].
The I–V characteristic represents the relationship used to control DC voltage in a current-based control system [19,21]. The primary advantage of a voltage–current control characteristic is its linear behavior, where a variation in voltage directly corresponds to a proportional deviation in current.
The best and most reliable power distribution throughout the whole DC network in steady-state circumstances should be the basis for choosing voltage setpoints. To guarantee that power is distributed among the converters in an appropriate manner without overloading any component of the system, each converter should have a particular voltage setpoint that corresponds to the necessary power flow at that end. The system may maintain stable operation and prevent issues like voltage collapse and over-power by directing power flow through various pathways or converters by establishing distinct voltage targets. There are two control issues regarding power distribution in the DC network: constant power flow control (infinite droop constant) and constant voltage control (zero droop constant). In an I–V (current-voltage) or P–V (power–voltage) plane, constant voltage control appears as a horizontal line. This is because the voltage remains constant while current or power varies.
The horizontal curve reflects that the converter keeps the voltage fixed at a reference value regardless of changes in current or power. Constant voltage control is a special case of droop control where the droop constant approaches zero, meaning there is no change in voltage even with varying current or power [20]. In this case, the converter controls the voltage at a setpoint or reference value, and it behaves like a DC slack bus, which stabilizes the system voltage, as shown in Figure 1c, The authors of [30] described how the slope of the line can be changed to show the differences between three control modes, as shown in Figure 1a–c; a single-slope droop line can represent three converter control modes. Vdc control (VdcCtrl) mode has a zero gradient, active power control (PacCtrl) has a straight vertical droop line (an infinite gradient), and droop control (DroopCtrl) mode has a negative gradient because a negative power flow indicates inverter operation. Additionally, to restrict the converter’s operation, the ratings should also be shown in the droop line, as shown in Figure 1. Pacmax and Pacmin stand for the maximum and minimum active power, whereas Udcmax and Udcmin indicate the maximum and minimum permitted DC voltage levels.
The dot referes to the operation point of converters and presented how changed the operation points depend on the type of stratygies as shwon in figure above the red dot refers to operation point pre disturbance and the blue point refers to operation point post disturbance. The basic grid control strategies are based on the basic converter control strategies mentioned above; we can classify basic grid control strategies as the DC voltage can be controlled to its reference value at one centralized voltage-controlling converter or by using a distributed control approach as explain.

3.1. Centralized Voltage Control

In the described system, one converter functions as the DC slack bus, ensuring voltage stability across the network. This role is analogous to the slack bus in AC power systems, which balances power and voltage. Conversely, the remaining converters are configured with infinite droop values, implying that they regulate power or current based on predefined setpoints and do not contribute to voltage control. These converters operate under power or current reference settings and are excluded from participating in network voltage stabilization. Consequently, the voltage control responsibility is centralized at the slack bus, which ensures a stable and well-defined voltage profile across the network [2]. The centralized control approach enforces the maintenance of power or current setpoints for all other converters, leading to predictable system behavior. As the droop value of these converters approaches zero (or becomes negligible), the slack bus assumes nearly all responsibility for voltage control. This shift diminishes the role of other converters in power-sharing as their ability to share power is intrinsically tied to their droop control contributions. The introduction of a centralized voltage controller, such as a slack bus, undermines the distributed nature of droop-controlled systems. It makes the network overly dependent on a single converter for voltage regulation, thereby limiting the involvement of other converters in voltage control and power-sharing. The operation of these converters is primarily influenced by the voltage drop across transmission lines rather than their own droop settings [31].

3.2. Distributed Balancing and Voltage Control in DC Power Systems

In DC systems, converters are responsible for managing DC voltage; however, not all converters actively participate in voltage control. Two key scenarios emerge in this context. The first involves integrating different types of converters, specifically droop-controlled converters and current/power-controlled converters, within the same DC network. In such systems, power sharing among droop-controlled converters is determined by the droop settings of each individual converter. The second scenario pertains to the impact on distributed control when voltage-controlling converters are introduced. This addition disrupts the balance of power sharing [26] as the operation of droop-controlled converters becomes primarily influenced by voltage variations along the transmission lines. Consequently, the effectiveness of distributed control diminishes, and droop-controlled converters contribute less significantly to the overall performance of the system [25].

3.3. The Control Techniques with Disturbance

Generally, in the literature, there are two techniques regarding disturbance control techniques of the DC grid.
  • DC grid secondary control
    The secondary control of a direct current (DC) grid operates as a global control mechanism, monitoring the conditions on both the alternating current (AC) and DC sides of each converter within the multi-terminal DC (MTDC) system. Its primary function is to determine the power dispatch orders or DC voltage references for each converter actively contributing to the stability and operation of the DC grid. This control layer relies on communication either through online networks or wired connections with each converter station and the associated AC grids to ensure effective coordination and system reliability.
  • DC grid primary control
    Communication interruptions cannot be entirely avoided; therefore, all converters must be capable of operating based solely on local measurements. This approach is analogous to onshore AC power systems, where communication is unnecessary due to the inherent reliability provided by primary frequency regulation.
In the context of MTDC systems, the DC grid primary control ensures that each converter operates autonomously at its respective station. In the event of disturbance, the primary control must identify a new stable operating point independently before the secondary control provides updated setpoints. To maintain coordination among converters during such disturbances, the setpoints issued by the secondary control must be designed to account for all potential disturbances within the DC system.
Key control modes essential for MTDC operation and classified under DC grid primary control include active power control (PacCtrl) and DC voltage control (UdcCtrl). Additionally, the DC voltage droop control (DroopCtrl) mode can also be considered a component of the primary control framework in an MTDC system [30]. In an MTDC system, each converter operates locally and autonomously at its respective station. In the event of a disturbance, the primary converter control (DC grid main control) must identify a new stable operating point before the DC grid secondary control can provide updated setpoints. The setpoints generated by the DC grid secondary control must account for all potential disturbances within the DC system to ensure continued coordination among converters during disturbances we will see in the following sections of the article the behavior of each converter depending on its control strategy [30]. The primary objective of the DC grid secondary control is to establish appropriate setpoints for all non-islanded converters within the MTDC system. Notably, this study does not account for the presence of DC power storage or generation. Instead, the MTDC system is modeled as a means to facilitate power transfer between interconnected AC networks. Consequently, any variation in power flow within the MTDC system has a direct impact on the connected AC networks. To effectively monitor and manage these interactions, the DC grid secondary control leverages a Wide Area Monitoring System (WAMS). This system provides real-time insights into the conditions of the integrated AC/DC networks, enabling coordinated control and ensuring system-wide stability. The FUBM provides a unified reference frame for representing both AC and DC variables. Within this framework, AC and DC quantities are mathematically expressed as complex phasors. As a result, the scalar DC voltage magnitude is modeled as a complex phasor with an imaginary component of zero, corresponding to a voltage phase angle of zero degrees. This unified approach aligns with the principles of AC systems, where a single reference bus phase angle is designated for each isolated grid. This reference serves as the standard against which all other nodal phase angles are calculated.

4. Proposed Model

As shown in Figure 2, FUBM in MATPOWER was used to simulate two distinct case studies, each corresponding to a separate program configuration. Both programs followed the same methodology and flowchart but analyzed different network scenarios. The initial data set for the first network (the smaller network) consists of five AC busbars and three MTDC busbars. The second network (the larger network, CIGRE B4) consists of 26 AC buses AC and 19 buses Dc, representing an MTDC and point-to-point DC network that interconnects offshore and onshore networks. Figure 2 presents a specific test case; the proposed framework is adaptable to various hybrid AC/DC networks with different configurations and control objectives.
Before inputting the data into the program, the preprocessing step involved modeling and standardizing the values. This included converting voltage magnitudes to their per unit (pu) representation, defining maximum and minimum limits, incorporating converter losses, and inputting the active power values of generators. The classification of busbars was carried out by assigning them as slack buses, voltage-controlled buses, or load buses. The converters were then configured based on predefined control strategies, namely droop control, VdcCtr, and PacCtr. These control strategies represent local primary control mechanisms, applied within the boundaries of the converter area without considering the entire network. A hierarchical control framework was employed, where secondary control signals influenced primary control actions. This structure ensures stability and effective operation of the network. In the larger 45-bus network (CIGRE B4), these control strategies were applied simultaneously in an integrated manner, while, in the smaller 8-bus network, they were implemented individually. Implementing the three control strategies is not feasible in a small network with only three converters. However, it is achievable in the CIGRE B4 network, which includes eleven converters. The CIGRE B4 network represents a multi-terminal DC (MTDC) system that interconnects offshore and onshore station zones, providing greater flexibility in selecting the control strategy for each converter based on its location. Offshore stations connected to wind turbine generators cannot compensate for voltage drops by drawing additional power from the wind generators as their generation is limited. This differs from onshore stations, which are connected to infinite busbars. Consequently, it is possible to adopt strategies for controlling the active power capacity of converters connected to offshore stations and voltage drop control strategies for converters connected to onshore networks. Such an approach enhances the system’s resilience to disturbances. The CIGRE B4 test network is an ideal benchmark for validating the FUBM due to its comprehensive representation of modern hybrid AC/DC transmission systems. It interconnects two onshore grids via an MTHVDC system and links offshore and onshore networks through point-to-point and MTHVDC transmission. Voltage source converters (VSCs) play a crucial role in maintaining system stability by either regulating voltage at onshore grids or controlling active power transfer from offshore wind generators, preventing excessive power flow beyond operational limits. When onshore generation is disconnected, converters operating under active power control ensure continuous power transfer. FUBM strategically allocates control functions based on converter location: converters linked to infinite buses use voltage control, those connected to major generators follow voltage droop control, and offshore wind farm converters adopt active power control. The CIGRE B4 network, with its MTDC system featuring multiple voltage levels and busbars, provides a more realistic and modern validation framework than previous studies using small MTDC networks, enhancing the credibility and applicability of FUBM for large-scale renewable-integrated transmission systems. Figure 2 indicates the interaction between primary and secondary controls and highlights the application of control strategies in both case studies.

4.1. Model Description

The FUBM represents an evolution of the voltage source converter (VSC) model, achieved by integrating it with the classic branch model in series with an ideal transformer.
N = m a e j θ s h ,
m a = k m a ,
k = 3 2
  • N: Complex tap ratio refers to the transformer’s tap.
  • m a : Represents the magnitude of the complex tap ratio, which is meant to represent the tap changer ratio of the CTTs.
  • θ s h : Represents the phase-shifter angle of the PSTs.
  • CTT: controllable tap transformer.
  • PST: phase-shifting transformer.
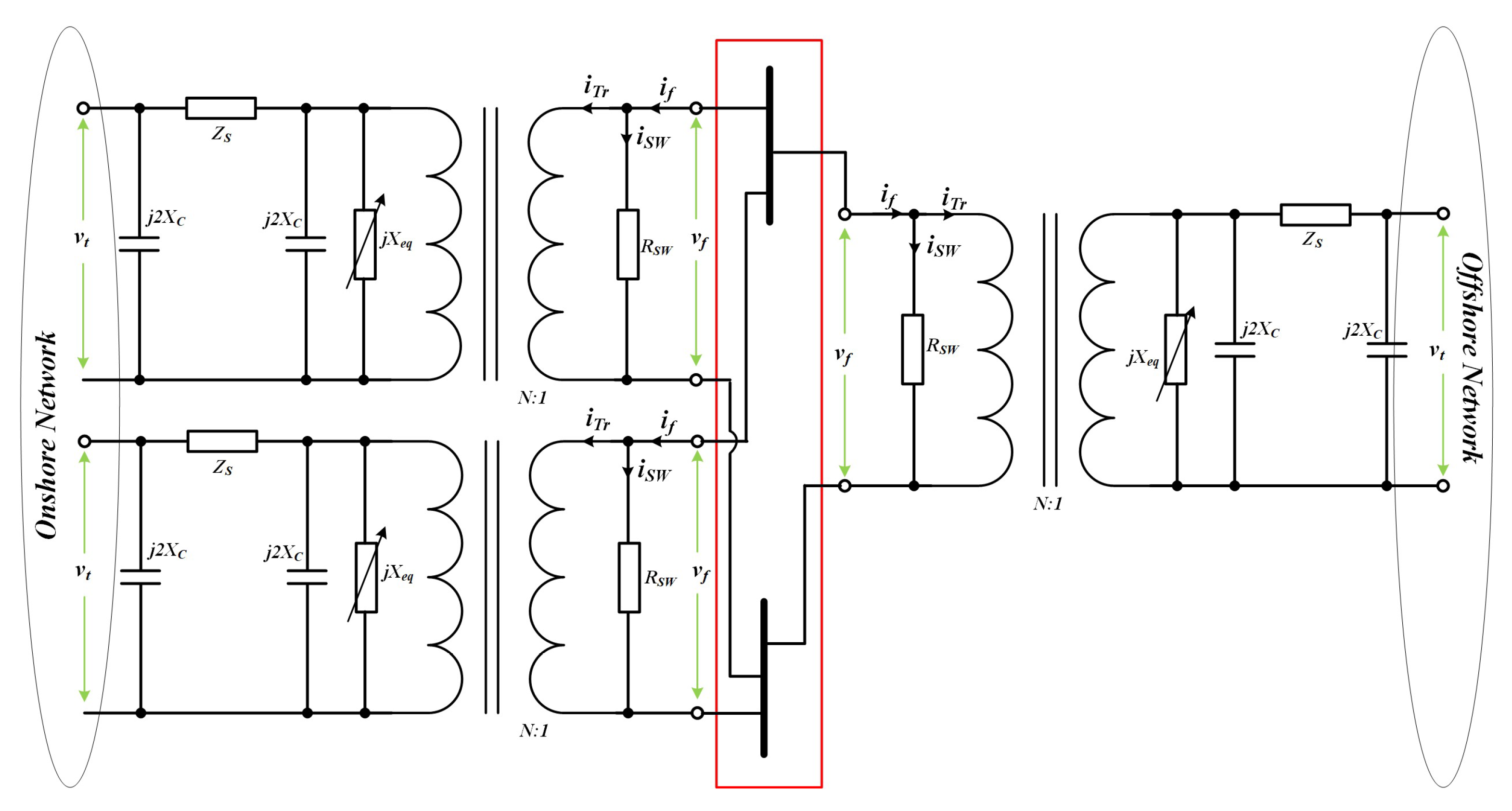
The FUBM with control strategies was selected and connected with two types of networks: onshore and offshore. Based on this model, we have chosen the converter functions. This model proves to be particularly beneficial in supporting generators that are not connected to large networks during disturbances, as well as ensuring the stability of network voltage, which will be further elaborated upon in subsequent sections. As shown in Figure 3, the model allows for the simulation of a wide variety of elements, making it especially well-suited for representing the adaptable and dynamic electric power systems (EPSs) of the future across both AC and DC networks. This integration results in a simple yet robust universal model capable of seamless interaction with all network elements while facilitating the simulation of AC/DC networks within a unified frame of reference. A key advantage of this modeling approach lies in its versatility, allowing the formulation to accommodate various network elements in both AC and DC segments of a hybrid grid. Additionally, the model demonstrates scalability, enabling the efficient analysis of large-scale hybrid networks of any complexity.
The FUBM is equipped to incorporate diverse control elements, thereby providing an accurate representation of hybrid grid operations for purposes such as operational planning. As such, the FUBM serves as a powerful tool for power system analysts aiming to simulate the operation of hybrid AC/DC networks. It is also highly beneficial for developers of power system analysis software and the broader power systems research community due to its relative simplicity. By leveraging AC network equations, the FUBM formulation eliminates the need for separate model libraries for various network elements, further enhancing its appeal and utility [32]. The unified method simultaneously solves the power flow equations for both AC and DC systems, whereas the sequential method addresses these equations iteratively and sequentially. Both the unified and sequential approaches must be applicable to voltage source converter (VSC)-based DC grids operating under various control modes, including DC slack bus control, voltage margin control, and distributed voltage droop control [3].
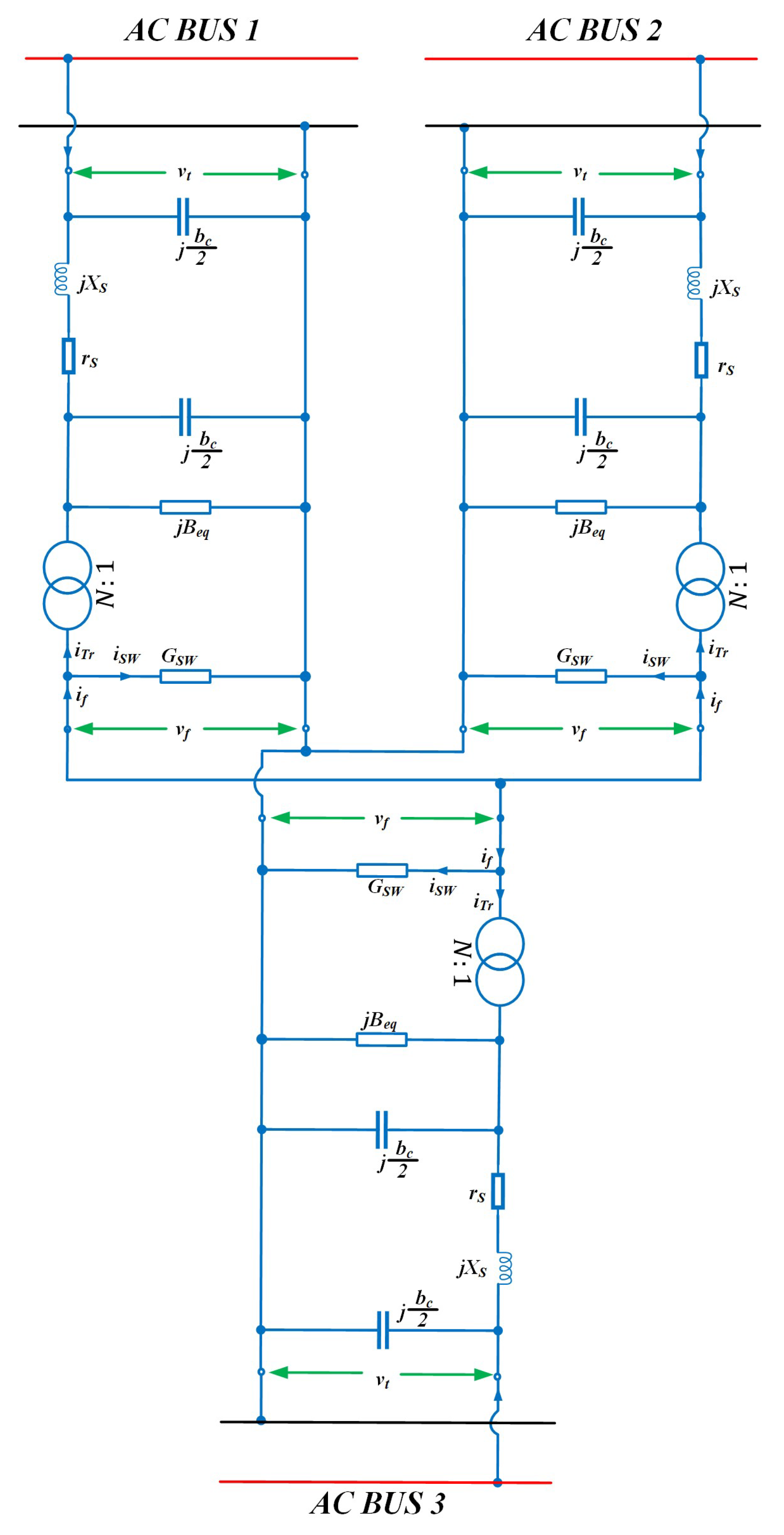
The FUBM incorporates one internal model for each transmission element of the electric power system (EPS), handling each element individually, as shown in Figure 3. This enables the FUBM to model a range of components, from conventional alternating current (AC) transmission lines to advanced control elements such as controllable tap transformers (CTTs), phase-shifting transformers (PSTs), and voltage source converter (VSC)-based components like Static Synchronous Compensators (STATCOMs), all within a unified framework. At its most fundamental level, and in the absence of control elements, the AC branch model employs three internal components: rs, representing series resistance; xs, representing series reactance; and bc, accounting for the standard capacitive charging of AC transmission lines. Conversely, if a DC branch model is required, the reactive components (xs and bc) are assigned a value of zero, leaving rs to represent the resistance of the DC line. For the transformer model, fixed parameters rs and xs represent the transformer’s resistance and inductance, respectively.
The transformer’s tap is defined by a complex tap ratio N, which facilitates the modeling of CTTs and PSTs as needed [28]. The complex tap ratio is expressed as shown in Equation (1). The variable ma represents the magnitude of the complex tap ratio, corresponding to the tap changer ratio of the CTT. For PST modeling, θ denotes the phase-shifter angle of the PST. In cases where the AC EPS includes control elements such as PSTs and CTTs, these can be integrated into the model by activating ma and θ as optional control variables depending on the specific requirements of the system [28].

4.2. Formulation of Model

Figure 3 and Figure 4 above show the FUBM as a new model. Through this model, the matrix Y b r is formulated. We can also write the symbols in Figure 3 in the forms admittance y s , conductance G s w , and susceptance b c . Figure 4 also shows the representation of the FUBM in power transmission lines, where each line represents one model.
z s = r s + j x s
where
  • r s : The series resistance represents ohmic losses of the converter;
  • x s : The inductive reactance represents the magnetic interface of the converter.
y s = 1 z s
G s w = 1 R s w
B e q = 1 X e q
b c = 1 X C
where
  • G s w : switching losses of the VSC for a species DC voltage;
  • B e q : AC reactive power compensation;
  • b c : The susceptance value in AC side;
  • i s w : Converter’s switching current;
  • z s : Converter impedance in model;
  • y s : Converter admittance in model;
  • can be written as the matrix [ 2 × 2 ]
[ I b r ] = [ Y b r ] [ V b r ] ,
i f i t = y f f y f t y t f y t t v f v t = [ Y b r ] v f v t
[ Y b r ] = G S W + y s + j b c 2 + j B e q 1 m a 2 y s m a e j θ s h y s m a e j θ s h y s + j b c 2
where
  • f: refers to (from) bus;
  • t: refers to (to) bus;
  • vf: refers to the DC voltage side;
  • vt: refers to the AC voltage side;
  • yff: refers to the sum of admittance elements in the from bus and refers to VSC in model;
  • ytt: refers to the sum of admittance elements in the to bus.
The complex branch power flow within the FUBM is analyzed from both the “from” side and the “to” side of the model as in the following equations.
S b r = V b r I b r * ,
S f = [ v f ] [ i f * ] = [ v f ] [ y f f v f + y f t v t ] * ,
S t = [ v t ] [ i t * ] = [ v t ] [ y f t v f + y t t v t ] * ,
The calculation of power injections in an electric power system (EPS) with nl lines and nb buses can be represented in matrix form. This is achieved by multiplying the branch admittance matrices, Y f and Y t , corresponding to the “from” and “to” sides of the branches, with their respective voltage vectors, V f and V t , as expressed in Equations (12)–(14). The voltage vectors V f and V f are obtained from compounding C f and C t matrices with the nodal voltage vector.
The connection matrices C f and C t have dimensions [ n l × n b ] and serve as indicators, assigning a value of 1 at positions where a branch element connects to a bus on either the “from” or “to” side. All other non-nodal entries in C f and C t are zero [30].
S f = V f [ Y f V ] * = C f [ V ] [ Y f V ] * ,
S t = V t [ Y t V ] * = C t [ V ] [ Y t V ] * ,
Y f = [ Y f f ] C f + [ Y f t ] C t ,
Y t = [ Y t f ] C f + [ Y t t ] C t ,
where C t and C f are the matrix connections. From Equations (15)–(18), the active and reactive power injections can be calculated as
P f = Real ( S f ) = Real ( C f [ V ] [ Y f V ] * )
P t = R e a l ( S t ) = R e a l ( C t [ V ] [ Y t V ] * )
Q f = Imag ( S f ) = Imag ( C f [ V ] [ Y f V ] * )
Q t = Imag ( S t ) = Imag ( C t [ V ] [ Y t V ] * )
Both the traditional and FUBM approaches adhere to this recommendation. In the traditional model, the variable Ploss is adjusted as a function of the current, while, in the VSC model, the variable Gsw represents the actual switching losses of the VSC. Consequently, the power loss in both cases must be equivalent. Theoretically, there is no upper limit on the switching losses a VSC can incur. Therefore, the variables Ploss and Gsw are typically constrained with a lower bound of zero and no upper limit. Equations (23) and (24) illustrate the calculation of power loss for both approaches.
P loss Trad = P loss FUBM
P loss FUBM = v f i sw = v f 2 G sw
P loss Trad + γ i t 2 + β i t + α = 0
v f 2 G sw + γ i t 2 + β i t + α = 0
where
  • γ , β , α refer to VSC loss coefficients;
  • b c : The susceptance value in AC side;
  • i s w : Converter’s switching current.
To analyze the hybrid system under various conditions, including both AC and DC components, it is essential to examine the relationship between these two systems and the total impedance of the overall network. An impedance matrix is required to effectively describe the relationship between voltage and current within the system. The following equations outline the matrices utilized in the system.
AC Admittance Matrix Y AC : Focused on the admittance between the AC buses considering the network configuration and line impedance, as shown in Equation (27)
Y A C = Y AC 11 Y AC 1 j Y AC i 1 Y AC i j
DC Admittance Matrix Y DC : Reflects the dynamic characteristics of DC transformers and any other components on the DC side, such as DC lines, as explained in Equation (28)
Y D C = Y DC 11 Y DC 1 z Y DC k 1 Y DC k z
Equations (29) and (30) show interconnection admittance: The connection between the AC and DC sides involves a DC/AC converter or AC/DC converter. The connection impedance will be captured in the admittance matrix at the point where the AC and DC sides are connected.
Y ( DC / AC ) = Y DC k / AC i Y DC k / AC j Y DC z / AC i Y DC z / AC j
Y ( AC / DC ) = Y AC i / DC k Y AC i / DC z Y AC j / DC k Y AC j / DC z
Total Impedance: The total impedance matrix in Equation (31) for a hybrid system combines the individual matrices (AC, DC, and interconnection) into a total matrix that describes the impedance of the entire system. This can be useful for system stability analysis, fault analysis, or power flow studies.
Y Total = Y AC Y AC / DC Y DC / AC Y DC
In the FUBM framework, AC/DC interactions are governed by their electrical characteristics and coupling equations. The AC system is modeled using a π -equivalent t representation with series resistance (rs), reactance (xs), and shunt capacitance (bc), while DC lines are defined primarily by resistance (rs). Transformers include resistance, inductance, and a complex tap ratio (N), where controllable tap transformers (CTTs) regulate voltage and phase-shifting transformers (PST) adjust phase angles, as in Equation (7). VSCs facilitate active and reactive power exchange at the AC/DC interface, with reactive power balance maintained via automatic shunt susceptance (Beq) adjustment. The power balance equation between AC and DC systems is
P d c = P AC network P VSC losses
As we see in Equation (26), it takes the circuit parameters completely in from side and in to side for the purpose of calculating the VSC losses. The reactive power compensation limit Qci in both traditional and FUBM VSC models depends on the voltage difference between the AC and DC sides. Since the maximum reactive power is not a fixed value, its limit is dynamically in FUBM expressed as
B e q max = v c i | v t | | v t | 2 v c i 2 x s
where
v c i = v d c k 2 m a
By applying Kirchhoff’s laws to the FUBM (as shown in Figure 2), the system’s [2 × 2] admittance matrix (Ybr) can be formulated, and Equations (11) and (29)–(31) further define the coupling behavior between AC and DC grids.

4.3. Comparative Analysis

This section includes the comparisons between the FUBM method used and the traditional methods in terms of the shape of the circuit, the parameters used, the equations, and the flowchart for both models.
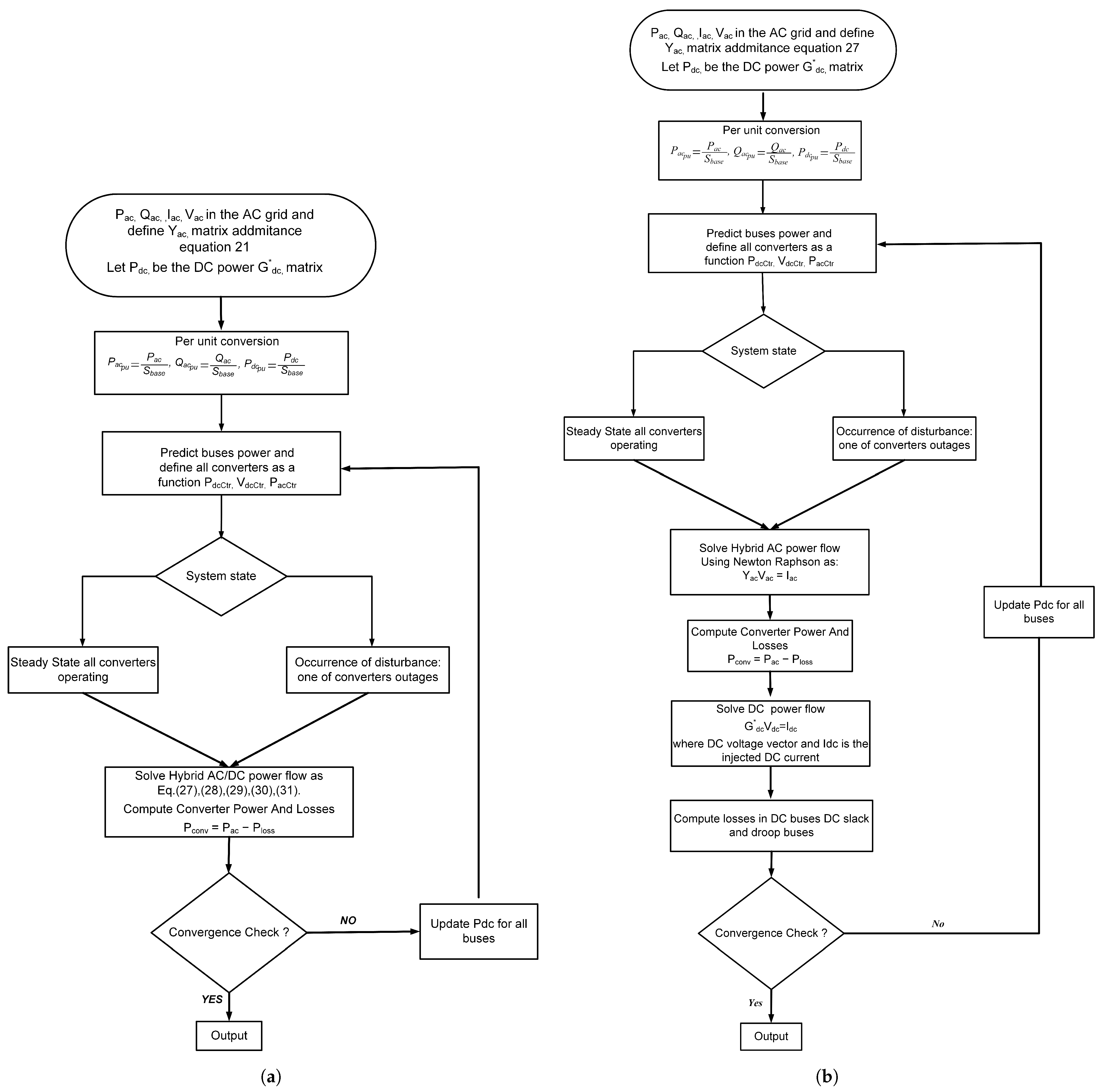
Figure 5 shows that the basic idea in the sequential method is that the AC network and the DC network are addressed separately, solving one after the other, and then the results of both are coupled through their interactions at the AC/DC interfaces (e.g., converter stations). In the FUBM method, the AC networks, DC networks, and their interaction are solved at the same time; therefore, the red curve and the blue curve run in parallel, indicating that the system is unified. However, in the sequential method, we see a link between the two curves, meaning that they are not calculated at the same time.
In Figure 5a above,
  • v c i : Voltage on AC side facing DC side in traditional VSC.
  • Q c i : AC reactive power compensation in traditional VSC.
  • M c : AC side reactive controller in traditional VSC.
As shown in Figure 6, the flowchart of the power flow algorithm when a distributed voltage control method is included is depicted. After recording the data and defining the function of each busbar, data entry begins with the AC network, followed by the input of converter losses. Subsequently, data are entered into the DC network, treating the AC and DC data as separate entities, as indicated in Table 3, the comparison table for the sequential and unified approaches.
However, these steps are unnecessary in the FUBM, where AC and DC parameters are integrated into a single physically connected model. Consequently, the data are represented within a unified matrix, as illustrated in the two figures above. In Figure 5b, the operations are conducted sequentially, starting with the AC network, then converter losses, and finally the DC network. This results in a longer and more time-consuming iterative process. In contrast (Figure 5a), the iterative process in the FUBM is shorter and faster.
FUBM performance in high-demand and intermittent generation iss summarized in Table 4.
The FUBM VSC model accounts for converter control variables and enables it to better control the network conditions. The organization process occurs by adjusting the parameters in the MATPOWER program, as mentioned regarding the experimental settings. It can be summarized as follows:
Despite all of the above, it cannot achieve power balance and voltage stability in very weak networks that suffer from the distance of generation sources from load centers and require auxiliary equipment, such as FACTS, BESS, or PV.

4.4. Experimental Settings

In hybrid AC/DC grids, voltage source converter (VSC) Type I operates under DC voltage control to regulate reactive power exchange. It ensures that reactive power at the “from” side remains zero by adjusting the susceptance variable ( B e q ). This requires satisfying the zero reactive power constraint ( Q t = 0 ).
In MATPOWER, VSC Type I is implemented by setting the “CONV” column in the branch matrix to 1, indicating its converter function. The control variable B e q is assigned operational limits ( B e q min = 0.5 , B e q max = 0.5 ) to enable effective voltage regulation and reactive power compensation, as shown in Table 5.
To regulate reactive power, voltage source converter (VSC) Type II ensures stable DC voltage by maintaining a predefined reference at the “from” side of the converter. In MATPOWER, this is implemented by assigning a value of 2 to the (CONV) column in the branch matrix, indicating its voltage regulation function. The control variable B e q is constrained within operational limits ( B e q min = 0.5 , B e q max = 0.5 ) to maintain voltage stability. The voltage setpoint, specified in per unit (pu) within the VF_SET column (e.g., VF_SET = 1.01 pu), enables effective DC voltage control, ensuring grid stability and optimal performance.
In voltage droop control for voltage source converters (VSCs), the active power injected into the DC grid is regulated as a function of the DC voltage. In the MATPOWER branch matrix, this is represented under the columns PF, VF_SET, and KDP, respectively. A value of 3 must be assigned to the CONV column in the branch matrix for VSC type. The control variable B e q should be defined to ensure stable operation.
The calculation of voltage source converter (VSC) power losses can be configured in MATPOWER by assigning a constant value in the branch matrix column indexed as GSW. This value, expressed in per unit (pu), determines the power loss representation within the VSC. To accurately model VSC power losses, the parameters α 1 , α 2 , and α 3 correspond to α , β , and γ in Equation (26), respectively. The power loss P loss and conductance G sw are calculated as in Equation (26) and shown in Table 6.
In the FUBM, active power regulation is achieved through phase-shifting transformers (PSTs) and voltage source converters (VSCs). The phase angle variable θ is adjusted on the “from” side to maintain the desired power setpoint.
To enable active power control, the setpoint must be specified in megawatts (MWs) within the “PF” column of the branch matrix, with appropriate θ limits. For elements not involved in active power control, phase-shifter limits should remain at 360 and 360 to avoid unintended adjustments, as in Table 7.
Reactive power regulation in the model is achieved using controlled tap transformers (CTTs) and voltage source converters (VSCs), as in Table 8. The control is implemented on the “to” side by adjusting the modulation amplitude ( M a max , M a min ), which corresponds to the tap setting in transformers and modulation amplitude in VSCs. Due to their similar behavior, these variables are unified under a single representation, enabling both elements to achieve a specified reactive power setpoint.
Voltage regulation on the AC side is achieved using controlled tap transformers (CTTs) or voltage source converters (VSCs), both of which utilize modulation amplitude (Ma) as a control variable. Instead of regulating reactive power, Ma is adjusted to maintain a specified voltage at the “to” side. An element can regulate either voltage (Vt) or reactive power (Qt) but not both simultaneously. Voltage control is implemented by specifying the desired voltage in per unit (pu) within the “VT_SET” column of the branch matrix, with Ma limits defined in the “TAP_MAX” and “TAP_MIN” columns.

5. Case Studies

The droop characteristics’ impact on the total power flows both before and after a disturbance has been examined using the FUBM algorithm, which studied the hybrid system uniformly. In this study, the impact of a converter outage has been examined on the power flows in the AC and DC grid. The authors employed MATPOWER 7.1 software. MTHVDC contains two hybrid networks. The first is a small network consisting of five AC and three DC busbars and the other is a large network consisting of twenty-six AC busbars and nineteen DC busbars. Three control strategies were used with the use of the FUBM method to calculate the power flow in the hybrid networks. The first one is the voltage droop controller, the second one is VdcCtr, and the third one is PacCtr. Also, differences between the two networks in using these strategies are presented. We completed five test cases, three of them on the network (stagg_5bussAC_3busDC),the parameters of this network are shown in Table 9 shows the active and reactive power of the generators connected to the network, as well as the loads. It also shows the voltages in per unit of all the buses in the network, whether they are AC or DC busess. the first in a steady state as we shown in Figure 7 and Table 10 and the second and third when a disturbance occurs (one of the converters goes out), where in the second case we used the control strategy (Pac Ctr) and observed that the active power passing through the healthy converter to which the power strategy was applied remained stable; this demonstrates the success of this strategy when used with the FUBM but in a faster way. In the third case, we used the control strategy (VdcCtr) and noticed, after comparing it with the steady state, how the busbars connected to these converters participate in drawing power in order to maintain the network voltage, as indicated in Table 11. As for the fourth case, we used the network (CIGRE B4) in the steady state for the purpose of comparing it with the fifth case, the same network but a disturbance occurs (one of the converters goes out). We used the three control strategies on the network in one case due to the large number of converters in the network and connected between the offshore stations and MTDC on the one hand and between MTDC and the onshore stations on the other hand, enabling us to understand the importance of each converter according to its location and the importance of each strategy.

5.1. Case 1: The Five-Busbar AC and Three-Busbar MTHVDC

Figure 7 presents five AC busbars connected to three DC busbars in the form of MTDC with the presence of a slack busbar and a busbar to regulate the voltage of busbars.
There are three voltage source converters connected to busbars 2, 3, and 5 based on the type of voltage source converter; the active and reactive power is controlled, where its function is to absorb or inject the reactive power (to) so that it becomes zero (from) depending on each transmission element in the power network. All converters are working without any disturbance, and we present the results in Table 10. The brown color represents reactive power, while the red color represents active power. According to the power flow in Table 10, the direction of the arrow from the specified bus follows the “from” side to the “to” side when the power value is positive. Conversely, when the power value is negative, the direction is reversed, moving from “to” side to “from” side. Notably, the arrows indicating reactive power directed toward the DC network have values equal to zero. This is due to the automatic adjustment of Beq, ensuring that no reactive power is injected into the DC link and this is one of the features of FUBM, as presented in Table 3.
Table 9 shows the active and reactive power of the generators connected to the network, as well as the loads. It also shows the voltages in per unit of all the buses in the network, whether they are AC or DC busess.

5.2. Case 2: Interruption Condition in a Converter in Five-Bus AC and Three-Bus MTHVDC in Constsnt Active Power Strategies

The test system comprises both AC and DC grids, as illustrated in Constant power PacCtr is applied to the converters at buses 2 and 5, while the converter at bus 3, designated as the DC slack converter, operates under VdcCtr to maintain voltage stability. The results of the AC and DC test system, including the scenario of a converter outage at bus 5. In this scenario, the power injected by the converter at bus 2 remains constant, as per its setpoint. Meanwhile, the slack converter at bus 3 adjusts its power output and is expected to compensate for the outage. By focusing on the active power injection from all converters except one, the system effectively clamps the DC voltage at a single bus. The slack converter plays a crucial role in regulating the DC grid voltage profile, ensuring that the voltage at its assigned bus aligns with the reference value. This mechanism maintains the stability and proper operation of the DC grid under varying conditions. Table 10 and Table 11 show the active power values at the outage of one of the converters, showing that the active power values are stable in busbar no. 2 compared to the steady state.
For the eight-bus network (five-bus AC and three-bus DC), Table 12 presents a comparison of three solution methods. The proposed model achieved a runtime of 0.12 s with six iterations, while the sequential method required 0.26 s with three iterations. The mixed AC/DC method exhibited the longest runtime, completing in 0.43 s with three iterations, as explained in Table 12.

5.3. Case 3: Interruption Condition in a Converter in Five-Bus AC and Three-Bus MTHVDC in Constant DC Voltage Strategies

A voltage droop can be implemented to manage the DC voltage. Although the DC network is in a steady state, the DC voltage varies from bus to bus in a DC system. According to this viewpoint, voltage variations across the DC grid do not always correspond to transient system situations. These could be produced by shifting operational conditions, or they could just as easily be the outcome of power flows in the DC grid. Given this, Irnawan [30] recommended that each converter have a load reference setpoint, which would serve as the desired no-load DC voltage for all converters that are connected to the grid.The more the converter adjusts its output power to voltage changes, the lower the value of the voltage droop k, where k is the reverse of the slope in Figure 8. The converter manages the DC voltage (DC slack) at the limit values of the voltage droop k, which are 0 and . The results indicate that the power output of both remaining converters is reduced.Regarding voltage constant control converter outage, as illustrated in Figure 9a demonstrates how the droop control mechanism adjusts the power flow within the AC grid where the active power value is maintained in converter No. 2_51 according to its control strategy (PacCtr). As anticipated, Figure 9b voltage droop can be provided to regulate the DC voltage. Thus, several converters can help to regulate the voltage by adapting the power based on their droop characteristics [33]. This adjustment ensures that all converters collectively contribute to injecting additional power, thereby improving the voltage levels on the associated busbars. The detailed outcomes of these adjustments are presented in Table 13.

5.4. Case 4: Twenty-Six-Bus AC and Nineteen-Bus DC in the Steady State (the CIGRE B4 Network)

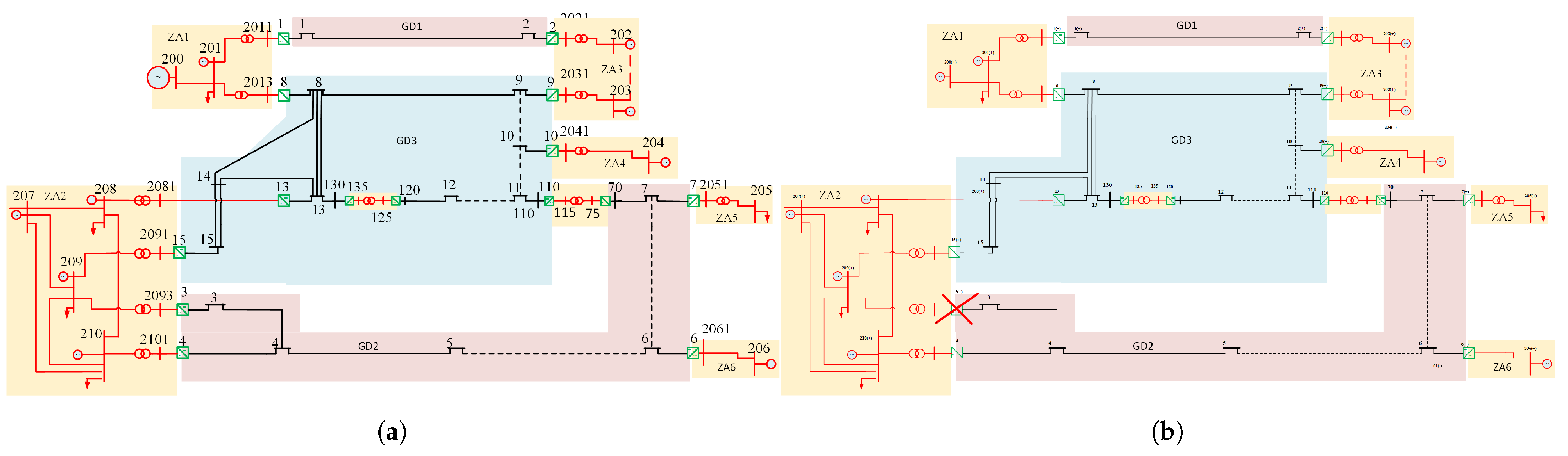
This study employs the FUBM as an alternative to the MATACDC method presented in [27], which calculates AC and DC systems separately and relies on mismatch equations. In contrast, the FUBM method integrates the calculation of both AC and DC systems into a unified framework, eliminating the need for mismatch equations used in separate methods. The base case system analyzed in this study includes the CIGRE B4, This network consists of two types of converters: the one that connects AC and DC systems and the one that connects DC and DC systems. The DC/DC converter is modeled with a constant voltage ratio between its two sides as depicted in Figure 10. As shown in Figure 11a, which consists of the following components:
  • Two onshore AC systems: AC zone ZA1 and AC zone ZA2, both operating at 380 kV.
  • Four offshore AC systems: AC zones ZA3 to ZA6, all operating at 145 kV.
  • Three VSC-HVDC systems:
    • A two-terminal bipolar HVDC zone GD1, operating at ±200 kV.
    • A terminal bipolar HVDC zone GD2, operating at ±200 kV.
    • A five-terminal bipolar HVDC zone GD3, operating at ±400 kV.
Additionally, a DC/DC converter station interconnects GD2 and GD3. Table 14 displays the parameters of the CIGRE B4 network, busbars connected to the generators, busbars connected to the loads and the voltage levels in the network.The power flow results for the CIGRE B4 DC grid test system were calculated using the FUBM method, and detailed data for the complete CIGRE B4 DC grid system, along with a schematic of all grid components. It presents the steady-state power flow results for the network branches.

5.5. Case 5: Twenty-Six-Bus AC and Nineteen-Bus DC CIGRE B4 in Disturbance Condition, Converter 2093_3 Outages

In converter 2011_1, there is an increase in the drawn active power to maintain the voltage within a constant value in busbar no. 1, as well as in converter 2021_2 to maintain the voltage of busbar no. 2. This is a point-to-point system. In DC busbars 815, 110, 120, and 130 MTHVDC, we notice an increase in the injected power to maintain a constant voltage; this is in a voltage control strategy. At AC busbars 202, 203, 204, 205, and 206, there are also marine stations connected to land stations via MTDC. A power control strategy was used to maintain the power drawn from the marine stations when an emergency occurs to continue supplying the network with power within the specified limits without increasing the load on the wind generators. As we mentioned previously, offshore stations cannot maintain the grid balance during disturbances by supplying power to the grid because they are not connected to an open source like onshore stations. Therefore, the power from marine stations is fixed to prevent overloading.
As mentioned in Section 4, the three modes were considered as a DC grid controller for the three modes in CIGRE network 5_6, 7_8, as shown in Figure 12 and Table 15, regarding droop control. The numbers indicate the operating points of the converter before and after the disturbance, and 1_2, 3_4, 9_10, 11_12 is controlled by voltage DC control (Vdc Ctr); 13_14, 15_16, 17_18 buses are controlled by active power AC control (Pac Ctr).
As shown in Figure 12, a single-slope connection between DC voltage (Vdc) and AC active power (Pac) represents the converter control modes: controllers such as droop, Pac, and Vdc. The blue dot indicates the converter’s post-disturbance operating point; the red one indicates its pre-disturbance working point.
If a system operating limit violation persists following a power adjustment, the output of the converter stations must be further reduced. Converters numbered 2091_15 and 2101_4 function as both power injection and absorption units. Additionally, the DC/DC converter numbered 70_75 serves as a power injection unit within the DC grid. Figure 11a illustrates the system’s normal operating conditions, without interruptions, where all converters function as expected. In the event of a disturbance as in Figure 11b that causes an injection power converter to go offline, the aforementioned adjustment process can be applied. Figure 12 demonstrates the modified converter operation, reflecting the transition to a new operating point after the disturbance.
A simplified diagram of the CIGRE B4 network was presented in Figure 13. The DC network is enclosed within the blue rectangle, while the two red rectangles represent the AC networks. The offshore network is located on the right, and the onshore network is on the left. The diagram also highlights converters P1 to P6, which interconnect the DC network with the onshore system, while converters P7 to P10 link the DC network to the offshore system. Converters P1 and P2 specifically form a point-to-point DC connection, whereas the remaining converters establish a multi-terminal DC network. Additionally, P0 represents a DC/DC converter. The converters connected to the offshore network operate under active power control (PacCtr), whereas those linked to the onshore network are controlled using voltage droop control (voltage droop Ctr) and DC voltage control (VdcCtr).
Converter Control Strategies and System Response to Converter Failure: The test system integrates AC and DC grids, employing three converter control strategies: active power control (PacCtr) for regulating power injection, DC voltage control (VdcCtr) as a slack converter for voltage stability, and droop control for dynamic power sharing. System response to converter failure results in immediate power loss, the slack converter increases power output to compensate, active-power-controlled converters maintain fixed setpoints, and DC voltage deviations are minimized by droop control, ensuring smooth power redistribution. The recovery time depends on the droop coefficient(k) as acceleration in voltage regulation and power redistribution alleviates stress on remaining converters, enhancing reliability, and droop control enhances response time by distributing voltage regulation across multiple converters, and recovery time is dependent on droop coefficient tuning to balance speed and stability. A combined approach leveraging slack and droop control effectively restores system stability post-failure, as in Table 13. Table 16 and Table 17 provide a comprehensive analysis of the CIGRE B4 DC grid system. Table 16 presents detailed data on the entire system, along with the steady-state power flow results for the grid branches. In contrast, Table 17 examines the system’s dynamic response to disturbances, such as a converter outage, by analyzing the variations in converter functionality during such events. The behavior of each of the control strategies as time response, time recovery and stability after failure was shown in Table 18.

6. Discussion

In this study, the FUBM method was applied to two distinct networks. The FUBM method provides better control strategies for coordinating AC and DC network operations. This helps in dynamically adjusting power flows, voltage levels, and system performance based on real-time conditions, making the system more responsive to changing demand or unexpected disturbances, also providing a flexible and efficient way to manage hybrid AC/DC networks, improving reliability, stability, and overall system performance while integrating renewable energy sources. MATPOWER software is utilized to solve the corresponding model equations. The loss model for VSC-HVDC stations accounts for all the major components, including IGBTs, phase reactors, filters, and cooling systems, with converter losses formulated as a second-order polynomial function of the AC-side current in the FUBM, as in Equation (26). By adjusting polynomial coefficients, different loss profiles can be accurately represented under varying operating conditions. Converter losses impact hybrid AC/DC system efficiency by reducing net power transfer, increasing thermal stress, influencing power dispatch, and introducing control challenges due to loss-induced voltage deviations. The FUBM integrates the loss model directly into converter equations, enabling precise power flow calculations, real-time operational adjustments, and enhanced power flow optimization. Compared to the conventional methods, the FUBM provides a unified and computationally efficient approach, improving system planning, economic dispatch, and control strategy formulation by incorporating real-time loss functions for optimized converter behavior in modern HVDC grids. Additionally, various control strategies, namely Drop Ctr, VdcCtr, and PacCtr, were employed to manage the operation of the converters, with each strategy being applied according to the specific location of the converter. As outlined in Section 5, case 2 presented in Figure 9a involved the application of the PacCtr control strategy to converters (5_53) and (2_51), while the VdcCtr strategy was applied specifically to converter (5_53). It was observed that there was no change in the power flow through converter (2_51). A comparison of the steady-state results presented in Table 10 with those from the disturbance state in Table 11 reveals that the power flow remained constant. This indicates that the configuration is effective in maintaining a stable power supply under both normal and emergency conditions. In case 3, the strategy (VdcCtr) was applied to two converters and the third converter outage, resulting in observed power sharing between converters (3_52) and (2_51), as illustrated in Figure 9b and Table 13. This occurred following the exit of the third converter (5_53). The implementation of this strategy enhanced the system’s resilience to disturbances, allowing continued operation rather than disruption. Consequently, the research demonstrated the effectiveness of controlling the converters within the FUBM, achieving faster results compared to previous methods, as shown in Table 12. In the table, we notice a comparison between the FUBM and two other methods, and we notice that the FUBM method, despite the advantages we mentioned in terms of ease and flexibility, is also the fastest. Similarly, in the CIGRE B4 network in case 4, the network is in a steady state, and we compare this case with another case in which the network suffers from disturbance (case 5). In case 5, control strategies were implemented based on the FUBM applied to the CIGRE B4 network, which consists of three zones within the multi-terminal DC (MTDC) network, each differing in voltage levels and incorporating wind generators in offshore stations. Given the extensive size of the network and the large number of converters, all three control strategies—DropCtr, VdcCtr, and PacCtr—were applied in a single scenario. The system was also subjected to a disturbance involving the outage of one of the converters connected to the onshore network, specifically converter no. 2093_3. The behavior of each converter, as it adjusted its operating point following the disturbance, was analyzed based on the control strategy applied, as demonstrated in Table 15 and Figure 12. For those converters connected to offshore stations, the PacCtr strategy was selected due to the limited power generation capacity in offshore stations, which are not linked to an infinite network. This strategy was employed to regulate the power flow from the offshore stations to the onshore stations through the MTDC network, preventing the wind turbines from exceeding their power generation capacity. The DropCtr and VdcCtr strategies were employed to maintain the network voltage levels during a disturbance, as detailed in Table 16 and Table 17, which present the power flow values in the network before and after the disturbance. Given that the CIGRE B4 network incorporates a substantial number of generators, it was feasible to introduce multiple faults within the network rather than restricting them to a single converter. Consequently, the disparity between the stable and disturbed states in the operating points of some converters was not significantly pronounced, as illustrated in Figure 12. In the future, we will try several faults in different locations of the network and use a more advanced model.
The FUBM, while reducing the equation count compared to conventional converters, introduces additional variables, increasing computational demands, particularly in large-scale hybrid AC/DC networks. Solving OPF problems with the FUBM can be intensive, requiring high-performance solvers or simplifications. Industry-standard tools like PSSE, PowerFactory, and PSCAD primarily use Newton–Raphson or FDLF methods, while MATPOWER provides flexibility in implementing the FUBM, necessitating extensive modifications for SCADA and EMS integration. The practical limitations include complex converter modeling, the steady-state focus despite dynamic capabilities, and challenges in estimating real-world parameters due to limited manufacturer data. Potential solutions include parallel computing for efficiency and hybrid modeling approaches to enhance industrial compatibility.
The limitations of this research are as follows:
  • Given that the CIGRE B4 network incorporates a substantial number of generators, it was feasible to introduce multiple faults within the network rather than restricting them to a single converter. Consequently, the disparity between the stable and disturbed states in the operating points of some converters was not significantly pronounced, as illustrated in Figure 12.
  • We did not use energy storage or generators in the DC network. Therefore, any change in marine stations will be reflected in land stations through the MTDC network.
In the future, we will try several faults in different locations of the network and use a more advanced model. We use energy storage or generators in the MTDC network.

7. Conclusions

An AC/DC-based power flow algorithm utilizing the FUBM has been developed for comprehensive analysis and practical implementation. By incorporating droop control, the model extends contingency analysis to DC grids, enabling the evaluation of distributed voltage management and individual converter droop settings on post-disturbance power flows in both AC and DC systems.
Enhanced MATPOWER-based AC/DC power flow software has been implemented to integrate droop characteristics, undergoing rigorous testing to validate its effectiveness. The numerical simulations demonstrate that distributed voltage control significantly impacts system power flows. During a converter outage, voltage variations that govern control responses propagate throughout the network, with the most pronounced effects occurring near the affected converter. The application of voltage droop control results in nearby converters absorbing a larger portion of the power imbalance, especially in systems where constant voltage buses are in close proximity to the outage location.
Recent studies confirm that the FUBM method is highly effective for power flow calculations in hybrid AC/DC systems. This paper successfully applies the FUBM in both steady-state and disturbance control strategies. Simulations conducted on small and large networks showcase the effective implementation of control strategies under disturbances, eliminating the need for lengthy and complex programming.
The proposed model outperforms existing studies in preventing wind turbines from exceeding their normal operating capacity during disturbances, enabling faster on-site converter control without reliance on secondary control commands and maintaining network stability under fault conditions without needing protection devices or circuit breakers.
While the FUBM remains efficient across small and large networks, it faces challenges in large-scale or weak systems. As network complexity increases, computational burdens grow, potentially limiting real-time applications. A key limitation is the zero-constraint property, where the reactive power on the “from” side of the converter is assumed to be zero. While effective in small networks, this assumption becomes inadequate in larger or disturbed systems. In weak networks, reactive power dynamically adjusts to compensate for voltage drops, necessitating additional stabilization measures.
To enhance FUBM performance, integrating PV generation, FACTS devices, and virtual generators can significantly improve reactive power compensation and voltage stability. Further refinements include the following:
-
Adaptive control strategies for dynamic converter adjustments in real time.
-
Enhanced reactive power modeling to accommodate variable reactive power flows in weak networks.
-
Hybrid optimization approaches to strengthen stability in large-scale grids.
These improvements expand the FUBM’s applicability to complex networks, ensuring robust power flow control and voltage regulation under diverse operating conditions.

Author Contributions

Conceptualization, B.N.A. and N.Ö.; Software, B.N.A.; Formal analysis, N.Ö.; Data curation, B.N.A.; Writing—review & editing, N.Ö. All authors have read and agreed to the published version of the manuscript.

Funding

This research received no external funding.

Data Availability Statement

The original contributions presented in this study are included in the article. Further inquiries can be directed to the corresponding author.

Conflicts of Interest

The authors declare no conflict of interest. There are no funders.

Abbreviations

DRCCRobust Chance-Constrained
ESSEnergy Storage System
PBCPassivity-Based Control
MMCModular Multilevel Converter
HTHybrid Transformer
PCCPoint of Common Coupling
NRNewton–Raphson
PETPower Electronic Transformer
LCCLine-Commutated Converter
OPFOptimal Power Flow
WAMSWide Area Monitoring System

References

  1. Beerten, J.; Belmans, R. MatACDC-an open source software tool for steady-state analysis and operation of HVDC grids. In Proceedings of the 11th IET International Conference on AC and DC Power Transmissio, Birmingham, UK, 10–12 February 2015. [Google Scholar]
  2. Vrana, T.K.; Beerten, J.; Belmans, R.; Fosso, O.B. A classification of DC node voltage control methods for HVDC grids. Electr. Power Syst. Res. 2013, 103, 137–144. [Google Scholar]
  3. Al Sinayyid, B.N.; Öztürk, N. A Hybrid AC/DC Power Flow Solution Including VSC Multi Terminal HVDC Systems by Flexible Unified Branch Model. In Proceedings of the 2024 6th Global Power, Energy and Communication Conference (GPECOM), Budapest, Hungary, 4–7 June 2024; IEEE: Piscataway, NJ, USA, 2024; pp. 549–553. [Google Scholar]
  4. Chai, R.; Zhang, B.; Dou, J.; Hao, Z.; Zheng, T. Unified power flow algorithm based on the NR method for hybrid AC/DC grids incorporating VSCs. IEEE Trans. Power Syst. 2016, 31, 4310–4318. [Google Scholar]
  5. Rouzbehi, K.; Miranian, A.; Luna, A.; Rodriguez, P. DC voltage control and power sharing in multiterminal DC grids based on optimal DC power flow and voltage-droop strategy. IEEE J. Emerg. Sel. Top. Power Electron. 2014, 2, 1171–1180. [Google Scholar]
  6. Zheng, W.; Hu, J.; Yuan, X. Modeling of VSCs considering input and output active power dynamics for multi-terminal HVDC interaction analysis in DC voltage control timescale. IEEE Trans. Energy Convers. 2019, 34, 2008–2018. [Google Scholar]
  7. Mohammadi, F.; Nazri, G.A.; Saif, M. An improved mixed AC/DC power flow algorithm in hybrid AC/DC grids with MT-HVDC systems. Appl. Sci. 2019, 10, 297. [Google Scholar] [CrossRef]
  8. Baradar, M.; Ghandhari, M. A multi-option unified power flow approach for hybrid AC/DC grids incorporating multi-terminal VSC-HVDC. IEEE Trans. Power Syst. 2013, 28, 2376–2383. [Google Scholar]
  9. Daelemans, G.; Srivastava, K.; Reza, M.; Cole, S.; Belmans, R. Minimization of steady-state losses in meshed networks using VSC HVDC. In Proceedings of the 2009 IEEE Power &Energy Society General Meeting, Calgary, AB, Canada, 26–30 July 2009; IEEE: Piscataway, NJ, USA, 2009; pp. 1–5. [Google Scholar]
  10. Chen, Y.; Lu, Q.; Zeng, K.; Yang, Y.; Xie, P. Flexibility-Oriented AC/DC Hybrid Grid Optimization Using Distributionally Robust Chance-Constrained Method. Energies 2024, 17, 4902. [Google Scholar] [CrossRef]
  11. Shi, Y.; Zhang, X.; Sun, Q.; Chen, L.; Qi, L. Enhanced voltage management method based on hybrid transformer for wind power integration applications. Electr. Power Syst. Res. 2025, 238, 111183. [Google Scholar]
  12. Shahbazi, M. An Efficient Universal AC/DC Branch Model for Optimal Power Flow Studies in Hybrid AC/DC Systems. IEEE Trans. Power Syst. 2024. [Google Scholar] [CrossRef]
  13. Shu, H.; Zhao, H.; Liao, M. Optimal power flow in hybrid AC-DC systems considering Nk security constraints in the preventive-corrective control stage. Electr. Power Syst. Res. 2025, 238, 111052. [Google Scholar]
  14. Zheng, Z.; Huang, C.; Ma, X.; Chen, W.; Huang, Y.; Wang, M.; Pan, D. Power Flow Analysis of Ring AC/DC Hybrid Network with Multiple Power Electronic Transformers Based on Hybrid Alternating Iteration Power Flow Algorithm. Processes 2024, 13, 7. [Google Scholar] [CrossRef]
  15. Liu, L.; Li, X.; Jiang, Q.; Teng, Y.; Chen, M.; Wang, Y.; Zeng, X.; Luo, Y.; Pan, P. A multi-terminal control method for AC grids based on a hybrid high-voltage direct current with cascaded MMC converters. Electronics 2023, 12, 4799. [Google Scholar] [CrossRef]
  16. Lambrichts, W.; Paolone, M. General and unified model of the power flow problem in multiterminal ac/dc networks. IEEE Trans. Power Syst. 2024, 39, 7266–7276. [Google Scholar]
  17. Li, T.; Li, Y.; Chen, X.; Li, S.; Liu, N. Research on coordinated control strategy based on hybrid multi-terminal HVDC transmission network. Int. J. Electr. Power Energy Syst. 2022, 135, 107400. [Google Scholar]
  18. Wang, W.; Beddard, A.; Barnes, M.; Marjanovic, O. Analysis of active power control for VSC–HVDC. IEEE Trans. Power Deliv. 2014, 29, 1978–1988. [Google Scholar]
  19. Alrajhi, H.; Daraz, A.; Alzahrani, A.; Babsail, H.; Alharbi, Y.; Alsharif, F.; Alattas, A.; Alshammari, K. Power Sharing Control Trends, Challenges, and Solutions in Multi-Terminal HVDC Systems: A Comprehensive Survey. IEEE Access 2024, 12, 69112–69129. [Google Scholar]
  20. Aragüés-Peñalba, M.; Egea-Àlvarez, A.; Gomis-Bellmunt, O.; Sumper, A. Optimum voltage control for loss minimization in HVDC multi-terminal transmission systems for large offshore wind farms. Electr. Power Syst. Res. 2012, 89, 54–63. [Google Scholar]
  21. Gomis-Bellmunt, O.; Liang, J.; Ekanayake, J.; Jenkins, N. Voltage–current characteristics of multiterminal HVDC-VSC for offshore wind farms. Electr. Power Syst. Res. 2011, 81, 440–450. [Google Scholar]
  22. Flourentzou, N.; Agelidis, V.G.; Demetriades, G.D. VSC-based HVDC power transmission systems: An overview. IEEE Trans. Power Electron. 2009, 24, 592–602. [Google Scholar]
  23. Pragati, A.; Mishra, M.; Rout, P.K.; Gadanayak, D.A.; Hasan, S.; Prusty, B.R. A comprehensive survey of HVDC protection system: Fault analysis, methodology, issues, challenges, and future perspective. Energies 2023, 16, 4413. [Google Scholar] [CrossRef]
  24. Raza, A.; Akhtar, A.; Jamil, M.; Abbas, G.; Gilani, S.O.; Yuchao, L.; Khan, M.N.; Izhar, T.; Dianguo, X.; Williams, B.W. A protection scheme for multi-terminal VSC-HVDC transmission systems. IEEE Access 2017, 6, 3159–3166. [Google Scholar] [CrossRef]
  25. Beerten, J.; Belmans, R. A comprehensive modeling framework for dynamic and steady-state analysis of voltage droop control strategies in HVDC grids. Int. J. Electr. Power Energy Syst. 2015, 73, 691–701. [Google Scholar] [CrossRef]
  26. Beerten, J.; Van Hertem, D.; Belmans, R. VSC MTDC systems with a distributed DC voltage control-A power flow approach. In Proceedings of the 2011 IEEE Trondheim PowerTech, Trondheim, Norway, 19–23 June 2011; IEEE: Piscataway, NJ, USA, 2011; pp. 1–6. [Google Scholar]
  27. Pérez Palacios, M.F. A Novel Methodology of Reliability Assessment for VSC-HVDC Grids. Master’s Thesis, Universidad de los Andes, Bogotá, Colombia, 2019. [Google Scholar]
  28. Alvarez-Bustos, A.; Kazemtabrizi, B.; Shahbazi, M.; Acha-Daza, E. Universal branch model for the solution of optimal power flows in hybrid AC/DC grids. Int. J. Electr. Power Energy Syst. 2021, 126, 106543. [Google Scholar] [CrossRef]
  29. Manohar, M.; Koley, E. SVM based protection scheme for microgrid. In Proceedings of the 2017 International Conference on Intelligent Computing, Instrumentation and Control Technologies (ICICICT), Kerala, India, 6–7 July 2017; IEEE: Piscataway, NJ, USA, 2017; pp. 429–432. [Google Scholar]
  30. Irnawan, R. Planning and Control of Expandable Multi-Terminal VSC-HVDC Transmission Systems; Springer Nature: Cham, Switzerland, 2019. [Google Scholar]
  31. Vrana, T.K.; Zeni, L.; Fosso, O. Dynamic active power control with improved undead-band droop for HVDC grids. In Proceedings of the 10th IET International Conference on AC and DC Power Transmission (ACDC 2012), Birmingham, UK, 4–5 December 2012. [Google Scholar]
  32. Zimmerman, R.D.; Murillo-Sánchez, C.E.; Thomas, R.J. MATPOWER: Steady-state operations, planning, and analysis tools for power systems research and education. IEEE Trans. Power Syst. 2010, 26, 12–19. [Google Scholar] [CrossRef]
  33. Dierckxsens, C.; Srivastava, K.; Reza, M.; Cole, S.; Beerten, J.; Belmans, R. A distributed DC voltage control method for VSC MTDC systems. Electr. Power Syst. Res. 2012, 82, 54–58. [Google Scholar] [CrossRef]
Figure 1. (a) Droop control; (b) AC active power control; (c) DC voltage control. Converter control modes represented by a single-slope DC voltage (Vdc) and AC active power (Pac) relationship. The red dot indicates the converter operating point pre-disturbance. The blue dot indicates the converter operating point post-disturbance [30].
Figure 1. (a) Droop control; (b) AC active power control; (c) DC voltage control. Converter control modes represented by a single-slope DC voltage (Vdc) and AC active power (Pac) relationship. The red dot indicates the converter operating point pre-disturbance. The blue dot indicates the converter operating point post-disturbance [30].
Energies 18 01711 g001
Figure 2. The proposed model illustrates the application of control strategies in FUBM through two case studies.
Figure 2. The proposed model illustrates the application of control strategies in FUBM through two case studies.
Energies 18 01711 g002
Figure 3. Flexible Universal Branch Model with control strategies and two types of networks. The busbars inside the red rectangle indicate the MTDC networks that are connected via the FUBM to AC networks.
Figure 3. Flexible Universal Branch Model with control strategies and two types of networks. The busbars inside the red rectangle indicate the MTDC networks that are connected via the FUBM to AC networks.
Energies 18 01711 g003
Figure 4. Representation of FUBMs in transmission lines and how they are connected together to form an MTDC network.
Figure 4. Representation of FUBMs in transmission lines and how they are connected together to form an MTDC network.
Energies 18 01711 g004
Figure 5. (a) Sequential method; (b) FUBM method. Two models shown include (a) the traditional model AC and DC separated and coupling equation between them; (b) in the FUBM, the model is unified, and it includes both AC and DC in one frame. The red curve indicates the AC circuit, the blue curve indicates the DC circuit, and the green curve indicates the mismatch equations between the two circuits just in sequential method [3].
Figure 5. (a) Sequential method; (b) FUBM method. Two models shown include (a) the traditional model AC and DC separated and coupling equation between them; (b) in the FUBM, the model is unified, and it includes both AC and DC in one frame. The red curve indicates the AC circuit, the blue curve indicates the DC circuit, and the green curve indicates the mismatch equations between the two circuits just in sequential method [3].
Energies 18 01711 g005
Figure 6. (a) FUBM method; (b) sequential method. Flowchart of the power flow algorithm incorporating various control strategies in FUBM method and sequential method.
Figure 6. (a) FUBM method; (b) sequential method. Flowchart of the power flow algorithm incorporating various control strategies in FUBM method and sequential method.
Energies 18 01711 g006
Figure 7. AC network power flow solution with a VSC MTDC system between buses 2, 3, and 5 in normal operation and all converters are working [26].
Figure 7. AC network power flow solution with a VSC MTDC system between buses 2, 3, and 5 in normal operation and all converters are working [26].
Energies 18 01711 g007
Figure 8. Standard voltage droop characteristics.
Figure 8. Standard voltage droop characteristics.
Energies 18 01711 g008
Figure 9. (a) Pac control strategy; (b) voltage droop control strategy. A hybrid AC/DC grid under the disturbance (5-bus AC; 3-bus DC); we see the different power flow behavior with different control strategies.
Figure 9. (a) Pac control strategy; (b) voltage droop control strategy. A hybrid AC/DC grid under the disturbance (5-bus AC; 3-bus DC); we see the different power flow behavior with different control strategies.
Energies 18 01711 g009
Figure 10. DC/DC converter model [27].
Figure 10. DC/DC converter model [27].
Energies 18 01711 g010
Figure 11. CIGRE B4 in two conditions: (a) steady state [27] and (b) disturbance.
Figure 11. CIGRE B4 in two conditions: (a) steady state [27] and (b) disturbance.
Energies 18 01711 g011
Figure 12. The operation point for each converter depending on the type of controlling strategy.
Figure 12. The operation point for each converter depending on the type of controlling strategy.
Energies 18 01711 g012
Figure 13. Simplified diagram of the CIGRE network showing the onshore and offshore AC networks, point-to-point DC lines, multi-outlet DC network, and the direction of the active power in a steady state.
Figure 13. Simplified diagram of the CIGRE network showing the onshore and offshore AC networks, point-to-point DC lines, multi-outlet DC network, and the direction of the active power in a steady state.
Energies 18 01711 g013
Table 1. Comparison between the sequential method and FUBM.
Table 1. Comparison between the sequential method and FUBM.
AspectSequential MethodFUBM
ConvergenceLinear ConvergenceQuadratic Convergence
Error Reduction RateGradual (linear reduction in error)Fast (error reduces quadratically)
CouplingAC/DC systems solved separatelyFully coupled solution
AccuracyLess accurate for coupled systemsMore accurate for hybrid systems
Table 2. Comparison Between Two Categories of DC Voltage Control.
Table 2. Comparison Between Two Categories of DC Voltage Control.
Current-Based ControlPower-Based Control
  • Current-based control offers a linear response. This means the relationship between the current and voltage is straightforward and predictable, making the control process simpler and easier to manage.
  • Current-based control can be directly linked to the dynamics of the DC network since the unit of DC line impedance, the ohm, depends on the relationship of current to voltage, which makes current-based control intuitive.
  • Power-based control shows non-linear (hyperbolic) control behavior. The power-based control can be easily adapted into the existing control strategies used in VSC HVDC systems without needing major changes or redesign.
  • Power-based control is more intuitive in a power system context. In power systems, the focus is often on managing power rather than just current or voltage since power-based control focuses directly on the power being transmitted.
Table 3. Comparison between the FUBM method and the sequential method adopted from [3].
Table 3. Comparison between the FUBM method and the sequential method adopted from [3].
The Sequential MethodThe FUBM Method
  • The VSC model represents grid separation and uses coupling equations to simulate active power exchange between the AC grids through the common DC link.
  • Specifies the current source ( I d c ) as a variable to regulate the active power flow.
  • Modifies the modulation coefficient amplitude ( M c ) to regulate the reactive power on the AC side.
  • Equation: V d c = M c V c i .
  • The AC and DC systems are treated as separate entities.
  • The interaction between the two is only considered at the converter interface after both systems have been solved independently.
  • It is a two-step process: solve the AC, solve the DC, and then connect them.
  • VSCs provide a physical connection between the DC and AC networks.
  • The FUBM uses the variable ( θ s h ) in a similar way to how phase-shifting transformers (PSTs) are modeled.
  • Modifies the modulation coefficient amplitude ( m a ) to regulate reactive power on the AC side.
  • Equation: N = K 2 m a e j θ s h .
  • The AC and DC systems are solved together
  • The interaction between AC and DC systems (via converter models) is continuously incorporated into the solution process.
  • The matrix is unified and captures the continuous interaction between the two systems throughout the solution process.
Additional Details:Additional Details:
  • Compensation of reactive power on the AC side “to” bus is managed by adding a small power balance constraint at node c i . Q c i adjusts to meet system requirements.
  • P l o s s is modified based on the current.
  • Coupling equation: P d c = P c i P l o s s .
  • To control reactive power, the VSC model can adjust either the AC side voltage or the AC side reactive power.
  • Uses shunt susceptance ( B e q ) to compensate reactive power.
  • B e q is automatically modified to ensure zero reactive power injection to the DC link while monitoring reactive power flow “from” the AC side.
  • The variable G s w corresponds to actual VSC losses.
  • No coupling equations are required.
Table 4. Comparison between FUBM and traditional model in high-demand conditions and intermittent generation.
Table 4. Comparison between FUBM and traditional model in high-demand conditions and intermittent generation.
ScenarioTraditional ModelFUBM-Based Model
High-Demand ConditionsIncreased transmission losses, possible overload, and voltage instability.Optimized power flow, reduced losses, and improved voltage support.
Intermittent GenerationPoor response to variability, higher curtailment.Adaptive power routing, stable voltage, and reduced curtailment.
Loss ConsiderationStatic or simplified loss models.Real-time converter loss modeling and optimization.
Table 5. Settings of VSC under DC voltage control.
Table 5. Settings of VSC under DC voltage control.
fbustbusrxbCONVBEQ_MINBEQ_MAX
1520910.00020.07501−0.50.5
Table 6. Settings of power loss calculation for VSC.
Table 6. Settings of power loss calculation for VSC.
fbustbusrxbGSWAlpha 1Alpha 2Alpha 3
421010.00020.07500.0010.0010.0150.2
Table 7. Settings of active power control.
Table 7. Settings of active power control.
fbustbusrxbPFbeq_minbeq_maxsh_minsh_max
920310.00020.0750300−0.50.5−5050
Table 8. Settings of VSC under reactive power control.
Table 8. Settings of VSC under reactive power control.
fbustbusrxbQTMA_MAXMA_MIN
120110.00020.0750−0.31.20.8
Table 9. The voltage in AC and DC busbars, as well as the active and reactive power in busbars connected to generators and busbars connected to loads.
Table 9. The voltage in AC and DC busbars, as well as the active and reactive power in busbars connected to generators and busbars connected to loads.
BusVoltageGenerationLoad
#MAG (pu)Angle (Deg)P (MW)Q (MVAr)P (MW)Q (MVAr)
11.02-130.32−6.39--
21.006−2.9464016.972010
30.986−5.84--4515
40.985−6.102--405
50.986−7.017--6010
511.01−7.562----
521.012−7.562----
531.012−7.562----
Table 10. The flow of active and reactive power in the different branches of the AC and DC networks in steady-state conditions.
Table 10. The flow of active and reactive power in the different branches of the AC and DC networks in steady-state conditions.
BranchFrom BusTo BusFrom-Bus InjectionTo-Bus InjectionLoss
P (MW)Q (MVAr)P (MW)Q (MVAr)P (MW)Q (MVAr)
11286.94−6.04−85.484.251.4554.36
21343.38−0.35−41.93−0.321.4514.35
32328.630.42−28.14−2.920.491.47
42431.070.3−30.5−2.540.5761.73
52559.73.12−58.64−0.861.0614.25
63414.28−2.41−14.260.530.0210.06
7454.76−3−4.740.160.0210.08
8512140−13.92−1.110.0030.53
9523−10.7010.79−9.350.0030.58
10535−3.3303.37−9.30.0020.28
115152−8.9108.9300.020
1252531.770−1.7700.0010
1353515.10−5.0900.0090
Table 11. The flow of active and reactive power in the different branches of the AC and DC networks when a disturbance occurs and the converter 5_53 goes out.
Table 11. The flow of active and reactive power in the different branches of the AC and DC networks when a disturbance occurs and the converter 5_53 goes out.
BranchFrom BusTo BusFrom-Bus InjectionTo-Bus InjectionLoss
P (MW)Q (MVAr)P (MW)Q (MVAr)P (MW)Q (MVAr)
11286.35−5.88−84.914.021.4354.3
21343.990.19−42.5−0.731.4944.48
32329.661.04−29.13−3.420.5271.58
42431.781.15−31.17−3.30.6051.81
52557.410.01−56.38−7.921.0134.05
63412.47−0.95−12.45−0.940.0160.05
7453.63−0.76−3.62−2.080.0110.04
8512140−13.92−1.110.0030.53
9523−14.04014.16−9.910.0050.85
10535000000
115152−9.8909.9100.0250
1252534.120−4.1200.0040
1353514.120−4.1100.0060
Table 12. Explaining the comparison between FUBM and other methods (sequential and mixed AC/DC).
Table 12. Explaining the comparison between FUBM and other methods (sequential and mixed AC/DC).
LiteratureMethodsToolTime [s]Iteration
Proposed ModelFUBMMATPOWER0.126
J. Beerten [26]Sequential MATPOWERMATPOWER0.263
Fazel Mohammadi [7]Mix AC/DCMATLAB0.433
Table 13. The power flows in the network branches when one of the converters goes out of service within the voltage control function in (5 bus AC_3 bus DC) grid.
Table 13. The power flows in the network branches when one of the converters goes out of service within the voltage control function in (5 bus AC_3 bus DC) grid.
BranchFrom BusTo BusFrom-Bus InjectionTo-Bus InjectionLoss
P (MW) Q (MVAr) P (MW) Q (MVAr) P (MW) Q (MVAr)
11290.44−7.01−88.875.581.5754.73
21339.07−0.13−37.9−1.371.1793.54
32321.861.33−21.57−4.440.290.87
42425.481.34−25.08−4.130.3911.17
52554.639.75−53.71−8.040.9193.68
63421.28−1.75−21.24−0.060.0460.14
7456.32−0.81−6.29−1.960.0330.12
8512−6.8706.9−1.430.0010.14
95236.860−6.82−7.440.0020.29
10535000000
1151524.850−4.8500.0060
125253−2.0202.0200.0010
135351−2.0202.0200.0010
Table 14. Bus data, including generator, load, and base voltage.
Table 14. Bus data, including generator, load, and base voltage.
Bus No.P. Generator (MW)P. Load (MW)Base (kV)
20120001000380
202500_145
203500_145
2041000_145
205_100145
20810002200380
20910002300380
2101001900380
210_1900380
Table 15. Pre- and post-disturbance active power (Pac), DC voltage (Vdc), and voltage droop control for various converters.
Table 15. Pre- and post-disturbance active power (Pac), DC voltage (Vdc), and voltage droop control for various converters.
No.ConvPre/PostPac (MW)Vdc (pu)
11_2011pre271.680.994
2 post270.750.994
38_2013pre−804.451.004
4 post−814.61.004
515_2091pre700.970.980
6 post837.240.988
74_2101pre430.120.979
8 post620.570.984
92_2021pre−275.410.999
10 post−274.450.999
119_2031pre−701.090.996
12 post−701.850.996
1310_2041pre−994.621.016
14 post−994.611.016
157_2051pre100.051.022
16 post100.051.010
176_2061pre−498.691.002
18 post−498.71.000
1913_2081pre−1356.351.006
20 post1300.521.004
Table 16. The power flows in the network branches when one of the converters goes out of service within the voltage control function.
Table 16. The power flows in the network branches when one of the converters goes out of service within the voltage control function.
BranchFrom BusTo BusFrom-Bus InjectionTo-Bus InjectionLoss
P (MW) Q (MVAr) P (MW) Q (MVAr) P (MW) Q (MVAr)
1200201−463.41−66.71466.46−136.893.04940.4
2202203224.18−248.17−204.65205.6219.52818.45
320720873.86−65.55−73.7−54.420.1532.03
4207209289.416.73−286.88−101.672.51433.31
5207210279.56−8.01−277.29−81.292.26730.04
6208210207.21−9.14−205.93−93.261.27716.93
7209210−12.08−80.0412.1−35.280.020.26
82012011−271.6767.97271.67−60.920.0047.06
92012013805.21−139.8−804.58159.030.62519.24
102022021275.82−48.45−275.4349.150.3920.71
112032031704.65−434.75−701.23434.763.4280.01
1220420411000−184.27−994.83277.325.1793.06
132052051−1000100.050.860.0480.86
142062061500−44.05−498.7466.731.2622.67
152082081−1333.51617.331355.47−1615.3221.972.02
162092091−698.23−84.01700.86119.962.63535.95
172092093−302.81265.71303.67−264.610.8651.1
182102101−428.88209.83430.08−208.761.1921.07
1975115−247.65−199.92248.15209.040.5069.12
20125135261.35188.32−260.85−179.30.5019.02
2112011271.68−55.04−271.6760.920.0165.88
2222021−275.4155.04275.43−49.150.0165.88
2332093303.71−251.64−303.67264.610.03512.97
2442101430.12−190.88−430.08208.760.04817.88
2562061−498.6985.62498.74−66.730.0518.9
2672051100.051.58−100.05−0.860.0020.72
2782013−804.45209.13804.58−159.030.13450.09
2892031−701.09486.18701.23−434.760.13751.42
29102041−994.62354.87994.83−277.320.20777.55
301320811356.35−1593.35−1355.471615.320.87921.97
31152091700.97159.48−700.86−119.960.10539.52
327075−399.15355.31399.17−337.870.01417.44
33110115248.16215.5−248.15−209.040.0056.46
34120125261.35194.7−261.35−188.320.0056.39
35130135−185−26.518528.740.0022.23
3612−271.6855.04275.41−55.043.7250
3734−303.71251.64311.92−251.648.2140
3845−742.04442.52768.8−442.5226.7610
3956−768.8442.52787.93−442.5219.1260
4067−289.24356.89299.11−356.899.8640
4189−1133.971251.241166.77−1251.2432.8050
428131352.66−1156.21−1309.031156.2143.6220
43814585.76−304.16−570.77304.1614.9930
44910−465.68765.07479.13−765.0713.4480
451011515.49410.2−510.7−410.24.7880
461112262.54194.7−261.35−194.71.1920
471314137.68463.64−134.89−463.642.7940
481415705.66159.48−700.97−159.484.690
49770−399.15355.31399.15−355.3100
5011110248.16215.5−248.16−215.500
5112120261.35194.7−261.35−194.700
5213130−185−26.518526.500
Table 17. The power flows in the network branches when one of the converters goes out of service within the voltage control function in (26 bus AC_19 bus DC) grid CIGRE B4.
Table 17. The power flows in the network branches when one of the converters goes out of service within the voltage control function in (26 bus AC_19 bus DC) grid CIGRE B4.
BranchFrom BusTo BusP (MW)Q (MVAr)P (MW)Q (MVAr)P (MW)Q (MVAr)
From-Bus Injection To-Bus Injection Loss (I2Z)
1200201−452.45−68.49455.36−1372.90638.5
2202203225.14−249.03−205.46206.6319.68918.61
320720880.06−65.84−79.88−53.770.182.39
4207209356.31−29.9−352.73−43.093.58247.46
5207210238.57−18.94−236.92−79.071.64321.77
6208210159.84−18.85−159.07−90.790.76510.14
7209210−113.77−33.27114.16−79.780.3925.19
82012011−270.7367.71270.74−60.70.0047.01
92012013815.38−141.18−814.73160.910.64119.72
102022021274.86−48.31−274.4749.010.3890.7
112032031705.46−441.62−701.99441.623.4630.01
1220420411000−190.15−994.82283.415.18193.25
132052051−1000100.050.880.0490.88
142062061500−12.04−498.7534.551.25122.51
152082081−1279.961521.761299.73−1519.9419.771.81
162092091−833.5176.36837.1−27.333.59449.03
172092093000000
182102101−618.17249.64620.47−247.572.3062.08
1975115−233.86−209.19234.35218.050.4928.86
20125135248.37198.3−247.88−189.540.4878.76
2112011270.75−54.86−270.7460.70.0165.84
2222021−274.4554.86274.47−49.010.0165.84
2332093000000
2442101620.57−212.97−620.47247.570.09234.59
2562061−498.753.31498.75−34.550.0518.76
2672051100.051.62−100.05−0.880.0020.74
2782013−814.6212.26814.73−160.910.13751.36
2892031−701.85493.58701.99−441.620.13951.95
29102041−994.61361.12994.82−283.410.20777.71
301320811300.52−1500.17−1299.731519.940.79119.77
31152091837.2426.58−837.127.330.14453.91
327075−250.5158.04250.5−152.550.0045.48
33110115234.35224.32−234.35−218.050.0056.28
34120125248.37204.51−248.37−198.30.0056.21
35130135−233.66−22.2233.6625.720.0033.52
3612−270.7554.86274.45−54.863.6990
3734000000
3845−620.57212.97635.93−212.9715.360
3956−635.93212.97646.9−212.9710.9780
4067−148.2159.66150.45−159.662.2420
4189−1159.041283.531193.43−1283.5334.3930
428131352.13−1157.82−1308.51157.8243.6350
43814621.5−337.98−604.28337.9817.2180
44910−491.57789.95506.07−789.9514.4980
451011488.54428.83−483.89−428.834.6540
461112249.53204.51−248.37−204.511.1590
471314241.64364.56−239.36−364.562.2830
481415843.6426.58−837.24−26.586.3970
49770−250.5158.04250.5−158.0400
5011110234.35224.32−234.35−224.3200
5112120248.37204.51−248.37−204.5100
5213130−233.66−22.2233.6622.200
Table 18. Control strategies and their performance.
Table 18. Control strategies and their performance.
Control StrategyResponse TimeRecovery TimeStability After Failure
Vdc Control (Slack Converter)FastMediumEnsures voltage stability but may require high converter capacity
Active Power Control (PacCtr)ModerateSlowMaintains constant power injection but does not react to failures
Droop ControlVery FastFastShares the power burden dynamically, preventing overloading of any single converter
Disclaimer/Publisher’s Note: The statements, opinions and data contained in all publications are solely those of the individual author(s) and contributor(s) and not of MDPI and/or the editor(s). MDPI and/or the editor(s) disclaim responsibility for any injury to people or property resulting from any ideas, methods, instructions or products referred to in the content.

Share and Cite

MDPI and ACS Style

Al_Sinayyid, B.N.; Öztürk, N. Control Strategies for Multi-Terminal DC Offshore–Onshore Grids Under Disturbance and Steady State Using Flexible Universal Branch Model. Energies 2025, 18, 1711. https://doi.org/10.3390/en18071711

AMA Style

Al_Sinayyid BN, Öztürk N. Control Strategies for Multi-Terminal DC Offshore–Onshore Grids Under Disturbance and Steady State Using Flexible Universal Branch Model. Energies. 2025; 18(7):1711. https://doi.org/10.3390/en18071711

Chicago/Turabian Style

Al_Sinayyid, Baseem Nasir, and Nihat Öztürk. 2025. "Control Strategies for Multi-Terminal DC Offshore–Onshore Grids Under Disturbance and Steady State Using Flexible Universal Branch Model" Energies 18, no. 7: 1711. https://doi.org/10.3390/en18071711

APA Style

Al_Sinayyid, B. N., & Öztürk, N. (2025). Control Strategies for Multi-Terminal DC Offshore–Onshore Grids Under Disturbance and Steady State Using Flexible Universal Branch Model. Energies, 18(7), 1711. https://doi.org/10.3390/en18071711

Note that from the first issue of 2016, this journal uses article numbers instead of page numbers. See further details here.

Article Metrics

Back to TopTop