Problems and Solutions Concerning the Distance Protection of Transmission Lines Connected to Inverter-Based Resources
Abstract
1. Introduction
2. Some Initial Details About the Literature Review
3. Fundamentals About IBRs and Distance Protection
3.1. Fundamentals About the Contribution of IBRs to Faults in the Grid
3.2. Fundamentals About Distance Protection
- (a)
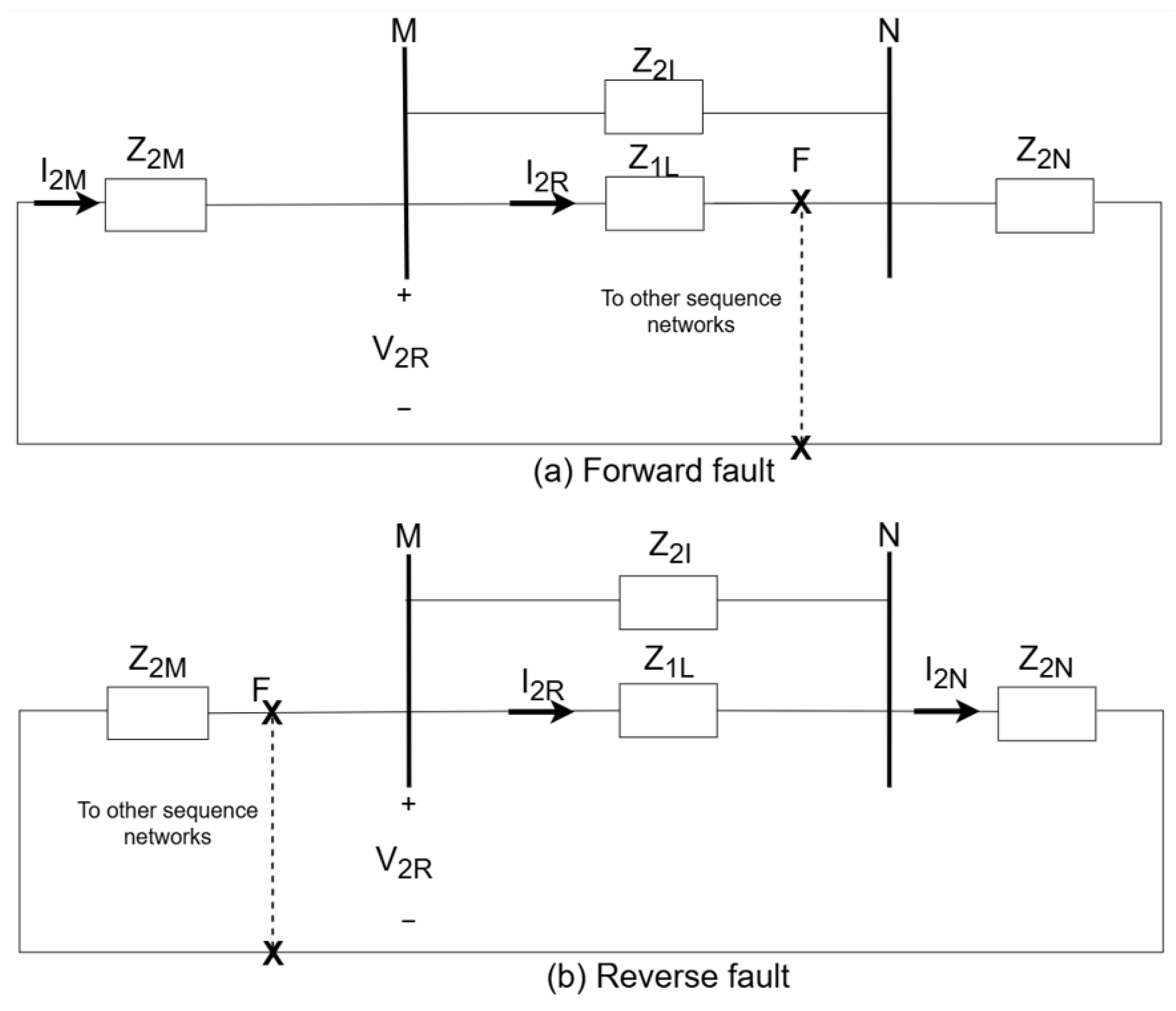
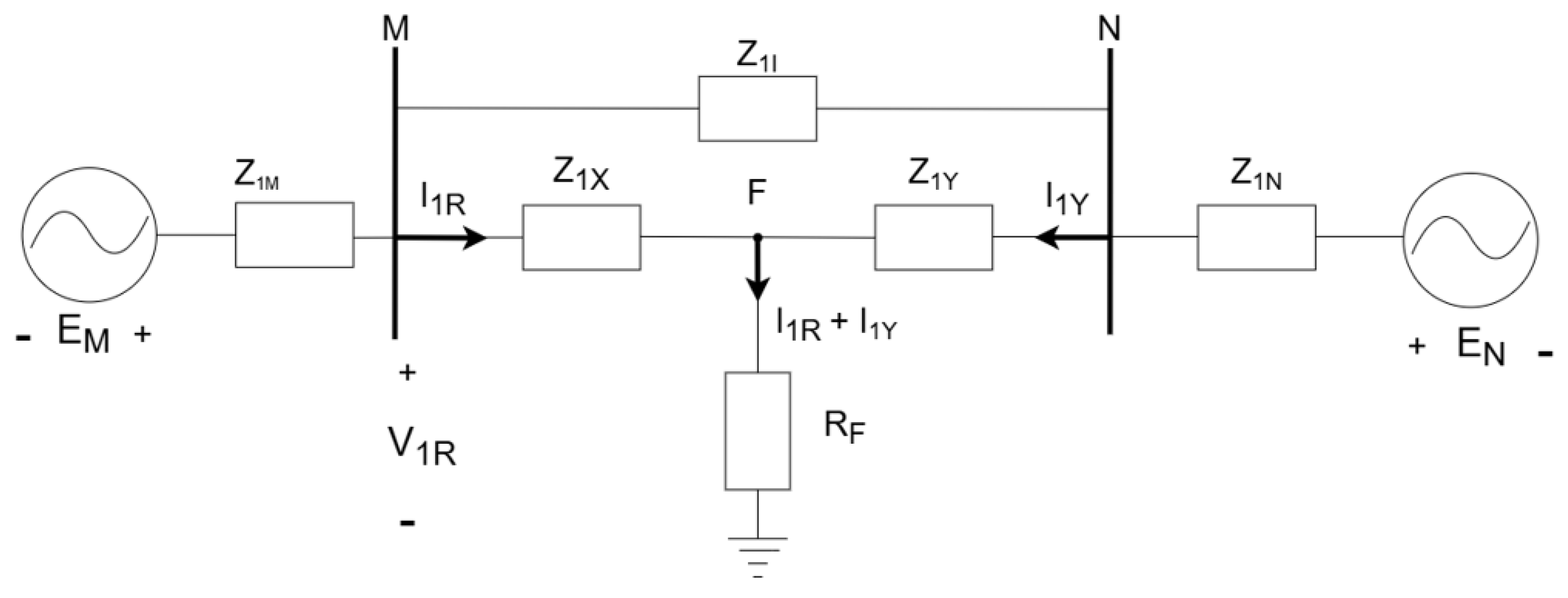
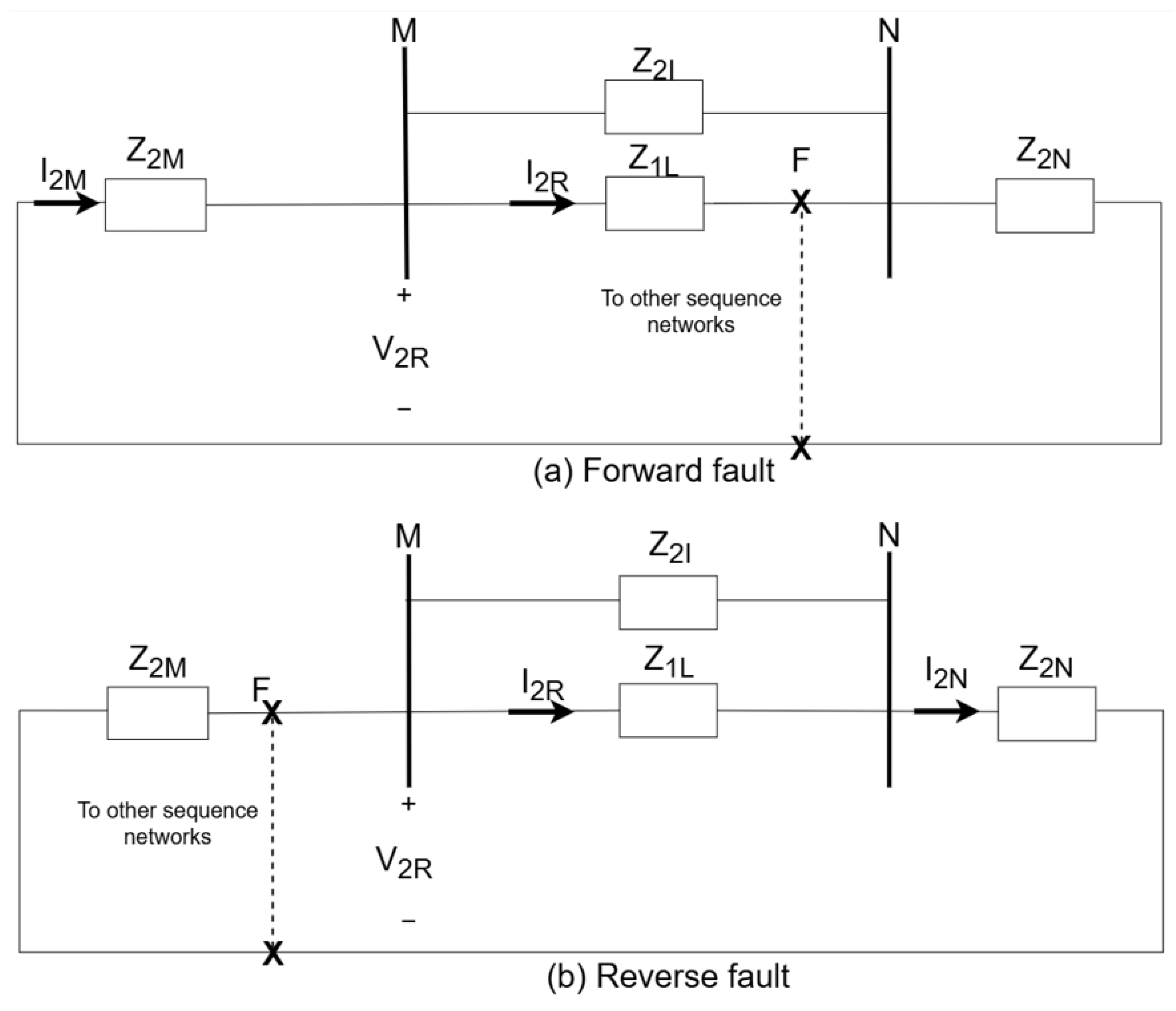
- The source-to-line impedance ratio (SIR) is a simplified parameter that has often been utilized to describe some features of distance relays. Although there are different possible ways to describe SIR, if Z1I is neglected (as shown in Figure 5), the SIR for three-phase bolted faults at the remote line end is simply Z1M/Z1L. For instance, a high SIR can imply that the voltage at the relay location is very low for faults at the remote line end and, consequently, substantial errors in the voltage measurement can be expected.
- (b)
- Transmission voltages are often measured with the help of capacitive voltage transformers (CVTs), which consist of a capacitive voltage divider with an inductance at the low-voltage side and ferro-resonance suppression circuits. CVT transient behavior should be considered for the proper setting of distance protections [132].
4. Reported Problems of Distance Protection of Transmission Lines Connected to IBRs
4.1. Reported Causes of the Problems Analyzed
- (a)
- Low magnitude of SCC-IBR.
- (b)
- Control of angles of SCC-IBR.
- (c)
- Absence or erratic behavior of negative-sequence in SCC-IBR.
- (d)
- Frequency of SCC-IBR is different from grid frequency.
- (e)
- “Low inertia”.
- (f)
- Variation in pre-fault load flow of the IBR.
4.2. Reported Troublesome Effects of SCC-IBR on Distance Protection
- (a)
- Apparent impedance (Zapp) is far away from protection zones.
- (b)
- The dynamic path of Zapp enters zone 1 for external faults.
- (c)
- SCC-IBR is below relay thresholds.
- (d)
- Delay in the operation of distance protection.
- (e)
- Wrong operation of memory- or cross-polarized distance protection.
- (f)
- Wrong operation of reactance reach line, polarized with zero- or negative-sequence currents.
- (g)
- Wrong phase directional detection.
- (h)
- Wrong negative-sequence directional detection.
- (i)
- Wrong fault-type detection.
- (j)
- Failure in the communication-assisted trip.
- (k)
- Need to update the way to compute SIR.
- (l)
- Wrong trips due to transient CVT behavior.
5. Solutions Proposed in the Literature
5.1. Avoiding the Use of Distance Protection
5.2. Improving the Settings Related to Distance Protection
- (a)
- Inclusion of time delay for zone 1 [36]. This improvement can be useful to (a.1) avoid wrong trips due to the transient path of Zapp; (a.2) wait for the trip of the distance protection on the strong source side (grid side), avoiding the influence of the remote-side current on the distance protections on the weak source side (IBR side).
- (b)
- (c)
- (d)
5.3. Development of New Protection Algorithms or Functions
- (a)
- (b)
- New fault-type identification algorithms, for instance, based on (b.1) phase-shift between zero- and negative-sequence voltages and/or phase-shift between positive- and negative-sequence voltages [77]; (b.2) superimposed positive- and/or negative-sequence voltages [17]; (b.3) calculating the angle difference between the sequence voltages [83]; (b.4) phase-shift between voltages in the αβ plane [79]; (b.5) angles of pure fault currents [28]. Fault-type identification algorithms for the weak infeed side of transmission lines, based on the angles of sequence voltages, are already implemented in commercial relays [110,130]; they have shown good performance in systems with IBRs.
- (c)
- (d)
- New ways to compute the apparent impedance, for instance, based on (d.1) estimation of the Thevenin equivalent circuit for the synchronous grid [32]; (d.2) estimation of equivalent impedances for both line ends, using only local data [15,30,51,88,90] or using data from both line ends [27]; (d.3) estimation of IBR pure fault impedances at each instant [35]; (d.4) the use of phase-to-ground loop also for double line to ground faults [29]; (d.5) analysis of homogeneity in negative- and zero-sequence networks [33]; (d.6) the open-circuit property of the negative-sequence network on the side of some inverters in order to analytically determine the error in the apparent impedance calculation [26].
- (e)
5.4. Development of New IBR Control Algorithms
5.5. Development of Protections Based on Artificial Intelligence Algorithms
6. Analysis of Articles from Relay Manufacturers
6.1. Articles from SEL
6.2. Articles from GE
6.3. Articles from Hitachi
6.4. Article from Siemens
6.5. Articles from Schneider Electric
7. Summary
8. Conclusions
Funding
Conflicts of Interest
References
- Alkhazim, H.A.; Bajunaid, S.I.; Alsulami, W.A.; Alghamdi, M.S. Impact of inverter based resources on power system protective relaying, fault calculation and protection setting: A systematic literature review. In Proceedings of the 2022 Saudi Arabia Smart Grid Conference (SASG 2022), Riyadh, Saudi Arabia, 12–14 December 2022; pp. 1–11. [Google Scholar] [CrossRef]
- Quispe, J.C.; Orduña, E. Transmission line protection challenges influenced by inverter-based resources: A review. Prot. Control. Mod. Power Syst. 2022, 7, 1–17. [Google Scholar] [CrossRef]
- Lopes, F.V.; Davi, M.J.B.B.; Oleskovicz, M.; Hooshyar, A.; Dong, X.; Neto, A.A.A. Maturity Analysis of Protection Solutions for Power Systems Near Inverter-Based Resources. IEEE Trans. Power Deliv. 2024, 39, 2630–2643. [Google Scholar] [CrossRef]
- Chowdhury, R.; Fischer, N. Transmission Line Protection for Systems with Inverter-Based Resources—Part I: Problems. IEEE Trans. Power Deliv. 2021, 36, 2416–2425. [Google Scholar] [CrossRef]
- Chowdhury, R.; Fischer, N. Transmission Line Protection for Systems with Inverter-Based Resources—Part II: Solutions. IEEE Trans. Power Deliv. 2021, 36, 2426–2433. [Google Scholar] [CrossRef]
- Chowdhury, R.; Sun, C.; Taylor, D. Review of SIR Calculations for Distance Protection and Considerations for Inverter-Based Resources. IEEE Trans. Power Deliv. 2024, 39, 1420–1427. [Google Scholar] [CrossRef]
- Kasztenny, B. Distance elements for line protection applications near unconventional sources. In Proceedings of the 58th Annual Minnesota Power Systems Conference, Minneapolis, MN, USA, 8–10 November 2022; pp. 1–18. [Google Scholar]
- Kasztenny, B. Line distance protection near unconventional energy sources. In Proceedings of the 16th International Conference on Developments in Power System Protection (DPSP 2022), Hybrid Conference, Newcastle, UK, 7–10 March 2022; pp. 224–229. [Google Scholar] [CrossRef]
- Kasztenny, B.; Mynam, M.V. Distance element polarizing logic for systems with low inertia. In Proceedings of the 17th International Conference on Developments in Power System Protection (DPSP 2024), Manchester, UK, 4–7 March 2024; pp. 122–131. [Google Scholar]
- Chakrapani, V.; Voloh, I. Impact of renewable generation resouce on the distance protection and solutions. In Proceedings of the 16th International Conference on Developments in Power System Protection (DPSP 2022), Hybrid Conference, Newcastle, UK, 7–10 March 2022. [Google Scholar] [CrossRef]
- Chakrapani, V.; Voloh, I. Impact of renewable generation resources on the distance protection and solutions. In Proceedings of the Western Protective Relay Conference, Spokane, WA, USA, 18–21 October 2021. [Google Scholar]
- Chakrapani, V.; Voloh, I.; Horton, P.; Swain, S. Assessing the performance of an enhanced distance relay in converter-dominated network. In Proceedings of the 17th International Conference on Developments in Power System Protection (DPSP 2024), Manchester, UK, 4–7 March 2024; pp. 162–167. [Google Scholar] [CrossRef]
- Chakrapani, V.; Voloh, I. Performance Assessment of an Enhanced Distance Relay in the Presence of Inverter-Based Resources. In Proceedings of the Western Protective Relay Conference, Spokane, WA, USA, 9–12 October 2023. [Google Scholar]
- George, N.; Naidu, O. Distance protection issues with renewable power generators and possible solutions. In Proceedings of the 16th International Conference on Developments in Power System Protection (DPSP 2022), Hybrid Conference, Newcastle, UK, 7–10 March 2022; pp. 373–378. [Google Scholar] [CrossRef]
- Pradhan, V.; George, N.; Naidu, O.; Gajic, Z.; Zubic, S. Distance protection of inverter based renewables power evacuating lines and downstream network: Issues and mitigation approach. In Proceedings of the 2022 IEEE PES Innovative Smart Grid Technologies—Asia (ISGT Asia), Singapore, 10–13 November 2022; pp. 215–219. [Google Scholar] [CrossRef]
- Wang, J.; Li, Y.; Hohn, F. Impact and challenges of conventional protection solutions in wind farm connected grids. In Proceedings of the 16th International Conference on Developments in Power System Protection (DPSP 2022), Hybrid Conference, Newcastle, UK, 7–10 March 2022; pp. 230–237. [Google Scholar] [CrossRef]
- Khan, Y.U.; Naidu, O.D.; Pradhan, A.K. A Fault Classification Method For Power Transmission Line Connected to Converter Interfaced Renewable Power Plants. In Proceedings of the 2022 22nd National Power Systems Conference (NPSC), New Delhi, India, 17–19 December 2022; pp. 148–153. [Google Scholar] [CrossRef]
- Tsylin, A.; Gajić, Z. Optimization of distance protection performance used in wind farms’ collection networks. In Proceedings of the 16th International Conference on Developments in Power System Protection (DPSP 2022), Hybrid Conference, Newcastle, UK, 7–10 March 2022; pp. 43–48. [Google Scholar] [CrossRef]
- Waugh, T.; Song, F.; Leone, R. Application of distance protection to offshore windfarm with external disturbance. In Proceedings of the 17th International Conference on Developments in Power System Protection (DPSP 2024), Manchester, UK, 4–7 March 2024; pp. 343–348. [Google Scholar] [CrossRef]
- Sandia National Lab. Impact of Inverter Based Resource Negative Sequence Current Injection on Transmission System Protection. Available online: https://www.osti.gov/biblio/1595917 (accessed on 13 December 2024).
- MIGRATE Project Consortium. The Massive InteGRATion of Power Electronic Devices: Enabling the Energy Transition by Providing Solutions for the Technological Challenges, Horizon 2020 Programme; Rep. No. 691800; TenneT TSO GmbH: Bayreuth, Germany, 2020; Available online: https://www.eles.si/en/migrate-project (accessed on 10 January 2025).
- Carrasco, E.M.; Moreno, M.P.C.; Martínez, M.T.V.; Vicente, S.B. Improved Faulted Phase Selection Algorithm for Distance Protection under High Penetration of Renewable Energies. Energies 2020, 13, 558. [Google Scholar] [CrossRef]
- Carrasco, E.M.; Villén, M.T.; Borroy, S.; Grasset, H.; Popov, M.; Dubey, R.; Chavez, J.; Terzija, V.; Azizi, S.; López, S.; et al. Effects of Type-4 Wind Turbine on present protection relaying algorithms. In Proceedings of the PAC World—Protection, Automation and Control World Conference, Sofia, Bulgaria, 25–28 June 2018. [Google Scholar]
- Carrasco, E.M. Distance Protection Function Under High Penetration of Renewable Energies Based on Power Electronics. Development of an Enhanced Faulted Phase Selector. Ph.D. Thesis, Universidad de Zaragoza, Zaragoza, Spain, 2022. Available online: http://zaguan.unizar.es (accessed on 26 February 2025).
- López, D.; Andrino, R.; Martínez, E.; Pindado, L.; Borroy, S.; Popov, M.; Villén, M.; Orduñez, M.A.; Vaquero, J.; Grasset, H. Negative sequence current injection by power electronics based generators and its impact on faulted phase selection algorithms of distance protection. In Proceedings of the Western Protective Relay Conference, Spokane, WA, USA, 16–18 October 2018. [Google Scholar]
- Chao, C.; Zheng, X.; Weng, Y.; Liu, Y.; Gao, P.; Tai, N. Adaptive Distance Protection Based on the Analytical Model of Additional Impedance for Inverter-Interfaced Renewable Power Plants During Asymmetrical Faults. IEEE Trans. Power Deliv. 2021, 37, 3823–3834. [Google Scholar] [CrossRef]
- Paladhi, S.; Hong, Q.; Booth, C.D. Adaptive distance protection for multi-terminal lines connecting converter-interfaced renewable energy sources. In Proceedings of the 16th International Conference on Developments in Power System Protection (DPSP 2022), Hybrid Conference, Newcastle, UK, 7–10 March 2022; pp. 31–35. [Google Scholar] [CrossRef]
- Raju, B.M.; Ashok, S. Adaptive Logic for Distance Protection of Feeder Connecting Renewable Energy. In Proceedings of the 2021 Innovations in Energy Management and Renewable Resources (52042), Kolkata, India, 5–7 February 2021; pp. 1–6. [Google Scholar] [CrossRef]
- Hooshyar, A.; Azzouz, M.A.; El-Saadany, E.F. Distance Protection of Lines Emanating From Full-Scale Converter-Interfaced Renewable Energy Power Plants—Part II: Solution Description and Evaluation. IEEE Trans. Power Deliv. 2015, 30, 1781–1791. [Google Scholar] [CrossRef]
- George, N.; Naidu, O.D.; Pradhan, A.K. Distance Protection for Lines Connecting Converter Interfaced Renewable Power Plants: Adaptive to Grid-end Structural Changes. IEEE Trans. Power Deliv. 2023, 38, 2011–2021. [Google Scholar] [CrossRef]
- Ge, Q.; Liu, S.; Xing, J.; Li, Z. Research on the scheme of auto-adaptive distance protection with the influences of wind power integration. In Proceedings of the 2022 9th International Forum on Electrical Engineering and Automation (IFEEA), Zhuhai, China, 4–6 November 2022; pp. 1148–1155. [Google Scholar] [CrossRef]
- Ghorbani, A.; Mehrjerdi, H. Distance protection with fault resistance compensation for lines connected to PV plant. Int. J. Electr. Power Energy Syst. 2023, 148, 108976. [Google Scholar] [CrossRef]
- Paladhi, S.; Kurre, J.R.; Pradhan, A.K. Source-Independent Zone-1 Protection for Converter-Dominated Power Networks. IEEE Trans. Power Deliv. 2024, 39, 341–351. [Google Scholar] [CrossRef]
- Peng, J.; Wu, W.; Ge, Q.; Song, L.; Liu, S. Research on adaptive distance protection principle of photovoltaic grid-connected operation. In Proceedings of the 2022 2nd International Conference on Electrical Engineering and Mechatronics Technology (ICEEMT), Hangzhou, China, 1–3 July 2022; pp. 204–208. [Google Scholar] [CrossRef]
- Paladhi, S.; Pradhan, A.K. Adaptive Distance Protection for Lines Connecting Converter-Interfaced Renewable Plants. IEEE J. Emerg. Sel. Top. Power Electron. 2021, 9, 7088–7098. [Google Scholar] [CrossRef]
- Fang, Y.; Jia, K.; Yang, Z.; Li, Y.; Bi, T. Impact of Inverter-Interfaced Renewable Energy Generators on Distance Protection and an Improved Scheme. IEEE Trans. Ind. Electron. 2019, 66, 7078–7088. [Google Scholar] [CrossRef]
- Banaiemoqadam, A.; Azizi, A.; Hooshyar, A.; El-Saadany, E.F. Impact of Inverter-Based Resources on Different Implementation Methods for Distance Relays—Part II: Reactance Method. IEEE Trans. Power Deliv. 2023, 38, 4049–4060. [Google Scholar] [CrossRef]
- Mishra, P.; Pradhan, A.K.; Bajpai, P. Adaptive Distance Relaying for Distribution Lines Connecting Inverter-Interfaced Solar PV Plant. IEEE Trans. Ind. Electron. 2021, 68, 2300–2309. [Google Scholar] [CrossRef]
- Xie, Y.; Liu, Y.; Lu, D.; Wang, B.; Xu, Y.; Jia, Y. Distance Protection with Dynamic Trip Region for Lines Terminated by Inverter Based Resources. In Proceedings of the 2022 IEEE PES Innovative Smart Grid Technologies—Asia (ISGT Asia), Singapore, 1–5 November 2022; pp. 615–619. [Google Scholar] [CrossRef]
- Liang, Y.; Li, W.; Zha, W. Adaptive Mho Characteristic-Based Distance Protection for Lines Emanating From Photovoltaic Power Plants Under Unbalanced Faults. IEEE Syst. J. 2021, 15, 3506–3516. [Google Scholar] [CrossRef]
- Ma, K.; Hoidalen, H.K.; Chen, Z.; Bak, C.L. Improved Zone 1 Top-line Tilting Scheme for Polygonal Distance Protection in the Outgoing Line of Type-4 Wind Parks. CSEE J. Power Energy Syst. 2023, 9, 172–184. [Google Scholar] [CrossRef]
- Sadeghi, H. A novel method for adaptive distance protection of transmission line connected to wind farms. Int. J. Electr. Power Energy Syst. 2012, 43, 1376–1382. [Google Scholar] [CrossRef]
- Pradhan, A.K.; Joos, G. Adaptive Distance Relay Setting for Lines Connecting Wind Farms. IEEE Trans. Energy Convers. 2007, 22, 206–213. [Google Scholar] [CrossRef]
- Jia, K.; Chen, J.; Xuan, Z.; Wang, C.; Bi, T. Active protection for photovoltaic DC-boosting integration system during FRT. IET Gener. Transm. Distrib. 2019, 13, 4081–4088. [Google Scholar] [CrossRef]
- Kleemann, M.; Baeckeland, N. Converter Meets Distance Protection: A Good Match? In Proceedings of the 2021 23rd European Conference on Power Electronics and Applications (EPE’21 ECCE Europe), Ghent, Belgium, 6–10 September 2021; pp. 1–10. [Google Scholar] [CrossRef]
- Yang, Z.; Zhang, Q.; Liao, W.; Bak, C.L.; Chen, Z. Harmonic Injection Based Distance Protection for Line with Converter-Interfaced Sources. IEEE Trans. Ind. Electron. 2023, 70, 1553–1564. [Google Scholar] [CrossRef]
- Banaiemoqadam, A.; Hooshyar, A.; Azzouz, M.A. A Control-Based Solution for Distance Protection of Lines Connected to Converter-Interfaced Sources During Asymmetrical Faults. IEEE Trans. Power Deliv. 2020, 35, 1455–1466. [Google Scholar] [CrossRef]
- Ma, K.; Chen, Z.; Liu, Z.; Bak, C.L.; Castillo, M. Protection collaborative fault control for power electronic-based power plants during unbalanced grid faults. Int. J. Electr. Power Energy Syst. 2021, 130, 107009. [Google Scholar] [CrossRef]
- Chao, C.; Zheng, X.; Weng, Y.; Liu, Z.; Ye, H.; Liu, H.; Zhang, H.; Liu, Y.; Wang, Y.; Tai, N. Collaborative Solution of Distance Protection and Dual Current Control for Outgoing Lines of Inverter-Based Resources During Line-to-Line Faults. IEEE Trans. Smart Grid 2024, 15, 3782–3794. [Google Scholar] [CrossRef]
- Banaiemoqadam, A.; Hooshyar, A.; Azzouz, M.A. A Comprehensive Dual Current Control Scheme for Inverter-Based Resources to Enable Correct Operation of Protective Relays. IEEE Trans. Power Deliv. 2021, 36, 2715–2729. [Google Scholar] [CrossRef]
- Wu, C.; Liu, X.; Judge, P.D. Impact of a power converter virtual impedance based fast fault current injection control strategy on distance protection. In Proceedings of the 17th International Conference on Developments in Power System Protection (DPSP 2024), Manchester, UK, 4–7 March 2024; pp. 235–240. [Google Scholar] [CrossRef]
- Radhakrishnan, A.; Priyamvada, I.R.S.; Das, S. Impact of P–Q Control based PV Generator on Memory-Polarized Mho Relay. In Proceedings of the 2022 International Conference on Smart Energy Systems and Technologies (SEST), Eindhoven, The Netherlands, 5–7 September 2022; pp. 1–6. [Google Scholar] [CrossRef]
- Varghese, N.M.; Jena, M.K.; Dash, S. Distance Protection Near Unconventional Sources: Analytical Evaluation Complemented with EMT Simulation. In Proceedings of the 2023 IEEE International Conference on Power Electronics, Smart Grid, and Renewable Energy (PESGRE), Trivandrum, India, 17–20 December 2023; pp. 1–6. [Google Scholar] [CrossRef]
- O Donovan, M.; Barry, N.; Connell, J. Distance Protection of Transmission Lines Connected to Inverter-Based Resources. In Proceedings of the 2023 58th International Universities Power Engineering Conference (UPEC), Dublin, Ireland, 29 August–1 September 2023; pp. 1–6. [Google Scholar] [CrossRef]
- Villarroel-Gutiérrez, H.; Orduña, E. Analyzing Short-Circuit Current Behavior Caused by Inverter-Interfaced Renewable Energy Sources. Effects on Distance Protection. In Proceedings of the 2020 IEEE PES Transmission & Distribution Conference and Exhibition—Latin America (T&D LA), Montevideo, Uruguay, 28 September–2 October 2020; pp. 1–6. [Google Scholar] [CrossRef]
- Hooshyar, A.; Azzouz, M.A.; El-Saadany, E.F. Distance Protection of Lines Emanating From Full-Scale Converter-Interfaced Renewable Energy Power Plants—Part I: Problem Statement. IEEE Trans. Power Deliv. 2015, 30, 1770–1780. [Google Scholar] [CrossRef]
- Baeckeland, N.; Kleemann, M. Influence of reactive current settings of converters on distance protection. In Proceedings of the 2020 3rd International Colloquium on Intelligent Grid Metrology (SMAGRIMET), Cavtat, Croatia, 20–23 October 2020; pp. 79–84. [Google Scholar] [CrossRef]
- Banaiemoqadam, A.; Azizi, A.; Hooshyar, A.; Kanabar, M.; El-Saadany, E.F. Impact of Inverter-Based Resources on Different Implementation Methods for Distance Relays—Part I: Phase Comparators. IEEE Trans. Power Deliv. 2023, 38, 4090–4102. [Google Scholar] [CrossRef]
- Aljabery, A.A.; Mehrjerdi, H.; Iqbal, A. Impact of Solar and wind Energies on Distance Protection of Transmission Lines. In Proceedings of the 2021 IEEE 4th International Conference on Computing, Power and Communication Technologies (GUCON), Kuala Lumpur, Malaysia, 24–26 September 2021; pp. 1–6. [Google Scholar] [CrossRef]
- Darwade, N.S.; Nagarajan, S. Investigation on Impact of Inverter Based Renewable Energy Sources on Distance Relaying. In Proceedings of the 2024 IEEE Third International Conference on Power Electronics, Intelligent Control and Energy Systems (ICPEICES), Delhi, India, 26–28 April 2024; pp. 684–689. [Google Scholar] [CrossRef]
- Zhao, M.; Chang, Y.; Kocar, I. Advanced Short Circuit Modeling, Analysis, and Protection Schemes Design for Transmission Systems under the Influence of Inverter-based Resources. In Proceedings of the 2022 IEEE 9th International Conference on Power Electronics Systems and Applications (PESA), Hong Kong, China, 20–22 September 2022; pp. 1–6. [Google Scholar] [CrossRef]
- Paladhi, S.; Hong, Q.; Booth, C. A Reliable Accelerated Protection Scheme for Converter-Dominated Power Networks. IEEE Trans. Ind. Appl. 2024, 60, 5599–5608. [Google Scholar] [CrossRef]
- Radhakrishnan, A.; Ghosh, A.; Priyamvada, I.R.S.; Das, S. Performance of Memory-Polarized Distance Relay in Presence of PV Generator with VdC−Q Control. In Proceedings of the 2022 IEEE Energy Conversion Congress and Exposition (ECCE), Detroit, MI, USA, 9–13 October 2022; pp. 1–8. [Google Scholar] [CrossRef]
- Cao, S.; Hong, Q.; Liu, D.; Ji, L.; Booth, C. Impact of converter equivalent impedance on distance protection with the MHO characteristic. In Proceedings of the 17th International Conference on Developments in Power System Protection (DPSP 2024), Manchester, UK, 4–7 March 2024; pp. 336–342. [Google Scholar] [CrossRef]
- Brusilowicz, B.; Schulz, N.N. Polarizing Voltage Generating Method for Distance and Directional Protection Elements. IEEE Trans. Power Deliv. 2021, 36, 74–83. [Google Scholar] [CrossRef]
- Jayamohan, M.; Das, S.; Popov, M. Sensitivity of Dynamic Mho Characteristic to PLL Parameters of Grid Following PV. In Proceedings of the 2024 IEEE International Communications Energy Conference (INTELEC), Bengaluru, India, 4–7 August 2024; pp. 1–6. [Google Scholar] [CrossRef]
- Haddadi, A.; Zhao, M.; Kocar, I.; Farantatos, E.; Martinez, F. Impact of Inverter-Based Resources on Memory-Polarized Distance and Directional Protective Relay Elements. In Proceedings of the 2020 52nd North American Power Symposium (NAPS), Tempe, AZ, USA, 11–13 April 2021; pp. 1–6. [Google Scholar] [CrossRef]
- Hooshyar, A.; Iravani, R. A New Directional Element for Microgrid Protection. IEEE Trans. Smart Grid 2018, 9, 6862–6876. [Google Scholar] [CrossRef]
- Aboshady, F.; Saber, A.; Khera, F.; Zobaa, A.F. High frequency directional-based protection scheme for transmission lines emanating from large scale wind farms. Electr. Power Syst. Res. 2023, 225, 109904. [Google Scholar] [CrossRef]
- Kariyawasam, S.; Rajapakse, A.D. A Negative Sequence Admittance Based Algorithm for Identifying Fault Direction in the Presence of Inverter Based Resources. IEEE Access 2023, 11, 26530–26540. [Google Scholar] [CrossRef]
- Adhikari, P. Addressing the Performance of Distance Relays in Presence of Inverter Based Resources. Master’s Thesis, Clemson University, Clemson, SC, USA, May 2022. Available online: https://open.clemson.edu/cgi/viewcontent.cgi?article=4726&context=all_theses (accessed on 27 February 2025).
- Liang, Y.; Li, W.; Lu, Z. Effect of Inverter-Interfaced Renewable Energy Power Plants on Negative-Sequence Directional Relays and a Solution. IEEE Trans. Power Deliv. 2021, 36, 554–565. [Google Scholar] [CrossRef]
- Pannell, J.; Gokaraju, R. Protection of systems containing IBR from asymetrical ground faults using zero sequence current. In Proceedings of the 17th International Conference on Developments in Power System Protection (DPSP 2024), Manchester, UK, 4–7 March 2024; pp. 292–301. [Google Scholar] [CrossRef]
- Haddadi, A.; Zhao, M.; Kocar, I.; Karaagac, U.; Chan, K.W.; Farantatos, E. Impact of Inverter-Based Resources on Negative Sequence Quantities-Based Protection Elements. IEEE Trans. Power Deliv. 2021, 36, 289–298. [Google Scholar] [CrossRef]
- Electric Power Research Institute (EPRI). Impact of Inverter-Based Resources on Protection Schemes Based on Negative Sequence Components. EPRI Technical Brief. July 2019. Available online: https://restservice.epri.com/publicdownload/000000003002016197/0/Product (accessed on 10 November 2024).
- Huang, S.; Luo, L.; Cao, K. A Novel Method of Ground Fault Phase Selection in Weak-Infeed Side. IEEE Trans. Power Deliv. 2014, 29, 2215–2222. [Google Scholar] [CrossRef]
- Hooshyar, A.; El-Saadany, E.F.; Sanaye-Pasand, M. Fault Type Classification in Microgrids Including Photovoltaic DGs. IEEE Trans. Smart Grid 2016, 7, 2218–2229. [Google Scholar] [CrossRef]
- Villén, M.T.; Comech, M.P.; Carrasco, E.M.; Hurtado, A.A.P. Influence of Negative Sequence Injection Strategies on Faulted Phase Selector Performance. Energies 2022, 15, 6018. [Google Scholar] [CrossRef]
- Mobashsher, M.M.; Abdoos, A.A.; Hosseini, S.M.; Hashemi, S.M.; Sanaye-Pasand, M. A new fault type classification method in the presence of inverter-based resources. Int. J. Electr. Power Energy Syst. 2022, 147, 108793. [Google Scholar] [CrossRef]
- Xie, Y.; Liu, Y.; Nie, Y.; Lu, D.; Zhu, Y.; Zheng, X. Improved Fault Phase Selection Scheme for Lines Terminated by Inverter Based Resources. In Proceedings of the 2023 IEEE Power & Energy Society General Meeting (PESGM), Orlando, FL, USA, 16–20 July 2023; pp. 1–5. [Google Scholar] [CrossRef]
- Paladhi, S.; Pradhan, A.K. Adaptive Fault Type Classification for Transmission Network Connecting Converter-Interfaced Renewable Plants. IEEE Syst. J. 2021, 15, 4025–4036. [Google Scholar] [CrossRef]
- Azzouz, M.A.; Hooshyar, A. Dual Current Control of Inverter-Interfaced Renewable Energy Sources for Precise Phase Selection. IEEE Trans. Smart Grid 2019, 10, 5092–5102. [Google Scholar] [CrossRef]
- Aboelnaga, A.A.; Azzouz, M.A. Reliable Phase Selection Method for Transmission Systems Based on Relative Angles Between Sequence Voltages. J. Mod. Power Syst. Clean Energy 2024, 12, 1431–1444. [Google Scholar] [CrossRef]
- Azzouz, M.A.; Hooshyar, A.; El-Saadany, E.F. Resilience Enhancement of Microgrids with Inverter-Interfaced DGs by Enabling Faulty Phase Selection. IEEE Trans. Smart Grid 2018, 9, 6578–6589. [Google Scholar] [CrossRef]
- Davi, M.J.; Oleskovicz, M.; Lopes, F.V. Exploring the potential of a machine learning-based methodology for fault classification in inverter-based resource interconnection lines. Electr. Power Syst. Res. 2023, 223, 109532. [Google Scholar] [CrossRef]
- Al Kharusi, K.; El Haffar, A.; Mesbah, M. Fault Detection and Classification in Transmission Lines Connected to Inverter-Based Generators Using Machine Learning. Energies 2022, 15, 5475. [Google Scholar] [CrossRef]
- Rodriguez, J.; Otchere, I.K.; Hamidi, R.J. Source-Independent Fault Detection Method for Transmission Lines in IBR-Dominated Grids. In Proceedings of the 2024 IEEE Power & Energy Society General Meeting (PESGM), Seattle, WA, USA, 21–25 July 2024; pp. 1–5. [Google Scholar] [CrossRef]
- Mobashsher, M.M.; Abdoos, A.A.; Hosseini, S.M.; Hashemi, S.M.; Sanaye-Pasand, M. An Accelerated Distance Protection Scheme for the Lines Connected to Inverter-Based Resources. IEEE Syst. J. 2023, 17, 6272–6281. [Google Scholar] [CrossRef]
- Yang, Z.; Liao, W.; Wang, H.; Bak, C.L.; Chen, Z. Improved Euclidean Distance Based Pilot Protection for Lines with Renewable Energy Sources. IEEE Trans. Ind. Inform. 2022, 18, 8551–8562. [Google Scholar] [CrossRef]
- Yaseen, N.K.; Seyedi, H.; Abapour, M. Transmission line protection using local information in the presence of inverter-interfaced renewable energy sources. IET Gener. Transm. Distrib. 2023, 17, 2156–2168. [Google Scholar] [CrossRef]
- Hu, Z.; Li, B.; Zheng, Y.; Wu, T.; He, J.; Yao, B.; Sheng, Y.; Dai, W.; Li, X. Fast Distance Protection Scheme for Wind Farm Transmission Lines Considering R-L and Bergeron Models. J. Mod. Power Syst. Clean Energy 2023, 11, 840–852. [Google Scholar] [CrossRef]
- Yang, Z.; Jia, K.; Fang, Y.; Zhu, Z.; Yang, B.; Bi, T. High-Frequency Fault Component-Based Distance Protection for Large Renewable Power Plants. IEEE Trans. Power Electron. 2020, 35, 10352–10362. [Google Scholar] [CrossRef]
- Baeckeland, N.; Kleemann, M. Novel Fault Distance Estimation Method for Lines Connected to Converter-based Generation. In Proceedings of the 2021 IEEE PES Innovative Smart Grid Technologies Europe (ISGT Europe), Espoo, Finland, 18–21 October 2021; pp. 1–6. [Google Scholar] [CrossRef]
- Wenfeng, G.; Baihan, C.; Jiayu, L. Research on grounding distance protection of grid-connected photovoltaic power station based on adaptive branch coefficient. In Proceedings of the 2023 IEEE 3rd International Conference on Data Science and Computer Application (ICDSCA), Dalian, China, 27–29 October 2023; pp. 1156–1160. [Google Scholar] [CrossRef]
- Kauffmann, T.; Karaagac, U.; Kocar, I.; Jensen, S.; Farantatos, E.; Haddadi, A.; Mahseredjian, J. Short-Circuit Model for Type-IV Wind Turbine Generators with Decoupled Sequence Control. IEEE Trans. Power Deliv. 2019, 34, 1998–2007. [Google Scholar] [CrossRef]
- Kelly, D.; Mysore, P.; Mohan, N. A Novel Control Scheme for Utility-Scale Inverter-Based Resources to Emulate Synchronous Generator Fault Response and Retain Existing Protection Infrastructure. In Proceedings of the 2021 74th Conference for Protective Relay Engineers, (CPRE), College Station, TX, USA, 22–25 March 2021. [Google Scholar]
- Zadeh, M.R.D.; Mansani, P.K.; Ting, D. Impact of inverter-based resources on impedance-based protection functions. In Proceedings of the 15th International Conference on Developments in Power System Protection (DPSP 2020), Liverpool, UK, 10–12 March 2020; pp. 1–6. [Google Scholar] [CrossRef]
- Chowdhury, R.; McDaniel, R.; Fischer, N. Line Current Differential Protection in Systems with Inverter-Based Re-sources—Challenges and Solutions. In Proceedings of the 76th Annual Georgia Tech Protective Relaying Conference, Atlanta, GA, USA, 3–5 May 2023. [Google Scholar]
- Liu, D.; Hong, Q.; Dyśko, A.; Mohemmed, M.; Booth, C. Evaluation of travelling wave protection performance in converter-dominated networks. IET Conf. Proc. 2024, 2024, 107–114. [Google Scholar] [CrossRef]
- Lopes, F.V.; Davi, M.J.; Oleskovicz, M. Assessment of traveling wave-based functions in inverter-based resource interconnecting lines. Electr. Power Syst. Res. 2023, 223, 109578. [Google Scholar] [CrossRef]
- Hernández, J.D.; Sorrentino, E. A Review of Proposed Inverter Control Strategies to Reduce the Impact of Invert-er-Interfaced Generation on Distance Protection. In Proceedings of the 5th International Congress on Contemporary Science Research, Kayseri, Turkey, 21–22 April 2024; Volume 1, pp. 435–444. [Google Scholar] [CrossRef]
- Jones, L.E. Renewable Energy Integration: Practical Management of Variability, Uncertainty, and Flexibility in Power Grids, 2nd ed.; Academic Press: Cambridge, MA, USA, 2017. [Google Scholar]
- Teodorescu, R.; Liserre, M.; Rodríguez, P. Chapter 10: Control of grid converters under grid faults. In Grid Converters for Photovoltaic and Wind Power Systems, 1st ed.; Wiley and Sons Publications: Chicheter, West Sussex, UK, 2011; Volume 1, pp. 237–289. [Google Scholar]
- Yazdani, A.; Iravani, R. Voltage-Sourced Converters in Power Systems: Modeling, Control, and Applications; John Wiley & Sons: Hoboken, NJ, USA, 2010. [Google Scholar]
- Areva T; D Ibérica. Protecciones de Distancia: Guía de Aplicación; Areva T&D Ibérica: San Fernando de Henares, Spain, 2005. [Google Scholar]
- Alstom Grid. Network Protection and Automation Guide; Alstom Grid: Stafford, UK, 2011. [Google Scholar]
- IEEE Standard P2800/D6.2; IEEE Draft Standard for Interconnection and Interoperability of Inverter-Based Resources (IBR) Interconnecting with Associated Transmission Electric Power Systems. IEEE: New York, NY, USA, 2021.
- VDE-AR-N 4120 Anwendungsregel; German Standard: Technical Requirements for the Connection and Operation of Customer Installations to the High Voltage Network. VDE: Berlin, Germany, 2018.
- VDE-AR-N 4130 Anwendungsregel; German Standard: Technical Requirements for the Connection and Operation of Customer Installations to the Extra High Voltage Network. VDE: Berlin, Germany, 2018.
- General Electric. D90Plus Line Distance Protection System; General Electric: Boston, MA, USA, 2012; Available online: https://www.gegridsolutions.com/products/manuals/d90plus/gek-113240b.pdf (accessed on 12 January 2025).
- Costello, D.; Zimmerman, K. Determining the faulted phase. In Proceedings of the 2010 63rd Annual Conference for Protective Relay Engineers, College Station, TX, USA, 29 March–1 April 2010; pp. 1–20. [Google Scholar] [CrossRef]
- Sorrentino, E. Understanding the effect of pre-fault load flow on the effect of fault resistance on the impedance seen by the traditional ground distance function. Int. Trans. Electr. Energy Syst. 2015, 25, 1148–1157. [Google Scholar] [CrossRef]
- Sorrentino, E. Comparison of five methods of compensation for the ground distance function and assessment of their effect on the resistive reach in quadrilateral characteristics. Int. J. Electr. Power Energy Syst. 2014, 61, 440–445. [Google Scholar] [CrossRef]
- Ziegler, G. Numerical Distance Protection: Principles and Applications, 4th ed.; Publicis Publishing: Erlangen, Germany, 2011. [Google Scholar]
- Sorrentino, E. A novel analysis of offset mho characteristic of memory-polarized and cross-polarized distance functions. Electr. Power Syst. Res. 2018, 158, 219–227. [Google Scholar] [CrossRef]
- Blackburn, J.; Domin, T. Protective Relaying. Principles and Applications; CRC: Boca Raton, FL, USA, 2007. [Google Scholar]
- Schweitzer, E.; Roberts, J. Distance relay element design. In Proceedings of the 46th Conference for Protective Relay Engineers (CPRE 1993), College Station, TX, USA, 12–14 April 1993. [Google Scholar]
- Schweitzer, E. New development distance relay polarization and fault type selection. In Proceedings of the 16th Annual Western Protective Relay Conference (WPRC 1989), Spokane, WA, USA, 24–26 October 1989; pp. 1–18. [Google Scholar]
- Areva. Network Protection & Automation Guide, 1st ed.; Areva T&D: Paris, France, 2002. [Google Scholar]
- IEEE Std. C37.113; IEEE Guide for Protective Relay Applications to Transmission Lines. IEEE: New York, NY, USA, 1999.
- Andrichak, J.; Alexander, G. Distance Relays Fundamentals; Pub. GER-3966; GE Power Management: Malvern, PA, USA, 2003. [Google Scholar]
- Wilkinson, S.; Mathews, C. Dynamic Characteristics of Mho Distance Relays; Pub. GER-3742; GE Power Management: Malvern, PA, USA, 1978. [Google Scholar]
- Calero, F. Distance elements: Linking theory with testing. In Proceedings of the 62nd Annual Conference for Protective Relay Engineers (CPRE 2009), College Station, TX, USA, 30 March–2 April 2009; pp. 333–352. [Google Scholar]
- Elmore, W.A. Protective Relaying Theory and Applications; Marcel Dekker, Inc.: New York, NY, USA, 2004. [Google Scholar]
- The Institution of Electrical Engineers. Power System Protection. Volume 2: Systems and Methods; Electricity Association Services Ltd.: London, UK, 1995. [Google Scholar]
- Schweitzer Engineering Laboratories. SEL321, SEL-321-1 Instruction Manual; Schweitzer Engineering Laboratories: Pullman, WA, USA, 1994. [Google Scholar]
- Siemens. Siprotec 5. Distance and Line Differential Protection, Breaker Management for 1-Pole and 3-Pole Tripping 7SA87, 7SD87, 7SL87, 7VK87, V8.30 and Higher; Manual; Siemens: Munich, Germany, August 2020. [Google Scholar]
- Schweitzer Engineering Laboratories. SEL-421-4, -5 Protection, Automation, and Control System; Instruction Manual; Schweitzer Engineering Laboratories: Pullman, WA, USA, 2018. [Google Scholar]
- Gray, S.; Haas, D.; McDaniel, R. CCVT failures and their effects on distance relays. In Proceedings of the 71st Annual Conference for Protective Relay Engineers (CPRE 2018), College Station, TX, USA, 26–29 March 2018; pp. 1–13. [Google Scholar] [CrossRef]
- Kasztenny, B.; Campbell, B.; Mazereeuw, J. Phase selection for single-pole tripping—Weak infeed conditions and cross-country faults. In Proceedings of the 27th Annual Western Protective Relay, Campbell, Spokane, WA, USA, 25–27 October 2000. [Google Scholar]
- Zhizhe, Z.; Deshu, C. An adaptive approach in digital distance protection. IEEE Trans. Power Deliv. 1991, 6, 135–142. [Google Scholar] [CrossRef]
- Xia, Y.; Li, K.; David, A. Adaptive relay setting for stand-alone digital distance protection. IEEE Trans. Power Deliv. 1994, 9, 480–491. [Google Scholar] [CrossRef]
- Perez, L.; Flechsig, A.; Meador, J.; Obradovic, Z. Training an artificial neural network to discriminate between magnetizing inrush and internal faults. IEEE Trans. Power Deliv. 1994, 9, 434–441. [Google Scholar] [CrossRef]
- Patterson, R.; Tyska, W.; Russell, B.D.; Aucoin, M. A microprocessor-based digital feeder monitor with high-impedance fault detection. In Proceedings of the 47th Annual Conference for Protective Relay Engineers, College Station, TX, USA, 21–23 March 1994. [Google Scholar]
- GE Vernova. UR Family F60. Instruction Manual. Feeder Protection System Publication Reference: F60-1601-0093-860-1; GE Vernova: Markham, ON, Canada, 2024. [Google Scholar]
- Aucoin, B.; Jones, R. High impedance fault detection implementation issues. IEEE Trans. Power Deliv. 1996, 11, 139–148. [Google Scholar] [CrossRef]







| Cause | Mentioned by | |
|---|---|---|
| Non-Manufacturers | Manufacturers | |
| Low magnitude of SCC-IBR | [38,44,45,52,61,63,68,76,77,78,79,89,95] | [-] |
| Control of angles of SCC-IBR | [26,27,28,29,30,31,32,33,34,35,36,37,38,39,40,41,44,46,47,48,49,50,53,54,55,56,57,58,62,64,68,77,78,79,80,81,82,83,84,88,89,90,95,97] | [4,5,7,8,10,11,12,13,14,15,16,17,18,23] |
| Erratic behavior of negative-sequence of SCC-IBR | [37,45,58,64,68,70,71,72,73,74,75,79,85,99] | [4,5,7,8,10,11,12,13,22,23,24,25] |
| Frequency of SCC-IBR different from grid frequency | [65,89] | [4,5,7,8,9,10,11,12,13] |
| “Low inertia” | [52,63,65,67] | [7,8,9] |
| Variation in pre-fault load flow of IBR | [33,42,43,67,94] | [-] |
| Not specified | [51,59,60,66,69,85,86,87,91,92,93,96] | [-] |
| Specific Effects | Mentioned by | |
|---|---|---|
| Non-Manufacturers | Manufacturers | |
| Apparent impedance (Zapp) is far away from protection zones | [26,27,28,29,30,31,32,33,34,35,36,37,38,39,40,41,42,43,44,45,46,47,48,49,50,51,52,53,54,55,56,57,58,59,60,61,62] | [4,5,7,8,10,11,12,13,15] |
| The dynamic path of Zapp enters zone 1 for external faults | [15,29,30,31,33,34,35,36,37,40,41,48,55,56,57,58,59,60,89] | [4,5,7,8,14,16,23,24] |
| SCC-IBR below relay thresholds | [44] | [4,5,7,8,10,11,12,13,15] |
| Delay in the operation of distance protection | [45,51,54,60,63,88] | [-] |
| Wrong operation of memory or cross-polarized distance protection | [52,63,64,65,66,67] | [7,8,9,10,11,12,13] |
| Wrong phase directional detection | [50,68,69] | [-] |
| Wrong negative-sequence directional detection | [50,68,69,70,71,72,73,74,75] | [4,5,7,8,10,11,12,13,15] |
| Wrong fault-type detection | [50,75,76,77,78,79,80,81,82,83,84,85,86,87] | [4,5,10,11,12,13,17,22,23,24,25] |
| Failure in the communication-assisted trip | [61,62,75,89] | [-] |
| Not specified | [90,91,92,93,94,95,96,97] | [-] |
| Proposed Solution | Mentioned by | |
|---|---|---|
| Non-Manufacturers | Manufacturers | |
| Avoiding the use of distance protection (e.g., using line differential protection). | [15,23,61,69,87,98,99,100] | [-] |
| Improving distance protection settings (e.g., inclusion of time delay for zone 1, avoiding negative-sequence directional functions, preferring undervoltage-based fault-type identification). | [-] | [4,5,7,8,10,11,12,13] |
| New protection algorithms (e.g., distance functions, fault-type identification, directional detection, apparent impedance calculation, adaptive functions). | [15,17,26,27,28,29,30,32,33,35,51,70,71,77,79,80,88,90] | [-] |
| New IBR control algorithms. | [28,45,46,47,48,49,50,63,64,65,72,84,98] | [-] |
| Protections based on artificial intelligence algorithms. | [42,78,79,85] | [-] |
Disclaimer/Publisher’s Note: The statements, opinions and data contained in all publications are solely those of the individual author(s) and contributor(s) and not of MDPI and/or the editor(s). MDPI and/or the editor(s) disclaim responsibility for any injury to people or property resulting from any ideas, methods, instructions or products referred to in the content. |
© 2025 by the authors. Licensee MDPI, Basel, Switzerland. This article is an open access article distributed under the terms and conditions of the Creative Commons Attribution (CC BY) license (https://creativecommons.org/licenses/by/4.0/).
Share and Cite
Hernández-Santafé, J.D.; Sorrentino, E. Problems and Solutions Concerning the Distance Protection of Transmission Lines Connected to Inverter-Based Resources. Energies 2025, 18, 1375. https://doi.org/10.3390/en18061375
Hernández-Santafé JD, Sorrentino E. Problems and Solutions Concerning the Distance Protection of Transmission Lines Connected to Inverter-Based Resources. Energies. 2025; 18(6):1375. https://doi.org/10.3390/en18061375
Chicago/Turabian StyleHernández-Santafé, Juan David, and Elmer Sorrentino. 2025. "Problems and Solutions Concerning the Distance Protection of Transmission Lines Connected to Inverter-Based Resources" Energies 18, no. 6: 1375. https://doi.org/10.3390/en18061375
APA StyleHernández-Santafé, J. D., & Sorrentino, E. (2025). Problems and Solutions Concerning the Distance Protection of Transmission Lines Connected to Inverter-Based Resources. Energies, 18(6), 1375. https://doi.org/10.3390/en18061375
