Next Article in Journal
Experimental Analysis of Vacuum Solar Collectors as an Auxiliary Heating Source for Residential Buildings
Next Article in Special Issue
Voltage Control Nonlinearity in QZSDMC Fed PMSM Drive System with Grid Filtering
Previous Article in Journal
A Review on Biohydrogen Production Through Dark Fermentation, Process Parameters and Simulation
Previous Article in Special Issue
Versatile LCL Inverter Model for Controlled Inverter Operation in Transient Grid Calculation Using the Extended Node Method
 
 
Font Type:
Arial Georgia Verdana
Font Size:
Aa Aa Aa
Line Spacing:
Column Width:
Background:
Article

Analysis and Research on the Influence of a Magnetic Field Concentrator on the Gear Heating Process Using a High-Frequency Resonant Inverter

by
Piotr Legutko
Department of Power Electronics, Electrical Drive and Robotics, Silesian University of Technology, 2 B. Krzywoustego St., 44-100 Gliwice, Poland
Energies 2025, 18(5), 1096; https://doi.org/10.3390/en18051096
Submission received: 1 September 2024 / Revised: 21 February 2025 / Accepted: 23 February 2025 / Published: 24 February 2025

Abstract

The article presents basic information about the induction heating of gears, which are widely used in various industries. This article presents the methodology and results of a coupled FEM simulation of a circuit model for a power electronics converter connected to an inductor-charged heating system. The induction heating of gears was performed using a high-frequency inverter with SiC MOSFET transistors. A prototype inverter was built using a full-bridge structure with a series-parallel resonant circuit. The operating frequency was 350 kHz, the output power of the inverter was 3.5 kW, and the drain efficiency was equal to 96%. Coupled simulation was performed for a charge in the form of a gear made of 42CrMo4 steel (material parameters are provided in the article) for two types of heating: with and without a magnetic field concentrator. In addition, the article presents the results of co-simulation studies in the following form: a distribution of magnetic induction in the gear, energy density in the gear, the characteristics of energy density in a single tooth on the 8 mm length and the temperature of the tooth tip for two types of induction heating.

1. Introduction

Many industries use various types of steel components to solve countless engineering problems. Some of the most common mechanical elements are gears and toothed gears. There is a great variety of shapes and sizes of such components on the market, which are part of the complex structures of motor vehicles. To meet the high-quality requirements for this type of steel component and ensure appropriate surface hardness during the hardening process, new materials are constantly being explored, and experiments are conducted to optimize the parameters of the heating process. The material parameters of alloy steels from which, for example, gear wheels are made are mainly responsible for the nature of the mechanical element’s operation, its rotational speed, the power transmitted by the element, the working environment, e.g., corrosion, the element’s strength, the working temperature and the method of lubrication [1,2,3,4,5,6,7].
A well-conducted heating or induction hardening process with full control over its course, i.e., with properly selected processing parameters—such as exposure time, frequency, and effective inductor current—allows the desired mechanical properties of the steel components to be obtained [1,2,7,8,9,10]. As seen from the above information, surface induction hardening, which takes place after rough- and shape-processing of the charge, is a complex issue as it combines electromagnetic, thermal, and metallurgical phenomena.
With the continuous development of many branches of industry using steel elements, the need to ensure the proper course of the hardening process and the development of the market for new semiconductors have resulted in a significant increase in interest in resonant inverters, both single- (MF—medium frequency or HF—high frequency) and dual-frequency (2F) in recent years. Dual-frequency converters are implemented in many possible configurations described in more detail in other works [1,2,4,11,12,13,14,15,16,17] and use new types of semiconductors in their structure. This article presents a generator for simultaneous, dual-frequency heating in a full bridge structure, abbreviated in the literature as SDF. A converter of this type is characterized by two components of the output current—high frequency (HF) and medium frequency (MF). The HF should be 10 to 30 times higher than the MF. A detailed description of the model of this converter can be found later in the article or in the literature [1,2,4,11,12,16,17,18].
In the later part of the article, a coupled computer model of a resonant converter with an exciter-load heating system is presented. This model was used to demonstrate the influence of a magnetic field concentrator on the heating process of a charge, such as a gear wheel. As part of the simulation studies, the characteristics of the magnetic field intensity and magnetic induction, energy density and temperature in the charge (made of 42CrMo4 alloy steel) will be determined for several variants of the exciter current frequency and for the heating system, with and without a magnetic concentrator.

2. Theory of Induction Heating of Gears

Induction heating is a process used to join, harden or soften metals or other conductive materials. This process is considered a complex interdisciplinary issue, combining fields of science such as physics, mechanics and electrical engineering. The description, taking into account all the phenomena occurring during the induction heating process, is quite complex and difficult to fully estimate. This process consists of placing the element undergoing thermal treatment (charge) in a heating system (inductor) powered by alternating current, in which eddy currents are induced under the influence of a time-varying magnetic field B of the same frequency. The frequency of the charge eddy currents is equal to the frequency of the exciter current, but their directions are opposite. The flow of eddy currents causes the release of Joule heat, and the distribution of their density in the inductor-load heating system is uneven. This unevenness is related to the occurrence of electromagnetic phenomena characteristic of induction heating, which include the phenomena of skin effect, proximity, displacement and curvature [1,2,3,4,5,6,13,15,16,17,18,19].
As mentioned earlier, the process of induction heating is based on Maxwell’s electromagnetic equations and the phenomenon of eddy currents, which generate heat according to Joule’s law. Maxwell’s equations in differential form have the following form:
× E = B t × H = J + D t · D = ρ · B = 0
where
E—electric field strength (V/m),
B—magnetic induction (T),
H—magnetic field strength (A/m),
J—electric current density (A/m2),
D—electric field strength of displacement (C/m2),
ρ—electric charge density (C/m3).
Under stationary conditions and assuming a sinusoidal electromagnetic field, the derivative term in Ampere’s equation can be neglected and the system is simplified to the following form:
× H = J × E = j ω B
where ω = 2πf is the pulsation of the electromagnetic field.
Eddy currents induced in the heated element cause heat release according to Joule’s law which takes the following form:
Q = 1 2 R e J · E *
where
Q—density of heat released (W/m3),
J—eddy current density (A/m2),
E*—coupled complex value of electric field strength.
Since J = σE, where σ is the electrical conductivity of the material, the heat loss power can be written as follows:
Q = 1 2 σ E 2
The process of heating the material can be described by the following thermal conductivity equation:
ρ c P T t = · k T + Q
where
T—temperature (K),
ρ—density of the material (kg/m3),
cP—specific heat of the material (J/kgK),
k—coefficient of thermal conductivity (W/mK),
Q—density of heat power generated by eddy currents (W/m3).
At steady state (∂T/∂t = 0), the equation simplifies to the following form:
· k T + Q
Figure 1 shows an example of the induction heating process. In order to ensure full control over the induction heating process of a load, e.g., in the form of a gear wheel, it is necessary to provide an appropriate value of the power of the inductor-load heating system in a time unit. Additionally, thanks to the appropriately selected frequency of the inductor current, it is possible to control the depth of magnetic field penetration, which directly translates into the distribution of eddy currents in the load [1,2,3,4,5,6,13,18,19]. Figure 2 shows the distribution of induced eddy currents in the gear wheel depending on the exciter current frequency. The operation of the inverter system at high frequency (HF) exciter current causes heating of the load surfaces located near the exciter itself (Figure 2a–c), i.e., the side surfaces of the tooth, teeth, and tooth tips. The medium frequency (MF) of the exciter current heats deeper areas of the load (Figure 2d,h), mainly the root of the tooth or flank and the root of the tooth. Using dual-frequency (HF + MF) hardening, it is possible to heat the entire tooth and root (Figure 2e), as well as the contour of the gears (non-uniform pattern—Figure 2f and uniform pattern—Figure 2g).
The dual-frequency hardening process can be implemented in different ways since the switching times and power levels of both frequencies can be adjusted. Adjusting these parameters can lead to completely different gear hardness profiles. To harden only tooth tips, high frequencies and high power densities are needed, while the lowest frequencies are used to harden the root of tooth with lower power values [1,2,3,4,5,16,17,18,19]. Thanks to this property, the use of the above hardening method gives satisfactory results, especially the expected hardness profile with relatively small gear deformations (Figure 2g).
Another way to increase the efficiency of the induction heating process, reduce the heat treatment time and ensure control over the induced magnetic field is to use an additional element in the inductor-charge heating system in the form of a magnetic field concentrator [1,2,3,4,5,13,16,17,18,19]. Basic information on this type of elements is presented in the next chapter.

3. Basic Information About Magnetic Field Concentrator

Magnetic field concentrators are commonly used in complex induction heating or hardening processes. Using a concentrator in the inductor-charge heating system significantly increases the efficiency of the heating process by controlling the magnetic field and reducing the duration of heat treatment [1,2,3,4,5,18]. The magnetic field is controlled by focusing the magnetic field lines induced by the current flow through the exciter on the most important areas of the elements of the charge. Concentrating magnetic field lines in a small area (instead of widely dispersing them in the air) increases the intensity of this field in close proximity to the material being processed [1,2,3,4,5,10,11,12,13,14,15,16,17,18]. Moreover, thanks to the use of a field concentrator from the same coil, more heating power is transferred (the heating force increases) to the selected area of the workpiece, as a result of which, we obtain process optimization consisting of reduced energy consumption (lower heating force in unnecessary areas—losses) and increased speed of the heating process. In summary, concentrating the heating process in a narrowed area improves the quality of production and the efficiency of the process for the processed element. Due to the magnetic properties of the concentrators, energy consumption is reduced, which results in less environmental impact.
Magnetic field concentrators (Figure 3) are made of magnetically soft materials, including alloys (iron–nickel, thermocompensating, iron–cobalt, iron–silicon) [2,3,4,18,20,21]. In addition, soft magnetic materials consist of powdered magnetic materials and dielectric binders, compressed under high pressure and subjected to heat treatment. Basically, concentrators are used to shape the magnetic flux (concentrate, screen, modify) in such a way that the alternating magnetic field is directed to the desired surface of the workpiece (or part thereof) with a small scattering flux. Soft magnetic materials are characterized by low electrical conductivity, high permeability and low magnetic losses.
Currently, there are several leading manufacturers on the market selling soft magnetic materials suitable for manufacturing various shapes of concentrators. Depending on the frequency used in the induction heating process, three types of materials are used to concentrate the field (Table 1). There are also ready-made concentrator solutions available in the form of composite, amorphous materials based on cobalt, which, thanks to their plasticity, can be easily formed into the appropriate shape. The parameters of amorphous materials are listed in Table 2.
After being formed on the coil surface, these materials are cured by heating in an oven at 120 °C for one hour and then increasing the temperature to 190 °C for an additional hour [21]. After heating, the coil with the hardened material is ready for use in the heater. In addition, amorphous materials used for field concentrators can be further processed after heating to obtain the desired shape.
As can be seen from the data presented in Table 1 and Table 2, both solid and amorphous materials were used to concentrate the magnetic field generated by the inductor cover the entire range of frequencies commonly used in induction heating of steel elements. A well-conducted induction heating process [1,2,3,4,5,6,10,11,12,13,14,18,19] with full control over its course, i.e., with properly selected processing parameters, such as exposure time, frequency and an effective value for the inductor current, allows the desired mechanical properties of the steel elements to be obtained.
In a later part of the article, a coupled computer model of a resonant converter with an exciter-load heating system is presented. This model was used to represent the influence of a magnetic field concentrator on the heating process of a load in the form of, for example, a gear wheel. As part of the simulation studies, the characteristics of the magnetic field intensity and magnetic induction, energy density and temperature in the load (made of 42CrMo4 alloy steel) will be determined for two types of induction heating (with and without a concentrator) and a constant operating frequency of 350 kHz.

4. Coupled Simulation of the Resonant Converter Model

In order to illustrate the influence of the magnetic field concentrator on the induction heating process of the charge, e.g., in the form of a gear wheel, a computer model of the inductor-charge heating system was created, which was coupled with the circuit model of the resonant converter. The circuit model of the high-frequency power electronics converter is shown in Figure 4 and Figure 5. The three-dimensional (3D) model of the inductor-load heating system is shown in Figure 6 and Figure 7. Coupled simulation (co-simulation) of the full model was performed in ANSYS 2022 R2 software (Twin Builder + Maxwell 3D and 2D).
The coupled computer simulation of the full model of the converter connected to the heating system was performed for the following operating conditions:
  • The inverter was powered from a three-phase network with a phase-to-phase voltage of 400 V (RMS).
  • The output power of the inverter was 3.5 kW.
  • The MOSFET transistors used in the model were modeled in accordance with the catalog date [22] of transistors marked GCMS040A120S1.
  • The values of inductance L3 and resistance R3 were determined in the laboratory using a precise impedance analyzer [23] and correspond to the parasitic parameters of the copper inductor with the dimensions shown in Figure 6.
  • The magnetic field concentrator, whose parameters are listed in Table 1 and dimensions are shown in Figure 7, is made entirely of Fluxtrol 50 material.
  • A load in the form of a gear wheel with the fallowing dimensions: diameter 46 mm, number of tooth 21, tooth height 4.2 mm is shown in Figure 6.
  • The load in the form of a gear wheel from Figure 7 is made entirely of 42CrMo4 alloy steel, the parameters of which are listed in Table 3. Additionally, in Table 4, the percentage chemical composition of the 42CrMo4 steel is summarized [9,20].
  • Two types of induction heating at a high frequency (HF) of 350 kHz were analyzed in the simulation studies under the following conditions:
  • Using an additional magnetic field concentrator on the exciter,
  • Without an additional magnetic field concentrator (exciter alone).
Figure 4 shows the circuit model of the power electronics converter, which was used to set the operating frequency of the system and force the exciter current to flow. As can be seen from this figure, the circuit model included a three-phase supply network (3 × 400 V), a six-pulse diode rectifier with an RC filter (R1 = 100 mΩ, C1 = 5 mF), a bridge inverter, a series-parallel resonant circuit with a separating transformer (15:1) and a model of the exciter-charge system. The parameters of the RC filter used downstream of the diode rectifier were selected experimentally in such a way that, from the inverter side, the system sees a near-perfect DC supply.
The power electronics converter modeled in ANSYS software had a rated power of 3.5 kW and was loaded with a series-parallel resonant circuit with the parameters shown in Table 5.
The GCMS040A120S1 SiC MOSFET transistors used in the resonant inverter structure in Figure 4 were modeled according to their datasheet [22]. According to the manufacturer’s data sheet [22], these transistors are characterized by a conduction resistance RDS(on) of 40 mΩ, a maximum drain-source voltage VDSS of 1200 V and a maximum drain current IDmax of 40 A. This SiC MOSFET transistor is manufactured in a SOT-227 package whose thermal resistance of junction to case is 0.6 °C/W. Additionally, the internal housing of the SiC transistors also includes fast Schottky diodes, which are also marked on the converter schema in Figure 4. The main arguments for choosing this type of MOSFET transistors were low power losses, fast internal diodes and very short switching times. The laboratory prototype and research results of this converter are discussed in detail, among others, in [16,17,19].
As mentioned earlier, the circuit model of the converter in Figure 4 and Figure 5 was coupled with the FEM model of the inductor-charge heating system, which is shown in Figure 6 and Figure 7. The purpose of combining these two models was to force a current of 350 kHz from the resonant circuit of the inverter through a copper exciter. This procedure is necessary to perform a complex FEM analysis of the exciter-load heating system in ANSYS Maxwell software. The material parameters of the FEM model from Figure 6 and Figure 7 were taken from ANSYS libraries and from the literature [8,9,10,18,20,21]. In order to obtain satisfactory calculation accuracy and a decent simulation time, it was decided to densify the calculation mesh on the most important elements of the heating system—the gear wheel and the magnetic concentrator. The number of mesh elements varied and for the gear wheel, it was 1,750,000 elements, for the concentrator, 2,700,000 elements and for the exciter, 750,000 elements.
The presented computer model was simulated, as mentioned earlier, for a gear wheel load (diameter 46 mm, number of tooth 21, tooth height 4.2 mm) made of 42CrMo4 structural steel alloy (Table 3) for two operating modes: with and without an additional magnetic field concentrator. For each of the heating system operating modes, an FEM analysis was performed, taking into account the distribution of magnetic induction B, the distribution of current density J in the horizontal plane, the distribution of energy density E in the horizontal and transverse plane of a single tooth, and the distribution of the temperature T in the horizontal and transverse plane of a single tooth. In each case, the exciter current frequency was the same and was 350 kHz.
In the next chapter of this article, the most important results of the coupled FEM simulation are presented, illustrating the effect of using a magnetic field concentrator on the induction heating process of a gear wheel charge.

5. Results of Coupled FEM Simulation of the Computer Model

Figure 8, Figure 9, Figure 10, Figure 11, Figure 12, Figure 13 and Figure 14 present selected results of the coupled FEM simulation taking into account the circuit model of the converter and the 3D model of the exciter-load heating system.
Analyzing Figure 8 and Figure 9, it can be seen that the use of a magnetic field concentrator made of Fluxtrol 50 material, the material parameters of which are listed in Table 1, results in an increase in the magnetic induction intensity from about 18.7 mT to about 27.4 mT. The use of an additional magnetic field concentrator in the heating system significantly increases the magnetic induction in the charge, particularly in the notches and at the tooth tips. There is a so-called “enveloping” distribution of magnetic induction on the heated element.
In order to better illustrate this effect, Figure 10 shows a cross-section (2D) in the transverse plane of the heating system model illustrating the magnetic induction distribution.
Analyzing Figure 10, it can be seen that the highest value of magnetic induction in the exciter-charge heating system in the case of using a magnetic field concentrator occurs between the exciter and the concentrator. This effect is related to the concentration, accumulation and displacement by the concentrator material of the magnetic field induced by the exciter as a result of the flowing current. The lower part of the heating system not covered by the concentrator is characterized by a natural and theoretically consistent arrangement of magnetic field lines dispersed in the air.
In the next step of the FEM simulation, the energy density characteristics, E (Figure 11), were determined for the three basic induction heating methods (MF, HF and 2F). These characteristics were determined in the transverse plane of a single tooth as a function of the distance from its tip.
Analyzing Figure 11, it can be seen that for a heating system consisting only of a copper inductor and a charge, e.g., in the form of a gear wheel, the energy density distribution varies depending on the inductor current frequency—which is consistent with the theory presented at the beginning of this article. In the case of low frequency (MF) charge heating, the maximum value of energy density occurs at the tooth tip and is approximately 24 J/mm3. With increasing distance towards the gear wheel center, the energy density decreases to approximately 6.5 J/mm3, which gives an average energy density in this area (8 mm) of approximately 15 J/mm3. In the case of high frequency (HF) charge heating, we obtain an envelope distribution of energy density with a maximum value (at the tooth tip) of approximately 33 J/mm3. With increasing distance towards the gear wheel center, the energy density decreases to approximately 1.5 J/mm3, which gives an average energy density in the entire area under consideration of approximately 17 J/mm3. In the case of the dual-frequency induction heating method (2F), the envelope contour of energy density is even more visible, as the phenomenon of displacement of eddy currents generated in the charge increases. The maximum energy value in this case is approximately 37 J/mm3. The energy density distribution characteristic from Figure 11 for this heating method is an exponential function.
In addition, the influence of the magnetic field concentrator on the energy density is shown in Figure 12.
Analyzing this figure, it can be seen that the energy density distribution does not differ much from the magnetic induction distribution B. The highest energy value E in this case is about 43.5 J/mm3 and was recorded at the tooth tips. To compare the two operating modes of the heating system (with and without a magnetic field concentrator), it was decided to determine the energy density characteristics as a function of the distance x from the tip of a single tooth and in its horizontal plane. These characteristics are shown in Figure 13. In order to improve the readability of the energy density characteristics, Figure 13 shows a comparison only for high-frequency (HF) heating.
Analyzing the energy density characteristics on a single tooth, as shown in Figure 13, it can be seen that the influence of using a magnetic field concentrator in the heating system is noticeable at a length approx. 7 mm smaller than the radius of the gear wheel (measured from the tooth face). The average energy increase in the area under consideration is approximately 4.3 J/mm3. A further increase in the length measured from the tooth face (x > 7 mm) results in the disappearance of differences in the use of the concentrator in the heating system—its influence is unnoticeable and the difference n energy density is close to zero. It should be noted that the frequency of the heating system, the type of steel from which the charge (heated element) is made and the type of field concentrator used have a major impact on this state of affairs. In the case of low-frequency charge heating, the influence of the field concentrator will be visible in the entire area under consideration.
Additionally, as part of the work, it was decided to determine the characteristics of the changes in the temperature values reached at the tip of a tooth made of 42CrMo4 steel for two operating modes as a function of the exciter current flow (Figure 14).
Analyzing the collective data of magnetic induction B, energy density E and temperature T recorded at the tip of a single tooth, it can be seen that using the method of heating the charge with high HF frequency (e.g., 350 kHz) using a magnetic field concentrator, much higher values for these quantities can be achieved. Additionally, by selecting an appropriate structural steel alloy (characterized by, e.g., higher carbon content) of the heated element, the values of these quantities can also be influenced. By using a magnetic field concentrator, it is possible to control the process of magnetic field penetration into the heated element, e.g., one of a rather complex and irregular shape, as well as of any chemical composition. In addition, the use of a field concentrator allows you to speed up the heating process, increase its energy efficiency and reduce the costs of electricity consumption.
The values of magnetic induction B, energy density distribution E and temperature T obtained by means of coupled simulation of the circuit model and the FEM model may result from the following:
  • From weak coupling between the exciter and the charge (a distance of approx. 4 mm);
  • Modelling error, because the mathematical model does not accurately reflect reality;
  • Error in the coefficient values of differential equations—the assumed values of the coefficients of differential equations and boundary conditions, e.g., material data, are burdened with an error;
  • Rounding error, i.e., an error resulting from multiple approximations of repeated model values.

6. Laboratory Verification of the Operation of a High-Frequency Resonant Inverter for Induction Heating

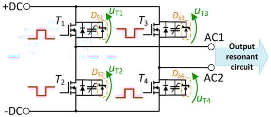
Figure 15 shows the circuit diagram of the high-frequency inverter. This circuit uses a full-bridge configuration consisting of four power silicon-carbide (SiC) field-effect transistors. The transistors used were GCMS040A120S1 SiC MOSFETs (T1 ÷ T4) with Schottky barrier diodes (DS1 ÷ DS4). According to the manufacturer [22], these transistors are characterized by a conduction resistance RDS(on) of 40 mΩ, a maximum drain-source voltage VDSS of 1200 V and a continuous drain current ID of 40 A. This SiC MOSFET transistor is manufactured in a SOT-227 package whose thermal resistance of junction to case is 0.6 °C/W.
The MOSFET transistors were controlled by a Launch Pad TMS320F28069M system which implemented a PWM algorithm. A detailed description of the implementation of the control system has been previously discussed and can be found in the literature [16,17]. Because detailed tests of the presented inverter have been widely described, among others in the literature [16,17,19], where, e.g., the analysis of power losses in SiC MOSFET and possible types of commutation were presented, it was decided to present only the most important measurements for the purposes of this article. Figure 16 shows waveforms of top-side transistor voltage vT1 and inverter output current i flowing through the resonant circuit for a simultaneous, dual-frequency operating mode.
The laboratory tests were conducted under the following conditions:
  • The SiC MOSFETs were placed on a closed-circuit water-cooled heat sink;
  • The modulation depth was 0.8 and was set in software in the Launch Pad TMS320F28069M;
  • Modulating (medium) frequency of the MF was fr1 = 30 kHz;
  • Carrier (high) frequency of the HF was fr2 = 350 kHz;
  • The temperature of the MOSFETs transistors was controlled using NTCLE100E3334JB0 thermistors glued directly to the transistor housing with Loctite structural adhesive;
  • The cooling water temperature was measured directly using a CENTER 521 digital multimeter.
The drain efficiency of the presented inverter, determined using a precise Yokogawa WT-5000-6 power analyzer [24], was 95.8%. Figure 17 shows the efficiency characteristics of a high-frequency inverter based on SiC MOSFET transistors. Figure 18 shows the photo of the gear heating process. The dimensions of the heated element are: outer diameter 46 mm, inner diameter 21 mm, height 10 mm, number of tooth 21. The gear is made of 42CrMo4 alloy steel. Co-simulation tests of the heating system are presented in the earlier chapters of this article.

7. Conclusions

The article presents simulation studies of a computer model of a bridge, high-frequency resonant inverter built based on SiC MOSFET transistors. The presented circuit model of the inverter together with the series-parallel resonant circuit was characterized by an operating frequency of 350 kHz, a rated power of 3.5 kW and was coupled with a 3D model of a heating system consisting of an inductor and a charge in the form of a gear wheel with a diameter of 46 mm made of typical 42CrMo4 alloy steel. As a result of the coupled FEM simulation performed in ANSYS 2022 R2 software, the distributions of magnetic induction B and energy density E recorded on the gear wheel were obtained for two types of induction heating—with and without the use of a magnetic field concentrator. Additionally, as a result of co-simulation, the characteristics of changes in the energy density distribution in the transverse plane of a single tooth and changes in temperature at the tooth tip as a function of the current flow intensity were obtained. In addition, the article contains the material parameters of 42CrMo4 alloy steel, which is commonly used for the production of various types of steel elements, as well as basic information about Fluxtrol magnetic field concentrators.
The simulation studies presented in this article were confirmed during experimental studies on a real resonant converter system, supplied from a 3 × 400 V network, which was characterized by an output power of 3.5 kW and an efficiency of about 96%. The results of laboratory measurements, including time courses of the inverter voltages and currents and photos of the gear wheel during the heating process, are included in this article.
The simulation studies presented in this article are a continuation of the research topics undertaken and complement previous laboratory studies, which confirmed the usefulness and possibility of wider application of resonant inverters in induction heating. The use of an additional magnetic field concentrator in the heating process affects the change in the process speed and allows free shaping of the hardness profile of the charge in the form of a gear wheel, depending on the required applications.

Funding

This research was supported by Department of Power Electronics, Electrical Drives and Robotics, Silesian University of Technology.

Data Availability Statement

The data presented in this study are available on request from the corresponding author.

Conflicts of Interest

The author declares no conflicts of interest.

References

  1. Esteve, V.; Jordan, J.; Dede, E.J.; Sanchis-Kilders, E.; Maset, E. Induction Heating Inverter with Simultaneous Dual-Frequency Output. In Proceedings of the IEEE Applied Power Electronics Conference and Exposition, APEC’06, Dallas, TX, USA, 19–23 March 2006; Available online: https://ieeexplore.ieee.org/document/1620739 (accessed on 22 February 2025).
  2. Rudnev, V.; Loveless, D.; Cook, R.; Black, M. Induction hardening of Gears: A Review. Heat Treat. Met. 2003, 4, 97–103. Available online: https://inducto.group/inductoheat-eu/wp-content/uploads/sites/29/2019/05/Induction_hardening_of_gears__part_1.pdf (accessed on 22 February 2025).
  3. Barglik, J. Induction hardening of steel elements with complex shapes. Przegląd Elektrotechniczny 2018, 94, 51–54. [Google Scholar] [CrossRef]
  4. Rudnev, V.; Loveless, D.; Cook, R. Induction Heating Handbook; RCR Press: New York, NY, USA, 2017; ISBN-13: 9781138748743. [Google Scholar]
  5. Barglik, J.; Ducki, K.; Kukla, D. Comprison of single and consecutive dual frequency induction surface hardening of gear wheels. In Proceedings of the VIII International Scientific Colloquim “Modelling for Materials Processing”, Riga, Latvia, 21–22 September 2017; pp. 185–190. [Google Scholar] [CrossRef]
  6. Sarnago, O.L.H.; Burdio, J.M. Design of power converters for induction heating applications taking advantage of wide bandgap semiconductors. COMPEL Int. J. Comput. Math. Electr. Electron. Eng. 2017, 36, 483–488. [Google Scholar] [CrossRef]
  7. Kasprzak, M. Class D and DE resonant inverters with operating frequencies up to 13.56MHz. In Habilitation Monograph; Scientific Works of the Silesian University of Technology: Poland, Gliwice, 2013; ISBN 978-83-7880-037-8. [Google Scholar]
  8. Candeo, A.; Ducassy, C.; Bocher, P. Multiphysics modelling of induction hardening of ring gears for the aerospace industry. IEEE Trans. Magn. 2011, 47, 918–921. [Google Scholar] [CrossRef]
  9. Skoć, A.; Świtoński, E. Gears. Principle of Operation. Geometric and Strength Calculations; PWN Scientific Publishing House: Poland, Warsaw, 2016; ISBN 978-83-0118-900-6. [Google Scholar]
  10. Barglik, J.; Smalcerz, A.; Przylucki, R.; Dolezel, I. 3D modelling of induction hardening of gear wheels. J. Comput. Appl. Math. 2014, 270, 231–240. Available online: https://www.sciencedirect.com/science/article/pii/S0377042714000478 (accessed on 22 February 2025). [CrossRef]
  11. Bokota, A.; Parkitny, R. Modeling of thermal, structural and mechanical phenomena of steel element hardening processes. Computer science in metal technology. In Habilitation Monograph; Scientific Works of the Silesian University of Technology: Poland, Gliwice, 2003. [Google Scholar]
  12. Niklewicz, M.; Smalcerz, A.; Kurek, A. Estimation of system geometry and inductor frequency importance in induction hardening process of gears. Przeglad Elektrotechniczny 2008, 84, 219–224. Available online: http://www.red.pe.org.pl/abstract_pl.php?nid=1810 (accessed on 22 February 2025).
  13. Barglik, J.; Smagór, A.; Smalcerz, A. Induction hardening of gear wheels of steel 41Cr4. Int. J. Appl. Electromagn. Mech. 2018, 57 (Suppl. S1), 3–12. [Google Scholar] [CrossRef]
  14. Barglik, J.; Smalcerz, A. Influence of the magnetic permeability on modeling of induction surface hardening. COMPEL Int. J. Comput. Math. Electr. Electron. Eng. 2017, 36, 555–564. [Google Scholar] [CrossRef]
  15. Fraczyk, A.; Jaworski, T.; Urbanek, P. The design of a smart high frequency generator for induction heating of loads. Prz. Elektrotechniczny 2014, 90, 20–23. [Google Scholar] [CrossRef]
  16. Kierepka, K.; Legutko, P. Topolgy of single simultaneous dual frequency series inverter for inductive heating. Prz. Elektrotechniczny 2018, 94, 169–172. [Google Scholar] [CrossRef]
  17. Kierepka, K.; Legutko, P.; Kasprzak, M. Single series simultaneous dual frequency inverter for induction heating, hard switching operation issue. Prz. Elektrotechniczny 2018, 94, 65–68. [Google Scholar] [CrossRef]
  18. Smalcerz, A. Modeling phenomena occurring during the induction hardening process of gear wheels. In Habilitation Monograph; Scientific Works of the Silesian University of Technology, Poland: Poland, Gliwice, 2015; ISBN 978-83-7880-341-6. [Google Scholar]
  19. Legutko, P. FEM simulation of induction heating of gears for a simultaneous, dual-frequency inverter. Prz. Elektrotechniczny 2020, 96, 1–8. [Google Scholar] [CrossRef]
  20. Dobrzański, L.A. Fundamentals of Materials Science and Materials Science; WNT Scientific and Technical Publishing House: Poland, Warsaw, 2002; ISBN 83-20427-93-2. [Google Scholar]
  21. Technical Documentation of Magnetic Field Concentrator Fluxtrol. Available online: https://fluxtrol.com/soft-magnetic-materials (accessed on 5 September 2024).
  22. Technical Documentation of MOSFET SiC Transistor GCMS040A120S1. Available online: https://eu.mouser.com/datasheet/2/1090/GCMS040A120S1_E1-1916658.pdf (accessed on 5 September 2024).
  23. Technical Documentation of Agilent 4294A Precision Impedance Analyzer. Available online: https://www.keysight.com/us/en/product/4294A/precision-impedance-analyzer-40-hz-to-110-mhz.html (accessed on 5 September 2024).
  24. Technical Documentation of Power Analyzer Yokogawa WT-5000-6. Available online: https://tmi.yokogawa.com/solutions/products/power-analyzers/wt5000/ (accessed on 5 September 2024).
Figure 1. The course of the induction heating process.
Figure 1. The course of the induction heating process.
Energies 18 01096 g001
Figure 2. The course of the induction heating process: (ac)—high-frequency heating; (d,h)—low-frequency heating; (eg)—dual-frequency heating.
Figure 2. The course of the induction heating process: (ac)—high-frequency heating; (d,h)—low-frequency heating; (eg)—dual-frequency heating.
Energies 18 01096 g002
Figure 3. Examples of Fluxtrol magnetic field concentrators [21].
Figure 3. Examples of Fluxtrol magnetic field concentrators [21].
Energies 18 01096 g003
Figure 4. Circuit model of a power electronics converter made in ANSYS Twin Builder software.
Figure 4. Circuit model of a power electronics converter made in ANSYS Twin Builder software.
Energies 18 01096 g004
Figure 5. Model of the control system for a resonant converter.
Figure 5. Model of the control system for a resonant converter.
Energies 18 01096 g005
Figure 6. The 3D model of inductor-load heating system made in ANSYS Maxwell software—exciter dimensions.
Figure 6. The 3D model of inductor-load heating system made in ANSYS Maxwell software—exciter dimensions.
Energies 18 01096 g006
Figure 7. The 3D model of inductor-load heating system made in ANSYS Maxwell software—dimensions of the magnetic field concentrator (bottom view).
Figure 7. The 3D model of inductor-load heating system made in ANSYS Maxwell software—dimensions of the magnetic field concentrator (bottom view).
Energies 18 01096 g007
Figure 8. Distribution of magnetic induction B in the horizontal plane of a gear wheel made of 42CrMo4 steel for an exciter current frequency of 350 kHz (heating system without field concentrator).
Figure 8. Distribution of magnetic induction B in the horizontal plane of a gear wheel made of 42CrMo4 steel for an exciter current frequency of 350 kHz (heating system without field concentrator).
Energies 18 01096 g008
Figure 9. Distribution of magnetic induction B in the horizontal plane of a gear wheel made of 42CrMo4 steel for an exciter current frequency of 350 kHz (heating system with a field concentrator).
Figure 9. Distribution of magnetic induction B in the horizontal plane of a gear wheel made of 42CrMo4 steel for an exciter current frequency of 350 kHz (heating system with a field concentrator).
Energies 18 01096 g009
Figure 10. Distribution of magnetic induction B in the transverse plane of the heating model for the exciter current frequency of 350 kHz (heating system with a field concentrator).
Figure 10. Distribution of magnetic induction B in the transverse plane of the heating model for the exciter current frequency of 350 kHz (heating system with a field concentrator).
Energies 18 01096 g010
Figure 11. Characteristics of the energy density distribution E in the transverse plane of a single tooth made of 42CrMo4 steel for three exciter current frequencies (MF = 30 kHz, HF = 350 kHz and 2F = MF + HF).
Figure 11. Characteristics of the energy density distribution E in the transverse plane of a single tooth made of 42CrMo4 steel for three exciter current frequencies (MF = 30 kHz, HF = 350 kHz and 2F = MF + HF).
Energies 18 01096 g011
Figure 12. Distribution of energy density E in the horizontal plane of a gear wheel made of 42CrMo4 steel for an exciter current frequency of 350 kHz (heating system with a field concentrator).
Figure 12. Distribution of energy density E in the horizontal plane of a gear wheel made of 42CrMo4 steel for an exciter current frequency of 350 kHz (heating system with a field concentrator).
Energies 18 01096 g012
Figure 13. Characteristics of the energy density distribution E in the transverse plane of a single tooth made of 42CrMo4 steel for two operating modes and a heating frequency of 350 kHz.
Figure 13. Characteristics of the energy density distribution E in the transverse plane of a single tooth made of 42CrMo4 steel for two operating modes and a heating frequency of 350 kHz.
Energies 18 01096 g013
Figure 14. Characteristics of temperature changes at the tip of a tooth made of 42CrMo4 steel as a function of the exciter current for two operating modes and a heating frequency of 350 kHz.
Figure 14. Characteristics of temperature changes at the tip of a tooth made of 42CrMo4 steel as a function of the exciter current for two operating modes and a heating frequency of 350 kHz.
Energies 18 01096 g014
Figure 15. High-frequency inverter circuit schematic.
Figure 15. High-frequency inverter circuit schematic.
Energies 18 01096 g015
Figure 16. The waveforms of top-side transistor voltage vT1 and inverter output current i flowing through the resonant circuit for a simultaneous, dual-frequency operating mode.
Figure 16. The waveforms of top-side transistor voltage vT1 and inverter output current i flowing through the resonant circuit for a simultaneous, dual-frequency operating mode.
Energies 18 01096 g016
Figure 17. The efficiency characteristics of a high-frequency inverter based on SiC MOSFET transistors during the heating process of a gear wheel made of 42CrMo4 steel.
Figure 17. The efficiency characteristics of a high-frequency inverter based on SiC MOSFET transistors during the heating process of a gear wheel made of 42CrMo4 steel.
Energies 18 01096 g017
Figure 18. Photos of a gear wheel made of 42CrMo4 steel in the heating process.
Figure 18. Photos of a gear wheel made of 42CrMo4 steel in the heating process.
Energies 18 01096 g018
Table 1. Basic parameters of solid materials used to concentrate the magnetic field.
Table 1. Basic parameters of solid materials used to concentrate the magnetic field.
ParameterUnitApplication Frequency Range
1–100 kHz10–500 kHz10–3000 kHz
Material example-Fluxtrol AFluxtrol 50Ferrotron 559H
Initial permittivity µr ┴-803516
Maximum permittivity µr_max ┴-1425518
Initial permittivity µr ǁ-222016
Maximum permittivity µr_max ǁ-282218
Saturation induction BST1.51.40.9
Resistivity ρΩm12.53>15,000
Thermal conductivity K W/mK198.40.04
Thermal conductivity K ǁW/mK53.60.04
Thermal expansion coefficient CTE 1/K1.3 × 10−51.5 × 10−5-
Thermal expansion coefficient CTE ǁ1/K1.3 × 10−51.5 × 10−5-
Specific heat CPJ/g°C0.480.47-
Densityg/cm36.76.25.9
HardnessD scale889090
Flexural strength MPA4030.7-
Flexural strength ǁMPA3434.9-
Where: —perpendicular; ǁ—parallel.
Table 2. Basic parameters of amorphous materials used to concentrate magnetic fields.
Table 2. Basic parameters of amorphous materials used to concentrate magnetic fields.
ParameterUnitApplication Frequency Range
1–80 kHz10–1000 kHz
Material example-AlphaForm LFAlphaForm MF
Initial permittivity µr ┴-119.8
Maximum permittivity µr_max ┴-1310
Initial permittivity µr ǁ-119.8
Maximum permittivity µr_max ǁ-1310
Saturation induction BST10.9
Resistivity ρΩm>150>150
Thermal conductivity K W/mK22
Thermal conductivity K ǁW/mK22
Densityg/cm34.14
Where: —perpendicular; ǁ—parallel.
Table 3. Material parameters of the 42CrMo4 alloy steel of a gear.
Table 3. Material parameters of the 42CrMo4 alloy steel of a gear.
ParameterUnitAlloy steel
42CrMo4
Resistivity ρΩm18 × 10−6
Thermal conductivity λW/mK42
Magnetic permeability µH/m600
Convection coefficient αK-15
Emissivity ε-0.7
Table 4. The percentage chemical composition of the 42CrMo4 steel.
Table 4. The percentage chemical composition of the 42CrMo4 steel.
Chemical ElementSymbolValue
CarbonC0.42
ManganeseMn0.64
SiliconSi0.23
PhosphorusP0.012
SulfurS0.017
ChromiumCr0.98
NickelNi0.15
MolybdenumMo0.15
Table 5. The parameters of output resonant circuit of the inverter.
Table 5. The parameters of output resonant circuit of the inverter.
ParameterValueUnit
L28.2µH
L3260nH
R2100mΩ
R330mΩ
C233µF
C3660nF
Disclaimer/Publisher’s Note: The statements, opinions and data contained in all publications are solely those of the individual author(s) and contributor(s) and not of MDPI and/or the editor(s). MDPI and/or the editor(s) disclaim responsibility for any injury to people or property resulting from any ideas, methods, instructions or products referred to in the content.

Share and Cite

MDPI and ACS Style

Legutko, P. Analysis and Research on the Influence of a Magnetic Field Concentrator on the Gear Heating Process Using a High-Frequency Resonant Inverter. Energies 2025, 18, 1096. https://doi.org/10.3390/en18051096

AMA Style

Legutko P. Analysis and Research on the Influence of a Magnetic Field Concentrator on the Gear Heating Process Using a High-Frequency Resonant Inverter. Energies. 2025; 18(5):1096. https://doi.org/10.3390/en18051096

Chicago/Turabian Style

Legutko, Piotr. 2025. "Analysis and Research on the Influence of a Magnetic Field Concentrator on the Gear Heating Process Using a High-Frequency Resonant Inverter" Energies 18, no. 5: 1096. https://doi.org/10.3390/en18051096

APA Style

Legutko, P. (2025). Analysis and Research on the Influence of a Magnetic Field Concentrator on the Gear Heating Process Using a High-Frequency Resonant Inverter. Energies, 18(5), 1096. https://doi.org/10.3390/en18051096

Note that from the first issue of 2016, this journal uses article numbers instead of page numbers. See further details here.

Article Metrics

Back to TopTop