Review on the Applications of Intelligent Algorithm in Wireless Charging System for Electric Vehicles
Abstract
1. Introduction
2. IA Based Optimization of Compensation Topology in Wireless Charging System
2.1. Target of Compensation Topology Optimization
2.2. Parameter Optimization of Compensation Topology
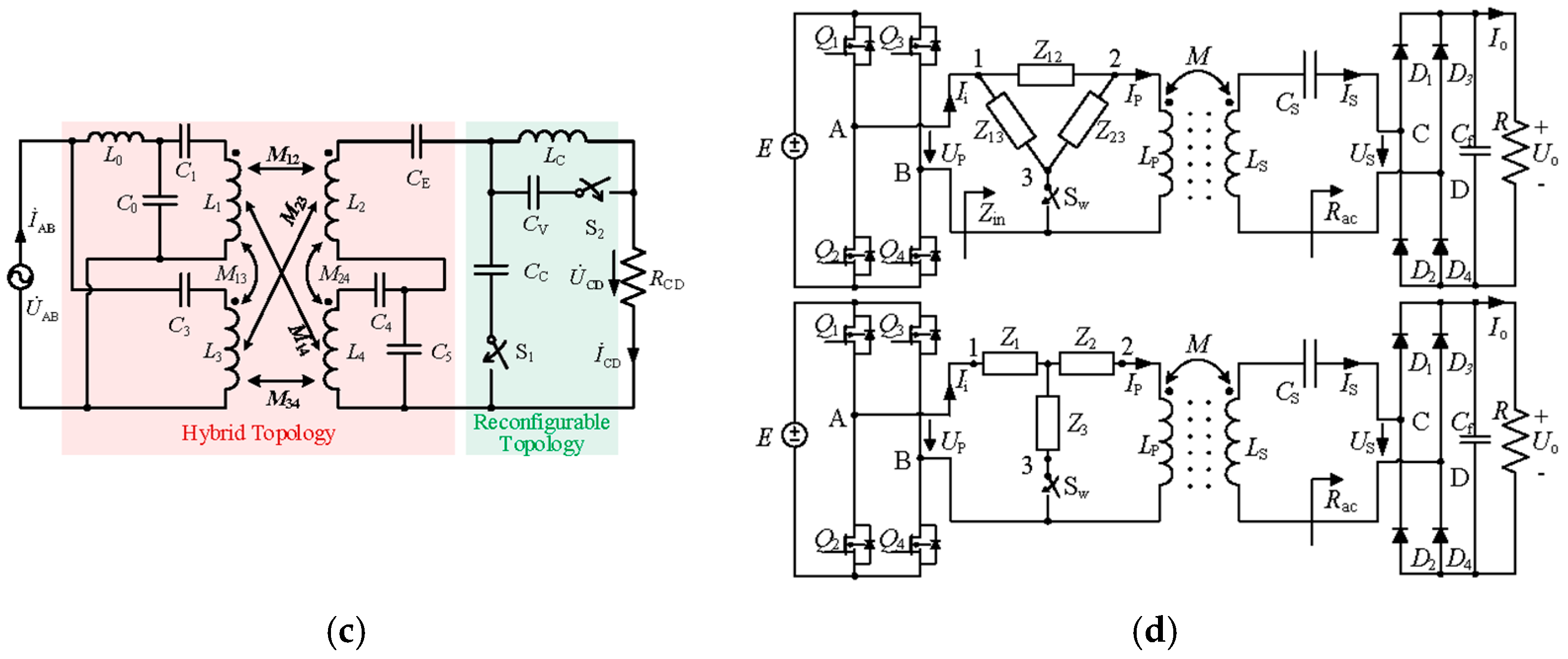
2.3. Structure Design of Compensation Topology
3. IA Based Design of Coupling Coils in Wireless Charging System
3.1. Parameter Optimization of Coupling Coils
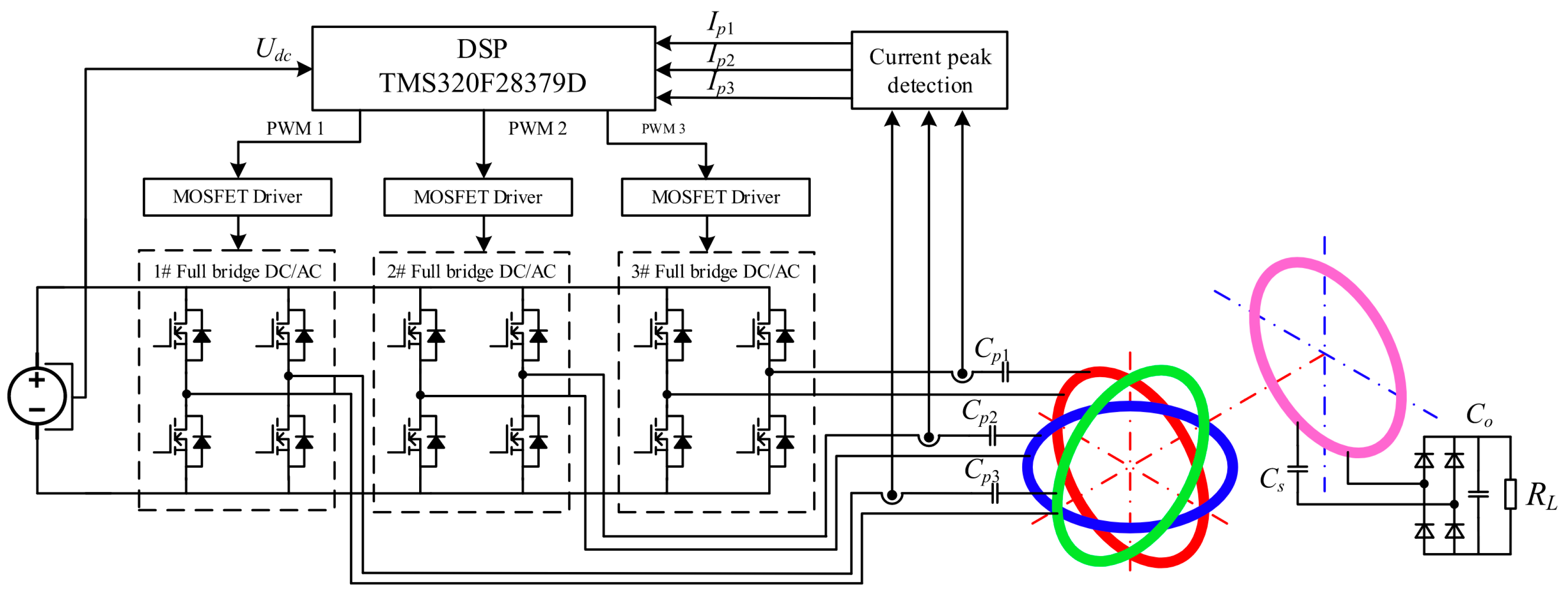
3.2. Structure Design of Coupling Coils
4. IA Based Research of Control Strategies in Wireless Charging System
4.1. Control Strategies of Power Controlling
4.2. Control Strategies of Efficiency Optimizing
4.3. Control Strategies of Parameter Tracking
5. Conclusions
Author Contributions
Funding
Data Availability Statement
Conflicts of Interest
References
- Rajamanickam, N.; Shanmugam, Y.; Jayaraman, R.; Petrov, J.; Vavra, L.; Gono, R. Review of Compensation Topologies Power Converters Coil Structure and Architectures for Dynamic Wireless Charging System for Electric Vehicle. Energies 2024, 17, 3858. [Google Scholar] [CrossRef]
- Liu, Y.; Pan, L.; Yao, S.; Zhang, J.; Cui, S.; Zhu, C. A Review on the Recent Development of High-Frequency Inverters for Wireless Power Transfer. Energies 2024, 17, 5153. [Google Scholar] [CrossRef]
- Liu, Y.; Li, B.; Pan, L.; Yao, S.; Dong, Z.; Zhang, J.; Zhu, C.; Cui, S. Review on Development and Research of Underwater Capacitive Power Transfer. Energies 2024, 17, 6496. [Google Scholar] [CrossRef]
- Ahmad, A.; Alam, M.S.; Chabaan, R. A Comprehensive Review of Wireless Charging Technologies for Electric Vehicles. IEEE Trans. Transp. Electrif. 2018, 4, 38–63. [Google Scholar] [CrossRef]
- Mahesh, A.; Chokkalingam, B.; Mihet-Popa, L. Inductive Wireless Power Transfer Charging for Electric Vehicles—A Review. IEEE Access 2021, 9, 137667–137713. [Google Scholar] [CrossRef]
- Nguyen, H.T.; Alsawalhi, J.Y.; Hosani, K.A.; Al-Sumaiti, A.S.; Jaafari, K.A.A.; Byon, Y.-J.; Moursi, M.S.E. Review Map of Comparative Designs for Wireless High-Power Transfer Systems in EV Applications: Maximum Efficiency, ZPA, and CC/CV Modes at Fixed Resonance Frequency Independent From Coupling Coefficient. IEEE Trans. Power Electron. 2022, 37, 4857–4876. [Google Scholar] [CrossRef]
- Ronanki, D.; Karneddi, H. Electric Vehicle Charging Infrastructure: Review, Cyber Security Considerations, Potential Impacts, Countermeasures, and Future Trends. IEEE J. Emerg. Sel. Top. Power Electron. 2024, 12, 242–256. [Google Scholar] [CrossRef]
- Purushothaman, D.; Narayanamoorthi, R.; Elrashidi, A.; Kotb, H. A Comprehensive Review on Single-Stage WPT Converter Topologies and Power Factor Correction Methodologies in EV Charging. IEEE Access 2023, 11, 135529–135555. [Google Scholar] [CrossRef]
- Wang, J.H.; Lin, L.Y.; Zhang, W.J.; Kang, A.L.; Xu, C.Y.; Tian, J.C. Calculation and Regulation of Mutual Inductance of Wireless Charging Coils with Metal Shielding Materials Based on Multiple Intelligent Optimization Algorithms. Int. J. Circuit Theory Appl. 2024, 52, 5166–5183. [Google Scholar] [CrossRef]
- Tavakoli, R.; Shabanian, T.; Dede, E.M.; Chou, C.; Pantic, Z. EV Misalignment Estimation in DWPT Systems Utilizing the Roadside Charging Pads. IEEE Trans. Transp. Electrif. 2022, 8, 752–766. [Google Scholar] [CrossRef]
- Bagchi, A.C.; Kamineni, A.; Zane, R.A.; Carlson, R. Review and Comparative Analysis of Topologies and Control Methods in Dynamic Wireless Charging of Electric Vehicles. IEEE J. Emerg. Sel. Top. Power Electron. 2021, 9, 4947–4962. [Google Scholar] [CrossRef]
- Ha-Van, N.; Vu, T.L.; Thuy Le, M. An Efficient Wireless Power Transfer for Retinal Prosthesis Using Artificial Intelligent Algorithm. In Proceedings of the 2020 50th European Microwave Conference (EuMC), Utrecht, The Netherlands, 12–14 January 2021; pp. 1115–1118. [Google Scholar]
- Li, T.; Wang, G.; Fu, Q.; Guo, X.; Zhao, M.; Liu, X. An Intelligent Algorithm for Solving Weapon-Target Assignment Problem: DDPG-DNPE Algorithm. Comput. Mater. Contin. 2023, 76, 3499–3522. [Google Scholar] [CrossRef]
- Poonam; Sangwan, S. Fuzzy Firefly Based Intelligent Algorithm for Load Balancing in Mobile Cloud Computing. Comput. Mater. Contin. 2023, 74, 1783–1799. [Google Scholar] [CrossRef]
- Xie, X.; Xie, C.; Wang, J.; Li, Y.; Du, Y.; Li, L. Constant Current Output Control Based on Cross-Coupling Compensation in Multireceiver WPT System Using Active Rectifier. IEEE Trans. Transp. Electrif. 2023, 9, 1960–1972. [Google Scholar] [CrossRef]
- Cheng, C.; Zhou, Z.; Li, W.; Zhu, C.; Deng, Z.; Mi, C.C. A Multi-Load Wireless Power Transfer System With Series-Parallel-Series Compensation. IEEE Trans. Power Electron. 2019, 34, 7126–7130. [Google Scholar] [CrossRef]
- Wang, C.; Wang, J. A Hybrid LCC-SP Compensation Network With Adjustable Impedance Angle Used for Single-Stage Wireless Power Transfer. IEEE Trans. Transp. Electrif. 2023, 9, 3452–3463. [Google Scholar] [CrossRef]
- Xu, F.; Wei, S.; Li, J.; Yuan, D.; Chen, K. Investigation on Compensation Topology and Its Parameter Matching Method for Dynamic Wireless Power Transfer System. IEEE Trans. Ind. Appl. 2024, 60, 5692–5701. [Google Scholar] [CrossRef]
- Fan, Y.; Sun, Y.; Dai, X.; Zuo, Z.; You, A. Simultaneous Wireless Power Transfer and Full-Duplex Communication With a Single Coupling Interface. IEEE Trans. Power Electron. 2021, 36, 6313–6322. [Google Scholar] [CrossRef]
- Wu, Y.; Zhang, H.; Liu, M.; Kang, N.; Ma, C. Optimization of Super Capacitor Buffered Dynamic Wireless Power Transfer System. In Proceedings of the 2020 IEEE PELS Workshop on Emerging Technologies: Wireless Power Transfer (WoW), Seoul, Republic of Korea, 15–19 November 2020; pp. 364–369. [Google Scholar]
- Luo, Y.; Yang, Y.; Wen, X.; Cheng, M. Enhancing the Robustness of the Wireless Power Transfer System to Uncertain Parameter Variations Using an Interval-Based Uncertain Optimization Method. Energies 2018, 11, 2032. [Google Scholar] [CrossRef]
- Schuetz, M.; Georgiadis, A.; Collado, A.; Fischer, G. A Particle Swarm Optimizer for Tuning a Software-Defined, Highly Configurable Wireless Power Transfer Platform. In Proceedings of the 2015 IEEE Wireless Power Transfer Conference (WPTC), Boulder, CO, USA, 13–15 May 2015; pp. 1–4. [Google Scholar]
- Kuperman, A. Comments on “Analysis, Design, and Optimization of LC/S Compensation Topology With Excellent Load-Independent Voltage Output for Inductive Power Transfer”. IEEE Trans. Transp. Electrif. 2019, 5, 1480–1483. [Google Scholar] [CrossRef]
- Vu, V.-B.; Ramezani, A.; Triviño, A.; González-González, J.M.; Kadandani, N.B.; Dahidah, M.; Pickert, V.; Narimani, M.; Aguado, J. Operation of Inductive Charging Systems Under Misalignment Conditions: A Review for Electric Vehicles. IEEE Trans. Transp. Electrif. 2023, 9, 1857–1887. [Google Scholar] [CrossRef]
- Gao, X.; Dong, S.; Yin, Y.; Zhang, Y.; Cui, S. An Economical DWPT System With Mutual Compensation of Segmented Power Supply Rails Based on LCL Topology. IEEE Trans. Transp. Electrif. 2023, 9, 2865–2877. [Google Scholar] [CrossRef]
- Zhang, Y.; Wei, G.; Wang, C.; Yin, Y.; Feng, J.; Na, T.; Song, K.; Zhu, C. A Hybrid Compensation Topology With Constant Current and Constant Voltage Outputs for Wireless Charging System. IEEE Trans. Transp. Electrif. 2023, 9, 2070–2080. [Google Scholar] [CrossRef]
- Kim, J.-W.; Hwang, I.-J.; Yu, J.-W.; Yeo, T.-D. Maximum Efficiency Point Tracking Scheme for Loosely Coupled Multiple-Receiver Wireless Power Charging System With Mutual Inductance Tracking. IEEE Trans. Microw. Theory Tech. 2021, 69, 378–386. [Google Scholar] [CrossRef]
- Li, B.; Zhu, G.; Lu, J.; Li, W.; Ranjith Kumar, G.; Wang, J. Output Characteristics of LCC-S Compensation Network and Its Optimal Parameters Design in IPT System. J. Eng. 2017, 2017, 1576–1579. [Google Scholar] [CrossRef]
- Song, K.; Li, Z.; Jiang, J.; Zhu, C. Constant Current/Voltage Charging Operation for Series-Series and Series-Parallel Compensated Wireless Power Transfer Systems Employing Primary-Side Controller. IEEE Trans. Power Electron. 2017, 33, 8065–8080. [Google Scholar] [CrossRef]
- Huang, J.; Zhu, H.; Wang, Y.; Li, K. Soft-Switching Modulation Strategy Based on Hybrid Control for Three-Phase Wireless Power Transfer Systems. J. Power Electron. 2023, 23, 1833–1845. [Google Scholar] [CrossRef]
- Cui, X.; Liu, Y.; Li, Y.; Rong, G. Operating Frequency Optimization Design of Multiple-Relay Wireless Power Transfer System Based on PSO Algorithm. In Proceedings of the 2022 IEEE 17th Conference on Industrial Electronics and Applications (ICIEA), Chengdu, China, 16–19 December 2022; pp. 452–457. [Google Scholar]
- Li, J.; Luo, G.; Wang, L.; Si, Q.; Peng, Y.; Guo, Z. Detuning Analysis and Power Tracking of Dual-ended Resonant Circuit Based on Improved Variable-step Perturbation Observation for Wireless Power Transfer System. Int. J. Circuit Theory Appl. 2024, 10, 167–176. [Google Scholar] [CrossRef]
- Gao, X.; Zhang, J.; Deng, M. Parameter Optimization for Operator-Based Robust Nonlinear Control of Uncertain Wireless Power Transfer Systems by Using Ant Colony Optimization. In Proceedings of the 2019 International Conference on Advanced Mechatronic Systems (ICAMechS), Kusatsu, Japan, 26–28 August 2019; pp. 368–371. [Google Scholar]
- Zhang, X.; Ho, S.L.; Fu, W.N. Analysis and Optimization of Magnetically Coupled Resonators for Wireless Power Transfer. IEEE Trans. Magn. 2012, 48, 4511–4514. [Google Scholar] [CrossRef]
- Niu, S.; Lyu, R.; Lyu, J.; Chau, K.T.; Liu, W.; Jian, L. Optimal Resonant Condition for Maximum Output Power in Tightly Coupled WPT Systems Considering Harmonics. IEEE Trans. Power Electron. 2025, 40, 152–156. [Google Scholar] [CrossRef]
- Zhang, Z.; Ai, W.; Liang, Z.; Wang, J. Topology-Reconfigurable Capacitor Matrix for Encrypted Dynamic Wireless Charging of Electric Vehicles. IEEE Trans. Veh. Technol. 2018, 67, 9284–9293. [Google Scholar] [CrossRef]
- Zhang, Y.; Yan, Z.; Liang, Z.; Li, S.; Mi, C.C. A High-Power Wireless Charging System Using LCL-N Topology to Achieve a Compact and Low-Cost Receiver. IEEE Trans. Power Electron. 2020, 35, 131–137. [Google Scholar] [CrossRef]
- Zhou, S.; Zhu, C.; Cui, S.; Wang, Z.; Zhou, S.; Chan, C.C. Dynamic Wireless Power Transfer System for Electric Vehicles Employing Multiplexing LCC Modules With Individual Transmitters. IEEE Access 2018, 6, 62514–62527. [Google Scholar] [CrossRef]
- Corti, F.; Intravaia, M.; Reatti, A.; Grasso, F.; Grasso, E.; Cabrera, A.T. Component Design Procedure for LCC-S Wireless Power Transfer Systems Based on Genetic Algorithms and Sensitivity Analysis. IET Power Electron. 2024, 17, 906–918. [Google Scholar] [CrossRef]
- Abuhassan, M.H.A.; Hailat, N.; Badawi, N.; Hussein, A.A. A Wireless Power Transfer System with Optimized Circuit Parameters Using Genetic Algorithm. In Proceedings of the 2017 8th International Renewable Energy Congress (IREC), Amman, Jordan, 21–23 March 2017; pp. 1–4. [Google Scholar]
- Zhuo, H.; Xiao, J.; Gong, W.; Zhang, X.; Chang, Y. Research on Transmission Characteristics of MCR-WPT Systems Based on Chaotic Sparrow Search Algorithm. In Proceedings of the 2023 IEEE International Conference on Power Science and Technology (ICPST), Kunming, China, 5–7 May 2023; pp. 1064–1069. [Google Scholar]
- Xia, N.; Xu, X.; Zhang, F.; Zhu, Y.; Huang, C.; Lin, J. The Mechanism and Optimization Method of the Capacitance Team Used in Double-sided LCC Compensation Topology. IET Power Electron. 2023, 16, 92–101. [Google Scholar] [CrossRef]
- Cai, J.; Wu, X.-S.; Sun, P.; Sun, J.; Deng, Q. Parameter Optimization Method for Antimisalignment of Inductive Power Transfer System Based on Genetic Algorithm. J. Power Electron. 2021, 21, 1888–1899. [Google Scholar] [CrossRef]
- Zhou, Z.; Liu, Z.; Su, H.; Zhang, L. Multi-Objective Optimization for 10-kW Rated Power Dynamic Wireless Charging Systems of Electric Vehicles. Sci. China Inf. Sci. 2022, 65, 202201. [Google Scholar] [CrossRef]
- Chen, Y.; Yang, B.; Li, Q.; Feng, H.; Zhou, X.; He, Z.; Mai, R. Reconfigurable Topology for IPT System Maintaining Stable Transmission Power Over Large Coupling Variation. IEEE Trans. Power Electron. 2020, 35, 4915–4924. [Google Scholar] [CrossRef]
- Lu, F.; Zhang, H.; Hofmann, H.; Su, W.; Mi, C.C. A Dual-Coupled LCC-Compensated IPT System With a Compact Magnetic Coupler. IEEE Trans. Power Electron. 2018, 33, 6391–6402. [Google Scholar] [CrossRef]
- Yang, J.; Liu, Q.; Yang, X.; Zhang, Y. Multi-objective Optimization of Inductive Power Transfer System with Reconfigurable Topology for Misalignment Tolerance. IET Power Electron. 2024, 17, 2262–2277. [Google Scholar] [CrossRef]
- Esfahani, E.N.; Bhattacharya, I. Parameter Tuning Method for a Lattice Compensated Wireless Power Transfer System. Electricity 2024, 5, 895–915. [Google Scholar] [CrossRef]
- Chen, Y.; Yang, B.; Kou, Z.; He, Z.; Cao, G.; Mai, R. Hybrid and Reconfigurable IPT Systems With High-Misalignment Tolerance for Constant-Current and Constant-Voltage Battery Charging. IEEE Trans. Power Electron. 2018, 33, 8259–8269. [Google Scholar] [CrossRef]
- Yi, J.; Yang, P.; Li, Z.; Kong, P.; Li, J. Mutual Inductance Calculation of Circular Coils for an Arbitrary Position With a Finite Magnetic Core in Wireless Power Transfer Systems. IEEE Trans. Transp. Electrif. 2023, 9, 1950–1959. [Google Scholar] [CrossRef]
- Wang, W.; Xu, C.; Zhang, C.; Yang, J. Optimization of Transmitting Coils Based on Uniform Magnetic Field for Unmanned Aerial Vehicle Wireless Charging System. IEEE Trans. Magn. 2021, 57, 1–5. [Google Scholar] [CrossRef]
- Bennia, F.; Boudouda, A.; Nafa, F. Optimal Design of Wireless Power Transfer Coils for Biomedical Implants Using Machine Learning and Meta-Heuristic Algorithms. Electr. Eng. 2024, 106, 5869–5884. [Google Scholar] [CrossRef]
- Chen, H.; Niu, S.; Shao, Z.; Jian, L. Recognizing Multitype Misalignments in Wireless EV Chargers With Orientation-Sensitive Coils: A Data-Driven Strategy Using Improved ResNet. IEEE Trans. Ind. Inform. 2024, 20, 280–290. [Google Scholar] [CrossRef]
- Tang, W.; Jing, L.; Cao, W.; Xu, W.; Wu, X.; Liao, H. Optimization of Magnetic Coupling Mechanism of Dynamic Wireless Power Transfer Based on NSGA-II Algorithm. Sci. Rep. 2024, 14, 5121. [Google Scholar] [CrossRef] [PubMed]
- Zhang, H.; Sui, X.; Sui, P.; Wei, L.; Huang, Y.; Yang, Z.; Yang, H. Coil Parameter Optimization Method for Wireless Power Transfer System Based on Crowding Distance Division and Adaptive Genetic Operators. Energies 2024, 17, 3289. [Google Scholar] [CrossRef]
- Wu, Z.; Tan, L.; Xu, H.; Shen, S.; Huang, X. Design of the Long-Distance Wireless Power Transfer System with Multiple Relay Coils Based on Loss Optimization. Electr. Eng. 2024, 106, 3337–3348. [Google Scholar] [CrossRef]
- Rong, C.; Chang, J.; Lu, Q.; Liu, W.; Zhao, Y.; Liu, Y.; Chen, M.; Wang, H.; Liu, Y. Coupling Mechanism Optimization to Improve Misalignment Tolerance in UAV Wireless Charging Systems. J. Power Electron. 2024, 24, 1490–1504. [Google Scholar] [CrossRef]
- Hu, Q.; Zheng, M.; Li, Z.; Qin, Y.; Huang, J.; Ou, Y. Multi-Objective Optimization Study on the Coupling Mechanism of Underwater Wireless Power Transfer Systems. Machines 2024, 12, 445. [Google Scholar] [CrossRef]
- Lyu, F.; Cai, T.; Huang, F. A Universal Wireless Charging Platform with Novel Bulged-structure Transmitter Design for Multiple Heterogeneous Autonomous Underwater Vehicles (AUVs). IET Power Electron. 2023, 16, 2162–2177. [Google Scholar] [CrossRef]
- Jang, J.H.; Jeong, M.S.; Heo, J.H.; Lee, E.S. Optimal Number of Turns Design of IPT for Maximum Power Efficiency Base on Reinforcement Learning with DQN. In Proceedings of the 2023 11th International Conference on Power Electronics and ECCE Asia (ICPE 2023—ECCE Asia), Jeju Island, Republic of Korea, 22–25 May 2023; pp. 3263–3268. [Google Scholar]
- Jeong, M.S.; Pyo, K.H.; Jang, J.H.; Lee, E.S. EV Wireless Power Transfer Core Design for High Magnetic Coupling Designed by Reinforcement Learning. In Proceedings of the 2023 11th International Conference on Power Electronics and ECCE Asia (ICPE 2023—ECCE Asia), Jeju Island, Republic of Korea, 22–25 May 2023; pp. 1225–1230. [Google Scholar]
- Zhang, D.; Li, X.; Yang, J.; Li, X.; Wu, T. Asymmetric Coaxial Three-Coil Wireless Power Transmission System Optimization. J. Power Electron. 2023, 23, 1436–1446. [Google Scholar] [CrossRef]
- Wu, N.; Xiao, J.; Yin, L.; Chen, S.; Wu, X. Coil Arrangement Optimization to Improve Efficiency of Multiple-Relay Wireless Power Transfer System. In Proceedings of the 2021 IEEE 2nd China International Youth Conference on Electrical Engineering (CIYCEE), Chengdu, China, 15–17 December 2021; pp. 1–6. [Google Scholar]
- Zhang, H.; Liao, M.; He, L.; Lee, C.-K. Parameter Optimization of Wireless Power Transfer Based on Machine Learning. Electronics 2023, 13, 103. [Google Scholar] [CrossRef]
- You, A.; Dai, X.; Gao, R. A Novel Composite Coupling Mechanism Base on Nested Wrapped for Dual Exicitation IPT System. IOP Conf. Ser. Earth Environ. Sci. 2021, 647, 012056. [Google Scholar] [CrossRef]
- Tan, L.; Zhao, W.; Liu, H.; Li, J.; Huang, X. Design and Optimization of Ground-Side Power Transmitting Coil Parameters for EV Dynamic Wireless Charging System. IEEE Access 2020, 8, 74595–74604. [Google Scholar] [CrossRef]
- Lu, M.; Junussov, A.; Bagheri, M. Analysis of Resonant Coupling Coil Configurations of EV Wireless Charging System: A Simulation Study. Front. Energy 2020, 14, 152–165. [Google Scholar] [CrossRef]
- Zeng, Y.; Lu, C.; Liu, R.; He, X.; Rong, C.; Liu, M. Wireless Power and Data Transfer System Using Multidirectional Magnetic Coupler for Swarm AUVs. IEEE Trans. Power Electron. 2023, 38, 1440–1444. [Google Scholar] [CrossRef]
- Tan, P.; Song, B.; Shangguan, X.; Liu, H. Optimal Design of Transmission Characteristics for Hexagonal Coil Wireless Power Transfer System Based on Genetic Algorithm. Chin. J. Electr. Eng. 2023, 9, 94–106. [Google Scholar] [CrossRef]
- Li, X.; Wu, Y.; Wang, H.; Dai, X.; Sun, Y.; Xiao, J.; Zuo, Z. A Magnetic Coupling Structure Design of Wireless Charging UAVs with Multidirectional Misalignment Improvement and Output Fluctuation Suppression. In Proceedings of the 2023 IEEE 6th International Electrical and Energy Conference (CIEEC), Hefei, China, 12–14 May 2023; pp. 4296–4299. [Google Scholar]
- Li, Z.; Li, L. Energy Injection Adaptive Technology for Wireless Power Transmission Based on Parameter Identification. IET Power Electron. 2024, 17, 1820–1829. [Google Scholar] [CrossRef]
- Fang, Y.; Pong, B.M.H.; Hui, R.S.Y. An Enhanced Multiple Harmonics Analysis Method for Wireless Power Transfer Systems. IEEE Trans. Power Electron. 2020, 35, 1205–1216. [Google Scholar] [CrossRef]
- Yang, M.; Li, Y.; Du, H.; Li, C.; He, Z. Hierarchical Multiobjective H-Infinity Robust Control Design for Wireless Power Transfer System Using Genetic Algorithm. IEEE Trans. Control Syst. Technol. 2019, 27, 1753–1761. [Google Scholar] [CrossRef]
- Chen, Z.; Sun, X.; Liu, J.; Ren, B.; Wang, Z. Research on Maximum Power Point Tracking Control in Omnidirectional Wireless Power Transfer System. IEEE Trans. Ind. Electron. 2024, 71, 6612–6621. [Google Scholar] [CrossRef]
- Li, Y.; Song, K.; Li, Z.; Jiang, J.; Zhu, C. Optimal Efficiency Tracking Control Scheme Based on Power Stabilization for a Wireless Power Transfer System with Multiple Receivers. Energies 2018, 11, 1232. [Google Scholar] [CrossRef]
- Zhao, J.; Li, L.; Wu, H.; Luo, B.; Li, H.; Zhang, Y.; Liu, S.; Zhao, L. An Optimized Multi-Level Control Method for Wireless Power Transfer System Using the Particle Swarm Optimization Algorithm. Electronics 2024, 13, 4341. [Google Scholar] [CrossRef]
- Cao, L.; Sun, W.; He, J.; Loo, K. A Computationally Efficient Hybrid Optimization-based Model Predictive Control for Inductive Power Transfer Systems. IET Power Electron. 2022, 15, 689–700. [Google Scholar] [CrossRef]
- Yang, X.; Guan, J. PI Parameters Tuning for Frequency Tracking Control of Wireless Power Transfer System Based on Improved Whale Optimization Algorithm. IEEE Access 2024, 12, 13055–13069. [Google Scholar] [CrossRef]
- Gao, X.; Cao, W.; Yang, Q.; Wang, H.; Wang, X.; Jin, G.; Zhang, J. Parameter Optimization of Control System Design for Uncertain Wireless Power Transfer Systems Using Modified Genetic Algorithm. CAAI Trans. Intell. Technol. 2022, 7, 582–593. [Google Scholar] [CrossRef]










| Topology Type | Reference | Algorithm | Optimization Target | Optimization Effect | Real-Time Performance |
|---|---|---|---|---|---|
| Basic compensation topology | [32] | VSPO | Detuning caused by capacitor parameter drift | High accuracy, low complexity | Fast response |
| [33] | ACO | Enhance the tracking parameter performance | Ensure the robust stability | Fast response | |
| [34] | DLNO | Determine the capacitance values | Improve the system efficiency | Single optimization | |
| [35] | HM | Select optimal frequency | Improve the output power | Fast response | |
| High-order compensation topology | [39,40] | GA | Find the optimal parameter combination | Attain the desired output power | Single optimization |
| [41] | CSS | Optimize the system transmission efficiency | Improve system efficiency | Single optimization | |
| [42] | Bayesian method | Capacitance parameter optimization | Improve system efficiency | Single optimization | |
| [43] | GA and nonlinear programming | Reduce voltage gain difference under mutual inductance change | Reduce system output fluctuation | Single optimization | |
| [44] | CAPSO | Optimize the wireless charging system of EVs | Optimize the output power, efficiency, and system cost | Single optimization |
| Objective | Reference | Algorithm | Effect | Real-Time Performance |
|---|---|---|---|---|
| Power Controlling | [71] | PSO | Enhances the output power under the coil misalignment and the load variability | Fast response |
| [74] | IWO | MPPT | Second-level response | |
| Efficiency Optimizing | [75] | P&O | Realize maximum efficiency transfer | Second-level response |
| [76] | PSO | Multi-level coordinated control efficiency optimization | Fast response | |
| [77] | MPC | Improve the system efficiency | Second-level response | |
| Parameter Tracking | [78] | WO | Complete the PI parameter tuning of the frequency tracking controller | Microsecond-level response |
| [79] | MGA | Realize CV output in the presence of perturbation | Fast response |
Disclaimer/Publisher’s Note: The statements, opinions and data contained in all publications are solely those of the individual author(s) and contributor(s) and not of MDPI and/or the editor(s). MDPI and/or the editor(s) disclaim responsibility for any injury to people or property resulting from any ideas, methods, instructions or products referred to in the content. |
© 2025 by the authors. Licensee MDPI, Basel, Switzerland. This article is an open access article distributed under the terms and conditions of the Creative Commons Attribution (CC BY) license (https://creativecommons.org/licenses/by/4.0/).
Share and Cite
Wei, S.; Xu, F.; Yuan, D.; Chen, K.; Liu, B.; Li, J. Review on the Applications of Intelligent Algorithm in Wireless Charging System for Electric Vehicles. Energies 2025, 18, 592. https://doi.org/10.3390/en18030592
Wei S, Xu F, Yuan D, Chen K, Liu B, Li J. Review on the Applications of Intelligent Algorithm in Wireless Charging System for Electric Vehicles. Energies. 2025; 18(3):592. https://doi.org/10.3390/en18030592
Chicago/Turabian StyleWei, Shuguang, Feifan Xu, Dong Yuan, Kewei Chen, Bin Liu, and Jiaqi Li. 2025. "Review on the Applications of Intelligent Algorithm in Wireless Charging System for Electric Vehicles" Energies 18, no. 3: 592. https://doi.org/10.3390/en18030592
APA StyleWei, S., Xu, F., Yuan, D., Chen, K., Liu, B., & Li, J. (2025). Review on the Applications of Intelligent Algorithm in Wireless Charging System for Electric Vehicles. Energies, 18(3), 592. https://doi.org/10.3390/en18030592

