Design, Optimization, and Validation of a Dual Three-Phase YASA Axial Flux Machine with SMC Stator for Aerospace Electromechanical Actuators
Abstract
1. Introduction
2. Design Requirements and Control Concept
2.1. Fault-Tolerant Design
2.1.1. Short-Circuit Behavior and Fault Tolerance
2.1.2. Fault-Tolerant Winding Configuration
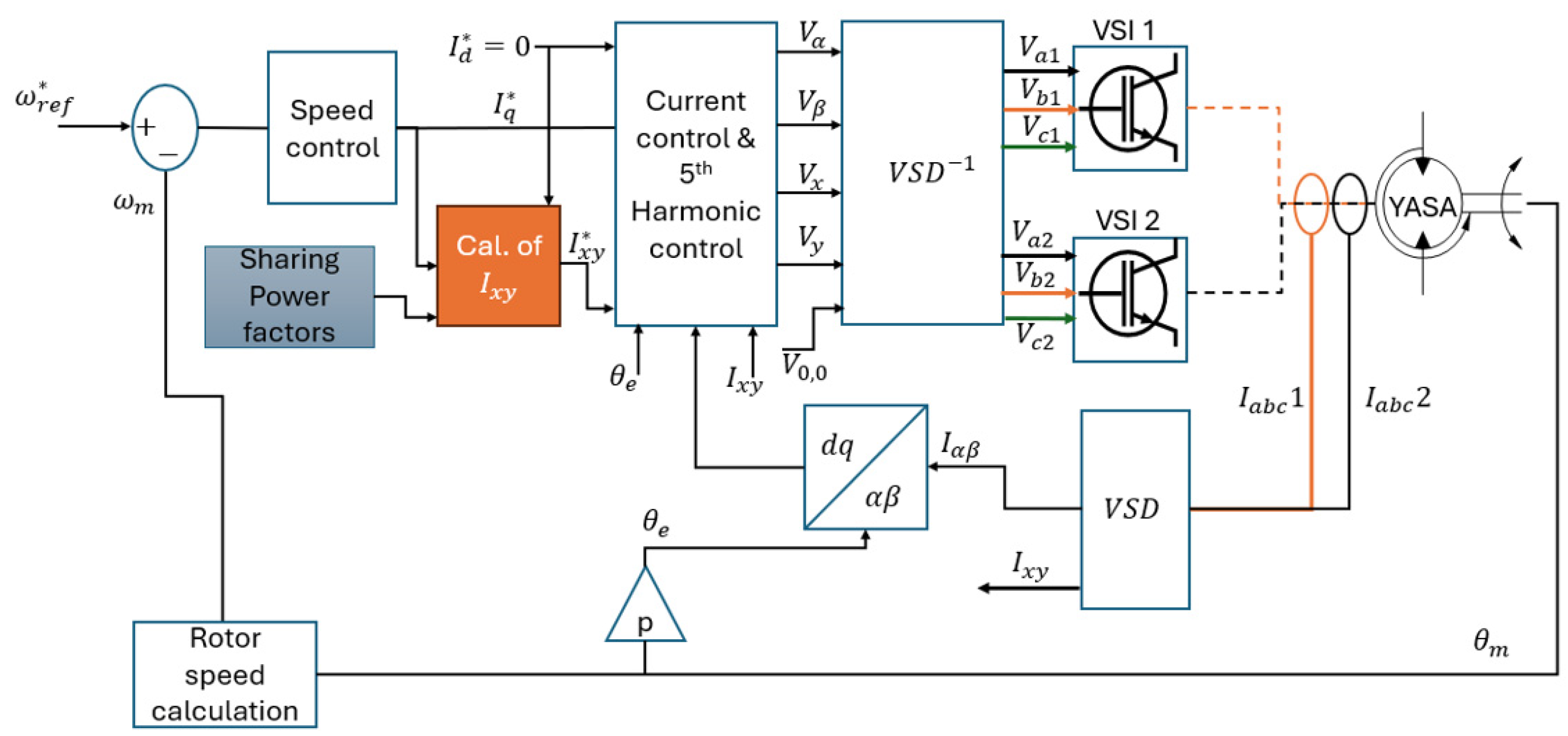
2.2. Implementation of Fault-Tolerant Motor Drive for the Proposed YASA Motor
- The coupling between the stators is neglected, as the motor design aims to eliminate or minimize inter-stator coupling.
- Each individual sub-machine (set) possesses its own neutral point.
- There is no phase shift between the two stator sets.
- The only coupling between the two sets occurs through the rotor.
2.2.1. Implementation of Fault-Tolerant Control with Sharing Power Techniques
2.2.2. Simulation Results
3. Design Optimization
3.1. Overview
3.2. Parametric Motor Models and Variables
3.3. Response Surface Optimization of YASA-Type AFPM
3.4. Results
3.4.1. RSM Model Reliability
3.4.2. Magnetic Flux Density Distribution
3.4.3. Performance Characteristics
3.4.4. Finite Element-Based Thermal Analysis
4. Transient Structural Analysis in the Event of Short Circuits
Frequency and Modal Analysis of Deformation
5. Experimental Validation
Model Calibration to Capture Material Deformation and Electrical Resistivity Effects in SMC
AC Inductance Effect
6. Conclusions
Author Contributions
Funding
Data Availability Statement
Acknowledgments
Conflicts of Interest
References
- Mazzoleni, M.; Di Rito, G.; Previdi, F. Electro-Mechanical Actuators for the More Electric Aircraft; Springer: Berlin/Heidelberg, Germany, 2021; Volume 2021. [Google Scholar]
- Cao, W.; Mecrow, B.C.; Atkinson, G.J.; Bennett, J.W.; Atkinson, D.J. Overview of electric motor technologies used for more electric aircraft (MEA). IEEE Trans. Ind. Electron. 2011, 59, 3523–3531. [Google Scholar] [CrossRef]
- Li, J.; Yu, Z.; Huang, Y.; Li, Z. A review of electromechanical actuation system for more electric aircraft. In Proceedings of the 2016 IEEE International Conference on Aircraft Utility Systems (AUS), Beijing, China, 10–12 October 2016; IEEE: Piscataway, NJ, USA, 2016; pp. 490–497. [Google Scholar]
- Qiao, G.; Liu, G.; Shi, Z.; Wang, Y.; Ma, S.; Lim, T.C. A review of electromechanical actuators for More/All Electric aircraft systems. Proc. Inst. Mech. Eng. Part C J. Mech. Eng. Sci. 2018, 232, 4128–4151. [Google Scholar] [CrossRef]
- Kulan, M.C.; Baker, N.J.; Turvey, S. A High Speed Fault Tolerant Transverse Flux Alternator for Aerospace; IET Conference Proceedings CP766, 2020; IET: Stevenage, UK, 2020; pp. 563–568. [Google Scholar]
- Madonna, V.; Giangrande, P.; Gerada, C.; Galea, M. Thermal analysis of fault-tolerant electrical machines for aerospace actuators. IET Electr. Power Appl. 2019, 13, 843–852. [Google Scholar] [CrossRef]
- Boglietti, A.; Cavagnino, A.; Tenconi, A.; Vaschetto, S.; di Torino, P. The safety critical electric machines and drives in the more electric aircraft: A survey. In Proceedings of the 2009 35th Annual Conference of IEEE Industrial Electronics, Porto, Portugal, 3–5 November 2009; IEEE: Piscataway, NJ, USA, 2009; pp. 2587–2594. [Google Scholar]
- Jack, A.G.; Mecrow, B.C.; Haylock, J.A. A comparative study of permanent magnet and switched reluctance motors for high-performance fault-tolerant applications. IEEE Trans. Ind. Appl. 2002, 32, 889–895. [Google Scholar] [CrossRef]
- Benzaquen, J.; He, J.; Mirafzal, B. Toward more electric powertrains in aircraft: Technical challenges and advancements. CES Trans. Electr. Mach. Syst. 2021, 5, 177–193. [Google Scholar] [CrossRef]
- Kulan, M.; Baker, N.; Turvey, S. Design and Analysis of a Fault Tolerant Permanent Magnet Alternator for Aerospace. In Proceedings of the 2018 XIII International Conference on Electrical Machines (ICEM), Alexandroupoli, Greece, 3–6 September 2018; IEEE: Piscataway, NJ, USA, 2018; pp. 622–629. [Google Scholar][Green Version]
- Kulan, M.C.; Mahmouditabar, F.; Baker, N.J. Design and Optimization of Electromechanical Actuators for Aerospace Applications. In Proceedings of the 2024 4th International Conference on Electrical Machines and Drives (ICEMD), Tehran, Iran, 24–25 December 2024; IEEE: Piscataway, NJ, USA, 2024; pp. 1–6. [Google Scholar]
- Liao, C.; Bianchi, N.; Zhang, Z. Recent Developments and Trends in High-Performance PMSM for Aeronautical Applications. Energies 2024, 17, 6199. [Google Scholar] [CrossRef]
- Thomas, A.S.; Zhu, Z.-Q.; Owen, R.L.; Jewell, G.W.; Howe, D. Multiphase flux-switching permanent-magnet brushless machine for aerospace application. IEEE Trans. Ind. Appl. 2009, 45, 1971–1981. [Google Scholar] [CrossRef]
- Sarigiannidis, A.G.; Beniakar, M.E.; Kakosimos, P.E.; Kladas, A.G.; Papini, L.; Gerada, C. Fault tolerant design of fractional slot winding permanent magnet aerospace actuator. IEEE Trans. Transp. Electrif. 2016, 2, 380–390. [Google Scholar] [CrossRef]
- Papini, L.; Connor, P.; Patel, C.; Empringham, L.; Gerada, C.; Wheeler, P. Design and testing of electromechanical actuator for aerospace applications. In Proceedings of the 2018 25th International Workshop on Electric Drives: Optimization in Control of Electric Drives (IWED), Moscow, Russia, 31 January–2 February 2018; IEEE: Piscataway, NJ, USA, 2018; pp. 1–6. [Google Scholar]
- Gerada, C.; Galea, M.; Kladas, A. Electrical machines for aerospace applications. In Proceedings of the 2015 IEEE workshop on electrical machines design, control and diagnosis (WEMDCD), Turin, Italy, 26–27 March 2015; IEEE: Piscataway, NJ, USA, 2015; pp. 79–84. [Google Scholar]
- Giangrande, P.; Madonna, V.; Sala, G.; Kladas, A.; Gerada, C.; Galea, M. Design and testing of PMSM for aerospace EMA applications. In Proceedings of the IECON 2018—44th Annual Conference of the IEEE Industrial Electronics Society, Washington, DC, USA, 21–23 October 2018; IEEE: Piscataway, NJ, USA, 2018; pp. 2038–2043. [Google Scholar]
- Parviainen, A.; Niemela, M.; Pyrhonen, J.; Mantere, J. Performance comparison between low-speed axial-flux and radial-flux permanent-magnet machines including mechanical constraints. In Proceedings of the IEEE International Conference on Electric Machines and Drives, San Antonio, TX, USA, 15 May 2005; IEEE: Piscataway, NJ, USA, 2005; pp. 1695–1702. [Google Scholar]
- Kulan, M.C.; Baker, N.J. Design and Construction of a Fault-Tolerant Yokeless and Segmented Armature Axial Flux Motor for Aerospace Actuator Applications. In Proceedings of the 2025 IEEE International Electric Machines & Drives Conference (IEMDC), Houston, TX, USA, 18–21 May 2025; IEEE: Piscataway, NJ, USA, 2025; pp. 176–181. [Google Scholar]
- Huang, R.; Song, Z.; Zhao, H.; Liu, C. Overview of axial-flux machines and modeling methods. IEEE Trans. Transp. Electrif. 2022, 8, 2118–2132. [Google Scholar] [CrossRef]
- Amin, S.; Khan, S.; Bukhari, S.S.H. A comprehensive review on axial flux machines and its applications. In Proceedings of the 2019 2nd International Conference on Computing, Mathematics and Engineering Technologies (iCoMET), Sukkur, Pakistan, 30–31 January 2019; IEEE: Piscataway, NJ, USA, 2019; pp. 1–7. [Google Scholar]
- Woolmer, T.J.; McCulloch, M. Analysis of the yokeless and segmented armature machine. In Proceedings of the 2007 IEEE International Electric Machines & Drives Conference, Antalya, Turkey, 3–5 May 2007; IEEE: Piscataway, NJ, USA, 2007; pp. 704–708. [Google Scholar]
- Zhang, B.; Seidler, T.; Dierken, R.; Doppelbauer, M. Development of a yokeless and segmented armature axial flux machine. IEEE Trans. Ind. Electron. 2015, 63, 2062–2071. [Google Scholar] [CrossRef]
- Barcaro, M.; Bianchi, N.; Magnussen, F. Faulty operations of a PM fractional-slot machine with a dual three-phase winding. IEEE Trans. Ind. Electron. 2010, 58, 3825–3832. [Google Scholar] [CrossRef]
- Barcaro, M.; Bianchi, N.; Magnussen, F. Analysis and Tests of a Dual Three-Phase 12-Slot 10-Pole Permanent-Magnet Motor. IEEE Trans. Ind. Appl. 2010, 46, 2355–2362. [Google Scholar] [CrossRef]
- Asari, A.R.; Guo, Y.; Zhu, J. Performances of SOMALOY 700 (5P) and SOMALOY 500 materials under 1-D alternating magnetic flux density. In Proceedings of the 2019 International UNIMAS STEM 12th Engineering Conference (EnCon), Kuching, Malaysia, 28–29 August 2019; IEEE: Piscataway, NJ, USA, 2019; pp. 52–58. [Google Scholar]
- Guo, Y.; Ba, X.; Liu, L.; Lu, H.; Lei, G.; Yin, W.; Zhu, J. A review of electric motors with soft magnetic composite cores for electric drives. Energies 2023, 16, 2053. [Google Scholar] [CrossRef]
- Ballestín-Bernad, V.; Kulan, M.C.; Baker, N.J.; Domínguez-Navarro, J.A. Power Analysis in an SMC-Based Aerospace Transverse Flux Generator for Different Load and Speed Conditions. IEEE Trans. Transp. Electrif. 2025, 11, 5700–5708. [Google Scholar] [CrossRef]
- Ahmed, N.; Atkinson, G.J. A review of soft magnetic composite materials and applications. In Proceedings of the 2022 International Conference on Electrical Machines (ICEM), Valencia, Spain, 5–8 September 2022; IEEE: Piscataway, NJ, USA, 2022; pp. 551–557. [Google Scholar]
- Kulan, M.C.; Baker, N.J.; Liogas, K.A.; Davis, O.; Taylor, J.; Korsunsky, A.M. Empirical Implementation of the Steinmetz Equation to Compute Eddy Current Loss in Soft Magnetic Composite Components. IEEE Access 2022, 10, 14610–14623. [Google Scholar] [CrossRef]
- Wu, L.; Ren, X.; Zhao, F.; Zhang, Z.; Ge, S.; Li, Y. A Novel Stator Tooth Shape of Axial Flux Permanent Magnet Motors Based on Soft Magnetic Composite for Torque Density Enhancement. IEEE Access 2025, 13, 144733–144744. [Google Scholar] [CrossRef]
- Jia, X.; Xia, Y.; Yan, Z.; Gao, H.; Qiu, D.; Guerrero, J.M.; Li, Z. Coordinated operation of multi-energy microgrids considering green hydrogen and congestion management via a safe policy learning approach. Appl. Energy 2025, 401, 126611. [Google Scholar] [CrossRef]
- Bianchi, N.; Pre, M.; Grezzani, G.; Bolognani, S. Design considerations on fractional-slot fault-tolerant synchronous motors. In Proceedings of the IEEE International Conference on Electric Machines and Drives, San Antonio, TX, USA, 15 May 2005; IEEE: Piscataway, NJ, USA, 2005; pp. 902–909. [Google Scholar]
- El-Refaie, A.M. Fractional-slot concentrated-windings synchronous permanent magnet machines: Opportunities and challenges. IEEE Trans. Ind. Electron. 2009, 57, 107–121. [Google Scholar] [CrossRef]
- Arumugam, P.; Hamiti, T.; Gerada, C. Turn–turn short circuit fault management in permanent magnet machines. IET Electr. Power Appl. 2015, 9, 634–641. [Google Scholar] [CrossRef]
- Haylock, J.A.; Mecrow, B.C.; Jack, A.G.; Atkinson, D.J. Operation of fault tolerant machines with winding failures. IEEE Trans. Energy Convers. 1999, 14, 1490–1495. [Google Scholar] [CrossRef]
- Mecrow, B.; Jack, A.; Haylock, J.; Coles, J. Fault-tolerant permanent magnet machine drives. IEE Proc.-Electr. Power Appl. 1996, 143, 437–442. [Google Scholar] [CrossRef]
- Yepes, A.G.; Lopez, O.; Gonzalez-Prieto, I.; Duran, M.J.; Doval-Gandoy, J. A comprehensive survey on fault tolerance in multiphase ac drives, Part 1: General overview considering multiple fault types. Machines 2022, 10, 208. [Google Scholar] [CrossRef]
- Levi, E.; Bojoi, R.; Profumo, F.; Toliyat, H.; Williamson, S. Multiphase induction motor drives–a technology status review. IET Electr. Power Appl. 2007, 1, 489–516. [Google Scholar] [CrossRef]
- Alharbi, A.; Odhano, S.; Smith, A.; Deng, X.; Mecrow, B. A Review of Modeling and Control of Multi-Phase Induction Motors Under Machine Faults. In Proceedings of the 2024 International Conference on Electrical Machines (ICEM), Torino, Italy, 1–4 September 2024; IEEE: Piscataway, NJ, USA, 2024; pp. 1–9. [Google Scholar]
- Qi, N.; Huang, K.; Fan, Z.; Xu, B. Long-term energy management for microgrid with hybrid hydrogen-battery energy storage: A prediction-free coordinated optimization framework. Appl. Energy 2025, 377, 124485. [Google Scholar] [CrossRef]
- Demetriades, G.D.; De La Parra, H.Z.; Andersson, E.; Olsson, H. A real-time thermal model of a permanent-magnet synchronous motor. IEEE Trans. Power Electron. 2010, 25, 463–474. [Google Scholar] [CrossRef]
- Rosu, M.; Zhou, P.; Lin, D.; Ionel, D.M.; Popescu, M.; Blaabjerg, F.; Rallabandi, V.; Staton, D. Multiphysics Simulation by Design for Electrical Machines, Power Electronics and Drives; John Wiley & Sons: Hoboken, NJ, USA, 2017; Volume 66. [Google Scholar]
- Wang, L.; Wang, X.; Li, N.; Li, T. Modelling and analysis of electromagnetic force, vibration, and noise in permanent magnet synchronous motor for electric vehicles under different working conditions considering current harmonics. IET Electr. Power Appl. 2023, 17, 952–964. [Google Scholar] [CrossRef]





























| Parameter | Value |
|---|---|
| Architecture | 3-phase + 3-phase (2 channels) |
| Power | 1750 W per channel (3.5 kW for entire motor) |
| Rated speed | 1400 rpm |
| Peak torque | 11.75 Nm per 3-phase (23.5 Nm for entire motor) |
| Holding torque | 3 Nm per 3-phase (6 Nm for entire motor) |
| Maximum stator outer diameter | 108 mm |
| Active material axial length | 80 mm |
| Ambient temperature | 175 °C |
| DC bus voltage | 270 V |
| Maximum inverter current | 20 A peak |
| Gear ratio | 1 (Direct drive) |
| Permanent magnets | Samarium Cobalt (Recoma 33E) |
| Thermal limit for 1 s peak operation | 260 °C |
| Parameter | Value |
|---|---|
| Stator resistance | 0.81 Ω |
| d-axis inductance | 6.5 × 10−3 H |
| d-axis inductance | 6.5 × 10−3 H |
| Maximum current | 20 A peak |
| Pole pair | 5 |
| Rated speed | 1400 rpm |
| Output power | 3500 W |
| Magnetic flux | 96.7 × 10−3 V.s |
| Time Period | ||
|---|---|---|
| 1 | 1 | |
| 2 | 0 | |
| 0 | 2 |
| Parameter | Description | Lower Bound | Upper Bound |
|---|---|---|---|
| Slot depth | 54 mm | ||
| Slot width | 7 mm | 11 mm | |
| Slot opening width | 4 mm | 8 mm | |
| Stator yoke depth | 0 mm for YASA | ||
| Slot opening height | 1 mm | 2 mm | |
| Tooth tip angle | 5 deg | 20 deg | |
| Stator inner radius | 26.5 mm | ||
| Stator outer radius | 54 mm | ||
| —Slot Opening | —Slot Opening Height | —Tooth Tip Angle | —Slot Width |
|---|---|---|---|
| 4.233 mm | 1.042 mm | 5.268 deg. | 7.757 mm |
| Response Surface via Latin Hypercube Sampled DoE | 3D FEA | Error (%) | |
|---|---|---|---|
| Torque (Nm) | 23.51 | 23.36 | 0.63 |
| Total Loss (W) | 744.7 | 766.98 | 2.9 |
Disclaimer/Publisher’s Note: The statements, opinions and data contained in all publications are solely those of the individual author(s) and contributor(s) and not of MDPI and/or the editor(s). MDPI and/or the editor(s) disclaim responsibility for any injury to people or property resulting from any ideas, methods, instructions or products referred to in the content. |
© 2025 by the authors. Licensee MDPI, Basel, Switzerland. This article is an open access article distributed under the terms and conditions of the Creative Commons Attribution (CC BY) license (https://creativecommons.org/licenses/by/4.0/).
Share and Cite
Kulan, M.C.; Mahmouditabar, F.; Alharbi, A.A.M.; Yildirim, B.; Baker, N.J. Design, Optimization, and Validation of a Dual Three-Phase YASA Axial Flux Machine with SMC Stator for Aerospace Electromechanical Actuators. Energies 2025, 18, 6274. https://doi.org/10.3390/en18236274
Kulan MC, Mahmouditabar F, Alharbi AAM, Yildirim B, Baker NJ. Design, Optimization, and Validation of a Dual Three-Phase YASA Axial Flux Machine with SMC Stator for Aerospace Electromechanical Actuators. Energies. 2025; 18(23):6274. https://doi.org/10.3390/en18236274
Chicago/Turabian StyleKulan, Mehmet C., Farshid Mahmouditabar, Abdulrahman A. M. Alharbi, Bortecene Yildirim, and Nick J. Baker. 2025. "Design, Optimization, and Validation of a Dual Three-Phase YASA Axial Flux Machine with SMC Stator for Aerospace Electromechanical Actuators" Energies 18, no. 23: 6274. https://doi.org/10.3390/en18236274
APA StyleKulan, M. C., Mahmouditabar, F., Alharbi, A. A. M., Yildirim, B., & Baker, N. J. (2025). Design, Optimization, and Validation of a Dual Three-Phase YASA Axial Flux Machine with SMC Stator for Aerospace Electromechanical Actuators. Energies, 18(23), 6274. https://doi.org/10.3390/en18236274

