Coordination Mechanism Between Electric Vehicles and Air Conditioning Loads Based on Price Guidance
Abstract
1. Introduction
2. Problem Definition and Motivation
2.1. Characteristics of EV and AC Loads
2.2. Spatiotemporal Coupling Characteristics
3. Design of a Price-Guided Coordination Mechanism
3.1. Principles of Mechanism Design
- Economic Efficiency Principle: This principle forms the core of electricity pricing design and aims to maximize total social welfare. The value created through V2G and AC load coordination originates from the collective contributions of multiple stakeholders. Therefore, total social welfare should equal the sum of net benefits across all participants, while ensuring that no individual participant incurs losses. This objective can be achieved through the construction and solution of optimization models.
- Consumer Protection Principle: Serving as the cornerstone for maintaining user participation and trust, this principle requires transparency and accessibility in the determination of discharge electricity prices, real-time pricing, and historical data. Furthermore, users who contribute equivalent value should receive equal incentives, thereby preventing price discrimination and promoting both transparency and fairness in the pricing process.
- System Sustainability Principle: This principle emphasizes the long-term financial viability of the V2G model, particularly in relation to cost recovery mechanisms for discharge pricing. This paper proposes that the system benefits arising from V2G discharge, such as deferred investment in peak power generation capacity, should be recovered by applying critical peak prices to non-V2G end-users during peak hours. This approach establishes a beneficiary-pays virtuous cycle, prevents cross-subsidization through the socialization of costs, and ensures the sustainable development of V2G.
3.2. Closed-Loop Value Transfer Framework
- Grid Company: As the system operator, the grid company acts as both the initiator of demand and the ultimate beneficiary of value generated through demand-side coordination. Its key objectives involve ensuring system reliability, reducing overall operating costs, and deferring grid infrastructure investments. By procuring flexibility services from aggregators, it circumvents the need to dispatch insufficient high-cost generators, thereby yielding significant economic gains from deferred capital expenditures and enhanced operational efficiency. The payments made for these services are substantially lower than the costs of conventional alternatives, resulting in positive net benefits.
- Aggregators: Serving as pivotal intermediaries that link the grid with distributed end-users, aggregators pool dispersed V2G and AC resources and develop optimal scheduling strategies in line with grid demand. Through effective resource aggregation and coordination, they deliver high-quality demand response services at costs below electricity market prices, earning margin-based profits. Their main expenditures consist of incentive payments to end-users and operational platform costs, while their revenue originates from electricity market settlements with the grid company.
- End-Users: Comprising EV owners and AC users, end-users represent the ultimate providers of flexibility. By responding to dynamic price signals from aggregators and adjusting their charging, discharging, cooling, or heating behaviors, they receive financial compensation. For EV users, discharging during peak hours must generate sufficient revenue to offset battery degradation costs and any loss of convenience. For AC users, moderately relaxing indoor temperature setpoints during high-temperature peak hours yields energy-saving incentives or direct payments, which should compensate for the temporary sacrifice in thermal comfort.
4. Bi-Level Optimization Model of the Proposed Mechanism
4.1. Bi-Level Optimization Framework
4.2. Upper-Level Grid Optimization Model
4.2.1. Objective Function of Upper-Level Model
- A.
- Social Welfare
- (a)
- Utility Function of Grid Company
- (b)
- Aggregator Utility Function
- (c)
- Individual User Utility Function
- B.
- Peak-to-Valley Ratio
- C.
- Proportion of Off-Peak Electricity
4.2.2. Constraints of Upper-Level Model
- A.
- Security and Stability Constraints
- B.
- Incentive Price Mechanism Design Constraints
4.3. Lower-Level User Optimization Model
4.3.1. Objective Function of Lower-Level Model
4.3.2. Constraints of Lower-Level Model
- A.
- Power and Price Constraints
- B.
- User Response Willingness Constraints
- C.
- EV Charging and Discharging Constraints
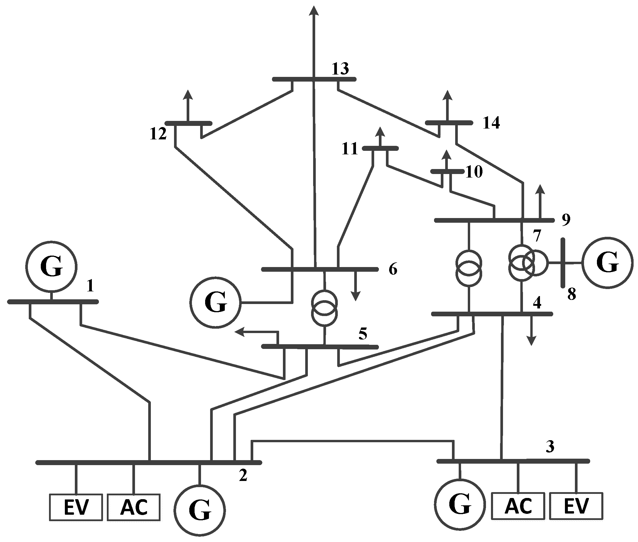
5. Experimental Validation and Discussion
5.1. Parameter Settings
5.2. Analysis of the Proposed Coordination Mechanism
5.2.1. Grid Regulation Capability
5.2.2. Economic and Behavioral Analysis
5.2.3. Spatiotemporal Coupling Evaluation
6. Conclusions
Author Contributions
Funding
Data Availability Statement
Conflicts of Interest
Abbreviations
| AC | Air Conditioning |
| V2G | Vehicle-to-Grid |
| EV | Electric Vehicle |
| JND | Just Noticeable Difference |
| O&M | Operation and Maintenance |
| SOC | State of Charge |
| DoD | Depth of Discharge |
| AHP | Analytic Hierarchy Process |
References
- Ross, S.C.; Vuylsteke, G.; Mathieu, J.L. Effects of Load-Based Frequency Regulation on Distribution Network Operation. IEEE Trans. Power Syst. 2019, 34, 1569–1578. [Google Scholar] [CrossRef]
- Waseem, T.M.; Lin, Z.; Ding, Y.; Wen, F.; Liu, S.; Palu, I. Technologies and Practical Implementations of Air-Conditioner Based Demand Response. J. Mod. Power Syst. Clean Energy 2021, 9, 1395–1413. [Google Scholar] [CrossRef]
- Liu, W.; Zhang, X.; Wu, Y.; Feng, S. Economic Analysis of Renewable Energy in the Electricity Marketization Framework: A Case Study in Guangdong, China. Front. Energy Res. 2020, 8, 98. [Google Scholar] [CrossRef]
- Wang, K.; Niu, D.; Yu, M.; Liang, Y.; Yang, X.; Wu, J.; Xu, X. Analysis and Countermeasures of China’s Green Electric Power Development. Sustainability 2021, 13, 708. [Google Scholar] [CrossRef]
- Yang, X.; Niu, D.; Chen, M.; Wang, K.; Wang, Q.; Xu, X. An Operation Benefit Analysis and Decision Model of Thermal Power Enterprises in China Against the Background of Large-Scale New Energy Consumption. Sustainability 2020, 12, 4642. [Google Scholar] [CrossRef]
- Flataker, A.; Malmin, O.K.; Hjelkrem, O.A.; Rana, R.; Korpås, M.; Torsæter, B.N. Impact of Home- and Destination Charging on the Geographical and Temporal Distribution of Electric Vehicle Charging Load. In Proceedings of the 18th International Conference on the European Energy Market (EEM), Ljubljana, Slovenia, 13–15 September 2022; pp. 1–6. [Google Scholar] [CrossRef]
- Pagany, R.; Marquardt, A.; Zink, R. Electric Charging Demand Location Model—A User- and Destination-Based Locating Approach for Electric Vehicle Charging Stations. Sustainability 2019, 11, 2301. [Google Scholar] [CrossRef]
- Chen, L.; Zhou, J.; Chen, Y.; Cao, Z.; Dong, X.; Choo, K.-K.R. PADP: Efficient Privacy-Preserving Data Aggregation and Dynamic Pricing for Vehicle-to-Grid Networks. IEEE Internet Things J. 2021, 8, 7863–7873. [Google Scholar] [CrossRef]
- Chen, P.; Han, L.; Xin, G.; Zhang, A.; Ren, H.; Wang, F. Game Theory Based Optimal Pricing Strategy for V2G Participating in Demand Response. IEEE Trans. Ind. Appl. 2023, 59, 4673–4683. [Google Scholar] [CrossRef]
- Al-Obaidi, A.A.; Farag, H.E.Z. Optimal Design of V2G Incentives and V2G-Capable Electric Vehicles Parking Lots Considering Cost-Benefit Financial Analysis and User Participation. IEEE Trans. Sustain. Energy 2024, 15, 454–465. [Google Scholar] [CrossRef]
- Liu, Y.; Yu, H.; Wang, F.; Huang, M.; Shi, J.; Liu, W.; Wu, Y.; Li, L.; Liu, M. Electric Vehicle Scheduling Strategy Based on Dynamic Adjustment Mechanism of Time-of-Use Price. Front. Smart Grids 2025, 4, 1554251. [Google Scholar] [CrossRef]
- Wang, Y.; Sun, W. A Two-Stage Robust Pricing Strategy for Electric Vehicle Aggregators Considering Dual Uncertainty in Electricity Demand and Real-Time Electricity Prices. Sustainability 2024, 16, 3593. [Google Scholar] [CrossRef]
- Winzer, C.; Hensler-Ludwig, P. Design and Impact of Grid Tariffs. Energies 2024, 17, 1364. [Google Scholar] [CrossRef]
- Goh, H.H.; Zong, L.; Zhang, D.; Dai, W.; Lim, C.S.; Kurniawan, T.A.; Goh, K.C. Orderly Charging Strategy Based on Optimal Time of Use Price Demand Response of Electric Vehicles in Distribution Network. Energies 2022, 15, 1869. [Google Scholar] [CrossRef]
- Das, R.; Wang, Y.; Putrus, G.; Kotter, R.; Marzband, M.; Herteleer, B.; Warmerdam, J. Multi-Objective Techno-Economic-Environmental Optimisation of Electric Vehicle for Energy Services. Appl. Energy 2020, 257, 113965. [Google Scholar] [CrossRef]
- Yu, S.H.; Du, Z.B.; Chen, L.D. Optimal Regulation Strategy of Electric Vehicle Charging and Discharging Based on Dynamic Regional Dispatching Price. Front. Energy Res. 2022, 10, 873262. [Google Scholar] [CrossRef]
- Bakhuis, J.; Barbour, N.; Molin, E.; Chappin, É.J.L. Understanding User Preferences Regarding Vehicle-to-Grid (V2G): A Latent Class Choice Analysis. Transp. Res. Part A Policy Pract. 2025, 199, 104610. [Google Scholar] [CrossRef]
- Zhang, C.; Kitamura, H.; Goto, M. Exploring V2G Potential in Tokyo: The Impact of User Behavior Through Multi-Agent Simulation. IEEE Access 2024, 12, 118981–119002. [Google Scholar] [CrossRef]
- Chen, C.-F.; Xu, X.; Cao, Z.; Mockus, A.; Shi, Q. Analysis of Social–Psychological Factors and Financial Incentives in Demand Response and Residential Energy Behavior. Front. Energy Res. 2023, 11, 932134. [Google Scholar] [CrossRef]
- Maheshwari, A.; Paterakis, N.G.; Santarelli, M.; Gibescu, M. Optimizing the Operation of Energy Storage Using a Non-Linear Lithium-Ion Battery Degradation Model. Appl. Energy 2020, 261, 114360. [Google Scholar] [CrossRef]
- Krueger, H.; Cruden, A. Integration of Electric Vehicle User Charging Preferences into Vehicle-to-Grid Aggregator Controls. Energy Rep. 2020, 6, 86–95. [Google Scholar] [CrossRef]
- Bao, Y.; Chang, F.; Shi, J.; Yin, P.; Zhang, W.; Gao, D.W. An Approach for Pricing of Charging Service Fees in an Electric Vehicle Public Charging Station Based on Prospect Theory. Energies 2022, 15, 5308. [Google Scholar] [CrossRef]
- Lesieutre, B.; Bravo, R.; Yinger, R.; Chassin, D.; Huang, H.; Lu, N.; Hiskens, I.; Venkataramanan, G. Load Modeling Transmission Research. Final Project Report; Report No. LBNL-5677E; Lawrence Berkeley National Laboratory (LBNL): Berkeley, CA, USA, 2012. [Google Scholar]
- Liu, Y.; Eyre, N.; Darby, S. Follow-Up Analysis of DR Potential of Commercial Buildings for Summer and Winter in Shanghai; Natural Resources Defense Council: Beijing, China, 2016. [Google Scholar]
- Zhang, Z.; Chen, Z.; Gümrükcü, E.; Xing, Q.; Ponci, F.; Monti, A. A Nudge-Based Approach for Day-Ahead Optimal Scheduling of Destination Charging Station with Flexible Regulation Capacity. IEEE Trans. Transp. Electrif. 2024, 10, 8498–8512. [Google Scholar] [CrossRef]
- Lauss, L.; Meier, A.; Auer, T. Uncertainty and Sensitivity Analyses of Operational Errors in Air Handling Units and Unexpected User Behavior for Energy Efficiency and Thermal Comfort. Energy Effic. 2022, 15, 4. [Google Scholar] [CrossRef]
- Fritsch, J.; Poudineh, R. Gas-to-Power Market and Investment Incentive for Enhancing Generation Capacity: An Analysis of Ghana’s Electricity Sector. Energy Policy 2016, 92, 92–101. [Google Scholar] [CrossRef]
- Wu, H.; Wang, J.; Ren, Y.; Bi, R.; Sun, M.; Wei, W. Response Reliability and Risk Analysis of Users under Time-of-use Price. IET Gener. Transm. Distrib. 2021, 16, 839–850. [Google Scholar] [CrossRef]
- Xu, X.; Li, K.; Wang, F.; Mi, Z.; Jia, Y.; Wei, W.; Jing, Y. Evaluating Multitimescale Response Capability of EV Aggregator Considering Users’ Willingness. IEEE Trans. Ind. Appl. 2021, 57, 3366–3376. [Google Scholar] [CrossRef]
- Wang, D.; Coignard, J.; Zeng, T.; Zhang, C.; Saxena, S. Quantifying Electric Vehicle Battery Degradation from Driving vs. Vehicle-to-Grid Services. J. Power Sources 2016, 332, 193–203. [Google Scholar] [CrossRef]
- Zhao, Y.; Yuan, Q.; Yang, L.; Liang, G.; Cheng, Y.; Wu, L.; Lin, C.; Che, R. Zero-Strain NiNb2O6 Fibers for All-Climate Lithium Storage. Nano-Micro Lett. 2024, 17, 15. [Google Scholar] [CrossRef]
- Made, R.I.; Lin, J.; Zhang, J.; Zhang, Y.; Moh, L.C.; Liu, Z.; Ding, N.; Chiam, S.Y.; Khoo, E.; Yin, X.; et al. Health Diagnosis and Recuperation of Aged Li-Ion Batteries with Data Analytics and Equivalent Circuit Modeling. iScience 2024, 27, 109416. [Google Scholar] [CrossRef]













| Regulation Method | Peak Shaving | Valley Filling | Implementation Complexity | User Experience |
|---|---|---|---|---|
| AC | √ (limited) | × | Low | Sacrificing comfort |
| V2G | √ | √ | Low | Minimal user awareness, negligible impact |
| Stakeholders | Parameter | Value | Parameter | Value |
|---|---|---|---|---|
| Grid Companies | Off-peak Hours | [0:00,6:00]∪[22:00,24:00] | Peak hours | [8:00,12:00]∪[14:00,15:00]∪[18:00,21:00] |
| Flat Hours | [6:00,8:00]∪[15:00,18:00]∪[21:00,22:00] | Critical peak hours | [12:00,14:00] | |
| Time-of-Use Electricity Price (CNY/kWh) | {critical peak, peak, flat, off-peak} = {1.45, 1.17, 0.68, 0.32} | pdr_max | 1.5 CNY/kWh | |
| Peak AC Load | 20.15 million kW | IRR | 8% | |
| Peak Charging Load | 1.5 million kW | / | / | |
| Aggregators | V2G Investment Cost | 700 CNY/kW | V2G O&M cost | 35 CNY/kW |
| V2G Service Life | 8 years | V2G Installed Capacity | 2.8 million kW | |
| Users | Kdis | [0.2,1.5] | Charging and Discharging Loss | 20% |
| Cb | 600 CNY/kWh | N0 | 3500 | |
| KAC | [0.05,0.1] | pth_AC | 0 | |
| λmax_dis | Vehicle Parking Percentage | λmax_AC | 0.2 | |
| Number of AC Users | 42.5 million | Number of V2G Users | 600 k private users, 200 k office users | |
| SOCmin | 60% | SOCmax | 100% |
Disclaimer/Publisher’s Note: The statements, opinions and data contained in all publications are solely those of the individual author(s) and contributor(s) and not of MDPI and/or the editor(s). MDPI and/or the editor(s) disclaim responsibility for any injury to people or property resulting from any ideas, methods, instructions or products referred to in the content. |
© 2025 by the authors. Licensee MDPI, Basel, Switzerland. This article is an open access article distributed under the terms and conditions of the Creative Commons Attribution (CC BY) license (https://creativecommons.org/licenses/by/4.0/).
Share and Cite
Wu, D.; Zhong, D.; Li, L. Coordination Mechanism Between Electric Vehicles and Air Conditioning Loads Based on Price Guidance. Energies 2025, 18, 5984. https://doi.org/10.3390/en18225984
Wu D, Zhong D, Li L. Coordination Mechanism Between Electric Vehicles and Air Conditioning Loads Based on Price Guidance. Energies. 2025; 18(22):5984. https://doi.org/10.3390/en18225984
Chicago/Turabian StyleWu, Dan, Danting Zhong, and Lili Li. 2025. "Coordination Mechanism Between Electric Vehicles and Air Conditioning Loads Based on Price Guidance" Energies 18, no. 22: 5984. https://doi.org/10.3390/en18225984
APA StyleWu, D., Zhong, D., & Li, L. (2025). Coordination Mechanism Between Electric Vehicles and Air Conditioning Loads Based on Price Guidance. Energies, 18(22), 5984. https://doi.org/10.3390/en18225984

