Next Article in Journal
The Effects of Pilot Structure on the Lean Ignition Characteristics of the Internally Staged Combustor
Next Article in Special Issue
Smart Low-Cost On-Board Charger for Electric Vehicles Using Arduino-Based Control
Previous Article in Journal
A Scenario-Based Simulation Study for Economic Viability and Widespread Impact Analysis of Consumption-Side Energy Storage Systems
Previous Article in Special Issue
The Gasification and Pyrolysis of Biomass Using a Plasma System
 
 
Font Type:
Arial Georgia Verdana
Font Size:
Aa Aa Aa
Line Spacing:
Column Width:
Background:
Article

A Novel IGBT-Based Silicone Carbide Rectifier Design for Improved Energy Efficiency in Telco Data Centers

by
Fatih Yalçın
1,
Hüseyin Köse
1 and
Asuman Savaşcıhabeş
2,*
1
Faculty of Engineering, Ostim Technical University, 06374 Ankara, Turkey
2
Faculty of Engineering, Nuh Naci Yazgan University, 38170 Kayseri, Turkey
*
Author to whom correspondence should be addressed.
Energies 2025, 18(2), 348; https://doi.org/10.3390/en18020348
Submission received: 30 November 2024 / Revised: 5 January 2025 / Accepted: 9 January 2025 / Published: 15 January 2025
(This article belongs to the Special Issue Design and Implementation of Renewable Energy Systems—2nd Edition)

Abstract

This study presents a novel topology designed to enhance the energy efficiency and quality of IGBT-based high-frequency rectifiers, which are commonly used to supply the high DC power required in industrial applications. In the proposed design, traditional silicon semiconductors are replaced with advanced SiC semiconductors, resulting in reduced switching losses and improved energy quality due to higher frequency switching. The new topology also offers solutions to challenges such as inrush current, reverse energy flow, and high DC output voltage issues typically encountered in IGBT-based rectifiers. The goal is for this topology to maximize efficiency and applicability. The proposed design is simulated in the Simulink environment, with the results presented in the findings section. To highlight the advantages of the new topology, the electrical parameters of the widely used three-phase full-bridge IGBT rectifier topology are employed for comparison.

1. Introduction

Rectifier circuits have been developed to meet the DC power needed in electronics and industry. In the first developed rectifier circuits, the rectification process was performed with uncontrolled semiconductor diodes. Over time, due to the increasing need for control, it has become necessary to develop controlled rectifier topologies. For this reason, new rectifier topologies based on thyristors (also known as SCR silicone-controlled rectifiers) have been developed. Although thyristor rectifier topologies are not as good as high-frequency rectifier topologies in terms of energy quality and efficiency, they have been widely used in the industry for years due to their low cost and long life [1,2].
Silicon Carbide (SiC) rectifiers are increasingly being adopted across a wide range of electronic systems due to their superior electrical, thermal, and physical properties compared to traditional silicon-based rectifiers. SiC rectifiers offer benefits such as higher efficiency, greater thermal conductivity, higher switching frequencies, and enhanced reliability, making them ideal for demanding and high-performance applications. Below is an overview of the key systems and industries that benefit from using SiC rectifiers:
  • Electric Vehicles (EVs) and transportation (electric and hybrid vehicles, rail, and marine transportation);
  • Renewable energy systems (solar power, wind power);
  • Data centers and high-performance computing (Power Supply Units (PSUs), data center infrastructure);
  • Industrial motor drives and automation (Variable Frequency Drives (VFDs), high-power industrial equipment);
  • Aerospace and defense (avionics power systems, military equipment, aircraft);
  • Telecommunications (base stations and networking equipment, data transmission systems);
  • Renewable energy storage systems (battery energy storage, grid-scale storage).
Also, SiC rectifiers are transforming numerous industries [3] by providing high-efficiency, reliable, and compact power conversion solutions; their unique properties make them ideal for applications that demand superior performance, reduced energy consumption, and enhanced thermal management. As technology continues to advance and the demand for efficient power electronics grows, the adoption of SiC rectifiers is expected to expand further across various sectors, driving innovation and sustainability.
However, with the rising energy demand and industrial growth, energy efficiency and quality have become critical priorities. Studies [4,5] have shown that increasing the switching frequency significantly improves energy quality. Consequently, high-frequency rectifier topologies have been increasingly developed to address these needs. In particular, three-phase high-frequency rectifier topologies have attracted considerable attention due to their importance in achieving energy efficiency at high power levels. Among these, the three-phase full-bridge IGBT rectifier topology has emerged as one of the most widely used configurations [6,7,8].
After developing the three-phase full-bridge rectifier topology shown in Figure 1, several drawbacks were identified. The first issue is that the DC bus capacitors draw high inrush currents through the body diodes, even when the IGBTs are not conducting. Another challenge is that the output voltage cannot be lower than the peak value of the grid voltage. Additionally, if there is a phase imbalance, the voltage stress on the IGBTs increases significantly, potentially leading to damage of the IGBTs [9,10].
A three-phase, six-switch power factor correction rectifier with an active clamp and a one-cycle controller is proposed in [11]. This design effectively suppresses the reverse recovery of the reverse-parallel diode in the bridge arm switch, thereby reducing reverse recovery losses. Both the main switches and the auxiliary switch operate under zero-voltage switching conditions. The system functions at a fixed switching frequency with low power stress during the switching period. The working process and control circuit are analyzed in detail, and model simulations are conducted. Additionally, a 2.5 kW prototype experimental platform was developed in the laboratory to test and validate the proposed soft-switching technology comprehensively.
As highlighted in study [12], a substantial body of literature on this circuit focuses predominantly on various control schemes designed to optimize different aspects of its steady-state and/or transient performance. However, no prior studies have addressed its start-up procedure, which is a crucial element in the control design of any practical circuit. To bridge this gap, ref. [12] presents a detailed start-up procedure. This three-step process ensures that inrush currents remain below a specified threshold and that the output voltage increases monotonically to its reference value, avoiding any overshoot. The proposed procedure was demonstrated using Matlab/Simulink (version 2024a) simulation waveforms and was also validated experimentally.
Another study [13] presents a comparative analysis of silicon (Si) IGBTs and silicon carbide (SiC) MOSFETs within a 15 kW Vienna rectifier, evaluating both technical performance and cost-effectiveness.
Study [14] explores conventional DC-DC converter topologies, including buck, boost, buck-boost, Ćuk, SEPIC, and Luo converters, as well as their control techniques tailored for specific applications. Maintaining a stable output voltage, regardless of fluctuations in line voltage or load current, is a fundamental requirement for voltage regulators. To achieve this, a range of control strategies, categorized into linear and non-linear controllers, have been developed to manage these converters under dynamic conditions. Additionally, the study offers a thorough review of the control methods applied to these converters, focusing on their hardware implementations. This includes the use of microcontrollers, Digital Signal Processors (DSPs), and Very-Large-Scale Integration (VLSI) chips, providing a detailed analysis of their effectiveness in practical applications.
In the proposed rectifier topology, alternative solutions have been developed to address the issues outlined in the previous paragraph, making this new design more efficient and appealing compared to the traditional three-phase full-bridge IGBT rectifier topology. Furthermore, to enhance energy efficiency, silicon IGBT modules have been substituted with SiC IGBT modules, whose superior efficiency and performance have been validated through previous research. Additionally, to take advantage of the benefits offered by multi-level converters in terms of energy efficiency and quality, the two-level full-bridge rectifier has been replaced with a three-level NPC bridge rectifier.
To fully capitalize on the benefits offered by the new-generation SiC IGBTs, the switching frequency should be maximized. However, the achievable switching frequency is constrained by the control and driver circuits. To overcome this limitation, the high-speed quasi-resonant SiC IGBT driver card, developed in a previous study, was utilized in this research [15].
Silicon carbide (SiC) switching rectifiers are becoming more prevalent in telecommunications (telco) data centers because of their numerous benefits, including their high efficiency, low energy loss, greater temperature tolerance, and compact design. These advantages enable data centers to reduce energy costs and minimize their environmental footprint [16,17].
Major telco data centers using SiC rectifiers include some well-known centers such as Google data centers, Microsoft Azure data centers, Amazon data centers for web services, and Huawei data centers for the reliable power management:
  • Google data centers: Google is exploring advanced power electronics solutions to increase energy efficiency and support renewable energy use. SiC-based components are being evaluated as a potential option for optimizing power conversion processes in Google’s data centers.
  • Microsoft Azure data centers: Microsoft is adopting highly efficient power management technologies to achieve sustainable energy goals. SiC rectifiers are used to make energy conversion more efficient in Azure data centers.
  • Amazon Web Services (AWS) data centers: AWS is integrating advanced power conversion technologies to increase energy efficiency. SiC-based rectifiers are preferred in AWS data centers to minimize energy losses and improve power quality.
  • Huawei data centers: Huawei uses SiC power components to improve energy efficiency and optimize power conversion processes. In Huawei’s data centers, SiC rectifiers provide high-performance and reliable power management.
  • Equinix data centers: Equinix is adopting advanced power electronics solutions to increase energy efficiency in its data centers around the world. SiC-based rectifiers play a key role in Equinix’s energy conversion processes.
Besides these data centers’ power management issues, there are various advantages and disadvantages of choosing and using SiC rectifiers, which are summarized in Table 1:
Silicon carbide (SiC) switching rectifiers are increasingly being adopted in modern telecommunications (telco) data centers to meet stringent energy efficiency and performance requirements. By leveraging advanced SiC-based power electronics, large-scale and high-tech data centers are successfully reducing operational costs and achieving environmental sustainability goals [18,19].
One significant advantage of SiC rectifiers is their ability to operate efficiently at higher temperatures, which reduces the need for extensive cooling systems. This not only lowers energy consumption associated with cooling but also improves overall thermal management in the data center. The enhanced thermal conductivity of SiC materials enables effective heat dissipation, minimizing hotspots and extending the lifespan of electronic components [16].
SiC rectifiers are also more robust and less susceptible to failure under harsh operating conditions, resulting in greater reliability for power supply systems. The inherent material properties of SiC contribute to longer operational life, thereby reducing the frequency of replacements and maintenance requirements. Additionally, the higher efficiency and reduced energy losses of SiC rectifiers lead to lower electricity bills, making them a cost-effective choice over the long term. This efficiency supports data centers in meeting sustainability targets by reducing their carbon footprint.
Another key benefit is the stable and precise DC output provided by SiC rectifiers, which is crucial for sensitive electronic equipment in data centers. Lower switching losses and smoother power conversion processes result in reduced electrical noise and interference, thereby enhancing data center performance. The compact size of SiC rectifiers allows for more flexible layout designs, making it possible to accommodate more equipment within the same space. Their reduced weight also facilitates easier installation and may lower structural requirements for supporting infrastructure [20].
SiC rectifiers are well-suited for scalable power systems, effectively meeting the growing power demands of expanding data center operations. The flexibility of SiC technology supports a wide range of design configurations, allowing for customized solutions tailored to specific data center needs. Improved reliability and extended lifespans minimize the frequency of maintenance, ensuring uninterrupted operations. The decreased need for repairs and replacements translates to lower maintenance costs and more efficient resource allocation [21].
A comprehensive comparison of well-known topologies in literature with the topology proposed in the study is given in Table 2.
Overall, the adoption of SiC rectifiers enhances data center efficiency, reliability, and sustainability, making them a strategic choice for modern telco data centers aiming to reduce costs and environmental impact while maintaining high performance.
This study demonstrates significant advancements in rectifier efficiency and harmonic reduction through the integration of SiC-based IGBT modules, presenting a high-performance topology tailored for critical applications, validated with real-world component parameters, and contributing beyond conventional practices by addressing long-standing challenges in energy quality and efficiency.
Efficiency and harmonic reduction: The implementation of SiC-based IGBT modules has enabled significant efficiency improvements, achieving over 98% average efficiency, while reducing harmonic distortion levels to below 2.5%, setting a new benchmark for high-performance rectifiers.
Advanced topology for high-demand applications: The proposed SiC-based PFC rectifier topology offers unparalleled energy quality, making it particularly suitable for critical applications such as data centers, telecommunications, and medical systems where low harmonic content and high power factor are essential.
Validation of real-world performance: The integration of real component parameters in both simulation and experimental validation underscores the practical applicability of our design, bridging the gap between theoretical models and real-world performance.
Contribution beyond conventional practices: While rooted in traditional converter designs, this study advances the field by leveraging next-generation semiconductor technologies to address long-standing challenges in energy efficiency and quality, thus contributing meaningful insights to the domain of power electronics.
In this study, the Power Factor Correction (PFC) operating mode was implemented in the proposed topology to enhance both energy efficiency and performance quality. The input boost inductance is controlled to follow the sinusoidal waveform of the input voltage, ensuring that the input current mirrors the waveform of the input voltage. This approach achieves a power factor of 1 while significantly reducing current harmonics. Additionally, since the output voltage exceeds the input voltage and the power factor remains the same, this configuration is commonly referred to as the PFC Boost Converter.

2. Proposed Topology

The proposed topology, illustrated in Figure 2, can be broadly categorized into three subgroups. The first subgroup comprises static transfer switches, which address the previously mentioned issues of inrush current and reverse energy flow. The second subgroup consists of the NPC rectifier circuit, responsible for performing the primary rectification process. The third subgroup features the SiC IGBT buck converter circuit, designed to lower the high DC voltage obtained to the desired level.
The static switches with bidirectional switching and soft-start capability in the first section were implemented to address the soft-start problem. In conventional applications, short-term pre-charge circuits comprising resistors and contactors are commonly used to prevent inrush current in DC bus capacitors. However, this method becomes inefficient at high DC voltages due to the significant increase in power consumption, cost, and physical space required for the resistors and contactors. Moreover, any malfunction in these pre-charge circuits can result in inrush currents causing permanent damage to the system. In contrast, the static switches employed in the proposed topology provide an efficient and reliable soft-start mechanism, even for high-power applications.
Furthermore, due to the lack of electrical isolation, reverse energy flow may occur in the event of a malfunction in the control circuit. To prevent potential damage to other loads connected to the same power line, protective measures are necessary. Traditional mechanical circuit breakers are unsuitable for this purpose due to their relatively slow response time. However, the static switches employed in the proposed topology can disconnect the circuit from the power line within milliseconds. This ensures that other loads connected to the same network are minimally impacted by any adverse conditions. These features highlight additional advantages of the static switches in the proposed topology. The IXYS MCC44-12IO8B (Chicago, IL, USA) 2 × 1200 V 49 A dual thyristor module, depicted in Figure 3, was utilized as the static switch in this implementation.
The second and most critical component is the main rectifier circuit. Instead of the conventional two-level, six-switch full-bridge rectifier, a three-level, 12-switch I-type NPC rectifier circuit has been employed. This modification introduces several significant enhancements and performance improvements.
The primary advantage lies in the reduction in voltage stress on the semiconductors by half. This reduction leads to lower switching and snubber losses, thereby improving overall efficiency. Additionally, with the voltage stress on the semiconductors halved, the circuit can accommodate much higher input voltages, providing another key benefit of the proposed topology.
To enhance the efficiency of the NPC rectifier circuit in the proposed topology, SiC IGBT modules—recognized for their superior efficiency and energy quality—were utilized. Specifically, Vincotech 10-PY07NIA100S503-M515F58Y (Unterhaching, Germany) 2 × 650 V 90 A Dual SiC IGBT modules, depicted in Figure 4, were employed. These modules integrate all semiconductors required for each phase and are specifically designed for NPC converters. This design ensures compatibility among all semiconductors in the circuit, reduces the overall package size, and offers a more cost-effective solution.
The third and final component is the buck converter circuit, which is incorporated into the proposed topology to step down the high DC voltage to the desired level. This circuit utilizes a new SiC IGBT switching element and a SiC diode. To optimize costs, reduce the number of semiconductor modules, and enhance the Mean Time Between Failures (MTBF), the Vincotech 80-M3122PA300SC-K839F42 (Unterhaching, Germany) 2 × 1200 V 300 A Dual SiC IGBT module, depicted in Figure 5, was employed. In this configuration, one of the IGBT modules serves as the switching element, while the emitter and gate terminals of the other SiC IGBT are short-circuited, utilizing only its body diode.
Moreover, in the industry, rectifier and buck converter devices are generally sold as separate units, resulting in substantial costs for high-volume purchases. By integrating the buck converter circuit into the proposed topology, the overall cost-effectiveness is significantly improved, positioning it as a more economically viable solution.

3. Simulation Studies

This section discusses the simulation of the proposed topology, depicted in Figure 6, which was developed using MATLAB, along with the corresponding simulation results.
In the simulation circuit illustrated in Figure 6, the system is divided into sub-circuits according to the proposed topology functions to provide a clearer and more comprehensible view. The simulation parameters of the circuit are presented in Table 3. The block labeled “soft starter”, which contains static switches, is depicted in Figure 3.
Figure 7 illustrates the general view of the AC input voltage and current waveforms for the proposed topology. Upon examining the waveform, it can be observed that the input current increases gradually. A short segment from the beginning of the period is highlighted to better illustrate the soft-start effect. All relevant figures depicting the input and output will be provided separately in subsequent visuals.
The operation of static switches, based on the input voltage of the signal applied to the gate, is shown in Figure 8.
When Figure 8 is examined, it can be observed that the gate signals start with a 180-degree phase difference relative to their respective phases and decrease linearly during the defined soft-start period until the firing angle alpha reaches 0 degrees (full conduction). As specified in Table 2, setting the soft-start period to 1 s means that the firing angle alpha decreases linearly from 180 degrees to 0 degrees within 1 s.
The variation in the gate signals determines the waveform generated at the output of the static switches. The output of the static switch configuration designed for the soft-start function is demonstrated in Figure 9.
The detailed view of the AC waveforms in Figure 9 for the proposed topology provides essential information regarding AC power quality. First, an examination of the input voltage reveals that the power factor is very close to 1 (0.9796). Furthermore, the input current waveform, which closely resembles a sinusoidal shape, indicates that the harmonic distortion of the input current is likely to be low. The FFT analysis, displaying the total harmonic distortion and frequency components, is shown in Figure 10. Additionally, the three-level waveform observed at the input of the NPC rectifier confirms that the NPC rectifier is functioning correctly.
When the FFT analysis in Figure 10 is examined, it is observed that the total harmonic distortion (THD) is 2.43%. While the minimum THD for a three-phase full-bridge IGBT rectifier circuit is typically 5%, the proposed topology achieves a reduction to 2.43%. This low level of input current harmonics, combined with a high power factor, offers several advantages, such as reducing the size of the required cable sections, lowering costs, and facilitating the passage of electrical testing and certification processes.
Figure 11 presents the buck converter subsystem. While it follows the traditional buck converter topology, it differs by utilizing SiC (silicon carbide) technology for both the semiconductor switching element and the freewheel diode. The use of SiC IGBT semiconductors and high-frequency switching in the buck converter ensures that the high efficiency and quality provided by the proposed topology are maintained. Although a dual IGBT module is employed in the buck converter circuit shown in Figure 5, only one IGBT and one diode are used in the simulation environment. The electrical parameters of the IGBT and diode match those of real semiconductor components. Therefore, in the simulation, the bottom part of the IGBT in the actual module has been replaced with an equivalent diode.
Figure 12 shows the input and output waveforms of the buck converter, which is significant because it represents the final output of the proposed topology.
When Figure 12 is examined, the effect of the soft-start circuit on the DC bus voltage becomes evident. Analyzing the DC bus voltage ripple reveals a peak-to-peak ripple of 500 mV, which is well within acceptable limits.
Figure 13 also shows the output waveform of the buck converter, which is significant because it represents the final output of the proposed topology.
Examination of Figure 13 reveals that the DC bus voltage is reduced from 862 V to 206 V. The DC output voltage is regulated by adjusting the duty cycle of the buck converter, and the output voltage ripple is observed to be less than 0.1%.

4. Performance Analysis and Simulation Results

In this study, a new topology is proposed to enhance performance parameters such as efficiency, power factor, total harmonic distortion (THD), and output voltage ripple compared to conventional IGBT-based rectifier topologies. The proposed topology is simulated in the MATLAB Simulink environment. The key factor contributing to the improved efficiency of the proposed topology, compared to the classical three-phase full-bridge IGBT rectifier topology, is the use of next-generation SiC IGBT modules with lower switching losses, combined with the replacement of the full-bridge structure with an NPC (Neutral-Point-Clamped) structure.
The NPC converter reduces the voltage stress on the semiconductors by half, which in turn decreases snubber losses. Additionally, its three-level switching capability enables lower THD and a higher power factor. While the classical three-phase full-bridge IGBT rectifier topology typically achieves 90–95% efficiency, 5–7% THD, 0.9–0.95 power factor (PF), and 1% voltage ripple, the proposed topology achieves 95–98% efficiency, 2.43–3% THD, 0.97–1.00 power factor, and 0.1% voltage ripple.
For applications requiring high DC voltage between 800 and 1000 VDC, such as three-phase inverters and electric vehicle (EV) battery charging systems, the load can be directly connected to the NPC rectifier output to achieve up to 98% efficiency, eliminating the need for a buck converter. The proposed topology offers several advantages over the classical three-phase full-bridge IGBT rectifier topology, including lower THD, higher power factor, reduced cable cross-section, smaller size, and lighter weight. These benefits make the proposed topology appealing due to its effectiveness in reducing costs.

5. Conclusions

Using silicon carbide (SiC)-based rectifiers in DC-powered telecommunications (telco) data centers offers numerous advantages that significantly enhance performance, efficiency, and reliability. The key benefits of SiC technology include higher efficiency, higher switching frequencies, and increased power density.
For efficiency improvement, SiC rectifiers exhibit considerably lower energy losses during both conduction and switching compared to traditional silicon-based rectifiers. This higher efficiency results in reduced power consumption and lower operational costs. Improved power conversion efficiency ensures that more input power is effectively utilized, thereby minimizing waste heat and energy loss.
In terms of higher switching frequencies, SiC devices can operate at much higher frequencies, enabling the use of smaller inductors and capacitors. This reduces the overall size and weight of power conversion systems. Faster switching also allows quicker response to power fluctuations, enhancing the stability and reliability of the DC power supply in data centers. Additionally, the ability to handle higher power levels within smaller packages makes SiC rectifiers ideal for compact and lightweight power infrastructures, which is particularly beneficial for space-constrained data centers.
Integrating SiC-based rectifiers into DC-powered telco data centers improves efficiency, thermal management, reliability, and overall operational cost savings. These advantages not only enhance the performance and sustainability of data centers but also support their ability to meet the growing demands of the telecommunications industry. By leveraging SiC technology, data centers can achieve higher power densities, better energy efficiency, and improved power quality, all of which are essential for maintaining a robust and scalable telecommunications infrastructure.
In this study, a novel topology is proposed that utilizes new-generation SiC IGBT modules with lower switching losses and replaces the full-bridge structure with an NPC (Neutral-Point-Clamped) structure. The proposed topology is more efficient than the conventional three-phase full-bridge IGBT rectifier structure. To achieve 98% efficiency, the load can be directly connected to the NPC rectifier output in applications operating with high DC voltages between 800 and 1000 VDC, such as three-phase inverters and electric vehicle (EV) battery charging systems that do not require a buck converter.
Simulation results demonstrate that the proposed topology offers significant advantages, including lower THD and improved power factor, compared to traditional three-phase full-bridge IGBT rectifiers commonly used in these systems. The high efficiency shown in the simulation results makes the proposed topology a promising solution for telco data centers, offering the benefits of reduced energy costs and a lower environmental impact.
The improvements presented in this study include enhanced rectifier efficiency and reduced harmonic distortion using SiC-based IGBT modules, the development of a high-performance topology for critical applications, validation through real-world component parameters, and contributions that address persistent challenges in energy quality and efficiency beyond conventional approaches.
As part of our future plans, the writers aim to develop an extensive study that encompasses various critical aspects, including the practical implementation of the proposed topology, an in-depth exploration of its control theory, a detailed examination of real-world challenges alongside innovative solution strategies for practical circuits, comprehensive analyses of EMI (Electromagnetic Interference) and EMC (Electromagnetic Compatibility) pertaining to the topology, and the facilitation of bidirectional power flow to enable its application in vehicle charging and discharging scenarios, among other considerations.

Author Contributions

Conceptualization, F.Y. and H.K.; methodology, H.K.; software, F.Y. and H.K.; validation, H.K.; formal analysis, H.K.; investigation, A.S.; resources, F.Y.; data curation, F.Y.; writing—original draft preparation, H.K. and A.S.; writing—review and editing, A.S. and H.K.; visualization, A.S.; supervision, H.K.; funding acquisition, H.K. All authors have read and agreed to the published version of the manuscript.

Funding

This research was funded by PESS—Power Electronic System Solutions—a private company that produces various solutions in the field of power electronics.

Data Availability Statement

The original contributions presented in the study are included in the article, further inquiries can be directed to the corresponding author.

Acknowledgments

We would like to thank PESS for sharing its practical experience and laboratory facilities, aiding the emergence of this research.

Conflicts of Interest

The authors declare no conflicts of interest.

References

  1. Solanki, J.; Fröhleke, N.; Böcker, J.; Averberg, A.; Wallmeier, P. High-current variable-voltage rectifiers: State of the art topologies. IET Power Electron. 2015, 8, 1068–1080. [Google Scholar] [CrossRef]
  2. Lee, D.; Soh, M.Y.; Teo, T.H.; Yeo, K.S. Evaluation of Low Voltage Rectifier Design Using IGBT, MOSFET, and GaN FETs. In Proceedings of the TENCON 2018—2018 IEEE Region 10 Conference, Jeju, Republic of Korea, 28–31 October 2018; pp. 0389–0393. [Google Scholar] [CrossRef]
  3. Valverde, B.; Antenor Pomilio, J. Control and application of single-phase PWM rectifier in Aircraft Electric Systems. An. Simpósio Bras. Sist. Elétr. 2020. [Google Scholar] [CrossRef]
  4. Yoshida, T.; Shizuka, O.; Miyashita, O.; Ohniwa, K. An improvement technique for the efficiency of high-frequency switch-mode rectifiers. IEEE Trans. Power Electron. 2000, 15, 1118–1123. [Google Scholar] [CrossRef]
  5. Sheng, K.; Zhang, Y.; Yu, L.; Su, M.; Zhao, J.H. High-Frequency Switching of SiC High-Voltage LJFET. IEEE Trans. Power Electron. 2009, 24, 271–277. [Google Scholar] [CrossRef]
  6. Chen, X.; Ma, X. Study on three-phase six-switch buck-type rectifier of high power factor. DEStech Trans. Eng. Technol. Res. 2017. [Google Scholar] [CrossRef] [PubMed][Green Version]
  7. Huber, L.; Kumar, M.; Jovanovic, M. Performance comparison of three-step and six-step PWM in average-current-controlled three-phase six-switch boost PFC rectifier. IEEE Trans. Power Electron. 2015, 31, 7264–7272. [Google Scholar] [CrossRef]
  8. Lin, C.-W.; Peng, C.-Y.; Chiu, H.-J. A novel three-phase six-switch PFC rectifier with zero-voltage-switching and zero-current-switching features. Energies 2019, 12, 1119. [Google Scholar] [CrossRef]
  9. Prasad, P.; Dhote, V.P. A method for reducing inrush current and transient overvoltage in three phase capacitor bank. In Proceedings of the 2016 IEEE 1st International Conference on Power Electronics, Intelligent Control and Energy Systems (ICPEICES), Delhi, India, 4–6 July 2016; pp. 1–6. [Google Scholar] [CrossRef]
  10. Zaltsman, V. Inrush current control for equipment powered by UPSs. In Proceedings of the Eleventh International Telecommunications Energy Conference, Florence, Italy, 15–18 October 1989; Volume 2, pp. 19.4/1–19.4/7. [Google Scholar] [CrossRef]
  11. Zhen, Q.; Di, Q. Soft-switching technology of three-phase six-switch PFC rectifier. Energies 2020, 13, 5130. [Google Scholar] [CrossRef]
  12. Kumar, M.; Huber, L.; Jovanovic, M.M. Start-up procedure for three-phase six-switch boost PFC rectifier. In Proceedings of the 2014 IEEE Applied Power Electronics Conference and Exposition—APEC 2014, Fort Worth, TX, USA, 16–20 March 2014; pp. 1852–1859. [Google Scholar] [CrossRef]
  13. Järvisalo, H.; Korhonen, J.; Silventoinen, P.; Korhonen, P. Techno-economical comparison between Si and SiC switches in a VIENNA rectifier. In Proceedings of the 2021 IEEE 30th International Symposium on Industrial Electronics (ISIE), Kyoto, Japan, 20–23 June 2021; pp. 1–4. [Google Scholar] [CrossRef]
  14. Nigam, P. Multilevel rectifier/PFC topologies: A Review. SSRN Electron. J. 2024. [Google Scholar] [CrossRef]
  15. Yalçın, F.; Köse, H. SiC ve GaN Tabanlı IGBT Modülleri İçin Quasi Rezonant IGBT Kapı Sürücü Tasarımı. EMO Bilimsel Dergi 2022, 12, 41–48. [Google Scholar]
  16. Chen, Z.; Huang, A.Q. Extreme high efficiency enabled by silicon carbide (SiC) power devices. Mater. Sci. Semicond. Process. 2024, 172, 108052. [Google Scholar] [CrossRef]
  17. Xu, F.; Guo, B.; Xu, Z.; Tolbert, L.M.; Wang, F.; Blalock, B.J. High efficiency paralleled three-phase current source front-end rectifiers for data center power supplies with current balancing and hot-swap. In Proceedings of the 2014 IEEE Applied Power Electronics Conference and Exposition—APEC 2014, Fort Worth, TX, USA, 16–20 March 2014; pp. 900–905. [Google Scholar]
  18. Thoren, C.; SahIstrom, T. A new improved rectifier for Standard Telecom Systems. In Proceedings of the Second International Telecommunications Energy Special Conference, Budapest, Hungary, 22–24 April 1997; pp. 143–150. [Google Scholar] [CrossRef]
  19. Kutkut, N.H. A full bridge soft switched telecom power supply with a current doubler rectifier. In Proceedings of the Power and Energy Systems in Converging Markets, Melbourne, VIC, Australia, 23 October 1997; pp. 344–351. [Google Scholar] [CrossRef]
  20. Xu, F.; Guo, B.; Tolbert, L.M.; Wang, F.; Blalock, B.J. Design and performance of an all-SiC three-phase buck rectifier for high efficiency data center power supplies. In Proceedings of the 2012 IEEE Energy Conversion Congress and Exposition (ECCE), Raleigh, NC, USA, 15–20 September 2012; pp. 2927–2933. [Google Scholar]
  21. Rothmund, D.; Guillod, T.; Bortis, D.; Kolar, J.W. 99% Efficient 10 kV SiC-Based 7 kV/400 V DC Transformer for Future Data Centers. IEEE J. Emerg. Sel. Top. Power Electron. 2019, 7, 753–767. [Google Scholar] [CrossRef]
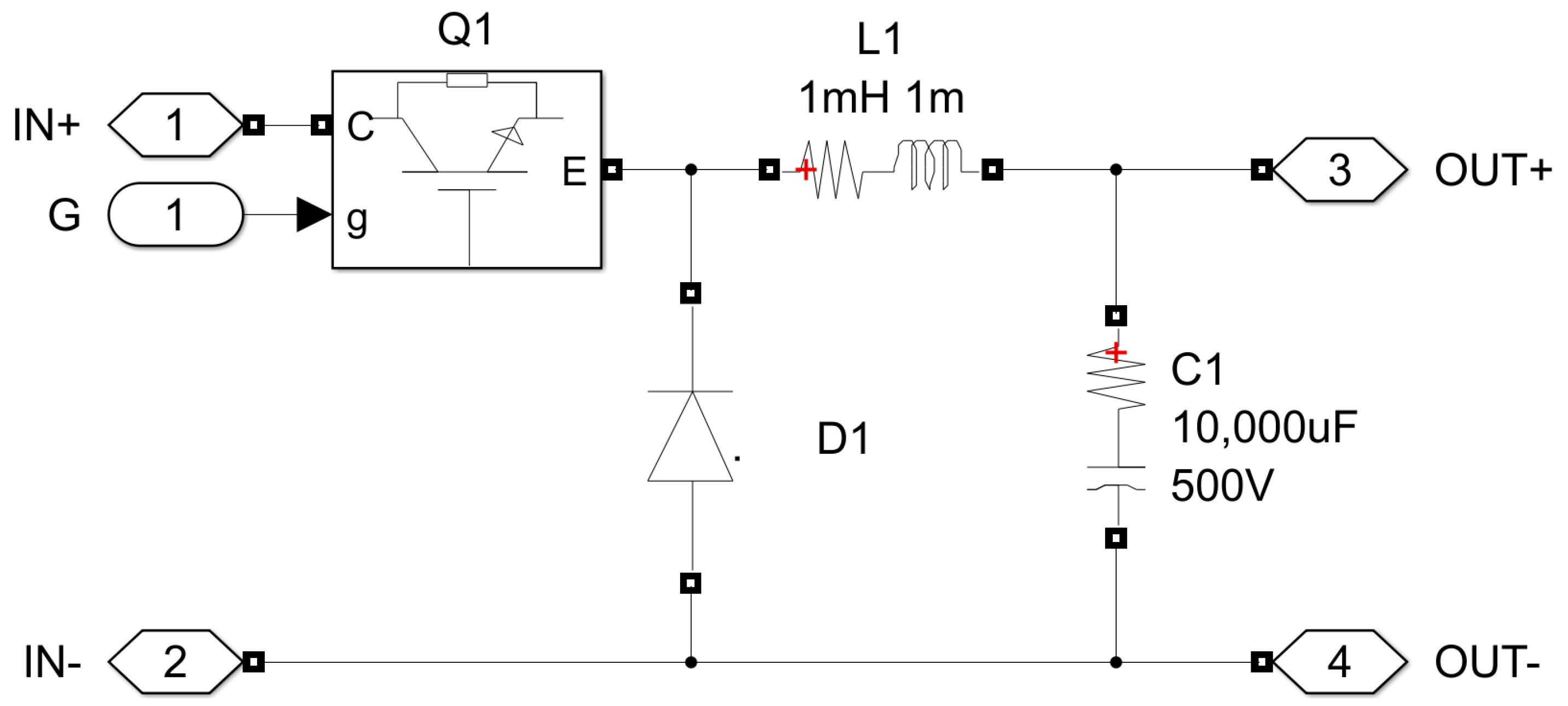
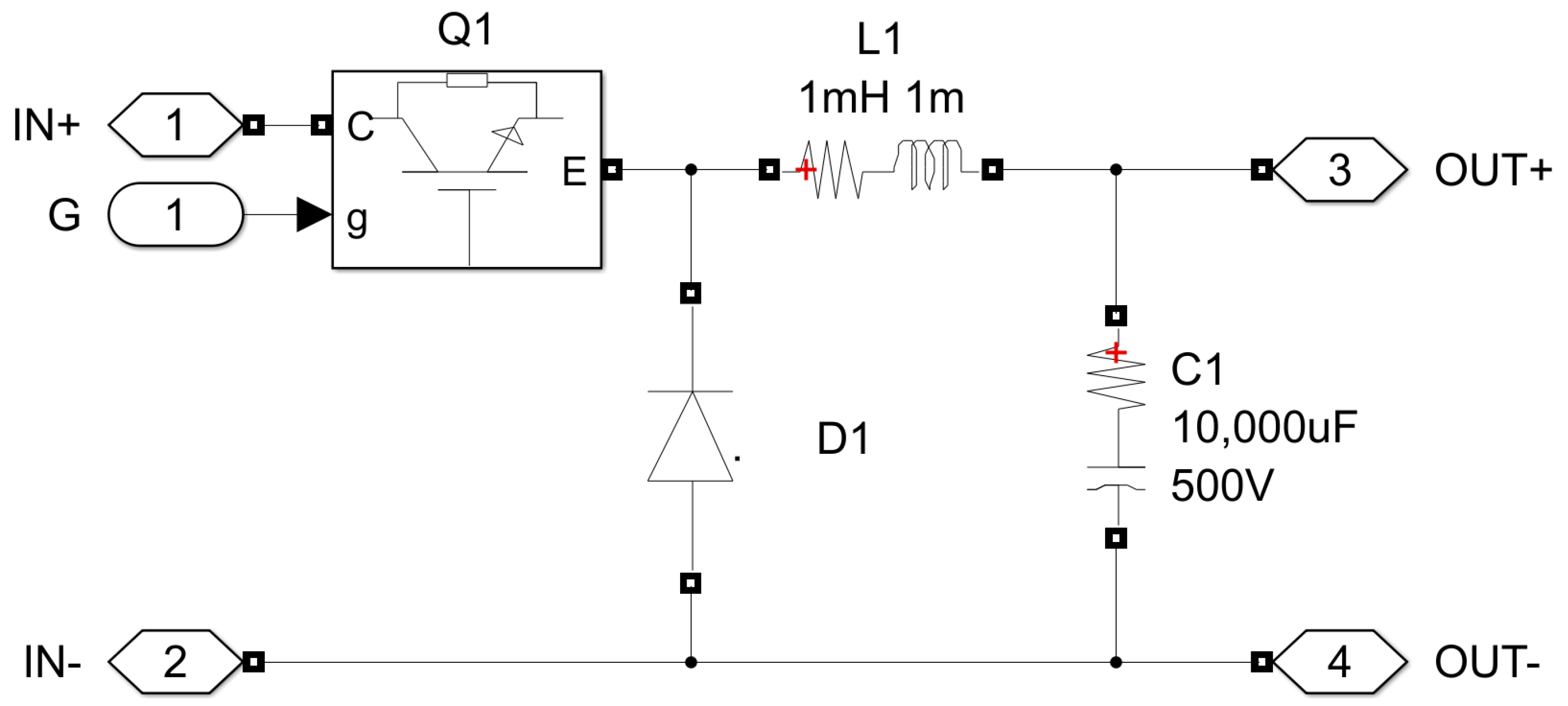
Figure 1. Three-phase full bridge IGBT rectifier topology.
Figure 1. Three-phase full bridge IGBT rectifier topology.
Energies 18 00348 g001
Figure 2. Proposed IGBT rectifier topology.
Figure 2. Proposed IGBT rectifier topology.
Energies 18 00348 g002
Figure 3. IXYS MCC44-12io8B 2 × 1200 V 49 A Dual thyristor module.
Figure 3. IXYS MCC44-12io8B 2 × 1200 V 49 A Dual thyristor module.
Energies 18 00348 g003
Figure 4. Vincotech 10-PY07NIA100S503-M515F58Y Dual SiC IGBT module.
Figure 4. Vincotech 10-PY07NIA100S503-M515F58Y Dual SiC IGBT module.
Energies 18 00348 g004
Figure 5. Vincotech 80-M3122PA300SC-K839F42 2 × 1200 V 300 A Dual SiC IGBT module.
Figure 5. Vincotech 80-M3122PA300SC-K839F42 2 × 1200 V 300 A Dual SiC IGBT module.
Energies 18 00348 g005
Figure 6. Simulation circuit of proposed topology.
Figure 6. Simulation circuit of proposed topology.
Energies 18 00348 g006
Figure 7. AC waveforms of the proposed topology (Red, green, blue: presents each phase-phase values of voltage and current).
Figure 7. AC waveforms of the proposed topology (Red, green, blue: presents each phase-phase values of voltage and current).
Energies 18 00348 g007
Figure 8. Time-varying gate signals of static switches (Red: voltage across thyristor, blue: gate signal of thyristor).
Figure 8. Time-varying gate signals of static switches (Red: voltage across thyristor, blue: gate signal of thyristor).
Energies 18 00348 g008
Figure 9. Detailed view of AC waveforms (Red, green, blue: phase-phase values of voltage and current).
Figure 9. Detailed view of AC waveforms (Red, green, blue: phase-phase values of voltage and current).
Energies 18 00348 g009
Figure 10. FFT analysis of proposed topology.
Figure 10. FFT analysis of proposed topology.
Energies 18 00348 g010
Figure 11. Buck converter circuit.
Figure 11. Buck converter circuit.
Energies 18 00348 g011
Figure 12. DC bus voltage.
Figure 12. DC bus voltage.
Energies 18 00348 g012
Figure 13. Buck converter output.
Figure 13. Buck converter output.
Energies 18 00348 g013
Table 1. Advantages of SiC rectifiers for use in data centers.
Table 1. Advantages of SiC rectifiers for use in data centers.
AdvantageDescription
High EfficiencySiC rectifiers provide higher efficiency by minimizing energy losses.
Smaller Size and WeightMore compact designs optimize space utilization in data centers.
Higher Temperature ResistanceHigher stability at higher temperatures reduces cooling requirements.
Longer Life and ReliabilityMore durable components reduce maintenance costs and downtime.
Superior Thermal PerformanceHigher temperature tolerance and better heat dissipation
Enhanced Reliability and LongevityGreater durability and longer lifespan
Reduced Energy ConsumptionLower total cost of ownership and sustainability goals
Improved Power QualityStable DC supply and reduced electrical noise
Smaller Footprint and WeightSpace savings and lightweight components
Scalability and FlexibilityEasily scalable systems and flexible design options
Lower Maintenance RequirementsMinimal downtime and cost savings on maintenance
Table 2. Three-phase rectifier topology comparison.
Table 2. Three-phase rectifier topology comparison.
Thyristor-Controlled Half WaveThyristor-Controlled Full WavePFC SI-IGBT Boost Rec.Proposed SIC-IGBT Boost Rec.Units
VLL,rms380380380380VAC
IL,rms1.33.656.7872.5A
PAC854.6224004459.3746,689W
Vo,avg220.5436.20609.9862VDC
Io,avg2.204.366.0953A
Vo,rms239.8446.80654.6862VDC
Io,rms2.394.466.5453A
PDC573.361992.72428145,755W
Efficiency (η)67839698%
Power Factor0.430.360.991.0-
THD116.6462.403.012.43%
MTBF3/104/106/107/10-
Cost3/105/106/107/10-
Softstartyesyesnoyes
Table 3. Simulation parameters.
Table 3. Simulation parameters.
Simulation Parameters
Input Power47.661 kVA (46.689 kW)
Input Voltage3P 380 VAC 50 Hz
Input Current72.5 A
Input THD (Total Harmonic Distortion)2.43%
Input TPF (True Power Factor)0.9796
Soft-Start Duration1 s
PWM (Pulse Width Modulation) Modulation Index0.8
PWM Phase Delay−18
DC Bus Power45.755 kW
DC Bus Voltage862 VDC
DC Bus Current53 A
NPC Rectifier Efficiency0.98
Output Power44.382 kW
Output Voltage215 VDC
Output Current206.42 A
Buck Conv. Duty0.25
Buck Conv. Efficiency0.97
Overall Efficiency0.95
Disclaimer/Publisher’s Note: The statements, opinions and data contained in all publications are solely those of the individual author(s) and contributor(s) and not of MDPI and/or the editor(s). MDPI and/or the editor(s) disclaim responsibility for any injury to people or property resulting from any ideas, methods, instructions or products referred to in the content.

Share and Cite

MDPI and ACS Style

Yalçın, F.; Köse, H.; Savaşcıhabeş, A. A Novel IGBT-Based Silicone Carbide Rectifier Design for Improved Energy Efficiency in Telco Data Centers. Energies 2025, 18, 348. https://doi.org/10.3390/en18020348

AMA Style

Yalçın F, Köse H, Savaşcıhabeş A. A Novel IGBT-Based Silicone Carbide Rectifier Design for Improved Energy Efficiency in Telco Data Centers. Energies. 2025; 18(2):348. https://doi.org/10.3390/en18020348

Chicago/Turabian Style

Yalçın, Fatih, Hüseyin Köse, and Asuman Savaşcıhabeş. 2025. "A Novel IGBT-Based Silicone Carbide Rectifier Design for Improved Energy Efficiency in Telco Data Centers" Energies 18, no. 2: 348. https://doi.org/10.3390/en18020348

APA Style

Yalçın, F., Köse, H., & Savaşcıhabeş, A. (2025). A Novel IGBT-Based Silicone Carbide Rectifier Design for Improved Energy Efficiency in Telco Data Centers. Energies, 18(2), 348. https://doi.org/10.3390/en18020348

Note that from the first issue of 2016, this journal uses article numbers instead of page numbers. See further details here.

Article Metrics

Back to TopTop