Next Article in Journal
Learning Coupled Meteorological Characteristics Aids Short-Term Photovoltaic Interval Prediction Methods
Next Article in Special Issue
Versatile LCL Inverter Model for Controlled Inverter Operation in Transient Grid Calculation Using the Extended Node Method
Previous Article in Journal
Optimization of Butanol Production from Mixed Sugars and Sweet Sorghum Bagasse Hydrolysate Using Clostridium beijerinckii TISTR 1461
Previous Article in Special Issue
A Reconfigurable Phase-Shifted Full-Bridge DC–DC Converter with Wide Range Output Voltage
 
 
Font Type:
Arial Georgia Verdana
Font Size:
Aa Aa Aa
Line Spacing:
Column Width:
Background:
Article

A Comparator-Less Buck Converter with Fast Transient Response Using a Reactive Ramp Generator

Department of Intelligent Semiconductor Engineering, Chung-Ang University, Seoul 06974, Republic of Korea
*
Author to whom correspondence should be addressed.
Energies 2025, 18(2), 307; https://doi.org/10.3390/en18020307
Submission received: 28 November 2024 / Revised: 4 January 2025 / Accepted: 10 January 2025 / Published: 12 January 2025

Abstract

This paper introduces a voltage-mode DC-DC buck converter designed to address the challenges of high-frequency operation. The proposed comparator-less Reactive Ramp Generator (RRG) topology mitigates the issues associated with comparator delays, achieving a fast load transient response. By eliminating all comparators from the buck converter’s control circuit, we prevent potential delay-induced malfunctions, thereby enhancing overall operational reliability. The rapid response of the RRG, enabled by a short feedback loop, allows for swift output voltage regulation during load transients. Replacing comparators in the PWM controller with inverters effectively removes delay issues without adding complexity. Since the proposed design retains the conventional voltage-mode transfer function, standard type-3 compensation is readily applicable. Operating with a 3.3 V input, the buck converter provides an output range from 0.65 V to 3.0 V, achieving a settling time of 0.802 µs for load changes from 200 mA to 1 A, and 1.27 µs for load changes from 1 A to 200 mA. The proposed architecture achieves a peak efficiency of 92.78% at 2.4 V and 600 mA.

1. Introduction

The rising demand for high-speed processors has driven an increase in system power consumption, creating a need for efficient power management solutions. As shown in Figure 1, many processors now employ Dynamic Voltage and Frequency Scaling (DVFS), an effective approach to reducing power consumption by adjusting supply voltage or switching frequency based on application demands [1,2,3,4]. A DC-DC converter with a wide output range and fast regulation is essential for supporting DVFS [5,6,7,8]. To enable rapid response to varying load currents, a high-frequency buck converter is often preferred [9,10,11,12,13,14,15,16,17,18]. High switching frequencies extend bandwidth (typically set at 10–20% of the switching frequency), leading to a faster transient response. Additionally, high-frequency converters allow for the use of smaller inductors and capacitors, reducing system size.
However, high-frequency operation introduces challenges, such as increased switching losses, which scale with frequency and can reduce overall efficiency. Thus, a 30 MHz switching frequency is selected to balance efficiency with fast transient response [9,17,18]. Furthermore, comparator delays within the control loop become a concern at higher frequencies, as even nanosecond-scale delays can result in operational errors, potentially degrading performance.
Various approaches have been developed to address comparator delays in high-frequency converters. For instance, Lin Cheng’s method introduces  V H  and  V L  in a feedback loop, reducing the number of passive components to minimize area [9]. Nevertheless, when operating at 30 MHz, duty range limitations and comparator delays remain concerns. Cheng Huang proposed a comparator-less controller based on an error amplifier and delay-line for voltage-to-duty-cycle conversion [10], yet this approach, focused on a single control block, requires further stability verification for the full control loop. Qiwei Huang utilized two voltage-controlled delay lines for PWM signal generation via phase difference analysis, driving a charge pump [11]. However, this approach is sensitive to PVT variations, which impact delay accuracy. Liyan Yi introduced a comparator-free ramp generator using a flipped voltage follower buffer [12], but incorporating a buffer to set the minimum ramp value adds complexity, and bandwidth limitations of the feedback amplifier could hinder performance.
Despite these advancements, existing solutions face challenges such as limited duty range, sensitivity to process variations, and stability issues in the full control loop. In this work, we propose a comparator-less Reactive Ramp Generator (RRG) that addresses these problems by offering improved transient response and reduced sensitivity to PVT variations through a novel circuit architecture. By eliminating the comparator and utilizing a Reactive Ramp Generator, the circuit achieves faster transient response while reducing power consumption and complexity. Furthermore, the simplicity of the proposed architecture facilitates integration in compact systems, making it ideal for modern power electronics where space and performance are critical factors. The RRG dynamically adjusts the peak of the ramp signal according to the error amplifier output, reflecting changes in output voltage. This peak-adjusted ramp is inverted to generate the PWM signal, facilitating the desired regulated output. The short feedback loop and quick response of the ramp signal to output voltage changes ensure a fast load transient response.
The remainder of this paper is structured as follows: Section 2 discusses the issues that arise when using conventional buck converter architectures at high frequencies. Section 3 details the proposed high-frequency RRG-based inverter topology. Section 4 presents the experimental results, and Section 5 provides the conclusion.

2. Comparator Delay Issues in Conventional Buck Converters

In a conventional buck converter, shown in Figure 2, comparators play a crucial role in two primary sections: the ramp generator and the PWM controller. As discussed in previous sections, high-frequency operation can cause circuit malfunctions due to comparator delays. This section examines how comparator delays specifically impact the ramp generator and the PWM controller.
In a typical ramp generator, two comparators and an SR latch are employed [19]. This configuration generates a fixed switching frequency  f sw  and a fixed ramp amplitude  V M , controlled by reference voltages  V H  and  V L . Figure 3 illustrates the schematic of a conventional ramp generator and the waveform of  V RAMP  when comparator delays are present. Here, current  I 1  is determined by reference voltage  V REF  and resistor  R T . As  I 1  charges the capacitor  C T V RAMP  increases until it exceeds  V H , at which point  C T  is discharged via a switch. Conversely, when  V RAMP  falls below  V L , the switch is turned off, allowing  C T  to recharge. The relationship governing this behavior is defined by
f sw = I 1 C T × V M = V REF R T × C T × ( V H V L )
Comparator delays affect ramp amplitude  V M  and switching frequency  f SW  across a wide range of operating conditions. For instance, at lower frequencies, such as 1 MHz, delays are often negligible because the charging and discharging cycles dominate. However, at higher frequencies (e.g., >10 MHz), even 1 ns delays accumulate, resulting in significant deviations in  V M  and reductions in  f SW . This issue arises from the fundamental timing mismatch inherent to comparator-based designs. To mitigate these deviations, clamping  V H  and  V L  to fixed levels may stabilize amplitude  V M  to some extent. However, this approach does not address the underlying delay in the comparators, which still results in timing mismatches that distort the switching frequency, particularly at higher frequencies. Figure 4 shows the  V RAMP  waveform under comparator delays of 0 ns, 1 ns, and 2 ns. In the absence of delay, the ramp oscillates accurately between 0.2 V and 1.25 V, resulting in a ramp amplitude of 1.05 V and a switching frequency of 30.2 MHz. Conversely, delays of 1 ns and 2 ns cause the ramp to deviate from the desired range between  V H  and  V L , leading to switching frequencies of 25.6 MHz and 21.8 MHz—decreases of 15% and 28%, respectively.
The PWM signal generation controller also relies on a comparator. As shown in Figure 5a, an error amplifier processes a scaled-down version of the output voltage,  V OUT , represented as  b V OUT , and the reference voltage  V REF . The error amplifier generates an output voltage,  V EA , to balance these inputs. This  V EA  is then compared with a ramp signal of fixed amplitude  V M  through a comparator. The comparator’s output serves as the reset input, while the clock pulse from the ramp generator serves as the set input for an SR latch, generating the PWM signal that regulates the output voltage.
However, as illustrated in Figure 5b, comparator delays introduce critical issues. When  V CMP , the comparator’s output, overlaps with the clock pulse  C L K P , both the set (S) and reset (R) inputs of the SR latch simultaneously receive a high signal (S = 1 and R = 1), resulting in a latch violation. This violation disrupts the SR latch’s operation, preventing proper PWM signal generation and failing to maintain the desired output voltage.

3. Proposed Reactive Ramp Generator-Based Buck Converter

In this work, we propose a Reactive Ramp Generator (RRG) to address the issues observed in high-frequency buck converters discussed in Section II, while also achieving a fast load transient response. The block diagram of the RRG-based PWM buck converter is shown in Figure 6. In this configuration, the PMOS and NMOS transistors in the power stage switch on and off according to the PWM signal provided by the controller, generating the desired output voltage,  V OUT . The output voltage,  V OUT , is scaled down by resistors  R F 1  and  R F 2  to produce a signal, b V OUT , which is then processed by the error amplifier to create  V EA , ensuring that b V OUT  equals  V REF . The magnitude of  V EA  determines the current generated by the RRG, which subsequently affects the peak value of  V RAMP . When the  V RAMP  signal passes through an inverter, a PWM signal is generated to control the output voltage.

3.1. Reactive Ramp Generator Circuit

To produce a ramp signal with a peak that dynamically adjusts according to the output voltage, we employ a reactive ramp generator, as shown in Figure 7a. In steady-state operation, the output of the error amplifier oscillates slightly with the switching operation while maintaining a specific DC level. When the load current,  I LOAD , suddenly increases,  C O  discharges quickly, causing  V OUT  to drop. The increased input difference at the error amplifier raises  V EA , prompting the RRG to generate a ramp signal with a lower  V M , which produces a larger duty cycle D for fast recovery of the output voltage. Conversely, when the load current demand decreases,  V OUT  rises, decreasing  V EA . To bring the output voltage back down, a ramp signal with a higher  V M  is generated, resulting in a smaller duty cycle D. The ramp amplitude  V M  depends on the charge in  C R  when  CLK P  is low, with charging current  I CHG  determined by the current mirror ratio k, transconductance  g m 1  of transistor  M 1 , and gain  A v  of the error amplifier, as given by Equation (2). The peak of  V M  is a function of  C R , switching frequency  f SW , and  I CHG , as shown in Equation (3). Adjusting the gain of the RRG by tuning the current mirror ratio, transconductance, and error amplifier gain is essential to optimize the transient response without limiting the output range.
I CHG = k · g m 1 · A v V REF b V OUT
V M = k · g m 1 · A v · ( b V OUT V REF ) C R · f sw

3.2. PWM Controller with Inverter

To mitigate the effects of comparator delay in high-frequency buck converters, the proposed design utilizes an inverter to generate the PWM signal that controls the power switch, driven by the ramp signal from the RRG. This approach prevents the SR latch violations previously discussed, allowing for minimal delay without the need to increase comparator tail current. Using an inverter instead provides a shorter delay with lower power consumption, improving efficiency.
Figure 8 shows the relationship between  V th  and  V M . The duty cycle D, defined by the ratio of time t (when  V RAMP  meets  V th ) to the cycle period T, adjusts according to the difference between  V REF  and  b V OUT , enabling the RRG to adjust  V M  instantly during load transients, facilitating rapid output regulation.
D = t T = V th V M = C R · f SW · V th k · g m 1 · A v · ( V REF b V OUT )
In contrast to conventional voltage-mode buck converters, where the loop transfer function is defined by a fixed ramp  V M , the proposed structure dynamically adjusts  V M  based on  V EA . As shown in Equation (5), derived from Equations (3) and (4), the difference in the loop transfer function primarily affects the DC gain, allowing loop stability to be achieved using a standard type-3 compensation method.
T ( s ) = A ( s ) · b · 1 D · V o V M · 1 + s w z 1 + 1 Q · s w o + s w o 2 = A ( s ) · b · V M V th · V o V M · 1 + s w z 1 + 1 Q · s w o + s w o 2 = A ( s ) · b · V o V th · 1 + s w z 1 + 1 Q · s w o + s w o 2

3.3. Type-3 Compensator with Error Amplifer

In a voltage-mode buck converter, the transfer function of the power stage includes a pair of double poles determined by the inductor, L, and the output capacitor,  C o , as well as a zero introduced by the equivalent series resistance (ESR) of  C o . Without proper compensation, these characteristics lead to instability and degraded transient performance. To counteract this, a type-3 compensator is widely adopted, as it introduces two zeros to cancel the double poles and two additional poles to counteract the ESR zero and provide sufficient roll-off at higher frequencies, ensuring stability and robust transient response.
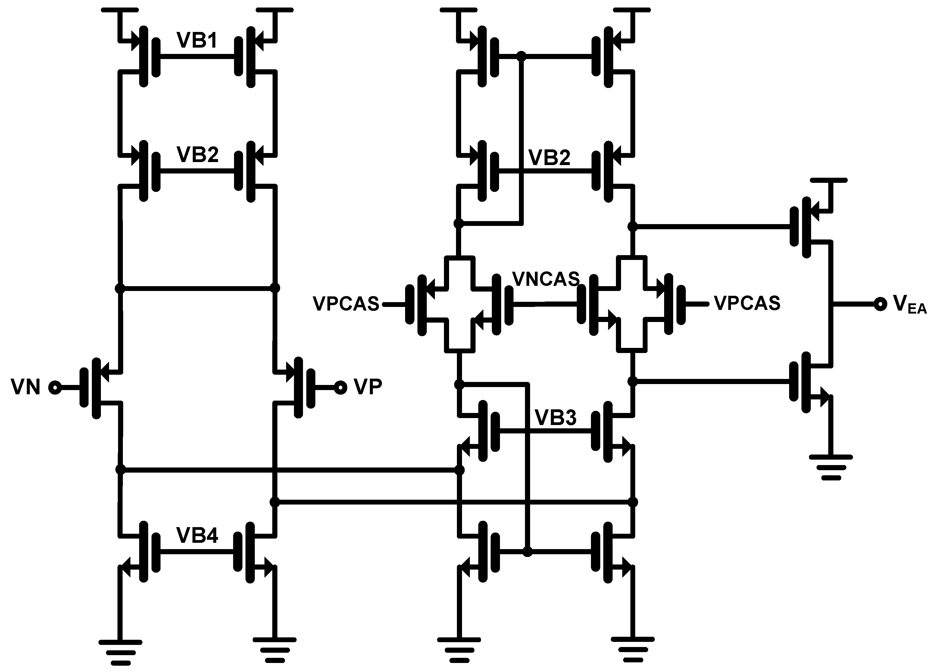
The error amplifier, shown in Figure 9, plays a central role in the type-3 compensator design by providing high open-loop gain and wide bandwidth. The amplifier employs a folded cascode topology. This helps maintain a stable phase margin and ensures rapid response to load transients. The amplifier’s wide bandwidth allows for quick adjustment to load changes, contributing to both efficient operation and robust performance under varying load conditions. The biasing voltages (VB1, VB2, VB3, VB4) ensure stable operation over a wide range of input conditions, while cascode transistors improve the output impedance and enhance gain.
The output of the error amplifier ( V EA ) is designed to interface the RRG, with its range constrained to ensure that the M1 transistor in the RRG satisfies the saturation condition. The cascode compensation nodes ( V PCAS V NCAS ) further stabilize the operation by improving frequency response and reducing susceptibility to noise. These nodes play a critical role in ensuring proper biasing and reducing the effect of parasitics, especially at high frequencies. Additionally, the wide bandwidth of the error amplifier allows it to quickly respond to rapid changes in load conditions, minimizing output voltage deviations during transient events. This precise control ensures both stable loop operation and enhanced efficiency in high-performance buck converter applications.
To further optimize the drive capability of the error amplifier, a class-AB buffer stage is integrated at its output. The class-AB buffer provides high output current drive while maintaining low quiescent current, effectively enhancing the error amplifier’s ability to drive capacitive loads, such as the input of RRG. This ensures  V EA  maintains its integrity across varying load conditions, contributing to both transient performance and overall system stability. The folded cascode topology, combined with the class-AB buffer and external compensation components, offers the flexibility and robustness for demanding high-frequency buck converter designs.

3.4. Deadtime Controller

Figure 10 illustrates the architecture of a dead time controller, a critical component in buck converters designed to prevent shoot-through current. Shoot-through current occurs when the high-side switch ( S W T ) and low-side switch ( S W B ) are simultaneously active, creating a direct short between the input supply and ground. To solve this problem, the dead-time controller ensures that  S W T  and  S W B  do not conduct at the same time by introducing a delay between their switching events. The circuit achieves this functionality by processing the PWM control signal ( V PWM ) through a combination of logic gates, inverters, and delay blocks.
This timing relationship is illustrated in Figure 11, which shows the waveforms of  V PWM S W T , and  S W B . The dead time, highlighted in red, represents the interval when neither switch conducts. By implementing this delay, the controller prevents power losses due to body diode conduction and eliminates the risk of destructive shoot-through current. Additionally, the dead-time optimization enhances overall system efficiency and stability by ensuring seamless transition between switching events.

3.5. Soft Start Circuit

A soft start circuit is an essential component in buck converters to ensure a controlled and smooth startup by preventing excessive inrush current and output voltage overshoot [20]. Figure 12a illustrates the proposed soft start mechanism, which employs a slope generator to produce a gradually increasing reference signal ( V RAMP , SS ). During the startup phase, this ramp signal is compared with the fixed reference voltage ( V REF ) in a comparator. The output of the comparator enables the appropriate control signal ( V REF , SS ), which regulates the duty cycle of the converter. By gradually increasing  V REF , SS , the output voltage rises linearly, ensuring stable operation and protecting both the circuit components and the load.
Figure 12b shows the timing relationship between  V RAMP , SS V REF , and  V REF , SS . Initially,  V RAMP , SS  starts from zero and increases with a defined slope until it reaches  V REF . This controlled ramping prevents sudden voltage surges that could otherwise cause high inrush currents and potential damage to the switching elements or the output capacitor. Once  V RAMP , SS  surpasses  V REF , the system transitions to normal operation, maintaining  V REF  for steady-state regulation.

4. Performance Results

The proposed RRG-based voltage-mode buck converter is fabricated using a standard 0.18 µm CMOS process. Figure 13 shows the chip micrograph, with a total area of 1.5 mm2 (1.5 mm × 1 mm), including bonding pads.
This buck converter employs a 470 nH inductor and a 1 µF output capacitor, operating with an input voltage of 3.3 V. The regulated output voltage range is 0.8 V to 3.2 V, supporting a maximum load current of 1.5 A. The output voltage range spans from 0.65 V to 3.0 V, with duty cycle D covering a range of 0.27 to 0.98, offering a wide duty range of 0.71. At an output voltage of 1.8 V, the measured output ripple is 2 mV, demonstrating the design’s effectiveness in minimizing noise. Figure 14 presents the load transient simulation when the load current steps from 200 mA to 1 A and back from 1 A to 200 mA, with  V IN  set at 3.3 V and  V OUT  at 1.8 V. The up-transient response time is 0.802 µs, while the down-transient response time is 1.27 µs, with an undershoot of 114 mV and an overshoot of 154 mV.
Figure 15 illustrates the simulated waveform of  V RAMP  for different output voltages. The peak values of  V RAMP  are 1.73 V, 1.28 V, and 0.88 V for output voltages of 1.2 V, 2.0 V, and 2.8 V, respectively.
Figure 16 illustrates the behavior of  V RAMP  during load transient conditions. In Figure 16a, when the load current increases from 200 mA to 1 A, the output voltage momentarily drops due to the discharge of  C o . To restore the output voltage to the desired level, a  V RAMP  signal is generated to produce a larger duty cycle. Specifically, a  V RAMP  signal lower than  V th  is used to regulate the output voltage effectively. Conversely, Figure 16b depicts the scenario when the load current decreases from 1 A to 200 mA. In this case, the output voltage rises due to the reduced current demand. To lower the output voltage, a  V RAMP  signal is generated to produce a smaller duty cycle. This dynamic adjustment of  V RAMP  ensures stable regulation of the output voltage during both load increase and decrease events.
Figure 17 shows the simulated efficiency across various load currents and output voltages at a 30 MHz switching frequency, demonstrating a peak efficiency of 92.78% under conditions of 2.4 V output and 600 mA load current.
In the inverter-based PWM controller, D is set by the ratio of the error amplifier output to  V th . The circuit’s performance remains stable against variations in inverter threshold due to PVT changes, as negative feedback from the error amplifier governs the overall circuit behavior. Figure 18 shows simulation results, demonstrating the linear relationship between  V OUT  and D across ss, tt, and ff corners.
The aforementioned performance metrics of the proposed high-frequency buck converter circuit are summarized in Table 1. By incorporating the RRG, which adapts to changes in  V OUT , the proposed design achieves a faster transient response than conventional high-frequency buck converters, even when subjected to a load step twice as large. The removal of a comparator from the feedback path eliminates potential delays associated with comparator operation, further ensuring that the system responds rapidly to changes in load conditions.

5. Conclusions

This paper presents a high-frequency buck converter based on a Reactive Ramp Generator (RRG), specifically designed to achieve fast transient response by addressing the limitations of comparator delay—a critical bottleneck in high-frequency converters. The proposed design utilizes a comparator-less reactive ramp generator and an inverter-based PWM controller, eliminating the delays associated with conventional comparators. The RRG dynamically adjusts  V RAMP  based on output voltage variations, and, together with a short feedback loop, enables a rapid and stable load transient response.
Performance results demonstrate reliable operation across a range of voltage and load current conditions. In response to load step-up and step-down events, the converter achieves settling times of 0.802 µs and 1.27 µs, respectively, with a peak efficiency of 92.78% at 2.4 V output. These simulated results confirm that the proposed RRG-based buck converter delivers faster transient response and higher efficiency compared to conventional high-frequency buck converters, making it a promising solution for modern high-speed power management applications.

Author Contributions

Conceptualization, methodology, validation, Y.-K.K. and D.-H.S.; investigation, resources, data curation, Y.-K.K. and C.-H.J.; writing—original draft preparation, Y.-K.K.; writing—review and editing, C.-H.J., D.-H.S. and K.-H.B.; supervision, project administration, K.-H.B. All authors have read and agreed to the published version of the manuscript.

Funding

This research has supported in part by Korea Planning and Evaluation Institute of Industrial Technology (KEIT) (2410000542, RS-2024-00403483) funded by the Ministry of Trade, Industry and Energy (MOTIE, Korea), in part by the Technology Innovation Program (or Industrial Strategic Technology Development Program-Development of next-generation power semiconductor technology based on compound materials) (RS-2022-00154973, Development of Integrated Power System with Embedded GaN Device for Intelligent Muiti-LED Headlamp of Electric Vehicle) funded By the Ministry of Trade, Industry and Energy(MOTIE, Korea) and in part by K-CHIPS (Korea Collaborative and High-tech Initiative for Prospective Semiconductor Research) (2410000523, RS-2024-00403397, 24056-15TC) funded by the Ministry of Trade, Industry and Energy (MOTIE, Korea).

Data Availability Statement

The data presented in this study are available upon request from the corresponding author.

Conflicts of Interest

The authors declare no conflicts of interest.

Abbreviations

The following abbreviations are used in this manuscript:
  C o Output Capacitor
DVFSDynamic Voltage and Frequency Scaling
ESREquivalent Series Resistance
LInductor
PVTProcess, Voltage, and Temperature
PWMPulse Width Modulation
RRGReactive Ramp Generator
  S W T High-side Switch
  S W B Low-side Switch
  V EA Error Amplifier Output Voltage
  V M Maximum Value of the Ramp Signal
  V PWM PWM Signal Voltage
  V REF Reference Voltage for Output Voltage
  V RAMP Ramp Signal Voltage

References

  1. Kuroda, T. Variable supply-voltage scheme for low-power high-speed CMOS digital design. IEEE J. Solid-State Circuits 1998, 33, 454–462. [Google Scholar] [CrossRef]
  2. Burd, T.D.; Pering, T.A.; Stratakos, A.J.; Brodersen, R.W. A dynamic voltage scaled microprocessor system. IEEE J. Solid-State Circuits 2000, 35, 1571–1580. [Google Scholar] [CrossRef]
  3. Nakai, M. Dynamic voltage and frequency management for a low-power embedded microprocessor. IEEE J. Solid-State Circuits 2005, 40, 28–35. [Google Scholar] [CrossRef]
  4. Ikenaga, Y.; Nomura, M.; Nakazawa, Y.; Hagihara, Y. A circuit for determining the optimal supply voltage to minimize energy consumption in LSI circuit operations. IEEE J. Solid-State Circuits 2008, 43, 911–918. [Google Scholar] [CrossRef]
  5. Ma, D.; Ki, W.; Tsui, C. An integrated one-cycle control buck converter with adaptive output and dual loops for output error correction. IEEE J. Solid-State Circuits 2004, 39, 140–149. [Google Scholar] [CrossRef]
  6. Wu, P.Y.; Mok, K.T. A Monolithic Buck Converter With Near-Optimum Reference Tracking Response Using Adaptive-Output-Feedback. IEEE J. Solid-State Circuits 2007, 41, 2441–2450. [Google Scholar] [CrossRef]
  7. Su, F.; Ki, W.; Tsui, C. Ultra Fast Fixed-Frequency Hysteretic Buck Converter With Maximum Charging Current Control and Adaptive Delay Compensation for DVS Applications. IEEE J. Solid-State Circuits 2008, 43, 815–822. [Google Scholar] [CrossRef]
  8. Kudva, S.; Harjani, R. Fully-Integrated On-Chip DC-DC Converter With a 450X Output Range. IEEE J. Solid-State Circuits 2011, 46, 1940–1951. [Google Scholar] [CrossRef]
  9. Cheng, L.; Liu, Y.; Ki, W.-H. A 10/30 MHz fast reference-tracking buck converter with DDA-based type-III compensator. IEEE J. Solid-State Circuits 2014, 49, 2788–2799. [Google Scholar] [CrossRef]
  10. Huang, C.; Mok, P.K.T. A delay-line-based voltage-to-duty-cycle controller for high-frequency PWM switching converters. IEEE Trans. Circuits Syst. II Exp. Briefs 2015, 62, 751–755. [Google Scholar] [CrossRef]
  11. Huang, Q.; Zhan, C.; Burm, J. A 30-MHz voltage-mode buck converter using delay-line-based PWM control. IEEE Trans. Circuits Syst. II Exp. Briefs 2018, 65, 1659–1663. [Google Scholar]
  12. Yi, L.; Yu, S.; Tang, C.; Tang, X. A 10–30 MHz Voltage-Mode Buck Converter With Linear Comparator-Free V2D controller. IEEE Trans. Circuits Syst. II Exp. Briefs 2024, 71, 3278–3282. [Google Scholar]
  13. Zheng, C.; Ma, D. A 10-MHz green-mode automatic reconfigurable switching converter for DVS-enabled VLSI systems. IEEE J. Solid-State Circuits 2011, 46, 1464–1477. [Google Scholar] [CrossRef]
  14. Li, P.; Bhatia, D.; Xue, L.; Bashirullah, R. A 90–240MHz hysteretic controlled DC-DC buck converter with digital phase locked loop synchronization. IEEE J. Solid-State Circuits 2011, 46, 2108–2119. [Google Scholar] [CrossRef]
  15. Huang, C.; Mok, P.K.T. An 84.7% Efficiency 100-MHz Package Bondwire-Based Fully Integrated Buck Converter With Precise DCM Operation and Enhanced Light-Load Efficiency. IEEE J. Solid-State Circuits 2013, 48, 2595–2607. [Google Scholar] [CrossRef]
  16. Singh, M.; Fayed, A. An 8 A 100-MHz 4-Phase Buck Converter with Fast Dynamic Response and Enhanced Light-Load Efficiency. In Proceedings of the IEEE 61st International Midwest Symposium on Circuits and Systems (MWSCAS), Windsor, ON, Canada, 5–8 August 2018. [Google Scholar]
  17. Liu, Y.; Zhan, C.; Cheng, L.; Ki, W.-H. A 10/30 MHz PWM buck converter with an accuracy-improvedramp generator. In Proceedings of the IEEE Asia Pacific Conference on Circuits and Systems, Kaohsiung, Taiwan, 2–5 December 2012. [Google Scholar]
  18. Song, M.K.; Sankman, J.; Ma, D. A 6A 40 MHz four-phase ZDS hysteretic DC-DCconverter with 118 mV droop and 230 ns response time for a 5 A/5 ns load transient. In Proceedings of the IEEE International Solid-State Circuits Conference Digest of Technical Papers (ISSCC), San Francisco, CA, USA, 9–13 February 2014. [Google Scholar]
  19. Lee, C.F.; Mok, P.K.T. A monolithic current-mode CMOS DC-DC converter with on-chip current-sensing technique. IEEE J. Solid-State Circuits 2004, 39, 3–14. [Google Scholar] [CrossRef]
  20. Ma, F.; Chen, W.; Wu, J. A Monolithic Current-Mode Buck Converter With Advanced Control and Protection Circuits. IEEE Trans. Power Electron. 2007, 22, 1836–1846. [Google Scholar] [CrossRef]
  21. Kim, S.; Nandwana, R.; Khan, Q.; Podgurski, R.; Hanumolu, P. A 4-phase 30–70 MHz switching frequency buck converter using a time-based compensator. IEEE J. Solid-State Circuits 2015, 50, 2814–2824. [Google Scholar] [CrossRef]
Figure 1. Application of high-frequency buck converter.
Figure 1. Application of high-frequency buck converter.
Energies 18 00307 g001
Figure 2. Conventional buck converter.
Figure 2. Conventional buck converter.
Energies 18 00307 g002
Figure 3. Conventional ramp generator and  V R A M P .
Figure 3. Conventional ramp generator and  V R A M P .
Energies 18 00307 g003
Figure 4. Simulation results of the ramp generator with variable delay on comparators.
Figure 4. Simulation results of the ramp generator with variable delay on comparators.
Energies 18 00307 g004
Figure 5. (a) Conventional ramp generator, (b) SR latch violation due to comparator delay.
Figure 5. (a) Conventional ramp generator, (b) SR latch violation due to comparator delay.
Energies 18 00307 g005
Figure 6. Comparator-less RRG-based buck converter block diagram.
Figure 6. Comparator-less RRG-based buck converter block diagram.
Energies 18 00307 g006
Figure 7. (a) Reactive ramp generator, (b) waveform of  V RAMP .
Figure 7. (a) Reactive ramp generator, (b) waveform of  V RAMP .
Energies 18 00307 g007
Figure 8. Duty cycle relationship between  V M  and  V th .
Figure 8. Duty cycle relationship between  V M  and  V th .
Energies 18 00307 g008
Figure 9. Schematic of folded cascode error amplifier.
Figure 9. Schematic of folded cascode error amplifier.
Energies 18 00307 g009
Figure 10. Deadtime controller circuit.
Figure 10. Deadtime controller circuit.
Energies 18 00307 g010
Figure 11. Timing diagram of  V PWM S W T , and  S W B .
Figure 11. Timing diagram of  V PWM S W T , and  S W B .
Energies 18 00307 g011
Figure 12. (a) Soft start circuit schematic; (b) soft start waveform.
Figure 12. (a) Soft start circuit schematic; (b) soft start waveform.
Energies 18 00307 g012
Figure 13. Chip microphotograph.
Figure 13. Chip microphotograph.
Energies 18 00307 g013
Figure 14. Load transient response (a) 200 mA → 1A, (b) 1A → 200 mA load current changes.
Figure 14. Load transient response (a) 200 mA → 1A, (b) 1A → 200 mA load current changes.
Energies 18 00307 g014
Figure 15. Reactive ramp generator waveform corresponding to output voltage (a V OUT  = 1.2 V, (b V OUT  = 2.0 V, (c V OUT  = 2.8 V.
Figure 15. Reactive ramp generator waveform corresponding to output voltage (a V OUT  = 1.2 V, (b V OUT  = 2.0 V, (c V OUT  = 2.8 V.
Energies 18 00307 g015
Figure 16. Simulated waveform of  V OUT  under load transient situation (a) 200 mA → 1 A, (b) 1 A → 200 mA.
Figure 16. Simulated waveform of  V OUT  under load transient situation (a) 200 mA → 1 A, (b) 1 A → 200 mA.
Energies 18 00307 g016
Figure 17. Efficiency of the proposed converter.
Figure 17. Efficiency of the proposed converter.
Energies 18 00307 g017
Figure 18. Simulation results across different corners about relationship between D and  V OUT .
Figure 18. Simulation results across different corners about relationship between D and  V OUT .
Energies 18 00307 g018
Table 1. Performance summary and comparison.
Table 1. Performance summary and comparison.
This Work2024 TCAS II [12]2018 TCAS II [11]2015 JSSC [21]2014 JSSC [9]
Technology180 nm180 nm180 nm65 nm130 nm
Power Supply3.3 V3.3 V3.3 V1.8 V3.3 V
L470 nH220 nH90 nH90 nH x4330 nH
CO1 µF1 µF2.2 µF0.47 µF1 µF
Frequency30 MHz10∼30 MHz30 MHz30∼70 MHz10/30 MHz
Output Voltage0.65∼3 V0.2∼3 V0.4∼2.8 V0.6∼1.5 V0.45∼2.4 V
Duty Range0.7140.850.744X0.59
Load Transient Step800 mA300 mA400 mA400 mA340 mA
Settling Time0.802 µs/1.27 µs4 µs3 µs0.6 µs5 µs
* Overshoot154 mV (6.55%)42.5 mV (1.52%)95 mV (3.96%)90 mV (10%)30 mV (1.54%)
* Undershoot114 mV (4.85%)50 mV (1.79%)110 mV (4.58%)80 mV (8.89%)50 mV (2.56%)
Peak Efficiency92.78%90.6%90.2%87%86.6%
* Overshoot/Undershoot (%) =  Overshoot or Undershoot ( mV ) V max V min × 100  where  V max  and  V min  are the maximum and minimum output voltages, respectively.
Disclaimer/Publisher’s Note: The statements, opinions and data contained in all publications are solely those of the individual author(s) and contributor(s) and not of MDPI and/or the editor(s). MDPI and/or the editor(s) disclaim responsibility for any injury to people or property resulting from any ideas, methods, instructions or products referred to in the content.

Share and Cite

MDPI and ACS Style

Kim, Y.-K.; Jang, C.-H.; Shin, D.-H.; Baek, K.-H. A Comparator-Less Buck Converter with Fast Transient Response Using a Reactive Ramp Generator. Energies 2025, 18, 307. https://doi.org/10.3390/en18020307

AMA Style

Kim Y-K, Jang C-H, Shin D-H, Baek K-H. A Comparator-Less Buck Converter with Fast Transient Response Using a Reactive Ramp Generator. Energies. 2025; 18(2):307. https://doi.org/10.3390/en18020307

Chicago/Turabian Style

Kim, Young-Kyu, Chung-Hee Jang, Dong-Hyun Shin, and Kwang-Hyun Baek. 2025. "A Comparator-Less Buck Converter with Fast Transient Response Using a Reactive Ramp Generator" Energies 18, no. 2: 307. https://doi.org/10.3390/en18020307

APA Style

Kim, Y.-K., Jang, C.-H., Shin, D.-H., & Baek, K.-H. (2025). A Comparator-Less Buck Converter with Fast Transient Response Using a Reactive Ramp Generator. Energies, 18(2), 307. https://doi.org/10.3390/en18020307

Note that from the first issue of 2016, this journal uses article numbers instead of page numbers. See further details here.

Article Metrics

Back to TopTop