Next Article in Journal
Study of the Spatio-Temporal Effects of Digital Economic Development on Hydropower Resource Mismatch
Previous Article in Journal
Numerical Investigation of Combustion Characteristics in a 330 MW Coal-Fired Boiler with Preheating Combustion Devices at Half Load Operation
Previous Article in Special Issue
Studying Voltage Fluctuations in the MV Distribution Grid with a Renewable Energy Source
 
 
Font Type:
Arial Georgia Verdana
Font Size:
Aa Aa Aa
Line Spacing:
Column Width:
Background:
Article

The Evaluation of the Effect of Power Circuit Configuration Changes on the Level of Harmonics Generated by the Hoisting Machine Drive System

by
Tomasz Siostrzonek
* and
Zbigniew Mikoś
Department of Power Electronics and Automation of Energy Transformation Systems, AGH University of Krakow, 30-059 Krakow, Poland
*
Author to whom correspondence should be addressed.
Energies 2025, 18(19), 5043; https://doi.org/10.3390/en18195043
Submission received: 23 July 2025 / Revised: 8 September 2025 / Accepted: 18 September 2025 / Published: 23 September 2025
(This article belongs to the Special Issue Technology for Analysis and Control of Power Quality)

Abstract

The quality of electrical energy in mining plants is still a topic that is not directly linked to occupational safety and the efficiency of the mining process. Modernisation of hoisting machines should be carried out, taking into account the impact of such a drive on the mine’s power grid. A hoisting machine is one of the largest consumers of electricity in this grid and, as such, can pose a real threat to its proper functioning. The aim of the study was to determine the impact of the hoisting machine drive system on the mine network after a thorough modernisation process. Measurements were taken before and after the process. The assessment was carried out in two aspects, i.e., the measurement results obtained after the modernisation were compared with the applicable regulations. The second approach was to compare the results before and after modernisation. In the authors’ opinion, this second approach is a way of preventing potential phenomena that may occur in the network as a result of the operation of the power electronic system and should complement the analysis described in the regulations. The assessment of the current operation of the system in relation to the previous one makes it possible to evaluate the correctness of the solution applied and may provide guidelines for further steps in the event of a failure or unsafe events.

1. Introduction

Despite the continuing unfavourable economic conditions for Polish hard coal mining for energy purposes, modernisation projects for equipment are underway. Additionally, mining companies extracting other raw materials must undertake investment processes involving the replacement or construction of new hoisting machines. To continue exploiting deeper deposits, a major modernization of mining shaft hoists, i.e., infrastructure related to vertical transport, is necessary.
When it is necessary to increase the mining capacity of a mine, the modernisation of the entire shaft hoisting system must be considered. This is also the case when existing shafts are deepened.
In recent years, there has been a dynamic increase in the use of power electronic converters in various devices. These include both household appliances and industrial equipment. Each of these devices has its own advantages and disadvantages due to its specific operation. One of the main disadvantages of these devices is their significant impact on the power supply network and other devices operating within it. When analysing power quality issues, these devices are considered to be the main source of problems. They affect changes in the effective voltage values in networks and waveform distortions, introducing so-called higher harmonics into the network.
It is therefore very important to limit the negative impact of these devices through design measures or to use additional systems to reduce these inconveniences.
Currently, distribution system operators are increasingly forcing consumers to ensure adequate voltage quality in the network. This is important from the point of view of other network users.
The modernisation of a mining shaft hoist primarily involves changes to the drive system. Due to continuous technological advancements in the field of power electronic converters, decisions regarding the type of motor and converter systems must be made with great care. It is also necessary to precisely determine the electrical quality parameters of the new system to prevent undesirable phenomena in the mine’s electrical network.

2. The Hoisting Machine

A mining shaft hoist is one of the most important pieces of equipment in mining plants. Due to its essential function in the technological process, it is classified as basic equipment in mining operations. It consists of [1]:
  • Hoisting machine,
  • Hoisting vessels (skips, cages),
  • Rope wheels or sheaves,
  • Compensating, guide and buffer rope suspensions,
  • Hoisting vessel suspensions,
  • Shaft signalling and communication system.
It provides a transport link between the surface and the underground parts of the mine. Depending on the type of rope drive (the element that converts the rotary motion of the hoist into the forward motion of the skip in the shaft), hoisting machines are divided into drum hoists and Koepe hoists. In a machine with a drive wheel (Koepe wheel), the hoisting rope is passed over the Koepe wheel, and the movement of the vessels attached to the ends of the rope is achieved by appropriate friction coupling between the rope and the rope drive. The Koepe wheel system is very widespread due to the possibility of using multi-rope systems, which significantly improves the safety of the device.
A block diagram of the Koepe wheel system is shown in Figure 1.
The disadvantage of this solution is the need to perform non-destructive testing of the hoisting ropes due to the inability to cut the rope. In addition, in order to balance the forces in the ropes, so-called equalising ropes are used, suspended under both vessels. The kinematic system is fully balanced and the technical parameters of the drive can be calculated only on the basis of the static overload resulting from the weight of the transported material/excavated material/people.
In addition to the mechanical parts of the drive system, the motor and converters used to power and control the rotational speed of the drive perform a basic function in this system. The motor parameters are calculated based on the assumed load resulting from the process parameters and the driving cycle shown in Figure 2.
The technical data of the converter and converter transformers are determined based on the motor rating data and the assumed operating conditions.
Currently, over 90% of hoisting machines in Poland use PW series DC motors manufactured by DFME. AC motors have recently become an alternative to DC motors. These can be cage induction motors or synchronous motors. In the case of the former, a gearbox is required due to the relatively high speed of the motor. In the case of a synchronous motor, it can be designed as a slow-speed motor with a larger number of pole pairs. Regardless of the type of motor used, its power supply is provided by a dedicated static converter system of the appropriate type. It is the configuration of the converter that determines the level of impact of the drive system on the power supply network and potential power quality problems [2,3,4,5,6,7,8,9,10,11,12,13,14,15].

3. DC Motor Power Supply Systems

The drive of a hoisting machine requires regulation of the motor speed and the value and direction of the torque. In Polish mining, slow-speed, separately excited DC motors driving a rope wheel directly are most commonly used to drive hoisting machines.
The methods of controlling the motor torque result from the equations describing such a motor. Assuming, for simplicity, the linearity of the motor’s magnetic circuit, the following relationships can be written in a steady state (1–4) [16]:
U t = R t · I t + ω · Φ
U f = R f · I f
Φ = k f · I f
T = k m · Φ · I t
where:
  • Ut, Uf—armature voltage, excitation voltage,
  • It, If—armature current, excitation current,
  • Rt, Rf—armature resistance, excitation resistance,
  • ω—rotor angular velocity,
  • Φ—excitation flux,
  • T—electromagnetic torque of the motor,
  • kf, km—special indicator of the motor.
Assuming a constant (usually rated) motor current, Equations (1)–(4) show that in order to control the motor torque, it is necessary to be able to control the armature current. However, the armature voltage is practically proportional to the rotor angular velocity, because for larger motors, inequality (5) occurs.
ω · Φ R t · I t
Hence, it can be concluded that the armature voltage is practically proportional to the motor speed (6).
U t ω
The need to control the motor armature current means that the motor is usually powered from the mains via a controlled thyristor rectifier, which is the voltage source. The rectifier control system ensures the flow of the set current by regulating the output voltage of the rectifier.

3.1. The Power Supply Systems of DC Hoisting Motors—6-/12-Pulse System

Hoist motors are high-power motors. Table 1 presents the basic data of selected DC hoist motors to give an idea of the voltages and currents that must be provided by the power supply rectifiers.

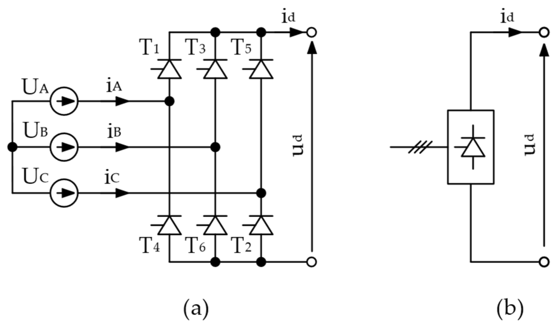
3.1.1. Three-Phase Single Thyristor Bridge

Figure 3 shows a three-phase thyristor bridge, which is a basic structure in the power supply circuit of a hoist motor.
Due to the high power of the motor, the thyristor bridge is powered from a medium voltage network (usually 6 kV) via a transformer. The secondary voltage of the transformer is selected so that the average rectified voltage matches the motor armature voltage.
The average rectified voltage of the thyristor bridge depends on the bridge supply voltage and the thyristor firing delay angle according to Equation (7) [17,18].
U d = 3 2 π U p cos α = U d 0 cos α
where:
  • Ud—average value of rectified voltage,
  • Up—rms value of phase-to-phase voltage,
  • α—thyristor trigger delay angle calculated from the point of natural commutation,
  • Ud0—average value of the rectified voltage of the diode bridge (α = 0).
The triggering delay angle of the thyristors must satisfy the following relation:
α m i n < α < α m a x = π β m i n
where:
  • αmax—maximum angle-dependent bridge trigger delay angle βmin,
  • βmin—the minimum trigger advance angle of the thyristors in the bridge in order to prevent inverter overturns, which defines the maximum permissible trigger delay angle of the converter (in practice, the angle of the minimum trigger advance angle of the thyristors in the bridge in order to prevent inverter overturns) and the maximum permissible trigger delay angle of the converter (in practice, the angle of the βmin takes values in the interval π/9 ÷ π/6 (20° ÷ 30°)),
  • αmin—minimum bridge trigger delay angle.
Theoretically, αmin can take the value zero, but in practical solutions, βmin is often used. This gives a symmetrical control range relative to the trigger delay angle around π/2. In addition, it slightly reduces the range of rectified voltage regulation, because for small angles in the range 0 ÷ π/6, the cosine function does not change its value significantly.
Therefore, the range of trigger delay angles for bridge thyristors is practically from π/6 to 5π/6 [17].
Figure 4 shows the following sequences:
  • uA, uB, uC,—the phase voltages of the power source (waveform a),
  • uAB, uBC, uCA,—the phase-to-phase voltages of the power source (waveform b),
  • ud—rectified voltage (waveform b),
  • id—rectified (load) current (waveform c),
  • iA, iB, iC,—phase currents of the power source (d waveforms).
During one period of the bridge supply voltage, there are six bridge pulses (Figure 4). The following thyristor pairs conduct in sequence: T1-T2, T2-T3, T3-T4, T4-T5, T5-T6 and T6-T1. The principle of operation of the bridge causes a variable component with a frequency of 300 Hz, i.e., six times higher than the mains supply frequency, to appear in the rectified voltage in addition to the constant component Ud. The load current is practically constant due to the inductance of the direct current circuit.
The phase currents supplying the bridge are not sinusoidal. Assuming a constant bridge load current, the phase currents are rectangular in nature with no constant component. The non-sinusoidal shape of the bridge supply current causes harmonics of the following orders to appear in the source phase currents:
h = 1 ± 6 m  
where:
  • m = 0; 1; 2; 3; …
By substituting successive values of m, it can be seen that harmonics of the following orders appear in the currents of the three-phase bridge power supply: 1, −5, 7, −11, 13, −17, 19, −23, 25, etc. A negative harmonic order value means that the currents of a given harmonic form a three-phase system of opposite sequence. The magnitude of a given current harmonic depends on the rectified current and the bridge trigger delay angle.
It can also be shown that the first harmonic of the phase current of the source is delayed relative to the phase voltage by approximately the trigger delay angle α. This means that the thyristor bridge loads the network with a reactive current of an inductive nature, depending on the trigger delay angle α. Ignoring the commutation phenomenon, the bridge rectifier loads the network with reactive power from the first harmonic of the current Q1 according to Equation (10).
Q 1 = U d 0 · I d · sin α
where:
  • Ud0—average value of the rectified voltage of the diode bridge (α = 0),
  • Id—average value of rectified current,
  • α—bridge trigger delay angle.
For this reason, the highest reactive power load from the first harmonic of the current occurs at a trigger delay angle of π/2, and the lowest at angles αmin and αmax.

3.1.2. The Three-Phase Dual Thyristor Bridge

Due to the high power of the traction motors and the associated supply voltage (typically 800 V), it is advisable to use a composite converter consisting of two thyristor bridges connected in series, as shown in Figure 5.
Each bridge of the double converter is powered from a separate transformer (Figure 5a) or from separate secondary windings of a three-winding transformer (Figure 5b). The arrangement shown in Figure 5a is used in hoisting machines. The secondary winding voltages of the transformers are equal. To ensure the required rectified voltage Ud, each bridge can be supplied with half the voltage that would be necessary if a single bridge were used. This allows the use of thyristors with a lower maximum operating voltage (lower voltage class).
A double bridge converter powered by two transformers is more advantageous due to the reliability of the hoist motor power supply. In the event of a single transformer failure, it is possible to operate with a single bridge without having to limit the motor supply current (and therefore the motor torque) with a 50% reduction in the supply voltage (and thus with reduced speed).
If the supply voltages of the bridges are equal, the average rectified voltage of such a converter is described by Equation (11).
U d = U d 1 + U d 2 = U d 0 cos α 1 + cos α 2
where:
  • Ud—average value of rectified voltage,
  • Ud1, Ud2—average value of the bridge rectified voltage 1 i 2,
  • α1, α2—bridge trigger delay angles 1 i 2,
  • Ud0—the mean value of the rectified voltage of a single diode bridge (i.e., for α = 0).
Harmonics of the following orders appear in the mains current feeding the dual converter:
h = 1 ± 6 m
where:
  • m = 0; 1; 2; 3; …
Equation (12) is the same as (9), which means that in general, a double bridge converter generates current harmonics of the same orders as a single bridge, i.e., orders: 1, −5, 7, −11, 13, −17, 19, −23, 25, etc.
Ignoring the commutation phenomenon, the reactive power Q1 from the first harmonic of the mains current is expressed by relation (13):
Q 1 = U d 0 · I d · sin α 1 + sin α 2
where:
  • Ud0—average rectified voltage of a single diode bridge,
  • Id—average value of rectified current,
  • α1, α2—trigger delay angles of the thyristor bridge 1 i 2.
Additional benefits (apart from the possibility of using lower voltage class thyristors) of using a dual converter can be achieved by using appropriate control strategies: simultaneous or sequential.

3.2. The Common Control, 12-Pulse System

Common control consists of controlling the same thyristor firing delay angles in both bridges of the double converter (11).
α 1 = α 2 = α
The principle of joint control is illustrated in Figure 6.
Using (8) and (10), the average value of the rectified voltage Ud and the reactive power Q1 from the first harmonic of the supply current are, respectively:
U d = 2 · U d 0 · cos α
Q 1 = 2 · U d 0 · I d · sin α
If the supply voltages of the individual thyristor bridges are offset by 30° from each other, a 12-pulse system is obtained. An offset of 30° between the voltages supplying the individual bridges can be achieved by using two transformers with different connection groups (e.g., Dd0 and Dy11) or a three-winding transformer with connection group Yy0d11.
In a 12-pulse rectifier, a variable component with a frequency of 600 Hz (i.e., 12 times higher than the supply voltage frequency) appears in the rectified voltage and has a lower value compared to a 6-pulse bridge.
In the supply current, harmonics disappear for odd values of m according to (9). Therefore, a double bridge converter controlled jointly and supplied with voltages shifted by 30° introduces a current containing harmonics of the following orders into the supply network:
h = 1 ± 12 m  
where:
  • m = 0; 1; 2; 3; …
By substituting successive values of m, it can be seen that harmonics of order appear in the source currents feeding the three-phase bridge: 1, −11, 13, −23, 25, etc.

3.3. The Sequential Control

This mode of operation of the complex system controls individual bridges according to the following algorithm:
1. In the first control interval (range) (Figure 7), the trigger delay angle of one bridge is constant and equal to α1min. Then, the voltage is regulated by changing the trigger delay angle of the second bridge from α2min to α2max.
2. In the second interval, the trigger delay angle of the second bridge remains constant and equal to α2max, and the voltage is regulated by changing the trigger delay angle of the first bridge from α1min to α1max.
The average rectified voltage of the double-controlled bridge converter is described by Equation (8).
The following harmonics appear in the supply current of the double-controlled converter [3]:
h = 1 ± 6 m
where:
  • m = 0; 1; 2; 3; …
Equation (15) is the same as (9), which means that in a double sequence-controlled bridge converter, the same harmonics of the same order are generated in the supply current as in a single bridge, i.e., 1, −5, 7, −11, 13, −17, 19, −23, 25, etc.
Sequential control does not cause the disappearance of harmonics of orders −5, 7, −17, 19, etc., in the supply current, as is the case with common control when the bridges are supplied with voltages shifted by 30°. It can be shown that sequence control with bridge supply voltages shifted by 30° reduces the harmonic content in the supply current compared to a single bridge with the same rectified voltage and load current.
The advantage of sequence control is the reduction in reactive power from the first harmonic of the load current in the supply network. In the first and second control intervals, the reactive power is as follows:
Q 1 = U d 0 · I d · sin α 1 m i n + sin α 2
Q 1 = U d 0 · I d · sin α 1 + sin α 2 m a x
For minimum and maximum trigger delay angles, the sine function has a low value. This means that, for a given average rectified voltage, the sum of the sine functions in Equations (16) and (17) is less than the factor 2sin(α) in Equation (13) for common control.

3.4. The Torque Reversal

The nature of the hoisting machine’s operation requires the drive system to be capable of generating torque in both directions regardless of the direction of rotation, i.e., to enable both motor and generator operation of the hoisting motor in both directions of rotation. Therefore, the drive must be capable of operating in four quadrants of the speed–torque coordinate system, as shown in Figure 8.
Each operating state of the drive can be characterised by a pair of coordinates: (speed, torque), which corresponds to a point in the coordinate system in Figure 8.
If the speed and torque signs are the same, the motor drives the line drive (motor operation). Operation in quadrant I means motor operation at positive speed, in quadrant III at negative speed. Energy is transferred from the network to the machine. The motor power converter operates as a rectifier.
If the speed and torque signs are different, the drive motor brakes the load (generator operation). The motor then operates as a generator, converting mechanical energy into electrical energy that can be fed back into the network. Operation in quadrant II means generator operation at positive speed, in quadrant IV—at negative speed. The motor power converter operates as an inverter.
A double-cage hoist can be used as an example. When lifting the load with cage 1, the operating point of the drive is in quadrant I, and when lifting the load with cage 2, it is in quadrant III. The drive is in motor mode. The energy taken from the grid is converted into the potential energy of the load. When lowering the load with cage 1, the operating point of the drive is in quadrant II, and when lowering the load with cage 2, it is in quadrant IV. The drive operates as a generator and acts as a brake. The potential energy of the load is converted into electrical energy and can be returned to the mains.
According to Equation (4), the electromagnetic torque of a separately excited DC motor depends on the flux (and therefore indirectly on the excitation current) and on the armature current. The direction of the electromagnetic torque depends on the direction of the excitation flux, i.e., the excitation current, and the direction of the armature current.
The direction of the current can be changed by using reverse bridge converters. They consist of two bridges connected in opposite parallel, as shown in Figure 9.
Only one bridge can operate at a time. Controlling two bridges simultaneously leads to a short circuit. The direction of current flow in the load depends on the bridge selection. The voltage (and indirectly the current) is regulated by the bridge trigger delay angle. Each of the bridges in Figure 9 can be a double bridge converter controlled simultaneously or sequentially.
Due to the need to control the direction and value of the torque and speed of the hoist motor, two power supply configurations are used:
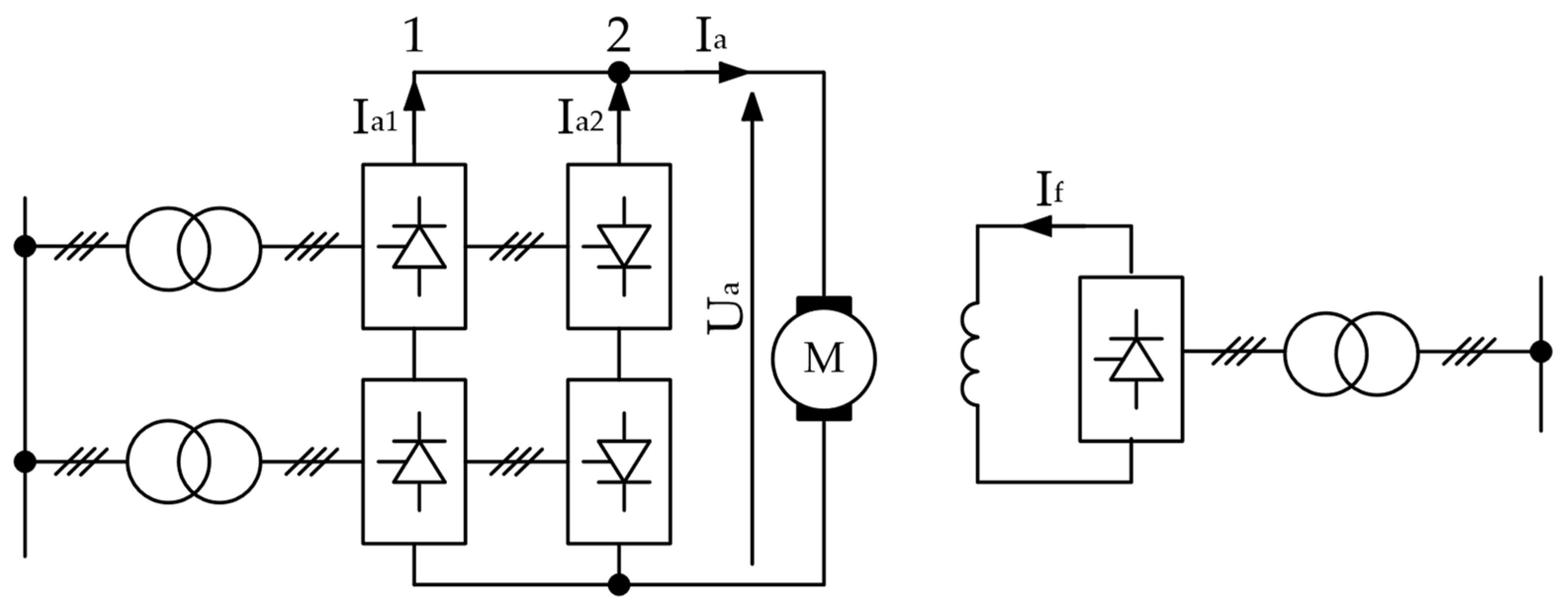
  • Configuration 1. The armature circuit is powered from a reversible converter and the excitation circuit from a non-reversible converter (Figure 10). The direction and value of the motor excitation flux are constant in this configuration. The converter in the excitation circuit maintains the rated excitation current (If = Ifn). The direction and value of the motor torque are regulated by a reverse converter in the armature circuit by adjusting the armature current Ia. It can be concluded that in this configuration, the direction and value of the motor torque are regulated by a reverse converter in the armature circuit.
Figure 11 shows the control principle of the converters in the armature and excitation circuits in each quadrant of the coordinate system (speed-momentum).
Regardless of the operating point of the drive, the excitation current If is equal to the rated value (If = Ifn). In order to generate positive torque by the motor (quadrants I and II), branch 1 of the converter (Figure 10) operates, controlling the armature current Ia, which is equal to the current Ia1. To generate negative torque (quadrants III and IV), the armature current Ia, equal to the current −Ia2, is controlled by branch 2 of the converter.
The armature voltage depends on the rotational speed and its sign is the same as the sign of the armature current in quadrants I and III (motor operation) or opposite in quadrants II and IV, which corresponds to generator operation.
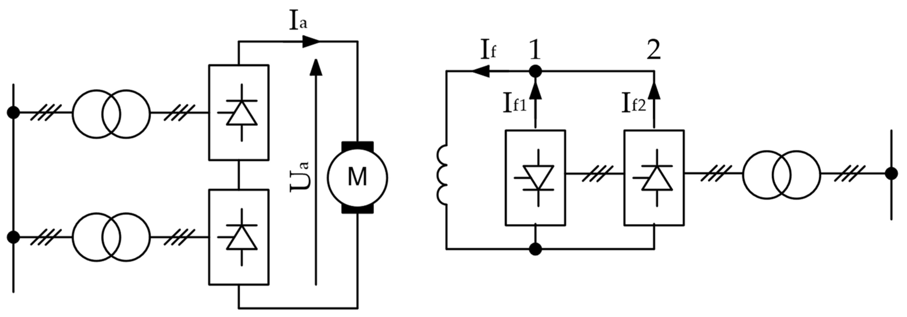
  • Configuration 2. The armature circuit is powered by a non-reversible converter and the excitation circuit by a reversible converter (Figure 12). The direction of the excitation flux is selected by controlling one of the two bridges of the anti-parallel circuit in the excitation circuit, and the value of the motor excitation flux is constant in this configuration, maintained at the rated value. The motor torque is regulated by a non-reversible converter in the armature circuit. It can be concluded that in this configuration, the direction of the motor torque is selected by a reversible converter in the excitation circuit, and the torque value is regulated by adjusting the current with a non-reversible converter in the armature circuit.
Figure 13 shows the control principle of the converters in the armature and excitation circuits in each quadrant of the velocity–momentum coordinate system.
Regardless of the operating point of the drive, the torque module is controlled by the armature current converter Ia. The torque sign is controlled by the direction of the excitation current If, whose absolute value is equal to the rated excitation current Ifn. In order to generate positive torque, branch 1 of the excitation converter operates (then If = If1 = Ifn); for negative torque, branch 2 of the excitation converter operates (then If = −If2 = −Ifn).
When comparing both configurations, the power ratings of individual converters must be taken into account. The rated power of the motor, i.e., the converter supplying the armature circuit, is in the range of 1–5 MW. For this reason, the converter in the armature circuit is usually a double bridge converter (reversible or non-reversible). When selecting the stator circuit converter, the current overload capacity of the motor (usually twice the rated current) must be taken into account.
The rated power of the motor excitation circuit is between 10 and 20 kW. The converter in the excitation circuit is usually a bridge converter (reversible or non-reversible). Due to the high time constant of the motor excitation, the excitation converter is designed to provide a voltage two to three times higher than the rated excitation voltage of the motor. This allows for faster current changes in the excitation circuit and, consequently, changes in the flux. This is particularly important in a two-power supply system configuration.

4. Case Study—Modernisation of a Hoisting Machine

Measurements and analysis of the impact of the hoisting machine on the mine’s power supply network were carried out for a shaft hoist operating in one of the underground mines.
The aim of the modifications was to increase the efficiency of the process line and increase the efficiency of the entire plant.

4.1. Layout Before Modernisation

The shaft in which the machine was installed is a mining shaft.
The machine was built as a double-rope machine with a Koepe wheel with a diameter of 5 m. The external DC motor, with a power of 1450 kW, was powered by thyristor converters.
The parameters of the system operated before modernisation are given in Table 2.
Figure 14 shows a schematic diagram of the system. The hoist motor was powered by two converter transformers (Tr1 and Tr2) with a power rating of 1 MVA each and Yyn0 and Dyn5 connection groups.
It was a serial connection of two six-pulse circuits (C1, C2). This resulted in a twelve-pulse effect on the power supply network. The direction of motor rotation was changed by changing the direction of current flow in the excitation. To make this possible, the excitation circuit converter (C3) was bidirectional, i.e., constructed from two oppositely controlled bridges.
The drive could operate at full load and rated pulling speed. In the event of a failure of one of the main circuit converters (C1 or C2), it was possible to operate at half speed and full load. The system then operated as a six-pulse system.

4.2. Machine After Modernisation

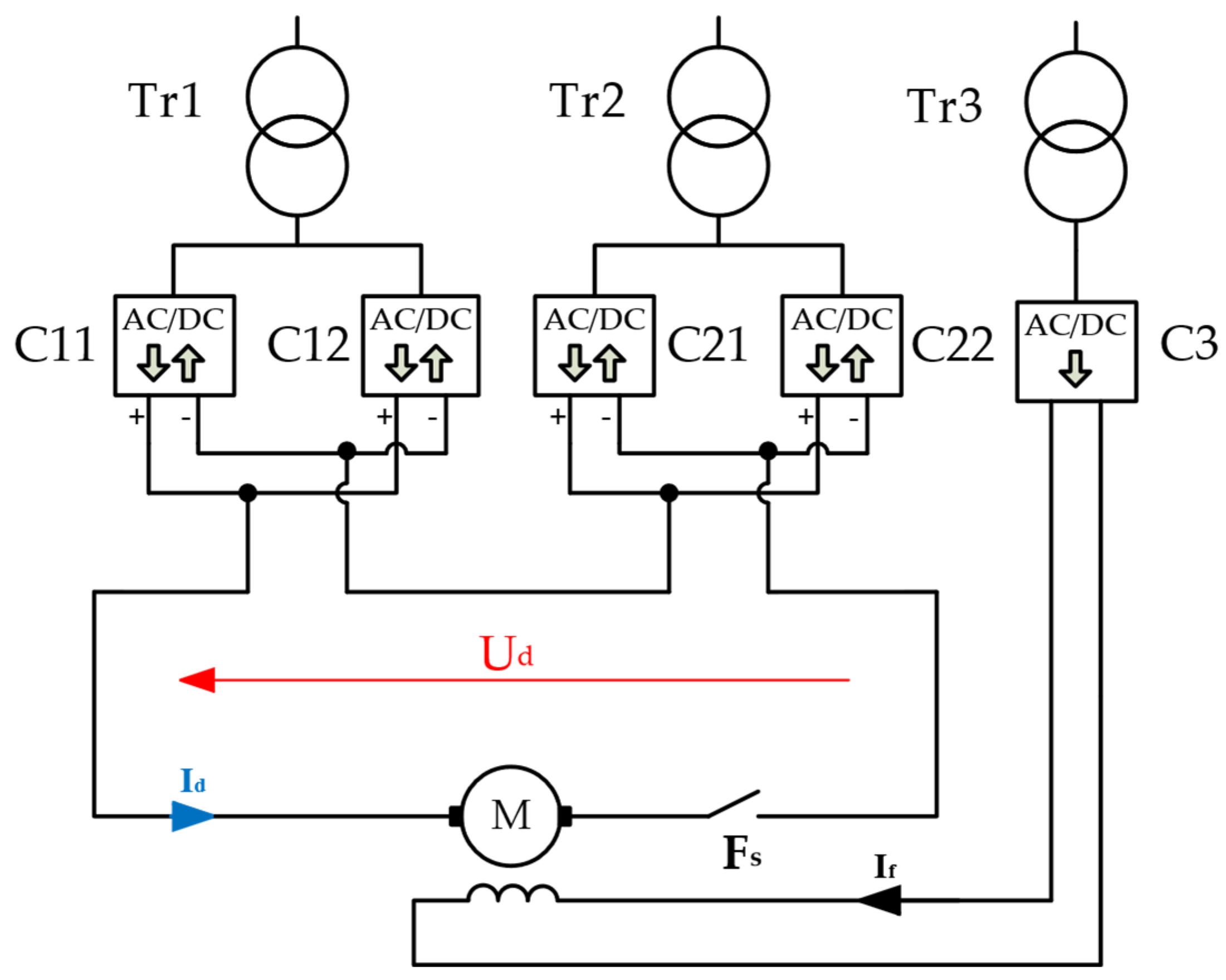
The modernisation consisted of completely replacing the hoisting machine’s drive system, thereby increasing its extraction capacity. The diameter of the drive wheel was reduced to 4.2 m. A separately excited DC motor was powered by a static converter system in the armature circuit (C11, C12, C21, C22) and excitation (C3) circuit. The diagram of the system is shown in Figure 15.
The direction of rotation is changed by reversing the direction of the current in the armature circuit. This is a fundamental difference from the pre-modernisation system. Currently, a non-reversible converter (C3) is used in the excitation circuit.
The armature circuit is powered by four converters in a series-parallel configuration. This ensures that the required current is achieved (parallel connection of two converters in each branch). Each pair of converters connected in parallel is powered by a separate converter transformer with the appropriate connection group. The series connection of the converter pairs ensures the correct supply voltage to the motor and also provides a 12-pulse drive response to the supply network. In the event of a converter failure, the system can operate as a 6-pulse system. The drive speed is limited to half the rated speed, which is the result of halving the supply voltage. The parameters of the new device are presented in Table 3.

4.3. Measurements of the Impact of the Winding Machine System on the Mine’s Electricity Network

Dedicated measuring devices compliant with standard [19] are used to assess the impact of devices on the quality parameters of electricity in electrical networks. Class A mobile recorders—Fluke 1760 [20]—were used to perform the measurements. Dedicated PQ Analyze v1.9.4 software was used for the analysis. The choice of the measurement location is very important. For this purpose, a preliminary analysis of the mine network structure and information on other devices operating in the network is necessary. If it is necessary to determine the negative impact of the hoist drive system on the power supply network, measurements can be limited to the power supply point of the switchboard from which the machine is powered. In the case described, in addition to determining the potential impact of the machine on the power supply network, it was also necessary to determine the level of distortion at the main power supply point of the mine. Figure 16 shows a diagram with the measurement points marked.
Point P1 is the main power supply for the mine. The measuring device was placed in the power supply field of the main switchboard. Point P2—measurement in the power supply field of the hoist switchboard. The configuration of the measuring points made it possible to observe the impact of the hoist locally, as well as the impact of its operation on the main power supply of the mine. Point P1 was selected because the regulations in force in Poland specify the method of settlement between the distribution system operator and the customer at the connection point. For this facility, the point of interest is P1. Point P2 is the place where it is possible to obtain readings directly from the drive system of the hoisting machine, undisturbed by the operation of other devices.

4.4. Discussion of the Results

The assessment of the impact of the drive system of a hoisting machine on the power supply network is performed on the basis of applicable regulations [21]. These regulations specify the permissible levels of waveform distortion, i.e., the amplitudes of individual higher harmonics in voltage waveforms. The basic assessment criterion is the THD coefficient. Depending on the voltage level at the measurement point, different permissible distortion levels apply. However, it should be noted that from the point of view of the energy consumer, they must comply with the conditions specified in the connection agreement, i.e., the conditions specified in [21] are set for the main supply point. At other points in the plant network, the limits specified in the regulation are used as indicators of whether the network is at risk of adverse phenomena or whether the operation of equipment may be disrupted.
For the case described, the THD was measured at two points: P1 and P2. Prior to the modernisation, the limits specified in the regulations were not exceeded in either case. It should be noted that the limit for point P1 is different from that for point P2 (Figure 17). This results directly from the criteria specified in [21].
The THD limits at the connection point were slightly exceeded. This raised the question of whether the waveform distortions were the result of the modernisation or the operation of other devices in the mine network. As is well known, mine networks are subject to constant change due to the progress of work. It had to be assumed that between the measurements taken before and after the modernisation, there were changes in the installed equipment or the structure of the network. To this end, an analysis of changes in individual voltage harmonics at points P1 and P2 was carried out. The detailed results are presented in Table 4 and Table 5. In the columns concerning the state after modernisation, harmonics that increased in relation to the state before modernisation are marked.
Despite a relative increase in the levels of individual harmonics at point P2, they did not exceed the values permitted by regulations. However, there was a several-fold increase in the values of some voltage harmonics at point P1, e.g., harmonics: 13, 23, 25. At this point, the permissible values were also not exceeded.
To confirm the impact of the drive system on the quality of electricity supply at the connection point, the harmonic current spectrum at points P1 and P2 was analysed. The measurement results are presented in Table 6 and Table 7.
As with voltage harmonics, Table 6 shows the values that increased compared to the pre-modernisation state. At point P1, the increase was insignificant for several harmonics. At point P2, the values of almost all harmonics increased after modernisation. Table 7 shows their percentage increase. The largest increase was recorded for harmonic 7. After modernisation, the increase compared to the previous state was 485%.
Figure 18 and Figure 19 show the voltage harmonic spectrum at points P1 and P2 after the upgrade. Figure 20 and Figure 21 show the current harmonic spectrum. Comparing Figure 19 and Figure 20 with Figure 18, the influence of the 12-pulse hoist machine system on the voltage harmonic spectrum at the mine’s power supply point is very clearly visible. In addition to the characteristic harmonics, i.e., 11, 13, 23, 25, harmonics 19, 5 and 7 are also clearly visible. Table 7 shows that after modernisation, an average four-fold increase in harmonics 5 and 7 was recorded, which will directly affect their occurrence in the voltage spectrum at the power supply point.

5. Conclusions

Problems with the quality of electricity supply in mine networks have been discussed in certain aspects in [10,11,22,23,24,25,26,27,28]. However, they did not refer to such a detailed analysis of a specific case. The system solutions for complex converters described in Section 3 affect the impact of such a device on the mine’s power grid. Until now, most hoisting machines in Poland have used systems that reverse through the excitation circuit. Section 5 of the article presents the results of measurements and analyses of the drive systems of hoisting machines in both variants, i.e., before modernisation, the system operated according to Configuration 2 (Section 3.4), and after modernisation, according to Configuration 1.
The cost of the power circuit in configuration 1 is higher (difference compared to configuration 2:2%), but this arrangement has better dynamic properties because full motor torque control is achieved by regulating the current in the armature circuit, which has relatively low time constants.
Configuration 2 requires a less complex, non-reversible high-power converter and a reversible excitation converter with relatively low power. Hence, the cost of Configuration 2 is lower, but it has poorer dynamic properties compared to Configuration 1. This is due to the large time constant of the excitation circuit, which prevents a rapid change in the direction of the motor torque, despite forcing the excitation voltage.
Furthermore, in Configuration 1, speed control generating the torque reference signal and motor torque control (field current) are entirely performed by the converter control and regulation system in the field circuit. The excitation current control and regulation system is designed to maintain a constant excitation current. In this configuration, both control systems operate independently of each other (with the exception of safety devices). No interaction between the two control systems is necessary.
In Configuration 2, the speed control block is the same as in Configuration 1, but the torque reference signal affects the control systems of both converters. The torque reference module signal is the setpoint value of the armature current in the converter control system in the motor armature circuit. The torque reference signal is used in the excitation converter control system to select the converter branch that determines the direction of the excitation current and, consequently, the torque generated by the motor.
In summary, it can be concluded that the control system in Configuration 2 of the motor power supply is more complex due to the need for mutual interaction between the control systems of both converters. It is necessary to select a larger number of parameters and to tune the entire regulation and control system.
The modernisation of the hoisting machine system in the described case was aimed at increasing the mining capacity of the plant. As a result of the analyses, it was decided to change the power system, i.e., the direction of motor rotation will be changed by changing the direction of the current in the armature circuit (Configuration 1). Due to the use of high-power reversing converters in this circuit, the potential impact of such a system on the power supply network was considered.
Electrical energy quality measurements were carried out to confirm that the new system would not increase the impact on the power supply network. In accordance with Polish regulations, the system was assessed in terms of basic energy quality indicators and no impact of the system on the power supply network was found from the point of view of the main power supply point. During the operation of the system, a number of negative phenomena occurred, which significantly affected the continuity of the technological process and the safety of the crew. After a detailed analysis, parts of which are included in chapter five, it was concluded that in the case of modernisation processes, the following should be done:
  • Comparative analysis between the states before and after modernisation should be carried out,
  • The analysis of distortions should not be based solely on the THD analysis, but should include a detailed analysis of the harmonic spectrum of the machine current and the effects in the form of the harmonic spectrum of the voltage at the main power supply point.
Based on the analyses carried out, it was demonstrated that the absence of exceedances of the limits for individual harmonics specified in the regulations is not a sufficient condition for concluding that the system has no negative impact on the power supply network. As in the case described, the modernisation led to a several-fold increase in the levels of individual harmonics compared to the previous state, yet the system remained within the limits of compliance with the applicable regulations.
This undoubtedly gives rise to a discussion on the applicable indicators and the arbitrary determination of the level of impact of the system on the power supply network [29].

Author Contributions

Conceptualization, T.S.; methodology, T.S.; validation, T.S. and Z.M.; formal analysis, T.S.; investigation, T.S.; resources, T.S.; writing—original draft preparation, T.S. and Z.M.; writing—review and editing, T.S. and Z.M.; supervision, T.S.; project administration, T.S. All authors have read and agreed to the published version of the manuscript.

Funding

This research received no external funding.

Data Availability Statement

The original contributions presented in this study are included in the article. Further inquiries can be directed to the corresponding author.

Conflicts of Interest

The authors declare no conflicts of interest.

References

  1. Regulation of the Minister of Energy of 23 November 2016 on Detailed Requirements for the Conduct of Underground Mining Operations. Available online: https://isap.sejm.gov.pl/isap.nsf/DocDetails.xsp?id=WDU20170001118 (accessed on 10 June 2025).
  2. Baggini, A. Handbook of Power Quality; John Wiley & Sons, Ltd.: Hoboken, NJ, USA, 2008; pp. 79–131, 187–259. [Google Scholar]
  3. Dugan, R.C.; McGranaghan, M.F.; Santoso, S.; Wayne Beaty, H. Electrical Power Systems Quality; Mc-Graw-Hill: New York, NY, USA, 2004. [Google Scholar]
  4. Hanzelka, Z. Jakość Dostawy Energii Elektrycznej. Zaburzenia Wartości Skutecznej Napięcia; Wydawnictwa AGH: Kraków, Poland, 2013. [Google Scholar]
  5. Zhang, X.; Yan, Z. Energy quality: A definitione. IEEE Open Access J. Power Energy 2020, 7, 430–440. [Google Scholar] [CrossRef]
  6. Hanzelka, Z.; Bien, A. Harmonics—Interharmonics. In Leonardo Power Quality Application Guide—Part 3.3.1; A Guide Material by Leonardo Power Quality Initiative; Copper Development Association: McLean, VA, USA, 2004. [Google Scholar]
  7. Elmore, W.A.; Kramer, C.A.; Zocholl, E. Effect of waveform distortion on protective relays. IEEE Trans. Ind. Appl. 1993, 29, 404–411. [Google Scholar] [CrossRef]
  8. Kilter, J.; Meyer, J.; Elphick, S.; Milanovic, J.V. Guidelines for power quality monitoring—Results from CIGRE/CIRED JWG C4.112. In Proceedings of the 2014 16th International Conference on Harmonics and Quality of Power (ICHQP), Bucharest, Romania, 25–28 May 2014. [Google Scholar]
  9. Martens, E.A., Jr.; Dias, L.F.S.; Fernandes, F.A.; Bonatto, B.D.; Abreu, J.P.G.; Arango, H. Evaluation and trends of power quality indices in distribution system. In Proceedings of the 9th International Coference. Electrical Power Quality and Utilisation, Barcelona, Spain, 9–11 October 2007. [Google Scholar]
  10. Wilsun, X.; Xian, L.; Yilu, L. An investigation on the validity of power-direction method for harmonic source determination. IEEE Trans. Power Deliv. 2003, 18, 214–219. [Google Scholar] [CrossRef]
  11. Wiechmann, E.P.; Aqueveque, P.; Munoz, L.; Henriquez, J.A. Energy quality and efficiency of an open pit mine distribution system: An improvement. In Proceedings of the IEEE Industry Application Society Annual Meeting, Vancouver, BC, Canada, 5–9 October 2014. [Google Scholar]
  12. Agarwal, A.; Kumar, S.; Ali, S. A research review of power quality problems in electrical power system. MIT Int. J. Electr. Instrum. Eng. 2012, 2, 88–93. [Google Scholar]
  13. Li, H.; Lv, C.; Zhang, Y. Research on new characteristics of power quality in distribution network. In Proceedings of the IEEE International Conference on Power, Intelligent Computing and Systems (ICPICS), Shenyang, China, 12–14 July 2019. [Google Scholar]
  14. Shepherd, W.; Zakikhani, P. Energy Flow and Power Factor in Non-Sinusoidal Circuits; Cambridge University Press: New York, NY, USA, 1979. [Google Scholar]
  15. Karve, S. Harmonics—Active harmonic conditioners. In Leonardo Power Quality Application Guide—Part 3.3.3; A Guide Material by Leonardo Power Quality Initiative; Copper Development Association: McLean, VA, USA, 2001. [Google Scholar]
  16. Chapman, S.J. Electric Machinery Fundamentals; McGraw-Hill: New York, NY, USA, 2005. [Google Scholar]
  17. Piróg, S. Energoelektronika. In Układy o Komutacji Sieciowej Oraz Komutacji Twardej; Uczelniane Wydawnictwa Naukowo-Dydaktyczne AGH: Kraków, Poland, 2006. [Google Scholar]
  18. Rashid, M.H. Power Electronics Handbook; Academic Press: Cambridge, MA, USA, 2001. [Google Scholar]
  19. IEC 61000-4-30; Electromagnetic Compatibility (EMC)—Part 4-30: Testing and Measurement Techniques—Power Quality Measurement Methods. IEC: Geneva, Switzerland, 2021.
  20. Fluke 1760. Manual. Available online: https://smi-i.com/wp-content/uploads/2023/09/FLUKE-1760-Manual.pdf (accessed on 19 July 2025).
  21. Regulation of the Minister of Climate and Environment of 22 March 2023, on Detailed Conditions for the Operation of the Electricity System. Available online: https://isap.sejm.gov.pl/isap.nsf/download.xsp/WDU20230000819/O/D20230819.pdf (accessed on 19 July 2025).
  22. Bebikhov, Y.V.; Egorov, A.N.; Semenov, A.S. How higher harmonics affect the electrical facilities in mining power systems. In Proceedings of the International Conference on Industrial Engineering, Applications and Manufacturing (ICIEAM), Sochi, Russia, 18–22 May 2020. [Google Scholar]
  23. Semenov, A.S.; Semenova, A.N.; Fedorov, O.V. The results of the implementation of the system for monitoring the quality of electricity in mining enterprises. In Proceedings of the 1st International Conference on Control Systems, Mathematical Modelling, Automation and Energy Efficiency (SUMMA), Lipetsk, Russia, 20–22 November 2019. [Google Scholar]
  24. Jiangzi, M.L. Measure and suppression of harmonics currents for heavy-duty hoisting machines. In Proceedings of the IEEE/PES Transmission and Distribution Conference & Exhibition: Asia and Pacific, Dalian, China, 26–29 November 2005. [Google Scholar]
  25. Sukanth, T.; Jayanthu, S.; Jayalaxmi, A. Mitigation of power quality problem in underground mine using defferent control strategies. In Proceedings of the IEEE Region 10 Humanitarian Technology Conference (R10-HTC), Agra, India, 21–23 December 2016. [Google Scholar]
  26. Siostrzonek, T.; Chmielowiec, K.; Firlit, A.; Barczentewicz, S. Zalety i wady stosowania układów wielopulsowych w napędzie elektrycznym maszyn wyciągowych. Przegląd Elektrotechniczny Zeszyt 2020, 5, 96. [Google Scholar] [CrossRef]
  27. Siostrzonek, T.; Chmielowiec, K.; Piątek, K.; Dutka, M.; Firlit, A. The use of multi-pulse systems in the power supply of hoisting machine drives to improve voltage parameters in mining plants. In Proceedings of the EPQU’20, 12th International Conference and Exhibition on Electrical Power Quality and Utilization, Krakow, Poland, 14–15 September 2020. [Google Scholar]
  28. Siostrzonek, T.; Dutka, M.; Wójcik, J.; Siostrzonek, W. Impact of power quality on the efficiency of the mining proces. Energies 2024, 17, 5675. [Google Scholar] [CrossRef]
  29. Caramia, P.; Carpinelli, G.; Verde, P. Power Quality Indices in Liberalized Markets; John Wiley & Sons, Ltd.: Hoboken, NJ, USA, 2009. [Google Scholar]
Figure 1. Block diagram of a hoisting machine.
Figure 1. Block diagram of a hoisting machine.
Energies 18 05043 g001
Figure 2. Travel diagram of the hoisting machine.
Figure 2. Travel diagram of the hoisting machine.
Energies 18 05043 g002
Figure 3. Thyristor bridge: (a) electrical diagram; (b) simplified diagram (single-line diagram).
Figure 3. Thyristor bridge: (a) electrical diagram; (b) simplified diagram (single-line diagram).
Energies 18 05043 g003
Figure 4. Voltage and current waveforms in a thyristor bridge, (a) phase voltages; (b) phase-to-phase voltages; (c) DC current; (d) phase currents.
Figure 4. Voltage and current waveforms in a thyristor bridge, (a) phase voltages; (b) phase-to-phase voltages; (c) DC current; (d) phase currents.
Energies 18 05043 g004
Figure 5. The double bridge converter is powered by (a) two double-winding transformers; (b) three-winding transformer.
Figure 5. The double bridge converter is powered by (a) two double-winding transformers; (b) three-winding transformer.
Energies 18 05043 g005
Figure 6. Controls common to the tripping angle of the double converter bridges.
Figure 6. Controls common to the tripping angle of the double converter bridges.
Energies 18 05043 g006
Figure 7. Order control of the tripping angle of the double converter bridges.
Figure 7. Order control of the tripping angle of the double converter bridges.
Energies 18 05043 g007
Figure 8. Drive operation in the speed–torque coordinate system.
Figure 8. Drive operation in the speed–torque coordinate system.
Energies 18 05043 g008
Figure 9. Reverse bridge converter: (a) electrical diagram; (b) simplified diagram (single line diagram).
Figure 9. Reverse bridge converter: (a) electrical diagram; (b) simplified diagram (single line diagram).
Energies 18 05043 g009
Figure 10. Configuration 1 of the extraction engine supply system. Torque reversal in the armature circuit.
Figure 10. Configuration 1 of the extraction engine supply system. Torque reversal in the armature circuit.
Energies 18 05043 g010
Figure 11. Principle of control of converters in Configuration 1 of the hoisting engine supply system.
Figure 11. Principle of control of converters in Configuration 1 of the hoisting engine supply system.
Energies 18 05043 g011
Figure 12. Configuration 2 of the extraction engine supply system. Torque reversal in the excitation circuit.
Figure 12. Configuration 2 of the extraction engine supply system. Torque reversal in the excitation circuit.
Energies 18 05043 g012
Figure 13. Principle of converter control in a 2-circuit hoist motor power supply configuration.
Figure 13. Principle of converter control in a 2-circuit hoist motor power supply configuration.
Energies 18 05043 g013
Figure 14. General diagram of the drive before modernization.
Figure 14. General diagram of the drive before modernization.
Energies 18 05043 g014
Figure 15. Diagram of the power circuit of the hoisting machine after modernization.
Figure 15. Diagram of the power circuit of the hoisting machine after modernization.
Energies 18 05043 g015
Figure 16. Location of measuring devices.
Figure 16. Location of measuring devices.
Energies 18 05043 g016
Figure 17. THD coefficient at measurement points: (a) P1; (b) P2.
Figure 17. THD coefficient at measurement points: (a) P1; (b) P2.
Energies 18 05043 g017
Figure 18. Voltage harmonic spectrum in P1 measure point, after modernization.
Figure 18. Voltage harmonic spectrum in P1 measure point, after modernization.
Energies 18 05043 g018
Figure 19. Voltage harmonic spectrum in P2 measure point, after modernization.
Figure 19. Voltage harmonic spectrum in P2 measure point, after modernization.
Energies 18 05043 g019
Figure 20. Current harmonic spectrum in P2 measure point, after modernization.
Figure 20. Current harmonic spectrum in P2 measure point, after modernization.
Energies 18 05043 g020
Figure 21. Current harmonic spectrum in P1 measure point, after modernization.
Figure 21. Current harmonic spectrum in P1 measure point, after modernization.
Energies 18 05043 g021
Table 1. Basic rating data for selected hoist motors.
Table 1. Basic rating data for selected hoist motors.
ParameterUnitPW 102PW 105PW 106
PowerkW240024003600
Armature voltageV800800800
Armature currentA325033104820
Rotational speedrad/s9.424.927.33
Moment at rated armature currentkNm255488492
Working current overload-222
Excitation voltage
(series/parallel connection of windings)
V182/91182/91172/86
Excitation current
(series/parallel connection of windings)
A87/174108/216102/204
Excitation surge voltage
(series/parallel connection of windings)
V550/275550/275520/260
MassMg36.555.556.5
Table 2. Machine parameters before modernization.
Table 2. Machine parameters before modernization.
ParameterValue
Motor typePW-101
Power1450 kW
Supply voltage (armature)800 V
Rated current (armature)2000 A
Excitation current144 A
Rotational speed61 obr/min
Speed (hoisting)16 m/s
Payload7.5 Mg
Depth489 m
Table 3. Parameters after modernization.
Table 3. Parameters after modernization.
ParameterValue
Motor typePW-124
Power2200 kW
Supply voltage (armature)853 V
Rated current (armature)2810 A
Excitation current225 A
Rotational speed54.57 obr/min
Speed (hoisting)12 m/s
Payload12.5 Mg
Depth489 m
Table 4. Voltage harmonics before and after retrofit at point P1.
Table 4. Voltage harmonics before and after retrofit at point P1.
Voltage Harmonic; P1
BeforeAfter
Harmonic OrderL1
CP95 [%]
L2
CP95 [%]
L3
CP95 [%]
L1
CP95 [%]
L2
CP95 [%]
L3
CP95 [%]
Limit
20.020.010.020.030.030.031.5
30.270.210.040.210.140.172
40.020.010.010.020.020.021
50.200.170.170.180.160.142
60.010.010.010.010.010.010.5
70.400.390.400.350.340.342
80.010.010.010.010.010.010.5
90.030.020.020.040.030.051
100.010.010.010.020.020.010.5
110.120.120.111.121.111.071.5
120.010.010.010.020.010.020.5
130.050.050.050.720.740.753
140.010.010.010.010.010.010.5
150.020.020.020.020.020.030.5
160.010.010.010.010.010.010.5
170.040.030.030.070.080.071
180.010.010.010.010.010.010.5
190.040.030.030.210.230.221
200.010.010.010.010.010.010.5
210.010.020.010.030.040.040.5
220.010.010.010.020.020.010.5
230.030.070.060.700.700.680.7
240.010.010.010.020.020.020.5
250.080.100.110.590.620.610.7
Table 5. Voltage harmonics before and after retrofit at point P2.
Table 5. Voltage harmonics before and after retrofit at point P2.
Voltage Harmonic; P2
BeforeAfter
Harmonic OrderL1
CP95 [%]
L2
CP95 [%]
L3
CP95 [%]
L1
CP95 [%]
L2
CP95 [%]
L3
CP95 [%]
Limit
20.030.030.020.030.030.032
30.160.230.150.450.220.405
40.030.030.020.020.020.020.5
50.170.180.140.270.160.156
60.030.030.020.010.010.010.5
70.420.460.450.380.350.345
80.060.050.040.010.010.010.5
90.100.140.080.070.030.031.5
100.090.060.050.010.020.020.5
110.981.121.061.081.121.143.5
120.040.050.070.010.020.010.5
130.880.660.800.740.730.763
140.070.060.060.010.010.010.5
150.120.190.130.040.020.020.5
160.070.070.040.010.010.010.5
170.150.170.140.070.070.082
180.060.050.030.010.010.010.5
190.160.140.170.220.210.231.5
200.100.070.060.010.010.010.5
210.130.190.100.040.030.040.5
220.130.090.050.010.020.020.5
230.480.560.530.690.700.721.5
240.060.080.080.020.020.020.5
250.520.440.450.610.610.641.5
Table 6. Current harmonics before and after retrofit at point P1.
Table 6. Current harmonics before and after retrofit at point P1.
Current Harmonic; P1
BeforeAfter
Harmonic OrderL1
CP95 [%]
L2
CP95 [%]
L3
CP95 [%]
L1
CP95 [%]
L2
CP95 [%]
L3
CP95 [%]
20.300.200.310.100.150.13
30.440.590.660.440.400.30
40.140.110.140.040.040.05
50.610.700.650.400.310.46
60.110.080.110.030.030.03
70.340.460.350.360.330.32
80.180.120.160.020.020.02
90.250.190.360.060.040.04
100.210.110.160.030.030.03
112.072.312.452.292.322.30
120.090.140.110.030.020.02
131.581.461.201.271.301.34
140.120.100.100.020.020.02
150.190.220.310.030.030.03
160.100.060.100.020.020.02
170.210.190.240.120.130.12
180.070.040.070.020.020.02
190.200.230.190.320.330.34
200.120.070.090.020.020.02
210.140.120.220.020.040.03
220.140.060.100.020.020.02
230.480.560.600.680.700.70
240.070.080.090.020.020.02
250.490.430.420.540.550.56
Table 7. Current harmonics before and after retrofit at point P2.
Table 7. Current harmonics before and after retrofit at point P2.
Current Harmonic; P2
BeforeAfterIncrease
Harmonic OrderL1
CP95 [%]
L2
CP95 [%]
L3
CP95 [%]
L1
CP95 [%]
L2
CP95 [%]
L3
CP95 [%]
L1
[%]
L2
[%]
L3
[%]
20.890.970.912.321.931.59262200175
31.861.761.641.682.132.59 121158
40.550.540.611.261.080.86228199141
52.191.852.138.118.718.66371471406
60.400.410.510.480.660.76118162149
71.390.841.253.734.063.92268485313
80.560.640.520.470.650.76 102145
90.521.000.950.640.680.88122
100.590.690.460.460.600.70 151
117.127.147.7110.6410.7010.39149150135
120.380.270.460.460.680.80118257176
134.764.524.175.856.075.84123134140
140.400.430.380.440.590.70109136185
150.651.011.090.440.580.69
160.310.450.290.430.590.71138131246
170.801.040.921.481.621.62186156176
180.210.350.250.430.590.70206167277
190.780.660.831.301.391.52165210183
200.470.480.320.460.620.7498130234
210.360.770.710.470.630.74130 105
220.470.590.270.490.660.77104112285
232.192.172.583.753.793.68171174142
240.300.300.350.490.690.80162227228
252.021.741.462.732.832.76136162189
Disclaimer/Publisher’s Note: The statements, opinions and data contained in all publications are solely those of the individual author(s) and contributor(s) and not of MDPI and/or the editor(s). MDPI and/or the editor(s) disclaim responsibility for any injury to people or property resulting from any ideas, methods, instructions or products referred to in the content.

Share and Cite

MDPI and ACS Style

Siostrzonek, T.; Mikoś, Z. The Evaluation of the Effect of Power Circuit Configuration Changes on the Level of Harmonics Generated by the Hoisting Machine Drive System. Energies 2025, 18, 5043. https://doi.org/10.3390/en18195043

AMA Style

Siostrzonek T, Mikoś Z. The Evaluation of the Effect of Power Circuit Configuration Changes on the Level of Harmonics Generated by the Hoisting Machine Drive System. Energies. 2025; 18(19):5043. https://doi.org/10.3390/en18195043

Chicago/Turabian Style

Siostrzonek, Tomasz, and Zbigniew Mikoś. 2025. "The Evaluation of the Effect of Power Circuit Configuration Changes on the Level of Harmonics Generated by the Hoisting Machine Drive System" Energies 18, no. 19: 5043. https://doi.org/10.3390/en18195043

APA Style

Siostrzonek, T., & Mikoś, Z. (2025). The Evaluation of the Effect of Power Circuit Configuration Changes on the Level of Harmonics Generated by the Hoisting Machine Drive System. Energies, 18(19), 5043. https://doi.org/10.3390/en18195043

Note that from the first issue of 2016, this journal uses article numbers instead of page numbers. See further details here.

Article Metrics

Back to TopTop