Discrete Adaptive Nonswitching Reaching Law Algorithm for Sliding Mode Control of a Grid-Following Inverter
Abstract
1. Introduction
2. Microgrid System Model
2.1. Power System Structure
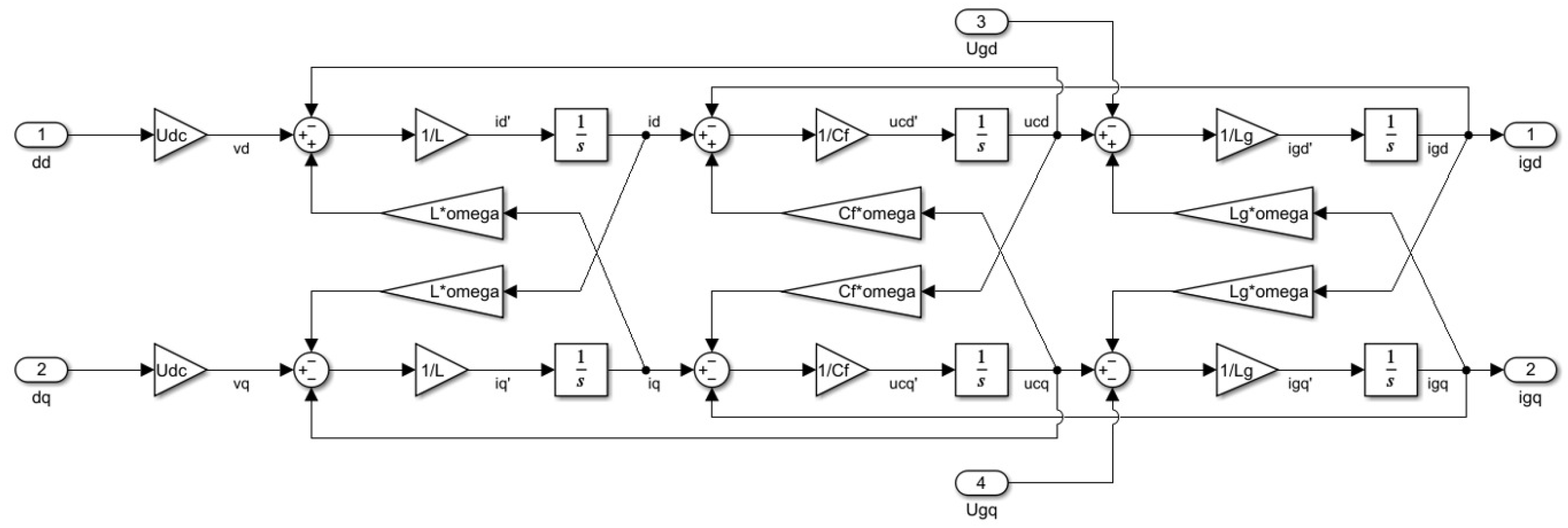
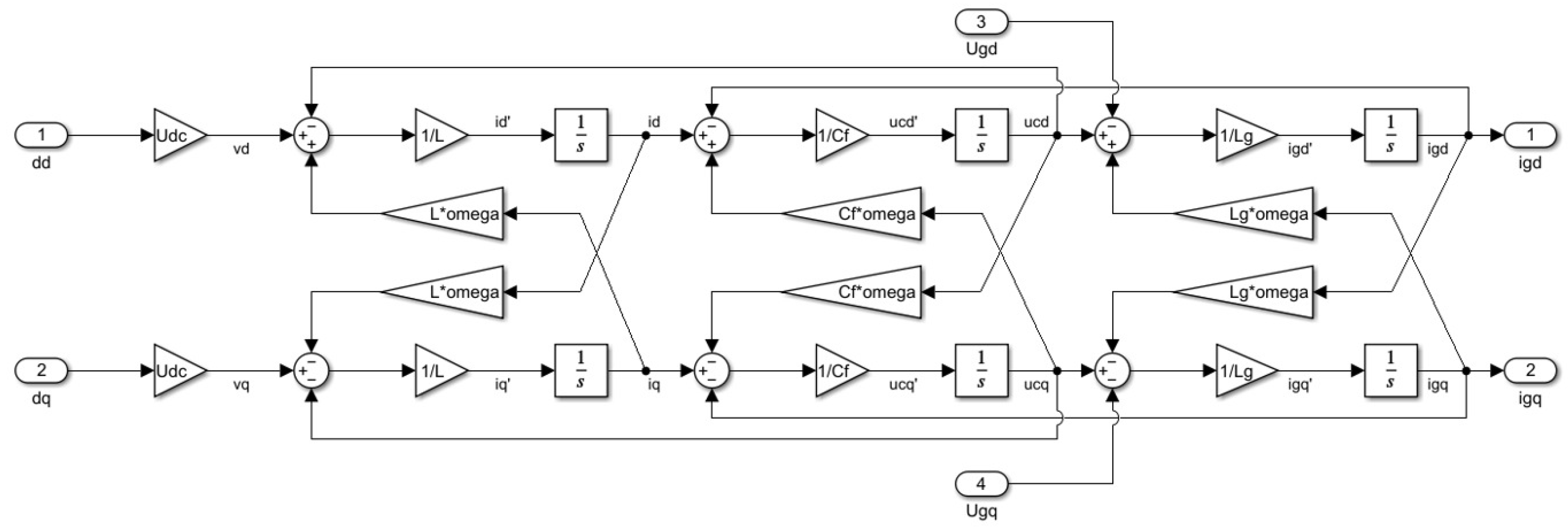
2.2. Mathematical Model of the System
- -
- L—filter inductance;
- -
- —grid inductance;
- -
- —filter capacity;
- -
- —inverter output current of a given phase;
- -
- —capacitive filter voltage of a given phase;
- -
- —grid current of a given phase;
- -
- d—voltage modulator duty cycle;
- -
- —energy storage voltage (inverter DC voltage source);
- -
- —grid voltage of a given phase;
- -
- k—phase designation.
2.3. Transformation of the Model Using dq0 Method
- -
- —inverter output current vector components;
- -
- —grid current vector components;
- -
- —capacitive filter voltage vector components;
- -
- —grid voltage vector components;
- -
- —voltage modulator duty cycle vector components;
- -
- —pulsation.
2.4. Simulation Model
3. Implementation of Known SMC Algorithms
3.1. Sliding Variable Selection
- -
- —sliding variables;
- -
- —sliding variable coefficients, where , , ;
- -
- —desired values of the state variables.
3.2. Stability Analysis
3.3. Implementation of a Classic SMC
- -
- —components of the inverter output voltage vector.
- -
- —control law for the d component;
- -
- —positive gains for corresponding control law parts.
3.4. Implementation of a Hybrid SMC
- -
- —an additional parameter for hybrid control law;
- -
- –-an additional function to implement hybrid control type, expressed by equation:
3.5. Results Presentation
3.6. Conclusions About Known Solutions
4. Nonswitching-Type Reaching Law Implementation
4.1. Dead-Beat Approach
- -
- —discrete input matrix;
- -
- —sliding variable coefficients vector, .
4.2. Control Law Implemenation
- -
- —sliding variable for the d component,
- -
- —discrete state variables,
- -
- —desired discrete state variables signals.
- -
- —control law based on nonswitching reaching law type;
- -
- —reaching law function; ; where —a positive constant;
- -
- —average value of the disturbances impact on the system;
- -
- —average value of the model inaccuracy impact on the system.
- -
- Mathematical model—The simplest model, which was built using the matrix equations presented earlier. It concerns only one component of the grid current vector. Only basic Simulink elements were used in the design of this system. This model is helpful in verifying control based on the dead-beat method.
- -
- Model with ideal voltage sources—This is a model that takes into account both components of the state variable vectors. For this reason, it contains dq0 transformation systems and a synchronization system. The LCL filter and the power grid are implemented using elements of the Simscape library, which allows for the implementation of electrical elements in a very precise way. Reference voltages are implemented using ideal voltage sources, which allows for testing a fairly advanced version of the system in the absence of control signal constraints and for any output voltage levels.
- -
- Full model, i.e., model with modulator and inverter—This is the most advanced version of the model, which extends the previous model with modulator and inverter, which are also implemented using electrical elements of the Simscape library. Due to the mentioned elements, there are restrictions on the control signal in the system, and the T-type inverter—as a three-level inverter—can realize three voltage levels at the output: positive, zero and negative. This is the model used to conduct series of tests to generate results presented in this paper, also including tests of classic and hybrid control, which were described in the previous chapters.
4.3. Stability Analysis
- -
- —maximum permissible deviation of the value of the impact of model inaccuracy on the system from the nominal value;
- -
- —maximum permissible deviation of the value of the impact of external disturbances on the system from the nominal value.
- -
- —a model uncertainty representation.
- -
- —an external disturbance.
- (1)
- The total effect of the model uncertainty results from the lack of inclusion of the cross-couplings in the control algorithm and also results from all phenomena resulting from the use of advanced electronic components in simulation environement, whose full mathematical description would be too complex, i.e., parameters of transistors, passive elements, parasitic values, etc.
- (2)
- The total impact of disturbances acting on the system can be assumed arbitrarily to some extent, taking into account additionally the experimentally observed oscillations resulting from the operation of transistors, focusing on the value of their amplitude based on Figure 11. Since there is no external disturbance applied, it is possible to use the discussed signal in this manner.
- -
- —upper bound of ;
- -
- —lower bound of ;
- -
- —upper bound of ;
- -
- —lower bound of .
4.4. Obtained Results
4.5. Conclusions About the Method
- a.
- In the case of the above results, the parameter is based entirely on the condition presented in (20), i.e., its value was assumed arbitrarily in the range specified by the condition. This parameter directly affects the gain of the control signal and thanks to it, it is possible to inhibit the dead-beat control to a greater or lesser extent. Hence, its appropriate selection for the assumed operating conditions could improve the quality of the control process. This problem is the genesis of the introduced adaptation mechanism, which will be presented in the next chapter.
- b.
- There is a steady-state error in the system, which can be seen in Figure 14. This error in long-term processes may turn out to be a factor significantly reducing the potential quality of control. This problem, in turn, is the basis for using the method of reducing the steady-state error proposed in Section 6.
5. Introducing Adaptation Mechanism
- -
- —maximum allowable control.
5.1. Description of Adaptation Aspects
- -
- —new inductance value related to the grid load changes;
- -
- —new capacity value related to the grid load changes.
- -
- an increase in the grid inductance value leads to the need to increase the value of the control signal for a constant ;
- -
- an increase in the capacitance value leads to the need to increase the value of the control signal for a constant ;
- -
- an increase in the value of the parameter leads to an increase in the value of the control signal (the larger , the less dead-beat is counteracted).
- -
- —discrete state matrix with changed inductance and capacity (individual elements are presented in Appendix B).
- -
- —changed control parameter taking into account the assumed range of grid parameter variability.
- -
- —an auxiliary constant expressing maximum value of the respective control law parts;
- -
- —a constant defining the lower limit of the control law parameter value with respect to the value of .
- -
- —an auxiliary constant expressing minimum value of the respective control law parts;
- -
- —constant defining the upper limit of the control law parameter value with respect to the value of .
5.2. Adaptation Mechanism Implementation
- -
- —a signal representing variable version of control law parameter;
- -
- —an auxiliary signal, .
- -
- —control law based on adaptive nonswitching reaching law type;
- -
- —modified reaching law part.
5.3. Obtained Results
6. Introducing Steady Error Reduction Mechanism
6.1. Description of the Proposed Method
6.2. Implementation of the Mechanism
- -
- —maximum permissible value of the change in the set value of the d component of the grid current vector;
- -
- —maximum value of the change in the d component of the grid current vector, below which it is assumed that the steady state is present;
- -
- —gain of control based on the steady-state error reduction mechanism, ;
- -
- T—sampling period ();
- -
- —a discrete moment of time for which the activation condition of the mechanism is met;
- -
- —a logical variable enabling the mathematical notation of the implementation of the activation and deactivation mechanism of the steady-state error reduction algorithm; (mechanism disabled by default).
6.3. Obtained Results
7. Comparative Analysis of the Presented Methods
7.1. Control Measures Summary
7.2. Test Results Analysis
8. Conclusions
Author Contributions
Funding
Data Availability Statement
Conflicts of Interest
Appendix A. Discrete State Matrix Elements
Appendix B. Modified Discrete State Matrix Elements
References
- Bartoszewicz, A. Conventional sliding modes in continuous and discrete time domains. In Proceedings of the 2017 18th International Carpathian Control Conference (ICCC), Sinaia, Romania, 28–31 May 2017; pp. 588–593. [Google Scholar]
- Utkin, V.; Shi, J. Integral sliding mode in systems operating under uncertainty conditions. In Proceedings of the 35th IEEE Conference on Decision and Control, Kobe, Japan, 13 December 1996; Volume 4, pp. 4591–4596. [Google Scholar]
- Zenteno-Torres, J.; Cieslak, J.; Dávila, J.; Henry, D. Sliding Mode Control with Application to Fault-Tolerant Control: Assessment and Open Problems. Automation 2021, 2, 1–30. [Google Scholar] [CrossRef]
- Latosiński, P.; Adamiak, K. Discrete-Time Sliding Mode Control Strategies—State of the Art. Energies 2024, 17, 4564. [Google Scholar] [CrossRef]
- Bartoszewicz, A.; Lesniewski, P. New Switching and Nonswitching Type Reaching Laws for SMC of Discrete Time Systems. IEEE Trans. Control Syst. Technol. 2016, 24, 670–677. [Google Scholar] [CrossRef]
- Jiang, Y.; Wang, Q.; Dong, C. A reaching law based neural network terminal sliding-mode guidance law design. In Proceedings of the 2013 IEEE International Conference of IEEE Region 10 (TENCON 2013), Xi’an, China, 22–25 October 2013; pp. 1–5. [Google Scholar]
- Xi, L.; Yang, S.; Dong, H.; Qi, X. Terminal Sliding Mode Control for Robotic Manipulator Based on Combined Reaching Law. In Proceedings of the 2019 International Conference on Computer Network, Electronic and Automation (ICCNEA), Xi’an, China, 27–29 September 2019; pp. 436–441. [Google Scholar]
- Leng, J.; Ma, C. Sliding Mode Control for PMSM Based on a Novel Hybrid Reaching Law. In Proceedings of the 2018 37th Chinese Control Conference (CCC), Wuhan, China, 25–27 July 2018; pp. 3006–3011. [Google Scholar]
- Sawiński, A.; Chudzik, P.; Tatar, K. Smc algorithms in t-type bidirectional power grid converter. Energies 2024, 17, 2970. [Google Scholar] [CrossRef]
- Szewczyk, F. Sliding Mode Control Restart Strategy for Rotating Induction Machine Using Time-Varying Switching Line. Przegląd Elektrotechniczny 2024, 1, 21–26. [Google Scholar] [CrossRef]
- Mozayan, S.M.; Saad, M.; Vahedi, H.; Fortin-Blanchette, H.; Soltani, M. Sliding Mode Control of PMSG Wind Turbine Based on Enhanced Exponential Reaching Law. IEEE Trans. Ind. Electron. 2016, 63, 6148–6159. [Google Scholar] [CrossRef]
- Sawiński, A.; Chudzik, P.; Tatar, K. Cascade Sliding Mode Control for Linear Displacement Positioning of a Quadrotor. Sensors 2025, 25, 883. [Google Scholar] [CrossRef] [PubMed]
- Rajanna, G.S.; Nagaraj, H.N. Comparison between sigmoid variable reaching law and exponential reaching law for sliding mode controlled DC-DC Buck converter. In Proceedings of the 2013 International Conference on Power, Energy and Control (ICPEC), Dindigul, India, 6–8 February 2013; pp. 316–319. [Google Scholar]
- Latosinski, P.; Bartoszewicz, A.; Lesniewski, P. A new reaching law based DSMC for inventory management systems. In Proceedings of the 2017 21st International Conference on System Theory, Control and Computing (ICSTCC), Sinaia, Romania, 19–21 October 2017; pp. 372–377. [Google Scholar]
- Bartoszewicz, A.; Lesniewski, P. Non-switching type reaching law with application to congestion control in connection-oriented communication networks. In Proceedings of the 2014 European Control Conference (ECC), Strasbourg, France, 24–27 June 2014; pp. 1211–1216. [Google Scholar]
- Bartoszewicz, A.; Maciejewski, M. Dead-beat sliding mode control of perishable inventories with transportation losses and multiple suppliers. In Proceedings of the 2013 European Control Conference (ECC), Zurich, Switzerland, 17–19 July 2013; pp. 3209–3215. [Google Scholar]
- Ignaciuk, P.; Bartoszewicz, A. Sliding Mode Dead-Beat Control of Perishable Inventory Systems With Multiple Suppliers. IEEE Trans. Autom. Sci. Eng. 2012, 9, 418–423. [Google Scholar] [CrossRef]
- Nicola, M.; Nicola, C.-L. Improved Performance in the Control of DC-DC Three-Phase Power Electronic Converter Using Fractional-Order SMC and Synergetic Controllers and RL-TD3 Agent. Fractal Fract. 2022, 6, 729. [Google Scholar] [CrossRef]
- Bouguerra, Z. Comparative study between PI, FLC, SMC and Fuzzy sliding mode controllers of DFIG wind turbine. J. Renew. Energies 2023, 26, 209–223. [Google Scholar] [CrossRef]
- Kalvinathan, V.; Chitra, S. Power Optimization in Hybrid Renewable Energy Standalone System using SMC-ANFIS. Adv. Electr. Comput. Eng. 2022, 22, 69–78. [Google Scholar] [CrossRef]
- Liu, S.; Liu, X.; Jiang, S.; Zhao, Z.; Wang, N.; Liang, X.; Zhang, M.; Wang, L. Application of an Improved STSMC Method to the Bidirectional DC–DC Converter in Photovoltaic DC Microgrid. Energies 2022, 15, 1636. [Google Scholar] [CrossRef]
- Kumar, N.; Saha, T.K.; Dey, J. Design and analysis of a double band hysteresis SMC for cascaded inverter-based PV system. In Proceedings of the 2016 IEEE Region 10 Conference (TENCON), Singapore, 22–25 November 2016; pp. 898–902. [Google Scholar]
- Lyu, S.; Zheng, L.; Song, J.; Liu, Z.; Tian, M. A Repetitive Sliding Mode Control for Household Mircogrid Inverter Operating in Islanding Mode. In Proceedings of the 2018 IEEE International Power Electronics and Application Conference and Exposition (PEAC), Shenzhen, China, 4–7 November 2018; pp. 1–6. [Google Scholar]
- Zheng, W.; Li, S.; Wang, J.; Wang, Z. Sliding-mode control for three-phase PWM inverter via harmonic disturbance observer. In Proceedings of the 2015 34th Chinese Control Conference (CCC), Hangzhou, China, 28–30 July 2015; pp. 7988–7993. [Google Scholar]
- Bouzid, A.M.; Guerrero, J.M.; Cheriti, A.; Bouhamida, M.; Sicard, P.; Benghanem, M. A survey on control of electric power distributed generation systems for microgrid applications. Renew. Sustain. Energy Rev. 2015, 44, 751–766. [Google Scholar] [CrossRef]
- Rocabert, J.; Luna, A.; Blaabjerg, F.; Rodríguez, P. Control of Power Converters in AC Microgrids. IEEE Trans. Power Electron. 2012, 27, 4734–4749. [Google Scholar] [CrossRef]
- Gong, X.; Wang, X. A novel Koopman-inspired method for the secondary control of microgrids with grid-forming and grid-following sources. Appl. Energy 2023, 333, 120631. [Google Scholar] [CrossRef]
- Guo, W.; Mu, L. Control principles of micro-source inverters used in microgrid. Prot. Control Mod. Power Syst. 2016, 1, 5. [Google Scholar] [CrossRef]
- Mohiuddin, S.M.; Qi, J. A Unified Droop-Free Distributed Secondary Control for Grid-Following and Grid-Forming Inverters in AC Microgrids. In Proceedings of the 2020 IEEE Power & Energy Society General Meeting (PESGM), Montreal, QC, Canada, 2–6 August 2020; pp. 1–5. [Google Scholar]
- Hao, X.; Yang, X.; Xie, R.; Huang, L.; Liu, T.; Li, Y. A fixed switching frequency integral resonant sliding mode controller for three-phase grid-connected photovoltaic inverter with lcl-filter. In Proceedings of the 2013 IEEE ECCE Asia Downunder, Melbourne, VIC, Australia, 3–6 June 2013; pp. 793–798. [Google Scholar]
- Monica, P.; Kowsalya, M.; Subramanian, K. Droop reference based decoupling coupling control of NPC inverter for islanded microgrid. In Proceedings of the 2017 Innovations in Power and Advanced Computing Technologies (i-PACT), Vellore, India, 21–22 April 2017; pp. 1–5. [Google Scholar]
- Rąbkowski, J.; Kopacz, R. Extended T-type Inverter. Power Electron. Drives 2018, 3, 55–64. [Google Scholar] [CrossRef]
- Meenakshi, V.; Kavitha, M.; Antony, A.S.M.; Kaveri, V.V.; Radhika, S.; Immanuel, D.G. T-Type Three Phase Inverter with Grid Connected System used in Renewable Energy Resources. In Proceedings of the 2023 International Conference on Sustainable Computing and Data Communication Systems (ICSCDS), Erode, India, 23–25 March 2023; pp. 929–936. [Google Scholar]
- Gao, X.; Zhou, D.; Anvari-Moghaddam, A.; Blaabjerg, F. Stability Analysis of Grid-Following and Grid-Forming Converters Based on State-Space Modelling. IEEE Trans. Ind. Appl. 2024, 60, 4910–4920. [Google Scholar] [CrossRef]
- Babu, V.; Roselyn, P.; Chinnaiyan, N.; Sundaravadivel, P. Development of Grid-Forming and Grid-Following Inverter Control in Microgrid Network Ensuring Grid Stability and Frequency Response. Electronics 2024, 13, 1958. [Google Scholar] [CrossRef]
- Fu, X.; Sun, J.; Huang, M.; Tian, Z.; Yan, H.; Iu, H.H.; Hu, P.; Zha, X. Large-Signal Stability of Grid-Forming and Grid-Following Controls in Voltage Source Converter: A Comparative Study. IEEE Trans. Power Electron. 2021, 36, 7832–7840. [Google Scholar] [CrossRef]
- Du, W.; Tuffner, F.K.; Schneider, K.P.; Lasseter, R.H.; Xie, J.; Chen, Z.; Bhattarai, B. Modeling of Grid-Forming and Grid-Following Inverters for Dynamic Simulation of Large-Scale Distribution Systems. IEEE Trans. Power Deliv. 2021, 36, 2035–2045. [Google Scholar] [CrossRef]
- Jasim, A.; Jasim, B. Grid-forming and grid-following based microgrid inverters control. Iraqi J. Electr. Electron. Eng. 2022, 18, 111–131. [Google Scholar] [CrossRef]
- Sadeque, F.; Sharma, D.; Mirafzal, B. Power-Sharing between Grid-Forming and Grid-Following Inverters. In Proceedings of the 2021 IEEE 22nd Workshop on Control and Modelling of Power Electronics (COMPEL), Cartagena, Colombia, 2–5 November 2021; pp. 1–5. [Google Scholar]
- Gluščević, J.; Janda, Ž.; Dragosavac, J.; Ristić, L. Enhancing Stability of Grid-Following Inverter for Renewables. In Proceedings of the 2023 22nd International Symposium on Power Electronics (Ee), Novi Sad, Serbia, 25–28 October 2023; pp. 1–6. [Google Scholar]
- Hasan, M.M.; Chowdhury, A.H. Performance Analysis of a DQ0 Controlled Grid Forming Inverter for Grid Connected Photovoltaic System: A Case Study. In Proceedings of the 2022 4th International Conference on Sustainable Technologies for Industry 4.0 (STI), Dhaka, Bangladesh, 17–18 December 2022; pp. 1–6. [Google Scholar]
- Li, S.; Zhou, S.; Li, H. Harmonic Suppression Strategy of LCL Grid-Connected PV Inverter Based on Adaptive QPR_pc Control. Electronics 2023, 1, 2282. [Google Scholar] [CrossRef]
- Huang, J.; Zhao, Y.; Wang, J.; Zhang, P. A Hybrid Active Damping Strategy for Improving the Adaptability of LCL Converter in Weak Grid. Electronics 2023, 13, 144. [Google Scholar] [CrossRef]
- Ahsan, E.E.; Shobug, M.A.; Tanim, M.M.H.; Reza, M.H. Harmonic Distortion Reduction of Transformerless Inverter’s Output Voltage Using 5-Level Single-Phase Inverter and LCL Filter. In Proceedings of the 2020 2nd International Conference on Advanced Information and Communication Technology (ICAICT), Dhaka, Bangladesh, 28–29 November 2020; pp. 251–256. [Google Scholar]
- Choi, W.; Lee, W.; Sarlioglu, B. Effect of grid inductance on grid current quality of parallel grid-connected inverter system with output LCL filter and closed-loop control. In Proceedings of the 2016 IEEE Applied Power Electronics Conference and Exposition (APEC), Long Beach, CA, USA, 20–24 March 2016; pp. 2679–2686. [Google Scholar]
- Wang, B.; Zhang, X.; Song, C.; Cao, R. Research on the Filters for Dual-Inverter Fed Open-End Winding Transformer Topology in Photovoltaic Grid-Tied Applications. Energies 2019, 12, 2338. [Google Scholar] [CrossRef]
- Dehghani, M.; Mardaneh, M.; Shafiei, M.H. Sliding mode control for load harmonics compensation and PV voltage regulation in a grid-tied inverter through a single-stage MPPT. In Proceedings of the 2020 28th Iranian Conference on Electrical Engineering (ICEE), Tabriz, Iran, 4–6 August 2020; pp. 1–6. [Google Scholar]
- de Brito, M.A.G.; Junior, L.G.; Canesin, C.A. Three-phase tri-state integrated boost inverter with special space vector and dq0 control. In Proceedings of the International Symposium on Power Electronics Power Electronics, Electrical Drives, Automation and Motion, Sorrento, Italy, 20–22 June 2012; pp. 644–648. [Google Scholar]
- Schonardie, M.F.; Coelho, R.F.; Schweitzer, R.; Martins, D.C. Control of the active and reactive power using dq0 transformation in a three-phase grid-connected pv system. In Proceedings of the 2012 IEEE International Symposium on Industrial Electronics, Hangzhou, China, 28–31 May 2012. [Google Scholar]
- Schonardie, M.F.; Ruseler, A.; Coelho, R.F.; Martins, D.C. Three-phase grid-connected pv system with active and reactive power control using dq0 transformation. In Proceedings of the 2010 9th IEEE/IAS International Conference on Industry Applications—INDUSCON 2010, Sao Paulo, Brazil, 8–10 November 2010; pp. 1–6. [Google Scholar]
- Vinoliney, A.; Lydia, M.; Levron, Y. Optimal grid integration of renewable energy sources with energy storage using dq0 based inverter controller. In Proceedings of the 2020 International Conference on Inventive Computation Technologies (ICICT), Coimbatore, India, 26–28 February 2020; pp. 966–972. [Google Scholar]
- Kumar, N.; Buwa, O. A Review on Reactive Power Compensation of Distributed Energy System. In Proceedings of the 2020 7th International Conference on Smart Structures and Systems (ICSSS), Chennai, India, 23–24 July 2020; pp. 1–6. [Google Scholar]
- Lesniewski, P. Discrete time reaching law based sliding mode control: A survey. In Proceedings of the 2018 22nd International Conference on System Theory, Control and Computing (ICSTCC), Sinaia, Romania, 10–12 October 2018; pp. 734–739. [Google Scholar]
- Li, Y.; Liu, L. The research of the sliding mode control method based on improved double reaching law. In Proceedings of the 2018 Chinese Control And Decision Conference (CCDC), Shenyang, China, 9–11 June 2018; pp. 672–675. [Google Scholar]
- Bartoszewicz, A.; Lesniewski, P. New reaching law for quasi-sliding mode control of discrete time systems. In Proceedings of the 52nd IEEE Conference on Decision and Control, Firenze, Italy, 10–13 December 2013; pp. 2881–2887. [Google Scholar]
- Bartoszewicz, A. A new reaching law for sliding mode control of continuous time systems with constraints. Trans. Inst. Meas. Control 2015, 37, 515–521. [Google Scholar] [CrossRef]
- Bartoszewicz, A.; Lesniewski, P. Reaching Law Approach to the Sliding Mode Control of Periodic Review Inventory Systems. IEEE Trans. Autom. Sci. Eng. 2014, 11, 810–817. [Google Scholar] [CrossRef]
- Tatar, K.; Chudzik, P.; Leśniewski, P. Sliding mode control of buck dc–dc converter with lc input filter. Energies 2023, 16, 6983. [Google Scholar] [CrossRef]
- Drazenovic, B.; Milosavljevic, C.; Veselic, B. Discrete-time chattering-free integral sliding mode control of continuous-time descriptor systems. In Proceedings of the 2014 13th International Workshop on Variable Structure Systems (VSS), Nantes, France, 29 June–2 July 2014; pp. 1–6. [Google Scholar]
- Veselic, B.; Perunicic-Drazenovic, B.; Milosavljevic, C. Integral Sliding Manifold Design for Linear Systems With Additive Unmatched Disturbances. IEEE Trans. Autom. Control 2016, 61, 2544–2549. [Google Scholar] [CrossRef]
- Veselic, B.; Drazenovic, B.; Milosavljevic, C. Optimal discrete-time integral sliding manifold design for linear systems subjected to a class of unmatched disturbances. In Proceedings of the 2015 International Workshop on Recent Advances in Sliding Modes (RASM), Istanbul, Turkey, 9–11 April 2015; pp. 1–6. [Google Scholar]




















| Control Method | ISE | IAE |
|---|---|---|
| Classic SMC | 3.6939 | 6.2885 |
| Hybrid SMC | 3.5924 | 3.7845 |
| Nonswitching Reaching Law (NRL) | 2.2296 | 1.3434 |
| Adaptive Nonswitching Reaching Law (ANRL) | 1.4890 | 1.1379 |
| Adaptive Integral Nonswitching Reaching Law (AINRL) | 1.4157 | 4.2585 |
| Control Method | MIN (Steady-State) | MAX (Steady-State) |
|---|---|---|
| Classic SMC | −2.2278 | 2.0677 |
| Hybrid SMC | −4.0321 | 6.1065 |
| NRL | 9.8367 | 1.1198 |
| ANRL | 9.1041 | 1.0353 |
| AINRL | −6.6823 | 8.4445 |
| Control Method | ISE (Steady-State) | IAE (Steady-State) |
|---|---|---|
| Classic SMC | 4.0190 | 4.3989 |
| Hybrid SMC | 6.1030 | 1.8120 |
| NRL | 7.6287 | 7.3035 |
| ANRL | 6.5887 | 6.7884 |
| AINRL | 1.3919 | 2.7554 |
Disclaimer/Publisher’s Note: The statements, opinions and data contained in all publications are solely those of the individual author(s) and contributor(s) and not of MDPI and/or the editor(s). MDPI and/or the editor(s) disclaim responsibility for any injury to people or property resulting from any ideas, methods, instructions or products referred to in the content. |
© 2025 by the authors. Licensee MDPI, Basel, Switzerland. This article is an open access article distributed under the terms and conditions of the Creative Commons Attribution (CC BY) license (https://creativecommons.org/licenses/by/4.0/).
Share and Cite
Sawiński, A.; Leśniewski, P.; Chudzik, P. Discrete Adaptive Nonswitching Reaching Law Algorithm for Sliding Mode Control of a Grid-Following Inverter. Energies 2025, 18, 4696. https://doi.org/10.3390/en18174696
Sawiński A, Leśniewski P, Chudzik P. Discrete Adaptive Nonswitching Reaching Law Algorithm for Sliding Mode Control of a Grid-Following Inverter. Energies. 2025; 18(17):4696. https://doi.org/10.3390/en18174696
Chicago/Turabian StyleSawiński, Albert, Piotr Leśniewski, and Piotr Chudzik. 2025. "Discrete Adaptive Nonswitching Reaching Law Algorithm for Sliding Mode Control of a Grid-Following Inverter" Energies 18, no. 17: 4696. https://doi.org/10.3390/en18174696
APA StyleSawiński, A., Leśniewski, P., & Chudzik, P. (2025). Discrete Adaptive Nonswitching Reaching Law Algorithm for Sliding Mode Control of a Grid-Following Inverter. Energies, 18(17), 4696. https://doi.org/10.3390/en18174696

