Grid-Forming Converters for Renewable Generation: A Comprehensive Review
Abstract
1. Introduction
- (a)
- A comprehensive review of GFMC topologies is presented.
- (b)
- Small-signal modeling techniques for GFMCs are examined to support system analysis and control design.
- (c)
- Existing and emerging control strategies for GFMCs are reviewed.
- (d)
- Typical applications of GFMCs in sustainable energy systems are identified and discussed.
- (e)
- Application-related challenges for GFMCs are analyzed for their impact on stability, operation, and protection.
2. Topological Configurations of Grid-Forming Converters
2.1. Two-Level Converter
2.2. Neutral Point-Clamped Converter
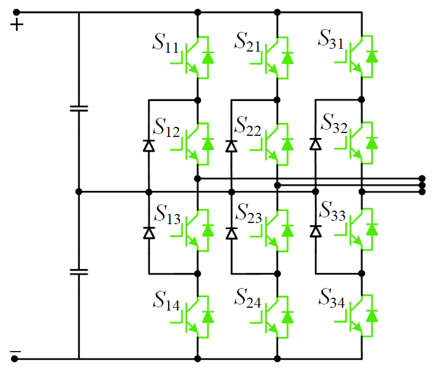
2.3. Flying Capacitor Converter
2.4. Cascaded H-Bridge Converter
2.5. Modular Multilevel Converter
3. Small-Signal Modeling of Grid-Forming Converters
3.1. State-Space Modeling
3.1.1. System Plant Model
3.1.2. Active and Reactive Power Measurement Model
3.1.3. AC Current Control Model
3.1.4. AC Voltage Control Model
3.1.5. Overall State-Space Model
3.2. Impedance Modeling
3.2.1. Voltage Control Model
- (a)
- Stand-Alone Mode
- (b)
- Grid-Tied Mode
- (c)
- Double-Loop Voltage Control with Gif(s) = 1
- (d)
- Single-Loop Voltage Control with Gif(s) = 0
3.2.2. Power Control Model
4. Control Strategies of Grid-Forming Converters
4.1. Droop Control
4.2. Virtual Synchronous Machines
4.3. Virtual Oscillator Control
4.4. Advanced Control Methods of GFMCs
5. Application of Grid-Forming Converters
5.1. Renewable Energy Integration
5.2. AC/DC Microgrid
5.3. Power Quality Enhancement
5.4. High Voltage Direct Current
6. Application-Related Challenges for Grid-Forming Converters
6.1. Synchronization Dynamics and Stability in GFMCs
6.2. Operational Transition Between Islanded and Grid-Connected Modes
6.3. Integration and Control of Energy Storage in GFMCs
6.4. AC Fault Detection and Protection Strategies for GFMC-Interfaced Grids
7. Conclusions
Author Contributions
Funding
Data Availability Statement
Conflicts of Interest
References
- Chakraborty, A. Advancements in power electronics and drives in interface with growing renewable energy resources. Renew. Sustain. Energy Rev. 2011, 15, 1816–1827. [Google Scholar] [CrossRef]
- Blaabjerg, F.; Iov, F.; Kerekes, T.; Teodorescu, R. Trends in power electronics and control of renewable energy systems. In Proceedings of the 14th International Power Electronics and Motion Control Conference EPE-PEMC 2010, Ohrid, North Macedonia, 6–8 September 2010. [Google Scholar] [CrossRef]
- Smith, O.; Cattell, O.; Farcot, E.; O’Dea, R.D.; Hopcraft, K.I. The effect of renewable energy incorporation on power grid stability and resilience. Sci. Adv. 2022, 8, eabj6734. [Google Scholar] [CrossRef] [PubMed]
- Abas, N.; Kalair, A.; Khan, N. Review of fossil fuels and future energy technologies. Futures 2015, 69, 31–49. [Google Scholar] [CrossRef]
- Lunardi, A.; Lourenço, L.F.N.; Munkhchuluun, E.; Meegahapola, L.; Filho, A.J.S. Grid-Connected Power Converters: An Overview of Control Strategies for Renewable Energy. Energies 2022, 15, 4151. [Google Scholar] [CrossRef]
- Jasim, A.; Jasim, B. Grid-Forming and Grid-Following Based Microgrid Inverters Control. Iraqi J. Electr. Electron. Eng. 2021, 18, 111–131. [Google Scholar] [CrossRef]
- Zarei, S.F.; Mokhtari, H.; Ghasemi, M.A.; Peyghami, S.; Davari, P.; Blaabjerg, F. Control of Grid-Following Inverters under Unbalanced Grid Conditions. IEEE Trans. Energy Convers. 2020, 35, 184–192. [Google Scholar] [CrossRef]
- Rosso, R.; Wang, X.; Liserre, M.; Lu, X.; Engelken, S. Grid-Forming Converters: Control Approaches, Grid-Synchronization, and Future Trends—A Review. IEEE Open J. Ind. Appl. 2021, 2, 93–109. [Google Scholar] [CrossRef]
- Khan, S.A.; Wang, M.; Su, W.; Liu, G.; Chaturvedi, S. Grid-Forming Converters for Stability Issues in Future Power Grids. Energies 2022, 15, 4937. [Google Scholar] [CrossRef]
- Fang, J.; Deng, H.; Tashakor, N.; Blaabjerg, F.; Goetz, S.M. State-Space Modeling and Control of Grid-Tied Power Converters With Capacitive/Battery Energy Storage and Grid-Supportive Services. IEEE J. Emerg. Sel. Top. Power Electron. 2023, 11, 234–250. [Google Scholar] [CrossRef]
- Anttila, S.; Döhler, J.S.; Oliveira, J.G.; Boström, C. Grid Forming Inverters: A Review of the State of the Art of Key Elements for Microgrid Operation. Energies 2022, 15, 5517. [Google Scholar] [CrossRef]
- Mali, R.; Adam, N.; Satpaise, A.; Vaidya, A.P. Performance Comparison of Two Level Inverter with Classical Multilevel Inverter Topologies. In Proceedings of the 2019 3rd IEEE International Conference on Electrical, Computer and Communication Technologies, ICECCT 2019, Coimbatore, India, 20–22 February 2019. [Google Scholar] [CrossRef]
- Qaisar, M.W.; Mujtaba, H.; Riaz, M.T.; Shahid, M.; Ghani, A.A.; Khan, M.A.; Hussain, K. Comparative Analysis of Fuzzy and Neural Controller for a Boost Converter. In Proceedings of the 27th International Conference on Evaluation and Assessment in Software Engineering, Oulu, Finland, 14–16 June 2023; pp. 414–422. [Google Scholar] [CrossRef]
- Schweizer, M.; Friedli, T.; Kolar, J.W. Comparative evaluation of advanced three-phase three-level inverter/converter topologies against two-level systems. IEEE Trans. Ind. Electron. 2013, 60, 5515–5527. [Google Scholar] [CrossRef]
- El-Hosainy, A.; Hamed, H.A.; Azazi, H.Z.; El-Kholy, E.E. A review of multilevel inverter topologies, control techniques, and applications. In Proceedings of the 2017 19th International Middle-East Power Systems Conference, MEPCON 2017-Proceedings, Cairo, Egypt, 19–21 December 2017; pp. 1265–1275. [Google Scholar] [CrossRef]
- Hemici, K.; Zegaoui, A.; Bokhtache, A.A.; Mahmoudi, M.O.; Aillerie, M. Three-Phases Flying-Capacitor Multilevel Inverter with Proportional Natural PWM Control. Energy Procedia 2015, 74, 1061–1070. [Google Scholar] [CrossRef]
- Kampitsis, G.; Batzelis, E.I.; Mitcheson, P.D.; Pal, B.C. A Clamping-Circuit-Based Voltage Measurement System for High-Frequency Flying Capacitor Multilevel Inverters. IEEE Trans. Power Electron. 2022, 37, 12301–12315. [Google Scholar] [CrossRef]
- Choi, S.; Saeedifard, M. Capacitor voltage balancing of flying capacitor multilevel converters by space vector PWM. IEEE Trans. Power Deliv. 2012, 27, 1154–1161. [Google Scholar] [CrossRef]
- Jiao, D.; Huang, A.Q. Pre-Charge Strategy and Light-Load Voltage Balance Enhancement for DC/AC Flying Capacitor Converter. In Proceedings of the 2024 IEEE Texas Power and Energy Conference, TPEC 2024, College Station, TX, USA, 12–13 February 2024. [Google Scholar] [CrossRef]
- Noman, A.M.; Al-Shamma’a, A.A.; Addoweesh, K.E.; Alabduljabbar, A.A.; Alolah, A.I. Cascaded Multilevel Inverter Topology Based on Cascaded H-Bridge Multilevel Inverter. Energies 2018, 11, 895. [Google Scholar] [CrossRef]
- Sorrentino, G.; Scaglione, G.; Viola, F.; Fedele, E.; Valtchev, S.; Miceli, R. Grid-forming Five-level Cascaded H-Bridge Inverter with Synchronous Power Control. In Proceedings of the 2024 IEEE 6th Global Power, Energy and Communication Conference, GPECOM 2024, Budapest, Hungary, 4–7 June 2024; pp. 530–536. [Google Scholar] [CrossRef]
- Tiwari, A.K.; Rath, I.C.; Patro, S.K. Grid Forming Control of Star Connected Cascaded H-Bridge STATCOM. In Proceedings of the International Conference on Power Electronics, Drives, and Energy Systems for Industrial Growth, PEDES, Mangalore, India, 18–21 December 2024. [Google Scholar] [CrossRef]
- Lourenço, L.F.N.; Perez, F.; Iovine, A.; Damm, G.; Monaro, R.M.; Salles, M.B.C. Stability Analysis of Grid-Forming MMC-HVDC Transmission Connected to Legacy Power Systems. Energies 2021, 14, 8017. [Google Scholar] [CrossRef]
- Soomro, J.B.; Akhtar, F.; Hussain, R.; Ansari, J.A.; Munir, H.M. A Detailed Review of MMC Circuit Topologies and Modelling Issues. Int. Trans. Electr. Energy Syst. 2022, 2022, 8734010. [Google Scholar] [CrossRef]
- Fang, J.; Blaabjerg, F.; Liu, S.; Goetz, S. A Review of Multilevel Converters with Parallel Connectivity. IEEE Trans. Power Electron. 2021, 36, 12468–12489. [Google Scholar] [CrossRef]
- Fang, J.; Lin, P.; Li, H.; Yang, Y.; Tang, Y. An improved virtual inertia control for three-phase voltage source converters connected to a weak grid. IEEE Trans. Power Electron. 2019, 34, 8660–8670. [Google Scholar] [CrossRef]
- Akagi, H.; Kanazawa, Y.; Nabae, A. Instantaneous Reactive Power Compensators Comprising Switching Devices without Energy Storage Components. IEEE Trans. Ind. Appl. 1984, IA-20, 625–630. [Google Scholar] [CrossRef]
- Fang, J.; Li, X.; Tang, Y.; Li, H. Design of virtual synchronous generators with enhanced frequency regulation and reduced voltage distortions. In Proceedings of the IEEE Applied Power Electronics Conference and Exposition-APEC, San Antonio, TX, USA, 4–8 March 2018; pp. 1412–1419. [Google Scholar] [CrossRef]
- Van De Sype, D.M.; De Gussemé, K.; Van Den Bossche, A.P.; Melkebeek, J.A. Small-signal z-domain analysis of digitally controlled converters. In Proceedings of the PESC Record-IEEE Annual Power Electronics Specialists Conference, Aachen, Germany, 20–25 June 2004; pp. 4299–4305. [Google Scholar] [CrossRef]
- Zou, C.; Liu, B.; Duan, S.; Li, R. Stationary frame equivalent model of proportional-integral controller in dq synchronous frame. IEEE Trans. Power Electron. 2014, 29, 4461–4465. [Google Scholar] [CrossRef]
- Deng, H.; Fang, J.; Qi, Y.; Tang, Y.; Debusschere, V. A Generic Voltage Control for Grid-Forming Converters with Improved Power Loop Dynamics. IEEE Trans. Ind. Electron. 2023, 70, 3933–3943. [Google Scholar] [CrossRef]
- Li, W.; Fang, J. A Single-Voltage-Loop PI-Controlled Grid-Forming Converter with Sufficient Switching Harmonic Attenuation. In Proceedings of the 2023 IEEE Energy Conversion Congress and Exposition, ECCE 2023, Nashville, TN, USA, 29 October 2023–2 November 2023; Institute of Electrical and Electronics Engineers Inc.: New York, NY, USA, 2023; pp. 3013–3020. [Google Scholar] [CrossRef]
- Simpson-Porco, J.W.; Dörfler, F.; Bullo, F. Synchronization and power sharing for droop-controlled inverters in islanded microgrids. Automatica 2013, 49, 2603–2611. [Google Scholar] [CrossRef]
- Du, W.; Chen, Z.; Schneider, K.P.; Lasseter, R.H.; Nandanoori, S.P.; Tuffner, F.K.; Kundu, S. A Comparative Study of Two Widely Used Grid-Forming Droop Controls on Microgrid Small-Signal Stability. IEEE J. Emerg. Sel. Top. Power Electron. 2019, 8, 963–975. [Google Scholar] [CrossRef]
- Tayab, U.B.; Bin Roslan, M.A.; Hwai, L.J.; Kashif, M. A review of droop control techniques for microgrid. Renew. Sustain. Energy Rev. 2017, 76, 717–727. [Google Scholar] [CrossRef]
- Sun, Y.; Hou, X.; Yang, J.; Han, H.; Su, M.; Guerrero, J.M. New Perspectives on Droop Control in AC Microgrid. IEEE Trans. Ind. Electron. 2017, 64, 5741–5745. [Google Scholar] [CrossRef]
- D’Arco, S.; Suul, J.A. Virtual Synchronous Machines—Classification of Implementations and Analysis of Equivalence to Droop Controllers for Microgrids. In Proceedings of the 2013 IEEE Grenoble Conference PowerTech, POWERTECH 2013, Grenoble, France, 16–20 June 2013. [Google Scholar] [CrossRef]
- Johnson, B.; Rodriguez, M.; Sinha, M.; Dhople, S. Comparison of virtual oscillator and droop control. In Proceedings of the 2017 IEEE 18th Workshop on Control and Modeling for Power Electronics, COMPEL 2017, Stanford, CA, USA, 9–12 July 2017. [Google Scholar] [CrossRef]
- Zhong, Q.C. Virtual Synchronous Machines: A unified interface for grid integration. IEEE Power Electron. Mag. 2016, 3, 18–27. [Google Scholar] [CrossRef]
- Gonzalez-Cajigas, A.; Roldan-Perez, J.; Bueno, E.J. Design and Analysis of Parallel-Connected Grid-Forming Virtual Synchronous Machines for Island and Grid-Connected Applications. IEEE Trans. Power Electron. 2021, 37, 5107–5121. [Google Scholar] [CrossRef]
- Alassi, A.; Feng, Z.; Ahmed, K.; Syed, M.; Egea-Alvarez, A.; Foote, C. Grid-forming VSM control for black-start applications with experimental PHiL validation. Int. J. Electr. Power Energy Syst. 2023, 151, 109119. [Google Scholar] [CrossRef]
- Alassi, A.; Ahmed, K.; Egea-Alvarez, A.; Foote, C. Modified Grid-forming Converter Control for Black-Start and Grid-Synchronization Applications. In Proceedings of the 2021 56th International Universities Power Engineering Conference: Powering Net Zero Emissions, UPEC 2021-Proceedings, Middlesbrough, UK, 31 August 2021–3 September 2021; pp. 1–5. [Google Scholar] [CrossRef]
- Aghdam, S.A.; Agamy, M. Virtual oscillator-based methods for grid-forming inverter control: A review. IET Renew. Power Gener. 2022, 16, 835–855. [Google Scholar] [CrossRef]
- Torres, L.A.B.; Hespanha, J.P.; Moehlis, J. Synchronization of Identical Oscillators Coupled Through a Symmetric Network With Dynamics: A Constructive Approach With Applications to Parallel Operation of Inverters. IEEE Trans. Autom. Control. 2015, 60, 3226–3241. [Google Scholar] [CrossRef]
- Sinha, M.; Dorfler, F.; Johnson, B.B.; Dhople, S.V. Synchronization of Liénard-type oscillators in uniform electrical networks. In Proceedings of the American Control Conference, Boston, MA, USA, 6–8 July 2016; pp. 4311–4316. [Google Scholar] [CrossRef]
- Colombino, M.; Groz, D.; Brouillon, J.-S.; Dorfler, F. Global Phase and Magnitude Synchronization of Coupled Oscillators With Application to the Control of Grid-Forming Power Inverters. IEEE Trans. Autom. Control. 2019, 64, 4496–4511. [Google Scholar] [CrossRef]
- Awal, M.A.; Husain, I. Unified Virtual Oscillator Control for Grid-Forming and Grid-Following Converters. IEEE J. Emerg. Sel. Top. Power Electron. 2020, 9, 4573–4586. [Google Scholar] [CrossRef]
- Lu, M.; Dutta, S.; Purba, V.; Dhople, S.; Johnson, B. A Grid-compatible Virtual Oscillator Controller: Analysis and Design. In Proceedings of the 2019 IEEE Energy Conversion Congress and Exposition, ECCE 2019, Baltimore, MD, USA, 29 September 2019–3 October 2019; pp. 2643–2649. [Google Scholar] [CrossRef]
- Johnson, B.B.; Sinha, M.; Ainsworth, N.G.; Dorfler, F.; Dhople, S.V. Synthesizing Virtual Oscillators to Control Islanded Inverters. IEEE Trans. Power Electron. 2015, 31, 6002–6015. [Google Scholar] [CrossRef]
- Stan, G.B.; Sepulchre, R. Analysis of Interconnected Oscillators by Dissipativity Theory. IEEE Trans. Autom. Control. 2007, 52, 256–270. [Google Scholar] [CrossRef]
- Liu, Y.; Zhao, Y.; Shi, Z. Sampled-data based consensus for multiple harmonic oscillators with directed switching topology. J. Frankl. Inst. 2017, 354, 3519–3539. [Google Scholar] [CrossRef]
- Seo, G.S.; Colombino, M.; Subotic, I.; Johnson, B.; Gros, D.; Dorfler, F. Dispatchable Virtual Oscillator Control for Decentralized Inverter-dominated Power Systems: Analysis and Experiments. In Proceedings of the IEEE Applied Power Electronics Conference and Exposition–APEC, Anaheim, CA, USA, 17–21 March 2019; pp. 561–566. [Google Scholar] [CrossRef]
- Lu, M. Virtual Oscillator Grid-Forming Inverters: State of the Art, Modeling, and Stability. IEEE Trans. Power Electron. 2022, 37, 11579–11591. [Google Scholar] [CrossRef]
- Lu, M.; Purba, V.; Dhople, S.; Johnson, B. Comparison of Droop Control and Virtual Oscillator Control Realized by Andronov-Hopf Dynamics. In Proceedings of the IECON Proceedings (Industrial Electronics Conference), Singapore, 18–21 October 2020; pp. 4051–4056. [Google Scholar] [CrossRef]
- Dutta, O.; Chen, T.; Ramasubramanian, D.; Farantatos, E. Adaptive Control of Grid Forming Inverters for System Black Start. In Proceedings of the 2023 IEEE Power and Energy Society Innovative Smart Grid Technologies Conference, ISGT 2023, Washington, DC, USA, 16–19 January 2023; pp. 1–5. [Google Scholar] [CrossRef]
- Babayomi, O.; Zhang, Z.; Li, Y.; Kennel, R. Adaptive Predictive Control with Neuro-Fuzzy Parameter Estimation for Microgrid Grid-Forming Converters. Sustainability 2021, 13, 7038. [Google Scholar] [CrossRef]
- Qaisar, M.W.; Fang, J.; Li, W. Switching Harmonic Attenuation of Grid-Tied Converters Using LLCL Filters and MPC-SVPWM. In Proceedings of the 2024 IEEE 7th International Electrical and Energy Conference (CIEEC), Harbin, China, 10–12 May 2024; pp. 1–7. [Google Scholar] [CrossRef]
- De Paris, J.-M.; Pinheiro, H.; Carnielutti, F.d.M.; Montagner, V.F.; Lima, D.M. MPC for Grid Forming Converters with Current Limiting. In Proceedings of the IECON Proceedings (Industrial Electronics Conference), Brussels, Belgium, 17–20 October 2022; pp. 1–5. [Google Scholar] [CrossRef]
- Guerrero, J.M.; Vasquez, J.C.; Matas, J.; de Vicuna, L.G.; Castilla, M. Hierarchical Control of Droop-Controlled AC and DC Microgrids—A General Approach Toward Standardization. IEEE Trans. Ind. Electron. 2011, 58, 158–172. [Google Scholar] [CrossRef]
- Tiwari, A.K.; Seethalekshmi, K. Adaptive Virtual Synchronous Generator Control for Grid Forming Inverters in Islanded AC Microgrid-A Real Time Simulation. In Proceedings of the 2021 International Conference on Control, Automation, Power and Signal Processing, CAPS 2021, Jabalpur, India, 10–12 December 2021; pp. 1–6. [Google Scholar] [CrossRef]
- Planas, E.; Andreu, J.; Gárate, J.I.; de Alegría, I.M.; Ibarra, E. AC and DC technology in microgrids: A review. Renew. Sustain. Energy Rev. 2015, 43, 726–749. [Google Scholar] [CrossRef]
- Che, L.; Shahidehpour, M. DC Microgrids: Economic Operation and Enhancement of Resilience by Hierarchical Control. IEEE Trans. Smart Grid 2014, 5, 2517–2526. [Google Scholar] [CrossRef]
- Su, E.; Fang, J.; Fu, C.; Gao, F. DC Grid-Forming/Following Power Converters with Capacitive/Battery Energy Storage. In Proceedings of the IEEE 10th International Power Electronics and Motion Control Conference, IPEMC 2024 ECCE Asia, Chengdu, China, 17–20 May 2024; Institute of Electrical and Electronics Engineers Inc.: New York, NY, USA, 2024; pp. 2511–2516. [Google Scholar] [CrossRef]
- Su, J.; Li, K.; Xing, C. Plug-and-Play of Grid-Forming Units in DC Microgrids Assisted With Power Buffers. IEEE Trans. Smart Grid 2023, 15, 1213–1226. [Google Scholar] [CrossRef]
- Qaisar, M.W.; Lai, J.; Fang, J. Modeling and Control of Grid-Forming Active Power Filters for Harmonic Suppression and Enhanced Power Quality. Appl. Sci. 2025, 15, 5927. [Google Scholar] [CrossRef]
- Sun, Y.; Wu, H.; Song, X.; Zhang, H.; Zhang, Y.; Chen, J.; Liu, H. Analysis of Influence of Grid-Following and Grid-Forming Static Var Generators on High-Frequency Resonance in Doubly Fed Induction Generator-Based Wind Farms. Electronics 2024, 13, 3879. [Google Scholar] [CrossRef]
- Zhao, F.; Wang, X.; Zhou, Z.; Kocewiak, Ł.; Svensson, J.R. Comparative study of battery-based STATCOM in grid-following and grid-forming modes for stabilization of offshore wind power plant. Electr. Power Syst. Res. 2022, 212, 108449. [Google Scholar] [CrossRef]
- Halonen, M.; Eriksson, E.; Urrutia, L.A.; Boström, A.; Majji, V. Grid Forming–an Evolution in STATCOM Technology for Today’s Power Grids. In Proceedings of the IEEE Power and Energy Society General Meeting, Seattle, WA, USA, 21–25 July 2024. [Google Scholar] [CrossRef]
- Lu, M.; Mu, W.; Qin, M.; Koehler, A.; Fang, J.; Goetz, S.M. Differential Detection of Feeder and Mesh Impedances Through a Series–Parallel Direct-Injection Soft Open Point. IEEE Trans. Power Electron. 2024, 40, 1964–1973. [Google Scholar] [CrossRef]
- Lin, L.; Zeng, Q.; Zhu, J.; Shi, X.; Hu, J. High-Frequency Oscillation Mechanism Analysis and Suppression Strategy of Grid-Forming Control MMC-HVDC. IEEE Trans. Power Deliv. 2022, 38, 1588–1600. [Google Scholar] [CrossRef]
- Harnefors, L.; Bongiorno, M.; Lundberg, S. Input-Admittance Calculation and Shaping for Controlled Voltage-Source Converters. IEEE Trans. Ind. Electron. 2007, 54, 3323–3334. [Google Scholar] [CrossRef]
- Rosso, R.; Andresen, M.; Engelken, S.; Liserre, M. Analysis of the Interaction Among Power Converters Through Their Synchronization Mechanism. IEEE Trans. Power Electron. 2019, 34, 12321–12332. [Google Scholar] [CrossRef]
- Dong, D.; Wen, B.; Boroyevich, D.; Mattavelli, P.; Xue, Y. Analysis of Phase-Locked Loop Low-Frequency Stability in Three-Phase Grid-Connected Power Converters Considering Impedance Interactions. IEEE Trans. Ind. Electron. 2014, 62, 310–321. [Google Scholar] [CrossRef]
- Zhang, L.; Harnefors, L.; Nee, H.-P. Power-Synchronization Control of Grid-Connected Voltage-Source Converters. IEEE Trans. Power Syst. 2009, 25, 809–820. [Google Scholar] [CrossRef]
- Pan, D.; Wang, X.; Liu, F.; Shi, R. Transient Stability Analysis of Droop-Controlled Grid-Connected Converters With Inertia Emulating Low-Pass Filters. In Proceedings of the 2019 IEEE Energy Conversion Congress and Exposition, ECCE 2019, Baltimore, MD, USA, 29 September 2019–3 October 2019; pp. 34–40. [Google Scholar] [CrossRef]
- Wu, H.; Wang, X. Design-Oriented Transient Stability Analysis of PLL-Synchronized Voltage-Source Converters. IEEE Trans. Power Electron. 2019, 35, 3573–3589. [Google Scholar] [CrossRef]
- Liu, T.; Wang, X.; Liu, F.; Xin, K.; Liu, Y. Transient Stability Analysis for Grid-Forming Inverters Transitioning from Islanded to Grid-Connected Mode. IEEE Open J. Power Electron. 2022, 3, 419–432. [Google Scholar] [CrossRef]
- Yuan, Y.; Ma, J.; Wang, S.; Wang, P.; Liu, T. Transient Stability Analysis of Grid-Forming Converters During Presynchronization Process in Islanded Mode. IEEE Trans. Power Electron. 2024, 39, 11007–11019. [Google Scholar] [CrossRef]
- Shi, X.; Li, R.; Wu, X.; Zhou, D.; Cheng, Y.; Cai, X. Improved Grid Forming Control for Energy-Type STATCOM to Enhance Damping and Limit Multiple Currents. IEEE Trans. Power Electron. 2025, 40, 15450–15465. [Google Scholar] [CrossRef]
- Wu, X.; Liu, L.; Wu, Y.; Luo, C.; Tang, Z.; Kerekes, T. Near-Optimal Energy Management Strategy for a Grid-Forming PV and Hybrid Energy Storage System. IEEE Trans. Smart Grid 2024, 16, 1422–1433. [Google Scholar] [CrossRef]
- Haddadi, A.; Zhao, M.; Kocar, I.; Karaagac, U.; Chan, K.W.; Farantatos, E. Impact of Inverter-Based Resources on Negative Sequence Quantities-Based Protection Elements. IEEE Trans. Power Deliv. 2020, 36, 289–298. [Google Scholar] [CrossRef]
- Saleh, K.; Allam, M.A.; Mehrizi-Sani, A. Protection of Inverter-Based Islanded Microgrids via Synthetic Harmonic Current Pattern Injection. IEEE Trans. Power Deliv. 2020, 36, 2434–2445. [Google Scholar] [CrossRef]
- El-Sayed, W.T.; El-Saadany, E.F.; Zeineldin, H.H. Interharmonic Differential Relay With a Soft Current Limiter for the Protection of Inverter-Based Islanded Microgrids. IEEE Trans. Power Deliv. 2020, 36, 1349–1359. [Google Scholar] [CrossRef]




















| Features | GFLCs | GFMCs |
|---|---|---|
| Maturity | Established and widely deployed | Emerging technology with implementation challenges |
| Operating Modes | Grid-connected only | Grid-connected and islanded operation |
| Inertia/Damping | No inherent inertia | Provides virtual inertia and damping |
| Voltage/Frequency Control | Limited capability | Stable voltage/frequency regulation |
| Synchronization | Requires PLLs; weak-grid issues | PLL-free synchronization |
| Applications | Best for stable, large grids | Suitable for weak grids and microgrids |
| Cost | Lower due to simple design | Higher due to advanced features |
| Maintenance | Low, proven technology | Higher due to complexity |
| Control Strategy | Inertia Support | Power Sharing | Complexity | Operating Scenarios |
|---|---|---|---|---|
| Droop Control | No | Decentralized sharing with possible steady-state errors | Moderate | Suitable for both islanded and grid-tied systems requiring load sharing |
| VSM | Yes | Decentralized sharing analogous to synchronous generators | Moderate | Applicable to both conventional and modern power systems |
| VOC | No | Decentralized sharing with improved synchronization | High | Best for power-electronics-dominated networks |
Disclaimer/Publisher’s Note: The statements, opinions and data contained in all publications are solely those of the individual author(s) and contributor(s) and not of MDPI and/or the editor(s). MDPI and/or the editor(s) disclaim responsibility for any injury to people or property resulting from any ideas, methods, instructions or products referred to in the content. |
© 2025 by the authors. Licensee MDPI, Basel, Switzerland. This article is an open access article distributed under the terms and conditions of the Creative Commons Attribution (CC BY) license (https://creativecommons.org/licenses/by/4.0/).
Share and Cite
Qaisar, M.W.; Fang, J. Grid-Forming Converters for Renewable Generation: A Comprehensive Review. Energies 2025, 18, 4565. https://doi.org/10.3390/en18174565
Qaisar MW, Fang J. Grid-Forming Converters for Renewable Generation: A Comprehensive Review. Energies. 2025; 18(17):4565. https://doi.org/10.3390/en18174565
Chicago/Turabian StyleQaisar, Muhammad Waqas, and Jingyang Fang. 2025. "Grid-Forming Converters for Renewable Generation: A Comprehensive Review" Energies 18, no. 17: 4565. https://doi.org/10.3390/en18174565
APA StyleQaisar, M. W., & Fang, J. (2025). Grid-Forming Converters for Renewable Generation: A Comprehensive Review. Energies, 18(17), 4565. https://doi.org/10.3390/en18174565

