Abstract
The following paper describes research on the influence of hydraulic accumulator parameters on the efficiency of energy recovery for a simulation model of a wheel loader using the results of experimental research. A design solution for the energy recovery system for the loader attachment was presented, which allows for the recovery of the potential energy of the boom, bucket, and load. The presented simulation model was developed based on a real object. The necessary operating parameters were determined using experimental tests. The study used the co-simulation method of mechanical and hydraulic models in order to more accurately reflect the actual behavior of the research object. The validated simulation model was extended with the developed energy recovery module based on a hydraulic accumulator. The results of the conducted tests have indicated the influence of hydraulic accumulator parameters on the efficiency of energy recovery and potential directions for further research.
1. Introduction
The dynamic development of global industry and increasing consumer demand are raising the requirements for energy efficiency and the reduction in exhaust emissions from construction machinery. Machines such as wheel loaders and excavators are characterized by high fuel consumption; therefore, their drive systems are becoming the main objects of research [1,2,3]. In recent years, significant progress has been observed in this field, both in terms of the structure of these systems and control strategies to improve the energy efficiency of these machines [4,5,6].
Additionally, research focuses on assessing the environmental impact of various types of drive systems. Life-cycle analyses (LCA) comparing diesel, hybrid, and electric machines show that hybrid drives can significantly reduce CO2 emissions throughout the machine’s life cycle [7,8]. This approach aligns with global trends towards decarbonization of the construction machinery sector [2,8,9].
In recent years, simulation studies have played an important role, as they allow the modeling and analyzing of the hybrid drive systems’ behavior in realistic operating conditions without the need to physically build objects [10,11]. These studies include, among others, the modeling of series and parallel systems for excavators and loaders in various simulation environments [12,13,14]. For example, Nevrly et al. [15] developed a complete model of an electric excavator that analyzes the system dynamics and energy consumption depending on the type of work cycle. Casoli et al. [16] focused on the validation of the hybrid hydraulic excavator model using experimental data.
In parallel to classical simulation approaches, co-simulation of mechanical and hydraulic models is increasingly used, which enables a more precise representation of the operation of entire attachments of construction machines [17,18,19,20,21,22,23,24]. For example, Zhang et al. [20] and Ning et al. [21] applied co-simulation to study the attachment of wheel loaders using environments such as MSC.ADAMS, ANSYS, and AMESim, enabling comprehensive analysis of the dynamics of machines and their hydraulic systems. Park et al. [22] focused on the co-simulation of the hydraulic and mechanical systems of an excavator. The aim of their study was to study the interaction between these two systems and to analyze the stability and accuracy of the simulations with different co-simulation configurations. Such approaches are becoming crucial in the design and validation of new generations of hybrid construction machines.
Hydraulic drive systems of working machines rarely operate within nominal parameters. They often operate under heavy and variable loads, bringing non-linearities in the operation of the system. Mapping such a system in a simulation model without taking into account the actual operating conditions can lead to significant discrepancies between the simulation model and the real object. Moreover, the analyzed literature sources mainly discussed the impact of configuration and various control strategies on fuel consumption or exhaust emission levels. Therefore, the aim of this research was to determine the influence of hydraulic accumulator parameters on energy recovery efficiency for the co-simulation model based on the experimentally determined machine operating parameters.
2. Materials and Methods
Studies on the influence of hydraulic accumulator parameters on the ability of the wheel loader work equipment drive system to recover energy during operation were carried out in a simulation environment based on the developed attachment model (Figure 1). Due to the need to reliably simulate the properties of the hydrostatic drive system, the co-simulation method was used to accurately reproduce the properties of the drive system. The developed co-simulation model consists of two cooperating sub-models: a mechanical model and a hydrostatic system model.
Figure 1.
Co-simulation model diagram [25].
The first model represents the mechanical and kinematic structure of the attachment lifting system, while the second model represents the properties of the hydrostatic drive system. The developed model corresponds to the working equipment of the Terex TL70s wheel loader (Terex Corporation, Westport, CT, USA), the basic operating parameters of which are presented in Table 1.
Table 1.
List of the main technical parameters of the Terex TL70s loader [25].
2.1. Experimental Identification Test
In parallel with the model development process, identification tests of the attachment hydraulic system were carried out, which were later used to validate the developed model. Due to the highest potential for energy recovery in the process of wheel loader attachment manipulation, which occurs during lifting and lowering of the boom, the identification tests were limited to carrying out measurements only in the lifting line of the working equipment (Figure 2). The lifting cylinders are connected in parallel, therefore the measurements were made by mounting the sensors on one of the two cylinders (Figure 2b).
Figure 2.
Arrangement of sensors on the loader’s working equipment during identification tests: (a) schematic diagram, (b) sensors mounted on the wheel loader [25].
During the tests, the pressure was measured at four points: p1—pressure at the pump outlet, p2—pressure at the outlet of the directional valves connected to the cap-end chamber of the boom lifting cylinder, p3—pressure at the inlet cap-end chamber of the boom lifting cylinder, p4—pressure at the inlet to the rod end chamber of the boom lifting cylinder. The length changes of the cylinder ∆l were measured by an external linear sensor. The basic parameters of the sensors are presented in Table 2. Experimental tests of the wheel loader lifting boom hydraulic system were divided into two groups consisting of the following:
Table 2.
Parameters of sensors used during identification tests [25].
Table 2.
Parameters of sensors used during identification tests [25].
| Name | Parameter | Parameter | Value |
|---|---|---|---|
| Pressure sensor Kobold SEN-8600. | p1, p2, p3, p4 | Measuring range | 0–600 bar |
| Measurement accuracy | 3 bar | ||
| Supply voltage | 12 V | ||
| Output voltage | 0–10 V | ||
| Response time | 1 ms | ||
| Max. oil temp. | 100 °C | ||
| Draw-wire encoder Kuebler D8 | ls | Measuring range | 0–1450 mm |
| Measurement accuracy | 0.1 mm | ||
| Supply voltage | 12 V | ||
| Output voltage | 0–10 V |
Based on the research within Group I, the following were determined:
- Hydraulic cylinder piston velocity: v1—lifting, v2—lowering [m/s];
- Flow rate: Q1—lifting, Q2—lowering [dm3/min];
- Pressure drops: ∆p1 = p1 − p2 and ∆p2 = p2 − p3 [bar].
In turn, based on the research from Group II:
- Time period of damped oscillations of the system T [s];
- Oscillation frequency ω [1/s];
- Logarithmic damping decrement δln;
- Dimensionless damping coefficient ζ.
Measurements were taken for different machine operating conditions. In Group I, the following parameters were changed: external load (Gi) by changing the volume of excavated material in the loader bucket and the flow rate (Si) causing a change in the velocity of the attachment movements, which was caused by a different degree of opening of the directional valve; in Group II, the external load (Gi) was changed. Gi loads were the same in both groups. The case-combination matrix for Group I is presented in Table 3.
Table 3.
Case matrix of conducted measurements of research from Group I [25].
Figure 4 shows examples of parameter time courses recorded during identification tests.

Figure 4.
Example time courses: (a) the signal controlling the distributor Si for test Group I, (b) the signal controlling the distributor for test Group II, (c) changes in the measured parameters for test Group I, (d) changes in the measured parameters for test Group II [25].
In the case of Group I’s tests (Figure 4a,c), the lifting cycle starts at about 5 s. This causes a sudden increase in the pressure values p1, p2, and p3. The initial pressure value in the retract chamber of the actuator is 72 bar. The pressure in the chamber increases between 5 and 10 s to 120 bar. After starting the working cycle, the system enters into damped oscillations, which is caused by the spring-damping properties of the system. When the actuator reaches its maximum length, approximately 10 s later, the pressure in the cap-end chamber increases to the maximum value set on the relief valve. Once the bucket begins to lower, at 15 s the pressure rapidly drops to the same value it reached before the cylinder reached its end position. The pressure drops between 15 and 20 s until the actuator reaches its maximum downward position, after which the pressure drops to 0. The system starts to oscillate again due to the inertia and susceptibility of the system.
A single cycle for the tests from Group II (Figure 4b,d) begins at the moment the directional valve’s pulse override is activated, initiating the downward movement of the attachment. The movement begins between 32 and 33 s, causing the entire system to vibrate.
Considering the fact that the tests were conducted on a machine and not rigidly connected to a non-deformable base, the obtained values were also influenced by the spring-damping properties of the pneumatic wheels and the ground.
The positive amplitude of the oscillations ranged from 195 to 90 bar. The system reached a steady state after about 3 s. In each case tested in Group II, sub-critically damped oscillations were observed. The calculated indices were collected and presented in Table 4 and Table 5.
Table 4.
Summary of the parameters determined from the tests from the first group of identification tests [25].
Table 5.
Summary of the parameters determined from the studies from the second group of experimental studies [25].
Based on the tests from Group I, it was found that as a result of changing the hydraulic cylinder piston velocity, the pressure drop has changed on average by 90% in the range from 1.6 to 28.1 [bar], and the pressure drop has changed on average by 80% in the range from 1.25 to 15.2 [bar]. As a result of the load change, the pressure drop changed on average by 38% in the ranges of 1.6, −2.8, 5.3–7.8, 8.6–12.2, and 19.4–28.1 [bar], and the pressure drop changed on average by 42% in the ranges of 1.25–1.6, 1.6–2.14, 4.2–5.26, and 13.8–15.2 [bar], respectively.
Based on the study from Group II, it was found that increasing the mass caused an increase in the oscillation period by 28% in the range from 0.32 to 0.45 [s], a decrease in the oscillation frequency by 28% in the range from 19.63 to 13.96 [Hz], an increase in the logarithmic damping decrement by 8% in the range from 0.81 to 0.88 and an increase in the dimensionless damping coefficient by 8% in the range from 0.13 to 0.14.
2.2. Wheel Loader Working Attachment Mechanical Structure Model
The developed wheel loader attachment (Figure 5) was reduced to half of the entire system. The adopted simplification resulted from the symmetrical arrangement of the system components in relation to the longitudinal symmetry axis of the machine/attachment. The kinematic structure of the wheel loader attachment corresponds to the kinematics of the real object. The total mass of the model corresponded to half the mass of the real system.
Figure 5.
The concept of simplifying the kinematic model of a wheel loader attachment.
The simplified model of the wheel loader attachment was developed using the multi-body system method in Adams 2014.0.1 software (MSC Software Corporation, Newport Beach, CA, USA). The mechanical model includes the physical properties of individual components (mass, mass moments of inertia) of individual members, kinematic constraints between them and external loads.
During model construction, it was assumed that the spatial structure consists of eight rigid bodies, seven of which (accessory elements) have defined mass and mass moments of inertia, and the fixed base (Figure 6—element 0) is treated as massless (does not participate in the work). The individual model parts are connected with each other by ideal kinematic pairs and all rigid bodies are affected by the value of the gravitational acceleration g = 9.81 m/s2. The structure of the system, characteristic dimensions, and kinematic pairs are shown in Figure 6. The developed model consists of eight elements and a simulation space (ground), ten class V kinematic pairs, nine rotational pairs (R1–R9), one translational pair (T1) and one restraining constraint (G1)—which removes six degrees of freedom and connects the fixed base to the simulation ground.
Figure 6.
The structure and main parameters of the wheel loader half-attachment model: cmi—center of mass of the part with mass mi.
The masses of the individual parts and their mass moments of inertia were determined based on their geometric models developed assuming steel as the material, and their values are listed in Table 6.
Table 6.
Values of mass and mass moments of inertia of the main model parameters.
2.3. Wheel Loader Working Attachment Hydraulic Cicuit Model
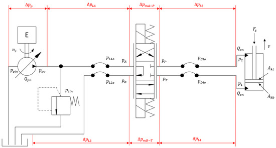
The hydrostatic drive system (Figure 7) of the boom lift cylinder was developed based on identification studies conducted using MSC Easy5 software.
Figure 7.
Conceptual diagram of the hydraulic system of the wheel loader attachment (only for the boom lifting part) used to build the simulation mode.
In the case of lifting (hydraulic cylinder extension) in the model (Figure 7), the external force Fz acting on the piston generates pressure p1, the value of which can be determined using the following equation:
where Fz—external load, Akb—active area of the piston, ηmh—mechanical-hydraulic efficiency of the hydraulic cylinder.
The active area of the piston was determined based on the equation:
The pressure value at the hydraulic pump outlet is higher than at the inlet to the cap-end cylinder chamber. Pressure drop ∆pi results from pressure drops on hoses and other hydraulic components according to the formula:
where ∆pLi—pressure drop caused by resistance to flow through hoses, ∆pmi—pressure drop caused by flow resistance in hydraulic fittings. The pressure drop in hydraulic hoses ∆pLi depends mainly on the value of the friction coefficient f, the length of the line Li,, the diameter DhLi, and the flow velocity VLi
where ρ—hydraulic fluid density.
Flow velocity of the fluid through the hydraulic line Vi depends mainly on the volumetric flow rate QDoi and cross-section diameter DhLi
The value of the friction coefficient f depends on the nature of the flow, and it is classified on the basis of the Reynolds number:
where μ—dynamic viscosity of hydraulic fluid.
For laminar flow (ReLi < 2000), the coefficient of friction is calculated based on the formula:
In the case of a transient flow (2000 < ReLi < 4000), the coefficient of friction is calculated from the formula:
where f2K—the value of the coefficient of friction calculated from Equation (7) for ReLi 2000; f4K—the value of the coefficient of friction calculated from Equation (9) for ReLi 4000.
For turbulent flow (4000 < ReLi < ReLiδ), the coefficient of friction is calculated based on the formula:
where δ—relative roughness
For turbulent flow (ReLi > ReLiδ), the value of the coefficient of friction has a constant value depending only on ReLiδ calculated from Formula (9) for ReLi = ReLiδ.
The pressure drop occurring at the junction of hydraulic line elements ∆pmi also depends on the type of flow. For laminar flow, it is determined from the formula:
where Dh—cross-section diameter of the connecting element; Cd—discharge coefficient; ReT—Reynolds number.
For turbulent flow, the pressure drop is calculated from the formula:
Typically, in order to calculate the pressure drop for the fittings, it is assumed that the transformation to turbulent flow occurs at a Reynolds number of 100 (ReT = 100). Therefore, turbulent flow almost always occurs.
The pressure drop occurring in the remaining system elements (directional valve, relief valve) is also calculated from the dependence (12). The pressure value ppo at the pump outlet is higher than the pressure value at the relief valve inlet and is calculated as the pressure drop value resulting from losses (4). The pressure drop ∆pp in a pump is calculated based on the formula:
where ppin—input pressure, equal to atmospheric pressure 1,2 MPa in open circuit systems.
The model assumes that the pump flow is equal to the hydraulic cylinder flow rate. Assuming that the pump flow Qnp and the hydraulic cylinder flow rate Qns are equal, consider the following:
and
where Qnp—nominal pump flow; Qns—nominal hydraulic cylinder flow rate; ηvs—hydraulic cylinder volumetric efficiency, ηps—pump volumetric efficiency.
The velocity of the piston movement is determined based on the formula:
It was assumed that the hydraulic oil in the model has constant temperature, and its kinematic viscosity is equal to 30 mm2/s for normal working conditions. Additional compressibility of the hydraulic oil in the model was considered according to Equation (17):
where V0—initial oil volume in the system, Ec—hydraulic oil elasticity module (Ec = 1600 MPa for hydraulic oil with some air). The developed model was implemented in a simulation program (Figure 8).
Figure 8.
Simulation model of the hydraulic system of a wheel loader attachment (only for the boom lifting part): 1—hydraulic pump; 2—relief valve; 3—hydraulic fluid model; 4—directional valve sections; 5—hydraulic cylinder; 6—co-simulation module; 7—hydraulic fluid tank; L1, L2, L3, L4—hoses, S1, S2, S3, S4—control signals.
2.4. Co-Simulation Model Validation
Before starting the research, the validation of the developed model (Section 2.3) was carried out. For this purpose, tests identical to those performed in the identification tests (Section 2.1) were carried out in a numerical environment. For this purpose, the external load values resulting from the mass of the material in the bucket were determined, corresponding to the mass of the material from the identification tests. By numerically changing the pump flow in the model, the boom lifting and lowering velocities were obtained, such as those during the identification tests. The parameters of the hydraulic system model, such as pressure drop or flexibility of hoses, were determined in such a way that the model’s behavior corresponded to the behavior of the real object. The degree of agreement between the time courses obtained numerically during validation and the courses obtained in the identification tests was determined based on the following evaluation indices:
- The absolute error of the evaluated quantity was calculated as the difference between the value measured during the experimental tests and value measured during the numerical tests using the formula:
- Relative error of the evaluated quantity was calculated as:
- Average absolute error of the evaluated quantity was calculated based on all obtained absolute errors for the given case under consideration in accordance with dependence:
- Average absolute error of the evaluated quantities calculated from all relative obtained errors for the considered case, using the following equation:
- Correlation coefficient between the time course the evaluated quantity recorded during the experimental tests ip, and obtained using the numerical method is calculated as the quotient of the covariance cov (ip,is) and the product of their standard deviations σip,σis in accordance according to the formula:
The time courses obtained during the identification tests were compared with those obtained from simulations based on the developed model. Figure 9 shows representative characteristics for tests from Group I (Figure 9a) and tests from Group II (Figure 9b).
Figure 9.
Representative time courses of experimental and simulation results for model validation for the studies: (a) from the first group, (b) from the second group.
The blue line indicates the trace from the identification tests, while the gray line indicates the trace from the simulation. For the presented traces, the validation indices for all parameters are presented in Table 7 and Table 8.
Table 7.
Waveform compatibility indicators for system operating parameters.
Table 8.
Run conformity rates for indicators determined from operating parameters.
By comparing all the obtained results, it was determined that the average relative error for the change in the hydraulic cylinder stroke for all cases was 20.25 mm, the average absolute error was 0.10 and the average correlation coefficient was 0.97. The average absolute error for the measured pressures was 20.84 bar, the average relative error was 0.33, and the mean correlation coefficient was 0.84. The average absolute error for the hydraulic cylinder’s extension velocity was 0.14 [m/s], while the average relative error was 0.03. The average absolute error for the determined pressure drop increments was 3.07 [bar], while the relative error was 0.19.
For the parameters determined from the Group II tests, the average absolute error for the oscillation period was 0.06 while the relative error was 0.16. For frequency, the average absolute error was 3.12 [Hz] while the average relative error was 0.13. The average absolute error for the logarithmic damping factor was 0.09 while the average relative error was 0.10. For the dimensionless damping coefficient, the mean absolute error was 0.01 while the average relative error was 0.09.
3. Results and Discussion
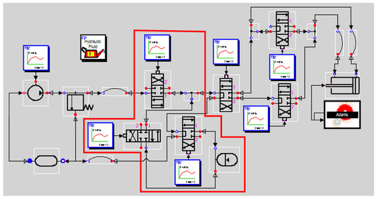
In order to study the effect of the hydraulic accumulator characteristics on the overall performance of the energy recovery system, it was necessary to modify the initial hydraulic system model (Figure 8). An energy recovery system (Figure 10) consisting of a section of hydraulic directional and a hydraulic accumulator was introduced into the model. The mechanical model remained unchanged. Pressure and volume values in accumulator changes are calculated according to polytropic equation:
where κ—exponent that depends on working conditions (in the model κ = 1.3—close to adiabatic changes).
Figure 10.
Simulation model of the hydraulic system of a wheel loader attachment (only for the boom lifting part) with energy recovery system (red marking).
Using the extended model, our research on the influence of the hydraulic accumulator properties on the energy recovery efficiency of the recuperation system began. During the research, the following changes were made:
- Accumulator pre-charge pressure “p”;
- Maximum accumulator volume “V”.
The variables were contained in the following ranges: pre-charge pressure p = 20–100 bar in steps of 20 bar, nominal accumulator volume V = 0.5–2 dm3 in accordance with the Parker and Hektos type series.
During the simulation, in addition to determining the variables, constant parameters were also determined, which include the load on the attachment resulting from the mass of the material in the bucket, which is 1400 kg, the pump flow rate, which is 34 dm3/min, attachment boom movements in the range from the minimum extension of the cylinder to the maximum. Center of gravity of external location was determined on the basis of load geometry model inside bucket. The resulting case matrix is shown in Table 9.
Table 9.
Case matrix during the study of the influence of selected hydraulic accumulator parameters on the overall efficiency of the energy recovery system.
Knowing the operating characteristics of the test object and using the data collected during the identification tests, a working cycle (Figure 11) was developed for simulation tests of the energy recovery efficiency of the hybrid drive system for lifting the wheel loader boom.
Figure 11.
The form of the working cycle for testing the influence of accumulator properties on the efficiency of the energy recovery system.
The presented working cycle is a common cycle for all tests performed. The beginning of energy recovery, the charging phase (A—green), is determined by the moment the loader boom starts to lower. Once the accumulator is filled, the boom drops freely until the end of its movement. The energy accumulated at this time is stored as pressure in the hydraulic accumulator during the storage phase (B—yellow). When the boom starts to lift, the discharging phase begins (C—blue). The initial lifting phase is performed solely using the energy stored in the accumulator. After the accumulator is discharged, further movement is performed by the main drive system.
Based on the conducted simulations, the influence of selected parameters on the energy recovery efficiency of the energy recovery system was determined on specific evaluation criteria, which include the following:
- (a)
- The amount of energy recovered by the battery Eodz:
- (b)
- Overall efficiency of the energy recovery system ηUOE:
- (c)
- Average value of the accumulator state of charge (SOC):
- (d)
- The ratio of the potential energy of the attachment working movement to the energy of the movement carried thanks to the energy stored in the energy recovery system iUOE:
- (e)
- The amount of energy recovered during one shift E8h:
- (f)
- Savings in power consumed to carry the assumed cycle for the system with UOE (Uninterruptible Output Energy) compared to the system without UOE:
The sum of the power of the supply system used to raise the boom to the set height for both cycles was determined based on the dependence:
where —the pressure at the pump outlet at a given moment [MPa], —current pump flow rate [L/min], —total pump efficiency—0.9.
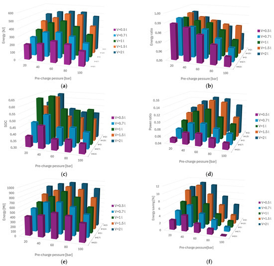
The presented characteristics (Figure 12) are a graphical representation of the influence of selected hydraulic accumulator parameters on the determined criteria for assessing the overall efficiency of the energy recovery system.
Figure 12.
Characteristics illustrating the influence of selected hydraulic accumulator parameters on the determined evaluation criteria. (a) the amount of energy recovered by the battery; (b) overall efficiency of the energy recovery system; (c) average value of the accumulator state of charge; (d) the ratio of the potential energy of the attachment working movement to the energy of the movement carried thanks to the energy stored in the energy recovery system; (e) the amount of energy recovered during one shift; (f) savings in power consumed to carry the assumed cycle for the system with UOE (Uninterruptible Output Energy) compared to the system without UOE.
Increasing the pre-charge pressure of the accumulator resulted in an increase in the amount of recovered energy to 60 bar. Above this value, the amount of energy decreased. The decrease in maximum volume caused a disproportionate decrease in the amount of energy recovered and released. The maximum volume of the hydraulic accumulator decreased from 2 L to 0.5 L, which is 25% of the initial value, while the value of the maximum amount of energy recovered for a capacity of 2 L was 524.74 kJ, and for 0.5 L it was 271.96 kJ, which is 52% of the initial value. The maximum value of recovered energy was determined for a maximum accumulator volume of 2 L and a pre-charge pressure of 60 bar and amounted to 524.74 kJ. The minimum value of recovered energy was determined for a maximum accumulator volume of 0.5 L and a pre-charge pressure of 100 bar and amounted to 185.16 kJ.
The overall efficiency of the energy recovery system decreased with increasing pre-charge pressure by an average of 3%. The average efficiency decreased with a 1% decrease in the maximum volume of the hydraulic accumulator. The highest efficiency of 99.8% was determined for a pre-charge pressure of 20 bar for two maximum accumulator volumes of 1.5 L and 1 L. The minimum value of the overall system efficiency was determined for an accumulator pre-charge pressure of 100 bar and a volume of 0.5 L and was 96%.
The increase in the pre-charge pressure caused the SOC to increase to 40 bar, where it reached the highest values, and after exceeding it, it decreased to 60 bar and then maintained a constant level. Excluding the 1 L case, the SOC value decreased with decreasing maximum accumulator volume. The maximum value of the average accumulator state of charge (SOC) of 0.65 was determined for a maximum volume of 1 L and an accumulator pre-charge pressure of 40 bar. The minimum SOC value was determined for a maximum accumulator volume of 0.5 L and a pre-charge pressure of 100 bar and was 0.37.
The increase in the pre-charge pressure increased the ratio of the potential energy of the entire movement to the movement performed using the energy recovery system to 40 bar. After exceeding this level, the ratio decreased steadily with further growth. The ratio of the potential energy of the entire movement to the movement performed thanks to the energy recovery system decreased disproportionately with the decrease in the maximum volume of the hydraulic accumulator. The maximum volume of the hydraulic accumulator decreased from 2 L to 0.5 L, which is 25% of the initial value, while the value of the maximum amount of energy recovered for a capacity of 2 L was 0.28 and for 0.5 L was 0.08, which is 29% of the initial value.
Increasing the pre-charge pressure of the accumulator resulted in an increase in the amount of recovered energy within one-shift (8 h work day) to 60 bar. Above this value, the amount of energy decreased steadily. The amount of energy recovered in the course of one-shift decreased with the decrease in the maximum volume of the accumulator. The decrease in maximum volume caused a disproportionate decrease in the amount of energy recovered and released. The maximum volume of the hydraulic accumulator decreased from 2 L to 0.5 L, which is 25% of the initial value, while the value of the maximum amount of recovered energy for the capacity of 2 L was 697.7 MJ, and for 0.5 L it was 381.3 MJ, which is 55% of the initial value. The maximum value of recovered energy was determined for a maximum accumulator volume of 2 L and a pre-charge pressure of 60 bar and amounted to 697.7 MJ. The minimum value of recovered energy was determined for a maximum accumulator volume of 0.5 L and a pre-charge pressure of 100 bar and was 247.6 MJ.
The increase in the initial pre-charge pressure of the accumulator resulted in increased savings in the energy used to perform the assumed working cycle by the power supply system with UOE compared to the system without UOE. After exceeding this level, the value of energy saved decreased steadily. The maximum volume of the hydraulic accumulator dropped from 2 L to 0.5 L, which is 25% of the initial value, while the saving for the 2 L capacity was 11%, and for 0.5 L it was 4.4%, which is 40% of the initial value. The maximum energy saving value was determined for a maximum accumulator volume of 2 L and a pre-charge pressure of 40 bar and amounted to 11%.
The minimum value of recovered energy was determined for a maximum accumulator volume of 0.5 L and a pre-charge pressure of 100 bar, and was recorded as 0.13%.
4. Conclusions
The paper describes the study of the influence of selected parameters of the hydraulic accumulator on the overall efficiency of the energy recovery system. They were carried out using co-simulation. For this purpose, a wheel loader attachment model was developed based on the existing machine. The model consisted of two cooperating sub-models. The first sub-model presented the structure of the hydraulic drive system and the characteristics of its components. The second one concerns the mechanical properties of the attachment, including the kinematic structure, masses, and mass moments of inertia.
Taking into account the aim of the work, the basic task was to develop a reliable simulation model. Therefore, these studies were supported by experimental studies that allowed for determining the actual operating parameters of the machine in various conditions.
The results of the simulation studies show that reducing the accumulator volume from 100% to 25% of the initial value affected:
- The maximum recovered energy experienced a reduction of 52%;
- Reduction in average UOE efficiency from 98% to 96%;
- The average SOC experienced a reduction of 43%;
- Reduction of the ratio of the potential energy of the entire movement in a given cycle to the potential energy obtained thanks to UOE by 71%;
- Reduction of the maximum amount of energy recovered in one-shift (8 h) by 55%;
- Energy savings reduced by 60%.
Increasing the pre-charge pressure of the accumulator caused the determined criteria to increase to a maximum value, after which these values dropped. The maximum values of the individual criteria were determined for the following:
- Energy recovery level at 60 bar;
- Overall system efficiency at 20 bar;
- Average accumulator charge value for 60 bar;
- Potential energy ratio at 40 bar;
- Total recovered energy during one shift at 60 bar;
- Saving of total power consumption for performing a cycle with and without UOE at 40 bar.
Having a reliable simulation model and knowing the influence of selected hydraulic accumulator parameters on the overall efficiency of the energy recovery system, the next step would be to focus on examining the influence of other factors. Considering the influence of internal structure variables and external factors (load mass variation, control strategies) should be a good direction for further work on improving the overall efficiency of the energy recovery system. Additionally, full wheel loader model developing is planned in the near future.
Author Contributions
Conceptualization, C.R., A.R. and A.B.; methodology, C.R. and A.R.; software, C.R.; validation, C.R. and A.R.; investigation, C.R.; writing—original draft preparation, C.R.; writing—review and editing, A.R., T.M. and M.P.; visualization, C.R. and A.R.; supervision, A.B. and A.R.; founding acquisition, A.R. All authors have read and agreed to the published version of the manuscript.
Funding
This work was financed by the Military University of Technology under research project UGB 22-017/2025.
Data Availability Statement
Data is contained within the article.
Conflicts of Interest
The authors declare no conflict of interest.
References
- Wang, J.; Yang, Z.; Liu, S.; Zhang, Q.; Han, Y. A comprehensive overview of hybrid construction machinery. Adv. Mech. Eng. 2016, 8, 1687814016636809. [Google Scholar] [CrossRef]
- Chen, Q.; Lin, T.; Ren, H.; Fu, S. Research on the control strategy of power train systems for hybrid hydraulic excavators. Adv. Mech. Eng. 2018, 10, 1687814018790666. [Google Scholar] [CrossRef]
- Zhang, Z.; Zhang, T.; Hong, J.; Zhang, H.; Yang, J. Energy management strategy of a novel parallel electric-hydraulic hybrid electric vehicle based on deep reinforcement learning and entropy evaluation. J. Clean. Prod. 2023, 403, 136800. [Google Scholar] [CrossRef]
- Hwang, H.Y.; Lan, T.S.; Chen, J.S. Optimization and application for hydraulic electric hybrid vehicle. Energies 2020, 13, 322. [Google Scholar] [CrossRef]
- Sun, H.; Jing, J. Research on the system configuration and energy control strategy for parallel hydraulic hybrid loader. Autom. Constr. 2010, 19, 213–220. [Google Scholar] [CrossRef]
- Sun, H.; Yang, L.; Jing, J.; Luo, Y. Control strategy of hydraulic/electric synergy system in heavy hybrid vehicles. Energy Convers. Manag. 2011, 52, 668–674. [Google Scholar] [CrossRef]
- Joshi, S.; Dahodwala, M.; Koehler, E.W.; Franke, M.; Tomazic, D.; Naber, J. Trade-Off Analysis and Systematic Optimization of a Heavy-Duty Diesel Hybrid Powertrain; SAE Technical Paper; SAE Intenational: Warrendale, PA, USA, 2020. [Google Scholar]
- Chen, J.; Li, Y.; Meng, Z.; Feng, X.; Wang, J.; Zhou, H.; Li, J.; Shi, J.; Chen, Q.; Shi, H.; et al. Study on Emission Characteristics and Emission Reduction Effect for Construction Machinery under Actual Operating Conditions Using a Portable Emission Measurement System (Pems). Int. J. Environ. Res. Public Health 2022, 19, 9546. [Google Scholar] [CrossRef]
- Koch, C.; Kifokeris, D. Heavy-duty construction equipment: Dinosaurs of black energy? Management 2021, 694, 703. [Google Scholar]
- Komatsu Ltd. Hybrid Electric Drive Innovations. 2022. Available online: https://www.komatsu.com/en/blog/2022/sr-hybrid-electric-drive-history-innovation/ (accessed on 12 October 2024).
- Volvo. Wheel Loaders in 2020. Wired. 2007. Available online: https://www.wired.com/2007/03/wheel-loaders-i/ (accessed on 12 October 2024).
- Wen, Q.; Wang, F.; Xu, B.; Sun, Z. Improving the fuel efficiency of compact wheel loader with a series hydraulic hybrid powertrain. IEEE Trans. Veh. Technol. 2020, 69, 10700–10709. [Google Scholar] [CrossRef]
- Zhou, S.; Walker, P.; Zhang, N. Parametric design and regenerative braking control of a parallel hydraulic hybrid vehicle. Mech. Mach. Theory 2020, 146, 103714. [Google Scholar] [CrossRef]
- Wang, F.; Wu, Z.; Xu, B.; Fiebig, W. A mode-driven control strategy to reduce electric drive peak power of hybrid wheel loader propulsion system. IEEE Trans. Veh. Technol. 2023, 72, 5948–5961. [Google Scholar] [CrossRef]
- Mu, H.Y.; Luo, Y.L.; Luo, Y.; Liu, Y. Simulation Study on Energy Recovery and Regeneration of Hybrid Loader Arm. Adv. Eng. Forum 2021, 49, 29–41. [Google Scholar] [CrossRef]
- Brandao, D.A.D.L.; Ramos, M.D.F.; Parreiras, T.M.; Maia, T.A.C.; Pires, I.A.; Corrêa, T.P.; Cardoso Filho, B.D.J.; Nascimento, A. Hybridization of a Backhoe Loader: Electric Drive System Design. Machines 2022, 11, 471. [Google Scholar] [CrossRef]
- Cao, H. Kinetic energy recovery and reuse of traveling drive system of hybrid hydraulic electric loader. Adv. Mech. Eng. 2025, 17, 16878132251322027. [Google Scholar] [CrossRef]
- Nguyen, V.H.; Do, T.C.; Ahn, K.K. Investigation and Optimization of Energy Consumption for Hybrid Hydraulic Excavator with an Innovative Powertrain. Actuators 2023, 12, 382. [Google Scholar] [CrossRef]
- Ranjan, P.; Wrat, G.; Bhola, M.; Mishra, S.K.; Das, J. A novel approach for the energy recovery and position control of a hybrid hydraulic excavator. ISA Trans. 2020, 99, 387–402. [Google Scholar] [CrossRef]
- Zhang, X.H.; Xie, H.S.; Tang, Q.S. Co-Simulation of Mechanism-Hydraulics Working Device of Loader ZL-50 Based on ADAMS. Appl. Mech. Mater. 2012, 233, 186–191. [Google Scholar] [CrossRef]
- Ning, X.B.; Shen, J.S.; Meng, B. Co-Simulation of Wheel Loader Working Mechanism. Appl. Mech. Mater. 2011, 43, 72–77. [Google Scholar] [CrossRef]
- Park, C.G.; Yoo, S.; Ahn, H.; Kim, J.; Shin, D. A coupled hydraulic and mechanical system simulation for hydraulic excavators. Proc. Inst. Mech. Eng. Part I J. Mech. Eng. Sci. 2019, 234, 527–549. [Google Scholar] [CrossRef]
- Wang, J.; Liu, X.; Chen, J.; Wang, T.; Wang, X. Mechanical-Hydraulic Co-Simulation of Full Hydraulic Articulated Steering System. Comput. Syst. Sci. Eng. 2021, 37, 381–398. Available online: https://www.techscience.com/csse/v37n3/41709 (accessed on 12 October 2024). [CrossRef]
- Zhong, X.Q.; Liang, L.D. Mechanical-Hydraulic Coupling Simulation for Hydraulic Excavator Working Mechanism. Adv. Mater. Res. 2012, 538–541, 494–497. [Google Scholar] [CrossRef]
- Rudzki, C.; Rubiec, A.; Bartnicki, A. Identification of Parameters of the Hydrostatic Model of the Working Equipment Drive System of a Wheel Loader to Study the Effectiveness of the Energy Recovery System. Probl. Mechatroniki Uzbroj. Lot. Inż. Bezpieczeństwa 2024, 15, 91–108. [Google Scholar] [CrossRef]
- Mu, H.; Luo, Y.; Luo, Y.; Chen, L. Numerical Analysis of Energy Recovery of Hybrid Loader Actuators Based on Parameters Optimization. Actuators 2022, 11, 260. [Google Scholar] [CrossRef]
Disclaimer/Publisher’s Note: The statements, opinions and data contained in all publications are solely those of the individual author(s) and contributor(s) and not of MDPI and/or the editor(s). MDPI and/or the editor(s) disclaim responsibility for any injury to people or property resulting from any ideas, methods, instructions or products referred to in the content. |
© 2025 by the authors. Licensee MDPI, Basel, Switzerland. This article is an open access article distributed under the terms and conditions of the Creative Commons Attribution (CC BY) license (https://creativecommons.org/licenses/by/4.0/).