Control Strategy of a Multi-Source System Based on Batteries, Wind Turbines, and Electrolyzers for Hydrogen Production
Abstract
1. Introduction
2. Modeling of the Multi-Source System
2.1. Behavior Model of Electrolyzers
2.2. Electric Behavior Model of the Batteries
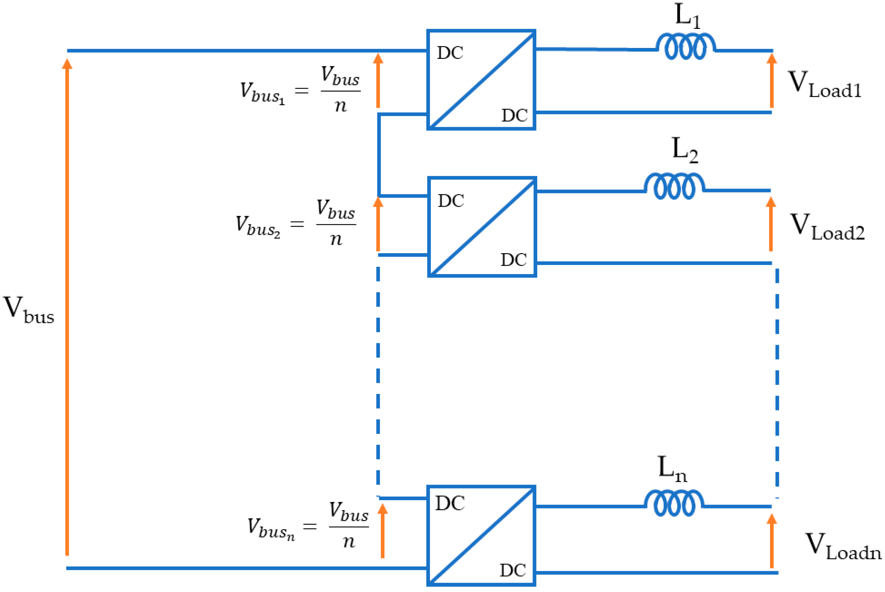
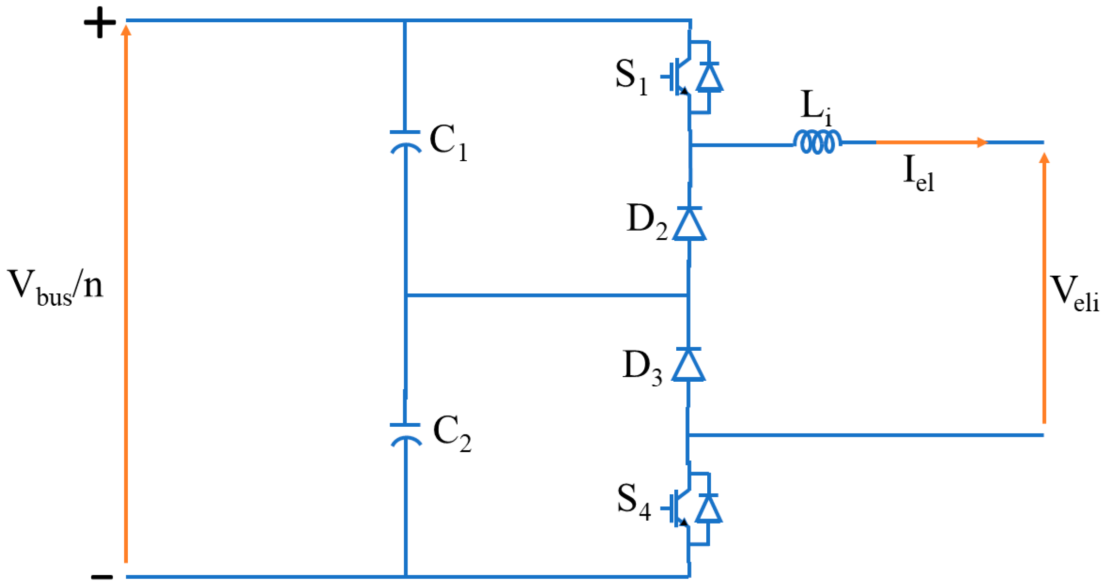
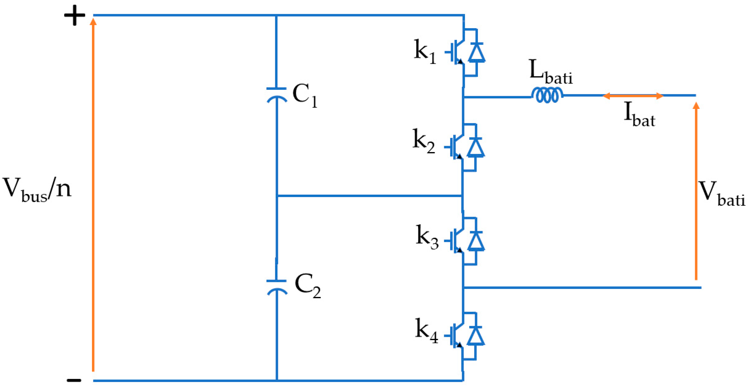
2.3. Configuration of Power Electronics Converters
3. Batteries–Wind Turbines–Electrolyzers System Control Strategy
3.1. Power Control in the Electrolyzer Side
3.2. Battery Side Power Control
- For the boost converter, β = 1 and α = 1 − α1, where α1 is the boost converter duty cycle average value.
- For the buck converter, β = −1 and α = α2, where α2 is the buck converter duty cycle average value.
4. DC-Bus Voltage Management
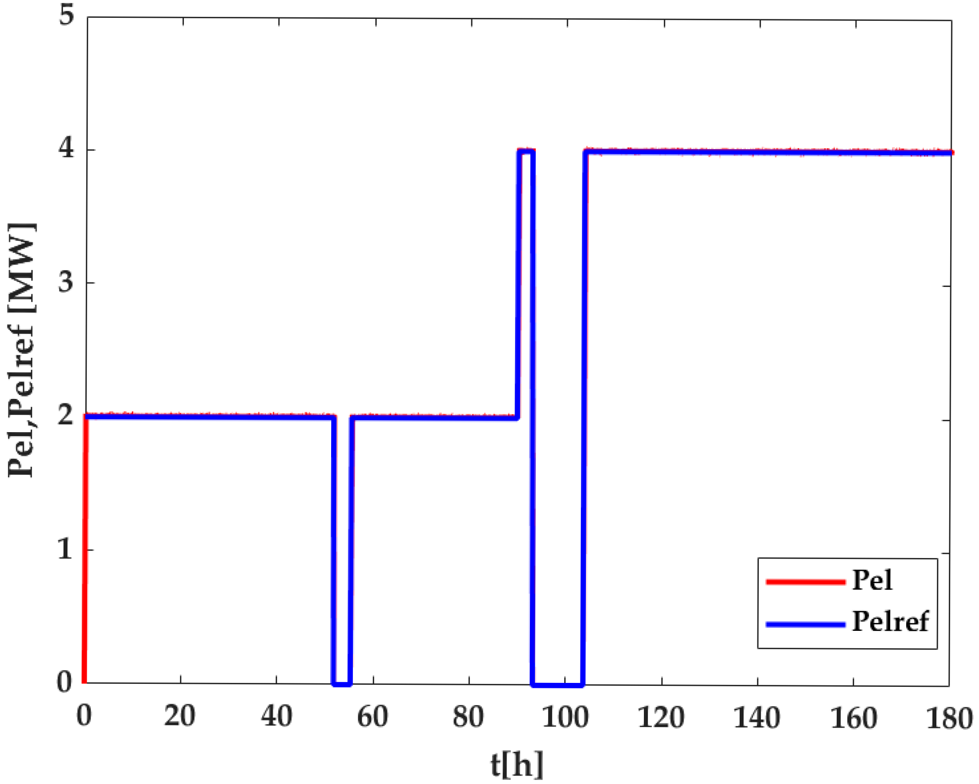
5. Simulation Results and Discussions
5.1. Simulation Conditions
5.2. Simulation and Analysis of Results
6. Conclusions
Author Contributions
Funding
Data Availability Statement
Acknowledgments
Conflicts of Interest
References
- Ratib, M.K.; Muttaqi, K.M.; Islam, M.R.; Sutanto, D.; Agalgaonkar, A.P. Electrical circuit modeling of proton exchange membrane electrolyzer: The state-of-the-art, current challenges, and recommendations. Int. J. Hydrogen Energy 2024, 49, 625–645. [Google Scholar] [CrossRef]
- Sahu, P.C.; Jena, S.; Mohapatra, S.; Debdas, S. Impact of energy storage devices on microgrid frequency performance: A robust DQN based grade-2 fuzzy cascaded controller. e-Prime-Adv. Electr. Eng. Electron. Energy 2023, 6, 100288. [Google Scholar] [CrossRef]
- Le, T.S.; Nguyen, T.N.; Bui, D.K.; Ngo, T.D. Optimal sizing of renewable energy storage: A techno-economic analysis of hydrogen, battery and hybrid systems considering degradation and seasonal storage. Appl. Energy 2023, 336, 120817. [Google Scholar] [CrossRef]
- Yue, M.; Lambert, H.; Pahon, E.; Roche, R.; Jemei, S.; Hissel, D. Hydrogen energy systems: A critical review of technologies, applications, trends and challenges. Renew. Sustain. Energy Rev. 2021, 146, 111180. [Google Scholar] [CrossRef]
- Mohammadshahi, S.S.; Boulaire, F.A.; Love, J.; Gorji, S.A.; Mackinnon, I.D. A flexible analytical model for operational investigation of solar hydrogen plants. Int. J. Hydrogen Energy 2022, 47, 782–808. [Google Scholar] [CrossRef]
- Bidi, F.K.; Damour, C.; Grondin, D.; Hilairet, M.; Benne, M. Optimal fuel cell and electrolyser Energy Management System for microgrid. In Proceedings of the IECON 2019-45th Annual Conference of the IEEE Industrial Electronics Society, Lisbon, Portugal, 14–17 October 2019; Volume 1, pp. 2197–2202. [Google Scholar]
- Toure, I.; Camara, M.B.; Dakyo, B. Literature review based control strategies of electrolyzers systems. In Proceedings of the 12th International Conference on Smart Grid (icSmartGrid), Setúbal, Portugal, 27–29 May 2024; pp. 155–161. [Google Scholar]
- Şahin, M.E. A photovoltaic powered electrolysis converter system with maximum power point tracking control. Int. J. Hydrogen Energy 2020, 45, 9293–9304. [Google Scholar] [CrossRef]
- Zhang, Y.; Wei, W. Decentralized coordination control of PV generators, storage battery, hydrogen production unit and fuel cell in islanded DC microgrid. Int. J. Hydrogen Energy 2020, 45, 8243–8256. [Google Scholar] [CrossRef]
- Ganeshan, A.; Holmes, D.G.; Meegahapola, L.; McGrath, B.P. Enhanced control of a hydrogen energy storage system in a microgrid. In Proceedings of the 2017 Australasian Universities Power Engineering Conference (AUPEC), Melbourne, Australia, 19–22 November 2017; pp. 1–6. [Google Scholar]
- Gargoom, A.; Haque, E.; Saha, S.; Oo, A. Hybrid wind-diesel remote area power systems with hydrogen-based energy storage system. In Proceedings of the 2018 IEEE International Conference on Power Electronics, Drives and Energy Systems (PEDES), Chennai, India, 18–21 December 2018; pp. 1–6. [Google Scholar]
- Gorji, S.A. Reconfigurable quadratic converters for electrolyzers utilized in DC microgrids. IEEE Access 2022, 10, 109677–109687. [Google Scholar] [CrossRef]
- Tamer, M.I.; Ramzy, K.; Elnaghi, B.E.; Abelwhab, M.N.; Abd El-Salam, M. Using MATLAB to model and simulate a photovoltaic system to produce hydrogen. Energy Convers. Manag. 2019, 185, 101–129. [Google Scholar]
- Mao, J.; Li, Z.; Xuan, J.; Du, X.; Ni, M.; Xing, L. A review of control strategies for proton exchange membrane (PEM) fuel cells and water electrolyser: From automation to autonomy. Energy AI 2024, 17, 100406. [Google Scholar] [CrossRef]
- Godfrey, N.S.; Abdulhammed, K.H.; Whidborne, J.; Kuang, B.; Jenkins, K.W. Integration of renewable energy sources in tandem with electrolysis: A technology review for green hydrogen production. Int. J. Hydrogen Energy 2024, 107, 218–240. [Google Scholar]
- Rahman, M.M.; Antonini, G.e.P.; Joshua, M. Open-source DC-DC converter enabling direct integration of solar photovoltaics with anion exchange membrane electrolyzer for green hydrogen production. Int. J. Hydrogen Energy 2024, 88, 333–343. [Google Scholar] [CrossRef]
- Tebibel, H. Methodology for multi-objective optimization of wind turbine/battery/electrolyzer system for decentralized clean hydrogen production using an adapted power management strategy for low wind speed conditions. Energy Convers. Manag. 2021, 238, 114125. [Google Scholar] [CrossRef]
- Hernández-Gómez, Á.; Langarica-Cordoba, D.; Martinez-Rodriguez, P.R.; González-Aguilar, H.; Guilbert, D.; Saldivar, B. Design and implementation of the Luenberger observer for estimating the voltage response of a PEM electrolyzer during supply current variations. IEEE Access 2024, 12, 68266–68277. [Google Scholar] [CrossRef]
- Guilbert, D.; Vitale, G. Variable parameters model of a PEM electrolyzer based model reference adaptive system approach. In Proceedings of the 2020 IEEE International Conference on Environment and Electrical Engineering and 2020 IEEE Industrial and Commercial Power Systems Europe (EEEIC/I&CPS Europe), Madrid, Spain, 9–12 June 2020; pp. 1–6. [Google Scholar]
- Török, L.; Mathe, L.; Nielsen, C.K.; Munk-Nielsen, S. Modeling and control of three-phase grid-connected power supply with a small DC-link capacitor for electrolyzers. IEEE Trans. Ind. Appl. 2017, 53, 4634–4643. [Google Scholar] [CrossRef]
- Koiwa, K.; Cui, L.; Zanma, T.; Liu, K.Z. Optimal Hydrogen Production and High Efficient Output Smoothing in Wind Farm. IEEE Access 2022, 10, 122001–122009. [Google Scholar] [CrossRef]
- Lin, Y.; Fu, L. A study for a hybrid wind-solar-battery system for hydrogen production in an islanded MVDC network. IEEE Access 2022, 10, 85355–85367. [Google Scholar] [CrossRef]
- Vivas, F.J.; De las Heras, A.; Segura, F.; Andújar, J.M. A review of energy management strategies for renewable hybrid energy systems with hydrogen backup. Renew. Sustain. Energy Rev. 2018, 82, 126–155. [Google Scholar] [CrossRef]
- Koiwa, K.; Cui, L.; Zanma, T.; Liu, K.Z.; Tamura, J. A coordinated control method for integrated system of wind farm and hydrogen production: Kinetic energy and virtual discharge controls. IEEE Access 2022, 10, 28283–28294. [Google Scholar] [CrossRef]
- Muangchuen, S.; Pahasa, J.; Rakpenthai, C. Enhanced Resilient Model Predictive Control Electrolyzers for Frequency Regulations Under Severe Denial-of-Service Attacks. IEEE Access 2024, 12, 65352–65361. [Google Scholar] [CrossRef]
- Yang, H.; Li, Q.; Zhao, S.; Chen, W.; Liu, H. A hierarchical self-regulation control for economic operation of AC/DC hybrid microgrid with hydrogen energy storage system. IEEE Access 2019, 7, 89330–89341. [Google Scholar] [CrossRef]
- Hossain, M.B.; Islam, M.R.; Muttaqi, K.M.; Sutanto, D.; Agalgaonkar, A.P. A compensation strategy for mitigating intermittencies within a PV powered microgrid using a hybrid multilevel energy storage system. IEEE Trans. Ind. Appl. 2023, 59, 5074–5086. [Google Scholar] [CrossRef]
- Vitale, G. Power Converters for Green Hydrogen: State of the Art and Perspectives. Electronics 2024, 13, 4565. [Google Scholar] [CrossRef]
- Mao, X.; Tian, Y.; Yang, A.; Zhang, G. Identification of Equivalent Circuit Parameters for Proton Exchange Membrane Electrolyzer (PEM) Engineering Models. IEEE Access 2024, 12, 15509–15524. [Google Scholar] [CrossRef]
- Sood, S.; Prakash, O.; Boukerdja, M.; Dieulot, J.-Y.; Ould-Bouamama, B.; Bressel, M.; Gehin, A.-L. Generic dynamical model of PEM electrolyser under intermittent sources. Energies 2020, 13, 6556. [Google Scholar] [CrossRef]
- Marefatjouikilevaee, H.; Auger, F.; Olivier, J.-C. Static and Dynamic Electrical Models of Proton Exchange Membrane Electrolysers: A Comprehensive Review. Energies 2023, 16, 6503. [Google Scholar] [CrossRef]
- Yodwong, B.; Sikkabut, S.; Guilbert, D.; Hinaje, M.; Phattanasak, M.; Kaewmanee, W.; Vitale, G. Open-Circuit Switch Fault Diagnosis and Accommodation of a Three-Level Interleaved Buck Converter for Electrolyzer Applications. Electronics 2023, 12, 1349. [Google Scholar] [CrossRef]
- Sayed-Ahmed, H.; Toldy, Á.I.; Santasalo-Aarnio, A. Dynamic operation of proton exchange membrane electrolyzers—Critical review. Renew. Sustain. Energy Rev. 2024, 189, 113883. [Google Scholar] [CrossRef]
- Lopez Martinez, V.A.; Ziar, H.; Haverkort, J.W.; Zeman, M.; Isabella, O. Dynamic operation of water electrolyzers: A review for applications in photovoltaic systems integration. Renew. Sustain. Energy Rev. 2023, 182, 113407. [Google Scholar] [CrossRef]
- Na, W.; Muljadi, E.; Han, S.; Tagayi, R.K.; Kim, J. Possibility of power electronics-based control analysis of a self-excited induction generator (seig) for wind turbine and electrolyzer application. Electronics 2021, 10, 2743. [Google Scholar] [CrossRef]
- Xu, Y.; Ge, X.; Guo, R.; Shen, W. Recent advances in model-based fault diagnosis for lithium-ion batteries: A comprehensive review. Renew. Sustain. Energy Rev. 2025, 207, 114922. [Google Scholar] [CrossRef]
- Camara, M.S.; Camara, M.B.; Dakyo, B.; Gualous, H. Permanent magnet synchronous generator for offshore wind energy system connected to grid and battery-modeling and control strategies. Int. J. Renew. Energy Res. 2015, 5, 386–393. [Google Scholar]
- Elserougi, A.A.; Massoud, A.; Abdelsalam, I.; Ahmed, S. A self-balanced bidirectional medium-/high-voltage hybrid modular DC–DC converter with low-voltage common DC-link and sequential charging/discharging of submodules capacitors. IEEE Trans. Ind. Electron. 2018, 66, 2714–2725. [Google Scholar] [CrossRef]
- Toure, I.; Payman, A.; Camara, M.-B.; Dakyo, B. Energy Management in a Renewable-Based Microgrid Using a Model Predictive Control Method for Electrical Energy Storage Devices. Electronics 2024, 13, 4651. [Google Scholar] [CrossRef]
- Diouri, O.; Gaga, A.; Senhaji, S.; Ouazzani Jamil, M. Design and PIL test of high performance MPPT controller based on P&O-backstepping applied to DC-DC converter. J. Robot. Control. (JRC) 2022, 3, 431–438. [Google Scholar]
- Camara, M.S.; Camara, M.B.; Dakyo, B.; Gualous, H. Permanent magnet synchronous generators for offshore wind energy system linked to grid-modeling and control strategies. In Proceedings of the 16th International Power Electronics and Motion Control Conference and Exposition, Antalya, Turkey, 21 September 2014; pp. 114–118. [Google Scholar]
- Wang, J.; Wang, L.; Shen, L.; Shen, Y.; Wang, Y. A novel waste heat-driven methane reforming membrane reactor and parametric optimization study combining CFD simulation and response surface methodology. Case Stud. Therm. Eng. 2025, 70, 106111. [Google Scholar] [CrossRef]




















| Characteristics | Symbols | Values |
|---|---|---|
| DC-bus voltage | Vbus | 40 kV |
| DC-bus capacitor | C | 50 mF |
| Rated voltage of the battery modules | Vbati | 4 kV |
| Wind farm rated power | PWT | 50 MW |
| Maximum power of electrolyzers | Pel | 5 MW |
Disclaimer/Publisher’s Note: The statements, opinions and data contained in all publications are solely those of the individual author(s) and contributor(s) and not of MDPI and/or the editor(s). MDPI and/or the editor(s) disclaim responsibility for any injury to people or property resulting from any ideas, methods, instructions or products referred to in the content. |
© 2025 by the authors. Licensee MDPI, Basel, Switzerland. This article is an open access article distributed under the terms and conditions of the Creative Commons Attribution (CC BY) license (https://creativecommons.org/licenses/by/4.0/).
Share and Cite
Touré, I.; Payman, A.; Camara, M.B.; Dakyo, B. Control Strategy of a Multi-Source System Based on Batteries, Wind Turbines, and Electrolyzers for Hydrogen Production. Energies 2025, 18, 2825. https://doi.org/10.3390/en18112825
Touré I, Payman A, Camara MB, Dakyo B. Control Strategy of a Multi-Source System Based on Batteries, Wind Turbines, and Electrolyzers for Hydrogen Production. Energies. 2025; 18(11):2825. https://doi.org/10.3390/en18112825
Chicago/Turabian StyleTouré, Ibrahima, Alireza Payman, Mamadou Baïlo Camara, and Brayima Dakyo. 2025. "Control Strategy of a Multi-Source System Based on Batteries, Wind Turbines, and Electrolyzers for Hydrogen Production" Energies 18, no. 11: 2825. https://doi.org/10.3390/en18112825
APA StyleTouré, I., Payman, A., Camara, M. B., & Dakyo, B. (2025). Control Strategy of a Multi-Source System Based on Batteries, Wind Turbines, and Electrolyzers for Hydrogen Production. Energies, 18(11), 2825. https://doi.org/10.3390/en18112825

