Next Article in Journal
A Space-Vector Analysis of the Twelve-Pulse Diode Bridge Rectifier Operation for the Auxiliary Circuit Current Determination Providing the Optimal Line Currents’ THD
Previous Article in Journal
Experimental Investigation on Temperature-Resistant CO2 Foam Flooding in a Heterogenous Reservoir
 
 
Font Type:
Arial Georgia Verdana
Font Size:
Aa Aa Aa
Line Spacing:
Column Width:
Background:
Article

Energy Loss Analysis of Dual Power Supply-Powered Motor Drive During Supercapacitor Energy Storage Discharge

by
Ģirts Staņa
and
Kaspars Kroičs
*
Institute of Industrial Electronics, Electrical Engineering and Energy, Riga Technical University, LV-1048 Riga, Latvia
*
Author to whom correspondence should be addressed.
Energies 2025, 18(1), 88; https://doi.org/10.3390/en18010088
Submission received: 19 November 2024 / Revised: 11 December 2024 / Accepted: 19 December 2024 / Published: 29 December 2024
(This article belongs to the Section F: Electrical Engineering)

Abstract

Electrical energy consumers, such as AC motors, can be supplied by a dual power supply consisting of a DC grid and a supercapacitor (SC) energy storage system. The efficiency of energy flow can vary depending on where the energy storage system is connected to the DC network, due to the resistance associated with transmission. This paper details an analysis of energy loss in SC and DC source dual-supply systems based on mathematical and simulation models. This study considers three variants, where the SC is connected to a DC line and located close to the load, distant from the load, and close to the DC source. For each case, simulation and mathematical models are developed and the simulation results are verified. Through simulations, the influence of the supercapacitor’s discharge proportionality coefficients on power supply efficiency is also studied.

1. Introduction

Electric motors consume electrical energy as well as generate electrical energy during their braking mode [1]. In the absence of a reversible rectifier, a bidirectional DC–DC power converter, or a battery as the primary power supply, the energy that is generated by the motor during the braking process can be stored in a supercapacitor energy storage system (SC ESS) [2]. SC ESSs can be used in many different applications; however, as they are well-suited for supplying peak power, their main application areas are renewable power generation [3,4], electric public transport [5,6,7], mobile robots [8], and other applications [9]. When the motor is in power consumption mode, the SC ESS can be used as a second power source in addition to the DC grid, as depicted in Figure 1.
There are different SC ESS discharge control strategies that control the proportion of the motor’s energy that is supplied by the SC ESS and the DC grid [10]. However, the efficiency of SC ESS usage can vary depending on its deployment. Hence, it is necessary to study an associated efficiency through either mathematical or simulation models prior to practical implementation. In relation to the consumer, the SC ESS can be deployed in one of three ways: close to the consumer; between the DC grid power source and the consumer; or close to the DC grid power source [11]. Different control strategies for discharging supercapacitors have been described in the literature. In [12], a strategy was proposed to extend the lifetime of a battery that is used as a primary energy source. The authors of [13] proposed a control strategy that supplies power to the load during an outage of the primary power supply. A predictive algorithm that uses two objectives—minimization of energy loss and maximization of the power reserve—has been proposed in [14]; however, this algorithm cannot easily be implemented in practice. An energy management system based on neural networks has been described in [15], with the goal of minimizing battery discharge. A power-smoothing strategy has been proposed in [16]. A strategy for increased driving comfort has been reported in [17]. An energy flow algorithm that balances maximum energy savings with the maximum lifetime of SC ESSs has been described in [18]. A supercapacitor-based energy storage method for energy efficiency improvements in buildings has been presented in [19]. The theoretical charging and discharging efficiencies of supercapacitors have been studied in [20,21,22]. An analysis of the energy storage discharge efficiency of SCs that takes into consideration a second power supply system may facilitate the development of artificial intelligence-based algorithms to increase the efficiency of such systems.
In this work, mathematical models of these situations were developed by deriving the corresponding equations. Simulation models consisting of virtual electrical elements were also developed. In the literature, virtual RC circuit models have commonly been used instead of complex SC models; however, it should be noted that the results of RC model simulations may differ from those obtained with a real SC, due to factors such as the various chemical processes involved, temperature changes, aging, the DC–DC converter efficiency curve, the failure of some supercapacitor cells, and so on. Hence, in addition to RC models, more accurate and complex virtual SC models have been developed [23,24]. However, the inaccuracy of RC model-based simulations is typically within 5% when compared to the real performance of SCs [25]. Furthermore, RC models are easier to understand and to apply practically. RC models have, therefore, been widely used in large-scale SC ESS planning research; for example, for electric transportation [26].
The advantage of mathematical models is that they provide in-depth theoretical information about the operation of an electrical circuit through equations; however, a disadvantage is that these equations might not be easily understood. Meanwhile, the advantage of simulation models is that users do not have to derive equations to develop them but, instead, must simply connect virtual electrical elements. For both types of models, it is necessary to verify whether they are correctly developed by comparing their simulation results, which must be equal. These verified models can then be used for the development of advanced control algorithms.

2. Dual Power Supply System with Supercapacitor Energy Storage

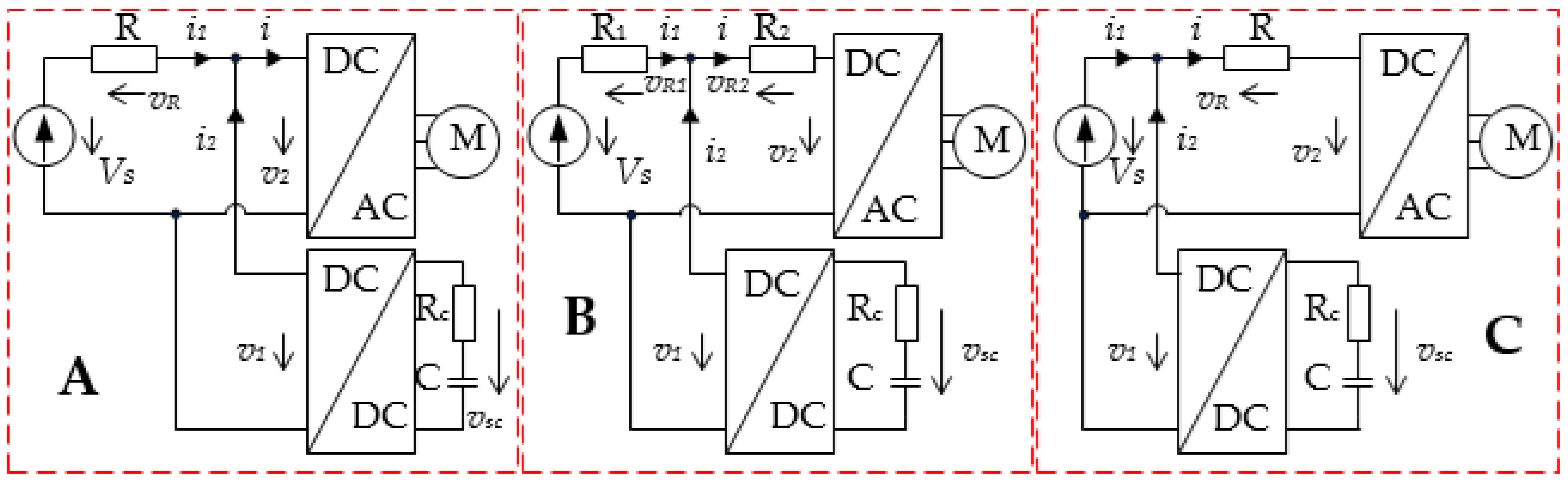
The following research is based on the operation or energy consumption of an AC motor supplied by two power sources, as shown in Figure 2. In this study, the AC motor is frequently referred to as an energy consumer (or simply the consumer), and the model developed can also be used for other load types. The primary power supply source for the consumer is the DC power supply, while the secondary source is the SC ESS. In practical applications, the DC source can be an AC power supply with a rectifier and filter, DC–DC, or an AC–DC power electronics converter. To study the performance of the electrical processes in the system, transmission resistance in the section between the DC line power source and the consumer must be considered. In Figure 2, the total resistances of the positive and negative polarity wires of certain grid sections are indicated by resistors. With longer DC line lengths (i.e., a greater distance between the DC line power source and the consumer), there are greater transmission losses [27,28].
As a secondary power supply, the SC ESS reduces the amount of energy drawn from the DC line. Depending on the situation, there may be a variance in SC ESS placement such that the transmission resistance between the SC ESS and the consumer must also be considered. Figure 2 shows three different ways in which a SC ESS can be connected. In the first case (A), the transmission resistance between the SC ESS and the consumer can be neglected. In the second case (B) and also in the third case (C), the transmission resistance between the SC ESS and the consumer is significant and must be considered when analyzing power losses [29].
If these cases are compared with a scenario involving an overhead grid-connected electric vehicle, such as a trolleybus, then case A corresponds to a mobile SC ESS mounted on the vehicle, case B to a stationary SC ESS connected to the DC line, and case C to a stationary SC ESS located in a supply substation.
For all three cases shown in Figure 2, two models were developed: a simulation model and a mathematical model. The simulation model contained virtual electrical components and directly simulated the electrical processes of a certain system in real time. The mathematical model, on the other hand, contained only mathematical expressions (or their block diagrams) to calculate the parameters of the electrical processes in real time. It should be noted that running either approach refers to running simulations and obtaining the associated results.
The main advantage of the simulation model is its simple visibility and readability. The user does not have to derive mathematical equations and perform calculations, as the simulation produces the corresponding results automatically based on electrical circuit laws and the given input values. However, the main drawback is that the simulation model might not always provide an in-depth understanding of the electrical processes and their behavior in different situations. In addition, the runtime of simulation models might be longer in comparison to that of mathematical models.
The main advantage of mathematical models is they provide a deeper understanding of the electrical processes, which are described comprehensively by mathematical equations. Depending on the specified known and unknown parameters, the development of a mathematical model may also result in deriving new equations that may be useful in theoretical studies. The main drawback of mathematical models is the necessity to derive mathematical expressions which, unlike visualized simulation models, might not be easy to understand for all users. Based on a mathematical model, it is easier to develop more advanced control methods to further enhance efficiency. It is worth developing both simulation and mathematical models to simulate the same electrical process under equal conditions as, if the simulation results for both models are equal, then the correctness of both models can be confirmed.

3. Simulation Model of Dual Power Supply System

The simulation model schematics of the cases shown in Figure 2 are presented in the upper part of Figure 3. The lower part of Figure 3, as an example, shows a direct Matlab R2021b Simulink model of case A. The DC line power source was simulated using a DC voltage source while the transmission resistance was simulated using a resistor. The AC motor (i.e., the power consumer) was simulated using the current source I2, and the current that was applied to this source during the simulation was considered the input current of the AC motor’s inverter. The SC ESS connection to the DC line was simulated using the current source I1, and the current that was applied to this source during the simulation was the part of the input current of the AC motor’s inverter that was taken from the SC ESS. As the situation in which energy is fed back to the DC grid through the AC motor’s regenerative mode is not considered here, the simulation model contains a diode that allows energy to flow only from the DC grid to the consumer. The SC ESS is included with the aim of storing the energy regenerated by AC motor, and so, there is an algorithm that enables charging of the SC ESS. If the SC ESS is fully charged, the regenerated energy is transferred by a chopper to the brake resistor where it is dissipated as heat.
It is assumed that the AC motor’s power is known, in the form of a characteristic curve. Hence, the current i3, which must be applied to the consumer-simulating current source I2, can be calculated in real time through the division of this power and the AC motor’s inverter input voltage v2, which is measured by a virtual voltmeter, as shown in Figure 3. Situations in which the AC motor was powered by both the DC line and the SC ESS were simulated. The SC ESS control system regulates the current that is taken from the SC ESS to supply the AC motor, while the remaining necessary current is taken from the DC line. This work considers a proportional SC ESS discharge strategy in which the SC ESS provides a certain fixed portion of the energy required for the AC motor.
In the case of SC ESS discharge, the DC–DC converter’s SC side is considered as its input with voltage vsc, and the DC line side as its output with voltage v1. It is assumed that the SC proportional discharge control system calculates the SC discharge current isc on the DC–DC converter’s SC side according to the schematic shown in Figure 4. As shown, the isc calculation is based on the converter’s input and output voltages (vsc and v1, respectively), the AC motor’s current value i3, the converter’s assumed efficiency ηc = 0.98, the inverter’s assumed efficiency ηi = 0.98, and the coefficient of discharge proportionality (which, in this case, is equal to 0.5). The discharge algorithm works when the AC motor’s power is greater than zero, indicating the acceleration or energy consumption mode. There is also an algorithm that disables SC discharge when the SC voltage has reached a certain minimum permissible voltage level.
The DC–DC converter’s output current i2, that must be applied to the current source I1 in the simulation models shown in Figure 3, is calculated in real time using the following equation:
i 2 = i s c v s c η c η i v 1 .    
The simulation models contain a separate RC circuit, as shown in part A of Figure 5, in order to simulate the charging state of the SC ESS. The RC circuit is not directly connected to the circuits in Figure 3, but has a current source to simulate SC discharge by applying the current isc in real time. The SC circuit charging state voltage vsc can be calculated using the following expression, where Vsc is the SC voltage at the very beginning of the simulation:
v s c = V s c + i s c R c + i s c C .    
The simulation model schematic for the SC ESS RC circuit is shown in part A of Figure 5, while part B shows the Matlab simulation model and part C shows the Matlab mathematical model corresponding to Equation (2).
During the motor regenerative mode, charging of the SC ESS is controlled using the diagram shown in Figure 6, which calculates the SC current using a PI controller considering a certain maximum consumer voltage v2 at which the SC ESS charging is enabled, thus not allowing the value of v2 to increase.

4. Mathematical Models for Efficiency Estimation

In the following mathematical models, the assumed known parameters are the consumer’s power p; the DC line power source voltage VS; and the consumer’s current portion taken from the SC ESS i2. The unknown, or calculable, parameters are the consumer’s current portion taken from the DC line i1 and the consumer’s voltage at the inverter’s DC side v2. Calculation expressions were derived for i1, v2 and, in some cases, for vR; however, in fact, it is completely sufficient to use only one of the three formulas derived here, as the other two parameters can be calculated using generally known formulas. For all variants, the results of the simulation models and the mathematical models completely match, thus confirming the correctness of the derived equations.

4.1. SC ESS Connected Close to the Consumer

The first situation corresponds to case A in Figure 2 and Figure 3. Here, the SC ESS voltage v1 is equal to the consumer’s voltage v2, as it is a parallel connection without resistance between the SC ESS and DC line. According to Kirchhoff’s first law, the consumer’s current i3 consists of two components: the current i1 and the current i2. According to Kirchoff’s second law, the consumer’s voltage v2 can be expressed as follows:
v 2 = V S V R = V S i 1 R .    
As a result, the consumer’s power p can be calculated using the following expression:
p = i 3 v 2 = ( i 1 + i 2 ) v 2 = ( i 1 + i 2 ) ( V S i 1 R ) .  
To derive the formula for i1, Equation (4) must first be transformed into a quadratic equation, as follows:
R i 1 2 + ( R i 2 V S ) i 1 + p V S i 2 = 0 .
The solution of Equation (5) can be expressed as follows:
i 1 = V S R i 2 ( i 2 R V S ) 2 4 R ( p V S i 2 ) 2 R .    
The Matlab block diagram of Equation (6) is depicted in Figure 7, which is the only visual example of the mathematical model shown in this study. Block diagrams of further derived formulas are not shown, as they are based on the same mathematical operation blocks and are relatively simple to develop according to the written mathematical expressions. The numerical values of Vs and R as input parameters can be chosen while i2 is calculated according to the diagram in Figure 3. The calculated i1 can be used for the calculation of v2 and vR using generally known formulas, as shown in Figure 7.
To derive the formula for v2 instead of obtaining Equation (6), the current i1 can first be derived from Equation (4):
i 1 = p v 2 i 2 .
Using Equation (7), the following expression for v2 can be obtained:
v 2 = V S i 1 R = V S ( p v 2 i 2 ) R .      
Equation (8) can be transformed into a quadratic equation for v2:
v 2 2 ( V S + i 2 R ) v 2 + p R = 0 .
The correct root of Equation (9) has a plus sign before the square root:
v 2 = V S + i 2 R + ( i 2 R + V S ) 2 4 p R 2 .    
To derive the formula for vR, instead of Equations (6) and (10), Equation (4) can first be transformed such that it contains vR:
p = ( i 1 + i 2 ) ( V S v R ) = ( v R R + i 2 ) ( V S v R ) .    
Then, Equation (11) can be transformed into a quadratic equation for vR:
v R 2 + ( i 2 R V S ) v R + ( p i 2 V S ) R = 0 .
The solution of Equation (12) can be expressed as follows:
v R = V S i 2 R ( i 2 R V S ) 2 4 R ( p i 2 V S ) 2 .    
Mentioning again that only one of the three derived equations—namely, Equations (6), (10) and (13)—is mandatory for the mathematical model, as the other parameters can be calculated using generally known formulas (as previously shown in Figure 6). After deriving and obtaining all the equations, it is optimal to select the equation with the shortest expression. In this case, Equation (10) was selected.
In the following two examples, the voltage-drop formulas are not derived or shown, given they are long and irrational for use in the mathematical models.

4.2. SC ESS Connected Distant from the Consumer

This situation corresponds to case B in Figure 2 and Figure 3. In this situation, between the DC line power source and the SC ESS, only the current i1 flows, while between the SC ESS and the consumer, both i1 and i2 flow. The transmission line voltage drop, therefore, consists of two components: vR1 and vR2. Hence, the consumer’s power can be expressed as follows:
p = ( i 1 + i 2 ) ( V S v R 1 v R 2 ) = ( i 1 + i 2 ) ( V S i 1 R 1 ( i 1 + i 2 ) R 2 ) .  
Equation (14) can be transformed into a quadratic equation for the calculation of i1:
( R 1 + R 2 ) i 1 2 + ( i 2 R 1 + 2 i 2 R 2 V S ) i 1 V S i 2 + i 2 2 R 2 + p = 0 .
The solution for Equation (15) can be derived as follows:
i 1 = V S 2 i 2 R 2 i 2 R 1 ( i 2 R 1 + 2 i 2 R 2 V S ) 2 4 ( R 1 + R 2 ) ( p + i 2 2 R 2 V S i 2 ) 2 ( R 1 + R 2 ) .              
To derive the formula for v2 instead of Equation (16), Equation (11) can be transformed into a quadratic equation using Equation (7):
v 2 2 ( V S + i 2 R 1 ) v 2 + p ( R 1 + R 2 ) = 0 .
The solution for Equation (17) is
v 2 = V S + i 2 R 1 + ( V S + i 2 R 1 ) 2 4 p ( R 1 + R 2 ) 2 .  
Equation (18) is shorter in comparison to Equation (16) and is, therefore, more optimal for use in this mathematical model.

4.3. SC ESS Connected Close to the DC Line Power Source

This situation corresponds to case C in Figure 2 and Figure 3. As both currents i1 and i2 flow between the DC line power source and the consumer in this situation, the corresponding expression for the consumer’s power can be obtained as follows:
p = ( i 1 + i 2 ) ( V S R ( i 1 + i 2 ) ) .
Equation (19) can be transformed into a quadratic equation for the calculation of i1:
R i 1 2 + ( 2 i 2 R V S ) i 1 i 2 V S + i 2 2 R + p = 0 .
The solution for Equation (20) leads to the following equation:
i 1 = V S 2 i 2 R ( 2 i 2 R V S ) 2 4 R ( i 2 2 R i 2 V S + P ) 2 R .
The voltage v2, in this case, corresponds to the following expression:
v 2 = V S R ( i 1 + i 2 ) .    
To calculate v2, Equation (22) can be transformed using Equation (7):
v 2 2 V S v 2 + p R = 0 .
The solution for Equation (23) can be expressed as follows:
v 2 = V S + V S 2 4 p R 2 .  
Equation (24) is shorter in comparison to Equation (21) and is, therefore, preferable for use in this mathematical model.

5. Calculation of Transmission Losses

During SC ESS discharge, the total discharged energy ESC consists of two parts: the energy E1 that is successfully delivered to the consumer and the lost energy E2 (consisting of SC internal losses, the DC–DC converter’s internal losses, transmission losses, and the inverter’s internal losses). Thus, the SC ESS discharge efficiency can be calculated as follows:
η d i s = E S C E 2 E S C = E 1 E S C .        
However, in cases B and C, shown in Figure 2 and Figure 3, the DC line has sections with transmission resistance through which flows the current i3, which consists of the current i1, taken from the DC line power source. The current i2 is taken from the SC ESS:
i 3 = i 1 + i 2 .  
To calculate SC ESS discharge efficiency, it is necessary to clarify the proportion of the total transmission loss due to the current i2. This can be determined by calculating the transmission-loss power caused by the current i2. For example, in case C in Figure 2 and Figure 3, the total transmission-loss power in the section with resistance R is
p R = i 3 2 R = ( i 1 + i 2 ) 2 R = ( i 1 2 + 2 i 1 i 2 + i 2 2 ) R .  
The total transmission-loss power can be considered to consist of two components—the power p1, caused by i1, and the power p2, caused by i2:
p R = p 1 + p 2 .  
Equation (27) justifies that pR is not just the sum of i 1 2 R and i 2 2 R , as there is also the monomial term 2 i 1 i 2 . It was determined that in order to calculate the power p1, the monomial 2 i 1 i 2 must be multiplied by the proportion k1 that i1 contributes to the total current i3:
k 1 = i 1 i 1 + i 2 = i 1 i 3 .  
Similarly, to calculate the power p2, the monomial 2i1i2 must be multiplied by the proportion k2 that i2 contributes to the total current i3:
k 2 = i 2 i 1 + i 2 = i 2 i 3 .  
Therefore, the power loss p1 due to i1 is
p 1 = ( i 1 2 + 2 k 1 i 1 i 2 ) R = ( i 1 2 + 2 i 1 2 i 2 i 1 + i 2 ) R = ( 1 + 2 i 2 i 1 + i 2 ) i 1 2 R .
Similarly, the power loss p2 due to i2 is
p 2 = ( i 2 2 + 2 k 2 i 1 i 2 ) R = ( i 2 2 + 2 i 1 i 2 2 i 1 + i 2 ) R = ( 1 + 2 i 1 i 1 + i 2 ) i 2 2 R .    
By choosing any i1, i2, and R, it can be verified that Equations (31) and (32) are correct, as their sum results in Equation (27).

6. Efficiency of the SC ESS Discharge Process

The efficiencies of SC ESS application in all cases in Figure 2 (i.e., cases A–C) were compared by performing virtual simulations with SC ESS discharge proportionality coefficients k of 0.5, 0.7, and 0.9. It was assumed that the AC motor consumes a constant power of 3.6 kW over 10 s, whose power is supplied by both the SC ESS and the DC line power source. The DC line voltage was 50 V while the SC ESS initial voltage was 48 V. The minimum permissible SC ESS voltage was 24 V, at which discharging was stopped. It should be noted that, during discharge, the SC ESS voltage vsc indicated by the voltmeter is lower than the actual voltage due to internal resistance RC. Figure 8 shows that as soon as vsc reaches a certain value below 24 V, it stops discharging and the vsc jumps to the actual value of 24 V. This means that not only is the total voltage vsc measured separately in the RC model, but also the voltages on RC and C, in order to ensure that the voltage on C does not decrease below 24 V. The maximum permissible discharge current is 120 A, at which the discharge intensity or the proportionality coefficient k is gradually reduced by maintaining the maximum current, as shown in Figure 8.
The total DC transmission line resistance from the DC voltage source to the AC motor R was equal to 0.0734 Ω. When the SC ESS was discharged, the AC motor was powered only by the DC line and the voltage drop was vR = 6 V, meaning the AC motor’s voltage was v2 = 44 V, as shown in Figure 9. In case C of Figure 2, the v2 = 44 V at all times, as the currents i1 and i2 flowed across the entire transmission line, causing a voltage drop of vR = 6 V.
Figure 10 shows an example of the currents i1, i2, and i3 with a discharge coefficient of k = 0.7 in cases A, B, and C. The scheme shown in Figure 6 provides the required current isc, resulting in i2 comprising 70% of the current required for the AC motor until the maximum discharge current of isc = 120 A was reached. Compared to Figure 8 for k = 0.7, it is obvious that isc gradually increased as the SC voltage decreased, as a stronger SC discharge current is required to keep the converter output current i2 constant. When isc reached its maximum value, it remained constant and the current i2 decreased gradually as a result, meaning the discharge proportionality coefficient also decreased gradually.
For any k, the SC ESS was not discharged for the longest time in case A, in which it was placed maximally close to the consumer. Figure 11 shows the part of the AC motor energy provided by the SC ESS over the entire simulation. When the SC ESS was not discharged, 50%, 70%, or 90% of the current was provided by the SC ESS; however, when the SC ESS was discharged, this percentage started to drop rapidly. The percentages of energy provided by the SC ESS during the entire simulation were assessed at the 10th second. According to Figure 11, these percentages were similar for all the discharge proportionality coefficients considered, even though the SC ESS discharged faster with higher discharge coefficient values.
Figure 12 shows the SC ESS discharge efficiencies, calculated in real time as the ratio of the SC power delivered to the AC motor over the total SC ESS discharge power, which includes SC internal and transmission losses. At faster discharges, the efficiency was slightly lower as the stronger discharge current resulted in greater SC internal losses. Transmission losses also had an impact, except in case A. The discharge efficiency in case B was approximately 5% lower than in case A, while in case C, it was 5% lower than in case B.
Figure 13 shows the AC motor energy consumption efficiency curves, calculated in real time, as the AC energy consumption divided by the sum of the total DC grid energy and the total SC ESS discharge energy. From the moment the SC ESS did not discharge anymore, this efficiency gradually increased due to the absence of SC ESS internal losses. If the SC internal resistance is greater than the DC line transmission resistance and/or the SC discharge is rather fast, then the SC internal losses might be greater than the transmission losses, thus resulting in greater common losses in comparison to the situation of a non-functioning SC ESS. Still, the total energy efficiency is characterized by a reduction in DC grid energy consumption due to the SC ESS, whose stored energy is considered to be alternatively produced, for example, through the AC motor’s regeneration mode.

7. Conclusions

In this work, simulation and mathematical models were developed to simulate the power supply of a consumer—namely, an AC motor controlled by an inverter—supplied by a dual power source, including both DC grid and SC ESS sources. Three SC ESS connection positions were considered: close to the consumer; distant from the consumer; and close to the DC line voltage source. The mathematical models consisted of equations that were derived for each of the mentioned cases, while the simulation models consisted of corresponding virtual electrical elements. The simulation results confirmed the correctness of both the simulation and derived mathematical models; thus, they can be used to further develop control systems that ensure optimal system efficiency. SC ESS discharge variants with different discharge proportionality coefficients were considered. Increasing the SC ESS discharge intensity resulted in less energy being taken from the DC grid, but also caused the ESS to discharge faster. As the internal resistance and capacitance of the SC circuit were assumed to be constant during the simulation due to the use of an RC model, separate simulations with modified parameters (i.e., increased internal resistance and reduced capacitance) should be performed for long-term performance prediction of SC ESSs, as the mentioned parameters may worsen over time.

Author Contributions

Conceptualization, Ģ.S. and K.K.; methodology, Ģ.S. and K.K.; software, Ģ.S.; formal analysis, Ģ.S. and K.K.; investigation, Ģ.S.; resources, K.K.; data curation, Ģ.S.; writing—original draft preparation, Ģ.S. and K.K.; writing—review and editing, Ģ.S. and K.K.; visualization, Ģ.S.; supervision, K.K.; project administration, K.K.; funding acquisition, K.K. All authors have read and agreed to the published version of the manuscript.

Funding

This research was funded by the Latvian Council of Science project titled “Fast transient response and high-efficiency GaN-based BLDC motor converter with a dual power supply” (project No. lzp-2021/1-0298).

Data Availability Statement

The data are contained within the article.

Conflicts of Interest

The authors declare no conflicts of interest. The funders had no role in the design of the study; in the collection, analyses, or interpretation of data; in the writing of the manuscript; or in the decision to publish the results.

References

  1. Hamada, A.T.; Orhan, M.F. An overview of regenerative braking systems. J. Energy Storage 2022, 52, 105033. [Google Scholar] [CrossRef]
  2. Elalfy, D.A.; Gouda, E.; Kotb, M.F.; Bureš, V.; Sedhom, B.E. Comprehensive review of energy storage systems technologies, objectives, challenges, and future trends. Energy Strategy Rev. 2024, 54, 101482. [Google Scholar] [CrossRef]
  3. Nowrot, A.; Manowska, A. Supercapacitors as Key Enablers of Decarbonization and Renewable Energy Expansion in Poland. Sustainability 2024, 16, 216. [Google Scholar] [CrossRef]
  4. Navarro, G.; Torres, J.; Blanco, M.; Nájera, J.; Santos-Herran, M.; Lafoz, M. Present and Future of Supercapacitor Technology Applied to Powertrains, Renewable Generation and Grid Connection Applications. Energies 2021, 14, 3060. [Google Scholar] [CrossRef]
  5. Iannuzzi, D. Improvement of the energy recovery of traction electrical drives using supercapacitors. In Proceedings of the 2008 13th International Power Electronics and Motion Control Conference, Poznan, Poland, 1–3 September 2008; pp. 1469–1474. [Google Scholar] [CrossRef]
  6. Barrero, R.; Tackoen, X.; Van Mierlo, J. Improving energy efficiency in public transport: Stationary supercapacitor based Energy Storage Systems for a metro network. In Proceedings of the 2008 IEEE Vehicle Power and Propulsion Conference, Harbin, China, 3–5 September 2008; pp. 1–8. [Google Scholar] [CrossRef]
  7. Ciccarelli, F.; Iannuzzi, D.; Tricoli, P. Control of metro-trains equipped with onboard supercapacitors for energy saving and reduction of power peak demand. Transp. Res. Part C Emerg. Technol. 2012, 24, 36–49. [Google Scholar] [CrossRef]
  8. Mikołajczyk, T.; Mikołajewski, D.; Kłodowski, A.; Łukaszewicz, A.; Mikołajewska, E.; Paczkowski, T.; Macko, M.; Skornia, M. Energy Sources of Mobile Robot Power Systems: A Systematic Review and Comparison of Efficiency. Appl. Sci. 2023, 13, 7547. [Google Scholar] [CrossRef]
  9. Şahin, M.E.; Blaabjerg, F.; Sangwongwanich, A. A Comprehensive Review on Supercapacitor Applications and Developments. Energies 2022, 15, 674. [Google Scholar] [CrossRef]
  10. Grigans, L.; Latkovskis, L. Study of control strategies for energy storage system on board of urban electric vehicles. In Proceedings of the 14th International Power Electronics and Motion Control Conference EPE-PEMC, Ohrid, North Macedonia, 6–8 September 2010; pp. T9-34–T9-38. [Google Scholar] [CrossRef]
  11. Kroičs, K.; Būmanis, A. BLDC Motor Speed Control with Digital Adaptive PID-Fuzzy Controller and Reduced Harmonic Content. Energies 2024, 17, 1311. [Google Scholar] [CrossRef]
  12. Alobeidli, K.; Khadkikar, V. A New Ultracapacitor State of Charge Control Concept to Enhance Battery Lifespan of Dual Storage Electric Vehicles. IEEE Trans. Veh. Technol. 2018, 67, 10470–10481. [Google Scholar] [CrossRef]
  13. Grbović, P.J.; Delarue, P.; Le Moigne, P.; Bartholomeus, P. The Ultracapacitor-Based Controlled Electric Drives with Braking and Ride-Through Capability: Overview and Analysis. IEEE Trans. Ind. Electron. 2011, 58, 925–936. [Google Scholar] [CrossRef]
  14. Laldin, O.; Moshirvaziri, M.; Trescases, O. Predictive Algorithm for Optimizing Power Flow in Hybrid Ultracapacitor/Battery Storage Systems for Light Electric Vehicles. IEEE Trans. Power Electron. 2013, 28, 3882–3895. [Google Scholar] [CrossRef]
  15. Moreno, J.; Ortuzar, M.E.; Dixon, J.W. Energy-management system for a hybrid electric vehicle, using ultracapacitors and neural networks. IEEE Trans. Ind. Electron. 2006, 53, 614–623. [Google Scholar] [CrossRef]
  16. Grbovic, P.J.; Delarue, P.; Le Moigne, P.; Bartholomeus, P. The Ultracapacitor-Based Regenerative Controlled Electric Drives with Power-Smoothing Capability. IEEE Trans. Ind. Electron. 2012, 59, 4511–4522. [Google Scholar] [CrossRef]
  17. Jarraya, I.; Abdelhedi, F.; Rizoug, N. An Innovative Power Management Strategy for Hybrid Battery–Supercapacitor Systems in Electric Vehicle. Mathematics 2024, 12, 50. [Google Scholar] [CrossRef]
  18. Župan, I.; Šunde, V.; Ban, Ž.; Novoselnik, B. An Energy Flow Control Algorithm of Regenerative Braking for Trams Based on Pontryagin’s Minimum Principle. Energies 2023, 16, 7346. [Google Scholar] [CrossRef]
  19. Makar, M.; Pravica, L.; Kutija, M. Supercapacitor-Based Energy Storage in Elevators to Improve Energy Efficiency of Buildings. Appl. Sci. 2022, 12, 7184. [Google Scholar] [CrossRef]
  20. Staņa, Ģ.; Voitkāns, J.; Kroičs, K. Supercapacitor Constant-Current and Constant-Power Charging and Discharging Comparison under Equal Boundary Conditions for DC Microgrid Application. Energies 2023, 16, 4167. [Google Scholar] [CrossRef]
  21. Kumar, M.R.; Ghosh, S.; Das, S. Analytical Formulation for Power, Energy, and Efficiency Measurement of Ultracapacitor Using Fractional Calculus. IEEE Trans. Instrum. Meas. 2019, 68, 4834–4844. [Google Scholar] [CrossRef]
  22. Kumar, M.R.; Ghosh, S.; Das, S. Charge-discharge energy efficiency analysis of ultracapacitor with fractional-order dynamics using hybrid optimization and its experimental validation. AEU—Int. J. Electron. Commun. 2017, 78, 274–280. [Google Scholar] [CrossRef]
  23. Zubieta, L.; Bonert, R. Characterization of double-layer capacitors for power electronics applications. IEEE Trans. Ind. Appl. 2000, 36, 199–205. [Google Scholar] [CrossRef]
  24. Faranda, R.; Gallina, M.; Son, D.T. A new simplified model of Double-Layer Capacitors. In Proceedings of the 2007 International Conference on Clean Electrical Power, Capri, Italy, 21–23 May 2007; pp. 706–710. [Google Scholar] [CrossRef]
  25. Cabrane, Z.; Lee, S.H. Electrical and Mathematical Modeling of Supercapacitors: Comparison. Energies 2022, 15, 693. [Google Scholar] [CrossRef]
  26. Wang, Y.; Yang, Z.; Li, F. Optimization of Energy Management Strategy and Sizing in Hybrid Storage System for Tram. Energies 2018, 11, 752. [Google Scholar] [CrossRef]
  27. Riego-Martinez, J.; Perez-Alonso, M.; Duque-Perez, O. Reduction of power transmission losses in high-speed rail systems through efficient scheduling. Int. J. Electr. Power Energy Syst. 2024, 160, 110123. [Google Scholar] [CrossRef]
  28. Barbone, R.; Mandrioli, R.; Ricco, M.; Paternost, R.F.P.; Cirimele, V.; Grandi, G. Modelling Trolleybus Networks: A Critical Review. In Proceedings of the 2022 International Symposium on Power Electronics, Electrical Drives, Automation and Motion (SPEEDAM), Sorrento, Italy, 22–24 June 2022; pp. 258–263. [Google Scholar] [CrossRef]
  29. Sirmelis, U.; Zakis, J.; Grigans, L. Optimal supercapacitor energy storage system sizing for traction substations. In Proceedings of the 2015 IEEE 5th International Conference on Power Engineering, Energy and Electrical Drives (POWERENG), Riga, Latvia, 11–13 May 2015; pp. 592–595. [Google Scholar] [CrossRef]
Figure 1. Dual power supply of an AC motor.
Figure 1. Dual power supply of an AC motor.
Energies 18 00088 g001
Figure 2. SC ESS placement cases: (A) the SC ESS is connected close to the load; (B) the SC ESS is connected distant from the load; and (C) the SC ESS is connected close to the DC source.
Figure 2. SC ESS placement cases: (A) the SC ESS is connected close to the load; (B) the SC ESS is connected distant from the load; and (C) the SC ESS is connected close to the DC source.
Energies 18 00088 g002
Figure 3. (A) A simplified model of the SC ESS connected close to the load; (B) a simplified model of the SC ESS connected distant from the load; (C) a simplified model of the SC ESS connected close to the DC source; and (D) a screenshot of the Matlab model of the SC ESS placement case A.
Figure 3. (A) A simplified model of the SC ESS connected close to the load; (B) a simplified model of the SC ESS connected distant from the load; (C) a simplified model of the SC ESS connected close to the DC source; and (D) a screenshot of the Matlab model of the SC ESS placement case A.
Energies 18 00088 g003
Figure 4. SC ESS current reference calculation scheme.
Figure 4. SC ESS current reference calculation scheme.
Energies 18 00088 g004
Figure 5. (A) Simplified SC charge/discharge circuit with current source; (B) Matlab model of SC charge/discharge circuit with current source; and (C) SC ESS voltage real-time calculation scheme.
Figure 5. (A) Simplified SC charge/discharge circuit with current source; (B) Matlab model of SC charge/discharge circuit with current source; and (C) SC ESS voltage real-time calculation scheme.
Energies 18 00088 g005
Figure 6. SC ESS charging current reference calculation scheme.
Figure 6. SC ESS charging current reference calculation scheme.
Energies 18 00088 g006
Figure 7. A mathematical model for the real-time calculation of the current i1.
Figure 7. A mathematical model for the real-time calculation of the current i1.
Energies 18 00088 g007
Figure 8. SC ESS voltage and current simulation results.
Figure 8. SC ESS voltage and current simulation results.
Energies 18 00088 g008
Figure 9. Motor inverter’s DC-side voltage simulation results.
Figure 9. Motor inverter’s DC-side voltage simulation results.
Energies 18 00088 g009
Figure 10. Simulation results of DC-side currents at discharge coefficient k = 0.7.
Figure 10. Simulation results of DC-side currents at discharge coefficient k = 0.7.
Energies 18 00088 g010
Figure 11. Simulation results of consumer’s energy supplied by SC ESS.
Figure 11. Simulation results of consumer’s energy supplied by SC ESS.
Energies 18 00088 g011
Figure 12. SC ESS discharge efficiency simulation results.
Figure 12. SC ESS discharge efficiency simulation results.
Energies 18 00088 g012
Figure 13. Energy consumption efficiency simulation results.
Figure 13. Energy consumption efficiency simulation results.
Energies 18 00088 g013
Disclaimer/Publisher’s Note: The statements, opinions and data contained in all publications are solely those of the individual author(s) and contributor(s) and not of MDPI and/or the editor(s). MDPI and/or the editor(s) disclaim responsibility for any injury to people or property resulting from any ideas, methods, instructions or products referred to in the content.

Share and Cite

MDPI and ACS Style

Staņa, Ģ.; Kroičs, K. Energy Loss Analysis of Dual Power Supply-Powered Motor Drive During Supercapacitor Energy Storage Discharge. Energies 2025, 18, 88. https://doi.org/10.3390/en18010088

AMA Style

Staņa Ģ, Kroičs K. Energy Loss Analysis of Dual Power Supply-Powered Motor Drive During Supercapacitor Energy Storage Discharge. Energies. 2025; 18(1):88. https://doi.org/10.3390/en18010088

Chicago/Turabian Style

Staņa, Ģirts, and Kaspars Kroičs. 2025. "Energy Loss Analysis of Dual Power Supply-Powered Motor Drive During Supercapacitor Energy Storage Discharge" Energies 18, no. 1: 88. https://doi.org/10.3390/en18010088

APA Style

Staņa, Ģ., & Kroičs, K. (2025). Energy Loss Analysis of Dual Power Supply-Powered Motor Drive During Supercapacitor Energy Storage Discharge. Energies, 18(1), 88. https://doi.org/10.3390/en18010088

Note that from the first issue of 2016, this journal uses article numbers instead of page numbers. See further details here.

Article Metrics

Back to TopTop