Modeling of Dual-Phase Composite Magnetic Material and Its Application in Transformers
Abstract
1. Introduction
2. Modeling of Dual-Phase Composite Magnetic Materials
3. The Establishment of the Dual-Phase Magnetic Hysteresis Mathematical Model and the Research of the Preparation of Material
3.1. Micromagnetic Modeling of Dual-Phase Magnetic Materials
- (1)
- Exchange energy
- (2)
- Zeeman energy
- (3)
- Magnetocrystalline anisotropy
- (4)
- Demagnetization energy
3.2. Static and Dynamic Methods
- (1)
- Static calculation method
- (2)
- Dynamic calculation method
3.3. Hysteresis Characteristics of Nanocomposite Magnetic Materials
3.4. Research of the Influence of Element Composition and Heat Treatment Craft on the Dual-Phase Magnetic Material
- (1)
- Influence of Element Composition on the Dual-phase Magnetic Material
- (2)
- Influence of Heat Treatment Craft on the Dual-phase Magnetic Material
- (3)
- Preparation of the Dual-phase Magnetic Material
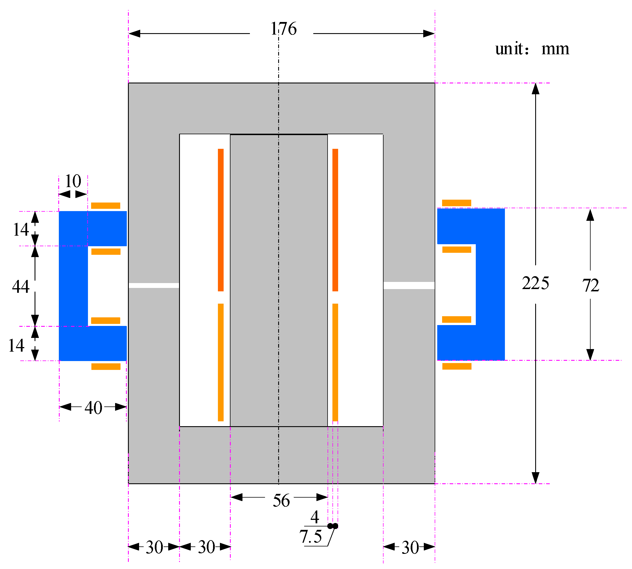
4. Structure Design of the New Power Transformer
5. Simulation and Experimental Study on the New Transformer with the DC Bias Compensation Function
5.1. Simulation of the New Transformer with the DC Bias Compensation Function
5.2. Experiment Simulation of the New Transformer with the DC Bias Compensation Function
6. Conclusions
- (1)
- Based on the theory of micromagnetism, a hysteresis model of nano dual-phase composite magnetic materials was established using the OOMMF software platform and the micromagnetic simulation dynamic calculation method. The hysteresis loops of nano dual-phase composite magnetic materials under different soft magnetic layer thicknesses were calculated, and the relationship between soft magnetic layer thickness and coercivity was obtained.
- (2)
- The structure of the transformer was designed and used for simulation verification. The simulation results show that when DC bias occurs, almost all of the compensating magnetic flux of the compensating iron core passes through the main magnetic circuit of the transformer, canceling out the DC magnetic flux in the main magnetic circuit and achieving the goal of eliminating DC bias, and the working magnetic flux of the transformer does not demagnetize the compensating iron core. When there is no DC bias, the compensating iron core has no residual magnetism, and the magnetic circuit of the compensating iron core does not affect the normal operation of the transformer. This proves the feasibility of the voltage regulator structure.
- (3)
- A 2 kVA power transformer prototype was developed, and experiments were conducted on the prototype. The experimental results show that under different DC bias conditions, after compensating for DC bias, the excitation current waveform of the transformer tends to be symmetrical. The positive peak value decreases and the negative peak value increases. The positive half-cycle magnetic flux density decreases, the iron core returns to an unsaturated state, and the negative half-cycle magnetic flux density increases, proving the suppression effect of the power transformer on DC bias.
Author Contributions
Funding
Data Availability Statement
Conflicts of Interest
References
- Cheng, S.; Cai, Z. Design and optimization of energy-saving wind power grid-connected contactor based on nano two-phase composite magnetic materials. In Proceedings of the 2017 4th International Conference on Electric Power Equipment-Switching Technology (ICEPE-ST), Xi’an, China, 22–25 October 2017; pp. 209–212. [Google Scholar]
- Kharitonskii, P.V.; Kosterov, A.A.; Gurylev, A.K.; Gareev, K.G.; Kirillova, S.A.; Zolotov, N.A.; Anikieva, Y.A. Magnetic States of Two-Phase Synthesized FemOn–Fe3–xTixO4 Particles: Experimental and Theoretical Analysis. Phys. Solid State 2020, 62, 1691–1694. [Google Scholar] [CrossRef]
- Kharitonskii, P.V.; Gareev, K.G.; Ralin, A.Y.; Sergienko, E.S. Superparamagnetism of Fe3O4–Fe3–xTixO4 Composites: Micromagnetic Modeling. Phys. Metals Metallogr. 2023, 124, 46–52. [Google Scholar] [CrossRef]
- Kramer, N.; Provino, A.; Hanley, C.; Kubiak, C.; Pathak, A.K. Magnetic properties of LaFe2−xCoxSi: A new two-phase naturally formed composite alloy. AIP Adv. 2023, 13, 025320. [Google Scholar] [CrossRef]
- Feng, H.; Wang, K.; Li, J.; Zhang, S.; Xie, Q.; Hu, X.; Li, B.; Wang, S.; Wang, S. Analysis of Exciting Current for Single-phase Four-Limb Ultra-High Voltage Transformer under DC Bias. In Proceedings of the 2018 Condition Monitoring and Diagnosis (CMD), Perth, WA, Australia, 23–26 September 2018; pp. 1–6. [Google Scholar]
- Cai, Y.; Yu, Q.; Guo, M.; Sun, G.; Sun, Q. Effect of heat treatments on the microstructure and magnetic properties of semi-hard magnetic 2J85 alloy. J. Magn. Mater. Devices 2013, 1, 47–51. [Google Scholar]
- Chapman, S.J. Electric Machinery Fundamentals; Publishing House of Electronics Industry: Beijing, China, 2012; pp. 1–30. [Google Scholar]
- Zhu, L.; Wei, C.; Yu, Y. Analysis of DC bias exciting current of the single-phase transformer and its effect on protection. Power Syst. Prot. Control 2010, 38, 158–162. [Google Scholar]
- Bolduc, L.; Granger, M.; Pare, G.; Saintonge, J.; Brophy, L. Development of a DC current-blocking device for transformer neutrals. IEEE Trans. Power Deliv. 2005, 20, 163–168. [Google Scholar] [CrossRef]
- Rajapakse, A.; Perera, N.; Faxvog, F.R.; Jensen, W.; Nordling, G.; Fuchs, G.; Jackson, D.B.; Volkmann, T.L.; Ruehl, N.; Groh, B. Power grid stability protection against GIC using a capacitive grounding circuit. In PES T&D; IEEE: Piscataway, NJ, USA, 2012; pp. 1–6. [Google Scholar]
- Hongtao, R. Analysis on Withstand Voltage of DC bias Device at 500kV Transformer Neutral Point. In Proceedings of the 2020 3rd International Conference on Power and Energy Applications (ICPEA), Busan, Republic of Korea, 9–11 October 2020; pp. 58–62. [Google Scholar]
- Li, C.; Zhang, Y.; Lv, Y.; Sun, S. Research on the design and experiment of power transformer DC bias blocking device. In Proceedings of the 2012 2nd International Conference on Consumer Electronics, Communications and Networks (CECNet), Yichang, China, 21–23 April 2012; pp. 2811–2814. [Google Scholar]
- Lasabi, O.; Swanson, A.; Jarvis, L. Heuristic Control of Neutral DC Compensation Method to Moderate DC bias in Power Transformer. In Proceedings of the 2022 IEEE PES/IAS PowerAfrica, Kigali, Rwanda, 22–26 August 2022; pp. 1–5. [Google Scholar]
- Pan, Z.; Wang, X.; Tan, B.; Zhu, L.; Liu, Y.; Liu, Y.; Wen, X. Potential compensation method for restraining the DC bias of transformers during HVDC monopolar operation. IEEE Trans. Power Deliv. 2015, 31, 103–111. [Google Scholar] [CrossRef]
- Bachinger, F.; Hackl, A.; Hamberger, P.; Leikermoser, A.; Leber, G.; Passath, H.; Stoessl, M. Direct current in transformers: Effects and compensation. E&I Elektrotechnik Informationstechnik 2013, 1–5. [Google Scholar] [CrossRef]
- Fei, X.; Zhiwei, C.; Linzi, D.; Linjia, H.; Chen, J.; Gang, W. DC Bias Suppression Scheme Based on Hybrid Transformer. In Proceedings of the 2022 25th International Conference on Electrical Machines and Systems (ICEMS), Chiang Mai, Thailand, 29 November–2 December 2022; pp. 1–5. [Google Scholar]
- Zhang, X.; Wu, W. Simulation analysis of converter transformer excitation current and reactive power loss in DC bias based on field circuit coupling. In Proceedings of the 2018 IEEE 4th Information Technology and Mechatronics Engineering Conference (ITOEC), Chongqing, China, 14–16 December 2018; pp. 861–864. [Google Scholar]
- Ni, Y.; Zeng, X.; Yu, K.; Sun, S.; Zhuo, C.; Peng, P.; Su, Z. Modeling calculation and influence analysis of transformer DC bias current caused by metro stray current. In Proceedings of the 2021 IEEE 4th International Electrical and Energy Conference (CIEEC), Wuhan, China, 28–30 May 2021; pp. 1–6. [Google Scholar]
- Zhao, J.; Fu, H.; Li, J.; Liu, Y.; Li, Z.; Pan, Z. The DC Bias Risk Assessment of Transformer Based on Nonlinear Magnetic Circuit Equations. In Proceedings of the 2019 IEEE 3rd Conference on Energy Internet and Energy System Integration (EI2), Changsha, China, 8–10 November 2019; pp. 2177–2181. [Google Scholar]
- Yan, X.; Dong, X.; Han, G.; Yin, X.; Yu, X.; Jiao, Z.; Wang, X. Study of Transformer Loss and Temperature Rise Under DC Bias Magnetism Based on Finite Element Method. In Proceedings of the 2023 IEEE/IAS Industrial and Commercial Power System Asia (I&CPS Asia), Chongqing, China, 14–16 July 2023; pp. 429–434. [Google Scholar]
- Subramanya, K.; Chelliah, T.R. Thermo Electrical Analysis and its Correlation in a DC Biased Power Transformer Subjected to Over and Under Excitations. In Proceedings of the 2023 13th International Conference on Power, Energy and Electrical Engineering (CPEEE), Tokyo, Japan, 25–27 February 2023; pp. 106–111. [Google Scholar]
- Wang, G.; Zhang, G.; Liu, H.; Yu, D.; Wang, Q.; Chen, L. Analysis of the Influence of Transformer Harmonics Caused by DC Bias on Reactive Power Compensation Capacitor Banks. In Proceedings of the 2022 IEEE 5th International Electrical and Energy Conference (CIEEC), Nangjing, China, 27–29 May 2022; pp. 4576–4581. [Google Scholar]
- Zheng, Y.; Pan, S.; Xia, Y.; Ouyang, X.; Shang, H.; Zhou, Q. Analysis on the Influence of the DC bias on spatial magnetic flux leakage in the transformer. In Proceedings of the 2022 IEEE International Conference on High Voltage Engineering and Applications (ICHVE), Chongqing, China, 25–29 September 2022; pp. 1–4. [Google Scholar]
- Zhou, Z.; Hui, X.; Zhu, X.; Zhu, Y.; Xia, R. Research Summary on Transformer DC Magnetic Bias and Suppression Technology. In Proceedings of the 2023 8th Asia Conference on Power and Electrical Engineering (ACPEE), Tianjin, China, 14–16 April 2023; pp. 2715–2719. [Google Scholar]
- Zheng, L.; Su, K.; Liu, X.; Zhao, J.; Guo, H.; Xun, H. Analysis of DC Magnetic Bias Influences on Transformers. In Proceedings of the 2020 IEEE 4th Conference on Energy Internet and Energy System Integration (EI2), Wuhan, China, 30 October–1 November 2020; pp. 3329–3332. [Google Scholar]
- Chikazumi, S. Physics of Ferromagnetism; Oxford University Press: New York, NY, USA, 1997. [Google Scholar]



















| Item | Saturated Magnetization (kA/m) | Anisotropic Constant (MJ/m3) | Exchange Coupling Constant (J/m) |
|---|---|---|---|
| Hard magnetic layer | 1288 | 4.3 | 7.7 × 10−12 |
| Soft magnetosphere | 1720 | 0.046 | 2.5 × 10−11 |
| Transformer Type | gap1 (mm) | gap2 (mm) | Length of the Material Magnetic Circuit (mm) |
|---|---|---|---|
| 220 V/110 V/2 kVA | 0.3–0.7 | 0.1–0.4 | 128 |
Disclaimer/Publisher’s Note: The statements, opinions and data contained in all publications are solely those of the individual author(s) and contributor(s) and not of MDPI and/or the editor(s). MDPI and/or the editor(s) disclaim responsibility for any injury to people or property resulting from any ideas, methods, instructions or products referred to in the content. |
© 2024 by the authors. Licensee MDPI, Basel, Switzerland. This article is an open access article distributed under the terms and conditions of the Creative Commons Attribution (CC BY) license (https://creativecommons.org/licenses/by/4.0/).
Share and Cite
Liu, Y.; Yang, F.; Han, Y.; Gao, J.; Chen, D.; Bai, H. Modeling of Dual-Phase Composite Magnetic Material and Its Application in Transformers. Energies 2024, 17, 1354. https://doi.org/10.3390/en17061354
Liu Y, Yang F, Han Y, Gao J, Chen D, Bai H. Modeling of Dual-Phase Composite Magnetic Material and Its Application in Transformers. Energies. 2024; 17(6):1354. https://doi.org/10.3390/en17061354
Chicago/Turabian StyleLiu, Yang, Fuyao Yang, Yu Han, Jie Gao, Dezhi Chen, and Haonan Bai. 2024. "Modeling of Dual-Phase Composite Magnetic Material and Its Application in Transformers" Energies 17, no. 6: 1354. https://doi.org/10.3390/en17061354
APA StyleLiu, Y., Yang, F., Han, Y., Gao, J., Chen, D., & Bai, H. (2024). Modeling of Dual-Phase Composite Magnetic Material and Its Application in Transformers. Energies, 17(6), 1354. https://doi.org/10.3390/en17061354

