Next Article in Journal
Research on Adaptive Cycle Engine Mode Transition Control Method
Next Article in Special Issue
Investigation on Pollution-Induced Flashovers of In-Service Insulators in Ethiopian Power Transmission Lines
Previous Article in Journal
Lithium-Ion Battery Capacity Estimation Based on Incremental Capacity Analysis and Deep Convolutional Neural Network
Previous Article in Special Issue
Experimental Study on Rejuvenation of Aged Power Cables via Simulation Operation
 
 
Font Type:
Arial Georgia Verdana
Font Size:
Aa Aa Aa
Line Spacing:
Column Width:
Background:
Article

An Adaptive Reclosing Scheme for Cross-Line Faults on Double-Circuit Wind Power Outgoing Lines with Shunt Reactors

College of Electrical Engineering, Xinjiang University, Urumqi 830017, China
*
Author to whom correspondence should be addressed.
Energies 2024, 17(6), 1273; https://doi.org/10.3390/en17061273
Submission received: 22 January 2024 / Revised: 15 February 2024 / Accepted: 18 February 2024 / Published: 7 March 2024
(This article belongs to the Special Issue Electrical Engineering, High Voltage and Insulation Technology)

Abstract

Wind turbines are vulnerable to negative sequence current injection, the conventional automatic reclosing scheme for wind power outgoing lines, since we may inject negative sequence components into the system and reclose it without distinguishing the nature of the fault through rectification. Moreover, reclosing in permanent faults could induce a secondary impact on the system. To solve the above problems, an adaptive reclosing scheme for cross-line faults on double-circuit wind power outgoing lines with shunt reactors is proposed. Firstly, a new tripping strategy and a single-side partial-phase reclosing method are proposed for multiple types of outgoing line faults, while, simultaneously, phase-to-phase coupling loops are established. Secondly, the criteria of fault nature are established based on the fault phase shunt reactor current and fault phase voltage characteristics, and transient faults are rapidly and accurately distinguished from permanent ones according to the criteria. Finally, the theoretical derivation and simulation experiments are conducted on the PSCAD/EMTDC platform to demonstrate that the proposed adaptive reclosing method is applicable to avoid the injection of negative sequence currents into wind turbines. Meanwhile, the success rate of reclosing for wind power outgoing line is significantly improved and the continuity of power transmission on the wind farm(s) is ensured.

1. Introduction

A double-circuit transmission line has the advantages of a large transmission capacity and a small occupied corridor [1,2,3,4,5,6], etc. Large-scale wind farms are usually connected to the grid by a high-voltage double-circuit transmission line. At the same time, the wide variety of faults makes it difficult to formulate the reclosing logic [7,8,9]. And, according to the statistics, 80% of high-voltage overhead transmission line faults consist of transient faults [10,11,12,13,14,15,16,17,18,19,20,21,22]. Therefore, most of the actual project involves using automatic reclosing to improve the reliability of the power supply. But, with automatic reclosing, if reclosing permanent faults, this will cause a secondary impact on the power grid. Adaptive reclosing distinguishes the nature of the fault before reclosing and can avoid reclosing permanent faults. In addition, the injection of negative sequence components into the system increases the risk of successive phase change failures in the high-voltage DC (direct current) transmission system, as well as exacerbating the heating of the stator–rotor windings of doubly fed wind turbines, which affects the stability of the system. If the line trips on a single phase due to a fault, the negative sequence current injected into the wind turbine during the non-full-phase operation of the line exceeds the set value, and the protection action will cause the wind turbine and the grid to be unlisted. If the capacity of the wind power system operating on the grid is large, a large-scale turbine becoming off-grid will affect the operational stability of the whole system.
At present, the reclosing strategy adopted for wind power transmission lines directly follows the conventional transmission line configuration scheme and does not consider whether the traditional scheme is applicable after wind power access. To address the above issue, some studies have been conducted, including a series of studies on adaptive reclosing. One method considering the influence of wind power operation’s external characteristics on the fault phase electrical quantity was proposed, analyzing the trend in the active power, the reactive power before and after the fault in the DC component, and the low-frequency component amplitude ratio, puts forward a fault arc-quenching criterion based on the power ratio and is not affected by the weather, transition resistance or other factors [23]. However, this method is not applicable to wind power transmission lines without parallel resistance. Another method was developed using the high-frequency component distortion rate of the faulted phase voltage to determine the arc-quenching moment of the fault [24]. However, the existence of the shunt reactor makes the recovery voltage lower, and the measurement accuracy of the engineering is not enough to ensure its reliability. Wang et al. proposed injecting low currents into the wind farm transmission line through the wind turbine grid-side converter and using the current integral feature to construct the fault nature criterion [25]. But, this method cannot recognize non-injected phase ground faults and requires multiple injections. Lin et al. proposed a method based on the recovery voltage of the fault phase in parallel transmission lines with shunt reactors. This method is effective in identifying permanent cross-line ungrounded faults [26]. Owing to the coupled voltage, a high-frequency component occurs between the faulted and sound phases. The scheme identifies the fault according to the variation in the nature of the fault. It is difficult to derive the exact difference due to various factors in the transmission line. Another method was proposed to accurately distinguish transient and permanent ground faults according to the difference in the amplitudes of the fault point voltage in parallel lines [27] However, this method is ineffective in determining the nature of cross-wire ungrounded faults. Furthermore, an algorithm based on the adaptive cumulative sum method (ACUSUM) was developed to determine the nature of the fault in accordance with the sequence of the voltage amplitude changes during the fault process, but it uses a sinusoidal waveform as the reference signal, which could lead to inaccurate identification results [22]. Recently, a quasi-two-phase tripping strategy was proposed. It is able to determine the fault nature according to the reactive power characteristics before and after the arc quenching of the faulted phase, whereas the introduction of negative sequence components into the system caused by the two-phase operation lowers the operational stability of the system [28].
To solve the abovementioned problems, an adaptive reclosing scheme is proposed in this paper for identifying the cross-line faults on double-circuit wind power outgoing lines with shunt reactors is proposed in this paper. It consists of a novel optimized tripping strategy based on a quasi-three-phase operation mode and criteria that are capable of avoiding the impact of negative sequence currents on wind farms (clusters), identifying the nature of cross-line grounded faults and ungrounded faults.
The following contents of this paper are arranged as follows: Section 2 introduces the new tripping strategy. In Section 3, detailed analyses of the fault phase shunt reactor current and fault phase voltage are presented, and the fault nature criteria are proposed. Section 4 describes the proposed adaptive reclosing method. The PSCAD/EMTDC simulation system and the relevant results are discussed and explained in Section 5. Finally, the main conclusions of the present study are summarized.

2. New Reclosing Action Method

Below are the problems arising from the method of automatic reclosing for double-circuit wind power outgoing lines in practice:
(1) Configuring each of the two circuit lines using a single-phase recloser. After single-phase tripping of the wind power transmission line, due to the asymmetry of the three-phase system, a large number of negative sequence currents will be injected into the wind farm (group) [22,23], causing mechanical damage, aggravating the heating of the stator and rotor windings, and affecting the stability of its grid-connected operation.
(2) When a three-phase reclosing method [25] or the quasi-three-phase tripping strategy is applied (the quasi-three-phase operation mode is to form a single transmission line with three sound phases of different names in case of a faulty double-circuit line), when all of a circuit is tripped (e.g., IAIBICG fault), the three-phase balance of the reserved phases is unfavorable to identifying the nature of the fault, even though the impact of negative sequence currents is avoided. In addition, when the quasi-three-phase tripping strategy is adopted in the case of some cross-line ungrounded faults, such as the IABIIBC fault, all phases of the double-circuit transmission line will trip.
Figure 1 shows the outgoing lines of wind power with a simplified pattern of wiring. In this condition, the following measures are proposed for improvement. Firstly, when a fault occurs, the three heteronymous phases are retained to form a single transmission line, and when a cross-line ungrounded fault occurs, there is a pair of fault phases with the same name, one of which is tripped to isolate the fault in the same phase, thus reducing the types of faults that cause all six phases of the transmission line to trip and improving the stability of the regional grid. The injection of negative sequence currents into the wind farm (cluster) is avoided while the fault is isolated. Secondly, full consideration of the fault for the transient nature of the fault point to go away time, after a certain delay in tripping, reclosing line system side (N side) part of the phase. The phase-to-phase coupling circuit is established, even if the closure of the permanent fault but because the faulty circuit is not formed, no secondary shocks are induced to the system, while sufficient coupled electrical quantities are provided to accurately identify the nature of the fault.
The novel tripping strategy is detailed as follows:
(1) When the fault type contains no homonymous faulty phase, three sound heteronymous phases are retained.
(2) Regarding cross-line grounded faults, when a pair of fault phases with the same name exists in the fault type, all phases are tripped. As for cross-line ungrounded faults, when a pair of fault phases with the same name exists in the fault type, one of them is retained, and the other one is tripped to isolate the fault. Three phases with different names are retained.
(3) When the fault type contains two pairs of fault phases with the same name, all phases are tripped.
Notably, the tripping and reclosing of N side circuit breaker are performed sequentially according to the priority of circuit line I over circuit line 2. Given the same circuit line, the phase reclosing is conducted with priority given to phase A over phase B. The circuit breaker’s way of action is shown in Table 1.

3. Analysis of the Nature of Cross-Line Faults

3.1. Analysis of the Nature of Cross-Line Grounded Faults

3.1.1. Analysis of Transient Faults

When a ground fault occurs in the line with the shunt reactor, from tripping of the circuit breaker to arc extinction, arc resistance grounding enables a fast release of the energy stored in the fault phase to ground capacitance and the inductance to ground. The arc current is zeroed when the fault arc is extinguished. At this time, it can be considered that the capacitance to the ground and the inductance to the ground energy are limited or even close to zero. During the recovery voltage phase, only through the phase-to-phase capacitance and phase-to-phase inductance is the initial energy stored.
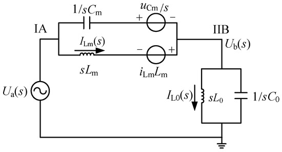
Take the IAIIB cross-line ground fault as an example, at the N side closes, the IA phase circuit breaker is closed. Figure 2 shows its transient faulty complex frequency domain equivalent circuit diagram. Both line self-impedance and phase-to-phase mutual impedance are ignored from the analysis due to their much smaller values compared to the line capacitive resistance and inductive resistance.
In Figure 2, Ua(s) and Ub(s) represent the voltages of the closing and fault phases, respectively; uCm indicates the initial energy storage voltage of phase-to-phase capacitance; iLm denotes the initial energy storage current of phase-to-phase equivalent inductance; L0 refers to the neutral small inductance of shunt reactor converted to ground equivalent inductance; Lm indicates the inductance of shunt reactor converted to phase-to-phase equivalent inductance; and C0 and Cm refer to the line capacitance to ground and the phase-to-phase capacitance, respectively. Since the spacing value varies insignificantly between the 6 phases of the double-circuit transmission line, the capacitance between these phases is comparable to that between the two lines. Therefore, they are considered equal to facilitate analysis.
Write the loop equations according to Figure 2, where the Laplace for the terminal voltage of the faulted phase IIB is expressed as follows:
U b ( s ) = L m L 0 C m s 2 + L 0 L m L 0 ( C m + C 0 ) s 2 + L m + L 0 U a ( s ) + L m L 0 C m u C m s + L m L 0 i Lm L m L 0 ( C m + C 0 ) s 2 + L m + L 0
The fault phase IIB shunt reactor current is as follows:
I LIIB ( s ) = L m C m L 0 C 0 s U a ( s ) L m L 0 C m + C 0 s 2 + L 0 + L m + L 0 + L m i Lm C m u Cm s s L m L 0 C m + C 0 s 2 + L 0 + L m i Lm s
With the phase angle set to 0°, it is found that U ˙ a t = U m sin ω 1 t , where Um indicates the voltage amplitude of the IA phase, and ω1 denotes the power frequency angular frequency, which is Laplace transformed. After its Laplace transformed posterior is substituted into Equation (2), the Laplace inversion of Equation (2) is performed. Thus, the time domain expression of the fault phase IIB shunt reactor current is expressed as
I ˙ LIIB ( t ) = ω 1 C m U m cos ω 1 t A sin ( ω 2 t + α )
According to Equation (2), the faulty phase shunt reactor current has a sinusoidal periodic component of a different frequency and an industrial frequency component. The angular frequency ω2 of this component is expressed as
ω 2 = L 0 + L m L m L 0 C m + C 0
In Equation (3):
A = ω 2 C m u Cm 2 + ω 1 C m U m + i Lm 2 α = arctan ω 1 U m + i Lm ω 2 u Cm
It can be seen from Equation (3) that the N-side circuit breaker of phase IA is closed in case of transient IAIIB two-phase cross-line ground fault, and the faulty phase IIB-phase shunt reactor current is expressed as the superposition of the power frequency quantity and the periodic component of the angular frequency ω2.

3.1.2. Analysis of Permanent Faults

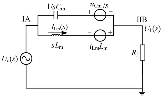
The IAIIB cross-line ground fault complex frequency domain equivalent circuit that exists in case of permanent fault is shown in Figure 3, where Rf indicates the ground transition resistance.
Writing the loop equations according to Figure 3, the Laplace for the terminal voltage of the faulted phase IIB is expressed as follows:
U b ( s ) = L m R f i Lm L m C m R f u Cm s C m L m R f s 2 + L m s + R f + C m L m R f s 2 + R f C m L m R f s 2 + L m s + R f U a ( s )
The fault phase IIB shunt reactor current is expressed as follows:
I LIIB ( s ) = U a ( s ) + C m R f u Cm + L m i Lm C m L m R f s 2 + L m s + R f + C m L m R f i Lm s C m L m R f s 2 + L m s + R f
With the phase angle set to 0°, it is found that U ˙ a t = U m sin ω 1 t . It is Laplace transformed. After its Laplace transformed posterior is substituted into Equation (7), the Laplace inversion of Equation (7) is performed. Thus, the time domain of the fault phase IIB shunt reactor current is expressed as
I ˙ LIIB ( t ) = ω 1 U m a b sin ( ω 1 t + φ b ) ω 1 ω 1 2 + b 2 sin ( ω 1 t + φ a ) ω 1 ω 1 2 + a 2 + e a t a b ω 1 U m ω 1 2 + a 2 a 2 R f L m C m i Lm + c + e b t a b ω 1 U m ω 1 2 + b 2 b R f L m C m i Lm 4 + c
In Equation (8):
φ a = arctan ( ω 1 a ) φ b = arctan ( ω 1 b ) a = L m + L m 2 4 C m L m R 2 2 C m L m R b = L m L m 2 4 C m L m R 2 2 C m L m R c = R f C m u Cm + L m i Lm
From Equations (8) and (9), it can be seen that the fault phase IIB-phase shunt reactor current is the superposition of the power frequency component and the attenuation of the direct current component in the presence of permanent IAIIB two-phase cross-line ground fault. Additionally, there is a greater impact caused by the attenuation of the direct current component of the speed of decay by the magnitude of the ground-fault resistance.

3.2. Analysis of the Nature of Cross-Line Ungrounded Faults

When an IAIIB cross-line fault occurs, the faulty phases are tripped under the novel tripping strategy. Furthermore, its voltage is analyzed by reclosing the IA phase N side circuit breaker after a certain delay.
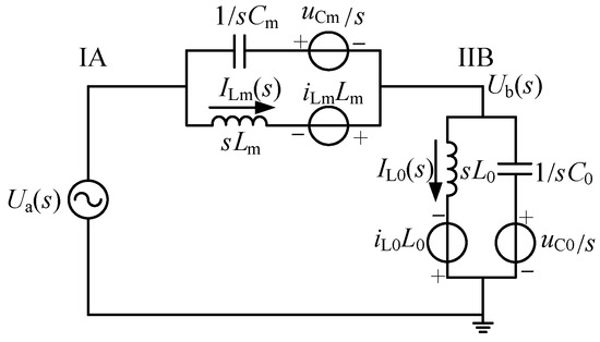
The transient IAIIB cross-line fault equivalent circuit is illustrated in Figure 4.
In Figure 4, Ua(s) and Ub(s) represent the voltages of the closing and fault phases, respectively; uCm indicates the instantaneous voltage of IAIIB inter-phase capacitance at the time of N-side closing; iLm denotes the instantaneous current of IAIIB inter-phase equivalent inductance at the time of N-side closing; uC0 refers to the instantaneous voltage of IIB relative ground capacitance at the time of N-side closing; and iL0 stands for the instantaneous current of IIB relative ground inductance at the time of IA-phase closing.
When writing the loop equations according to Figure 4, the Laplace for the terminal voltage of the faulted phase IIB is expressed as follows:
U b ( s ) = L m L 0 C m s 2 + L 0 L m L 0 ( C m + C 0 ) s 2 + L m + L 0 U a ( s ) + L m L 0 C 0 u C 0 C m u Cm s + L m L 0 i Lm i L 0 L m L 0 ( C m + C 0 ) s 2 + L m + L 0
The arc is usually extinguished when the fault point current approaches the zero axis most. Due to the impact of the DC component in the reactor, the extinction of the arc usually occurs at the phase angle of nearly 0°. With the phase angle set to 0°, it is found that U ˙ a t = U m sin ω 1 t , where Um represents the voltage amplitude of the IA phase and ω1 refers to the power frequency angular frequency, which is Laplace transformed. After its Laplace transformed posterior is substituted into Equation (10), the Laplace inversion of Equation (10) is performed. Thus, the time domain of the fault phase IIB voltage is expressed as
U ˙ b t = ω 1 C m ω 2 C m + C 0 U m sin ω 2 t + M sin ω 2 t + φ m M = C 0 u C 0 C m u Cm C m + C 0 1 ω 2 ω 2 2 + i Lm i L 0 C 0 u C 0 C m u Cm 2
where ω2 is the free frequency component
ω 2 = L m + L 0 L m L 0 C m + C 0
The difference in the voltages of the IA and IIB phases can be expressed as
U ˙ ab t = U m sin ω 1 t + U fb sin ω 2 t + φ fb
where Ufb and φfb represent the free component amplitude and its initial phase angle, respectively. According to Equation (13), a short-circuit fault does not occur in IA or IIB phases. Given the closed N-side circuit breaker of phase IA, the voltage difference between IA and IIB phases is expressed as the superposition of the power frequency quantity and the periodic component of the angular frequency ω2.
When the nature of the fault is permanent, the IA and IIB phases are continuously connected by the transition resistance. Therefore, the inter-phase transition resistance is only tens of ohms. In this case, the voltage of the reclosed phase IA is the same as that of the fault phase IIB. Additionally, the root mean square (RMS) of the voltage difference between the two phases is close to zero.

3.3. Fault Nature Criterion

3.3.1. Grounded Fault Nature Criterion

In the presence of cross-line ground faults, the effect of the neutral point of small reactance causes the low fault phase capacitive coupling voltage, which affects the accuracy of measurement. Therefore, for the cross-line ground faults with parallel resistor transmission lines, given the high accuracy of shunt reactor current measurement, the nature of the fault can be identified.
According to the previous analysis, the fault phase shunt reactor current is the superposition of the two periodic components of the work frequency and the free frequency when transient cross-line grounding faults occur on the line. Differently, when permanent faults occur, the current consists of the work frequency quantity and the attenuation direct current. In this paper, the criterion ignores the effect of the attenuated direct current component of the shunt reactor current, for which it is removed by a differential filter. Thus, the transient and permanent fault phase shunt reactor currents are respectively expressed as
I ˙ Lt ( t ) = I 1 sin ω 1 t + θ 1 + I 2 sin ω 2 t + θ 2
I ˙ Lp ( t ) = I 3 sin ω 1 t + θ 3
where I1 represents the amplitude of the work frequency current after the disappearance of transient fault; I2 indicates the amplitude of a sinusoidal current with angular frequency ω2 after the transient fault disappears; ω1 denotes the angular frequency of work frequency current; ω2 refers to the angular frequency of another sinusoidal current; θ1 and θ2 represent the initial phase angles of the two sinusoidal quantities; I3 indicates the amplitude of work frequency sinusoidal quantities when the fault exists; and θ3 stands for its initial phase angle.
As can be seen clearly from Equations (14) and (15), there are work frequency quantities in both equations, but Equation (14) contains free frequency sinusoidal quantities. Therefore, a differential grid method is proposed in this paper to extract the free components.
I ˙ Ldg ( t ) = I ˙ L ( t ) ω 1 + ω 1 I ˙ L ( t )
where I ˙ Ldg ( t ) represents the faulty-phase shunt reactor current after the differential grid method, and I ˙ L ( t ) denotes the second-order differential of the faulty-phase shunt reactor current.
Thus, the fault-phase shunt reactor current generated in the presence of transient and permanent faults after the differential grid method can be expressed respectively as
I ˙ Ldgt ( t ) = I 2 ω 1 2 ω 2 2 ω 1 sin ω 2 t + θ 2
I ˙ Ldgp ( t ) = 0
As shown in Equations (17) and (18), Equation (16) is applied to differential grid processing. Then, the fault phase shunt reactor current at the time of transient fault is a sinusoidal quantity with angular frequency ω2 and amplitude magnitude is I 2 ω 1 2 ω 4 2 / ω 1 . The fault phase shunt reactor current at permanent fault is zero, and for the first-order and second-order differentiation of the shunt reactor currents, it can be obtained by the difference method.
With the IAIIBG cross-line ground fault as an example, it is expressed as
I ˙ LIIB ( t ) = ω 1 C m U m cos ω 1 t A sin ( ω 2 t + α )
When the fault occurs furthest from the closing side, iLm = 0. Also, the free component amplitude is minimized. The free component is denoted as I ˙ 1 ( t ) , and expressed as
I ˙ LIIB ( t ) = ω 2 C m u Cm 2 + ω 1 C m U m 2 sin ( ω 2 t + α ) α = arctan ω 1 U m ω 2 u Cm
According to Equation (20), I ˙ 2 > ω 1 C m U m . Therefore, the amplitude of the free periodic component of the phase IIB shunt reactor current exceeds the working frequency quantity, and the minimum modulus of I ˙ Ldgt ( t ) is obtained as C m U m ω 1 2 ω 2 2 .
Further, with the above analysis, the differential grid method is applied to develop the fault nature criterion of the shunt reactor current mode magnitude. After line tripping, the N-side selection reclosing part of the phase, taking into account the filtering and fault phase shunt reactor current rise time, after one working frequency cycle, if the Formula (21) continues to be established within 0.03 s, then the nature of the cross-wire grounding fault is determined as transient.
I LdgRMS > I set
I set = K 1 I LdgtRMS . min
where ILdgRMS represents the faulty phase shunt reactor current after differential grid; Iset indicates the rectified value; ILdgtRMS.min denotes the minimum modulus after differential gridding of the faulty phase shunt reactor current for a transient fault; and K1 refers to the margin factor, which is set to 0.6 in this paper.

3.3.2. Ungrounded Fault Nature Criterion

As for cross-line ungrounded faults, the inter-phase impedance is approximately infinite due to the compensation effect of the shunt complement on the inter-phase capacitance. Therefore, in the absence of a short-circuit fault between the phases, the voltage difference between the two phases is sufficient to facilitate the measurement. Under this circumstance, the characteristics of the voltage difference between the two fault phases can be referenced to identify the nature of the fault when a line-to-line fault occurs to the double-circuit transmission line with a shunt reactor. According to the previous analysis, the RMS value of the voltage difference between the fault phase and the closed phase is the superposition of the free component, and the power frequency quantity after the short-circuit fault between the two phases disappears.
With IAIIB line-to-line fault as an example, the maximum modal value of the voltage difference between IA and IIB phases is expressed as Um + Ufb, which meets the following inequality (23):
U ˙ ab max > U m
After the arc becomes extinct due to a transient fault, the voltage difference amplitude between the faulty phase and the closed phase exceeds the voltage amplitude of the closed phase, while the voltage difference between the two phases approaches zero in case of a permanent fault. Therefore, the nature of the fault can be determined by taking into account the time taken by voltage increase. After the N-side circuit breaker is closed for one power frequency cycle, a transient fault can be determined if inequality (24) holds for 0.03 s.
U ε RMS > U set
U set = K 2 U ε RMS
where UεRMS represents the RMS value of the voltage difference between the fault phase and the closing phase in the case of a line-to-line un-grounding fault; UδRMS indicates the RMS value of the closing phase voltage; Uset refers to the rectified voltage threshold for line-to-line ungrounded fault; K2 is the margin factor, whose value is set to the range of 0.3~0.5. This avoids misjudgment in case of permanent failure.

4. An Adaptive Reclosing Method

The process of applying the proposed adaptive reclosing method is presented in Figure 5. In brief, it is described as follows:
(1) The lines are tripped, the timer is reset to zero (t = 0), and the timer starts.
(2) It is determined if line tripping is caused by human operation. If yes, then block the reclosing.
(3) In case of a cross-line fault on wind power outgoing lines, trip according to the tripping strategy.
(4) Considering the time taken to extinguish the fault arc and the insulation recovery, reclose the N-side circuit breaker of the partial phases after a delay of 0.5 s (t = 0.5 s) to provide the faulty phase with a coupled electrical quantity.
(5) Measure the shunt reactor differential grid current of the fault phase or RMS value of the fundamental voltage difference between the faulty phases.
(6) Determine the transient nature of the fault if all fault phases continuously meet the nature of the fault criterion in 0.03 s. System side to reclose all tripped phases after a delay of 0.1 s, synchronized closure of the wind farm side (simultaneous determination of the voltage on both sides of the circuit breaker on the wind farm side, if the voltage amplitude difference and phase angle difference are within the permissible range, and then reclosing the circuit breaker).
(7) In the presence of faulty phases that do not satisfy the fault nature criterion within the maximum reclosing time of 1.5 s, the fault is treated as a permanent fault or transient fault without arc extinction. The transmission lines in quasi-three-phase operation are maintained without reclosing them until the lines are served. If the lines do not satisfy quasi-three-phase operation, the two circuits are disconnected.

5. Simulation Verification

To verify the proposed intelligent tripping and closing strategy, a 330 kV double-circuit wind power outgoing lines model was established using the PSCAD/EMTDC simulation software. The parameters of the unit length line are listed in Table 2.
The simulation is conducted with the following settings: Moment of fault occurrence as 2.50 s, trip phase initial time of 2.55 s, transient fault duration of 0.3 s, infinite duration of permanent fault, close of the N side circuit breaker of the closing phase at 3.05 s, transition resistances of 0 and 10 Ω (considering the generally low transition resistance between phases), grounded transition resistance takes the values of 0 Ω and 150 Ω, respectively, shunt reactor compensation degree of 0.7, and fault locations at the first end, midpoint, and end of the line (0%, 50%, 100% line length). Simulation verification of single-phase ground faults, IAIIBG two-phase cross-connect ground faults, and IA and IIB two-phase cross-line ungrounded faults.

5.1. Simulation Validation of Grounded Fault Nature Criterion

The simulation results of transient and permanent single-phase ground faults are shown in Figure 6 and Figure 7, respectively.
The simulation results of transient and permanent IAIIBG two-phase cross-line grounded faults are shown in Figure 8 and Figure 9, respectively.
The findings from Figure 6, Figure 7, Figure 8 and Figure 9 are as follows:
The line in the occurrence of a ground fault, on the N side after closing part of the phases of the circuit breaker, if the fault has disappeared; the fault phase shunt reactor differential grid current is far more than the value of the rectified current and the maintenance time is greater than 0.03 s; such as the fault still exists, the current is also far less than the value of the rectification. The identification of faults is slightly affected by where the faults are located. However, the final result is unaffected.
The fault nature criterion proposed in this paper can be used to determine whether a fault occurs. Even though the fault occurs at different locations on the line, this criterion remains applicable to determine the nature of the fault accurately.

5.2. Simulation Validation of Ungrounded Fault Nature Criterion

The simulation results of IA and IIB two-phase cross-line ungrounded faults are shown in Figure 10 and Figure 11, respectively.
The findings from Figure 10 and Figure 11 are as follows:
In case a permanent fault occurs after the N-side circuit breaker of phase IA is reclosed, the RMS value of the voltage difference between two faulty phases is obviously smaller than the rectified value. When the transition resistance is 0 or 10 Ω, there is little or no effect on the identification of fault nature. When a transient fault occurs, the RMS value of the voltage difference between the two faulty phases exceeds the rectification value after one power frequency cycle, and the maintenance time exceeds 0.03 s.
Regardless of whether the location of the fault is at the front, middle or back of the line and the size of the transition resistance between phases, the fault nature criterion proposed in this paper is always applicable to determine the nature of the fault rapidly and accurately.

5.3. Simulation Verification of Closing Strategy

When a transient IAIIBG cross-line grounded fault occurs, the tripped phase is subjected to synchronized closure at 3.2 s to restore full-phase operation of the line. Figure 12 and Figure 13 show the voltage and current waveforms after the full-phase operation resumes, respectively.
After the full-phase operation is restored, the three-phase voltage returns to the rated value rapidly, and the closing moment produces an inrush current, whose value is within the maximum allowable range. By applying the adaptive reclosing method proposed in this paper, it can be ensured that the wind power outgoing line restores the power supply as soon as possible after the arc is extinguished due to the fault. Thus, improving the reliability of the grid-connected operation is improved for the wind farm.
In the event of a line fault, the reserved phases become three-phase symmetric. The adaptive reclosing scheme proposed in this paper can be applied to avoid the injection of negative sequence currents into wind turbines. Meanwhile, the success rate of reclosing wind power outgoing lines is improved and the continuity of power transmission to the wind farm(s) is ensured. Therefore, the method can be used for all double-circuit wind power outgoing lines. It imposes no constraints on any of the wind turbines during operation.

6. Conclusions

In this paper, an adaptive reclosing scheme is proposed for cross-line faults on double-circuit wind power outgoing lines with shunt reactors. Through theoretical analysis and simulation verification, the following conclusions are drawn:
(1) The novel tripping strategy can be adopted to reduce the number of fault types of faults that cause the line six-phase tripping, improve the continuity of line power supply and the stability of regional grid security operation, and ensure the sufficient coupling electrical quantity required to identify the nature of the fault while avoiding injecting negative sequence currents into the wind farm (cluster).
(2) The proposed criterion can be applied to identify the fault nature quickly and accurately without the influence of transition resistance. Although the identification of faults is slightly affected by the location of the faults, the final result is unaffected. For transient faults, their identification is unaffected by the location of fault and it is easy to collect the electrical quantity of the criterion.
(3) The quasi-three-phase operation can be maintained for hours. The proposed adaptive reclosing scheme can be used to quickly identify the nature of transient faults and restore the full-phase operation. It also removes the need for manual wire patrol, shortens the interruption time of wind farms (clusters), lowers the cost of grid-connected operation of wind farms, and enhances the continuity of power supply. As for permanent faults, the system is protected from the secondary impacts caused by reclosing in the presence of a fault, and more time is allowed for repair to ensure the continuity of the power supply.

Author Contributions

Methodology, S.H. and C.X.; Validation, S.H.; Formal Analysis, C.X. and C.Y.; Investigation S.H. All authors have read and agreed to the published version of the manuscript.

Funding

This research was funded by the National Key R&D Program funded project (2021YFB1507001). The project number is 2021YFB1507001.

Data Availability Statement

The data presented in this study are available on request from the corresponding author. The data are not publicly available due to privacy.

Acknowledgments

Thanks are due to my supervisor, Chao Xie, for assistance with the paper and to Chunya Yin for valuable discussion.

Conflicts of Interest

The authors declare no conflicts of interest.

References

  1. Funabashi, T.; Otoguro, H.; Mizuma, Y.; Dube, L.; Ametani, A. Digital fault location for parallel double-circuit multi-terminal transmission lines. IEEE Trans. Power Del. 2000, 15, 531–537. [Google Scholar] [CrossRef]
  2. Apostolov, A.P.; Bronfeld, J.D.; Feltis, M.W. Intelligent reclosing for overdutied breakers. IEEE Trans. Power Del. 1995, 10, 153–158. [Google Scholar] [CrossRef]
  3. Kang, N.; Liao, Y. Double-Circuit Transmission-Line Fault Location Utilizing Synchronized Current Phasors. IEEE Trans. Power Del. 2013, 28, 1040–1047. [Google Scholar] [CrossRef]
  4. Jongepier, A.G.; van der Sluis, L. Adaptive distance protection of double-circuit lines using artificial neural networks. IEEE Trans. Power Del. 1997, 12, 97–105. [Google Scholar] [CrossRef]
  5. Mahamedi, B.; Zhu, J.G. Unsynchronized Fault Location Based on the Negative-Sequence Voltage Magnitude for Double-Circuit Transmission Lines. IEEE Trans. Power Del. 2014, 29, 1901–1908. [Google Scholar] [CrossRef]
  6. Zou, Y.; Chen, W.; Li, S.; Fang, H.; Chen, D. Quasi-three-phase and tripping and reclosing strategy of double-circuit transmission lines on the same tower. Autom. Electr. Power Syst. 2015, 39, 137–142. [Google Scholar]
  7. Li, S.; Chen, W.; Yin, X.; Chen, D.; Malik, O.P. Integrated transverse differential protection scheme for double-circuit lines on the same tower. IEEE Trans. Power Del. 2018, 33, 2161–2169. [Google Scholar] [CrossRef]
  8. Jamali, S.; Parham, A. New approach to adaptive single pole auto-reclosing of power transmission lines. IET Gener. Transmiss. Distrib. 2010, 4, 115–122. [Google Scholar] [CrossRef]
  9. Vogelsang, J.; Romeis, C.; Jaeger, J. Real-time adaption of dead time for single-phase autoreclosing. IEEE Trans. Power Del. 2016, 31, 1882–1890. [Google Scholar] [CrossRef]
  10. Shen, J.; Shu, Z.; Chen, J.; Lu, J.; Zhao, Q.; Zhu, X. Application of adaptive auto-reclosure in power system. Autom. Electr. Power Syst. 2018, 42, 152–156. [Google Scholar]
  11. Zadeh, M.R.D.; Rubeena, R. Communication-aided high-speed adaptive single-phase reclosing. IEEE Trans. Power Del. 2013, 28, 499–506. [Google Scholar] [CrossRef]
  12. Zhalefar, F.; Zadeh, M.R.D.; Sidhu, T.S. A high-speed adaptive single-phase reclosing technique based on local voltage phasors. IEEE Trans. Power Del. 2017, 32, 1203–1211. [Google Scholar] [CrossRef]
  13. Xu, K.; Zhang, Z.; Lai, Q.; Yin, X.; Liu, H.; Liu, W. Study on Three-Phase Reclosing Strategy Applicable to Tie Line of Photovoltaic Power Station. IEEE Access 2020, 8, 36997–37013. [Google Scholar] [CrossRef]
  14. Panasetsky, D.A.; Osak, A.B. On the problem of shunt reactor tripping during single-and three-phase auto-reclosing. In Proceedings of the IEEE Eindhoven PowerTech, Eindhoven, The Netherlands, 29 June–2 July 2015; pp. 1–6. [Google Scholar]
  15. Khan, W.A.; Bi, T.; Jia, K. A review of single phase adaptive auto-reclosing schemes for EHV transmission lines. Protection Control Modern Power Syst. 2019, 4, 18. [Google Scholar] [CrossRef]
  16. Jiaxing, N.; Baina, H.; Zhenzhen, W.; Jie, K. Algorithm for adaptive single-phase reclosure on shunt-reactor compensated extra high voltage transmission lines considering beat frequency oscillation. IET Gener. Transmiss. Distrib. 2018, 12, 3193–3200. [Google Scholar] [CrossRef]
  17. Gajare, S.; Pradhan, A.K. Synchrophasor-based intelligent autore-closing scheme for series compensated transmission lines. IEEE Trans. Power Del. 2017, 32, 2255–2262. [Google Scholar] [CrossRef]
  18. Rockefeller, G.D.; Wagner, C.L.; Linders, J.R.; Hicks, K.L.; Rizy, D.T. Adaptive transmission relaying concepts for improved performance. IEEE Trans. Power Del. 1988, PD–3, 1446–1458. [Google Scholar] [CrossRef]
  19. Frimpong, E.A.; Okyere, P.Y.; Anto, E.K. Adaptive single pole autoreclosure scheme based on wavelet transform and multilayer perceptron. J. Sci. Technol. 2010, 30, 102–110. [Google Scholar] [CrossRef][Green Version]
  20. Suonan, J.; Shao, W.; Song, G.; Jiao, Z. A Novel Single-Phase Adaptive Reclosure Scheme for Transmission Lines With Shunt Reactors. IEEE Trans. Power Del. 2009, 24, 545–551. [Google Scholar] [CrossRef]
  21. Zahlay, F.D.; Rao, K.S.R.; Ibrahim, T.B. A new intelligent auto-reclosing scheme using artificial neural network and Taguchi’s methodology. IEEE Trans. Ind. Appl. 2011, 47, 306–313. [Google Scholar] [CrossRef]
  22. Khodadadi, M.; Noori, M.R.; Shahrtash, S.M. A noncommunication adaptive single-pole autoreclosure scheme based on the ACUSUM algorithm. IEEE Trans. Power Del. 2013, 28, 2526–2533. [Google Scholar] [CrossRef]
  23. Xie, C.; Li, F. Online Parameter Determination Based Adaptive Single-Phase Reclosing Scheme for Wind-Powered Outgoing Lines with Shunt Reactors. IET Renew. Power Gener. 2019, 13, 1317–1328. [Google Scholar] [CrossRef]
  24. Xie, C.; Li, F. Adaptive Comprehensive Auto-Reclosing Scheme for Shunt Reactor-Compensated Transmission Lines. IEEE Trans. Power Del. 2020, 35, 2149–2158. [Google Scholar] [CrossRef]
  25. Wang, T.; Song, G.; Hussain, K.S.T. Three-Phase Adaptive Auto-Reclosing for Single Outgoing Line of Wind Farm Based on Active Detection from STATCOM. IEEE Trans. Power Del. 2020, 35, 1918–1927. [Google Scholar] [CrossRef]
  26. Lin, D.; Wang, H.; Lin, D.; He, B. An Adaptive Reclosure Scheme for Parallel Transmission Lines with Shunt Reactors. IEEE Trans. Power Del. 2015, 30, 2581–2589. [Google Scholar] [CrossRef]
  27. Li, B.; Li, Y. Intelligent control technology of tripping and reclosing for double-circuit transmission line on the same tower. In Proceedings of the Asia-Pacific Power and Energy Engineering Conference, Chengdu, China, 28–31 March 2010; pp. 1–5. [Google Scholar]
  28. Zhou, W.; Li, F.; Xie, C.; Wang, B.; Gong, L.; Yang, S. Adaptive Autoreclosing Scheme for Line-to-Line Nongrounded Faults on Double-Circuit Transmission Lines Based on Phase-to-Phase Reactive Power. IEEE Access 2020, 8, 144092–144104. [Google Scholar] [CrossRef]
Figure 1. Schematic diagram of the wind power outgoing lines.
Figure 1. Schematic diagram of the wind power outgoing lines.
Energies 17 01273 g001
Figure 2. Circuit diagram of transient two-phase cross-line grounded fault complex frequency domain.
Figure 2. Circuit diagram of transient two-phase cross-line grounded fault complex frequency domain.
Energies 17 01273 g002
Figure 3. Circuit diagram of permanent two-phase cross-line grounded fault complex frequency domain.
Figure 3. Circuit diagram of permanent two-phase cross-line grounded fault complex frequency domain.
Energies 17 01273 g003
Figure 4. Circuit diagram of transient two-phase cross-line ungrounded fault complex frequency domain.
Figure 4. Circuit diagram of transient two-phase cross-line ungrounded fault complex frequency domain.
Energies 17 01273 g004
Figure 5. Flowchart of the adaptive reclosing method.
Figure 5. Flowchart of the adaptive reclosing method.
Energies 17 01273 g005
Figure 6. Transition resistance is 0 Ω, the shunt reactor differential grid current of the fault phase at single-phase grounded fault. (a) Transient fault current; (b) permanent fault current.
Figure 6. Transition resistance is 0 Ω, the shunt reactor differential grid current of the fault phase at single-phase grounded fault. (a) Transient fault current; (b) permanent fault current.
Energies 17 01273 g006
Figure 7. Transition resistance is 150 Ω, the shunt reactor differential grid current of the fault phase at single-phase grounded fault. (a) Transient fault current; (b) permanent fault current.
Figure 7. Transition resistance is 150 Ω, the shunt reactor differential grid current of the fault phase at single-phase grounded fault. (a) Transient fault current; (b) permanent fault current.
Energies 17 01273 g007
Figure 8. Transition resistance is 0 Ω, the shunt reactor differential grid current of the fault phase IIB at two-phase cross-line grounded fault. (a) Transient fault current; (b) permanent fault current.
Figure 8. Transition resistance is 0 Ω, the shunt reactor differential grid current of the fault phase IIB at two-phase cross-line grounded fault. (a) Transient fault current; (b) permanent fault current.
Energies 17 01273 g008
Figure 9. Transition resistance is 150 Ω, the shunt reactor differential grid current of the fault phase IIB at two-phase cross-line grounded fault. (a) Transient fault current; (b) permanent fault current.
Figure 9. Transition resistance is 150 Ω, the shunt reactor differential grid current of the fault phase IIB at two-phase cross-line grounded fault. (a) Transient fault current; (b) permanent fault current.
Energies 17 01273 g009
Figure 10. Transition resistance is 0 Ω, RMS value of voltage difference between two fault phases.
Figure 10. Transition resistance is 0 Ω, RMS value of voltage difference between two fault phases.
Energies 17 01273 g010
Figure 11. Transition resistance is 10 Ω, RMS value of voltage difference between two fault phases.
Figure 11. Transition resistance is 10 Ω, RMS value of voltage difference between two fault phases.
Energies 17 01273 g011
Figure 12. Voltage waveform of the line for wind farm side in two-phase to ground fault. (a) I-Circuit three-phase voltage/kV; (b) II-Circuit three-phase voltage/kV.
Figure 12. Voltage waveform of the line for wind farm side in two-phase to ground fault. (a) I-Circuit three-phase voltage/kV; (b) II-Circuit three-phase voltage/kV.
Energies 17 01273 g012
Figure 13. Current waveform of the line for wind farm side in two-phase to ground fault. (a) I-Circuit three-phase current/kA; (b) II-Circuit three-phase current/kA.
Figure 13. Current waveform of the line for wind farm side in two-phase to ground fault. (a) I-Circuit three-phase current/kA; (b) II-Circuit three-phase current/kA.
Energies 17 01273 g013
Table 1. The way of each fault type trips and closes.
Table 1. The way of each fault type trips and closes.
Fault TypeTripping PhaseRetaining PhaseClosing Phase
IAGIA, IB, IC IIA, IIB, IICIB
IAIIBGIA, IIB, ICIIA, IIB, IICIA
IABIIBCGSix phasesØØ
IAIIBIA, IIB, ICIIA, IB, IICIA
IAIIBCIA, IIB, IICIB, IC, IIAIA, IIB
IAIIABIA, IIB, ICIIA, IB, IICIA
IAIIABCIA, IIB, IICIB, IC, IIAIA, IB
IABIIABCSix phasesØØ
Table 2. Contrast of quasi-three-phase tripping and improved tripping.
Table 2. Contrast of quasi-three-phase tripping and improved tripping.
Line ParametersNumerical Value
positive sequence resistance0.036 (Ω/km)
positive sequence inductive reactance0.509 (Ω/km)
positive sequence capacitive reactance0.306 (MΩ·km)
zero sequence resistance0.382 (Ω/km)
zero sequence inductive resistance1.259 (Ω/km)
zero sequence capacitive reactance0.429 (MΩ·km)
Disclaimer/Publisher’s Note: The statements, opinions and data contained in all publications are solely those of the individual author(s) and contributor(s) and not of MDPI and/or the editor(s). MDPI and/or the editor(s) disclaim responsibility for any injury to people or property resulting from any ideas, methods, instructions or products referred to in the content.

Share and Cite

MDPI and ACS Style

Hu, S.; Xie, C.; Yin, C. An Adaptive Reclosing Scheme for Cross-Line Faults on Double-Circuit Wind Power Outgoing Lines with Shunt Reactors. Energies 2024, 17, 1273. https://doi.org/10.3390/en17061273

AMA Style

Hu S, Xie C, Yin C. An Adaptive Reclosing Scheme for Cross-Line Faults on Double-Circuit Wind Power Outgoing Lines with Shunt Reactors. Energies. 2024; 17(6):1273. https://doi.org/10.3390/en17061273

Chicago/Turabian Style

Hu, Sen, Chao Xie, and Chunya Yin. 2024. "An Adaptive Reclosing Scheme for Cross-Line Faults on Double-Circuit Wind Power Outgoing Lines with Shunt Reactors" Energies 17, no. 6: 1273. https://doi.org/10.3390/en17061273

APA Style

Hu, S., Xie, C., & Yin, C. (2024). An Adaptive Reclosing Scheme for Cross-Line Faults on Double-Circuit Wind Power Outgoing Lines with Shunt Reactors. Energies, 17(6), 1273. https://doi.org/10.3390/en17061273

Note that from the first issue of 2016, this journal uses article numbers instead of page numbers. See further details here.

Article Metrics

Back to TopTop