Performance Analysis and Optimization of SOFC/GT Hybrid Systems: A Review
Abstract
1. Introduction
- Power output: According to the power output requirements, determine the size and performance of the main components of SOFC stack and GT.
- Fuel type: Considering the compatibility of the fuel system design with fuel cells and gas turbines, there are a variety of fuel options that can be used in place of hydrogen such as biomass, methane, kerosene, and ammonia.
- Heat recovery: To optimize the power plant’s total energy efficiency, incorporate heat recovery systems (such as heat exchangers) into the layout.
- Balance of plant components: Optimizing the placement of components such as fuel reformers, air compressors, heat exchangers, and power electronics to minimize energy losses and optimize system performance.
- Operating temperature: The operating temperature affects the power generation efficiency of the hybrid system, but higher temperature can cause damage to the system, so it is essential to choose a reasonable operating temperature.
- Operational flexibility: Designing the layout to allow for operational flexibility, such as adjusting power output, accommodating different load demands, and facilitating maintenance and repairs without impacting the overall operation of the power plant.
2. Overview of SOFC and GT Technologies
2.1. Brief Introduction of SOFC
2.2. Brief Introduction of GT
3. SOFC-GT Integrated Technology
3.1. Layout of SOFC/GT Hybrid System
3.2. SOFC/GT Systems That Are Powered by Fuels Other Than Natural Gas
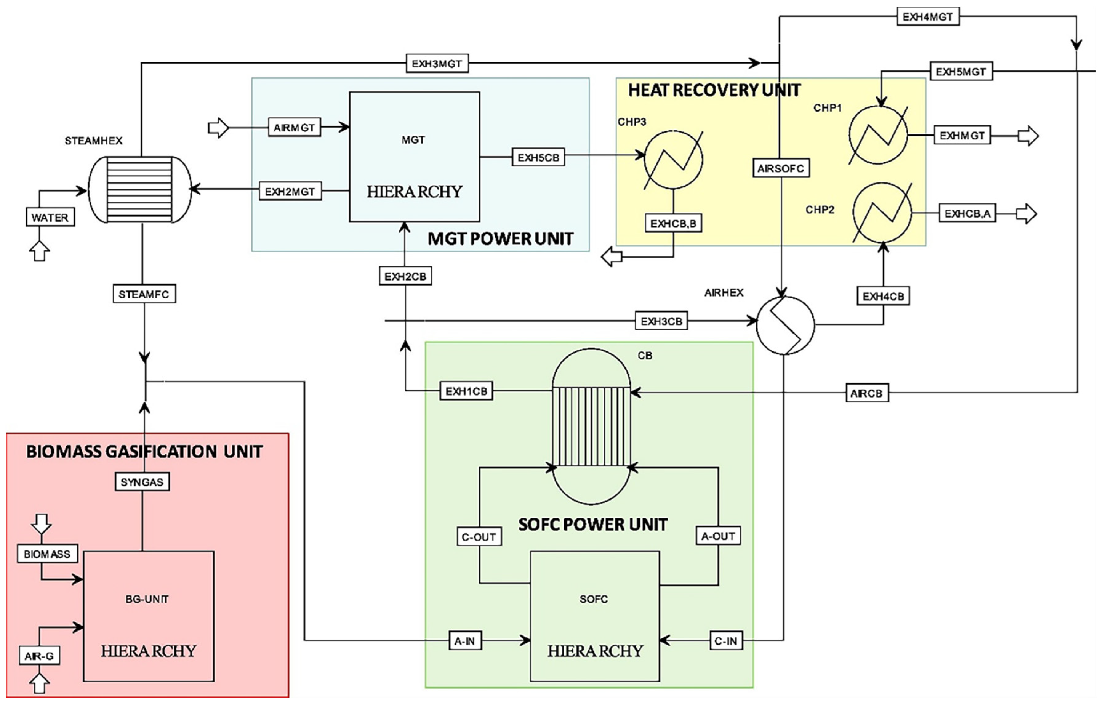
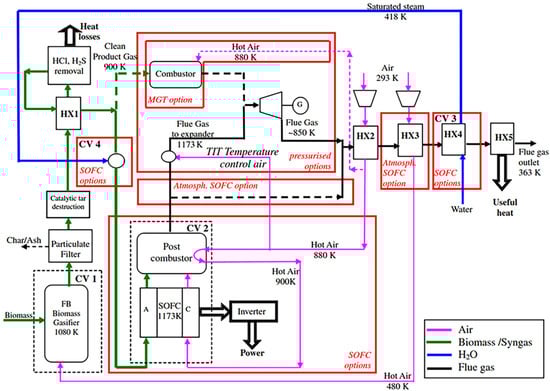
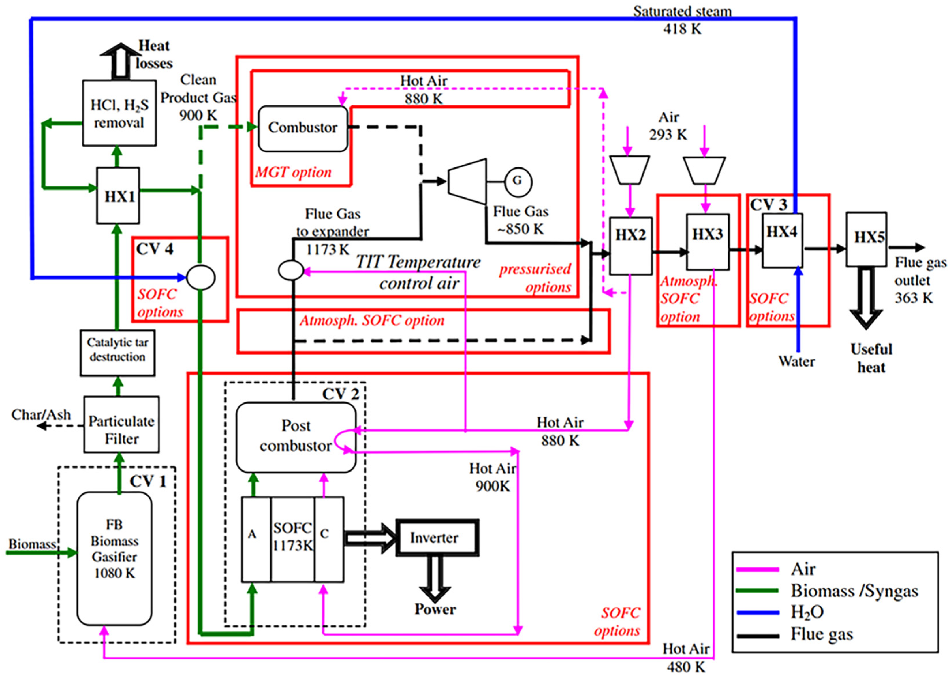
3.2.1. Alternative Fuels: Biomass
3.2.2. Alternative Fuels: Coal
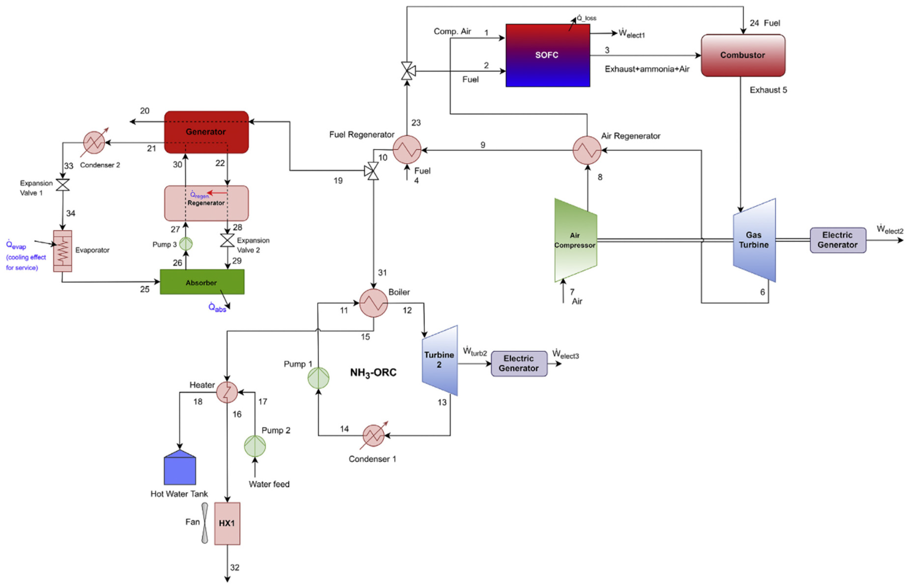
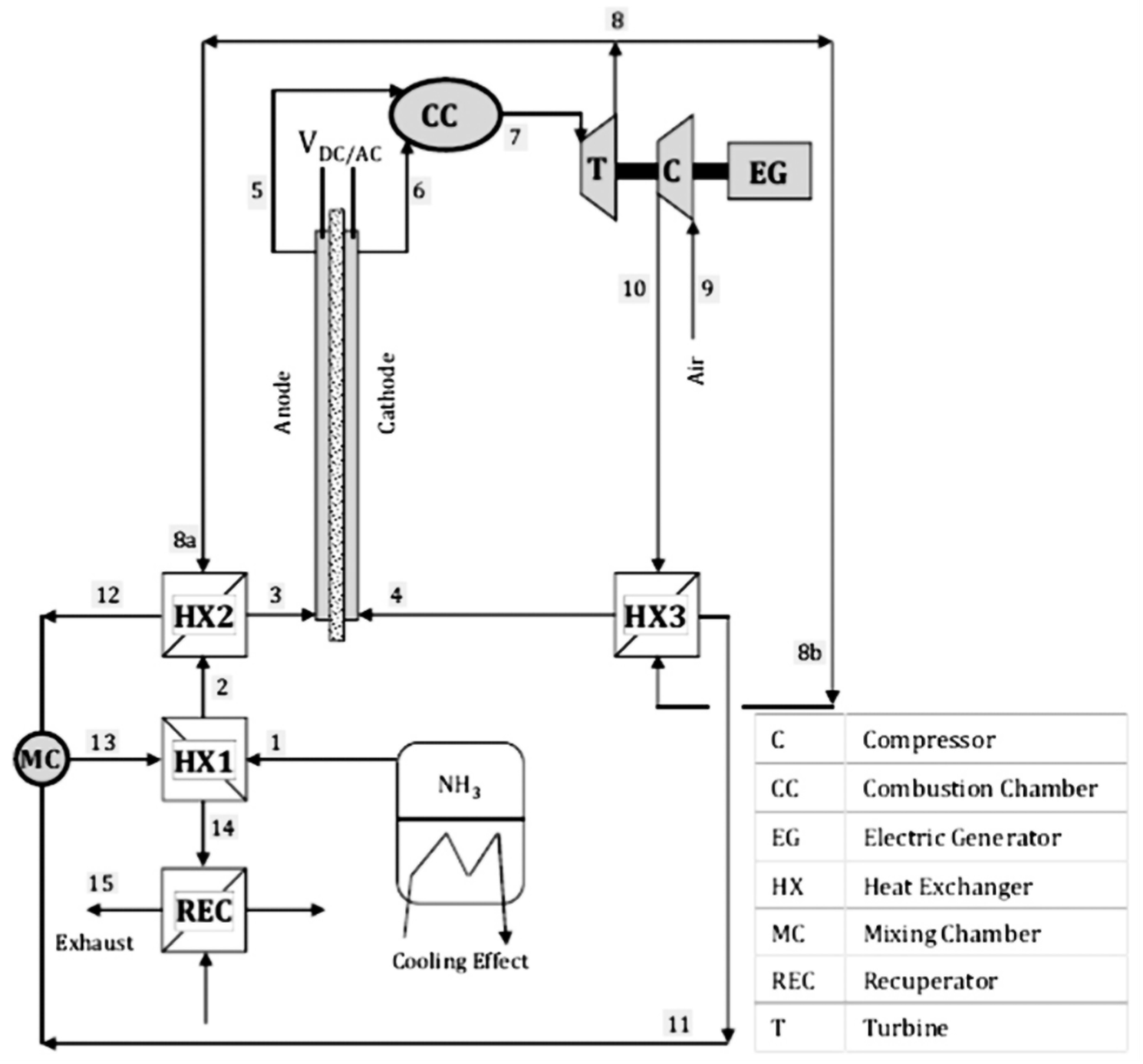
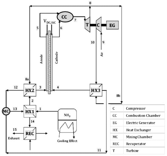
3.2.3. Alternative Fuels: Ammonia
- Energy Storage: Ammonia serves as a method for storing and transporting hydrogen, which can be extracted from the ammonia to produce power in fuel cells, positioning it as a potential energy carrier.
- Scalability: Compared to hydrogen, ammonia can be produced in large quantities, making it a scalable energy storage and transportation option.
- Versatility: Ammonia has a variety of uses, including as a fuel for internal combustion engines, fuel cells, and as a feedstock for the production of various chemicals.
- Safety: Ammonia boasts a high energy density and can be stored and transported with relative safety, making it a feasible option for energy storage and distribution.
3.3. Performance Analysis of the SOFC/MGT Hybrid System
4. Application of SOFC/GT Hybrid System
5. Conclusions
- (1)
- Most SOFC/GT power plants utilize a pressurized configuration, which enables higher conversion efficiencies and lower capital costs. However, this setup necessitates more complex and restricted operational management. When replacing a conventional gas burner of a Brayton cycle with a SOFC stack in this configuration, it further limits the possible operational range of the hybrid cycle.
- (2)
- In theory, SOFC/GT power plants have the potential to be fueled by a range of fuels beyond natural gas. Of particular interest is the potential to use gasified biomass to fuel SOFC/GT systems, thereby integrating the use of a renewable energy source. In addition, ammonia as an alternative fuel improves the efficiency of SOFC-GT hybrid systems, increases renewability, and has high supply stability and security.
- (3)
- The SOFC/MGT hybrid system is a promising technology for power generation. It combines the high efficiency of SOFC with the flexibility and reliability of MGT. This system has the potential to provide clean and efficient power generation for various applications. However, further research and development are needed to optimize the performance and cost-effectiveness of the SOFC/MGT hybrid system. Overall, this technology shows great promise for the future of power generation.
- (4)
- SOFC/GT hybrid systems have a wide range of applications in various industries. Additionally, they are also used in distributed power generation for industrial and commercial facilities. The high efficiency and low emissions of SOFC/GT systems make them an attractive option for energy production in environmentally sensitive areas. Furthermore, these systems are increasingly being utilized in the transportation sector for auxiliary power units in ships and aircraft. Overall, the versatility and reliability of SOFC/GT hybrid systems make them a valuable asset in a variety of application areas.
6. Challenges and Prospects of SOFC/GT Technology
Funding
Data Availability Statement
Conflicts of Interest
References
- Sun, Z.; Pan, J.; Chen, W.; Chen, H.; Zhou, S.; Wu, X.; Wang, Y.; Kim, K.; Li, J.; Liu, H.; et al. Electrochemical Processes and Reactions In Rechargeable Battery Materials Revealed via In Situ Transmission Electron Microscopy. Adv. Energy Mater. 2023, 14, 2303165. [Google Scholar] [CrossRef]
- Wang, H.; Wang, Q.; Cao, X.; He, Y.; Wu, K.; Yang, J.; Zhou, H.; Liu, W.; Sun, X. Thiol-Branched Solid Polymer Electrolyte Featuring High Strength, Toughness, and Lithium Ionic Conductivity for Lithium-Metal Batteries. Adv. Mater. 2020, 32, 2001259. [Google Scholar] [CrossRef] [PubMed]
- Wang, Q.; Yang, C.; Yang, J.; Wu, K.; Qi, L.; Tang, H.; Zhang, Z.; Liu, W.; Zhou, H. Stable Li metal anode with protected interface for high-performance Li metal batteries. Energy Storage Mater. 2018, 15, 249–256. [Google Scholar] [CrossRef]
- Wei, T.; Wang, Z.; Zhang, M.; Zhang, Q.; Lu, J.; Zhou, Y.; Sun, C.; Yu, Z.; Wang, Y.; Qiao, M.; et al. Activated metal-organic frameworks (a-MIL-100 (Fe)) as fillers in polymer electrolyte for high-performance all-solid-state lithium metal batteries. Mater. Today Commun. 2022, 31, 103518. [Google Scholar] [CrossRef]
- Wang, Q.; Yang, C.; Yang, J.; Wu, K.; Hu, C.; Lu, J.; Liu, W.; Sun, X.; Qiu, J.; Zhou, H. Dendrite-Free Lithium Deposition via a Superfilling Mechanism for High-Performance Li-Metal Batteries. Adv. Mater. 2019, 31, e1903248. [Google Scholar] [CrossRef] [PubMed]
- Liu, Z.; Liu, X.; Wang, B.; Wang, X.; Lu, D.; Shen, D.; Sun, Z.; Liu, Y.; Zhang, W.; Zhang, Q.; et al. Ultra-thick, dense dual-encapsulated Sb anode architecture with conductively elastic networks promises potassium-ion batteries with high areal and volumetric capacities. eScience 2023, 3, 100177. [Google Scholar] [CrossRef]
- Xiong, Q.; Li, X.; Zhou, M.; Chen, R.; Sun, C.; Zhou, Y.; Wang, S.; Qiu, X.; Song, M.; Wei, T. One-pot hydrothermal synthesis of flower-shaped Zif-67@NiCo-LDH heterostructure as anode materials for lithium-ion batteries. Ionics 2023, 29, 1741–1749. [Google Scholar] [CrossRef]
- Zhang, Q.; Wang, S.; Liu, Y.; Wang, M.; Chen, R.; Zhu, Z.; Qiu, X.; Xu, S.; Wei, T. UiO-66-NH2@67 Core-shell MOF as Fillers in Solid Composite Electrolytes for High-Performance All-Solid-State Lithium Metal Batteries. Energy Technol. 2023, 11, 2201438. [Google Scholar] [CrossRef]
- Lu, J.; Wang, Z.; Zhang, Q.; Sun, C.; Zhou, Y.; Wang, S.; Qiu, X.; Xu, S.; Chen, R.; Wei, T. The effects of amino groups and open metal sites of MOFs on polymer-based electrolytes for all-solid-state lithium metal batteries. Chin. J. Chem. Eng. 2023, 60, 80–89. [Google Scholar] [CrossRef]
- Zhang, Q.; Wei, T.; Lu, J.; Sun, C.; Zhou, Y.; Wang, M.; Liu, Y.; Xiao, B.; Qiu, X.; Xu, S. The effects of PVB additives in MOFs-based solid composite electrolytes for all-solid-state lithium metal batteries. J. Electroanal. Chem. 2022, 926, 116935. [Google Scholar] [CrossRef]
- Wei, T.; Zhang, Q.; Wang, S.; Wang, M.; Liu, Y.; Sun, C.; Zhou, Y.; Huang, Q.; Qiu, X.; Tian, F. A gel polymer electrolyte with IL@UiO-66-NH2 as fillers for high-performance all-solid-state lithium metal batteries. Int. J. Miner. Metall. Mater. 2023, 30, 1897–1905. [Google Scholar] [CrossRef]
- Wei, T.; Zhang, Z.H.; Wang, Z.M.; Zhang, Q.; Ye, Y.S.; Lu, J.H.; Rahman, Z.U.; Zhang, Z.W. Ultrathin Solid Composite Electrolyte Based on Li6.4La3Zr1.4Ta0.6O12/PVDF-HFP/LiTFSI/Succinonitrile for High-Performance Solid-State Lithium Metal Batteries. ACS Appl. Energy Mater. 2020, 3, 9428–9435. [Google Scholar] [CrossRef]
- Wei, T.; Zhang, Z.H.; Zhang, Q.; Lu, J.H.; Xiong, Q.M.; Wang, F.Y.; Zhou, X.P.; Zhao, W.J.; Qiu, X.Y. Anion-immobilized solid composite electrolytes based on metal-organic frameworks and superacid ZrO2 fillers for high-performance all solid-state lithium metal batteries. Int. J. Miner. Metall. Mater. 2021, 28, 1636–1646. [Google Scholar] [CrossRef]
- Wei, T.; Lu, J.; Wang, M.; Sun, C.; Zhang, Q.; Wang, S.; Zhou, Y.; Chen, D.; Lan, Y.-Q. MOF-Derived Materials Enabled Lithiophilic 3D Hosts for Lithium Metal Anode—A Review. Chin. J. Chem. 2023, 41, 1861–1874. [Google Scholar] [CrossRef]
- Wei, T.; Lu, J.; Zhang, P.; Yang, G.; Sun, C.; Zhou, Y.; Zhuang, Q.; Tang, Y. Metal-organic framework-derived Co3O4 modified nickel foam-based dendrite-free anode for robust lithium metal batteries. Chin. Chem. Lett. 2023, 34, 107947. [Google Scholar] [CrossRef]
- Wei, T.; Zhou, Y.; Sun, C.; Liu, L.; Wang, S.; Wang, M.; Liu, Y.; Huang, Q.; Zhuang, Q.; Tang, Y. Prestoring lithium into SnO2 coated 3D carbon fiber cloth framework as dendrite-free lithium metal anode. Particuology 2024, 84, 89–97. [Google Scholar] [CrossRef]
- Wang, Q.; Wan, J.; Cao, X.; Wen, R.; Guo, Y.; Liu, W.; Zhou, H. Organophosphorus Hybrid Solid Electrolyte Interphase Layer Based on LixPO4 Enables Uniform Lithium Deposition for High-Performance Lithium Metal Batteries. Adv. Funct. Mater. 2021, 32, 2107923. [Google Scholar] [CrossRef]
- Wei, T.; Lu, J.; Zhang, P.; Zhang, Q.; Yang, G.; Yang, R.; Chen, D.; Wang, Q.; Tang, Y. An intermittent lithium deposition model based on bimetallic MOFs derivatives for dendrite-free lithium anode with ultrahigh areal capacity. Chin. Chem. Lett. 2023, 109122. [Google Scholar] [CrossRef]
- Zhang, Z.-H.; Wei, T.; Lu, J.-H.; Xiong, Q.-M.; Ji, Y.-H.; Zhu, Z.-Y.; Zhang, L.-T. Practical development and challenges of garnet-structured Li7La3Zr2O12 electrolytes for all-solid-state lithium-ion batteries: A review. Int. J. Miner. Metall. Mater. 2021, 28, 1565–1583. [Google Scholar] [CrossRef]
- Barelli, L.; Bidini, G.; Ottaviano, A. Integration of SOFC/GT hybrid systems in Micro-Grids. Energy 2017, 118, 716–728. [Google Scholar] [CrossRef]
- Chen, J.; Li, Y.; Zhang, H.; Weng, S. Comparison of different fuel cell temperature control systems in an anode and cathode ejector-based SOFC-GT hybrid system. Energy Convers. Manag. 2021, 243, 114353. [Google Scholar] [CrossRef]
- Harun, N.F.; Tucker, D.; Adams, T.A. II, Technical challenges in operating an SOFC in fuel flexible gas turbine hybrid systems: Coupling effects of cathode air mass flow. Appl. Energy 2017, 190, 852–867. [Google Scholar] [CrossRef]
- Harvey, S.; Richter, H. A detailed study of a gas turbine cycle with an integrated internal reforming solid oxide fuel cell. In Proceedings of the Intersociety Energy Conversion Engineering Conference, Monterey, CA, USA, 7–12 August 1994. [Google Scholar] [CrossRef]
- Meng, Q.; Han, J.; Kong, L.; Liu, H.; Zhang, T.; Yu, Z. Thermodynamic analysis of combined power generation system based on SOFC/GT and transcritical carbon dioxide cycle. Int. J. Hydrogen Energy 2017, 42, 4673–4678. [Google Scholar] [CrossRef]
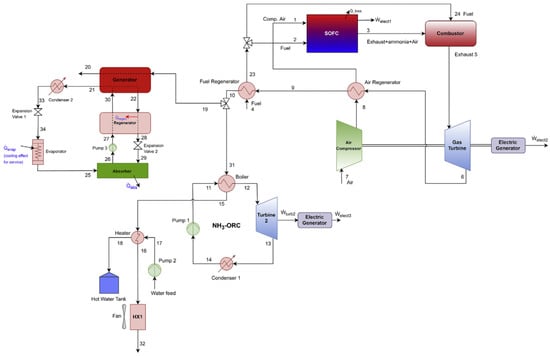
- Singh, O.; Singh, R. Thermodynamic evaluation of SOFC-GT hybrid power and cooling system. Energy Sources Part A Recovery Util. Environ. Eff. 2021, 43, 1975–1989. [Google Scholar] [CrossRef]
- Xia, M.; Yao, S.; Ying, C. Analysis and multi-objective optimization of SOFC/GT/SCO2 hybrid power system based on thermodynamics and economics. Appl. Therm. Eng. 2023, 232, 121033. [Google Scholar] [CrossRef]
- Behzadi, A.; Habibollahzade, A.; Zare, V.; Ashjaee, M. Multi-objective optimization of a hybrid biomass-based SOFC/GT/double effect absorption chiller/RO desalination system with CO2 recycle. Energy Convers. Manag. 2019, 181, 302–318. [Google Scholar] [CrossRef]
- Lei, Y.; Ye, S.; Xu, Y.; Kong, C.; Xu, C.; Chen, Y.; Huang, W.; Xiao, H. Multi-objective optimization and algorithm improvement on thermal coupling of SOFC-GT-ORC integrated system. Comput. Chem. Eng. 2022, 164, 107903. [Google Scholar] [CrossRef]
- Shamoushaki, M.; Ehyaei, M.A.; Ghanatir, F. Exergy, economic and environmental analysis and multi-objective optimization of a SOFC-GT power plant. Energy 2017, 134, 515–531. [Google Scholar] [CrossRef]
- Bao, C.; Shi, Y.; Li, C.; Cai, N.; Su, Q. Multi-level simulation platform of SOFC-GT hybrid generation system. Int. J. Hydrogen Energy 2010, 35, 2894–2899. [Google Scholar] [CrossRef]
- Huang, Y.; Turan, A. Fuel sensitivity and parametric optimization of SOFC—GT hybrid system operational characteristics. Therm. Sci. Eng. Prog. 2019, 14, 100407. [Google Scholar] [CrossRef]
- Lai, H.; Harun, N.F.; Tucker, D.; Adams, T.A., II. Design and eco-technoeconomic analyses of SOFC/GT hybrid systems accounting for long-term degradation effects. Int. J. Hydrogen Energy 2021, 46, 5612–5629, Correction in Int. J. Hydrogen Energy 2022, 47, 18530–18531. [Google Scholar] [CrossRef]
- Chen, J.; Sun, S.; Chen, Y.; Zhang, H.; Lu, Z. Study on Model Evolution Method Based on the Hybrid Modeling Technology With Support Vector Machine for an SOFC-GT System. J. Electrochem. Energy Convers. Storage 2023, 20, 011015. [Google Scholar] [CrossRef]
- Faleh, S.; Khir, T.; Ben Brahim, A. Energetic Performance Optimization of a SOFC-GT Hybrid Power Plant. Arab. J. Sci. Eng. 2017, 42, 1505–1515. [Google Scholar] [CrossRef]
- Sghaier, S.F.; Khir, T.; Ben Brahim, A. Energetic and exergetic parametric study of a SOFC-GT hybrid power plant. Int. J. Hydrogen Energy 2018, 43, 3542–3554. [Google Scholar] [CrossRef]
- Chen, J.; Li, J.; Zhou, D.; Zhang, H.; Weng, S. Control strategy design for a SOFC-GT hybrid system equipped with anode and cathode recirculation ejectors. Appl. Therm. Eng. 2018, 132, 67–79. [Google Scholar] [CrossRef]
- Chen, J.; Liang, M.; Zhang, H.; Weng, S. Study on control strategy for a SOFC-GT hybrid system with anode and cathode recirculation loops. Int. J. Hydrogen Energy 2017, 42, 29422–29432. [Google Scholar] [CrossRef]
- Waechter, C.; Lunderstaedt, R.; Joos, F. Using Linear Control Theory for Parameterization of a Controller for a SOFC/GT Hybrid Power Plant. J. Fuel Cell Sci. Technol. 2010, 7, 031003. [Google Scholar] [CrossRef]
- Wang, X.; Lv, X.; Mi, X.; Spataru, C.; Weng, Y. Coordinated control approach for load following operation of SOFC-GT hybrid system. Energy 2022, 248, 123548. [Google Scholar] [CrossRef]
- Wu, W.; Chen, S.-A.; Chiu, Y.-C. Design and Control of an SOFC/GT Hybrid Power Generation System with Low Carbon Emissions. Ind. Eng. Chem. Res. 2016, 55, 1281–1291. [Google Scholar] [CrossRef]
- Beigzadeh, M.; Pourfayaz, F.; Ghazvini, M.; Ahmadi, M.H. Energy and exergy analyses of solid oxide fuel cell-gas turbine hybrid systems fed by different renewable biofuels: A comparative study. J. Clean. Prod. 2021, 280, 124383. [Google Scholar] [CrossRef]
- Waters, D.F.; Pratt, L.M.; Cadou, C.P. Gas Turbine/Solid Oxide Fuel Cell Hybrids for Aircraft Propulsion and Power. J. Propuls. Power 2021, 37, 349–361. [Google Scholar] [CrossRef]
- Liu, Y.; Han, J.; You, H. Performance analysis of a CCHP system based on SOFC/GT/CO2 cycle and ORC with LNG cold energy utilization. Int. J. Hydrogen Energy 2019, 44, 29700–29710. [Google Scholar] [CrossRef]
- Fernandes, A.; Woudstra, T.; Aravind, P.V. System simulation and exergy analysis on the use of biomass-derived liquid-hydrogen for SOFC/GT powered aircraft. Int. J. Hydrogen Energy 2015, 40, 4683–4697, Correction in Int. J. Hydrogen Energy 2016, 41, 725–727. [Google Scholar] [CrossRef]
- Bao, C.; Wang, Y.; Feng, D.; Jiang, Z.; Zhang, X. Macroscopic modeling of solid oxide fuel cell (SOFC) and model-based control of SOFC and gas turbine hybrid system. Prog. Energy Combust. Sci. 2018, 66, 83–140. [Google Scholar] [CrossRef]
- Eisavi, B.; Chitsaz, A.; Hosseinpour, J.; Ranjbar, F. Thermo-environmental and economic comparison of three different arrangements of solid oxide fuel cell-gas turbine (SOFC-GT) hybrid systems. Energy Convers. Manag. 2018, 168, 343–356. [Google Scholar] [CrossRef]
- Yang, B.; Li, Y.; Li, J.; Shu, H.; Zhao, X.; Ren, Y.; Li, Q. Comprehensive summary of solid oxide fuel cell control: A state-of-the-art review. Prot. Control Mod. Power Syst. 2022, 7, 36. [Google Scholar] [CrossRef]
- Wongchanapai, S.; Iwai, H.; Saito, M.; Yoshida, H. Performance evaluation of a direct-biogas solid oxide fuel cell-micro gas turbine (SOFC-MGT) hybrid combined heat and power (CHP) system. J. Power Sources 2013, 223, 9–17. [Google Scholar] [CrossRef]
- Corigliano, O.; Pagnotta, L.; Fragiacomo, P. On the Technology of Solid Oxide Fuel Cell (SOFC) Energy Systems for Stationary Power Generation: A Review. Sustainability 2022, 14, 15276. [Google Scholar] [CrossRef]
- Buonomano, A.; Calise, F.; d’Accadia, M.D.; Palombo, A.; Vicidomini, M. Hybrid solid oxide fuel cells-gas turbine systems for combined heat and power: A review. Appl. Energy 2015, 156, 32–85. [Google Scholar] [CrossRef]
- van Veldhuizen, B.; van Biert, L.; Aravind, P.V.; Visser, K. Solid Oxide Fuel Cells for Marine Applications. Int. J. Energy Res. 2023, 2023, 5163448. [Google Scholar] [CrossRef]
- Azizi, M.A.; Brouwer, J. Progress in solid oxide fuel cell-gas turbine hybrid power systems: System design and analysis, transient operation, controls and optimization. Appl. Energy 2018, 215, 237–289. [Google Scholar] [CrossRef]
- Martinez, A.S.; Brouwer, J.; Samuelsen, G.S. Feasibility study for SOFC-GT hybrid locomotive power part II. System packaging and operating route simulation. J. Power Sources 2012, 213, 358–374. [Google Scholar] [CrossRef]
- Kumar, P.; Singh, O. A review of solid oxide fuel cell based hybrid cycles. Int. J. Energy Res. 2022, 46, 8560–8589. [Google Scholar] [CrossRef]
- Samuelsen, S.; Brouwer, J. Applications—Stationary|Fuel Cell/Gas Turbine Hybrid. In Encyclopedia of Electrochemical Power Sources; Garche, J., Ed.; Elsevier: Amsterdam, The Netherlands, 2009; pp. 124–134. [Google Scholar] [CrossRef]
- Toonssen, R.; Aravind, P.V.; Smit, G.; Woudstra, N.; Verkooijen, A.H.M. System Study on Hydrothermal Gasification Combined With a Hybrid Solid Oxide Fuel Cell Gas Turbine. Fuel Cells 2010, 10, 643–653. [Google Scholar] [CrossRef]
- Zhang, X.; Su, S.; Chen, J.; Zhao, Y.; Brandon, N. A new analytical approach to evaluate and optimize the performance of an irreversible solid oxide fuel cell-gas turbine hybrid system. Int. J. Hydrogen Energy 2011, 36, 15304–15312. [Google Scholar] [CrossRef]
- Zhang, X.; Chan, S.H.; Li, G.; Ho, H.K.; Li, J.; Feng, Z. A review of integration strategies for solid oxide fuel cells. J. Power Sources 2010, 195, 685–702. [Google Scholar] [CrossRef]
- Calise, F.; d’Accadia, M.D.; Vanoli, L.; von Spakovsky, M.R. Single-level optimization of a hybrid SOFC-GT power plant. J. Power Sources 2006, 159, 1169–1185. [Google Scholar] [CrossRef]
- Calise, F.; d’Accadia, M.D.; Vanoli, L.; von Spakovsky, M.R. Full load synthesis/desigin optimization of a hybrid SOFC-GT power plant. Energy 2007, 32, 446–458. [Google Scholar] [CrossRef]
- Calise, F.; Palombo, A.; Vanoli, L. Design and partial load exergy analysis of hybrid SOFC-GT power plant. J. Power Sources 2006, 158, 225–244. [Google Scholar] [CrossRef]
- Azevedo, S.G.; Sequeira, T.; Santos, M.; Mendes, L. Biomass-related sustainability: A review of the literature and interpretive structural modeling. Energy 2019, 171, 1107–1125. [Google Scholar] [CrossRef]
- Sinha, A.A.; Saini, G.; Sanjay; Shukla, A.K.; Ansari, M.Z.; Dwivedi, G.; Choudhary, T. A novel comparison of energy-exergy, and sustainability analysis for biomass-fueled solid oxide fuel cell integrated gas turbine hybrid configuration. Energy Convers. Manag. 2023, 283, 116923. [Google Scholar] [CrossRef]
- Cocco, D.; Tola, V. Externally reformed solid oxide fuel cell—Micro-gas turbine (SOFC—MGT) hybrid systems fueled by methanol and di-methyl-ether (DME). Energy 2009, 34, 2124–2130. [Google Scholar] [CrossRef]
- Isfahani, S.N.R.; Sedaghat, A. A hybrid micro gas turbine and solid state fuel cell power plant with hydrogen production and CO2 capture. Int. J. Hydrogen Energy 2016, 41, 9490–9499. [Google Scholar] [CrossRef]
- Ding, X.; Lv, X.; Weng, Y. Fuel-Adaptability Analysis of Intermediate-Temperature-SOFC/Gas Turbine Hybrid System With Biomass Gas. J. Energy Resour. Technol. Trans. Asme 2021, 143, 022104. [Google Scholar] [CrossRef]
- Lv, X.; Gu, C.; Liu, X.; Weng, Y. Effect of gasified biomass fuel on load characteristics of an intermediate-temperature solid oxide fuel cell and gas turbine hybrid system. Int. J. Hydrogen Energy 2016, 41, 9563–9576. [Google Scholar] [CrossRef]
- Behzadi, A.; Gholamian, E.; Houshfar, E.; Habibollahzade, A. Multi-objective optimization and exergoeconomic analysis of waste heat recovery from Tehran’s waste-toenergy plant integrated with an ORC unit. Energy 2018, 160, 1055–1068. [Google Scholar] [CrossRef]
- Zhao, Y.; Sadhukhan, J.; Lanzini, A.; Brandon, N.; Shah, N. Optimal integration strategies for a syngas fuelled SOFC and gas turbine hybrid. J. Power Sources 2011, 196, 9516–9527. [Google Scholar] [CrossRef]
- Zhao, Y.; Shah, N.; Brandon, N. In Comparison between two optimization strategies for solid oxide fuel cell-gas turbine hybrid cycles. Int. J. Hydrogen Energy 2011, 36, 10235–10246. [Google Scholar] [CrossRef]
- Grigoruk, D.G.; Kasilova, E.V. Parametric studies of thermal configurations for hybrid systems with coal-gasification-product fuel cells. Power Technol. Eng. 2013, 46, 496–499. [Google Scholar] [CrossRef]
- Gür, T.M.; Homel, M.; Virkar, A.V. High performance solid oxide fuel cell operating on dry gasified coal. J. Power Sources 2010, 195, 1085–1090. [Google Scholar] [CrossRef]
- Giddey, S.; Badwal, S.P.S.; Munnings, C.; Dolan, M. Ammonia as a Renewable Energy Transportation Media. ACS Sustain. Chem. Eng. 2017, 5, 10231–10239. [Google Scholar] [CrossRef]
- Klerke, A.; Christensen, C.H.; Norskov, J.K.; Vegge, T. Ammonia for hydrogen storage: Challenges and opportunities. J. Mater. Chem. 2008, 18, 2304–2310. [Google Scholar] [CrossRef]
- Al-Hamed, K.H.M.; Dincer, I. A new direct ammonia solid oxide fuel cell and gas turbine based integrated system for electric rail transportation. Etransportation 2019, 2, 100027. [Google Scholar] [CrossRef]
- Ishak, F.; Dincer, I.; Zamfirescu, C. Energy and exergy analyses of direct ammonia solid oxide fuel cell integrated with gas turbine power cycle. J. Power Sources 2012, 212, 73–85. [Google Scholar] [CrossRef]
- Fryda, L.; Panopoulos, K.D.; Kakaras, E. Integrated CHP with autothermal biomass gasification and SOFC-MGT. Energy Convers. Manag. 2008, 49, 281–290. [Google Scholar] [CrossRef]
- Duan, L.; He, B.; Yang, Y. Parameter optimization study on SOFC-MGT hybrid power system. Int. J. Energy Res. 2011, 35, 721–732. [Google Scholar] [CrossRef]
- Perna, A.; Minutillo, M.; Jannelli, E.; Cigolotti, V.; Nam, S.W.; Yoon, K.J. Performance assessment of a hybrid SOFC/MGT cogeneration power plant fed by syngas from a biomass down-draft gasifier. Appl. Energy 2018, 227, 80–91. [Google Scholar] [CrossRef]
- Meratizaman, M.; Monadizadeh, S.; Amidpour, M. Techno-economic assessment of high efficient energy production (SOFC-GT) for residential application from natural gas. J. Nat. Gas Sci. Eng. 2014, 21, 118–133. [Google Scholar] [CrossRef]
- Liu, H.; Qin, J.; Xiu, X.; Ha, C.; Dong, P. Comparative study of fuel types on solid oxide fuel cell-gas turbine hybrid system for electric propulsion aircraft. Fuel 2023, 347, 128426. [Google Scholar] [CrossRef]





















Disclaimer/Publisher’s Note: The statements, opinions and data contained in all publications are solely those of the individual author(s) and contributor(s) and not of MDPI and/or the editor(s). MDPI and/or the editor(s) disclaim responsibility for any injury to people or property resulting from any ideas, methods, instructions or products referred to in the content. |
© 2024 by the authors. Licensee MDPI, Basel, Switzerland. This article is an open access article distributed under the terms and conditions of the Creative Commons Attribution (CC BY) license (https://creativecommons.org/licenses/by/4.0/).
Share and Cite
Yuan, Q.; Li, X.; Han, S.; Wang, S.; Wang, M.; Chen, R.; Kudashev, S.; Wei, T.; Chen, D. Performance Analysis and Optimization of SOFC/GT Hybrid Systems: A Review. Energies 2024, 17, 1265. https://doi.org/10.3390/en17051265
Yuan Q, Li X, Han S, Wang S, Wang M, Chen R, Kudashev S, Wei T, Chen D. Performance Analysis and Optimization of SOFC/GT Hybrid Systems: A Review. Energies. 2024; 17(5):1265. https://doi.org/10.3390/en17051265
Chicago/Turabian StyleYuan, Qiao, Xiongzhuang Li, Shuo Han, Sijia Wang, Mengting Wang, Rentian Chen, Sergei Kudashev, Tao Wei, and Daifen Chen. 2024. "Performance Analysis and Optimization of SOFC/GT Hybrid Systems: A Review" Energies 17, no. 5: 1265. https://doi.org/10.3390/en17051265
APA StyleYuan, Q., Li, X., Han, S., Wang, S., Wang, M., Chen, R., Kudashev, S., Wei, T., & Chen, D. (2024). Performance Analysis and Optimization of SOFC/GT Hybrid Systems: A Review. Energies, 17(5), 1265. https://doi.org/10.3390/en17051265

